Simulation of the Steam Gasification of Japanese Waste Wood in an Indirectly Heated Downdraft Reactor Using PRO/II™: Numerical Comparison of Stoichiometric and Kinetic Models
Abstract
1. Introduction
2. Gasification Mechanism
3. Model Development and Methodology
3.1. Simulation Assumptions
- The gasifier is a downdraft reactor with a capacity of 10 ton/h of woody biomass (daf) and a volume of 100 m3, reproducing the design conditions of [34].
- The residence time is sufficient to reach steady-state conditions and the simulation blocks are zero-dimensional.
- Temperature gradients are neglected, emulating an isothermal process.
- The biomass is considered as dry and ash-free (daf), containing only carbon, hydrogen, and oxygen, while char contains only carbon. The catalytic effect of ash is ignored.
- Gases are assumed ideal. Pressure and heat losses are ignored.
- Tar is considered a homogeneous organic hydrocarbon containing only carbon, hydrogen, and oxygen.
- The reaction takes place in the absence of oxygen and no internal combustion or oxidation reactions take place.
3.2. Thermodynamic Method and Component Properties
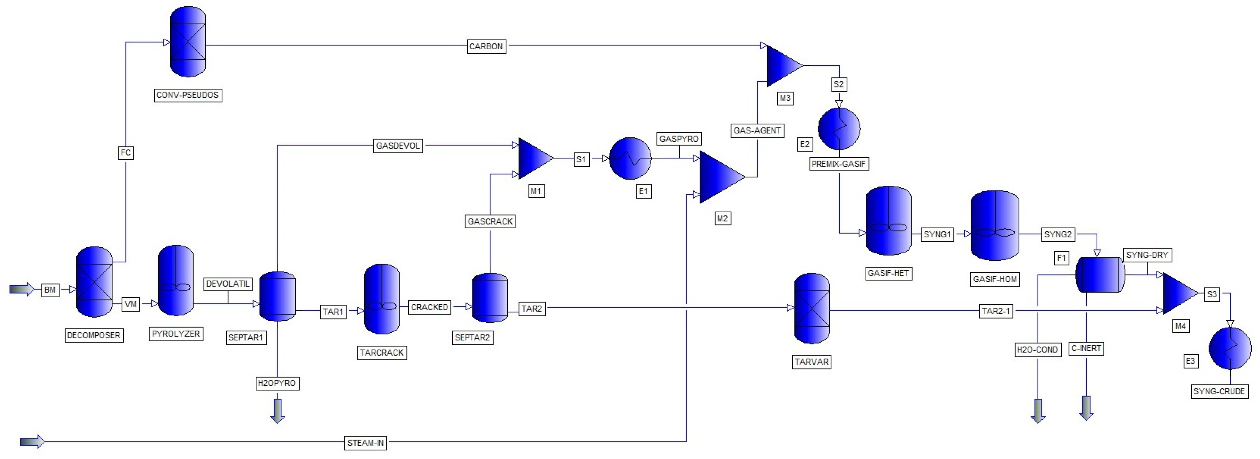
3.3. Development of a Modeling Flow Diagram
3.4. Stoichiometric Model
3.5. Kinetic Model
3.6. Methodology of Model Validation
4. Results and Discussion
4.1. Material Balance and Composition
4.2. Model Validations
4.2.1. Effect of the Steam-to-Biomass Ratio ()
4.2.2. Effect of the Gasification Temperature (T)
4.2.3. Prediction Error of the Models
5. Conclusions
Author Contributions
Funding
Institutional Review Board Statement
Informed Consent Statement
Data Availability Statement
Conflicts of Interest
Abbreviations
| Activity exponent of reaction r for component i in Equation (3) (mol); | |
| As determined basis; | |
| Stoichiometric coefficient (mol); | |
| Density at a reference temperature of 298 K, 1 atm (kg/m3); | |
| Constant for kinetic parameters in Equation (4) | |
| Biomass stream (mol/m3); | |
| Concentration (mol/m3); | |
| Carbon in solid state; | |
| Dry and ash-free basis; | |
| Dry basis; | |
| Energy of activation in Equation (4) (kJ/mol); | |
| Fixed carbon stream; | |
| High heating value (MJ/kg); | |
| Pyrolysis water stream; | |
| Enthalpy of formation at 298 K (MJ/kg); | |
| Pre-exponential coefficient (1/s); | |
| Equilibrium constant; | |
| Mass flow (ton/h); | |
| Moisture content (g/gBM); | |
| Molecular weight (g/mol); | |
| R | Gas constant = 8.314 J/Kmol; |
| Reaction rate (mol/s); | |
| Reactions; | |
| Relative mean square error (%); | |
| Steam-to-biomass mass ratio (g/gBM); | |
| Stoichiometric model; | |
| Volatile matter stream; | |
| Volatile matter stream; | |
| w | Molar fraction (mol/mol); |
| X | Carbon conversion in gasification (g/g); |
| y | Mass yield or fraction (g/gBM). |
Appendix A


References
- Yadav, V.G.; Yadav, G.D.; Patankar, S.C. The production of fuels and chemicals in the new world: Critical analysis of the choice between crude oil and biomass vis-à-vis sustainability and the environment. Clean Technol. Environ. Policy 2020, 22, 1757–1774. [Google Scholar] [CrossRef]
- Dente, M.R.; Kayo, C.; Aoki-suzuki, C.; Tanaka, D. Life cycle environmental impact assessment of biomass materials in Japan. J. Clean. Prod. 2020, 257, 120388. [Google Scholar] [CrossRef]
- Hongo, T. Circular Economy Potential and Public-Private Partnership Models in Japan. In Towards a Circular Economy: Corporate Management and Policy Pathways; ERIA Research Project Report; Economic Research Institute for ASEAN and East Asia (ERIA): Jakarta, Indonesia, 2016; pp. 17–29. [Google Scholar]
- IEA—International Energy Agency. Global Energy Review: CO2 Emissions in 2021 Global Emissions Rebound Sharply to Highest Ever Level; Technical Report; IEA—International Energy Agency: Paris, France, 2022. [Google Scholar]
- Ren, X.Y.; Feng, X.B.; Cao, J.P.; Tang, W.; Wang, Z.H.; Yang, Z.; Zhao, J.P.; Zhang, L.Y.; Wang, Y.J.; Zhao, X.Y. Catalytic Conversion of Coal and Biomass Volatiles: A Review. Energy Fuels 2020, 34, 10307–10363. [Google Scholar] [CrossRef]
- Arvidsson, M.; Haro, P.; Morandin, M.; Harvey, S. Comparative thermodynamic analysis of biomass gasification-based light olefin production using methanol or DME as the platform chemical. Chem. Eng. Res. Des. 2016, 115, 182–194. [Google Scholar] [CrossRef]
- Talero, G.; Nielsen, C.M.; Kansha, Y. Identification of Japanese Solid Biowaste for Conversion into Biochemicals and Energy via Thermochemical Biorefinery. Chem. Eng. Trans. 2021, 88, 313–318. [Google Scholar] [CrossRef]
- Jiang, P.; Parvez, A.M.; Meng, Y.; Xu, M.x.; Shui, T.c.; Sun, C.g.; Wu, T. Exergetic, economic and carbon emission studies of bio-olefin production via indirect steam gasification process. Energy 2019, 187, 115933. [Google Scholar] [CrossRef]
- Herdem, M.S. Performance investigation of a non-combustion heat carrier biomass gasifier for various reforming methods of pyrolysis products. Int. J. Green Energy 2022, 19, 62–71. [Google Scholar] [CrossRef]
- Kartal, F.; Özveren, U. A comparative study for biomass gasification in bubbling bed gasifier using Aspen HYSYS. Bioresour. Technol. Rep. 2021, 13, 100615. [Google Scholar] [CrossRef]
- Talero, G.; Rincón, S.; Gómez, A. Biomass torrefaction in a standard retort: A study on oil palm solid residues. Fuel 2019, 244, 366–378. [Google Scholar] [CrossRef]
- Zhao, S.; Ding, L.; Ruan, Y.; Bai, B.; Qiu, Z.; Li, Z. Experimental and kinetic studies on steam gasification of a biomass char. Energies 2021, 14, 7229. [Google Scholar] [CrossRef]
- Haydary, J. Chemical Process Design and Aspen Plus and Aspen HYSYS Applications; John Wiley and Sons, Inc.: New Delhi, India, 2019. [Google Scholar]
- Kansha, Y.; Ishizuka, M.; Tsutsumi, A.; Kambe, Y.; Yoshihara, J. Simulated Application of Self-Heat Recuperation and Pressure Swing System to Industrial Methanol Synthesis Process. J. Chem. Eng. Jpn. 2019, 52, 650–655. [Google Scholar] [CrossRef]
- Mutlu, O.C.; Zeng, T. Challenges and Opportunities of Modeling Biomass Gasification in Aspen Plus: A Review. Chem. Eng. Technol. 2020, 43, 1674–1689. [Google Scholar] [CrossRef]
- Yu, J.; Smith, J.D. Validation and application of a kinetic model for biomass gasification simulation and optimization in updraft gasifiers. Chem. Eng. Process.-Process. Intensif. 2018, 125, 214–226. [Google Scholar] [CrossRef]
- Basu, P. Biomass Gasification, Pyrolysis and Torrefaction, 3rd ed.; Academic Press: London, UK, 2018. [Google Scholar]
- Huang, F.; Jin, S. Investigation of biomass (pine wood) gasification: Experiments and Aspen Plus simulation. Energy Sci. Eng. 2019, 7, 1178–1187. [Google Scholar] [CrossRef]
- Zhao, Z.; Jiang, J.; Wang, F. An economic analysis of twenty light olefin production pathways. J. Energy Chem. 2021, 56, 193–202. [Google Scholar] [CrossRef]
- González-Vázquez, M.P.; Rubiera, F.; Pevida, C.; Pio, D.T.; Tarelho, L.A. Thermodynamic analysis of biomass gasification using aspen plus: Comparison of stoichiometric and non-stoichiometric models. Energies 2021, 14, 189. [Google Scholar] [CrossRef]
- Wu, W.; Kawamoto, K.; Kuramochi, H. Hydrogen-rich synthesis gas production from waste wood via gasification and reforming technology for fuel cell application. J. Mater. Cycles Waste Manag. 2006, 8, 70–77. [Google Scholar] [CrossRef]
- Pfeifer, C.; Koppatz, S.; Hofbauer, H. Steam gasification of various feedstocks at a dual fluidised bed gasifier: Impacts of operation conditions and bed materials. Biomass Convers. Biorefinery 2011, 1, 39–53. [Google Scholar] [CrossRef]
- Anniwaer, A.; Chaihad, N.; Zahra, A.C.A.; Yu, T.; Kasai, Y.; Kongparakul, S.; Samart, C.; Abudula, A.; Guan, G. Steam co-gasification of Japanese cedarwood and its commercial biochar for hydrogen-rich gas production. Int. J. Hydrogen Energy 2021, 46, 34587–34598. [Google Scholar] [CrossRef]
- Aljbour, S.H.; Kawamoto, K. Bench-scale gasification of cedar wood—Part I: Effect of operational conditions on product gas characteristics. Chemosphere 2013, 90, 1495–1500. [Google Scholar] [CrossRef]
- Sun, Y.; Zhang, Z.; Seetharaman, S.; Liu, L.; Wang, X. Characteristics of low temperature biomass gasification and syngas release behavior using hot slag. RSC Adv. 2014, 4, 62105–62114. [Google Scholar] [CrossRef]
- Kaushal, P.; Tyagi, R. Advanced simulation of biomass gasification in a fluidized bed reactor using ASPEN PLUS. Renew. Energy 2017, 101, 629–636. [Google Scholar] [CrossRef]
- Sharma, A.K. Equilibrium modeling of global reduction reactions for a downdraft (biomass) gasifier. Energy Convers. Manag. 2008, 49, 832–842. [Google Scholar] [CrossRef]
- Goswami, L.; Tejas Namboodiri, M.; Vinoth Kumar, R.; Pakshirajan, K.; Pugazhenthi, G. Biodiesel production potential of oleaginous Rhodococcus opacus grown on biomass gasification wastewater. Renew. Energy 2017, 105, 400–406. [Google Scholar] [CrossRef]
- Hantoko, D.; Yan, M.; Prabowo, B.; Susanto, H.; Li, X.; Chen, C. Chapter 13—Aspen Plus Modeling Approach in Solid Waste Gasification. In Current Developments in Biotechnology and Bioengineering; Kumar, S., Kumar, R., Pandey, A., Eds.; Elsevier: Amsterdam, The Netherlands, 2019; pp. 259–281. [Google Scholar] [CrossRef]
- Schneider, C.; Rincón Prat, S.; Kolb, T. Determination of active sites during gasification of biomass char with CO2 using temperature-programmed desorption. Part 1: Methodology and desorption spectra. Fuel 2020, 267, 116726. [Google Scholar] [CrossRef]
- Larkin, J.; Macken, N.; Schaffer, M.; Elkasabi, Y.; Mullen, C.A.; Boateng, A.A.; Bjornebo, L.; Spatari, S. A process simulation of guayule biorefining, including an exergy analysis. In Energy Sustainability; American Society of Mechanical Engineers: New York, NY, USA, 2016; Volume 50220, p. V001T13A001. [Google Scholar] [CrossRef]
- Lee, J.C.; Lee, H.H.; Joo, Y.J.; Lee, C.H.; Oh, M. Process simulation and thermodynamic analysis of an IGCC (integrated gasification combined cycle) plant with an entrained coal gasifier. Energy 2014, 64, 58–68. [Google Scholar] [CrossRef]
- Han, J.; Liang, Y.; Hu, J.; Qin, L.; Street, J.; Lu, Y.; Yu, F. Modeling downdraft biomass gasification process by restricting chemical reaction equilibrium with Aspen Plus. Energy Convers. Manag. 2017, 153, 641–648. [Google Scholar] [CrossRef]
- Umeki, K.; Yamamoto, K.; Namioka, T.; Yoshikawa, K. High temperature steam-only gasification of woody biomass. Appl. Energy 2010, 87, 791–798. [Google Scholar] [CrossRef]
- Kawamoto, K.; Wu, W.; Kuramochi, H. Development of Gasification and Reforming Technology using Catalyst at Lower Temperature for Effective Energy Recovery: Hydrogen Recovery Using Waste Wood. J. Environ. Eng. 2009, 4, 409–421. [Google Scholar] [CrossRef]
- Yu, S.; Park, J.J.; Kim, M.; Ryu, C.; Park, J.J. Characterization of biochar and byproducts from slow pyrolysis of hinoki cypress. Bioresour. Technol. Rep. 2019, 6, 217–222. [Google Scholar] [CrossRef]
- Viana, H.F.d.S.; Rodrigues, A.M.; Godina, R.; Matias, J.C.d.O.; Nunes, L.J.R. Evaluation of the physical, chemical and thermal properties of Portuguese maritime pine biomass. Sustainability 2018, 10, 2877. [Google Scholar] [CrossRef]
- Eisermann, W.; Johnson, P.; Conger, W.L. Estimating thermodynamic properties of coal, char, tar and ash. Fuel Process. Technol. 1980, 3, 39–53. [Google Scholar] [CrossRef]
- Shrivastava, P.; Kumar, A.; Tekasakul, P.; Lam, S.S.; Palamanit, A. Comparative investigation of yield and quality of bio-oil and biochar from pyrolysis of woody and non-woody biomasses. Energies 2021, 14, 1092. [Google Scholar] [CrossRef]
- Popescu, F.; Mahu, R.; Ion, V.I.; Rusu, E. A Mathematical Model of Biomass Combustion Physical and Chemical Processes. Energies 2020, 13, 6232. [Google Scholar] [CrossRef]
- Minami, E.; Saka, S. Biomass resources present in Japan—Annual quantities grown, unused and wasted. Biomass Bioenergy 2005, 29, 310–320. [Google Scholar] [CrossRef]
- Chmielniak, T.; Stepien, L.; Sciazko, M.; Nowak, W. Effect of pyrolysis reactions on coal and biomass gasification process. Energies 2021, 14, 5091. [Google Scholar] [CrossRef]
- Nikoo, M.B.; Mahinpey, N. Simulation of biomass gasification in fluidized bed reactor using ASPEN PLUS. Biomass Bioenergy 2008, 32, 1245–1254. [Google Scholar] [CrossRef]
- Kato, Y.; Enomoto, R.; Akazawa, M.; Kojima, Y. Characterization of Japanese cedar bio-oil produced using a bench-scale auger pyrolyzer. SpringerPlus 2016, 5, 177. [Google Scholar] [CrossRef]
- Mendes, D.; Mendes, A.; Madeira, L.M.; Iulianelli, A.; Sousa1, J.M.; Basile, A. The water-gas shift reaction: From conventional catalytic systems to Pd-based membrane reactors—A review. Asia-Pac. J. Chem. Eng. 2010, 5, 111–137. [Google Scholar] [CrossRef]
- Umeki, K.; Son, Y.I.; Namioka, T.; Yoshikawa, K. Basic Study on Hydrogen-rich Gas Production by High Temperature Steam Gasification of Solid Wastes. J. Environ. Eng. 2009, 4, 321–327. [Google Scholar] [CrossRef][Green Version]
- Prasertcharoensuk, P.; Bull, S.J.; Phan, A.N. Gasification of waste biomass for hydrogen production: Effects of pyrolysis parameters. Renew. Energy 2019, 143, 112–120. [Google Scholar] [CrossRef]
- Squara, P.; Scheeren, T.W.; Aya, H.D.; Bakker, J.; Cecconi, M.; Einav, S.; Malbrain, M.L.; Monnet, X.; Reuter, D.A.; van der Horst, I.C.; et al. Metrology part 1: Definition of quality criteria. J. Clin. Monit. Comput. 2021, 35, 17–25. [Google Scholar] [CrossRef]
- Zeng, Y.; He, H.; Qin, K.; Zhang, M.; An, Z.; Huang, H. Practical application of the sigma-metric run size nomogram for multistage bracketed statistical quality control analysis of eight enzymes. Clin. Chim. Acta 2019, 492, 57–61. [Google Scholar] [CrossRef] [PubMed]
- Honma, S.; Hata, T.; Watanabe, T. Effect of catalytic pyrolysis conditions using pulse current heating method on pyrolysis products of wood biomass. Sci. World J. 2014, 2014, 720527. [Google Scholar] [CrossRef][Green Version]
- Morin, M.; Pécate, S.; Hémati, M. Experimental study and modelling of the kinetic of biomass char gasification in a fluidized bed reactor. Chem. Eng. Res. Des. 2018, 131, 488–505. [Google Scholar] [CrossRef]





| BM | Char | Tar | |||||
|---|---|---|---|---|---|---|---|
| Wood Waste | Japanese | Hinoki | Japanese | Pure | Bio-Oil | ||
| Properties | Unit | Average | Cedar [23,35] | Cypress [36] | Red Pine [37] | Carbon [38] | [39] |
| % g/g | 51.4 ± 2 | 50.4 ± 2.6 | 51.9 ± 0 | 51.9 ± 1.5 | 100 | 54.7 ± 9.8 | |
| % g/g | 6.2 ± 0.3 | 6.2 ± 0.2 | 6.2 ± 0 | 6.3 ± 0.4 | 0 | 6.6 ± 0.3 | |
| % g/g | 0.3 ± 0.3 | 0.7 ± 0.4 | 0.2 ± 0 | 0.1 ± 0.1 | 0 | <0.9 | |
| % g/g | 42.2 ± 2.1 | 43.4 ± 2.6 | 41.8 ± 0 | 41.6 ± 1.6 | 0 | 38.7 ± 11.4 | |
| % g/g | 21.8 ± 7.5 | 30.3 ± 12.3 | 27.7 ± 0 | 7.4 ± 2.7 | 0 | 52.1 | |
| % g/g | 84 ± 4.1 | 83 ± 5 | 84.8 ± 0 | 84.2 ± 3.1 | 0 | N.A. | |
| % g/g | 16 ± 4.1 | 17 ± 5 | 15.1 ± 0 | 15.8 ± 3.1 | 100 | N.A. | |
| MJ/kg | 21.1 ± 0.9 | 19.8 ± 1 | 23 ± 0 | 20.7 ± 0.8 | 39.35 | 37.3 ± 0.8 | |
| [40] | kg/m3 | 405 ± 140 | 497 | 481 | 238 | 1611 | 1130 |
| PRO/II™ properties of unconventional components—CxHyOz | |||||||
| x | atom/atom-C | 1 | 1 | 1 | 1 | ||
| y | atom/atom-C | 1.49 | 1.79 | 0 | 1.43 | ||
| z | atom/atom-C | 0.73 | 0.77 | 0 | 0.53 | ||
| g/mol | 23.83 | 26.24 | 12.01 | 21.98 | |||
| [40] | MJ/kg | −10 | −8 | −30 | −5.5 | ||
| Reactor Block (Rector Type) | Reaction | Reaction Parameters | Simulation Conditions | |
|---|---|---|---|---|
| “DECO+PYRO” (RConv) | R1 | Fixed duty = 0 Conversion = 1 | ||
| R2 | , , , , , | |||
| “Tar cracking” (RConv) | R3 | , , | Fixed duty = 0 Conversion = 0.72 | |
| “Heterogenous Gasifier” | R4 | Fixed duty = 0 | ||
| (REquil) | R5 | Activity basis = partial pressure | ||
| “Homogenous Gasifier” (REquil) | R6 | Fixed duty = 0 Activity basis = partial pressure | ||
| Reactor Block (Rector Type) | Reaction | Reaction Parameters | Simulation Conditions | |
|---|---|---|---|---|
| “Decomposer” (RConv) | R1 | Fixed duty = 0 Conversion = 1 | ||
| “Pyrolyzer” (CSTR) | R2 | / / / / / / | Fixed duty = 0 Reactor volume = 5 m | |
| “Tar cracking” (CSTR) | R3 | , , | Fixed duty = 0 Reactor volume = 1 m | |
| “Heterogenous Gasifier” | R4 | / | Fixed duty = 0 | |
| (CSTR) | R5 | / | Reactor volume = 100 m | |
| “Homogenous Gasifier” (CSTR) | R6 | .78 / | Fixed duty = 0 Reactor volume = 1.5 m | |
| Source | Gasifier | Feedstock | Reaction Agent | T Range | S/B Range | Ref. |
|---|---|---|---|---|---|---|
| Lit. 1 | Downdraft | Japanese cedar | Steam | 500–900 | 0.6–3.2 | [46] |
| Lit. 2 | Downdraft | Red Pine | Steam | 700–900 | 0.7–2.8 | [18] |
| Lit. 3 | Dual Fluidized | Wood pellets | Steam | 770–850 | 0.75–1.6 | [22] |
| Lit. 4 | Fluidized bed | Waste wood | Steam | 750–950 | 0.7 | [21] |
| Lit. 5 | Fixed bed | Waste wood | Steam | 600–900 | 3.5 | [47] |
| Lit. 6 | Fixed bed | Japanese cedar | Steam | 650–850 | 2.4–12 | [23] |
| Lit. 7 | Updraft | Japanese cedar | Steam | 750 | 0.6–3.2 | [35] |
| Lit. 8 | Updraft | Japanese cedar | Air/Steam | 850 | 0–1.4 | [24] |
| Lit. 9 | Updraft | Wood waste | Steam | 950 | 2–4 | [34] |
| Molar Composition | |||||||||||
|---|---|---|---|---|---|---|---|---|---|---|---|
| Node | Stream | T | Pressure | C | Tar | H2O | H2 | CO | CO2 | CH4 | |
| Unit | ton/h | °C | kPa | mol/mol | |||||||
| Steams In | |||||||||||
| 1 | 10.0 | 30 | 101 | ||||||||
| 2 | 7.0 | 200 | 101 | 1.0 | |||||||
| Pyrolysis | |||||||||||
| 3 | 1.70 | 500 | 101 | 1.0 | |||||||
| 4 | * | 8.30 | 500 | 101 | 0.429 | 0.287 | 0.087 | 0.108 | 0.085 | 0.004 | |
| 5 | 5.30 | 0 | 101 | 0.003 | 0.164 | 0.507 | 0.215 | 0.112 | |||
| 6 | 1.98 | 0 | 101 | 1.0 | |||||||
| 7 | 1.026 | 0 | 101 | 1.0 | |||||||
| Gasification | |||||||||||
| 8 | 13.81 | 850 | 101 | 0.195 | 0.522 | 0.046 | 0.144 | 0.061 | 0.032 | ||
| 9 | 13.81 | 850 | 101 | 0.026 | 0.250 | 0.318 | 0.211 | 0.163 | 0.032 | ||
| 10 | 13.81 | 850 | 101 | 0.026 | 0.324 | 0.245 | 0.285 | 0.089 | 0.032 | ||
| 11 | 4.20 | 0 | 101 | 1.0 | |||||||
| 12 | 0.224 | 0 | 101 | 1.0 | |||||||
| 13 | 10.41 | 0 | 101 | 0.089 | 0.003 | 0.341 | 0.398 | 0.125 | 0.044 | ||
| Molar Composition | |||||||||||
|---|---|---|---|---|---|---|---|---|---|---|---|
| Node | Stream | T | Pressure | C | Tar | H2O | H2 | CO | CO2 | CH4 | |
| Unit | ton/h | °C | kPa | mol/mol | |||||||
| Steams In | |||||||||||
| 1 | 10.0 | 30 | 101 | ||||||||
| 2 | 7.0 | 200 | 101 | 1.0 | |||||||
| Pyrolysis | |||||||||||
| 3 | 1.70 | 500 | 101 | 1.0 | |||||||
| 4 | * | 8.30 | 500 | 101 | 0.544 | 0.178 | 0.247 | 0.026 | 0.005 | ||
| 5 | 6.53 | 0 | 101 | 0.001 | 0.231 | 0.603 | 0.033 | 0.132 | |||
| 6 | 1.14 | 0 | 101 | 1.0 | |||||||
| 7 | 0.632 | 0 | 101 | 1.0 | |||||||
| Gasification | |||||||||||
| 8 | 15.04 | 850 | 101 | 0.170 | 0.455 | 0.087 | 0.226 | 0.012 | 0.050 | ||
| 9 | 15.04 | 850 | 101 | 0.031 | 0.315 | 0.226 | 0.366 | 0.012 | 0.050 | ||
| 10 | 15.04 | 850 | 101 | 0.031 | 0.211 | 0.330 | 0.262 | 0.116 | 0.050 | ||
| 11 | 3.13 | 0 | 101 | 1.0 | |||||||
| 12 | 0.304 | 0 | 101 | 1.0 | |||||||
| 13 | 12.23 | 0 | 101 | 0.044 | 0.003 | 0.415 | 0.330 | 0.146 | 0.063 | ||
| Error vs. T | Error vs. | |||||||
|---|---|---|---|---|---|---|---|---|
| Unit | % mol/mol | % g/g | % mol/mol | |||||
| 1.28 | 2.91 | X | 9.34 | 14.85 | 1.53 | 3.14 | ||
| 5.24 | 13.88 | 9.66 | 22.14 | 2.47 | 9.77 | |||
| 4.01 | 5.49 | 4.38 | 8.79 | 4.72 | 1.52 | |||
| 3.05 | 1.22 | 2.48 | 2.88 | |||||
| 3.91 | 7.96 | 8.16 | 16.21 | 2.91 | 5.62 | |||
Publisher’s Note: MDPI stays neutral with regard to jurisdictional claims in published maps and institutional affiliations. |
© 2022 by the authors. Licensee MDPI, Basel, Switzerland. This article is an open access article distributed under the terms and conditions of the Creative Commons Attribution (CC BY) license (https://creativecommons.org/licenses/by/4.0/).
Share and Cite
Talero, G.; Kansha, Y. Simulation of the Steam Gasification of Japanese Waste Wood in an Indirectly Heated Downdraft Reactor Using PRO/II™: Numerical Comparison of Stoichiometric and Kinetic Models. Energies 2022, 15, 4181. https://doi.org/10.3390/en15124181
Talero G, Kansha Y. Simulation of the Steam Gasification of Japanese Waste Wood in an Indirectly Heated Downdraft Reactor Using PRO/II™: Numerical Comparison of Stoichiometric and Kinetic Models. Energies. 2022; 15(12):4181. https://doi.org/10.3390/en15124181
Chicago/Turabian StyleTalero, Gabriel, and Yasuki Kansha. 2022. "Simulation of the Steam Gasification of Japanese Waste Wood in an Indirectly Heated Downdraft Reactor Using PRO/II™: Numerical Comparison of Stoichiometric and Kinetic Models" Energies 15, no. 12: 4181. https://doi.org/10.3390/en15124181
APA StyleTalero, G., & Kansha, Y. (2022). Simulation of the Steam Gasification of Japanese Waste Wood in an Indirectly Heated Downdraft Reactor Using PRO/II™: Numerical Comparison of Stoichiometric and Kinetic Models. Energies, 15(12), 4181. https://doi.org/10.3390/en15124181

