Optimal Deployment of Mobile MSSSC in Transmission System
Abstract
:1. Introduction
1.1. Objectives
1.2. Literature Review
1.3. Contributions
- Introduces a novel open-source tool to support system planners to explore the DCOPF-based optimal placement of mobile MSSSC in transmission systems.
- Considers the operation deadband in linear MSSSC model.
- The proposed linear and multi-period model considers the historical Irish transmission system data, including wind and demand patterns, and system non-synchronous penetration (SNSP).
1.4. Paper Structure
2. Materials and Methods
2.1. Formulations
2.1.1. The DCOPF Model
- : Set of buses;
- g: Set of generators;
- l: Set of loads;
- : Set of shunt devices;
- t: Set of time;
- : The elements between Bus i and Bus j;
- : Ramping speed of generators;
- : Load pattern;
- f: Power flows;
- B: Susceptance of the line;
- : Transformer turns ratio;
- : Transformer phase-shift angle;
- G: Conductance of shunt devices.
- w: Set of wind generating units;
- : Minimum and maximum wind power output;
- : Wind power output;
- : Wind pattern.
2.1.2. The N-1 Security Constraint
2.1.3. The Mobile MSSSC Model
- : Sets of transmission lines
- : Power flow changes in Line ;
- : Susceptance changes of Line ;
- : Minimum and maximum voltage injection of the MSSSC;
- : Reactance injection of the MSSSC;
- : Current flow in Line ;
- : MSSSC deployment controller for Line ;
- : Susceptance of Line .


- : The positive and negative power flow changes in Line ;
- : Operation controller of MSSSC.
- : Weight of the combination of wind and load pattern in a year;
- : Weight of the season in a year.
2.2. Architecture of the Tool
2.3. Assumptions
- The mobile MSSSC characteristics are based on SmartValve 10-1800 device [1].
- The emission factor of electricity is 295.8 gr/kWh [47].
- Three mobile MSSSC devices (one device per phase) are deployed at each location, and eighteen mobile MSSSC devices in total are available for six locations.
- The SNSP is considered as 75% in accordance with Irish system requirements [40].
- The heavily loaded line is the line whose loading is greater than 50% of its thermal limit during operation.
- The congested line is the line whose loading is greater than 90% of its thermal limit after N-1 contingency.
- The underutilised line is the line whose loading is less than 10% of its thermal limit without contingencies.
2.4. Data Preprocessing
- Season 1: Winter. It includes 107 days (2568 h) during 1 January 2021–15 February 2021 and 1 November 2021–31 December 2021.
- Season 2: Summer. It includes 153 days (3672 h) during 1 April 2021–31 August 2021.
- Season 3: Spring and autumn. It includes 105 days (2520 h) during 16 February 2021–31 March 2021 and 1 September 2021–31 October 2021.
3. Results
- 118-bus system normal operation study;
- 1 × 150 MW demand connection study;
- 2 × 75 MW demands connection study;
- 1 × 150 MW RES connection study.
- Base case: The results without N-1 contingency constraints and mobile MSSSC deployment.
- N-1 security: The results with N-1 contingency constraints, but without mobile MSSSC deployment.
- Automatic method: The final results were obtained by using the proposed tool.
3.1. 118-bus System Normal Operation Study
3.2. 1 × 150 MW Demand Connection Study
3.3. 2 × 75 MW Demand Connection Study
3.4. New RES Connection Study
4. Sensitivity Analysis
5. Conclusions and Future Works
5.1. Conclusions
- The deployment of mobile MSSSC can effectively reduce the RES curtailment, emissions, system generation cost, and system total cost. It also has positive impacts on the existing asset utilisation improvement.
- The presence of new demand should be primarily placed close to RES generating units or low-cost generators. The separation of the large demand deployment may have different impacts on the network congestion, compared to a single large demand connection.
- With optimally allocated mobile MSSSC, the high system operation cost, as well as the growth of wind curtailment caused by new demands connections, can be effectively mitigated.
- The additional RES connection can result in severe network congestion and significant wind curtailment due to the limited network transfer capacity. The mobile MSSSC can effectively facilitate the RES connections by optimally allocating the RES connection location as well as rebalancing the power flows.
- The tool can be used to investigate the optimal deployment locations of new demand, such as data centres or power-to-gas facilities, and RES connections, following the coordination with mobile MSSSC deployment.
- The variations in generating unit cost affect the optimal deployment locations of mobile MSSSC. The more expensive the thermal units are, the more the RES curtailment reduction is economically justifiable.
5.2. Future Work
- The detailed multiple numbers of mobile MSSSC allocation tool should be investigated. This is important for system planners to avoid extensive civil engineering works by reducing the installation locations.
- The mobile MSSSC deployment strategy under unit commitment conditions should be investigated since these devices can provide flexibility for the UC problem.
- An ACOPF model for mobile MSSSC deployment location optimisation tool should be investigated.
- The investigation of other FACTS allocation strategies adapted with linear operation model methods can be performed [36].
- The impact of mobile MSSSC transportable constraints, including re-deployment speed and moving range, on the deployment strategy should be investigated. It should be considered as a fast-react force to mitigate sudden risks, enhancing the stability and reliability of the grid.
- The impacts of mobile MSSSC placement on the extreme weather event management and post-contingency should be investigated. The impact of mobile MSSSC demolishing on the originally installed lines should be considered to prevent additional risks to the system.
- The detailed and customised cost–benefits analysis can justify the results of optimal allocation of mobile MSSSC, as well as the best investment decision for system planners.
Author Contributions
Funding
Institutional Review Board Statement
Informed Consent Statement
Data Availability Statement
Acknowledgments
Conflicts of Interest
Abbreviations
| RES | Renewable energy source |
| TSO | Transmission system operator |
| FACTS | Flexible AC transmission systems |
| MSSSC | Modular static synchronous series compensator |
| IGBT | Isolated-gate bipolar transistor |
| SNSP | System non-synchronous penetration |
| PFC | Power flow controller |
| NR | Newton–Raphson |
| GSO | Group searcher optimization |
| OPF | Optimal power flow |
| LP | Load pattern |
| WP | Wind pattern |
| GSHF | Generation shift factor |
| LODF | Line outage distribution factor |
| NPV | Net present value |
| CBA | Cost–benefit analysis |
| OM | Operation and maintenance |
| Unit | |
| % | Percentage |
| EUR | Euro |
| g | gram |
| kWh | Kilowatt hour |
| MW | Megawatts |
| MWh | Megawatt hour |
| GWh | Gigawatt hour |
| M | Million |
| k | Thousand |
| t | Tonne |
Appendix A






References
- Smart Wires Inc. SmartValve™. Available online: https://www.smartwires.com/smartvalve/ (accessed on 25 April 2022).
- Bojorquez, B.; Santos Lopez, E.; Longoria, M.; Babaei, S. Advantages of M-SSSC Devices over Traditional Series Compensation. In Proceedings of the 30th CIGRE Greece National Conference “e-Session 2020”, Athens, Greece, 26–30 November 2020. [Google Scholar]
- Zavadil, R. Comparative Performance of Smart Wires SmartValve with EHV Series Capacitor: Implications for Sub-Synchronous Resonance (SSR). 2018. Available online: https://www.smartwires.com/tag/sub-synchronous-resonance/ (accessed on 25 April 2022).
- Bie, Z.; Lin, Y.; Li, G.; Li, F. Battling the extreme: A study on the power system resilience. Proc. IEEE 2017, 105, 1253–1266. [Google Scholar] [CrossRef]
- Kreikebaum, F.; Das, D.; Yang, Y.; Lambert, F.; Divan, D. Smart Wires—A distributed, low-cost solution for controlling power flows and monitoring transmission lines. In Proceedings of the 2010 IEEE PES Innovative Smart Grid Technologies Conference Europe (ISGT Europe), Gothenburg, Sweden, 11–13 October 2010; pp. 1–8. [Google Scholar]
- INEA. Flexitranstore. Available online: https://ec.europa.eu/inea/en/horizon-2020/projects/h2020-energy/grids-storage/flexitranstore (accessed on 25 April 2022).
- Flexitranstore. Demonstration 4: Power Flow Control Devices—Power Guardian. Available online: http://www.flexitranstore.eu/Demo-4 (accessed on 25 April 2022).
- Khan, S.; Henein, S.; Brunner, H. Optimal Energy Interruption Planning and Generation Re-dispatch for Improving Reliability during Contingencies. In Proceedings of the 2020 IEEE Power & Energy Society Innovative Smart Grid Technologies Conference (ISGT), Washington, DC, USA, 17–20 February 2020; pp. 1–5. [Google Scholar]
- Ma, J.; Venkatesh, B. Integrating Net Benefits Test for Demand Response Into Optimal Power Flow Formulation. IEEE Trans. Power Syst. 2021, 36, 1362–1372. [Google Scholar] [CrossRef]
- Schneider, M.; Hoffrichter, A.; Puffer, R. Theoretical Potential of Dynamic Line Ratings for Congestion Management in Large-Scale Power Systems. In Proceedings of the 2019 IEEE Milan PowerTech, Milan, Italy, 23–27 June 2019; pp. 1–6. [Google Scholar] [CrossRef]
- Saavedra, R.; Street, A.; Arroyo, J.M. Day-Ahead Contingency-Constrained Unit Commitment With Co-Optimized Post-Contingency Transmission Switching. IEEE Trans. Power Syst. 2020, 35, 4408–4420. [Google Scholar] [CrossRef]
- Soroudi, A. Controllable transmission networks under demand uncertainty with modular FACTS. Int. J. Electr. Power Energy Syst. 2021, 130, 106978. [Google Scholar] [CrossRef]
- Kreikebaum, F.; Wang, A.; Broad, S. Integration of Series FACTS into Interconnect-scale Production Cost and Long-term Planning Tools. In Proceedings of the CIGRE, Paris, France, 22–26 August 2016. [Google Scholar]
- Fenlon, R. An Application of Modular FACTS Devices to Relieve Transmission Constraints and Accelerate Wind Farm Connections and Firm Access. In Proceedings of the 3rd E-Mobility Integration Symposium, 9th Solar & 18th Wind Integration Workshops, Dublin, Ireland, 14–18 October 2019; Available online: https://www.semanticscholar.org/paper/An-application-of-modular-FACTS-devices-to-relieve-Fenlon/9652973854949886a6c89381b64d31e6c0ff13d5 (accessed on 20 May 2022).
- Del Rosso, A.; Drewry, G.; Herman, J.; Green, B.; McGuiness, S. Evaluation of SmartValveTM Devices Installation at Central Hudson; Technical Report; Electric Power Research Institute (EPRI): Washington, DC, USA, 2020. [Google Scholar]
- Pungaliya, R.P. Assessing Transmission Bottlenecks for Renewable Energy Development in North Carolina. Master’s Thesis, Duke University, Durham, NC, USA, 2021. [Google Scholar]
- EirGrid. SmartValve Pilot Project. 2016. Available online: http://www.eirgridgroup.com/site-files/library/EirGrid/SmartWires-EirGrid-SmartValve-Pilot-Report.pdf (accessed on 25 April 2022).
- Transgrid. Victoria-NSW Interconnector Technology Will Unlock Additional Energy for 30,000 Homes. Available online: https://www.transgrid.com.au/media-publications/news-articles/victoria-nsw-interconnector-technology-will-unlock-additional-energy-for-30-000-homes (accessed on 25 April 2022).
- TÉCNICO, D. ASPECTOS TÉCNICOS, REGULATORIOS Y ECONÓMICOS DE LOS SISTEMAS FACTS DISTRIBUIDOS-JWG B4.C2.3. 2021. Available online: http://www.cigrecolombia.org/Documents/Memorias/Reporte%20t%C3%A9cnico%20B4.C2.3%20FACTS%20distribuidos%20SWs43.pdf (accessed on 25 April 2022).
- Abido, M. Power system stability enhancement using FACTS controllers: A review. Arab. J. Sci. Eng. 2009, 34, 153–172. [Google Scholar]
- Perez, R.; Oliveira, G.; Pereira, M.; Falcão, D.; Kreikebaum, F.; Ramsay, S. FACTS and D-FACTS: The Operational Flexibility Demanded by the Transmission Expansion Planning Task with Increasing RES. In Proceedings of the CIGRE, Paris, France, 24–29 August 2014; p. 1. [Google Scholar]
- Adepoju, G.; Sanusi, M.; Tijani, M. Application of SSSC to the 330kV Nigerian transmission network for voltage control. Niger. J. Technol. 2017, 36, 1258–1264. [Google Scholar] [CrossRef] [Green Version]
- Bekkala, A.C. Analysis and Synthesis of Smart Wires in an Electric Power System. Ph.D. Thesis, University of Minnesota, Minneapolis, MN, USA, 2018. [Google Scholar]
- APG. APG AND Smart Wires Sign Cooperation Agreement for Innovation Projects to Optimize the Load Flow in the Transmission Grid. Available online: https://www.apg.at/en/media-center/presse/2022/01/27/apg-und-smart-wires (accessed on 25 April 2022).
- Pourbabak, H.; Nudell, T.R.; Su, W. An Efficient Algorithm for Dispatch of Modular FACTS Devices in Transmission Planning. In Proceedings of the 2019 IEEE Power & Energy Society General Meeting (PESGM), Atlanta, GA, USA, 4–8 August 2019; pp. 1–5. [Google Scholar]
- Fenlon, R.; Norton, M. Planning of An Efficient Power System with The Use of Modular Static Synchronous Series Compensation to Enable Flexible Operational Services. In Proceedings of the CIRED 2020 Berlin Workshop (CIRED 2020), Online, 22–23 September 2020; pp. 270–273. [Google Scholar]
- Yan, P.; Sekar, A. Steady-state analysis of power system having multiple FACTS devices using line-flow-based equations. IEE Proc. Gener. Transm. Distrib. 2005, 152, 31–39. [Google Scholar] [CrossRef]
- Gerbex, S.; Cherkaoui, R.; Germond, A.J. Optimal Location of Multi-type FACTS Devices in A Power System by Means of Genetic Algorithms. IEEE Trans. Power Syst. 2001, 16, 537–544. [Google Scholar] [CrossRef]
- Ghahremani, E.; Kamwa, I. Optimal placement of multiple-type FACTS devices to maximize power system loadability using a generic graphical user interface. IEEE Trans. Power Syst. 2012, 28, 764–778. [Google Scholar] [CrossRef]
- Li, C.; Xiao, L.; Cao, Y.; Zhu, Q.; Fang, B.; Tan, Y.; Zeng, L. Optimal allocation of multi-type FACTS devices in power systems based on power flow entropy. J. Mod. Power Syst. Clean Energy 2014, 2, 173–180. [Google Scholar] [CrossRef] [Green Version]
- Lu, Z.; Li, M.; Tang, W.; Wu, Q. Optimal location of FACTS devices by a bacterial swarming algorithm for reactive power planning. In Proceedings of the 2007 IEEE Congress on Evolutionary Computation, Singapore, 25–28 September 2007; pp. 2344–2349. [Google Scholar]
- Marouani, I.; Guesmi, T.; Abdallah, H.H.; Ouali, A. Application of a multiobjective evolutionary algorithm for optimal location and parameters of FACTS devices considering the real power loss in transmission lines and voltage deviation buses. In Proceedings of the 2009 6th International Multi-Conference on Systems, Signals and Devices, Djerba, Tunisia, 23–March 2009; pp. 1–6. [Google Scholar]
- Jafarzadeh, J.; Haq, M.T.; Mahaei, S.M.; Farhadi, P. Optimal Placement of FACTS Devices Based on Network Security. In Proceedings of the 2011 3rd International Conference on Computer Research and Development, Shanghai, China, 11–13 March 2011; Volume 3, pp. 345–349. [Google Scholar]
- Soroudi, A.; Oconnell, B.; Kelliher, J.; Osullivan, J.; Kelly, B.; Walsh, M.; Kreikebaum, F.; Meyer, Y. Use of Power Flow Controllers to Enhance Transmission Network Utilisation on the Irish Transmission Network. arXiv 2019, arXiv:1911.06677. [Google Scholar]
- Sahraei-Ardakani, M.; Hedman, K.W. Computationally efficient adjustment of FACTS set points in DC optimal power flow with shift factor structure. IEEE Trans. Power Syst. 2016, 32, 1733–1740. [Google Scholar] [CrossRef]
- Rui, X.; Sahraei-Ardakani, M.; Nudell, T.R. Linear modelling of series FACTS devices in power system operation models. IET Gener. Transm. Distrib. 2021, 16, 1047–1063. [Google Scholar] [CrossRef]
- Sadat, S.A.; Rui, X. Computational Impacts of SVCs on Optimal Power Flow using Approximated Active-Set Interior Point Algorithm. In Proceedings of the 2021 North American Power Symposium (NAPS), College Station, TX, USA, 14–16 November 2021. [Google Scholar] [CrossRef]
- Zimmerman, R.D.; Murillo-S’anchez, C.E. MATPOWER User’s Manual, Version 7.1; Power Systems Engineering Research Center (PSerc): Tempe, AZ, USA, 2020. [Google Scholar] [CrossRef]
- Soroudi, A. Power System Optimization Modeling in GAMS; Springer: Cham, Switzerland, 2017; Volume 78. [Google Scholar]
- EirGrid Inc. Electricity Grid to Run on 75% Variable Renewable Generation Following Successful Trial. Available online: https://www.eirgridgroup.com/newsroom/electricity-grid-to-run-o/index.xml (accessed on 25 April 2022).
- ENTSO-E. 3rd ENTSO-E Guideline for Cost Benefit Analysis of Grid Development Projects; Report; ENTSO-E: Brussels, Belgium, 2021. [Google Scholar]
- Smart Wires Inc. Cost Benefit Analysis of SmartValve Projects. Available online: https://www.smartwires.com/webinars/cba-webinar/ (accessed on 25 April 2022).
- Hart, W.E.; Laird, C.D.; Watson, J.P.; Woodruff, D.L.; Hackebeil, G.A.; Nicholson, B.L.; Siirola, J.D. Pyomo-Optimization Modeling in Python; Springer: Cham, Switzerland, 2017; Volume 67. [Google Scholar]
- EirGrid Plc. System Data Qtr Hourly 2020. 2021. Available online: https://www.eirgridgroup.com/site-files/library/EirGrid/System-Data-Qtr-Hourly-2020-2021.xlsx (accessed on 25 April 2022).
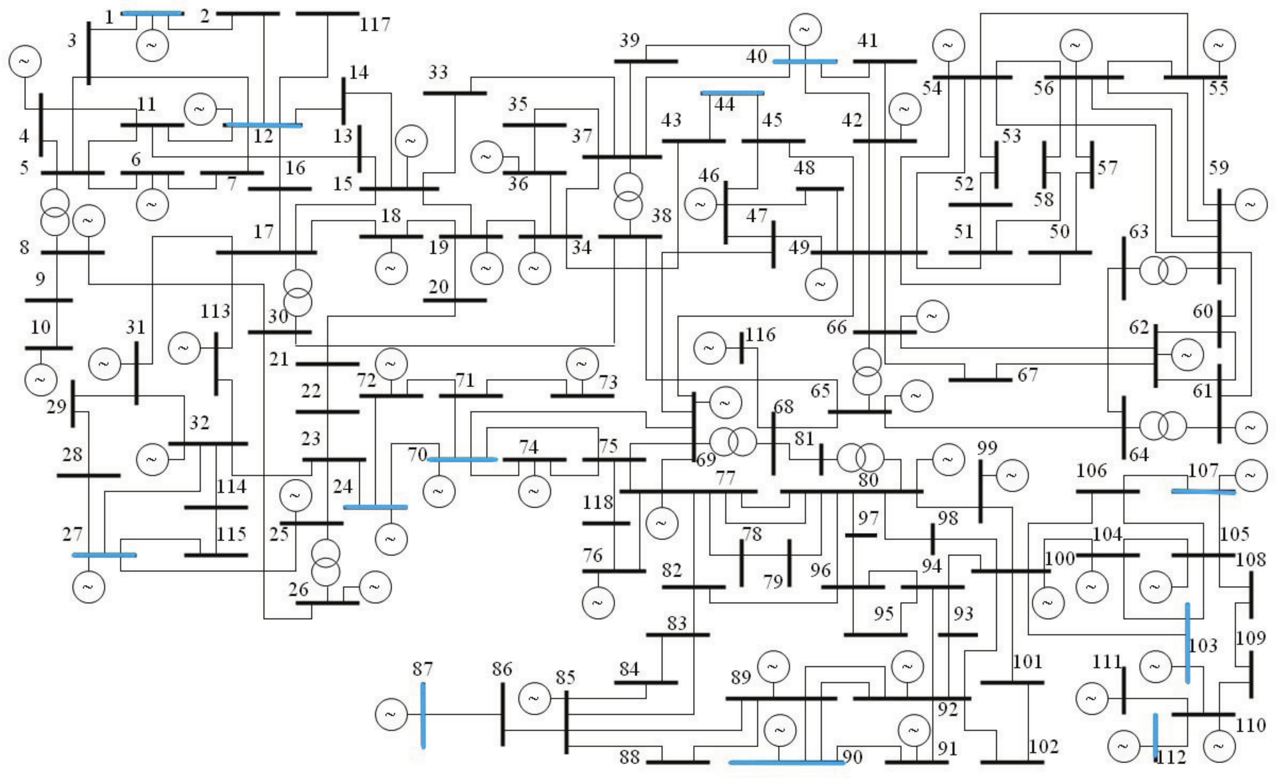
- Al-Roomi, A.R. Power Flow Test Systems Repository. Available online: https://al-roomi.org/power-flow (accessed on 25 April 2022).
- Tsuchida, T.B.; Gramlich, R. Improving Transmission Operation with Advanced Technologies: A Review of Deployment Experience and Analysis of Incentives; Technical Report; The Brattle Group: Boston, MA, USA, 2019. [Google Scholar]
- SEAI. Conversion Factors: Emission Factor. Available online: https://www.seai.ie/data-and-insights/seai-statistics/conversion-factors/ (accessed on 25 April 2022).
- Illinois Institute of Technology. JEAS IEEE118. Available online: http://motor.ece.iit.edu/data/JEAS_IEEE118.doc (accessed on 25 April 2022).
- Tavenard, R.; Faouzi, J.; Vandewiele, G.; Divo, F.; Androz, G.; Holtz, C.; Payne, M.; Yurchak, R.; Rußwurm, M.; Kolar, K.; et al. Tslearn, A Machine Learning Toolkit for Time Series Data. J. Mach. Learn. Res. 2020, 21, 1–6. [Google Scholar]
- Smart Wires Inc. Use Cases. Available online: https://www.smartwires.com/case-studies/ (accessed on 25 April 2022).
- Government of Ireland. Government Statement on The Role of Data Centres in Ireland’s Enterprise Strategy. Available online: https://enterprise.gov.ie/en/Publications/Publication-files/Government-Statement-Data-Centres-Enterprise-Strategy.pdf (accessed on 25 April 2022).
- Saboori, H.; Jadid, S.; Savaghebi, M. Optimal management of mobile battery energy storage as a self-driving, self-powered and movable charging station to promote electric vehicle adoption. Energies 2021, 14, 736. [Google Scholar] [CrossRef]
- Ren, L.; Xu, Y.; Zuo, W.; Shi, X.; Jiao, F.; Liu, Y.; Deng, J.; Li, J.; Shi, J.; Wang, S.; et al. Development of a movable HTS SMES system. IEEE Trans. Appl. Supercond. 2015, 25, 1–9. [Google Scholar] [CrossRef]
- Government of Ireland. Climate Action Plan 2021. Available online: https://www.gov.ie/en/publication/6223e-climate-action-plan-2021/ (accessed on 25 April 2022).














| AC Tool | DC Tool | Objectives |
|---|---|---|
| Line-flow-based model with NR Algorithm [27] | GAMS-based tool [34] | Power system loadability maximisation [28] |
| Genetic algorithms [28] | Reactive power planning [31] | |
| Generic graphical-user-interface-based tool [28] | Power flow entropy minimisation [30] | |
| Bacterial swarming algorithm [31] | Real power loss minimisation [32] | |
| GSO Algorithm [30] | Voltage deviation minimisation [32] | |
| Non-dominated sorting genetic algorithm [32] | Network security maximisation [33] | |
| Economic function [34] |
| Season | Case | Wind Curtailment (MWh) | Gen Cost (EUR M) | Devices Cost (EUR k) | Total Cost (EUR M) | Network Utilisation (%) |
|---|---|---|---|---|---|---|
| Season 1 (Winter) | Base Case | 19,267 | 58.68 | 0 | 58.68 | 56.8 |
| N-1 Security | 70,182 | 59.72 | 0 | 59.72 | 54.2 | |
| Automatic Method | 51,891 | 59.36 | 103 | 59.46 | 55.6 | |
| Season 2 (Summer) | Base Case | 1043 | 84.77 | 0 | 84.77 | 52.2 |
| N-1 Security | 18,153 | 85.36 | 0 | 85.36 | 55.5 | |
| Automatic Method | 10,448 | 85.10 | 118 | 85.21 | 52.0 | |
| Season 3 (Spring and Autumn) | Base Case | 3538 | 54.98 | 0 | 54.98 | 54.3 |
| N-1 Security | 54,681 | 55.89 | 0 | 55.89 | 52.7 | |
| Automatic Method | 38,694 | 55.57 | 81 | 55.65 | 53.6 |
| Season | Case | Wind Curtailment (MWh) | Gen Cost (EUR M) | Devices Cost (EUR k) | Total Cost (EUR M) | Network Utilisation (%) |
|---|---|---|---|---|---|---|
| Season 1 (Winter) | Base Case | 0 | 63.17 | 0 | 63.17 | 58.2 |
| N-1 Security | 0 | 63.36 | 0 | 63.36 | 55.3 | |
| Automatic Method | 0 | 63.28 | 21 | 63.30 | 55.2 | |
| Season 2 (Summer) | Base Case | 0 | 91.73 | 0 | 91.73 | 54.8 |
| N-1 Security | 0 | 91.77 | 0 | 91.77 | 50.5 | |
| Automatic Method | 0 | 91.77 | 0 | 91.77 | 50.5 | |
| Season 3 (Spring and Autumn) | Base Case | 0 | 59.58 | 0 | 59.58 | 57.8 |
| N-1 Security | 0 | 59.69 | 0 | 59.69 | 52.8 | |
| Automatic Method | 0 | 59.63 | 20 | 59.65 | 52.3 |
| Season | Case | Wind Curtailment (MWh) | Gen Cost (EUR M) | Devices Cost (EUR k) | Total Cost (EUR M) | Network Utilisation (%) |
|---|---|---|---|---|---|---|
| Season 1 (Winter) | Base Case | 885 | 63.19 | 0 | 63.19 | 58.2 |
| N-1 Security | 6235 | 63.57 | 0 | 63.57 | 56.0 | |
| Automatic Method | 1077 | 63.35 | 41 | 63.39 | 55.5 | |
| Season 2 (Summer) | Base Case | 0 | 91.73 | 0 | 91.73 | 54.7 |
| N-1 Security | 0 | 91.83 | 0 | 91.83 | 51.9 | |
| Automatic Method | 0 | 91.79 | 29 | 91.82 | 50.9 | |
| Season 3 (Spring and Autumn) | Base Case | 0 | 59.58 | 0 | 59.58 | 58.1 |
| N-1 Security | 231 | 59.80 | 0 | 59.80 | 53.6 | |
| Automatic Method | 0 | 59.68 | 40 | 59.72 | 53.4 |
| Season | Case | Wind Curtailment (MWh) | Gen Cost (EUR M) | Devices Cost (EUR k) | Total Cost (EUR M) | Network Utilisation (%) |
|---|---|---|---|---|---|---|
| Season 1 (Winter) | Base Case | 24,981 | 53.86 | 0 | 53.86 | 56.1 |
| N-1 Security | 75,001 | 54.75 | 0 | 54.75 | 52.7 | |
| Automatic Method | 50618 | 54.37 | 185 | 54.56 | 54.3 | |
| Season 2 (Summer) | Base Case | 764 | 77.74 | 0 | 77.74 | 53.6 |
| N-1 Security | 17,502 | 78.26 | 0 | 78.26 | 51.7 | |
| Automatic Method | 9190 | 78.04 | 118 | 78.16 | 50.6 | |
| Season 3 (Spring and Autumn) | Base Case | 1892 | 50.21 | 0 | 50.21 | 55.7 |
| N-1 Security | 54,694 | 51.03 | 0 | 51.03 | 53.4 | |
| Automatic Method | 31,515 | 50.68 | 141 | 50.82 | 52.4 |
| The % Change of Targeted Gen Cost | Wind Curtailment Reduction (MWh) | Avoidance (t) | Gen Cost Reduction (EUR k) | Devices Cost (EUR k) | Total Cost Reduction (EUR k) | MSSSC Allocations |
|---|---|---|---|---|---|---|
| −10% | 8023 | 2373 | 218 | 88 | 130 | , , and |
| −5% | 8049 | 2381 | 232 | 88 | 144 | , , and |
| 0% | 7705 | 2279 | 258 | 118 | 141 | , , , and |
| 5% | 9373 | 2772 | 365 | 147 | 218 | , , , , and |
| 10% | 11,134 | 3293 | 417 | 176 | 240 | , , , , , and |
Publisher’s Note: MDPI stays neutral with regard to jurisdictional claims in published maps and institutional affiliations. |
© 2022 by the authors. Licensee MDPI, Basel, Switzerland. This article is an open access article distributed under the terms and conditions of the Creative Commons Attribution (CC BY) license (https://creativecommons.org/licenses/by/4.0/).
Share and Cite
Zhao, Z.; Soroudi, A. Optimal Deployment of Mobile MSSSC in Transmission System. Energies 2022, 15, 3878. https://doi.org/10.3390/en15113878
Zhao Z, Soroudi A. Optimal Deployment of Mobile MSSSC in Transmission System. Energies. 2022; 15(11):3878. https://doi.org/10.3390/en15113878
Chicago/Turabian StyleZhao, Zhehan, and Alireza Soroudi. 2022. "Optimal Deployment of Mobile MSSSC in Transmission System" Energies 15, no. 11: 3878. https://doi.org/10.3390/en15113878
APA StyleZhao, Z., & Soroudi, A. (2022). Optimal Deployment of Mobile MSSSC in Transmission System. Energies, 15(11), 3878. https://doi.org/10.3390/en15113878
