Study of the Accelerated Degradation of the Insulation of Power Cables under the Action of the Acid Environment
Abstract
:1. Introduction
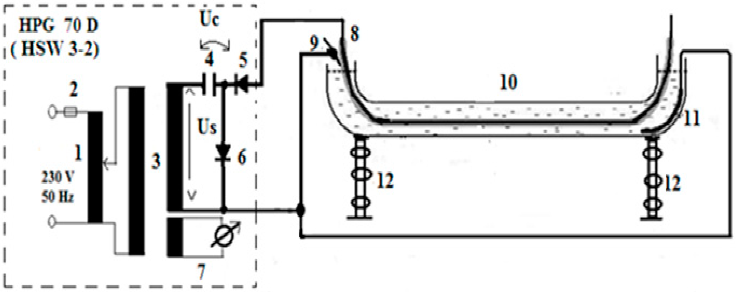
2. Description of the Experimental Equipment
- 1—Voltage regulation autotransformer;
- 2—Safety of protection of the installation;
- 3—Transformer voltage lifter;
- 4—Coupling capacitor;
- 5/6—Recovery and multiplication diodes;
- 7—Tertiary winding of measure;
- 8—Main conductor;
- 9—Cable screen;
- 10—PVC pipe;
- 11—Graphite counter electrode;
- 12—IsolatorIT.
3. Experimental Research
3.1. Analysis of the Behavior of Insulation in the Acidic Environment at Different Voltages and in the Absence of Voltage
3.2. Interpretation of Results
4. Conclusions
- Under operating conditions at voltages close to the nominal value (Uo/Un = 12/20 kV), the conduction current circulating through the insulation determines normal heating, keeping the insulation at a positive temperature, in principle higher in relation to the temperature in the installation tank. The absorption of the electrolyte, in this case, is a reduced one;
- In the time interval in which the supply voltage has high values in relation to the nominal voltage of the cable sample, the insulation enters a process of continuous degradation as a result of heating, losing its insulating properties and generating a rapid decrease in the value of insulation resistance;
- In the absence of supply voltage, the internal temperature of the cable decreases with the temperature of the electrolyte in the vat, and the process of degradation of the insulation increases, since the insulation absorbs a greater amount of electrolyte from the installation’s vat, causing significant decreases in the value of insulation resistance.
Author Contributions
Funding
Institutional Review Board Statement
Informed Consent Statement
Data Availability Statement
Conflicts of Interest
References
- Chengke, Z.; Huajie, Y.; Xiang, D. Review of Recent Research towards Power Cable Life Cycle Management. High Volt. 2017, 2, 179–187. [Google Scholar]
- Munteanu, L.; Gurguiatu, G.; Bălănuță, C. Reliability and Quality in Electrical Engineering; Galați University Press: Galaţi, Romania, 2009. [Google Scholar]
- Preduș, M.F.; Spunei, E.; Roșu, M. Diagnostic of Defects at Electric Lines in Cable. In Proceedings of the 10th International Conference on Electromechanical and Power Systems SIELMEN 2015, Chişinău, Moldova, 8–9 October 2015. [Google Scholar]
- Yuan, J.; Feng, J.; Zhu, H.; Luo, J. Study on Mechanism of Water Tree Caused in XLPE Power Cable Dielectric. High Volt. Eng. 2002, 28, 8–9. [Google Scholar]
- Zhou, K.; Huang, M.; Tao, W.; He, M.; Yang, M. A possible water tree initiation mechanism for service-aged XLPE cables: Conversion of electrical tree to water tree. IEEE Trans. Dielectr. Electr. Insul. 2016, 23, 1854–1861. [Google Scholar] [CrossRef]
- Preduș, M.F. Research on Increasing Efficiency of Defect Diagnose in Cable Electric Lines. Master’s Thesis, Polytechnic University of Bucharest, Bucharest, Romania, 2020. [Google Scholar]
- Kang, S.D.; Kim, J.H. Investigation on the Insulation Resistance Characteristics of Low Voltage Cable. Energies 2020, 13, 3611. [Google Scholar] [CrossRef]
- Hațiegan, C.; Padureanu, I.; Jurcu, M.R.; Biriescu, M.; Răduca, M.; Dilertea, F. The evaluation of the insulation performances of the stator coil for the high power vertical synchronous hydro-generators by monitoring the level of partial discharges. Electr. Eng. 2017, 99, 1013–1020. [Google Scholar] [CrossRef]
- Bordeasu, D.; Prostean, O.; Hațiegan, C. Contributions to Modeling, Simulation and Controlling of a Pumping System Powered by a Wind Energy Conversion System. Energies 2021, 14, 7696. [Google Scholar] [CrossRef]
- Haţiegan, C.; Răduca, E.; Popescu, C.; Hamat, C.O.; Băra, A.; Anghel, D.; Pîrşan, D.A. Experimental Measurements Concerning the Stator Insulation Partial Discharge Level of a Hydro-Generator of High Power. In Proceedings of the IOP Conference Series: Materials Science and Engineering, Hunedoara, Romania, 20–22 October 2017; Volume 294. [Google Scholar]
- Gușă, M. Electrical Discharges in the Insulation of High Voltage Installations; Technical University Gheorghe Asachi Iași: Iași, Romania, 2015. [Google Scholar]
- Dumitran, L.M. Electrical Insulation Systems; Printech Publishing House: Bucharest, Romania, 2008. [Google Scholar]
- Ionita, I.; Radulescu, C.; Stihi, C.; Popescu, I.V.; Poinescu, A.A.; Bunghez, I.R. The Behavior of Underground Power Cables under the Action of Stress Factors. Rom. J. Phys. 2014, 59, 1150–1159. [Google Scholar]
- Hedir, A.; Moudoud, M.; Loucif, A. Degradation Study of Power Cables Insulation under AC Electric Field, Based on Electrical Measurements and Physico-Chemical Analysis. In Proceedings of the 1st Algerian Multi-Conference on Computer, Electrical and Electronic Engineering (AMCEEE'17), Algiers, Algeria, 24–27 April 2017. [Google Scholar]
- Lingvay, I.; Lingvay, C. Corrosion Degradation of Power Lines; Printech Publishing House: Bucharest, Romania, 2008. [Google Scholar]
- Hațiegan, C.; Predus, M.F.; Popescu, C. Effects of Acidic Water Containing Tailings on the Insulation of Electrical Cables. In Proceedings of the Scientific Conference with International Participation “CONFERENG 2021”, Targu-Jiu, Romania, 25–27 November 2021. [Google Scholar]
- Zhou, K.; Tao, W.; Zhao, W.; Yang, D.; Yang, M. Toward Understanding the Characteristics of Water Tree Growth at Different Temperatures in XLPE Based on the Theory of Molecular Orientation. High Volt. Eng. 2014, 40, 3665–3673. [Google Scholar]
- Mao, W.P. Investigation of Installation and Type Selection of Cables at Low Temperatures. Electr. Wire Cable 2009, 5, 38–40. [Google Scholar]
- SebaKMT—High Voltage Command and Control Equipment Operation Manual, Type HSW 3-2. 2001. Available online: www.sebakmt.com (accessed on 4 April 2008).
- Dumitrescu, I. Environmental Pollution; Universitas Publishing House: Petroșani, Romania, 2005. [Google Scholar]
- Sabău, N.C. Genesis, Degradation and Soil Pollution—Part II; University of Oradea Publishing House: Orade, Romania, 2017. [Google Scholar]
- Lazăr, M. Research on the Stability and Ecological Reconstruction of Lands Affected by Mining. Ph.D. Thesis, University of Petroșani, Petroșani, Romania, 2016. [Google Scholar]
- Extech pH Meter Model PH220, User Manual. 2021. Available online: http://www.extech.com/products/resources/PH220_UM-en.pdf (accessed on 10 March 2022).
- PE116/94. Energy Research and Modernization Institute, PE116/94—Standard for Tests and Measurements on Electrical Equipment and Installations. Icemenerg Publishing House: Bucharest, Romania, 1994.
- Pispiris, S. Technological Procedure 3.2.FT4-93, Methods for Checking Power Lines in 1–35kV Cable; Icemenerg Publishing House: Bucharest, Romania, 1993. [Google Scholar]








| Time Intervals | Um [kVcc] | Ic [μA] | Rins [GΩ] | Telectrolyte [°C] | |
|---|---|---|---|---|---|
| Insulation test before the testing stage | 15″ | 72.0 | 2.0 | 277.0 | 20.0 |
| I | 24 h | 62.2 | 16.8 | 156.0 | 47.8 |
| II | 48 h | 54.8 | 26.5 | 94.6 | 38.0 |
| III | 72 h | 46.5 | 45.0 | 86.8 | 32.4 |
| IV | 96 h | 32.9 | 34.5 | 46.5 | 28.5 |
| V | 120 h | 24.0 | 40.0 | 28.2 | 24.5 |
| VI | 144 h | 23.8 | 42.3 | 27.9 | 23.7 |
| VII | 168 h | 23.4 | 41.8 | 27.4 | 23.2 |
| Time Intervals | Us [kVcc] | Ic [μA] | Rins [GΩ] | Telectrolyte [°C] | |
|---|---|---|---|---|---|
| - | - | - | - | 29.4 | 20.0 |
| I | 24 h | - | - | 12.5 | 18.7 |
| II | 48 h | - | - | 6.5 | 19.2 |
| III | 72 h | - | - | 4.8 | 20.8 |
| IV | 96 h | - | - | 3.4 | 21.2 |
| V | 120 h | - | - | 1.4 | 21.4 |
| Reenergisation | |||||
| I | 24 h | 12 | 690.5 | 0.8 | 19.8 |
| II | 48 h | 20 | 1450.0 | 0.4 | 25.0 |
| III | 72 h | 30 | 2480.0 | 0.1 | 28.0 |
| IV | - | 42 | → breakdown | ||
Publisher’s Note: MDPI stays neutral with regard to jurisdictional claims in published maps and institutional affiliations. |
© 2022 by the authors. Licensee MDPI, Basel, Switzerland. This article is an open access article distributed under the terms and conditions of the Creative Commons Attribution (CC BY) license (https://creativecommons.org/licenses/by/4.0/).
Share and Cite
Preduș, M.F.; Popescu, C.; Răduca, E.; Hațiegan, C. Study of the Accelerated Degradation of the Insulation of Power Cables under the Action of the Acid Environment. Energies 2022, 15, 3550. https://doi.org/10.3390/en15103550
Preduș MF, Popescu C, Răduca E, Hațiegan C. Study of the Accelerated Degradation of the Insulation of Power Cables under the Action of the Acid Environment. Energies. 2022; 15(10):3550. https://doi.org/10.3390/en15103550
Chicago/Turabian StylePreduș, Marius Florian, Cristinel Popescu, Eugen Răduca, and Cornel Hațiegan. 2022. "Study of the Accelerated Degradation of the Insulation of Power Cables under the Action of the Acid Environment" Energies 15, no. 10: 3550. https://doi.org/10.3390/en15103550
APA StylePreduș, M. F., Popescu, C., Răduca, E., & Hațiegan, C. (2022). Study of the Accelerated Degradation of the Insulation of Power Cables under the Action of the Acid Environment. Energies, 15(10), 3550. https://doi.org/10.3390/en15103550
