Abstract
Although many PMSMs are used as the driving source for electric vehicle motor drive systems, there is still a gap compared with the power density index in the DOE roadmap. Considering that the motor occupies a large space in the motor drive system, it is of great significance for the system to increase the motor power density and thus reach the system power density index. This article starts with electrical machine basic design theory and finds the motor power density influence factors. Guided by the theory and considering motor driver influence, this article proposes a high power density motor for electric vehicle integrated motor drive system. The motor for the system is a five-phase interior permanent magnet synchronous motor (IPMSM) with a double-layer rotor structure and fractional slot distributed winding. Compared with Ver1.0 motor, Ver2.0 motor power density improves significantly. In order to prevent damage from excessive temperature, a temperature field solution model is established in this article to compare the cooling effect and pressure loss of the spiral, dial, and axial water jackets. The temperature is checked at motor main operating conditions using an optimal cooling structure. Finally, the power density of the designed Ver2.0 motor reaches 3.12 kW/kg in mass and 15.19 kW/L in volume.
  1. Introduction
Compared with traditional vehicles, electric vehicles are powered by a motor drive system (MDS), which consists of a motor controller, inverter, and motor. In traditional motor drive systems, in order to achieve high efficiency, high speed, and overload performance of the drive system, more attention is paid to the performance of the drive system than the motor size, resulting in the system’s low-power density and large space [].
The electrical and electronics technical team roadmap issued by the U.S. Department of Energy (DOE) proposes high power density, high efficiency, and low-cost requirements for MDSs []. In the roadmap, the motor peak volume power density should be greater than 50 kW/L, while the mass power density should be greater than 5.7 kW/kg. Finally, MDS power density should be greater than 33 kW/L in 2025.
An integrated motor drive system (IMDS) is an integrated system of a motor and its driver []. According to the positional relationship between the motor and its driver, it can be divided into radial mount and axial mount []. After integration, MDS power density can be improved while the size can be reduced [,]. Because of the above advantages, the IMDS is the hotspot of the current research on motor drive systems for electric vehicles. 
The IMDS designed by UQM Technologies Inc adopts a radial mount, and a brushless DC motor was used inside the IMDS, with peak power of 75 kW. However, motor mass power density is only 0.83 kW/kg []. Tesla’s Model S axially mounts the motor and motor driver, but the total volume of the two is still large, resulting in low system power density []. Daimler AG has designed a ring motor driver, which is mounted on the stator axial surface to reduce the volume of the IMDS, but the 45 kW IMDS’s size of motor is so large that the system power density was dragged down seriously. WEMPEC at the University of Wisconsin applies the five-phase motor and modular motor driver to IMDS, which makes the system more compact. Through the compact structure, IMDS power density and reliability are improved effectively. The only disadvantage of the motor drive system is the power of only 6 kW, which may not be suitable for high-power electric vehicles [,]. Reference [] compared the characteristics of the radial mount and axial mount. From the outer diameter aspect, the axial-mount motor drive system is smaller than the radial-mount, which is more conducive to achieving a high power density index. However, from the heat-dissipation aspect, a radial mount can take better advantage of the motor’s good radial heat dissipation and can manage system temperature better.
In the field of motor drive control, many control strategies can improve the performance of motor drive systems and bring changes to IMDS. Reference [] proposed an advanced DTC strategy for a three-phase PMSM drive system to improve the torque performance, which is beneficial for the high performance of MDSs. Moreover, an advanced SVPWM technique for a motor driver combined with a model predictive control improves the motor THD performance and torque performance [].
The main driver motor is the power component in the electric vehicle. Reference [] summarizes the electric vehicle’s main driver motor power density from 2004 to the present, including Prius, Camry, and BMW as typical cases. According to comparison, it is found that most motors’ mass power density is less than 3 kW/kg, while most motors’ volume power density is less than 10 kW/L. According to the table, Prius 2017 and BMW i3 are the most optimal case of motor power density.
Prius 2004 main driver motor adopts V shape rotor structure with a 48/8 slot-pole combination, the maximum motor speed is 6000 rpm, and power density is 3.3 kW/L []. On this basis, Prius 2010 main driver motor adopts the ∇ shape rotor structure, maximum speed is increased to 13,500 rpm, and power density is increased to 4.8 kW/L []. Prius 2017 main driver motor optimizes the ∇ shape rotor structure to make it more compact, reducing rotor outer diameter to make the motor endure a higher speed, and digging holes in rotor low-flux density region to reduce motor weight. After the redesign, motor power density reaches 1.7 kW/kg in mass and 5.7 kW/L in volume, which realizes the high power density optimization []. BMW i3 main driver motor adopts a 72/12 slot/pole combination with a double-bar shape rotor structure; the maximum output torque reaches 250 Nm, the peak power reaches 125 kW, and the motor power density reaches 3 kW/kg in mass and 9.1 kW/L in volume []. From the development trend of the above examples, it can be found that increasing the motor speed and optimizing the rotor topology is critical for high power density motor design.
As the power core of the MDS, the motor affects the system’s inherent performance. At the same time, the motor occupies the motor drive system’s vast majority of weight and volume, which are the main factor affecting the power density of the MDS. However, in the above MDS design example, more attention is paid to the compact design of the motor driver rather than the high power density design of the motor. As a result, the motor drive system cannot achieve high power density even with a compact motor driver. In view of the current research status of electric vehicles’ main driver motor, there is still a gap compared with the DOE roadmap. In order to improve MDS power density and narrow the gap, the research and design of high power density motors for electric vehicles are crucial.
In this paper, a 60 kW five-phase IPMSM for electric vehicles is designed to meet the motor’s high power density requirements. Through theoretical derivation, the factors affecting the motor power density are found. According to the theoretical guidance and the Ver1.0 motor index [], Ver2.0 motor electromagnetic design and optimization considering the stress field are carried out. Then, a horizontal comparison was made with the Ver1.0 motor. Finally, to ensure that the Ver2.0 motor does not exceed the allowable temperature, the motor temperature-field solution model is established, and a water jacket structure is selected. Combined with the fluid–solid coupling theory, the temperature field is solved and analyzed under the motor’s main operating conditions.
2. Design Method for High Power Density Motor
An electric motor is a strongly coupled nonlinear system, and its performance is affected by factors such as the phase number, slot/pole combination, and the rotor structure. For the design of HPDM, the key factors affecting motor performance should be found from the electrical machine basic design theory and combined with the torque performance and field weakening performance characteristics of electric vehicles to analyze and design HPDM.
2.1. High Power Density Motor Theory
The high power density of the motor means that the motor can still maintain a large output power when the size of the motor is reduced. The following formula gives the relationship between output power and speed:
      
        
      
      
      
      
    
In the formula, Pw is motor output power in kW, n is the motor speed in rpm, and Te is motor output torque in Nm.
The above formula expresses that the motor power is proportional to the torque. If torque density expression can be reached, it can derive power density with the same or similar rotational speeds. While maintaining the output torque, increasing the motor speed is helpful in improving the output power, according to electrical machine basic design theory [].
        
      
        
      
      
      
      
    
        where Di is the diameter of the armature in mm, lef is the effective axial length in mm, αp is the pole arc coefficient, Kw is the winding coefficient, Bδ is the air gap flux density peak value in T, A is s linear current density of the stator in A/m, and A can be written as s follow expression:
      
        
      
      
      
      
    
By converting the formula, a further variant of the formula can be obtained. If we take Di2lef on the left side of Equation (2) as the motor volume, we can obtain power density by dividing “motor volume” by the denominator Pw. On the right side of Equation (2), use current density Jc and bare copper area in slot Scopper to replace stator linear current density A.
        
      
        
      
      
      
      
    
        where ρe is motor power density in kW/kg, m is phase number, N is the number of conductors in the slot, and Is is the stator phase current RMS value in A.
According to Equation (4), increasing the motor speed, phase number, winding coefficient, and pure copper area in the slot is beneficial to increasing the machine power density. The detailed design will be completed in the next section.
2.2. Phase Number of High Power Density Motor
Traditional electric vehicles’ main driver motor always uses a three-phase drive motor. Three-phase motors have relatively mature technology and low control difficulty compared with polyphase motors. However, a three-phase motor cannot operate under fault conditions and has poor fault tolerance ability. In order to increase electric vehicles’ operation safety, improve the machine power density, and reduce the burden of line voltage, it is essential to select a suitable motor phase number. Reference [] compared the torque performance of three-phase, dual three-phase, four-phase, five-phase, and six-phase motors under normal operating conditions and fault operating conditions. It is found that five-phase motor and six-phase motor have almost the best torque performance under fault operating conditions. However, the six-phase motor driver has many bridge arms and is complicated to control. Therefore, the five-phase motor is selected to design an HPDM in this paper.
According to Equation (4), increasing motor phase number is beneficial in designing a high power density motor. However, farther than this, increasing phase number can also help to reduce phase voltage. The line voltage peak value is usually limited by DC bus voltage, and too high phase voltage will lead to winding insulation breakdown. Adopting a five-phase motor can reduce phase voltage by a larger angle between adjacent current vectors, which is 144° in a five-phase and 120° in a three-phase motor. If the phase voltage of the three-phase motor is represented by Up, the corresponding phase voltage in the five-phase motor can be expressed as 0.9 Up. The phase voltage in a five-phase motor decreases by 10% compared with the phase voltage in a three-phase motor, and it greatly reduces winding insulation breakdown possibility and increases motor fault tolerance capability.
Apart from this, a five-phase motor can reduce harmonic composite magnetic motive force compared with the three-phase motor. After derivation, a three-phase motor has 6 k ± 1 (k = 0, 1, 2,…) order harmonic composite magnetic motive force, while a five-phase motor only has 10 k ± 1 (k = 0, 1, 2,…) order harmonic composite magnetic motive force (MMF). From harmonic order, the five-phase motor has less order than the three-phase motor, and it will cause lower torque ripple and core loss.
To summarize the above analysis, using five-phase winding can not only benefit the motor power density but also help alleviate the motor phase voltage, reduce torque ripple and motor loss, and increase motor fault-tolerance performance.
2.3. Slot/Pole Combination
Inductance reflects the ability of the current to create a magnetic field, which affects the electromagnetic performance of the motor. The relationship between the electromagnetic torque and d-axis and q-axis inductance is as follows []:
      
        
      
      
      
      
    
In the equation, p is the machine pole pairs number, Ψf is permanent magnet flux linkage, Ld and Lq are the d-axis inductance and q-axis inductance, respectively, in H, where d-axis is defined as the permanent magnet magnetizing direction, and the q-axis is defined as 90° ahead of d-axis; id and iq are the d-axis current component and q-axis current component, respectively, in A.
Compared with the surface-mounted permanent magnet synchronous machine (SPMSM), IPMSM has reluctance torque because of the difference in the Ld and Lq according to Equation (5). When the motor speed increases and reaches the voltage limit, the increase in id causes the angle between the phase current vector and q-axis to change and become larger to reduce the motor magnetic field. The motor enters the flux-weakening state to allow motor speed raising under the voltage limit. Figure 1 shows the change curve of the motor torque component with the angle between the phase current vector and the q-axis.
      
    
    Figure 1.
      Torque varies with the current angle: (a) torque component; (b) reluctance torque ratio.
  
As the angle increases, the proportion of reluctance torque gradually increases, which proves that the flux-weakening process is dominated by reluctance torque. Because of the reluctance torque, IPMSM can achieve higher speed than SPMSM, and on account of the excellent high-speed characteristics, IPMSM is more suitable for an electric vehicle.
Ld and Lq affect the torque capability and flux-weakening capability of the motor. According to the derivation, the expression of Ld and Lq is obtained:
      
        
      
      
      
      
    
        where Z is the number of stator slots, and λ0 and λ2 are the fundamental and secondary components of the machine’s permeance, respectively.
Ld and Lq are influenced by motor slot/pole combinations. In order to improve the torque performance and flux-weakening performance of the five-phase IPMSM, the slot/pole combination needs to be selected. According to Equation (4), a high winding coefficient can improve the motor power density. The highest winding coefficient under different slot/pole combinations are shown in Table 1, which includes fractional slot concentrated winding (FSCW), fractional slot distributed winding (FSDW), and integer slot distributed winding (ISWD). For comparison purposes, refer to the designed motor index before (Ver1.0) three main operating conditions specifications. Three main operating conditions for electric vehicles are shown in Table 2.
       
    
    Table 1.
    Winding coefficient under different slot/pole combination.
  
       
    
    Table 2.
    Motor three main operating conditions.
  
Seven different slot/pole combinations, including FSCW, FSDW, and ISDW, are selected from Table 1 and shown in Figure 2.
      
    
    Figure 2.
      Selected Seven Different Slot/Pole Combinations: (a) 10s6p. (b) 10s8p. (c) 20s6p. (d) 20s8p. (e) 20s12p. (f) 30s6p. (g) 40s8p.
  
To ensure the stator outer diameter, each phase conductor number and PM mass is the same, and the torque and inductance performance of selected seven slot/pole combinations under three operating conditions are solved; the results are summarized in Figure 3 and Figure 4.
      
    
    Figure 3.
      Inductance characteristics in different slot/pole combinations: (a) base speed condition, (b) high-speed condition, and (c) overload speed condition.
  
      
    
    Figure 4.
      Torque characteristics in different slot/pole combinations: (a) base speed condition, (b) high-speed condition, and (c) overload speed condition.
  
Through the comparative analysis, it is found that when the pole pair number is the same, the difference in value between the Ld and Lq becomes larger as the slot number increases, and the torque performance under high-speed conditions is better at the same time; when the slot number is the same, the torque performance under high-speed condition becomes worse as the pole pair number increases. Compared with the integer slot winding, the fractional slot has a smaller torque ripple. It can be concluded that a motor that adopts a fractional slot can obtain better torque performance with a low torque ripple. Compared with the concentrated winding, the distributed winding has a larger difference in inductance, causing a larger reluctance torque. Although most motors choose FSCW or ISDW in basic design, they often benefit from the traditional three-phase motor but not the five-phase motor design. In order to make the five-phase motor with more choices of high winding coefficient slot/pole combination, FSDW can be seen as one suitable choice. Five-phase motor with an FSDW owns less end-winding length and torque ripple than the ISDW and owns a higher winding coefficient compared with a five-phase motor with FSCW. Considering both power density improvement and torque performance, 20s6p slot/pole combination FSDW is selected.
2.4. IPMSM Permanent Magnet Layer Number
The permanent magnet layer of the rotor affects the air gap-flux density and electromagnetic characteristics. It is significant to find how the PM layer number influences the motor electromagnetic characteristics and how to choose the PM layer number to obtain high power density. Figure 5 shows three rotor structures with bar shape, V shape, and ∇ shape, respectively, wherein the bar shape and V shape are single-layer rotor structures, and the ∇ shape is a double-layer rotor structure. Figure 6 shows the comparison of the no-load air gap flux density and its harmonic content under three different rotor structures.
      
    
    Figure 5.
      IPMSM Rotor Structures: (a) Bar Shape. (b) V Shape. (c) ∇ Shape.
  
      
    
    Figure 6.
      IPMSM rotor structures air gap flux density performance: (a) air gap flux density waveform, (b) harmonic content.
  
Compared with the single-layer rotor structure, the double-layer rotor structure’s air gap flux density peak value is larger, which, according to Equation (4), can improve motor power density. From the view of air gap flux density harmonic content, the fundamental content is higher than single-layer, while the other harmonics content is less than single-layer. If we define harmonic distortion rate as the ratio of all harmonics RMS, which excludes fundamental order, to the fundamental RMS, then the harmonic distortion rate of zero corresponds to the sinusoidal degree equal to 1. It can be clearly seen that the double-layer rotor structure has a better sinusoidal degree than the single-layer rotor structure.
By observing the double-layer ∇ shape rotor structure cloud map of the no-load magnetic field distribution in Figure 7, it is found that the nether layer PM pushes the upper layer magnetic field lines upward, resulting in lower magnetic flux leakage at the end of the upper layer PM. Increasing the air gap flux density peak value in the middle part of the double-layer rotor structure makes the no-load air gap flux density approach the sine waves, resulting in an improved sinusoidal degree of the air gap flux density. According to Equation (4), selecting the double-layer rotor structure contributes to motor high power density design.
      
    
    Figure 7.
      No-load magnetic field distribution cloud map in ∇ shape rotor structure.
  
3. EM Analysis of Five-Phase CSDW High Power Density Motor
In the integrated motor drive system designed previously, called Ver1.0 type, it was found that an IMDS has a large volume and the motor inside has a low motor power density, which is still a distance from the DOE roadmap. In order to reflect high power density design method rationality and correctly, all indicators remain the same as in Ver1.0 type []. According to these indicators, the electromagnetic analysis and optimization of the Ver2.0 motor were carried out and compared with the Ver1.0 motor. The indicators for both Ver1.0 and Ver 2.0 types are shown in Table 3, which include motor indicators and part of motor driver indicators.
       
    
    Table 3.
    Main indicators of HPDM.
  
What needs illustration is that the peak current is affected by the selected switching device. Conventional IGBT devices cannot stand the extremely adverse working environment, but with the development of a wide bandgap semiconductor technology, SiC devices can adapt to high-power, high-temperature, and high-frequency applications. Considering the high power of IMD, the SiC switching device was selected, and the 1200 V and 300 A SiC half-bridge module of CREE series CAS300M12BM2 was selected as the switching device in the driver. The voltage and current indicators in Table 3 have taken the margins into account according to the chosen switching device.
The IMDS topology is shown in Figure 8a, which is the same structure as the Ver1.0 type. Through the analysis in Section 2, it is determined that the motor structure is a five-phase 20s6p double-layer rotor structure IPMSM, which can improve motor power density and ensure the torque and flux-weakening performance for an electric vehicle. The motor topology is shown in Figure 8b.
      
    
    Figure 8.
      Ver2.0 type topology: (a) IMDS overall structure, (b) Ver2.0 IPMSM motor structure.
  
3.1. Magnetic Bridge
The ∇-type rotor inner structure’s connection to the outer relies only on two tangential magnetic bridges. The rotor stress is concentrated under high-speed conditions to cause rotor damage. In order to reduce the rotor stress at high speeds, radial magnetic bridges should be added between the permanent magnets in the same layer. There are three magnetic bridges that the motor can freely set, which are respectively recorded as magnetic bridges 1, 2, and 3, as shown in Figure 9. The effect of different magnetic bridge combinations on motor stress and electromagnetic performance will be discussed below.
      
    
    Figure 9.
      Rotor magnetic bridge schematic diagram.
  
Figure 10 shows the rotor stress results for different magnetic bridge combinations under Maximum speed conditions. It is found that when there is only bridge 1, or when adopting bridge 1 and bridge 2 combination, the rotor stress exceeds the yield strength of the 10JNEX900 silicon steel sheet (570 MPa) []. When adopting the bridge 1 and bridge 3 combination, the rotor’s maximum stress is significantly reduced compared with the above two combinations. It can be concluded that the radial magnetic bridge 3 has an obvious improvement effect on the rotor intensity under maximum speed conditions.
      
    
    Figure 10.
      Rotor stress with different magnetic bridge combinations at maximum speed conditions: (a) rotor maximum von Mises stress, (b) rotor maximum deformation quantity.
  
Although widening a magnetic bridge helps to reduce rotor stress, an excessively wide magnetic bridge will lead to serious leakage flux of the permanent magnet ending, which will influence torque performance and motor power density. Figure 11 and Figure 12 show the motor torque performance with different magnetic bridge 1 width and different magnetic bridge 3 width, respectively.
      
    
    Figure 11.
      Motor electromagnetic characteristics with different bridge 1 width: (a) output torque, (b) torque ripple; (c) rotor core loss.
  
      
    
    Figure 12.
      Motor electromagnetic characteristics with different bridge 3 width: (a) output torque, (b) torque ripple, (c) rotor core loss.
  
Magnetic bridge 1 is a tangential magnetic bridge, which mainly affects motor electromagnetic characteristics. A narrow magnetic bridge 1 will cause serious saturation at the magnetic bridge, leading to a rotor flux leakage increase. More permanent magnet flux leakage leads to permanent magnet utilization reduction, affecting motor torque performance and a larger rotor core loss under saturated conditions. Compared with the magnetic bridge 1, magnetic bridge 3 is a radial magnetic bridge. Although an excessively wide magnetic bridge can effectively relieve rotor stress, it also causes serious flux leakage onto the lower layer permanent magnet’s terminal, leading to a motor output torque decrease. Torque ripple and rotor core loss under high-speed conditions and overload conditions will increase when the magnetic bridge is too wide. However, its relative, the tangential magnetic bridge has less influence on output torque.
In general, the radial magnetic bridge mainly affects the mechanical stress of the rotor, and the tangential magnetic bridge mainly affects the electromagnetic characteristics.
3.2. Stator Structure Optimization
The stator structure parameters are shown in Figure 13, which are mainly divided into the slot size and the stator yoke size. In terms of improving the power density, according to Equation (4), increasing slot pure copper area is beneficial to motor high power density. However, too large a slot area will lead to teeth narrowing and serious saturation. Therefore, the torque performance and motor loss should be comprehensively considered in optimizing stator structure.
      
    
    Figure 13.
      Stator structure schematic diagram.
  
Saturation can be defined as the following: stator core can be called an unsaturated state when the magnetic flux density is in the linear region of the B–H curve, and a saturated state is when the magnetic flux density is higher than the maximum magnetic density in the linear region. In the Ver2.0 motor, to alleviate excessive rotor loss at high speed and maintain motor torque performance, JFE super iron 10JNEX900, which has a high saturation magnetic flux density, low iron loss, and high permeability, is selected. The saturated magnetic flux intensity corresponding to 10JNEX900 is 1.8 T.
In order to find the optimal stator structure for the 60 kW electric vehicle high power density motor Ver2.0, stator tooth width was changed under the condition that the fixed stator outer diameter, each phase parallel branch current, and the slot copper space factor are the same. Under different stator tooth widths, the electromagnetic characteristic change curves at three operating conditions are shown in Figure 14.

      
    
    Figure 14.
      Electromagnetic characteristics vary with different tooth width: (a) output torque, (b) torque ripple, (c) stator core loss, (d) current density.
  
When the tooth width increases, the output torque becomes larger, and the torque ripple increases first and then decreases. Motor torque ripple at a high-speed condition is much larger than in the other two operating conditions. When the tooth width becomes wider, the tooth saturation can be effectively alleviated, and the output torque increases correspondingly. However, the magnetic circuit of the stator runs through the stator tooth and stator yoke. When the tooth width exceeds the yoke width, the yoke saturation degree deepens, and the torque ripple increases, so the torque ripple shows a trend of decreasing first and then increasing. Figure 15 shows the stator teeth and yoke saturation in stator teeth width of 11 mm and 20 mm, respectively.
      
    
    Figure 15.
      Stator flux density distribution in different stator tooth widths: (a) tooth width of 11 mm, and (b) tooth width of 20 mm.
  
According to Figure 14c, it can be seen that, at the base speed condition and the overload condition, the stator core loss increases with the tooth width widening, while at a high-speed condition, the stator core loss decreases with the tooth width widening. To find the reason for the two types of stator loss, the stator tooth loss and stator yoke loss should be calculated separately according to the following expression:
      
        
      
      
      
      
    
      
        
      
      
      
      
    
In the formula, pyoke and ptooth are the core loss of the yoke and teeth, respectively, Byoke and Btooth are the average flux density of the yoke and tooth, respectively, in T, and Gyoke and Gtooth are the core weight of the yoke and the tooth, respectively, in kg.
The stator core loss at base speed condition generally shows an upward trend, in which the stator yoke core loss gradually increases with the tooth width, and the stator tooth core loss gradually decreases with the tooth width. When the tooth width becomes wider, the stator tooth saturation degree decreases, so the loss of the stator tooth decreases, as can be seen in Figure 16a.
      
    
    Figure 16.
      Stator core loss under different tooth widths: (a) stator yoke core loss, (b) stator teeth core loss per weight.
  
While stator tooth width increases, stator tooth allows more magnetic flux lines to travel, but it also requires that the stator yoke travels more magnetic flux lines. As described earlier, stator yoke width should be kept constant, so that magnetic flux lines may be borne under a too wide a stator tooth, as shown in Figure 15b, which will cause the saturation of the stator yoke and increase the stator yoke core loss. At the overload condition, the winding current density is about twice the density measured at the base speed condition. Even if the tooth width is widened, the loss of the yoke is still saturated, and the stator total core loss shows an upward trend. The motor in the high-speed condition is in the flux-weakening state, the motor magnetic field is further weakened, and both tooth flux density and yoke flux density drop significantly, so the total stator core loss shows a downward trend.
On the whole, considering the motor torque performance and motor loss, 13 mm tooth width is selected for the Ver2.0 motor.
3.3. Motor Electromagnetic Characteristic under Different Modulation Algorithms
Compared with a three-phase motor, a five-phase motor has higher reliability and a degree of control freedom. Reliability is mainly reflected in that when one phase or two phases have faults such as winding short circuit fault or winding open fault, the remaining phases can maintain the original operating condition. As for the degree of control, in a five-phase motor, it is reflected in the voltage vector space. In a three-phase motor, there is only one length between any two phases, while in the five-phase motor, there are two lengths. Therefore, expect a zero-coordinate system, the five-phase motor has the fundamental coordinate system and third harmonic coordinate system, which is called the fundamental α1–β1 coordinate system, and third harmonic α3–β3 coordinate system in this article.
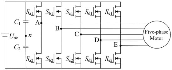
Figure 17 shows the conventional five-phase half-bridge inverter topological structure. It can be seen that the five-phase inverter has 25 switching states, corresponding to 32 space voltage vectors. These 32 voltage vectors can be divided into 10 long vectors, 10 medium length vectors, 10 small vectors, and 2 zero vectors according to the vector length in the fundamental α1–β1 coordinate system. Moreover, these vectors in the fundamental α1–β1 coordinate system vector distribution and the third harmonic α3–β3 coordinate system vector distribution are shown in Figure 18, respectively. 
      
    
    Figure 17.
      The topology of the five-phase half-bridge inverter.
  
      
    
    Figure 18.
      Space voltage vector distribution in the fundamental and third harmonic coordinate system. (a) Fundamental α1–β1 coordinate system vector distribution. (b) third harmonic α3–β3 coordinate system vector distribution.
  
Similar to the three-phase motor SVPWM modulation algorithm for using two adjacent voltage vectors to obtain the motor working voltage vector, the five-phase motor can also synthesize motor rotating vector using two adjacent long vectors in the fundamental coordinate system, which are usually called near two vectors SVPWM (NTV-SVPWM) []. However, when adopting the NTV-SVPWM modulation algorithm, the third harmonic will be generated in the third harmonic coordinate system, resulting in excessive voltage harmonics of the motor. At the same time, using NTV-SVPWM does not take advantage of the five-phase motor’s high freedom control, causing bad motor electromagnetic characteristics such as high torque ripple, high line voltage, and high loss.
To solve the above problems, near four vectors SVPWM (NFV-SVPWM) modulation algorithm is proposed. NFV-SVPWM modulation algorithm uses two adjacent long vectors and two medium length vectors to synthesize the working voltage vector. NFV-SVPWM can adjust medium length vector length and long vector length by action time. In a fundamental coordinate system, the four vectors combined into a working voltage vector ensure the motor’s normal operation as the NTV-SVPWM. However, in the third-harmonic coordinate system, the synthetic vectors multiplied by the vector length and action time can be arranged into a parallelogram so that the third harmonic can be eliminated in NFV-SVPWM.
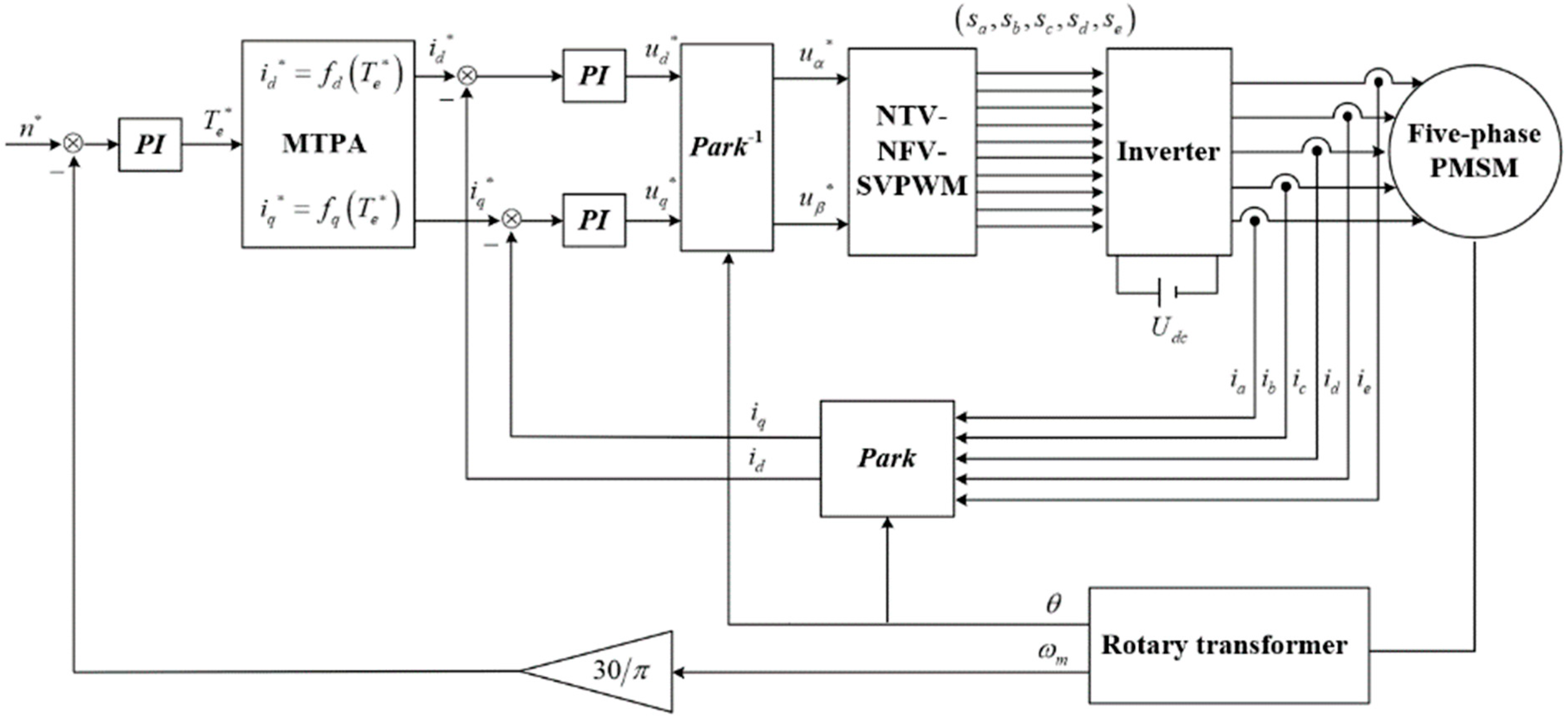
Figure 19 shows the maximum torque per ampere (MTPA) control of the five-phase PMSM block diagram. The NTV-SVPWM and NFV-SVPWM modulation algorithms are respectively applied, and the corresponding current excitation results obtained are shown in Figure 20 for the power device operating at a 15 kHz switching frequency.
      
    
    Figure 19.
      MPTA control of the five-phase PMSM block diagram.
  
      
    
    Figure 20.
      Current excitation under different modulation algorithm: (a) ideal sinusoidal, (b) NTV-SVPWM, and (c) NFV-SVPWM.
  
Different modulation algorithms can influence the motor’s electromagnetic characteristics. Figure 21 shows motor torque at the base speed condition using Figure 20 current excitation. In addition, motor loss in different modulation algorithms is summarized in Table 4.
      
    
    Figure 21.
      Motor torque under different modulation algorithms (a) ideal sinusoidal, (b) NTV-SVPWM, and (c) NFV-SVPWM.
  
       
    
    Table 4.
    Motor loss under different modulation algorithms.
  
It can be seen from Figure 21 that, compared with the NTV-SVPWM modulation algorithm, the NFV-SVPWM modulation algorithm has the smallest torque ripple and an increase in core loss, and magnet loss caused by the NTV-SVPWM modulation algorithm’s high current harmonics. Large torque ripple influences electric vehicle’s comfort level, while high loss affects the IMDS temperature distribution, increasing the difficulty in IMDS thermal management. Based on electromagnetic characteristics, NFV-SVPWM is selected as the driver modulation algorithm.
When the inverter switching frequency is 15 kHz, the core loss in the stator is almost twice that of the motor under ideal sinusoidal excitation, which shows that the inverter can influence the motor’s electromagnetic characteristic. Compared with ideal sinusoidal excitation, the current obtained by the modulation algorithm contains harmonics, which are generated by the comparison between modulating wave and carrier wave. When the modulation wave frequency is low, the current harmonic content is large; when the carrier frequency is high, the current harmonic content is small. The switching frequency affects the modulation frequency; a lower switching frequency leads to serious current distortion because of which the motor cannot perform with the electromagnetic characteristics of the ideal design. In order to reduce the driver-side influence on the motor, the switching frequency should be appropriately selected, and the motor’s electromagnetic characteristics under different switching frequencies should be studied so as to achieve great motor electromagnetic characteristics. Table 5 shows the motor loss distribution of each part when the switching frequency changes from 3 kHz to 45 kHz. 
       
    
    Table 5.
    Motor loss under different switching frequencies using NFV-SVPWM.
  
As can be seen from Table 5, with the increase in switching frequency, the distortion rate of the motor current waveform gradually decreases, and the motor loss component gradually approaches that of the sinusoidal excitation. It can be concluded that the increase in switching frequency is beneficial in reducing motor loss, especially the decrease in eddy current loss of permanent magnet and stator core loss.
However, when the switching frequency is too high, the power device switching loss will also increase. Although the motor driver adopts SiC devices, which can effectively reduce the power device switching loss, when the switching frequency is too high, power device switching loss will still be large. Therefore, the switching frequency of the power tube is selected as 30 kHz.
3.4. Ver2.0 Electromagnetic Characteristic
Through the selection of motor structure, slot/pole combination, IPMSM rotor structure, rotor magnetic bridge position, and optimization analysis of the stator and rotor, the final IPMSM topology structure is shown in Figure 22, where Figure 22a is Ver1.0 motor topology, and Figure 22b is Ver2.0 motor topology.
      
    
    Figure 22.
      Motor in IMDS topology: (a) Ver1.0 motor topology, (b) Ver2.0 motor topology.
  
The Red and purple lines in Figure 22a,b represent the stator outer diameter and the rotor outer diameter, respectively, and the solid-line curve and dash-line curve represent Ver1.0 motor size and Ver2.0 motor size, respectively. It can be concluded that, through the design method of the high power density motor in this article, the stator and rotor diameters are significantly reduced in the Ver2.0 motor compared with the Ver1.0 motor.
The electric vehicle motor designed in this article has three operating conditions which are called the base speed operating condition, high-speed condition, and an overload condition. Base speed is the motor’s long time operation condition, which requires high efficiency and reliability. Overload is an instantaneous condition, which requires the motor to have high torque capacity, but high torque usually means large current density, large copper loss, and serious distorted iron loss, leading to motor electromagnetic characteristic reduction. High speed is also an instantaneous condition, which requires the motor to have a certain torque capacity at high speeds. In high-speed conditions, the current frequency is so high that the motor core loss increases heavily, affecting the motor’s life and safety. Considering that the motor loses too much under high-speed and overload conditions, which brings high motor temperature problems, besides adopting segmented PM to reduce magnet eddy current loss, motor material needs to be selected emphatically. The materials selected for Ver2.0 are expressed in Table 6. The Ver2.0 motor selected 10JNEX900 as the stator and rotor core because of the material’s high saturation magnetic flux density, low iron loss, and high permeability advantages, as stated above. In addition, the N38UH was selected for Ver2.0 as the magnet material on account of its high magnetic energy product and excellent demagnetization curve linearity at a high temperature of 150 °C.
       
    
    Table 6.
    Ver2.0 motor’s space dimensions.
  
The Ver2.0 motor’s spatial dimensions of each part are shown in Table 6. The Ver2.0 motor’s main size and structure after optimization can be seen in Table 7. The Ver2.0 driving performance is shown in Table 8.
       
    
    Table 7.
    Ver2.0 motor’s main size and structure.
  
       
    
    Table 8.
    Ver2.0 motor and Ver1.0 motor electromagnetic characteristics.
  
Comparing the Ver1.0 motor and Ver2.0 motor designed by the above methods and processes, the motors have smaller torque ripple because of the larger output torque, which is mainly attributed to the double-layer rotor structure and suitable slot/pole combination to improve the PM utilization rate and reduce the MMF harmonic content. In addition, while improving the motor torque performance, line voltage THD is greatly reduced, and the line voltage pressure under high speed and overload conditions can be relieved.
The Ver1.0 motor’s peak mass power density is 2.94 kW/kg, and the peak volume power density is 12.9 kW/L. The Ver2.0 motor, which is designed by the high power density method in this article, has a peak mass power density of 3.12 kW/kg and a peak volume power density of 15.19 kW/L. It is worth noting that when calculating the volume power density, the volume is selected as the cylinder volume composed of the total axial length, which includes winding end axial length, stator axial length, and the stator outer diameter. It can be seen that compared with the Ver1.0 motor, the Ver2.0 motor power density is higher.
According to the torque performance, the efficiency, DC bus voltage pressure, and the motor power density verify that the motor designed by the above method has better performance.
4. Analysis of Temperature Field of HPDM
HPDM requires a motor with a small volume and large output power, but too high output power will lead to large copper loss, core loss, and windage loss. However, HPDM has a small space/size for heat dissipation. If the motor temperature field is not analyzed, the temperature will become the limit of the HPDM. At higher temperatures, there will be hidden dangers of irreversible demagnetization of the permanent magnet and winding insulation inside the motor, resulting in the internal failure and reduced reliability of the motor.
4.1. Temperature Field Solution Model
Conventional cooling methods can be divided into active cooling and passive cooling. Passive cooling mainly relies on natural convection to dissipate heat and does not require additional cooling circuits. Active cooling mainly relies on forced convection of fluids and requires additional cooling circuits. The vehicle IMDS has high power, high speed, and a large loss of each component. Passive cooling cannot effectively dissipate heat from the vehicle’s high-power machine. Therefore, this paper uses water-cooled active cooling with strong heat dissipation capacity to dissipate heat.
Using the traditional steady-state thermal circuit method to calculate the temperature rise cannot output the accurate 3D temperature field distribution of the motor. Therefore, this section calculates the temperature field of the motor based on the numerical finite element method. The temperature field solution model includes a water jacket, front and back end caps, stator and rotor cores, windings, magnets, shafts, and bearings. The temperature field solution model of the established 60 kW HPDM is shown in Figure 23.
      
    
    Figure 23.
      A 60 kW high power density machine temperature field solution model.
  
It is worth mentioning that, in order to reduce the model complexity, the rotary transformer installed at the front end of the bearing for position detection is not drawn in the temperature field solution model. Additionally, for the same reason of reducing the simulation difficulty and obtaining more accurate thermal simulation results, the temperature field solution model is equivalent to the winding and the stator–rotor air gap. The winding replaces all bare copper wires in the slot with a copper winding, which is placed in the center of the slot; the other parts in the slot, except the copper winding, are represented by equivalent insulation, and the heat transfer coefficient is treated equivalently according to the quality.
4.2. Water Jacket Structure
The water jacket provides radial heat dissipation for the motor and takes away most of the heat. However, the water jacket has various structures, and the heat dissipation capacity and pressure loss of different water jackets are different for HPDM because of the motor’s large power and small heat dissipation area. Therefore, the most effective heat dissipation capacity should be taken as the key consideration factor in the selection of water jackets. This paper compares the three water jacket structures: spiral type water jacket structure I, dial type water jacket structure II, and axial water jacket structure III, as shown in Figure 24.
      
    
    Figure 24.
      Different cooling water jacket structures (a) spiral, (b) dial, and (c) axial.
  
To ensure that different water jackets have the same axial length and 6 L/min fluid flow, a simplified motor temperature field solution model including water jackets, end caps, stator core, and equivalent winding is used. The heat source density of the stator core and the winding heat source density are set as the base speed condition corresponding to the heat sources 329,196 W/m3 and 544,613 W/m3. At the initial temperature of the water flow of 65 °C, the flow rate, pressure loss, and temperature comparison of each component of the three structures are shown in Figure 25.
      
    
    Figure 25.
      Comparison of three water jacket structures: (a) fluid flow rate, (b) stress loss, (c) fluid temperature, (d) winding temperature, (e) stator temperature, and (f) water jacket temperature.
  
By comparing the flow velocity, pressure loss, and temperature results of the three structures in Figure 25, it is found that the axial water jacket has the strongest heat dissipation capacity, the dial water jacket is the second, and the spiral water jacket structure is the worst. However, from the perspective of pressure loss, it can be seen that the spiral water jacket has the smallest pressure loss because of almost no turning heads, followed by the dial water jacket structure. The axial water jacket structure has the largest number of turning heads and the largest pressure loss. The dial channel structure is the best choice for comprehensive heat dissipation capacity and pressure loss. However, for HPDM, the base speed condition is not the most serious internal heating condition. Considering the extreme conditions of high speed and overload, the axial water jacket structure III had the best heat dissipation capacity. So, the axial water jacket structure should be selected for better thermal management inside the Ver2.0 motor.
4.3. Temperature Solution of Main Operating Conditions
The main heating components of the HPDM designed in this paper are stator core, rotor core, winding, and the permanent magnet. Under the three main operating conditions, the heat generation rate of the heating element is obtained by dividing the loss of each heating element by the volume of the heating element. The heat generation rate of each element is shown in Table 9.
       
    
    Table 9.
    Motor heat generation rate under main operating condition.
  
Using the established HPDM temperature field solution model, the temperature field is solved for the base speed condition, high-speed condition, and an overload condition by assigning relevant boundary conditions, material properties, and heat generation rate of heat-generating components. Among them, the base speed condition is a long-term working point, and its steady-state temperature is observed. The high-speed condition and the overload condition are short-time working conditions, and the temperature distribution of each part of the motor is observed under the operation for 180 s. The initial temperature of the water flow is given as 65 °C, the temperature section diagrams under three working conditions are shown in Figure 26, and the temperature change curves of each component under transient conditions are shown in Figure 27.
      
    
    Figure 26.
      Temperature field solution results under three main operation conditions: (a) base speed conditions, (b) high-speed conditions, and (c) overload conditions.
  
      
    
    Figure 27.
      Temperature change curve under transient operating conditions: (a) high-speed conditions, (b) overload Conditions.
  
From the temperature field solution results, it can be found that under the three main operating conditions of the base speed, high speed, and overload, the windings are the most serious parts of heat generation, and the highest temperature occurs at the end of the winding at the overload point, which is 135 °C. The temperature rises to 70 °C, and the maximum temperature rise do not exceed 155 °C and 105 °C for Class F insulation. The PMs in both the steady-state and the transient-state do not exceed the maximum allowable temperature of the material N38UH, which is 150 °C. The rotary transformer selected for Ver2.0 is TAMAGAWA TS2225N903E102; its allowable temperature, according to the manual, is −40 °C to 150 °C. In this article, the motor’s cooling system solutions’ rotary transformer can operate normally. It can be seen that the axial water jacket structure can effectively manage the heat of the designed 60 kW high power density motor.
5. Conclusions
This paper researched the design method of the HPDM for electric vehicles IMDS. Through the method, a five-phase high power density motor with a rated power of 60 kW, a maximum speed of 15,000 r/min, and a peak power density of 15.19 kW/L has been designed. Compared with the Ver1.0 motor designed before, the Ver2.0 motor power density is higher. In addition, the temperature field is checked for the three main operating conditions of base speed, high speed, and overload. The following conclusions are drawn:
- (1)
 - The motor power density is related to the phase number, winding utilization, copper space factor, air gap flux density, and motor rotational speed. When designing a high power density motor, the above factors can be weighed;
 - (2)
 - Increasing IPMSM rotor PM layer number can make air gap flux density step up, increase air gap flux density amplitude, and improve the sinusoidal degree at the same time, which is beneficial to improving the motor torque performance. For a five-phase motor, FSDW has less end winding length and torque ripple than an ISDW and has a higher winding coefficient compared with a five-phase motor with FSCW. FSDW is suitable for the five-phase motor with the high power density and electromagnetic characteristics in some cases;
 - (3)
 - Driver modulation algorithm affects motor electromagnetic characteristics. Comparing the NTV-SVPWM modulation algorithm with the NFV-SVPWM modulation algorithm, NFV-SVPWM can eliminate harmonics in the third harmonic plane by taking advantage of the five-phase motor’s two vector planes and obtain higher sinusoidal output excitation. Through the comparative analysis of the output current excitations with different switching frequencies, it is found that a high switching frequency is more conducive to improving motor electromagnetic characteristics and reducing motor loss. However, the switching frequency should be selected considering power device switching loss;
 - (4)
 - For the three water jackets—the spiral, dial, and axial—the spiral structure has the smallest pressure loss and the worst heat dissipation capacity. The axial structure has the largest pressure loss and the strongest heat dissipation capacity.
 
Author Contributions
S.W., orientation, question answering, editing of the paper and providing study conditions; J.Z., the fourth section research, and paper writing; X.Z., the second and third section study; J.Y., editing the equations and drawing figures. All authors have read and agreed to the published version of the manuscript.
Funding
This work was supported by the key project of the National Key Research and Development Program—Intergovernmental Cooperation in International Science and Technology Innovation under Grant 2019YFE0123500, part of the Power Electronics Science and Education Development Program of Delta Group under Grant DREM2019004.
Data Availability Statement
Not applicable.
Conflicts of Interest
The authors declare no conflict of interest.
Abbreviations
The following abbreviations are used in this manuscript:
      
| MDS | Motor drive system | 
| IMDS | Integrated motor drive system | 
| THD | Total harmonic distortion | 
| HPDM | High power density motor | 
| SPMSM | Surface-mounted permanent magnet synchronous machine | 
| IPMSM | Interior permanent magnet synchronous machine | 
| PM | Permanent magnet | 
| RMS | Root mean square | 
| MMF | Magnetic motive force | 
| FSCW | Fractional slot concentrated winding | 
| FSDW | Fractional slot distributed winding | 
| ISDW | Integral slot distributed winding | 
| MTPA | Maximum torque per ampere | 
References
- Jahns, T.M.; Dai, H. The past, present, and future of power electronics integration technology in motor drives. CPSS Trans. Power Electron. Appl. 2017, 2, 197–216. [Google Scholar] [CrossRef]
 - Available online: https://www.energy.gov/sites/default/files/2017/11/f39/EETT%20Roadmap%2010-27-17.pdf (accessed on 9 May 2022).
 - Abebe, R.; Vakil, G.; Calzo, G.L.; Cox, T.; Lambert, S.; Johnson, M.; Gerada, C.; Mecrow, B. Integrated motor drives: State of the art and future trends. IET Electr. Power Appl. 2016, 10, 757–771. [Google Scholar] [CrossRef] [Green Version]
 - Martin, M.; Schimanek, E.; Billmann, M. Towards an integrated drive for hybrid traction. In Proceedings of the CPES Power Electronic Conference, Blacksburg, VA, USA, 17–19 April 2005. [Google Scholar]
 - Deng, X.; Lambert, S.; Mecrow, B.; Mohamed, M.A.S. Design Consideration of a High-Speed Integrated Permanent Magnet Machine and its Drive System. In Proceedings of the 2018 XIII International Conference on Electrical Machines (ICEM), Alexandroupoli, Greece, 3–6 September 2018; pp. 1465–1470. [Google Scholar] [CrossRef] [Green Version]
 - Lee, W.; Li, S.; Han, D.; Sarlioglu, B.; Minav, T.A.; Pietola, M. A Review of Integrated Motor Drive and Wide-Bandgap Power Electronics for High-Performance Electro-Hydrostatic Actuators. IEEE Trans. Transp. Electrif. 2018, 4, 684–693. [Google Scholar] [CrossRef]
 - Gieras, J.F.; Bianchi, N. Electric Motors for Light Traction. EPE J. 2004, 1, 12–23. [Google Scholar] [CrossRef]
 - Jahns, T.M.; Sarlioglu, B. The Incredible Shrinking Motor Drive: Accelerating the Transition to Integrated Motor Drives. IEEE Power Electron. Mag. 2020, 7, 18–27. [Google Scholar] [CrossRef]
 - Ugur, M.; Keysan, O. Design of a GaN Based Integrated Modular Motor Drive. In Proceedings of the 2018 XIII International Conference on Electrical Machines (ICEM), Alexandroupoli, Greece, 3–6 September 2018; pp. 1471–1477. [Google Scholar] [CrossRef]
 - Wang, J.; Li, Y.; Han, Y. Evaluation and design for an integrated modular motor drive (IMMD) with GaN devices. In Proceedings of the 2013 IEEE Energy Conversion Congress and Exposition, Denver, CO, USA, 15–19 September 2013; pp. 4318–4325. [Google Scholar] [CrossRef]
 - Nasr, A.; Gu, C.; Wang, X.; Buticchi, G.; Bozhko, S.; Gerada, C. Torque-Performance Improvement for Direct Torque-Controlled PMSM Drives Based on Duty-Ratio Regulation. IEEE Trans. Power Electron. 2022, 37, 749–760. [Google Scholar] [CrossRef]
 - Korpe, U.U.; Gokdag, M.; Koc, M.; Gulbudak, O. Modulated Model Predictive Control of Permanent Magnet Synchronous Motors with Improved Steady-State Performance. In Proceedings of the 2021 3rd Global Power, Energy and Communication Conference (GPECOM), Antalya, Turkey, 5–8 October 2021; pp. 67–72. [Google Scholar] [CrossRef]
 - Chowdhury, S.; Gurpinar, E.; Su, G.-J.; Raminosoa, T.; Burress, T.A.; Ozpineci, B. Enabling Technologies for Compact Integrated Electric Drives for Automotive Traction Applications. In Proceedings of the 2019 IEEE Transportation Electrification Conference and Expo (ITEC), Detroit, MI, USA, 19–21 June 2019; pp. 1–8. [Google Scholar] [CrossRef]
 - Hsu, J.S. Report on Toyota Prius Motor Thermal Management; ORNL: Oak Ridge, TN, USA, 2005; pp. 5–25. [Google Scholar] [CrossRef] [Green Version]
 - Burress, T.A.; Campbell, S.L.; Coomer, C.; Ayers, C.W.; Wereszczak, A.A.; Cunningham, J.P.; Marlino, L.D.; Seiber, L.E.; Lin, H.T. Evaluation of the 2010 Toyota Prius Hybrid Synergy Drive System; Oak Ridge National Laboratory (ORNL): Oak Ridge, TN, USA, 2011; pp. 44–69. [Google Scholar] [CrossRef] [Green Version]
 - Burress, T. Benchmarking of Competitive Technologies. Available online: https://www.energy.gov/sites/prod/files/2014/03/f10/ape006_burress_2011_o.pdf (accessed on 12 December 2018).
 - Li, Y.; Yang, H.; Lin, H.; Fang, S.; Wang, W. A Novel Magnet-Axis-Shifted Hybrid Permanent Magnet Machine for Electric Vehicle Applications. Energies 2019, 12, 641. [Google Scholar] [CrossRef] [Green Version]
 - Wu, S.; Tian, C.; Zhao, W.; Zhou, J.; Zhang, X. Design and Analysis of an Integrated Modular Motor Drive for More Electric Aircraft. IEEE Trans. Transp. Electrif. 2020, 6, 1412–1420. [Google Scholar] [CrossRef]
 - Pyrhönen, J.; Jokinen, T.; Hrabovcová, V. Design of Rotating Electrical Machines; John Whiley and Sons, Inc.: Hoboken, NJ, USA, 2008. [Google Scholar]
 - Villani, M.; Tursini, M.; Fabri, G.; Castellini, L. High reliability permanent magnet brushless motor drive for aircraft application. IEEE Trans. Ind. Electron. 2012, 59, 2073–2081. [Google Scholar] [CrossRef]
 - Sanabria-Walter, C.; Polinder, H.; Ferreira, J.A. High-Torque-Density High-Efficiency Flux-Switching PM Machine for Aerospace Applications. IEEE J. Emerg. Sel. Top. Power Electron. 2013, 1, 327–336. [Google Scholar] [CrossRef]
 - Ou, J.; Liu, Y.; Breining, P.; Gietzelt, T.; Wunsch, T.; Doppelbauer, M. Experimental Characterization and Feasibility Study on High Mechanical Strength Electrical Steels for High-Speed Motors Application. IEEE Trans. Ind. Appl. 2021, 57, 284–293. [Google Scholar] [CrossRef]
 - Zong, Z.L.; Wang, K.; Zhang, J.Y. Control strategy of five-phase PMSM utilizing third harmonic current to improve output torque. In Proceedings of the 2017 Chinese Automation Congress (CAC), Jinan, China, 20–22 October 2017; pp. 6112–6117. [Google Scholar] [CrossRef]
 
Publisher’s Note: MDPI stays neutral with regard to jurisdictional claims in published maps and institutional affiliations.  | 
© 2022 by the authors. Licensee MDPI, Basel, Switzerland. This article is an open access article distributed under the terms and conditions of the Creative Commons Attribution (CC BY) license (https://creativecommons.org/licenses/by/4.0/).