Design of a Step-Up DC–DC Converter for Standalone Photovoltaic Systems with Battery Energy Storages
Abstract
:1. Introduction
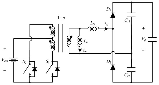
2. Proposed Converter
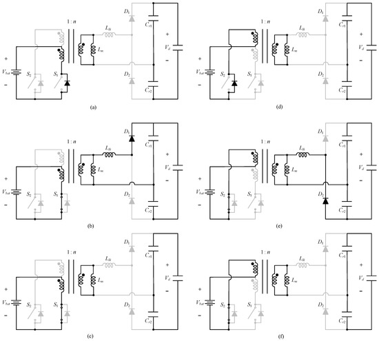
2.1. Operation Principle
- The switches S1 and S2 were ideal except for their body diodes DS1 and DS2, respectively.
- The high frequency transformer had a turn ratio 1:n and was modeled as the magnetizing inductances Lm and leakage inductance Llk.
- The output voltage of DC link Vd was constant because the DC link capacitor Cd was sufficiently large.
- The resonant capacitors Cr1 and Cr2 had the equal capacity to operate symmetrically.
2.2. Design Guidelines
3. Control Strategy
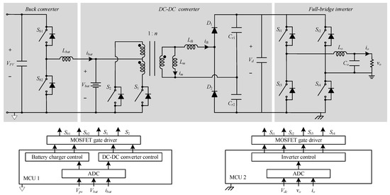
3.1. Overall System
3.2. Control Scheme
4. Experimental Results
5. Concluding Remarks
Author Contributions
Funding
Institutional Review Board Statement
Informed Consent Statement
Data Availability Statement
Conflicts of Interest
References
- Pazikadin, A.R.; Rifai, D.; Ali, K.; Mamat, N.H.; Khamsah, N. Design and Implementation of Fuzzy Compensation Scheme for Temperature and Solar Irradiance Wireless Sensor Network (WSN) on Solar Photovoltaic (PV) System. Sensors 2020, 20, 6744. [Google Scholar] [CrossRef] [PubMed]
- Wang, W.; Ruan, X. A Modified Reference of an Intermediate Bus Capacitor Voltage-Based Second-Harmonic Current Reduction Method for a Standalone Photovoltaic Power System. IEEE Trans. Power Electron. 2016, 31, 5562–5573. [Google Scholar] [CrossRef]
- Abbasi, M.; Lam, J. A Step-Up Transformerless, ZV-ZCS High-Gain DC/DC Converter with Output Voltage Regulation Using Modular Step-Up Resonant Cells for DC Grid in Wind Systems. IEEE J. Emerg. Sel. Top. Power Electron. 2017, 5, 1102–1121. [Google Scholar] [CrossRef]
- Abbasi, M.; Lam, J. A Very High-Gain-Modular Three-Phase AC/DC Soft-Switched Converter Featuring High-Gain ZCS Output Rectifier Modules without Using Step-Up Transformers for a DC Grid in Wind Systems. IEEE Trans. Ind. Appl. 2018, 54, 3723–3736. [Google Scholar] [CrossRef]
- Kwon, J.M.; Kim, E.H.; Kwon, B.H.; Nam, K.H. High-Efficiency Fuel Cell Power Conditioning System with Input Current Ripple Reduction. IEEE Trans. Ind. Electron. 2009, 56, 826–834. [Google Scholar] [CrossRef]
- Wu, Q.; Wang, Q.; Xu, J.; Li, H.; Xiao, L. A High-Efficiency Step-Up Current-Fed Push-Pull Quasi-Resonant Converter with Fewer Components for Fuel Cell Application. IEEE Trans. Ind. Electron. 2017, 64, 6639–6648. [Google Scholar] [CrossRef]
- Piegari, L.; Rizzo, R.; Spina, I.; Tricoli, P. Optimized Adaptive Perturb and Observe Maximum Power Point Tracking Control for Photovoltaic Generation. Energies 2015, 8, 3418–3436. [Google Scholar] [CrossRef]
- Barros, L.A.M.; Tanta, M.; Sousa, T.J.C.; Afonso, J.L.; Pinto, J.G. New Multifunctional Isolated Microinverter with Integrated Energy Storage System for PV Applications. Energies 2020, 13, 4016. [Google Scholar] [CrossRef]
- Kwon, J.M.; Kwon, B.H.; Nam, K.H. High-efficiency module-integrated photovoltaic power conditioning system. IET Power Electron. 2009, 2, 410–420. [Google Scholar] [CrossRef]
- Tran, Y.K.; Freijedo, F.D.; Dujic, D. Open-loop power sharing characteristic of a three-port resonant LLC converter. CPSS Trans. Power Electron. Appl. 2019, 4, 171–179. [Google Scholar] [CrossRef]
- Li, H.; Jiang, Z. On Automatic Resonant Frequency Tracking in LLC Series Resonant Converter Based on Zero-Current Duration Time of Secondary Diode. IEEE Trans. Power Electron. 2016, 31, 4956–4962. [Google Scholar] [CrossRef]
- Ma, X.; Wang, P.; Bi, H.; Wang, Z. A Bidirectional LLCL Resonant DC-DC Converter with Reduced Resonant Tank Currents and Reduced Voltage Stress of the Resonant Capacitor. IEEE Access 2020, 8, 125549–125564. [Google Scholar] [CrossRef]
- Huynh, D.M.; Ito, Y.; Aso, S.; Kato, K.; Teraoka, K. New Concept of the DC-DC Converter Circuit Applied for the Small Capacity Uninterruptible Power Supply. In Proceedings of the 2018 International Power Electronics Conference (IPEC-Niigata 2018-ECCE Asia), Niigata, Japan, 20–24 May 2018; pp. 3086–3091. [Google Scholar]
- Wu, Q.; Wang, Q.; Xu, J.; Xiao, L. A Wide Load Range ZVS Push-Pull DC/DC Converter with Active Clamped. IEEE Trans. Power Electron. 2017, 32, 2865–2875. [Google Scholar] [CrossRef]
- Wu, T.F.; Hung, J.C.; Tsai, J.T.; Tsai, C.T.; Chen, Y.M. An Active-Clamp Push-Pull Converter for Battery Sourcing Applications. IEEE Trans. Ind. Appl. 2008, 44, 196–204. [Google Scholar] [CrossRef]
- Tarzamni, H.; Babaei, E.; Esmaeelnia, F.P.; Dehghanian, P.; Tohidi, S.; Sharifian, M.B.B. Analysis and Reliability Evaluation of a High Step-Up Soft Switching Push–Pull DC–DC Converter. IEEE Trans. Reliab. 2020, 69, 1376–1386. [Google Scholar] [CrossRef]
- Wang, Y.; Liu, Q.; Ma, J.; Chen, L.; Ma, H. A New ZVCS Resonant Voltage-fed Push-pull Converter for Vehicle Inverter Application. In Proceedings of the 2013 IEEE International Symposium on Industrial Electronics, Taipei, Taiwan, 28–31 May 2013. [Google Scholar]
- Ekkaravarodome, C.; Bilsalam, A.; Tantiviwattanawongsa, P.; Thounthong, P. High Step-Up DC-DC Push-Pull Resonant Based on low Cost half-wave Class-D Rectifier. In Proceedings of the 2019 Research, Invention, and Innovation Congress (RI2C), Bangkok, Thailand, 11–13 December 2019. [Google Scholar]
- Ekkaravarodome, C.; Bilsalam, A.; Tantiviwattanawongsa, P.; Thounthong, P. DC-DC High Conversion Ratio Push-Pull Resonant Converter Based on Voltage Double Rectifier. In Proceedings of the 2019 Research, Invention, and Innovation Congress (RI2C), Bangkok, Thailand, 11–13 December 2019. [Google Scholar]
- Thippayanet, R.; Ekkaravarodome, C.; Jirasereeamornkul, K.; Chamnongthai, K.; Kazimierczuk, M.K.; Higuchi, K. Push-pull zero-voltage switching resonant DC-DC converter based on half bridge class-DE rectifier. In Proceedings of the 2013 IEEE 10th International Conference on Power Electronics and Drive Systems (PEDS), Kitakyushu, Japan, 22–25 April 2013; pp. 1162–1167. [Google Scholar]
- Ekkaravarodome, C.; Sukanna, S.; Bilsalam, A.; Nilphong, S.; Jirasereeamongkul, K.; Higuchi, K. Design of a Balanced Push-Pull Resonant Converter with a Voltage Doubler Class-DE Rectifier. In Proceedings of the 2019 Research, Invention, and Innovation Congress (RI2C), Bangkok, Thailand, 11–13 December 2019. [Google Scholar]
- Jia, P.; Mei, Y. Derivation and Analysis of a Secondary-Side LLC Resonant Converter for the High Step-Up Applications. IEEE J. Emerg. Sel. Top. Power Electron. 2021, 9, 5865–5882. [Google Scholar] [CrossRef]












| Symbol | Part and Parameters | Value |
|---|---|---|
| Vbat | Battery voltage | 12 V |
| vac | AC output voltage | 220 Vrms |
| fS,dc | Switching frequency (DC–DC converter) | 52 kHz |
| fS,inv | Switching frequency (inverter) | 17 kHz |
| 1:n | Transformer turns’ ratio | 1:16 |
| Llk | Leakage inductance | 112 μH |
| Lm | Magnetizing inductance | 1.6 mH |
| Lo | Output inductance | 5 mH |
| Cr1, Cr2 | Resonant capacitors | 47 nF |
| S1, S2 | Primary switches (MOSFETs) | IRF2804S |
| MOSFET Driver | MIC4427 | |
| D1, D2 | Secondary diodes | 16CTU04S, |
| Transformer core | EER4950 | |
| MCU | Microcontroller | dsPIC33CK32MC105 |
Publisher’s Note: MDPI stays neutral with regard to jurisdictional claims in published maps and institutional affiliations. |
© 2021 by the authors. Licensee MDPI, Basel, Switzerland. This article is an open access article distributed under the terms and conditions of the Creative Commons Attribution (CC BY) license (https://creativecommons.org/licenses/by/4.0/).
Share and Cite
Oh, Y.-G.; Choi, W.-Y.; Kwon, J.-M. Design of a Step-Up DC–DC Converter for Standalone Photovoltaic Systems with Battery Energy Storages. Energies 2022, 15, 44. https://doi.org/10.3390/en15010044
Oh Y-G, Choi W-Y, Kwon J-M. Design of a Step-Up DC–DC Converter for Standalone Photovoltaic Systems with Battery Energy Storages. Energies. 2022; 15(1):44. https://doi.org/10.3390/en15010044
Chicago/Turabian StyleOh, Yun-Gyeong, Woo-Young Choi, and Jung-Min Kwon. 2022. "Design of a Step-Up DC–DC Converter for Standalone Photovoltaic Systems with Battery Energy Storages" Energies 15, no. 1: 44. https://doi.org/10.3390/en15010044
APA StyleOh, Y.-G., Choi, W.-Y., & Kwon, J.-M. (2022). Design of a Step-Up DC–DC Converter for Standalone Photovoltaic Systems with Battery Energy Storages. Energies, 15(1), 44. https://doi.org/10.3390/en15010044

