Design and Analysis of a 35 GHz Rectenna System for Wireless Power Transfer to an Unmanned Air Vehicle
Abstract
:1. Introduction
2. Remotely Powered Unmanned Air Vehicles
2.1. Proposed System Architecture
2.2. Selection of the 35 GHz Transmission Frequency
3. Microwave Wireless Power Transmission
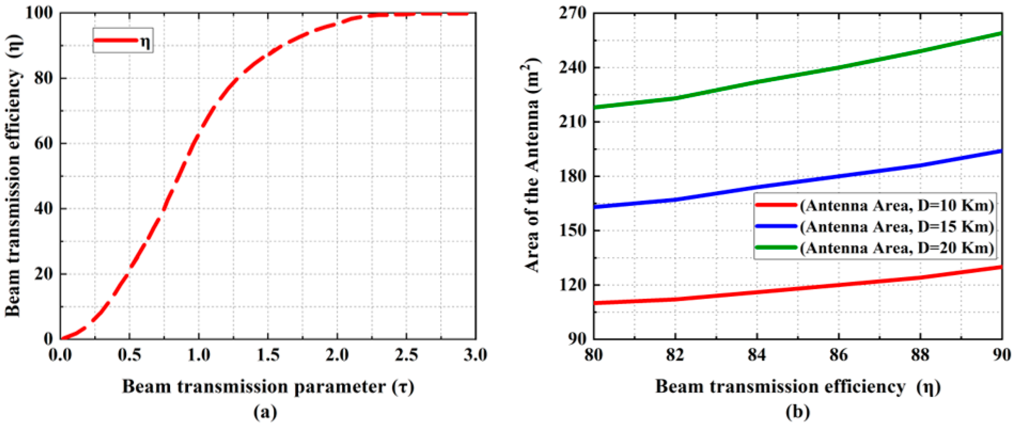
Microwave Wireless Power Transmission Equations
4. Tx Antenna Area Calculation for Different Power Level
5. Design and Simulation of Microstrip Patch Antenna Array
5.1. 4 × 2 Patch Antenna Array Design
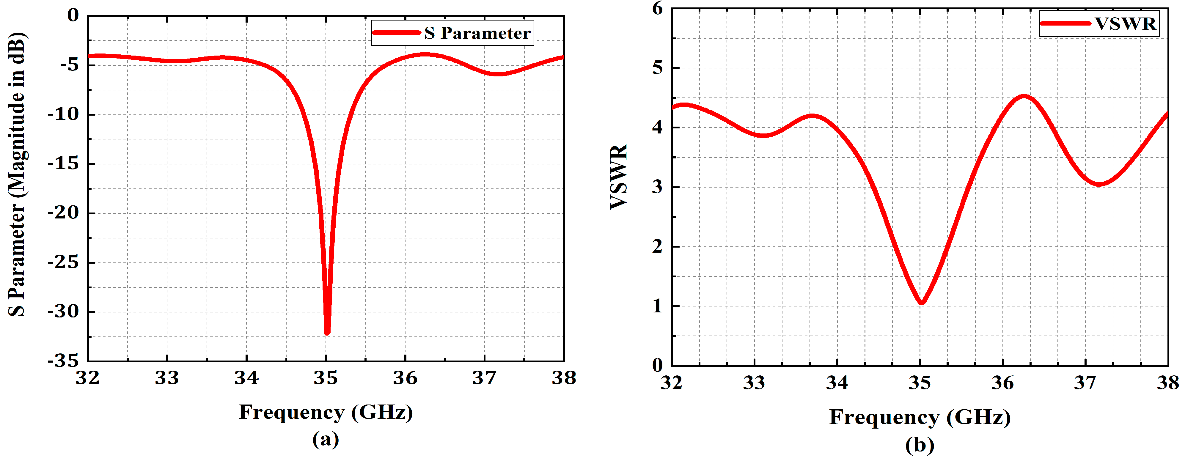
5.2. Results and Discussion
6. Design and Optimization of Rectifying Circuit
6.1. Equivalent Circuit Model of a Schottky Diode
Harmonic Balance (HB) Simulation Validation
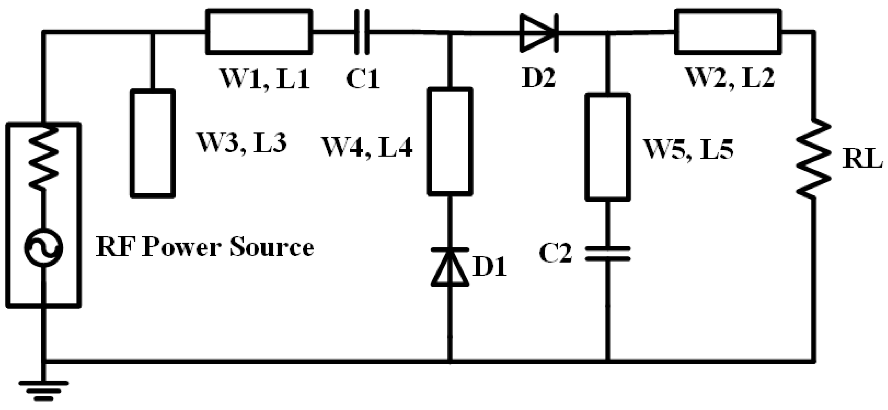
6.2. Rectifying Circuit Configuration
6.3. Results and Discussion
6.4. Large Area Power Collection
7. Conclusions
Author Contributions
Funding
Institutional Review Board Statement
Informed Consent Statement
Data Availability Statement
Conflicts of Interest
References
- Loianno, G.; Spurny, V.; Thomas, J.; Baca, T.; Thakur, D.; Hert, D.; Penicka, R.; Krajnik, T.; Zhou, A.; Cho, A.; et al. Localization, grasping, and transportation of magnetic objects by a team of mavs in challenging desert-like environments. IEEE Robot. Autom. Lett. 2018, 3, 1576–1583. [Google Scholar] [CrossRef]
- Tomic, T.; Schmid, K.; Lutz, P.; Domel, A.; Kassecker, M.; Mair, E.; Grixa, I.; Ruess, F.; Suppa, M.; Burschka, D. Toward a fully autonomous UAV: Research platform for indoor and Outdoor Urban Search and rescue. IEEE Robot. Autom. Mag. 2012, 19, 46–56. [Google Scholar] [CrossRef] [Green Version]
- Keller, J.; Thakur, D.; Likhachev, M.; Gallier, J.; Kumar, V. Coordinated path planning for fixed-wing UAS conducting persistent surveillance missions. IEEE Trans. Autom. Sci. Eng. 2017, 14, 17–24. [Google Scholar] [CrossRef]
- Weiss, S.; Scaramuzza, D.; Siegwart, R. Monocular-SLAM-based navigation for autonomous micro helicopters in GPS-denied environments. J. Field Robot. 2011, 28, 854–874. [Google Scholar] [CrossRef]
- Ritz, R.; D’Andrea, R. Carrying a flexible payload with multiple flying vehicles. In Proceedings of the 2013 IEEE/RSJ International Conference on Intelligent Robots and Systems, Tokyo, Japan, 3–7 November 2013. [Google Scholar]
- Loianno, G.; Kumar, V. Cooperative transportation using small quadrotors using monocular vision and inertial sensing. IEEE Robot. Autom. Lett. 2018, 3, 680–687. [Google Scholar] [CrossRef]
- Bernard, M.; Kondak, K.; Maza, I.; Ollero, A. Autonomous Transportation and deployment with aerial robots for search and rescue missions. J. Field Robot. 2011, 28, 914–931. [Google Scholar] [CrossRef] [Green Version]
- Saska, M.; Baca, T.; Thomas, J.; Chudoba, J.; Preucil, L.; Krajnik, T.; Faigl, J.; Loianno, G.; Kumar, V. System for deployment of groups of unmanned micro aerial vehicles in GPS-denied environments using onboard visual relative localization. Auton. Robot. 2016, 41, 919–944. [Google Scholar] [CrossRef] [Green Version]
- Brown, W.C. A survey of the elements of power transmission by microwave beam. IRE Int. Conv. Rec. 1961, 9, 93–105. [Google Scholar]
- Brown, W.C. The Combination Receiving Antenna and Rectifier. In Microwave Power Engineering; Okress, E.C., Ed.; Academic Press: New York, NY, USA, 1968; Volume 2, pp. 273–275. [Google Scholar]
- Brown, W.C.; Eves, E.E. Beamed microwave power transmission and its application to space. IEEE Trans. Microw. Theory Tech. 1992, 40, 1239–1250. [Google Scholar] [CrossRef]
- Brown, W.C. The history of power transmission by Radio Waves. IEEE Trans. Microw. Theory Tech. 1984, 32, 1230–1242. [Google Scholar] [CrossRef] [Green Version]
- Curty, J.-P.; Declercq, M.; Dehollain, C.; Joehl, N. Design and Optimization of Passive UHF RFID Systems; Springer: New York, NY, USA, 2007. [Google Scholar]
- Brown, W.C. Free-Space Transmission. IEEE Spectr. 1964, 1, 86–91. [Google Scholar] [CrossRef]
- Brown, W.C. The microwave powered helicopter. J. Microw. Power 1966, 1, 1–20. [Google Scholar] [CrossRef]
- Glaser, P.E.; Brown, W.C. An Electrical Propulsion Transportation System for Low-Earth Orbit to Geostationary Orbit Utilizing Beamed microwave power. Space Sol. Power Rev. 1983, 4, 119–129. [Google Scholar]
- Schlesak, J.J.; Alden, A.; Ohno, T. A microwave powered high altitude platform. In Proceedings of the IEEE MTT-S International Microwave Symposium Digest, New York, NY, USA, 25–27 May 1988. [Google Scholar]
- Matsumoto, H.; Kaya, N.; Fujita, M.; Fujino, Y.; Fujiwara, T.; Sato, T. MILAX airplane experiment and model airplane. In Proceedings of the 11th ISAS Space Energy Symp, Hakone, Japan, 11–14 December 1993. (In Japanese). [Google Scholar]
- Kaya, N.; Matsumoto, H.; Akiba, R. Rocket Experiment METS Microwave Energy Transmission in Space. J. Space Power 1992, 11, 267–274. [Google Scholar]
- Shinohara, N.; Matsumoto, H. Dependence of DC output of a rectenna array on the method of interconnection of its array elements. Electr. Eng. Jpn. 1998, 125, 9–17. [Google Scholar] [CrossRef]
- Kaya, N.; Ida, S.; Fujino, Y.; Fujita, M. Transmitting antenna system for airship demonstration (ETHER). Space Energy Transp. 1996, 1, 237–245. [Google Scholar]
- Chiam, T.M.; Ong, L.C.; Karim, M.F.; Guo, Y.X. 5.8GHz circularly polarized rectennas using Schottky diode and LTC5535 rectifier for RF Energy Harvesting. In Proceedings of the 2009 Asia Pacific Microwave Conference, Singapore, 7–10 December 2009. [Google Scholar]
- Strassner, B.; Chang, K. 5.8-GHz circularly polarized dual-rhombic-loop traveling-wave rectifying antenna for low power-density wireless power transmission applications. IEEE Trans. Microw. Theory Tech. 2003, 51, 1548–1553. [Google Scholar] [CrossRef]
- Heikkinen, J.; Kivikoski, M. Low-profile circularly polarized rectifying antenna for wireless power transmission at 5.8 GHz. IEEE Microw. Wirel. Compon. Lett. 2004, 14, 162–164. [Google Scholar] [CrossRef]
- Ren, Y.-J.; Li, M.-Y.; Chang, K. 35 ghz rectifying antenna for wireless power transmission. Electron. Lett. 2007, 43, 602. [Google Scholar] [CrossRef]
- Ren, Y.-J.; Chang, K. New 5.8-GHz circularly polarized retrodirective rectenna arrays for wireless power transmission. IEEE Trans. Microw. Theory Tech. 2006, 54, 2970–2976. [Google Scholar]
- Suh, Y.-H.; Chang, K. A high-efficiency dual-frequency rectenna for 2.45- and 5.8-GHz wireless power transmission. IEEE Trans. Microw. Theory Tech. 2002, 50, 1784–1789. [Google Scholar] [CrossRef] [Green Version]
- McSpadden, J.O.; Fan, L.; Chang, K. Design and experiments of a high-conversion-efficiency 5.8-GHz rectenna. IEEE Trans. Microw. Theory Tech. 1998, 46, 2053–2060. [Google Scholar] [CrossRef]
- Collado, A.; Georgiadis, A. 24 GHz substrate integrated waveguide (SIW) rectenna for energy harvesting and wireless power transmission. In Proceedings of the 2013 IEEE MTT-S International Microwave Symposium Digest (MTT), Seattle, WA, USA, 2–7 June 2013. [Google Scholar]
- Ladan, S.; Wu, K. High efficiency low-power microwave rectifier for wireless energy harvesting. In Proceedings of the 2013 IEEE MTT-S International Microwave Symposium Digest (MTT), Seattle, WA, USA, 2–7 June 2013. [Google Scholar]
- Ladan, S.; Hemour, S.; Wu, K. Towards millimeter-wave high-efficiency rectification for wireless energy harvesting. In Proceedings of the 2013 IEEE International Wireless Symposium (IWS), Beijing, China, 14–18 April 2013. [Google Scholar]
- Chiou, H.-K.; Chen, I.-S. High-efficiency dual-band on-chip rectenna for 35- and 94-GHz wireless power transmission in 0.13-μm CMOS technology. IEEE Trans. Microw. Theory Tech. 2010, 58, 3598–3606. [Google Scholar]
- Epp, L.W.; Khan, A.R.; Smith, H.K.; Smith, R.P. A compact dual-polarized 8.51-ghz rectenna for high-voltage (50 V) actuator applications. IEEE Trans. Microw. Theory Tech. 2000, 48, 111–120. [Google Scholar] [CrossRef]
- Fujino, Y.; Fujita, M.; Kaya, N.; Kunimi, S.; Ishii, M.; Ogihata, N.; Kusaka, N.; Ida, S. A Dual Polarization Microwave Power Transmission System for Microwave propelled Airship Experiment. In Proceedings of the ISAP’96, Chiba, Japan, 24 September 1996; Volume 2, pp. 393–396. [Google Scholar]
- Ozawa, Y.; Tanaka, N.; Hakojima, H. Study of electric aircraft recharged by Beamed Microwave Power. In Proceedings of the 53rd AIAA Aerospace Sciences Meeting, Kissimmee, FL, USA, 5–9 January 2015. [Google Scholar]
- Belo, D.; Ribeiro, D.C.; Pinho, P.; Borges Carvalho, N. A selective, tracking, and power adaptive far-field wireless power transfer system. IEEE Trans. Microw. Theory Tech. 2019, 67, 3856–3866. [Google Scholar] [CrossRef]
- URSI White Paper on Solar Power Satellite (SPS) Systems and Report of the URSI Inter-Commission Working Group on SPS. 2007. Available online: https://www.ursi.org/files/ICWGReport070611.pdf (accessed on 10 June 2021).
- Gavan, J.; Tapuchi, S. Microwave Wireless-Power Transmission to High-Altitude-Platform Systems. Radio Sci. Bull. 2010, 2010, 25–42. [Google Scholar]
- Gavan, J.; Perez, R. Handbook of Electromagnetic Compatibility, 1st ed.; Academic Press: New York, NY, USA, 1995; Chapter 19; Volume 20. [Google Scholar]
- Yoo, T.-W.; Chang, K. Theoretical and experimental development of 10 and 35 GHz rectennas. IEEE Trans. Microw. Theory Tech. 1992, 40, 1259–1266. [Google Scholar] [CrossRef]
- Fingas, M.F. Oil Spill Science and Technology; Gulf Professional Publishing: Cambridge, MA, USA, 2017. [Google Scholar]
- Goubau, G.; Schwering, F. On the guided propagation of electromagnetic wave beams. IRE Trans. Antennas Propag. 1961, 9, 248–256. [Google Scholar] [CrossRef]
- Shinohara, N.; Matsumoto, H. Point to point Microwave power Transfer Experiments. Scr. Tech. Inc 1996, 116B, 648–653. [Google Scholar]
- Shinohara, N.; Kubo, Y.; Tonomura, H. Wireless charging for electric vehicle with microwaves. In Proceedings of the 2013 3rd International Electric Drives Production Conference (EDPC), Nuremberg, Germany, 29–30 October 2013. [Google Scholar]
- Park, I.; Lee, E.; Ku, H. Angle tracking automatic beamforming for Microwave Power Transfer Systems. In Proceedings of the 2020 IEEE Wireless Power Transfer Conference (WPTC), Seoul, Korea, 15–19 November 2020. [Google Scholar]
- Ladan, S.; Wu, K. 35 GHz harmonic harvesting rectifier for wireless power transmission. In Proceedings of the 2014 IEEE MTT-S International Microwave Symposium (IMS2014), Tampa, FL, USA, 1–6 June 2014. [Google Scholar]
- Shinohara, N. Beam efficiency of wireless power transmission via radio waves from short range to long range. J. Electromagn. Eng. Sci. 2010, 10, 224–230. [Google Scholar] [CrossRef]
- Chen, X.; Yang, B.; Shinohara, N.; Liu, C. A high-efficiency microwave power combining system based on frequency-tuning injection-locked magnetrons. IEEE Trans. Electron. Devices 2020, 67, 4447–4452. [Google Scholar] [CrossRef]
- Khang, S.-T.; Lee, D.-J.; Hwang, I.-J.; Yeo, T.-D.; Yu, J.-W. Microwave power transfer with optimal number of rectenna arrays for midrange applications. IEEE Antennas Wirel. Propag. Lett. 2018, 17, 155–159. [Google Scholar] [CrossRef]
- Yi, X.; Chen, X.; Zhou, L.; Hao, S.; Zhang, B.; Duan, X. A microwave power transmission experiment based on the near-field focused transmitter. IEEE Antennas Wirel. Propag. Lett. 2019, 18, 1105–1108. [Google Scholar] [CrossRef]
- Sun, H.; Guo, Y.; He, M.; Zhong, Z. Design of a high-efficiency 2.45-ghz rectenna for low-input-power energy harvesting. IEEE Antennas Wirel. Propag. Lett. 2012, 11, 929–932. [Google Scholar]
- Ren, Y.-J.; Chang, K. 5.8-GHz circularly polarized dual-diode rectenna and rectenna array for microwave power transmission. IEEE Trans. Microw. Theory Tech. 2006, 54, 1495–1502. [Google Scholar]
- Yoo, T.; McSpadden, J.; Chang, K. 35 GHz rectenna implemented with a patch and a microstrip dipole antenna. In Proceedings of the IEEE Microwave Symposium Digest MTT-S, Albuquerque, NM, USA, 1–5 June 1992. [Google Scholar]
- Akkermans, J.A.G.; van Beurden, M.C.; Doodeman, G.J.N.; Visser, H.J. Analytical models for low-power rectenna design. IEEE Antennas Wirel. Propag. Lett. 2005, 4, 187–190. [Google Scholar] [CrossRef]
- He, Q.; Liu, C. An enhanced microwave rectifying circuit using HSMS-282. Microw. Opt. Technol. Lett. 2009, 51, 1151–1153. [Google Scholar] [CrossRef]
- Cardoso, A.J.; de Carli, L.G.; Galup-Montoro, C.; Schneider, M.C. Analysis of the rectifier circuit valid down to its low-voltage limit. IEEE Trans. Circuits Syst. I Regul. Pap. 2012, 59, 106–112. [Google Scholar] [CrossRef]
- Lawrance, W.B.; Mielczarski, W. Harmonic current reduction in a three-phase diode bridge rectifier. IEEE Trans. Ind. Electron. 1992, 39, 571–576. [Google Scholar] [CrossRef]
- Gao, S.-P.; Zhang, H.; Ngo, T.; Guo, Y. Lookup-table-based automated rectifier synthesis. IEEE Trans. Microw. Theory Tech. 2020, 68, 5200–5210. [Google Scholar] [CrossRef]
- Gao, S.-P.; Zhang, H.; Guo, Y.-X. Analysis of mmwave rectifiers with an accurate rectification model. In Proceedings of the 2021 IEEE Wireless Power Transfer Conference (WPTC), San Diego, CA, USA, 1–4 June 2021. [Google Scholar]
- Fleri, D.A.; Cohen, L.D. Nonlinear analysis of the Schottky-barrier mixer diode. IEEE Trans. Microw. Theory Tech. 1973, 21, 39–43. [Google Scholar] [CrossRef]
- Keyrouz, S.; Visser, H.J.; Tijhuis, A.G. Rectifier analysis for radio frequency energy harvesting and Power Transport. In Proceedings of the 2012 42nd European Microwave Conference, Amsterdam, The Netherlands, 29 October–1 November 2012. [Google Scholar]
- Visser, H.J. Approximate Antenna Analysis for CAD; John Wiley & Sons Incorporated: Hoboken, NJ, USA, 2008. [Google Scholar]
- Ladan, S.; Akyel, C.; Wu, K. Simultaneous Wireless Power Transmission and Data Communication. Ph.D. Thesis, Ecole Polytechnique Montreal University, Montreal, QC, Canada, 2014. [Google Scholar]
- Zhang, F.; Liu, X.; Meng, F.-Y.; Wu, Q.; Lee, J.-C.; Xu, J.-F.; Wang, C.; Kim, N.-Y. Design of a compact planar rectenna for wireless power transfer in the ISM band. Int. J. Antennas Propag. 2014, 2014, 1–9. [Google Scholar] [CrossRef] [Green Version]
- Kuhn, V.; Lahuec, C.; Seguin, F.; Person, C. A multi-band stacked RF Energy Harvester with RF-to-DC efficiency up to 84%. IEEE Trans. Microw. Theory Tech. 2015, 63, 1768–1778. [Google Scholar] [CrossRef]
- Ladan, S.; Guntupalli, A.B.; Wu, K. A high-efficiency 24 GHz rectenna development towards millimeter-wave energy harvesting and wireless power transmission. IEEE Trans. Circuits Syst. I Regul. Pap. 2014, 61, 3358–3366. [Google Scholar] [CrossRef]
- Awais, Q.; Jin, Y.; Chattha, H.T.; Jamil, M.; Qiang, H.; Khawaja, B.A. A compact rectenna system with high conversion efficiency for wireless energy harvesting. IEEE Access 2018, 6, 35857–35866. [Google Scholar] [CrossRef]
- Zhang, Q.; Ou, J.-H.; Wu, Z.; Tan, H.-Z. Novel microwave rectifier optimizing method and its application in Rectenna designs. IEEE Access 2018, 6, 53557–53565. [Google Scholar] [CrossRef]
- Shinohara, N.; Nishikawa, K.; Seki, T.; Hiraga, K. Development of 24 GHz rectennas for Fixed Wireless Access. In Proceedings of the 2011 XXXth URSI General Assembly and Scientific Symposium, Istanbul, Turkey, 13–20 August 2011. [Google Scholar]
- Mavaddat, A.; Armaki, S.H.; Erfanian, A.R. Millimeter-Wave Energy Harvesting Using 4 × 4 Microstrip Patch Antenna Array. IEEE Antennas Wirel. Propag. Lett. 2015, 14, 515–518. [Google Scholar] [CrossRef]
- Chen, Q.; Liu, Z.; Cui, Y.; Cai, H.; Chen, X. A metallic waveguide-integrated 35-GHz rectenna with high conversion efficiency. IEEE Microw. Wirel. Compon. Lett. 2020, 30, 821–824. [Google Scholar] [CrossRef]
- Shinohara, N.; Matsumoto, H. Experimental study of large rectenna array for microwave energy transmission. IEEE Trans. Microw. Theory Tech. 1998, 46, 261–268. [Google Scholar] [CrossRef]
- Miura, T.; Shinohara, N.; Matsumoto, H. Experimental study of rectenna connection for Microwave Power Transmission. Electron. Commun. Jpn. (Part II Electron.) 2001, 84, 27–36. [Google Scholar] [CrossRef]
- Paing, T.; Shin, J.; Zane, R.; Popovic, Z. Resistor emulation approach to low-power RF Energy Harvesting. IEEE Trans. Power Electron. 2008, 23, 1494–1501. [Google Scholar] [CrossRef]
- Brown, W.C.; Raytheon Co. Rectenna Technology Program: Ultra Light 2.45 GHz Rectenna and 20 GHz Rectenna; Raytheon Co.: Waltham, MA, USA, 1987. [Google Scholar]


















| Source-Agency | Frequency (GHz) | Tx/Rx Diameter (m) | Transmission Power (kW) | Transmission Distance (m) | Received Power (kW) | |
|---|---|---|---|---|---|---|
| Raytheon’s Spencer Lab-1964 [15] | 2.45 | 3 | 0.65 | 3–5 | 15 | 0.28 |
| NASA-1975 [16] | 2.45 | 26 | 5.6 | 320 | 1550 | 34 |
| SHARP-1987 [17] | 2.45 | 85 | 30 | 500–1000 | 21,000 | 35 |
| SHARP-1987 [17] | 2.45 | 4.5 | 1 | 10 | 150 | 1 |
| NICT-1995 [34] | 2.45 | 3 | 3.4 | 5 | 1.9 | 3 |
| IHI Aerospace Co., 2015 [35] | 5.8 | 2 | 0.8 | 10 | 58 | 1 |
| JAXA-2001 [37] | 5.8 | 1000 | 3400 | 1.3 × 106 | 36 × 106 | 1.1 × 106 |
| Kansai Electric Power Co., 1994 [43] | 2.45 | 3 | 3.8 | 5 | 42 | 0.75 |
| KAIST 2018 [49] | 2.45 | 1 | 0.5 | 0.25 | 1 | 0.0125 |
| Sichuan University 2019 [50] | 5.8 | 1 | 1 | 0.5 | 10 | 0.041 |
| This Work | 35 | 11.7 | 10.7 | 32 | 10,000 | 27 |
| Source | Frequency (GHz) | Results | Rectifier Element | RF Power Level for Maximum Efficiency (dBm) | Maximum Efficiency (%) |
|---|---|---|---|---|---|
| Chiou H. et al. [32] | 94 | Experiment | 0.13-mm CMOS | 20 | 37 |
| Ladan S. et al. [46] | 35 | Experiment | Schottky MA4E1317 | 13 | 34 |
| Ladan S. et al. [63] | 24 | Simulation | Schottky MA4E1317 | 12 | 78 |
| Awais Q. et al. [67] | 2.45 | Experiment | Schottky HSMS 2850 | 5 | 68 |
| Zhang Q.Q. et al. [68] | 5.8 | Experiment | Schottky BAT15-03W | 8.2 | 69 |
| Shinohara N. et al. [69] | 24 | Experiment | Schottky MADS-01317 | 21 | 54 |
| Mavaddat A. et al. [70] | 35 | Experiment | Schottky MA4E1317 | 8.5 | 67 |
| Chen Q. et al. [71] | 35 | Experiment | Schottky Diode | 19 | 68.5 |
| This Work | 35 | Simulation | Schottky MA4E1317 | 9–18 | 80 |
Publisher’s Note: MDPI stays neutral with regard to jurisdictional claims in published maps and institutional affiliations. |
© 2022 by the authors. Licensee MDPI, Basel, Switzerland. This article is an open access article distributed under the terms and conditions of the Creative Commons Attribution (CC BY) license (https://creativecommons.org/licenses/by/4.0/).
Share and Cite
Hoque, M.U.; Kumar, D.; Audet, Y.; Savaria, Y. Design and Analysis of a 35 GHz Rectenna System for Wireless Power Transfer to an Unmanned Air Vehicle. Energies 2022, 15, 320. https://doi.org/10.3390/en15010320
Hoque MU, Kumar D, Audet Y, Savaria Y. Design and Analysis of a 35 GHz Rectenna System for Wireless Power Transfer to an Unmanned Air Vehicle. Energies. 2022; 15(1):320. https://doi.org/10.3390/en15010320
Chicago/Turabian StyleHoque, Muttahid Ull, Deepak Kumar, Yves Audet, and Yvon Savaria. 2022. "Design and Analysis of a 35 GHz Rectenna System for Wireless Power Transfer to an Unmanned Air Vehicle" Energies 15, no. 1: 320. https://doi.org/10.3390/en15010320
APA StyleHoque, M. U., Kumar, D., Audet, Y., & Savaria, Y. (2022). Design and Analysis of a 35 GHz Rectenna System for Wireless Power Transfer to an Unmanned Air Vehicle. Energies, 15(1), 320. https://doi.org/10.3390/en15010320

