Improving Power Quality by a Four-Wire Shunt Active Power Filter: A Case Study
Abstract
1. Introduction
- -
- performing a complex energetic analysis based on measurements performed in a real industrial environment;
- -
- experimental validation of the indirect current control variant, proposed by the authors;
- -
- defining a new indicator for assessing the energy performance of the active power filter, respectively the percentage of reduction of losses upstream of the CCP;
- -
- experimental validation of the solution for improving the power quality and compliance with existing harmonic pollution norms.
2. Case Study and Power Quality Indicators in PCC
- -
- Period I: 9 January 2020; 10:00–16:00; 6 h;
- -
- Period II: 10 January 2020; 07:30–13:00; 5.5 h.
- 1.
- The voltages are sinusoidal and symmetrical, and thus the associated power quality indicators are in accordance with the existing regulations;
- 2.
- 3.
- The total power factor is affected by the unbalanced and distorting regime (Figure 3);
- 4.
- The maximum values of the power to be compensated (ScompM) were identified, in the two time periods analyzed. Thus:
- A.
- For the first period: ScompM = 4518 VA, recorded on 9 January 2020, 12:11:34;
- B.
- For the second period: ScompM = 4565 VA, recorded on 10 January 2020, 12:00:34.
- 5.
- It is found that the most unfavorable situation in terms of compensated power was registered in period II (recorded on 10 January 2020, 12:00:34) and it corresponds to a distorting and strongly unbalanced regime, respectively:
- 6.
- The currents on phases A and C (Figure 2) have the typical waveforms of the current absorbed by the uncontrolled rectifiers in an uninterrupted current regime and correspond to the switching sources of the PCs.
- 7.
- The current on phase B is less distorted (THD ≈ 18%).
- 8.
- It is emphasized the unbalance introduced by phase B (the current is more than twice as high as that of phases A and C).
3. Experimental Setup
- The active power filter, which is being developed as a prototype;
- An industrial computer (IC), which ensures the proper SAPF control through the dSPACE 1103 prototyping board (dSPACE GmbH, Paderborn, Germany);
- Two Fluke 435 power quality analyzers connected upstream and downstream of the PCC;
- A METRIX OX 7042 oscilloscope (Chauvin Arnoux Group, Paris, France) to record the waveforms of the quantities of interest;
- A Fluke 41B analyzer (Fluke Corporation, Everett, WA, USA) to record the waveforms and power quality indicators at the time of measurement.
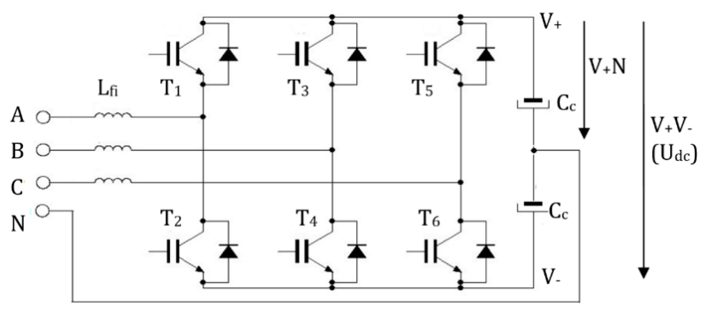
4. Four-Wire Three-Leg SAPF and the Control System
- -
- the variables vINC and vCOMP (Figure 10) validate the control of active charging of the compensation capacitor and the control of compensation, respectively;
- -
- the voltage controller is of PI type and was designed based on the modulus criterion in Kessler variant [45], and its parameters (Kpu and Tiu) but also the prescribed DC-voltage Udcp (Figure 10) can be modified by means of a conceived graphical interface which was created with dSPACE’s ControlDesk (R2016-B, dSPACE GmbH, Paderborn, Germany) (Figure 12) that allows the system monitoring and acquisition of the required quantities for further processing;
- -
- the current controllers on each phase are of the hysteresis type.
5. Active Filtering System Performance
5.1. Compensation of the Distortion Power
5.2. Reactive Power Compensation
5.3. Unbalance Compensation
5.4. Compensated Unbalance Active Power
5.5. Compensated Apparent Power
5.6. Saved Electrical Losses Upstream of the SAPF Connection Point
6. Synthesis of the Results
- The energetic analysis performed by the recordings with the Fluke 435 analyzer in the PCC of the Industrial electronic department of a large enterprise showed that the regime is strongly distorted and unbalanced.
- In order to improve the power quality, a four-wire three-leg SAPF with compensation split-capacitor, which was connected in the PCC, was designed and achieved, as a prototype.
- The control algorithm based on an original indirect current control by using the active component of the load current was implemented on the DSP prototyping system dSPACE 1103.
- Experimental tests and data collection were performed by four means:
- -
- DSP board dSPACE 1103 through the graphical interface created for this purpose;
- -
- The two-channel oscilloscope METRIX OX 7042;
- -
- Fluke 41B Analyzer;
- -
- Fluke 435 Analyzer (two devices).
- The energy parameters were recorded simultaneously, upstream and downstream of the SAPF connection point, for about 3 h (165 min).
- The recorded waveforms at different time points (using the oscilloscope and Fluke 41B analyzer), correlated with the processing of data recorded with Fluke 435 analyzers, highlight the very good performance obtained by active filtering, respectively:
- -
- The total harmonic distortion factors of the phase grid currents have values between 3.5% and 5% and fall within the imposed limits. After correlation with the values recorded at the same time, points for load currents, a filtering efficiency between 3.12 and 9.1, is obtained;
- -
- Both the compensation of the distortion power and the compensation of the reactive power are obtained, which makes the supply power factor, after the compensation, to be almost unitary;
- -
- The load current unbalance varies between 13% and 58%, whereas, at the grid side, it is negligible (maximum 2.15%);
- -
- It was estimated that, through the proposed solution, a decrease of electrical losses is obtained upstream of the SAPF connection point of up to 35%, with an average value of about 20%.
7. Conclusions
- -
- it proposes the use of a new indirect current control method;
- -
- it defines a new indicator for assessing the energy losses before PPC, as an effect of the active filtering solution.
- -
- The proposed solution consisting of a three-phase four-wire SAPF with split-capacitor and the control algorithm has two major advantages:
- -
- it determines the achievement of the total compensation objective (distortion power, reactive power and unbalance power) and compliance with the power quality norms;
- -
- after the analysis made by a potential manufacturer, it can be built and sold at a lower price than the existing systems on the market.
Author Contributions
Funding
Institutional Review Board Statement
Informed Consent Statement
Data Availability Statement
Conflicts of Interest
References
- Dovgun, V.; Temerbaev, S.; Chernyshov, M.; Novikov, V.; Boyarskaya, N.; Gracheva, E. Distributed power quality conditioning system for three-phase four-wire low voltage networks. Energies 2020, 13, 4915. [Google Scholar] [CrossRef]
- Sreenivasarao, D.; Agarwal, P.; Das, B. Neutral current compensation in three-phase, four-wire systems: A review. Electr. Power Syst. Res. 2012, 86, 170–180. [Google Scholar] [CrossRef]
- Alonso, A.M.S.; Brandao, D.I.; Tedeschi, E.; Marafão, F.P. Distributed selective harmonic mitigation and decoupled unbalance compensation by coordinated inverters in three-phase four-wire low-voltage networks. Electr. Power Syst. Res. 2020, 186, 106407. [Google Scholar] [CrossRef]
- Kumar, S.R.; Surendhar, S.; Negi, A.; Raja, P. Zig Zag transformer performance analysis on harmonic reduction in distribution load. In Proceedings of the International Conference on Electrical, Control and Computer Engineering (InECCE), Kuantan, Malaysia, 21–22 June 2011; pp. 107–112. [Google Scholar] [CrossRef]
- Jou, H.-L.; Wu, J.-C.; Wu, K.-D.; Chiang, W.-J.; Chen, Y.-H. Analysis of zig-zag transformer applying in the three-phase four-wire distribution power system. IEEE Trans. Power Deliv. 2005, 20, 1168–1173. [Google Scholar] [CrossRef]
- Lumbreras, D.; Gálvez, E.; Collado, A.; Zaragoza, J. Trends in power quality, harmonic mitigation and standards for light and heavy industries: A review. Energies 2020, 13, 5792. [Google Scholar] [CrossRef]
- Wu, J.; Jou, H.; Hsaio, H.; Xiao, S. A new hybrid power conditioner for suppressing harmonics and neutral-line current in three-phase four-wire distribution power systems. IEEE Trans. Power Deliv. 2014, 29, 1525–1532. [Google Scholar] [CrossRef]
- Montero, V.; Cadaval, E.; González, G. Comparison of control strategies for shunt active power filters in three-phase four-wire systems. IEEE Trans. Power Electron. 2007, 22, 229–236. [Google Scholar] [CrossRef]
- Dovgun, V.; Chernyshov, M.; Temerbaev, S.; Shakurova, Z. Hybrid power quality conditioner for three-phase four-wire power systems. Proc. E3S Web Conf. 2020, 178, 1–6. [Google Scholar] [CrossRef]
- Maciel, L.F.A.; Morales, J.L.M.; Gaona, D.C.; Pimentel, J.G.M. A study of a three-phase four-wire shunt active power filter for harmonics mitigation. In Proceedings of the 2018 IEEE International Autumn Meeting on Power, Electronics and Computing (ROPEC), Ixtapa, Mexico, 7–9 November 2018; 1–6. [Google Scholar] [CrossRef]
- Suresh, M.; Patnaik, S.S.; Suresh, Y.; Panda, A.K. Comparison of two compensation control strategies for shunt active power filter in three-phase four-wire system. In Proceedings of the ISGT 2011, Anaheim, CA, USA, 17–19 January 2011; pp. 1–6. [Google Scholar] [CrossRef]
- Salmeron, P.; Litran, S.P. A control strategy for hybrid power filter to compensate four-wires three-phase system. IEEE Trans. Power Electron. 2010, 25, 1923–1931. [Google Scholar] [CrossRef]
- Pittorino, L.A.; du Toit, J.A.; Enslin, J.H.R. Evaluation of converter topologies and controllers for power quality compensators under unbalanced conditions. In Proceedings of the PESC Record—IEEE Annual Power Electronics Specialists Conference, Saint Louis, MO, USA, 27 June 1997; Volume 2, pp. 1127–1133. [Google Scholar] [CrossRef]
- Lee, T.L.; Wang, Y.C.; Li, J.C.; Guerrero, J.M. Hybrid active filter with variable conductance for harmonic resonance suppression in industrial power systems. IEEE Trans. Ind. Electron. 2015, 62, 746–756. [Google Scholar] [CrossRef]
- Popescu, M.; Bitoleanu, A. A review of the energy efficiency improvement in DC railway systems. Energies 2019, 12, 1092. [Google Scholar] [CrossRef]
- Popescu, M.; Bitoleanu, A.; Suru, V. A DSP-based implementation of the p-q theory in active power filtering under nonideal voltage conditions. IEEE Trans. Ind. Inf. 2013, 9, 880–889. [Google Scholar] [CrossRef]
- Barva, A.V.; Bhavsar, P.R. Design and simulation of split-capacitor based three-phase four-wire shunt active power filter. In Proceedings of the 2017 2nd IEEE International Conference on Recent Trends in Electronics, Information & Communication Technology (RTEICT), Bangalore, India, 19–20 May 2017; pp. 1106–1110. [Google Scholar] [CrossRef]
- Gong, C.; Sou, W.-K.; Lam, C.-S. Design and analysis of vector proportional-integral current controller for LC-coupling hybrid active power filter with minimum DC-link voltage. IEEE Trans. Power Electron. 2021. [Google Scholar] [CrossRef]
- Pandove, G.; Singh, M. Robust repetitive control design for a three-phase four wire shunt active power filter. IEEE Trans. Ind. Informat. 2019, 15, 2810–2818. [Google Scholar] [CrossRef]
- Xiuyun, Z.; Huacai, L.; Lisheng, W.; Shoujun, B. Double PI control of DC link voltage for three-phase four-wire shunt active power filter. In Proceedings of the IEEE 2nd International Conference on Electronics and Communication Engineering (ICECE), Xi’an, China, 9–11 December 2019; pp. 261–264. [Google Scholar] [CrossRef]
- Bhattacharya, A.; Chakraborty, C. A shunt active power filter with enhanced performance using ANN-based predictive and adaptive controllers. IEEE Trans. Ind. Electron. 2011, 58, 421–428. [Google Scholar] [CrossRef]
- Benhabib, M.C.; Saadate, S. New control approach for four-wire active power filter based on the use of synchronous reference frame. Electr. Power Syst. Res. 2005, 73, 353–362. [Google Scholar] [CrossRef]
- Ait Chihab, A.; Ouadi, H.; Giri, F.; Ahmed-Ali, T. Adaptive non-linear control of three-phase four-wire Shunt active power filters for unbalanced and nonlinear loads. IFAC Proc. Vol. 2014, 47, 5061–5066. [Google Scholar] [CrossRef]
- Wang, L.; Wong, M.-C.; Lam, C.-S.; Dai, N.-Y.; Lao, K.-W.; Wong, C.-K. Non-linear adaptive hysteresis band pulse-width modulation control for hybrid active power filters to reduce switching loss. IET Power Electron. 2015, 8, 2156–2167. [Google Scholar] [CrossRef]
- Lam, C.-S.; Wong, M.-C.; Han, Y.-D. Hysteresis current control of hybrid active power filters. IET Power Electron. 2012, 5, 1175–1187. [Google Scholar] [CrossRef]
- Vahedi, H.; Sheikholeslami, A.; Bina, M.T. Review and simulation of fixed and adaptive hysteresis current control considering switching losses and high-frequency harmonics. Adv. Power Electron. 2011, 1–12. [Google Scholar] [CrossRef]
- Tan, A.; Bayındır, K.Ç.; Cuma, M.U.; Tümay, M. Multiple harmonic elimination-based feedback controller for shunt hybrid active power filter. IET Power Electron. 2017, 10, 945–956. [Google Scholar] [CrossRef]
- Singh, B.; Jayaprakash, P.; Kothari, D.P. New control approach for capacitor supported DSTATCOM in three-phase four wire distribution system under non-ideal supply voltage conditions based on synchronous reference frame theory. Int. J. Electr. Power Energy Syst. 2011, 33, 1109–1117. [Google Scholar] [CrossRef]
- Gong, C.; Sou, W.-K.; Lam, C.-S. Second-order sliding-mode current controller for LC-coupling hybrid active power filter. IEEE Trans. Ind. Electron. 2021, 68, 1883–1894. [Google Scholar] [CrossRef]
- Srianthumrong, S.; Akagi, H. A medium-voltage transformerless AC/DC power conversion system consisting of a diode rectifier and a shunt hybrid filter. IEEE Trans. Ind. Appl. 2003, 39, 874–882. [Google Scholar] [CrossRef]
- Ye, T.; Dai, N.; Lao, K.W.; Lam, C.-S.; Wong, M.-C. Low DC voltage PV generation system with power factor correction and harmonic suppression capability in a distribution network. IET Gener. Trans. Distrib. 2019, 13, 1049–1056. [Google Scholar] [CrossRef]
- Hamoudi, F.; Aziz Chaghi, A.; Amimeur, H.; Merabet, E.K. Sliding mode control with fixed switching frequency for four-wire shunt active filter. J. Electr. Eng. Technol. 2011, 6, 647–657. [Google Scholar] [CrossRef]
- Mansour, B.; Abselkader, B.; Said, B. Sliding mode Control using 3D-SVM for three-phase four-leg shunt active filter. Int. J. Power Electron. Drive Syst. (IJPEDS) 2013, 3, 147–154. [Google Scholar] [CrossRef]
- Bitoleanu, A.; Popescu, M.; Suru, V. Theoretical and experimental evaluation of the indirect current control in active filtering and regeneration systems. In Proceedings of the 2017 International Conference on Optimization of Electrical and Electronic Equipment, Brasov, Romania, 25–27 May 2017. [Google Scholar] [CrossRef]
- Orts-Grau, S.; Balaguer-Herrero, P.; Alfonso-Gil, J.C.; Martínez-Márquez, C.I.; Gimeno-Sales, F.J.; Seguí-Chilet, S. One-cycle zero-integral-error current control for shunt active power filters. Electronics 2020, 9, 2008. [Google Scholar] [CrossRef]
- Wu, D.; Che, Y.; Cheng, K.W.E. Design and performance of a shunt active power filter for three-phase four-wire system. In Proceedings of the 2009 3rd International Conference on Power Electronics Systems and Applications (PESA), Hong Kong, China, 20–22 May 2009; pp. 1–4. [Google Scholar]
- Chen, Y.; Meng, R.; Wang, L.; Yang, Y.; Liu, Y.; Han, X. An improved control strategy for three-phase four-wire active power filter based on vector-resonant control. In Proceedings of the 2016 IEEE 11th Conference on Industrial Electronics and Applications (ICIEA), Hefei, China, 5–7 June 2016; pp. 1440–1445. [Google Scholar] [CrossRef]
- Hoon, Y.; Radzi, M.A.M.; Hassan, M.K.; Mailah, N.F. Control algorithms of shunt active power filter for harmonics mitigation: A review. Energies 2017, 10, 2038. [Google Scholar] [CrossRef]
- Patjoshi, R.K.; Mahapatra, K.K. Performance comparison of direct and indirect current control techniques applied to a sliding mode based shunt active power filter. In Proceedings of the 2013 Annual IEEE India Conference (INDICON), Mumbai, India, 13–15 December 2013; pp. 1–5. [Google Scholar] [CrossRef]
- Popescu, M.; Bitoleanu, A.; Suru, C.V.; Linca, M.; Subtirelu, G.E. Adaptive control of DC voltage in three-phase three-wire shunt active power filters systems. Energies 2020, 13, 3147. [Google Scholar] [CrossRef]
- Adel, M.; Zaid, S.; Mahgoub, O. Improved active power filter performance based on an indirect current control technique. J. Power Electron. 2011, 11, 931–937. [Google Scholar] [CrossRef]
- Arseneau, R.; Baghzouz, Y.; Belanger, J.; Bowes, K.; Braun, A.; Chiaravallo, A.; Cox, M.; Crampton, S.; Emanuel, A.; Filipski, P.; et al. Practical definitions for powers in systems with nonsinusoidal waveforms and unbalanced loads: A discussion. IEEE Trans. Power Deliv. 1996, 11, 79–101. [Google Scholar] [CrossRef]
- Emanuel, A.E. On the definition of power factor and apparent power in unbalanced polyphase circuits with sinusoidal voltage and currents. IEEE Trans. Power Deliv. 1993, 8, 841–852. [Google Scholar] [CrossRef]
- Linca, M.; Suru, C.V.; Preda, C.A. indirect current control algorithm implementation for an active filtering system using constant switching frequency hysteresis controllers. In Proceedings of the 2018 International Conference on Applied and Theoretical Electricity (ICATE), Craiova, Romania, 4–6 October 2018; pp. 1–6. [Google Scholar] [CrossRef]
- Cîrtoaje, V.; Baiesu, A.S.; Mihalache, S.F. Two controller design procedures using closed-loop pole placement technique. J. Control Eng. Appl. Inform. 2009, 11, 34–42. [Google Scholar]


























| Items | Values |
|---|---|
| Supply Transformer | Connection D/y0, 6/0.4 V, SN = 1000 kVA |
| SAPF transistors | IGBTs, SKM100GB12T4, VCE = 1200 V, IC = 100 A |
| Interface filter | Lfi = 4 mH |
| DC-capacitor | Cc = 1200 µF |
| Voltage controller | PI type, Kpu = 2; Tiu = 20 ms |
| Hysteresis band | 0.5 A |
Publisher’s Note: MDPI stays neutral with regard to jurisdictional claims in published maps and institutional affiliations. |
© 2021 by the authors. Licensee MDPI, Basel, Switzerland. This article is an open access article distributed under the terms and conditions of the Creative Commons Attribution (CC BY) license (https://creativecommons.org/licenses/by/4.0/).
Share and Cite
Popescu, M.; Bitoleanu, A.; Linca, M.; Suru, C.V. Improving Power Quality by a Four-Wire Shunt Active Power Filter: A Case Study. Energies 2021, 14, 1951. https://doi.org/10.3390/en14071951
Popescu M, Bitoleanu A, Linca M, Suru CV. Improving Power Quality by a Four-Wire Shunt Active Power Filter: A Case Study. Energies. 2021; 14(7):1951. https://doi.org/10.3390/en14071951
Chicago/Turabian StylePopescu, Mihaela, Alexandru Bitoleanu, Mihaita Linca, and Constantin Vlad Suru. 2021. "Improving Power Quality by a Four-Wire Shunt Active Power Filter: A Case Study" Energies 14, no. 7: 1951. https://doi.org/10.3390/en14071951
APA StylePopescu, M., Bitoleanu, A., Linca, M., & Suru, C. V. (2021). Improving Power Quality by a Four-Wire Shunt Active Power Filter: A Case Study. Energies, 14(7), 1951. https://doi.org/10.3390/en14071951
