Next Article in Journal
A Comparative Study of Laminar-Turbulent Displacement in an Eccentric Annulus under Imposed Flow Rate and Imposed Pressure Drop Conditions
Next Article in Special Issue
A Hybrid Hilbert-Huang Method for Monitoring Distorted Time-Varying Waveforms
Previous Article in Journal
Effects of Two Pilot Injection on Combustion and Emissions in a PCCI Diesel Engine
Previous Article in Special Issue
An Optimal Power Flow Algorithm for the Simulation of Energy Storage Systems in Unbalanced Three-Phase Distribution Grids
 
 
Font Type:
Arial Georgia Verdana
Font Size:
Aa Aa Aa
Line Spacing:
Column Width:
Background:
Article

Fault Simulations in a Multiterminal High Voltage DC Network with Modular Multilevel Converters Using Full-Bridge Submodules

University Politehnica of Bucharest, Iuliu Maniu 313, 060042 Bucharest, Romania
*
Author to whom correspondence should be addressed.
Energies 2021, 14(6), 1653; https://doi.org/10.3390/en14061653
Submission received: 4 February 2021 / Revised: 9 March 2021 / Accepted: 11 March 2021 / Published: 16 March 2021

Abstract

The concept of high-voltage DC transmission using a multiterminal configuration is presently a central topic of research and investment due to rekindled interest in renewable energy resource integration. Moreover, great attention is given to fault analysis, which leads to the necessity of developing proper tools that enable proficient dynamic simulations. This paper leverages models and control system design techniques and demonstrates their appropriateness for scenarios in which faults are applied. Furthermore, this paper relies on full-bridge submodule topologies in order to underline the increase in resilience that such a configuration brings to the multiterminal DC network, after an unexpected disturbance. Therefore, strong focus is given to fault response, considering that converters use a full-bridge topology and that overhead power lines connect the terminals.

1. Introduction

Presently, there is a growing interest towards renewable sources and the integration of such sources in the power system. This interest is even more strongly underlined by the increasing number of electric vehicles, which leads to an increase in electricity demand. Since the goal of the electric vehicle industry is to provide a cleaner environment by reducing CO2 emission, it is not acceptable to generate needed power from coal (or even gas) power plants. Therefore, investments in hydroelectric, solar and wind power plants is encouraged [1,2]. However, such plants are seldom near large electricity consumers. Besides investments in new power plants, additional investment is needed for transmission systems. Because of the significant distance between generation plants and large consumers, the best technical and economical solution is the use of high-voltage direct current transmission (HVDC), in a multiterminal layout.
Due to frequent routing restrictions (available construction space, terrain difficulties, etc.), a combination of overhead and underground power lines must be used. Such configurations result in exposure to environmental conditions (which can lead to sudden faults). In order to address this problem, there are three possible solutions [3,4,5].
The first considers the use of circuit breakers on the AC side of the converter to limit fault currents. This approach uses mature technology, but is not appropriate for multiterminal HVDC, because it leaves the entire DC network offline.
The second solution corresponds to the deployment of DC circuit breakers (DCCB). However, such a circuit breaker is extremely expensive, and the technology is not mature enough. There are three types of possible DC circuit breaker topologies: mechanical HVDC circuit breaker (with passive resonance or active resonance), hybrid DCCB and pure solid-state DCCB. Presently, the maximum voltage rating of a mechanical DCCB is 550 kV, and the maximum rating of hybrid DCCBs is 200 kV (in Zhoushan project [6]). There are no solid-state DCCBs in commissioned HVDC projects, and all existing solutions are only experimental. The interrupt current rating is up to 5 kA.
The third solution proposes the use of modular multilevel converters (MMCs) which have full-bridge submodules. Such topologies have the inherit ability to limit fault currents. Therefore, these are preferred in configurations which make use of overhead lines, even though conduction losses are higher compared to the full-bridge MMC.
In the following paragraphs, this paper continues on the path established in [7,8], regarding the use of a straight-forward detailed equivalent model for MMC-HVDC converters, in conjunction with an efficient vector control approach, in order to evaluate the performance of converters with full-bridge circuits, during fault conditions. This analysis is centered around a multiterminal configuration, and it is motivated by an increased worldwide tendency to expand the concept of HVDC towards a grid/radial network structure. Finally, some simulations with fault conditions are shown (all simulations are generated in Matlab/Simulink).

2. Model of MMC-HVDC with Full-Bridge Submodules

An MMC-HVDC converter consists of a several submodules (SMs), connected in series, which form the upper or lower arm. The full-bridge submodule consists of several insulated gate bipolar transistors (IGBTs) with antiparallel diodes and a capacitor (Figure 1). This SM distinguishes itself from other topologies by the increased number of possible output voltage levels. These levels can be grouped in two categories: voltage levels which can be obtained during normal operation (0 and VC), and a voltage level which can be used during fault conditions (−VC).
There are multiple ways in which an MMC can be modelled. The most popular methods are the average value model (AVM) and the detailed equivalent model (DEM) [9,10]. For dynamic simulations, the most appropriate method is DEM, because it provides sufficient detail and access to individual submodules. This is important in the context of controller design, as well as for capacitor balancing.
DEM approaches converter modelling through a “one resistor, one voltage source” technique for every SM [10,11]: each IGBT with antiparallel diodes (S1S4 & D1D4) is replaced by a resistor (R1R4), and the capacitor (C1) is modelled, using the Trapeze method, by a voltage source (Vc,eq) in series with a resistor (Rc). The IGBT equivalent resistances will have values depending on the state of the switches, with a high value in off state and a low value in on state.
Using the Thevenin technique, as well as star–delta conversions, it is possible to finally obtain a submodule equivalent resistance RSM,eq, and an equivalent voltage source VSM,eq, as detailed in [7,8].
Considering RSM,eq and VSM,eq for all submodules, as well as the multivalve current IMV, with the help of the equivalent resistance Rarm in (1) and the equivalent voltage Veq in (2), the converter voltage VMV is defined as in (3).
R arm t   = i = 1 nrSM R SMi , eq t
V eq t Δ T   = i = 1 nrSM V SMi , eq t Δ T
V MV t   =   R arm ( t ) I MV t + V eq ( t Δ T )

3. Converter Control System Design

Each converter in a multiterminal network can have various modes of operation, but at least one converter station should control the DC voltage. There is also a possibility to control the DC voltage using multiple converters, with voltage droop control or voltage margin control, and it is more appropriate to multiterminal networks that have more than three converters [12] (this will not be applied in the case study section).
There are two main approaches to converter control: direct control or vector control. The latter is preferred, due to a more streamlined approach to controller tuning. As such, using Clarke and Park transformation, a system consisting of two axes is obtained. Moreover, it is possible to independently control parameters such as active and reactive power due to this separation on two axes [13], using the direct and quadrature currents.
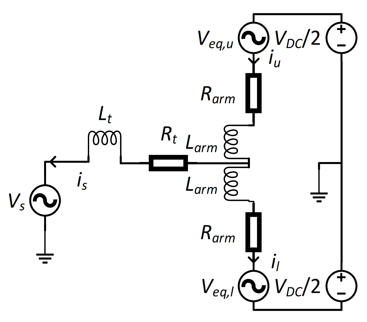
In order to develop the vector control loops, it is necessary to use a simplified converter model, which is shown in Figure 2.
Larm represents the arm inductor, Rt represents the transformer resistance and Lt represents the transformer inductance. Vs is the AC network equivalent voltage and VDC represents the DC network equivalent voltage. Nevertheless, iu is the upper arm current, il is the lower arm current and is is the AC network current.
Of use in this paper are three outer control loops (active power, reactive power and DC voltage) and two inner current control loops. A summary of the control layer, with connection to the model layer, is shown in Figure 3.
By applying the modulus optimum criterion in the tunning process of all these loops, with the consideration that there should be a delay for the outer control loops in order to ensure stable operation, it is possible to identify the proportional integral (PI) parameters for the second-order transfer function coefficients [7,8,14,15,16].
In this paper, the modulus optimum criterion is also applied for the DC voltage loop, which is in contrast with other approaches [13,16] that use the symmetrical optimum criterion. More specifically, this methodology is possible due to the fact that, for MMC-HVDC, there are no DC side capacitor filters, and the large majority of capacitors are located within the SMs.
The inner current control loops are designed using the circuit equations that result from the simplified converter model in Figure 2. Furthermore, the active and reactive power loops are based on the instantaneous power theory [17]. The DC voltage loop is based on the active power flow equality between the AC region and the DC region of the converter. This design theory is extensively reasoned in previous work [7,8,17].
The inner current controller proportional coefficient kp,d and integral coefficient ki,d, on the direct axis are shown in (4) and (5). The coefficient values associated to the quadrature axis can be determined using the same equations.
k p , d   =   L arm 2   +   L t 2 T delay
k i , d   =   R arm 2   +   R t 2 T delay
Tdelay signifies the delay introduced by the pulse width modulation as well as the capacitor balancing controllers.
Next, the outer active and reactive power controller proportional coefficients (kp,P and kp,Q) and integral coefficients (ki,P and ki,Q) can be defined as in (6) and (7).
k p , P   =   k p , Q   =   0
k i , P   =   k i , Q   =   1 3 v d T eq
Teq is an intentionally induced delay that ensures the fact that during tunning process, the outer loop controller is slower than the inner loop controller.
Regarding the DC voltage control loop, using the same parameter tunning technique, it is possible to identify the proportional coefficient kp,VDC and integral coefficient ki,VDC, as in (8) and (9).
k p , VDC   =   0 ;
k i , VDC   =   I DC 3 v d T eq

4. Case Study

The proposed network consists of three terminal MMC-HVDC, with full-bridge submodules (Figure 4).
There are two rectifier stations, Cm-C1 and Cm-B1, connected to off-shore wind power plants. However, the design of the two converter allows bi-directional power flow. Furthermore, there is one inverter station, Cm-A1, which is also bi-directional. The rated DC voltage is ±200 kV.
Between the three converters, overhead power lines are used, each with a length of 200 km. Line parameters are shown in Table 1.
All converters use a modular multilevel structure, which leads to low harmonic content. Therefore, filters are omitted in the simulation. Furthermore, the converters contain full-bridge submodules and are able to command mechanical switches, which are located at the end of the DC lines: Sw-B1A1, Sw-A1B1, Sw-A1C1, Sw-C1A1.
All converter nominal values are presented in Table 2 and are based on parameters recommended by Cigre Working Group B4 [9]. Moreover, all PI coefficients, which have been calculated using (4)–(9) are introduced in Table 3.
Because the detailed equivalent model provides access at a submodule level, it is possible to effectively include pulse-width-modulation blocks inside the simulation, in order to determine the number of SMs that need to be bypassed/inserted. In the analyzed configuration, a carrier-based modulation is used: the phase-shifted carrier technique.
The two rectifier stations are in active power and reactive power control mode. Moreover, the inverter station controls the DC voltage and the reactive power. The initial setpoint values are:
  • Cm-A1 (inverter): DC voltage, VDC* = ±200 kV; Reactive power, QS* = 0 Mvar.
  • Cm-C1 (rectifier 1): Active power, PS* = −320 MW; Reactive power, QS* = 0 Mvar.
  • Cm-B1 (rectifier 2): Active power, PS* = −280 MW; Reactive power, QS* = 100 Mvar.
Negative active power values signify rectifier operation and positive values signify inverter operation.
At t = 0.4 s, the active power setpoints of both rectifiers are increased to the following values:
  • Cm-C1 (rectifier 1): Active power, PS* = −380 MW.
  • Cm-B1 (rectifier 2): Active power, PS* = −350 MW.
At t = 0.6 s, there is a pole-to-ground fault (on positive pole) on the line between Cm-A1 and Cm-B1, at half the line distance. The fault resistance is 50 Ω. The direction of the fault currents is represented in red, in Figure 4. Figure 5 shows power values for all converters, as measured on the AC side. In this first scenario, no fault-handling capabilities are used (only the reaction of the PI control system is considered). As can be seen, at time t = 0.4 s the active power setpoint change leads to a fast response of the control system. The small power ripple which can be seen on all graphics is the result of the non-optimal dimensioning of converter capacitors and the arm reactor.
At t = 0.6 s, the fault initially discharges all submodule capacitors from the inverter. Next, there is a reversal of power as measured on the AC side of the inverter; the AC system now feeds the fault. As can be observed, this reverse power reaches values of over 1.5 GW, which can definitely destroy the submodules.
The pole currents, as measured on the DC side of the inverter, are shown in Figure 6 (where IDC,ui2 represents the positive pole current, and IDC,li2 represents the negative pole current).
All oscillations which can be seen at the beginning of the simulation (0…0.1 s) should be disregarded, due to being the result of initial value model stabilization.
In the second scenario, all converters enter fault-handling mode: the inverter detects a sudden current increase, and it commands all submodules to output a negative voltage. In the simulation, the control loops are never switched off.
When the current reaches zero, a mechanical switch opens on the DC side of converters Cm-A1 and Cm-B1. While the mechanical switches are open, Cm-B1 remains offline. After the fault is cleared, all converters switch back on, using previous setpoints. This change is illustrated in Figure 7. After the fault, the inverter needs about 0.3 s to recover to the initial active power value, and less than 0.1 s to recoup to the initial reactive power value.

5. Discussion

The three-terminal HVDC network, which has been shown in the case study, offers great flexibility during or after faults, because it implements a fault-handling configuration at a terminal level, while also making use of simple mechanical switches at the end of the lines. In this manner, if there is a fault on any of the overhead lines, it is possible to quickly respond and, if the fault is not permanent, to recover the system to the initial state in less than 0.3 s after the fault has been eliminated. Moreover, if the fault is permanent, it is possible to isolate the affected zone and to ensure partial operation of the network.
An additional aspect which favors the configuration presented in the case study relates to the initial cost as well as to the availability of technology. More specifically, even though a submodule with a full-bridge configuration is more expensive compared to half-bridge, this cost disadvantage is compensated by much simpler protection equipment. As such, a mechanical switch is preferred over a DC circuit breaker, due to the fact that DC circuit breakers are still in early development stages, have restrictive voltage and current ratings and require a high investment cost.
Another aspect that is observable in the simulations relates to the significant energy that is stored inside the SM capacitors. This energy, which is the first that flows towards the faulted zone, ensures a reaction buffer. Therefore, electrical parameters (AC voltages, active and reactive powers) change at a slower rate, which permits fault mitigation without severely affecting the operation of connected HVAC systems.

6. Conclusions

The scope of this paper was to bring forward an approach that enables dynamic simulations of faults and to present a multiterminal HVDC network configuration that provides high flexibility during and after faults.
One aspect, which was promoted in the paper, related to the use of detailed equivalent models, which enable access at a submodule level and allow for changes to be made regarding IGBT conduction/blocking internal resistance. Moreover, such models permit measurements of capacitor voltages, thus paving the way for the implementation of various capacitor balancing techniques, in conjunction with pulse-width modulation.
A second aspect that was endorsed in this paper was the flexibility of vector control, together with a straight-forward approach to controller tunning, that is the modulus optimum criterion. In contrast to other papers, tunning was done exclusively using modulus optimum, without the need to increase controller complexity as compared with symmetrical optimum.
Furthermore, a heavy focus was given to the aspect of fault handling in a multiterminal HVDC network that uses converters with full-bridge submodules in conjunction with mechanical switches at the end of the HVDC lines. Advantages of this proposed configuration were consequently underlined, giving arguments related to operational capabilities as well as cost restrictions.
Nevertheless, in order to validate all proposed ideas, several simulations were performed. All the simulations approach realistic conditions regarding converter control and response during fault conditions. These simulations underlined the potential regarding the use of full-bridge submodules inside of MMC-HVDC converters that are deployed in a multiterminal configuration.

Author Contributions

Conceptualization, I.-C.D. and M.E.; methodology, I.-C.D., M.E. and L.T.; software, I.-C.D.; validation, M.E. and L.T.; formal analysis, I.-C.D., M.E. and L.T.; investigation, I.-C.D.; resources, I.-C.D.; data curation, M.E. and L.T.; writing—original draft preparation, I.-C.D.; writing—review and editing, I.-C.D.; visualization, I.-C.D.; supervision, M.E. and L.T. All authors have read and agreed to the published version of the manuscript.

Funding

This research received no external funding.

Institutional Review Board Statement

Not applicable.

Informed Consent Statement

Not applicable.

Conflicts of Interest

The authors declare no conflict of interest.

References

  1. Sanduleac, M. A Perspective on 50% Solar Power Evolution to Support 100% CO2 Free Electrical Energy Production. In Proceedings of the 9th International Renewable Energy Congress (IREC), Hammamet, Tunisia, 20–22 March 2018. [Google Scholar]
  2. The European Green Deal. Communication from the Commission to the European Parliament, The European Council—The European Economic and Social Committee and The Committee of the Regions. Available online: https://eur-lex.europa.eu/legal-content/EN/TXT/?uri=COM%3A2019%3A640%3AFIN (accessed on 20 October 2020).
  3. Tahata, K.; el Oukaili, S.; Kamei, K.; Yoshida, D.; Kono, Y.; Yamamoto, R.; Ito, H. HVDC Circuit Breakers for HVDC Grid Applications. In Proceedings of the 11th IET International Conference on AC and DC Power Transmission, Birmingham, UK, 10–12 February 2015. [Google Scholar]
  4. Mokhberdoran, A.; Carvalho, A.; Leite, H.; Silva, N. A Review on HVDC Circuit Breakers. In Proceedings of the 3rd Renewable Power Generation Conference (RPG 2014), Naples, Italy, 24–25 September 2014. [Google Scholar]
  5. Sano, K.; Takasaki, M. A Surgeless Solid-State DC Circuit Breaker for Voltage-Source-Converter-Based HVDC Systems. IEEE Trans. Ind. Appl. 2014, 50, 2690–2699. [Google Scholar] [CrossRef]
  6. A Breakthrough of HVDC Circuit Breaker in China: Application and Commercial Services. Available online: https://hvdcnewschina.blogspot.com/2017/01/a-breakthrough-of-hvdc-circuit-breaker.html (accessed on 18 June 2020).
  7. Damian, I.C.; Eremia, M.; Toma, L. Detailed Modelling and Control of a Modular Multilevel Converter with Full-Bridge Submodules in a Multi-Terminal High Voltage DC Network. In Proceedings of the 55th International Universities Power Engineering Conference (UPEC), Torino, Italy, 1–4 September 2020; pp. 1–6. [Google Scholar]
  8. Damian, I.C.; Eremia, M.; Toma, L. Modelling and Control of a Novel East-European Multiterminal High Voltage DC Network. In Proceedings of the 4th International Conference on Power and Energy Engineering (ICPEE), Xiamen, China, 19–21 November 2020; pp. 151–156. [Google Scholar]
  9. Wachal, R.; Jindal, A.; Dennetiere, S.; Saad, H.; Rui, O.; Cole, S.; Barnes, M.; Zhang, L.; Song, Z.; Jardini, J.; et al. Guide for the Development of Models for HVDC Converters in a HVDC Grid. Cigré WG B 2014, 4, 27–32. [Google Scholar]
  10. Eremia, M.; Liu, C.C.; Edris, A.A. Advanced Solutions in Power Systems: HVDC, FACTS and Artificial Intelligence; IEEE and Wiley Publishing Press: Hoboken, NJ, USA, 2016. [Google Scholar]
  11. Damian, I.C.; Eremia, M.; Toma, L. Advanced Control of a Modular Multilevel High Voltage Direct Current Converter. In Proceedings of the 2017 International Conference on ENERGY and ENVIRONMENT (CIEM), Bucharest, Romania, 19–20 October 2017. [Google Scholar]
  12. Hertem, D.V.; Gomis-Bellmunt, O.; Liang, J. HVDC Grids for Offshore and Supergrid of the Future; John Wiley & Sons: Hoboken, NJ, USA, 2016. [Google Scholar]
  13. Amirnaser, Y.; Reza, I. Voltage-Sourced Converters in Power Systems: Modeling, Control and Applications; John Wiley & Sons: Hoboken, NJ, USA, 2010. [Google Scholar]
  14. Levine, W.S. The Control Handbook; CRC Press: Boca Raton, FL, USA; IEEE Press: Piscataway Township, NJ, USA, 1999. [Google Scholar]
  15. Astrom, K.J.; Hagglund, T. PID Controllers; Instrument Society of America: Research Triangle Park, NV, USA, 1995. [Google Scholar]
  16. Bajracharya, C. Control of VSC-HVDC for Wind Power. Master’s Thesis, Norwegian University of Science and Technology, Trondheim, Norway, 2008. [Google Scholar]
  17. Damian, I.C. Supply of Large Cities Using Modular Multilevel High Voltage Direct Current Converters. Ph.D. Thesis, University Politehnica of Bucharest, Bucharest, Romania, 2020. [Google Scholar]
Figure 1. Representation of a full-bridge submodule [8].
Figure 1. Representation of a full-bridge submodule [8].
Energies 14 01653 g001
Figure 2. One-phase representation of a simplified converter model [7].
Figure 2. One-phase representation of a simplified converter model [7].
Energies 14 01653 g002
Figure 3. Interaction between the control layer and the converter model layer.
Figure 3. Interaction between the control layer and the converter model layer.
Energies 14 01653 g003
Figure 4. Multiterminal high-voltage direct current transmission (HVDC) network.
Figure 4. Multiterminal high-voltage direct current transmission (HVDC) network.
Energies 14 01653 g004
Figure 5. Measured powers for all converters in Scenario 1.
Figure 5. Measured powers for all converters in Scenario 1.
Energies 14 01653 g005
Figure 6. Positive and negative pole currents, as measured on the DC side of the inverter, in Scenario 1.
Figure 6. Positive and negative pole currents, as measured on the DC side of the inverter, in Scenario 1.
Energies 14 01653 g006
Figure 7. Measured powers for all converters in Scenario 2.
Figure 7. Measured powers for all converters in Scenario 2.
Energies 14 01653 g007
Table 1. DC line data [9].
Table 1. DC line data [9].
Line Datar0 (Ω/km)l0 (mH/km)c0 (µF/km)g0 (µS/km)Max. Current (A)
Overhead line ±200 kV0.01330.82730.0139-3000
Table 2. Converter data.
Table 2. Converter data.
EquipmentDataA1C1B1
ConverterRated power800 MVA800 MVA600 MVA
Arm reactance59 mH59 mH59 mH
Converter transformerLeakage reactance79 mH79 mH79 mH
Resistance0.363 Ω0.363 Ω0.363 Ω
Primary rated voltage380 kV145 kV145 kV
Secondary rated voltage220 kV220 kV220 kV
SubmodulesNumber/half arm200200200
Individual capacitance10 mF10 mF10 mF
IGBT conduction resistance0.00136 Ω0.00136 Ω0.00136 Ω
Table 3. Control loop PI coefficients.
Table 3. Control loop PI coefficients.
Type of LoopCoefficientValue
Inner control loopkp,d = kp,q−108.5
ki,d = ki,q−499.1
Active power control loopkp,P0
ki,P0.001515
Reactive power control loopkp,Q0
ki,Q−0.001515
DC voltage control loopkp,VDC0
ki,VDC6.061
Publisher’s Note: MDPI stays neutral with regard to jurisdictional claims in published maps and institutional affiliations.

Share and Cite

MDPI and ACS Style

Damian, I.-C.; Eremia, M.; Toma, L. Fault Simulations in a Multiterminal High Voltage DC Network with Modular Multilevel Converters Using Full-Bridge Submodules. Energies 2021, 14, 1653. https://doi.org/10.3390/en14061653

AMA Style

Damian I-C, Eremia M, Toma L. Fault Simulations in a Multiterminal High Voltage DC Network with Modular Multilevel Converters Using Full-Bridge Submodules. Energies. 2021; 14(6):1653. https://doi.org/10.3390/en14061653

Chicago/Turabian Style

Damian, Ioan-Cătălin, Mircea Eremia, and Lucian Toma. 2021. "Fault Simulations in a Multiterminal High Voltage DC Network with Modular Multilevel Converters Using Full-Bridge Submodules" Energies 14, no. 6: 1653. https://doi.org/10.3390/en14061653

APA Style

Damian, I.-C., Eremia, M., & Toma, L. (2021). Fault Simulations in a Multiterminal High Voltage DC Network with Modular Multilevel Converters Using Full-Bridge Submodules. Energies, 14(6), 1653. https://doi.org/10.3390/en14061653

Note that from the first issue of 2016, this journal uses article numbers instead of page numbers. See further details here.

Article Metrics

Back to TopTop