EMC Component Modeling and System-Level Simulations of Power Converters: AC Motor Drives
Abstract
1. Introduction
2. State-of-the-Art Review of EMC Modeling of Power Electronic Components
2.1. Choke Modeling
2.1.1. Physical Models
2.1.2. Behavioral Models
2.2. Multiconductor Cable Modeling
2.2.1. Determination of Frequency-Dependent Per Unit Length Parameters
2.2.2. Cable Models Based on Lumped Segmentation of Transmission Line
2.2.3. Cable Models Based on Matrix Transfer Functions
2.3. Motor Modeling
2.4. Interconnects, PCB, and Housing
- import of the manufacturer CAD data with the automated placement of component models, ports, and terminals;
- extraction of models with a large number of ports (>100);
- extraction of passive, broadband models which are accurate in a preselected frequency range;
- Creating a standard, SPICE-compatible output model, suitable for time- and frequency-domain system level simulations.
2.5. HF Capacitor and Resistor Models
2.6. Power Semiconductor Models
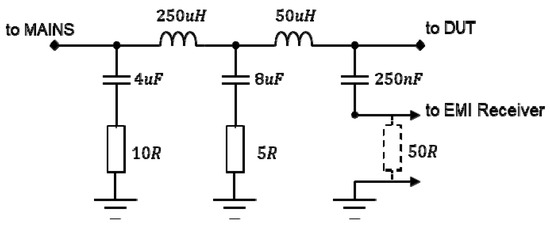
2.7. LISN and Noise Detector Modelling
3. System Level EMC Simulation and Analysis: Voltage-Source Inverter Driving a Motor
3.1. Build-up and Validation of System Level EMC Simulation
3.2. Common Mode Equivalent Circuit and Impact of Interconnects on EMI Noise
3.3. Impact of Cable Characteristics on EMI Noise
4. Discussion
5. Conclusions
Author Contributions
Funding
Institutional Review Board Statement
Informed Consent Statement
Conflicts of Interest
References
- Paul, C. Introduction to Electromagnetic Compatibility; Wiley: Hoboken, NJ, USA, 2006. [Google Scholar]
- Ott, H. Electromagnetic Compatibility Engineering; Wiley: Hoboken, NJ, USA, 2011. [Google Scholar]
- EN/IEC 61800-3, Ed. 3.0, Adjustable Speed Electrical Power Drive Systems–Part 3: EMC Requirements and Specific Test Methods, 2017. IEC 61800-3:2017|IEC Webstore|Electromagnetic Compatibility, EMC, Smart City, Pump, Motor, Water Management. Available online: https://webstore.iec.ch/publication/31003 (accessed on 11 March 2021).
- CISPR 11-Industrial Scientific and Medical Equipment-Radio-Frequency Disturbance Characteristics-Limits and Methods of Measurement. CISPR 11:2015|IEC Webstore|Electromagnetic Compatibility, EMC, Smart City. Available online: https://webstore.iec.ch/publication/22643 (accessed on 11 March 2021).
- CISPR 16-1-2 Specification for Radio Disturbance and Immunity Measuring Apparatus and Methods-Part 1-2: Radio Disturbance and Immunity Measuring Apparatus-Measuring Apparatus, 2014. CISPR 16-1-2:2014+AMD1:2017 CSV|IEC Webstore|Electromagnetic Compatibility, EMC, Smart City. Available online: https://webstore.iec.ch/publication/61924 (accessed on 11 March 2021).
- Heldwein, M.L.; Kolar, J.W. Impact of EMC Filters on the Power Density of Modern Three-Phase PWM Converters. IEEE Trans. Power Electron. 2009, 24, 1577–1588. [Google Scholar] [CrossRef]
- Mainali, K.; Oruganti, R. Conducted EMI mitigation techniques for switch-mode power converters: A survey. IEEE Trans. Power Electron. 2010, 25, 2344–2356. [Google Scholar] [CrossRef]
- Kharanaq, F.A.; Emadi, A.; Bilgin, B. Modeling of Conducted Emissions for EMI Analysis of Power Converters: State-of-the-Art Review. IEEE Access 2020, 8, 189313–189325. [Google Scholar] [CrossRef]
- Gong, X.; Ferreira, J.A. Comparison and Reduction of Conducted EMI in SiC JFET and Si IGBT-Based Motor Drives. IEEE Trans. Power Electron. 2014, 29, 1757–1767. [Google Scholar] [CrossRef]
- Han, D.; Li, S.; Wu, Y.; Choi, W.; Sarlioglu, B. Comparative Analysis on Conducted CM EMI Emission of Motor Drives: WBG Versus Si Devices. IEEE Trans. Ind. Electron. 2017, 64, 8353–8363. [Google Scholar] [CrossRef]
- Wang, S.; Maillet, Y.Y.; Wang, F.; Boroyevich, D.; Burgos, R. Investigation of hybrid EMI filters for common-mode EMI suppression in a motor drive system. IEEE Trans. Power Electron. 2010, 25, 1034–1045. [Google Scholar] [CrossRef]
- Wang, S.; Wang, F.; Maillet, Y.Y.; Lai, R.; Luo, F.; Boroyevich, D. Parasitic effects of grounding paths on common-mode EMI filter’s performance in power electronics systems. IEEE Trans. Ind. Electron. 2010, 57, 3050–3059. [Google Scholar] [CrossRef]
- Lai, J.S.; Huang, X.; Pepa, E.; Chen, S.; Nehl, T.W. Inverter EMI modeling and simulation methodologies. IEEE Trans. Ind. Electron. 2006, 53, 736–744. [Google Scholar] [CrossRef]
- Stevanovic, I.; Skibin, S.; Masti, M.; Laitinen, M. Behavioral Modeling of Chokes for EMI Simulations in Power Electronics. IEEE Trans. Power Electron. 2013, 28, 695–705. [Google Scholar] [CrossRef]
- Wunsch, B.; Skibin, S.; Forsstrom, V.; Christen, T. Broadband Modeling of Magnetic Components with Saturation and Hysteresis for Circuit Simulations of Power Converters. IEEE Trans. Magn. 2018, 54, 1–5. [Google Scholar] [CrossRef]
- Wunsch, B.; Christen, T.; Skibin, S.; Forsstrom, V. Broadband Circuit Model of a Ferrite Core, Including Dimensional Resonance, Saturation, and Hysteresis. IEEE Trans. Magn. 2019, 55, 1–5. [Google Scholar] [CrossRef]
- Stevanovic, I.; Wunsch, B.; Madonna, G.L.; Skibin, S. High-Frequency Behavioral Multiconductor Cable Modeling for EMI Simulations in Power Electronics. IEEE Trans. Ind. Inf. 2014, 10, 1392–1400. [Google Scholar] [CrossRef]
- Wunsch, B.; Stevanovic, I.; Skibin, S. Length-Scalable Multiconductor Cable Modeling for EMI Simulations in Power Electronics. IEEE Trans. Power Electron. 2017, 32, 1908–1916. [Google Scholar] [CrossRef]
- Stevanovic, I.; Wunsch, B.; Skibin, S. Behavioral High-Frequency Modeling of Electrical Motors. In Proceedings of the 2013 Twenty-Eighth Annual IEEE Applied Power Electronics Conference and Exposition (APEC), Long Beach, CA, USA, 17–21 March 2013; pp. 2547–2550. [Google Scholar]
- Wunsch, B.; Drofenik, U.; Skibin, S.; Forsstrom, V. Impact of Diode-Rectifier on EMC-Noise Propagation and Filter Design in AC-Fed Motor Drives. In Proceedings of the IEEE International Symposium on Electromagnetic Compatibility, Washington, DC, USA, 7–11 August 2017; pp. 237–242. [Google Scholar] [CrossRef]
- Skibinski, G.L.; Kerkman, R.J.; Schlegel, D. EMI emissions of modern PWM AC drives. IEEE Ind. Appl. Mag. 1999, 5, 47–80. [Google Scholar] [CrossRef]
- Tallam, R.M.; Skibinski, G.L.; Shudarek, T.A.; Lukaszewski, R.A. Integrated differential-mode and common-mode filter to mitigate the effects of long motor leads on AC drives. IEEE Trans. Ind. Appl. 2011, 47, 2075–2083. [Google Scholar] [CrossRef]
- Ran, L.; Gokani, S.; Clare, J.; Bradley, K.J.; Christopoulos, C. Conducted electromagnetic emissions in induction motor drive systems. I. Time domain analysis and identification of dominant modes. IEEE Trans. Power Electron. 1998, 13, 757–767. [Google Scholar] [CrossRef]
- Ran, L.; Gokani, S.; Clare, J.; Bradley, K.J.; Christopoulos, C. Conducted electromagnetic emissions in induction motor drive systems. II. Frequency domain models. IEEE Trans. Power Electron. 1998, 13, 768–776. [Google Scholar] [CrossRef]
- Ogasawara, S.; Akagi, H. Analysis and reduction of EMI conducted by a PWM inverter-fed AC motor drive system having long power cables. In Proceedings of the 2000 IEEE 31st Annual Power Electronics Specialists Conference. Conference Proceedings (Cat. No.00CH37018), Galway, Ireland, 18–23 June 2000; Volume 2, pp. 928–933. [Google Scholar]
- Costa, F.; Vollaire, C.; Meuret, R. Modeling of conducted common mode perturbations in variable-speed drive systems. IEEE Trans. Electromagn. Compat. 2005, 47, 1012–1021. [Google Scholar] [CrossRef]
- Gubia, E.; Sanchis, P.; Ursúa, A.; López, J.; Marroyo, L. Frequency domain model of conducted EMI in electrical drives. IEEE Power Electron. Lett. 2005, 3, 45–49. [Google Scholar] [CrossRef]
- Moreau, M.; Idir, N.; Le Moigne, P. Modeling of conducted EMI in adjustable speed drives. IEEE Trans. Electromagn. Compat. 2009, 51, 665–672. [Google Scholar] [CrossRef]
- Revol, B.; Roudet, J.; Schanen, J.L.; Loizelet, P. EMI study of three-phase inverter-fed motor drives. IEEE Trans. Ind. Appl. 2011, 47, 223–231. [Google Scholar] [CrossRef]
- Bishnoi, H.; Mattavelli, P.; Boroyevich, D. Un-terminated common-mode EMI model of DC-fed motor drives. In Proceedings of the 2012 15th International Power Electronics and Motion Control Conference (EPE/PEMC), Novi Sad, Serbia, 4–6 September 2012; pp. DS2a.15-1–DS2a.15-8. [Google Scholar] [CrossRef]
- Tan, W.; Cuellar, C.; Margueron, X.; Idir, N. A High Frequency Equivalent Circuit and Parameter Extraction Procedure for Common Mode Choke in the EMI Filter. IEEE Trans. Power Electron. 2013, 28, 1157–1166. [Google Scholar] [CrossRef]
- Hague, B. The Principles of Electromagnetism Applied to Electrical Machines; Dover: New York, NY, USA, 1962. [Google Scholar]
- Grover, F.W. Inductance Calculations: Working Formulas and Tables; Dover: New York, NY, USA, 2004. [Google Scholar]
- Kazimierczuk, M.K. High-Frequency Magnetic Components; Wiley: Chichester, UK, 2009. [Google Scholar]
- Massarini, A.; Kazimierczuk, M.K.; Grandi, G. Lumped parameter models for single- and multiple-layer inductors. In Proceedings of the 27th Annual IEEE Power Electronics Specialists Conference, Baveno, Italy, 23–27 June 1996; Volume 1, pp. 295–301. [Google Scholar]
- Wilcox, D.J.; Hurley, W.G.; Conlon, M. Calculation of self and mutual impedances between sections of transformer windings. IEE Proc. C Gener. Transm. Distrib. UK 1989, 136, 308. [Google Scholar] [CrossRef]
- Wilcox, D.J.; Conlon, M.; Hurley, W.G. Calculation of self and mutual impedances for coils on ferromagnetic cores. IEE Proc. A Phys. Sci. Meas. Instrum. Manag. Educ. Rev. UK 1988, 135, 470. [Google Scholar] [CrossRef]
- Hurley, W.G.; Wilcox, D.J. Calculation of leakage inductance in transformer windings. IEEE Trans. Power Electron. 1994, 9, 121–126. [Google Scholar] [CrossRef]
- Ouyang, Z.; Zhang, J.; Hurley, W.G. Calculation of Leakage Inductance for High-Frequency Transformers. IEEE Trans. Power Electron. 2015, 30, 5769–5775. [Google Scholar] [CrossRef]
- Massarini, A.; Kazimierczuk, M.K. Self-capacitance of inductors. IEEE Trans. Power Electron. 1997, 12, 671–676. [Google Scholar] [CrossRef]
- Grandi, G.; Kazimierczuk, M.K.; Massarini, A.; Reggiani, U. Stray capacitances of single-layer solenoid air-core inductors. IEEE Trans. Ind. Applicat. 1999, 35, 1162–1168. [Google Scholar] [CrossRef]
- Pasko, S.W.; Kazimierczuk, M.K.; Grzesik, B. Self-Capacitance of Coupled Toroidal Inductors for EMI Filters. IEEE Trans. Electromagn. Compat. 2015, 57, 216–223. [Google Scholar] [CrossRef]
- Ayachit, A.; Kazimierczuk, M.K. Self-Capacitance of Single-Layer Inductors with Separation Between Conductor Turns. IEEE Trans. Electromagn. Compat. 2017, 59, 1642–1645. [Google Scholar] [CrossRef]
- Biela, J.; Kolar, J.W. Using Transformer Parasitics for Resonant Converters—A Review of the Calculation of the Stray Capacitance of Transformers. IEEE Trans. Ind. Applicat. 2008, 44, 223–233. [Google Scholar] [CrossRef]
- Wu, B.; Zhang, X.; Liu, X.; He, C. An Analytical Model for Predicting the Self-Capacitance of Multi-Layer Circular-Section Induction Coils. IEEE Trans. Magn. 2018, 54, 1–7. [Google Scholar] [CrossRef]
- de Freitas Gutierres, L.F.; Cardoso, G. Analytical Technique for Evaluating Stray Capacitances in Multiconductor Systems: Single-Layer Air-Core Inductors. IEEE Trans. Power Electron. 2018, 33, 6147–6158. [Google Scholar] [CrossRef]
- Heldwein, M.L.; Dalessandro, L.; Kolar, J.W. The Three-Phase Common-Mode Inductor: Modeling and Design Issues. IEEE Trans. Ind. Electron. 2011, 58, 3264–3274. [Google Scholar] [CrossRef]
- Kovacic, M.; Hanic, Z.; Stipetic, S.; Krishnamurthy, S.; Zarko, D. Analytical Wideband Model of a Common-Mode Choke. IEEE Trans. Power Electron. 2012, 27, 3173–3185. [Google Scholar] [CrossRef]
- Henglin, C.; Zhaoming, Q.; Shaodong, Y.; Wolf, C. Finite-Element Modeling of Saturation Effect Excited by Differential-Mode Current in a Common-Mode Choke. IEEE Trans. Power Electron. 2009, 24, 873–877. [Google Scholar] [CrossRef]
- Kovacic, M.; Stipetic, S.; Hanic, Z.; Zarko, D. Small-Signal Calculation of Common-Mode Choke Characteristics Using Finite-Element Method. IEEE Trans. Electromagn. Compat. 2015, 57, 93–101. [Google Scholar] [CrossRef]
- Traub, F.; Wunsch, B.; Skibin, S. A high frequency model of toroidal chokes for EMC filtering. In Proceedings of the 2015 IEEE International Symposium on Electromagnetic Compatibility (EMC), Dresden, Germany, 16–22 August 2015; pp. 902–907. [Google Scholar]
- Kovacevic, I.F.; Friedli, T.; Musing, A.M.; Kolar, J.W. Full PEEC Modeling of EMI Filter Inductors in the Frequency Domain. IEEE Trans. Magn. 2013, 49, 5248–5256. [Google Scholar] [CrossRef]
- Kovacevic, I.F.; Friedli, T.; Musing, A.M.; Kolar, J.W. 3-D Electromagnetic Modeling of Parasitics and Mutual Coupling in EMI Filters. IEEE Trans. Power Electron. 2014, 29, 135–149. [Google Scholar] [CrossRef]
- Liu, X.; Grassi, F.; Spadacini, G.; Pignari, S.A.; Trotti, F.; Mora, N.; Hirschi, W. Behavioral Modeling of Complex Magnetic Permeability With High-Order Debye Model and Equivalent Circuits. IEEE Trans. Electromagn. Compat. 2020, 1–9. [Google Scholar] [CrossRef]
- Dominguez-Palacios, C.; Bernal, J.; Prats, M.M. Characterization of Common Mode Chokes at High Frequencies with Simple Measurements. IEEE Trans. Power Electron. 2018, 33, 3975–3987. [Google Scholar] [CrossRef]
- Dominguez-Palacios, C.; Mendez, J.B.; Prats, M.A.M. Characterization of Three-Phase Common-Mode Chokes at High Frequencies. IEEE Trans. Power Electron. 2018, 33, 6471–6475. [Google Scholar] [CrossRef]
- Dominguez-Palacios, C.; Gonzalez-Vizuete, P.; Martin-Prats, M.A.; Mendez, J.B. Smart Shielding Techniques for Common Mode Chokes in EMI Filters. IEEE Trans. Electromagn. Compat. 2019, 61, 1329–1336. [Google Scholar] [CrossRef]
- González-Vizuete, P.; Domínguez-Palacios, C.; Bernal-Méndez, J.; Martín-Prats, M.A. Simple Setup for Measuring the Response to Differential Mode Noise of Common Mode Chokes. Electronics 2020, 9, 381. [Google Scholar] [CrossRef]
- Kotny, J.-L.; Margueron, X.; Idir, N. High-Frequency Model of the Coupled Inductors Used in EMI Filters. IEEE Trans. Power Electron. 2012, 27, 2805–2812. [Google Scholar] [CrossRef]
- Li, Z.; Pommerenke, D.; Shimoshio, Y. Common-mode and differential-mode analysis of common-mode chokes. In Proceedings of the 2003 IEEE Symposium on Electromagnetic Compatibility, Boston, MA, USA, 18–22 August 2003; Volume 1, pp. 384–387. [Google Scholar]
- Sánchez, A.M.; Pérez, A.; Regué, J.R.; Ribó, M.; Rodríguez-Cepeda, P.; Pajares, F.J. A Modal Model of Common-Mode Chokes for Conducted Interference Prediction. IEEE Trans. Electromagn. Compat. 2010, 52, 749–752. [Google Scholar] [CrossRef]
- Nguyen, T.N.; Blanchette, H.F.; Wang, R. General Impedance Representation of Passive Devices Based on Measurement. IEEE Trans. Power Electron. 2018, 33, 6699–6709. [Google Scholar] [CrossRef]
- Antonini, G. Spice equivalent circuits of frequency domain responses. IEEE Trans. Electromagn. Compat. 2003, 45, 502–512. [Google Scholar] [CrossRef]
- Gustavsen, B.; Semlyen, A. Enforcing passivity for admittance matrices approximated by rational functions. IEEE Trans. Power Syst. 2001, 16, 97–104. [Google Scholar] [CrossRef]
- Gustavsen, B. Wide band modeling of power transformers. IEEE Trans. Power Del. 2004, 9, 414–422. [Google Scholar] [CrossRef]
- Sullivan, C.R.; Muetze, A. Simulation Model of Common-Mode Chokes for High-Power Applications. IEEE Trans. Ind. Appl. 2010, 46, 884–891. [Google Scholar] [CrossRef]
- Nomura, K.; Kojima, T.; Hattori, Y. Straightforward Modeling of Complex Permeability for Common Mode Chokes. IEEJ J. IA 2018, 7, 462–472. [Google Scholar] [CrossRef]
- Cuellar, C.; Idir, N.; Benabou, A. High-Frequency Behavioral Ring Core Inductor Model. IEEE Trans. Power Electron. 2016, 31, 3763–3772. [Google Scholar] [CrossRef]
- Illia, M.; Koleff, L.; Griepentrog, G. Non-ideal model of the common mode choke for EMI filters. In Proceedings of the 2017 IEEE Applied Power Electronics Conference and Exposition (APEC), Tampa, FL, USA, 26–30 March 2017; pp. 938–944. [Google Scholar]
- Blanken, P.G.; Van Vlerken, J.J.L.M. Modeling of electromagnetic systems. IEEE Trans. Magn. 1991, 27, 4509–4515. [Google Scholar] [CrossRef]
- Takahashi, S.; Ogasawara, S. A Novel Simulation Model for Common-Mode Inductors Based on Permeance-Capacitance Analogy. In Proceedings of the 2020 IEEE Energy Conversion Congress and Exposition (ECCE), Detroit, MI, USA, 11–15 October 2020; pp. 5862–5869. [Google Scholar]
- Nomura, K.; Kikuchi, N.; Watanabe, Y.; Inoue, S.; Hattori, Y. Novel SPICE model for common mode choke including complex permeability. In Proceedings of the 2016 IEEE Applied Power Electronics Conference and Exposition (APEC), Long Beach, CA, USA, 20–24 March 2016; pp. 3146–3152. [Google Scholar]
- Sixdenier, F.; Yade, O.; Martin, C.; Bréard, A.; Vollaire, C. How to include frequency dependent complex permeability into SPICE models to improve EMI filters design? AIP Adv. 2018, 8, 056604. [Google Scholar] [CrossRef]
- Szabo, Z. Preisach functions leading to closed form permeability. Physica B 2006, 372, 61–67. [Google Scholar] [CrossRef]
- Paul, C.R. Analysis of Multiconductor Transmission Lines; Wiley-IEEE Press: Hoboken, NJ, USA, 2007. [Google Scholar]
- Achar, R.; Nakhla, M.S. Simulation of High-Speed Interconnects. Proc. IEEE. 2001, 89, 693–728. [Google Scholar] [CrossRef]
- Ametani, A. A General Formulation of Impedance and Admittance of Cables. IEEE Trans. Power Apparatus Syst. 1980, PAS-99, 902–910. [Google Scholar] [CrossRef]
- Ametani, A.; Fuse, K. Approximate method for calculating the impedances of multiconductors with cross section of arbitrary shapes. Elect. Eng. Jpn. 1992, 112, 117–123. [Google Scholar] [CrossRef]
- Dickinson, J.; Nicholson, P.J. Calculating the High Frequency Transmission Line Parameters of Power Cables. In Proceedings of the ISPLC, Minneapolis, MN, USA, 2–4 April 1997; pp. 127–133. [Google Scholar]
- Idir, N.; Weens, Y.; Franchaud, J.-J. Skin Effect and Dielectric Loss Models of Power Cables. IEEE Trans. Dielect. Electr. Insul. 2009, 16, 147–154. [Google Scholar] [CrossRef]
- Rivas, R.A.; Marti, J.R. Calculation of Frequency-Dependent Parameters of Power Cables: Matrix Partitioning Techniques. IEEE Trans. Power Deliv. 2002, 17, 1085–1092. [Google Scholar] [CrossRef]
- Hoshmeh, A.; Schmidt, U. A Full Frequency-Dependent Cable Model for the Calculation of Fast Transients. Energies 2017, 10, 1158. [Google Scholar] [CrossRef]
- Weens, Y.; Idir, N.; Bausiere, R.; Franchaud, J.J. Modeling and Simulation of Unshielded and Shielded Energy Cables in Frequency and Time Domains. IEEE Trans. Magn. 2006, 42, 1876–1882. [Google Scholar] [CrossRef]
- Weens, Y.; Idir, N.; Franchaud, J.J.; Bausiére, R. HF Model of an Unshielded 2-Wire Energy Cable Submitted to Power Electronic Converter Constraints. Int. J. Model. Simul. 2008, 28, 292–298. [Google Scholar] [CrossRef]
- Gustavsen, B.; Bruaset, A.; Bremnes, J.J.; Hassel, A. A Finite-Element Approach for Calculating Electrical Parameters of Umbilical Cables. IEEE Trans. Power Delivery 2009, 24, 2375–2384. [Google Scholar] [CrossRef]
- Habib, S.; Kordi, B. Calculation of Multiconductor Underground Cables High-Frequency Per-Unit-Length Parameters Using Electromagnetic Modal Analysis. IEEE Trans. Power Deliv. 2013, 28, 276–284. [Google Scholar] [CrossRef]
- Hafner, A.A.; Caballero, P.T.; Monteiro, J.H.A.; Costa, E.C.M.; Kurokawa, S.; Luz, M.V.F.; Carpes, W.P. Modeling of Power Cables with Arbitrary Cross Section: From Parameter Calculation to Electromagnetic Transients Simulation. J. Control Autom. Electr. Syst. 2017, 28, 405–417. [Google Scholar] [CrossRef]
- Huangfu, Y.; Di Rienzo, L.; Wang, S. Frequency-Dependent Multi-Conductor Transmission Line Model for Shielded Power Cables Considering Geometrical Dissymmetry. IEEE Trans. Magn. 2018, 54, 1–4. [Google Scholar] [CrossRef]
- Greedy, S.; Smartt, C.; Basford, M.J.; Thomas, D.W.P. Open Source Cable Models for EMI Simulations. IEEE Electromagn. Compat. Mag. 2018, 7, 69–81. [Google Scholar] [CrossRef][Green Version]
- Kruizinga, B.; Wouters, P.A.A.F.; Steennis, E.F. High Frequency Modeling of a Shielded Four-Core Low Voltage Underground Power Cable. IEEE Trans. Dielect. Electr. Insul. 2015, 22, 649–656. [Google Scholar] [CrossRef]
- Patel, U.R.; Triverio, P. MoM-SO: A Complete Method for Computing the Impedance of Cable Systems Including Skin, Proximity, and Ground Return Effects. IEEE Trans. Power Deliv. 2015, 30, 2110–2118. [Google Scholar] [CrossRef]
- Shafieipour, M.; Chen, Z.; Menshov, A.; De Silva, J.; Okhmatovski, V. Efficiently Computing the Electrical Parameters of Cables with Arbitrary Cross-Sections Using the Method-of-Moments. Electr. Power Syst. Res. 2018, 162, 37–49. [Google Scholar] [CrossRef]
- Moreira, A.F.; Lipo, T.A.; Venkataramanan, G.; Bernet, S. High-Frequency Modeling for Cable and Induction Motor Overvoltage Studies in Long Cable Drives. IEEE Trans. Ind. Appl. 2002, 38, 1297–1306. [Google Scholar] [CrossRef]
- Knockaert, J.; Peuteman, J.; Catrysse, J.; Belmans, R. A Vector Impedance Meter Method to Characterize Multiconductor Transmission-Line Parameters. IEEE Trans. Electromagn. Compat. 2010, 52, 1019–1025. [Google Scholar] [CrossRef]
- Wang, L.; Ngai-Man Ho, C.; Canales, F.; Jatskevich, J. High-Frequency Modeling of the Long-Cable-Fed Induction Motor Drive System Using TLM Approach for Predicting Overvoltage Transients. IEEE Trans. Power Electron. 2010, 25, 2653–2664. [Google Scholar] [CrossRef]
- Bade, T.G.; Roudet, J.; Guichon, J.-M.; Sartori, C.A.F.; Kuo-Peng, P.; Schanen, J.-L.; Derbey, A. Frequency-Domain Modeling of Unshielded Multiconductor Power Cables for Periodic Excitation with New Experimental Protocol for Wide Band Parameter Identification. Electr. Eng. 2019, 101, 333–343. [Google Scholar] [CrossRef]
- Williams, D.F. Multiconductor Transmission Line Characterization. IEEE Trans. Comp. Packag. Manuf. Technol. B 1997, 20, 129–132. [Google Scholar] [CrossRef]
- Williams, D.F.; Rogers, J.E.; Holloway, C.L. Multiconductor Transmission-Line Characterization: Representations, Approximations, and Accuracy. IEEE Trans. Microw. Theory Tech. 1999, 47, 403–409. [Google Scholar] [CrossRef]
- Wang, L.; Avolio, G.; Deconinck, G.; Lil, E.V.; Lai, L.L. Estimation of Multi-Conductor Powerline Cable Parameters for the Modelling of Transfer Characteristics. IET Sci. Meas. Technol. 2014, 8, 39–45. [Google Scholar] [CrossRef]
- Gustavsen, B. Eliminating Measurement Cable Effects From Transformer Admittance Measurements. IEEE Trans. Power Deliv. 2016, 31, 1609–1617. [Google Scholar] [CrossRef]
- Kim, J.-H.; Oh, D.; Kim, W. Accurate Characterization of Broadband Multiconductor Transmission Lines for High-Speed Digital Systems. IEEE Trans. Adv. Packag. 2010, 33, 857–867. [Google Scholar] [CrossRef]
- De Paula, H.; de Andrade, D.A.; Chaves, M.L.R.; Domingos, J.L.; de Freitas, M.A.A. Methodology for Cable Modeling and Simulation for High-Frequency Phenomena Studies in PWM Motor Drives. IEEE Trans. Power Electron. 2008, 23, 744–752. [Google Scholar] [CrossRef]
- Marlier, C.; Videt, A.; Idir, N. NIF-Based Frequency-Domain Modeling Method of Three-Wire Shielded Energy Cables for EMC Simulation. IEEE Trans. Electromagn. Compat. 2015, 57, 145–155. [Google Scholar] [CrossRef]
- Bogarra, S.; Riba, J.-R.; Sala-Caselles, V.; Garcia, A. Optimal Fitting of High-Frequency Cable Model Parameters by Applying Evolutionary Algorithms. Int. J. Electr. Power Energy Syst. 2017, 87, 16–26. [Google Scholar] [CrossRef]
- Djordjevic, A.R. SPICE-Compatible Models for Multiconductor Transmission Lines in Laplace-Transform Domain. IEEE Trans. Microw. Theory Tech. 1997, 45, 569–579. [Google Scholar] [CrossRef]
- Dounavis, A.; Achar, R.; Nakhla, M. A General Class of Passive Macromodels for Lossy Multiconductor Transmission Lines. IEEE Trans. Microw. Theory Tech. 2001, 49, 1686–1696. [Google Scholar] [CrossRef]
- Tanji, Y.; Ushida, A. Closed-Form Expression of RLCG Transmission Line and Its Application. Electron. Comm. Jpn. Pt. III 2004, 87, 1–11. [Google Scholar] [CrossRef]
- Gustavsen, B. Computer Code for Rational Approximation of Frequency Dependent Admittance Matrices. IEEE Trans. Power Deliv. 2002, 17, 1093–1098. [Google Scholar] [CrossRef]
- Gustavsen, B. Computer Code for Passivity Enforcement of Rational Macromodels by Residue Perturbation. IEEE Trans. Adv. Packag. 2007, 30, 209–215. [Google Scholar] [CrossRef]
- Gustavsen, B. Fast Passivity Enforcement for Pole-Residue Models by Perturbation of Residue Matrix Eigenvalues. IEEE Trans. Power Deliv. 2008, 23, 2278–2285. [Google Scholar] [CrossRef]
- Krim, A.; Lakrim, A.; Tahri, D. Two VHDL-AMS-Based Models of Multi-Conductor Power Cables for EMI Simulations. Electr. Eng. 2020. [Google Scholar] [CrossRef]
- Grivet-Talocia, S.; Huang, H.-M.; Ruehli, A.E.; Canavero, F.; Elfadel, I.M.A. Transient Analysis of Lossy Transmission Lines: An Efficient Approach Based on the Method of Characteristics. IEEE Trans. Adv. Packag. 2004, 27, 45–56. [Google Scholar] [CrossRef]
- Dounavis, A.; Pothiwala, V.A. Passive Closed-Form Transmission Line Macromodel Using Method of Characteristics. IEEE Trans. Adv. Packag. 2008, 31, 190–202. [Google Scholar] [CrossRef]
- Chinea, A.; Triverio, P.; Grivet-Talocia, S. Delay-Based Macromodeling of Long Interconnects from Frequency-Domain Terminal Responses. IEEE Trans. Adv. Packag. 2010, 33, 246–256. [Google Scholar] [CrossRef]
- Grivet-Talocia, S.; Acquadro, S.; Bandinu, M.; Canavero, F.G.; Kelander, I.; Rouvala, M. A Parameterization Scheme for Lossy Transmission Line Macromodels With Application to High Speed Interconnects in Mobile Devices. IEEE Trans. Electromagn. Compat. 2007, 49, 18–24. [Google Scholar] [CrossRef]
- Ferranti, F.; Antonini, G.; Dhaene, T.; Knockaert, L. Parametric Macromodeling of Lossy and Dispersive Multiconductor Transmission Lines. IEEE Trans. Adv. Packag. 2010, 33, 481–491. [Google Scholar] [CrossRef]
- Morched, A.S.; Ottevangers, J.H.; Marti, L. Multi-Port Frequency Dependent Network Equivalents for the EMTP. IEEE Trans. Power Delivery 1993, 8, 1402–1412. [Google Scholar] [CrossRef]
- Neumayer, R.; Haslinger, F.; Stelzer, A.; Weigel, R. Synthesis of SPICE-Compatible Broadband Electrical Models from n-Port Scattering Parameter Data. In Proceedings of the IEEE International Symposium on Electromagnetic Compatibility, Minneapolis, MN, USA, 19–23 August 2002; Volume 1, pp. 469–474. [Google Scholar]
- Paul, C.R. Decoupling the Multiconductor Transmission Line Equations. IEEE Trans. Microwave Theory Tech. 1996, 44, 1429–1440. [Google Scholar] [CrossRef]
- AbuShaaban, M.; Scanlan, S.O. Modal Circuit Decomposition of Lossy Multiconductor Transmission Lines. IEEE Trans. Microwave Theory Tech. 1996, 44, 1046–1056. [Google Scholar] [CrossRef]
- Toulabi, M.S.; Wang, L.; Bieber, L.; Filizadeh, S.; Jatskevich, J. A Universal High-Frequency Induction Machine Model and Characterization Method for Arbitrary Stator Winding Connections. IEEE Trans. Energy Convers. 2019, 34, 1164–1177. [Google Scholar] [CrossRef]
- Suresh, G.; Toliyat, H.A.; Rendusara, D.A.; Enjeti, P.N. Predicting the Transient Effects of PWM Voltage Waveform on the Stator Windings of Random Wound Induction Motors. IEEE Trans. Power Electron. 1999, 14, 23–30. [Google Scholar] [CrossRef]
- Mohammed, O.A.; Ganu, S.; Abed, N.; Liu, S.; Liu, Z. High Frequency PM Synchronous Motor Model Determined by FE Analysis. IEEE Trans. Magn. 2006, 42, 1291–1294. [Google Scholar] [CrossRef]
- Maki, K.; Funato, H.; Shao, L. Motor Modeling for EMC Simulation by 3-D Electromagnetic Field Analysis. In Proceedings of the 2009 IEEE International Electric Machines and Drives Conference, Miami, FL, USA, 3–6 May 2009; pp. 103–108. [Google Scholar]
- De Gersem, H.; Muetze, A. Finite-Element Supported Transmission-Line Models for Calculating High-Frequency Effects in Machine Windings. IEEE Trans. Magn. 2012, 48, 787–790. [Google Scholar] [CrossRef]
- Rahimi, A.; Kanzi, K. Improved High-Frequency Modeling of PMSM Using 3-D Finite Element Analysis. In Proceedings of the 2019 International Power System Conference (PSC), Tehran, Iran, 9–11 December 2019; pp. 71–78. [Google Scholar]
- Zhong, E.; Lipo, T.A. Improvements in EMC Performance of Inverter-Fed Motor Drives. IEEE Trans. Ind. Appl. 1995, 31, 1247–1256. [Google Scholar] [CrossRef]
- Weber, S.-P.; Hoene, E.; Guttowski, S.; John, W.; Reichl, H. Modeling Induction Machines for EMC-Analysis. In Proceedings of the 2004 IEEE 35th Annual Power Electronics Specialists Conference, Aachen, Germany, 20–25 June 2004; pp. 94–98. [Google Scholar]
- Schinkel, M.; Weber, S.; Guttowski, S.; John, W.; Reichl, H. Efficient HF Modeling and Model Parameterization of Induction Machines for Time and Frequency Domain Simulations. In Proceedings of the Twenty-First Annual IEEE Applied Power Electronics Conference and Exposition, Dallas, TX, USA, 19–23 March 2006; pp. 1181–1186. [Google Scholar]
- Mirafzal, B.; Skibinski, G.L.; Tallam, R.M.; Schlegel, D.W.; Lukaszewski, R.A. Universal Induction Motor Model with Low-to-High Frequency-Response Characteristics. IEEE Trans. Ind. Appl. 2007, 43, 1233–1246. [Google Scholar] [CrossRef]
- Mirafzal, B.; Skibinski, G.L.; Tallam, R.M. Determination of Parameters in the Universal Induction Motor Model. IEEE Trans. Ind. Appl. 2009, 45, 142–151. [Google Scholar] [CrossRef]
- Sun, J.; Xing, L. Parameterization of Three-Phase Electric Machine Models for EMI Simulation. IEEE Trans. Power Electron. 2014, 29, 36–41. [Google Scholar] [CrossRef]
- Ryu, Y.; Park, B.-R.; Han, K.J. Estimation of High-Frequency Parameters of AC Machine from Transmission Line Model. IEEE Trans. Magn. 2015, 51, 1–4. [Google Scholar] [CrossRef]
- Vidmar, G.; Miljavec, D. A Universal High-Frequency Three-Phase Electric-Motor Model Suitable for the Delta- and Star-Winding Connections. IEEE Trans. Power Electron. 2015, 30, 4365–4376. [Google Scholar] [CrossRef]
- Sudhoff, S.D.; Tichenor, J.L.; Drewniak, J.L. Wide-Bandwidth Multi-Resolutional Analysis of a Surface-Mounted PM Synchronous Machine. IEEE Trans. Energy Convers. 1999, 14, 1011–1018. [Google Scholar] [CrossRef]
- Idir, N.; Weens, Y.; Moreau, M.; Franchaud, J.J. High-Frequency Behavior Models of AC Motors. IEEE Trans. Magn. 2009, 45, 133–138. [Google Scholar] [CrossRef]
- Jia, K.; Bohlin, G.; Enohnyaket, M.; Thottappillil, R. Modeling an AC Motor with High Accuracy in a Wide Frequency Range. IET Electr. Power Appl. 2013, 7, 116–122. [Google Scholar] [CrossRef]
- Zhao, D.; Shen, K.; Liu, W.; Lang, L.; Liang, P. A Measurement-Based Wide-Frequency Model for Aircraft Wound-Rotor Synchronous Machine. IEEE Trans. Magn. 2019, 55, 1–8. [Google Scholar] [CrossRef]
- Rahimi, A.; Kanzi, K. High-frequency modelling of permanent magnet synchronous motor for conducted EMI studies. IET Electr. Power Appl. 2020, 14, 2027–2036. [Google Scholar] [CrossRef]
- Wang, S.; Lee, F.C.; Odendaal, W.G. Characterization and Parasitic Extraction of EMI Filters Using Scattering Parameters. IEEE Trans. Power Electron. 2005, 20, 502–510. [Google Scholar] [CrossRef]
- Ansys Q3D Extractor, Version 2020 R2. Available online: https://www.ansys.com/products/electronics/ansys-q3d-extractor (accessed on 21 January 2021).
- CST Studio Suite. Available online: https://www.3ds.com/products-services/simulia/products/cst-studio-suite/ (accessed on 21 January 2021).
- Dellis, J.-L. Zfit. Available online: https://www.mathworks.com/matlabcentral/fileexchange/19460-zfit (accessed on 21 January 2021).
- Ma, C.L.; Lauritzen, P.O.; Sigg, J. Modeling of Power Diodes with the Lumped-Charge Modeling Technique. IEEE Trans. Power Electron. 1997, 12, 398–405. [Google Scholar] [CrossRef]
- Palmer, P.R.; Santi, E.; Hudgins, J.L.; Kang, X.; Joyce, J.C.; Eng, P.Y. Circuit Simulator Models for the Diode and IGBT with Full Temperature Dependent Features. IEEE Trans. Power Electron. 2003, 18, 1220–1229. [Google Scholar] [CrossRef]
- Bryant, A.T.; Kang, X.; Santi, E.; Palmer, P.R.; Hudgins, J.L. Two-Step Parameter Extraction Procedure with Formal Optimization for Physics-Based Circuit Simulator IGBT and p-i-n Diode Models. IEEE Trans. Power Electron. 2006, 21, 295–309. [Google Scholar] [CrossRef]
- Prada, D.; Bellini, M.; Stevanovic, I.; Lemaitre, L.; Victory, J.; Vobecky, J.; Sacco, R.; Lauritzen, P.O. On the Performance of Multiobjective Evolutionary Algorithms in Automatic Parameter Extraction of Power Diodes. IEEE Trans. Power Electron. 2015, 30, 4986–4997. [Google Scholar] [CrossRef]
- Budihardjo, I.; Lauritzen, P.G. The Lumped-Charge Power MOSFET Model, Including Parameter Extraction. IEEE Trans. Power Electron. 1995, 10, 379–387. [Google Scholar] [CrossRef]
- McNutt, T.R.; Hefner, A.R.; Mantooth, H.A.; Berning, D.; Ryu, S.-H. Silicon Carbide Power MOSFET Model and Parameter Extraction Sequence. IEEE Trans. Power Electron. 2007, 22, 353–363. [Google Scholar] [CrossRef]
- Gachovska, T.; Hudgings, J.L.; Bryant, A.; Santi, E.; Mantooth, H.A.; Agarwal, A.K. Modeling, Simulation, and Validation of a Power SiC BJT. IEEE Trans. Power Electron. 2012, 27, 4338–4346. [Google Scholar] [CrossRef]
- SIMetrix/SIMPLIS SPICE Simulator Version 8.3. Available online: https://www.simetrix.co.uk/ (accessed on 21 January 2021).
- LTSpice SPICE Simulator. Available online: https://www.analog.com/en/design-center/design-tools-and-calculators/ltspice-simulator.html# (accessed on 21 January 2021).
- Sheng, K.; Williams, B.W.; Finney, S.J. A Review of IGBT Models. IEEE Trans. Power Electron. 2000, 15, 1250–1266. [Google Scholar] [CrossRef]
- Cavaiuolo, D. Compact Electro-Thermal Modeling of IGBT for Application Circuit Effective Design. Ph.D. Thesis, University of Naples Federico II, Naples, Italy, 2014. [Google Scholar]
- Lauritzen, P.O.; Andersen, G.K.; Helsper, M. A Basic IGBT Model with Easy Parameter Extraction. In Proceedings of the IEEE Annual Power Electronics Specialists Conference, Vancouver, BC, Canada, 17 June 2001; pp. 2160–2165. [Google Scholar]
- Chibante, R.; Araujo, A.; Carvalho, A. Finite-Element Modeling and Optimization-Based Parameter Extraction Algorithm for NPT-IGBTS. IEEE Trans. Power Electron. 2009, 24, 1147–1427. [Google Scholar] [CrossRef]
- Chimento, F.; Mora, N.; Bellini, M.; Stevanovic, I.; Tomarchio, S. A Simplified Spice Based IGBT Model for Power Electronics Modules Evaluation. In Proceedings of the IECON 2011—37th Annual Conference of the IEEE Industrial Electronics Society, Melbourne, VIC, Australia, 7–10 November 2011; pp. 1155–1160. [Google Scholar]
- Duan, Y.; Xiao, F.; Luo, Y.; Iannuzzo, F. A Lumped-Charge Approach Based Physical SPICE-Model for High Power Soft-Punch Through IGBT. IEEE J. Emerg. Sel. Top. Power Electron. 2019, 7, 62–70. [Google Scholar] [CrossRef]
- Duan, Y.; Iannuzzo, F.; Blaabjerg, F. A New Lumped-Charge Modeling Method for Power Semiconductor Devices. IEEE Trans. Power Electron. 2020, 35, 3989–3996. [Google Scholar] [CrossRef]
- Han, L.; Liang, L.; Kang, Y.; Qui, Y. A Review of SiC IGBT: Models, Fabrications, Characteristics, and Applications. IEEE Trans. Power Electron. 2021, 36, 2080–2093. [Google Scholar] [CrossRef]
- Xu, Y.; Ngai-Man Ho, C.; Ghosh, A.; Muthumuni, D. An Electrical Transient Model of IGBT-Diode Switching Cell for Power Semiconductor Loss Estimation in Electromagnetic Transient Simulation. IEEE Trans. Power Electron. 2020, 35, 2979–2989. [Google Scholar] [CrossRef]
- Cao, H.; Ning, P.; Wen, X.; Yuan, T.; Li, H. An Electrothermal Model for IGBT Based on Finite Differential Method. IEEE J. Emerg. Sel. Topics Power Electron. 2020, 8, 673–684. [Google Scholar] [CrossRef]
- Jing, L.; Du, M.; Wei, K.; Hurley, W.G. An Improved Behavior Model for IGBT Modules Driven by Datasheet and Measurement. IEEE Trans. Electron Devices 2020, 67, 230–236. [Google Scholar] [CrossRef]
- Miyaoku, Y.; Tone, A.; Matsuura, K.; Miura-Mattausch, M.; Mattausch, H.J.; Ikoma, D. Compact Modeling of IGBT Charging/Discharging for Accurate Switching Prediction. IEEE J. Electron Devices Soc. 2020, 8, 1373–1380. [Google Scholar] [CrossRef]
- Infineon IGBT Devices and Models. Available online: https://www.infineon.com/cms/en/product/power/igbt/igbt-discretes/#!simulation (accessed on 11 March 2021).
- Kraus, R.; Turkes, P.; Sigg, J. Physics-based models of power semiconductor devices for the circuit simulator SPICE. In Proceedings of the 29th Annual IEEE Power Electronics Specialists Conference, Fukuoka, Japan, 22 May 1998; Volume 2, pp. 1726–1731. [Google Scholar] [CrossRef]
- Shi, B.; Zhao, Z.; Zhu, Y. Piecewise Analytical Transient Model for Power Switching Device Commutation Unit. IEEE Trans. Power Electron. 2019, 34, 5720–5736. [Google Scholar] [CrossRef]
- Krug, F.; Russer, P. The Time-Domain Electromagnetic Interference Measurement System. IEEE Trans. Electromagn. Compat. 2003, 45, 330–338. [Google Scholar] [CrossRef]
- Heldwein, M.L.; Biela, J.; Ertl, H.; Nussbaumer, T.; Kolar, J.W. Novel Three-Phase CM/DM Conducted Emission Separator. IEEE Trans. Ind. Electron. 2009, 56, 3693–3703. [Google Scholar] [CrossRef]
- Wang, S.; Lee, F.C.; Odendaal, W.G. Characterization, evaluation, and design of noise separator for conducted EMI noise diagnosis. IEEE Trans. Power Electron. 2005, 20, 974–982. [Google Scholar] [CrossRef]
- Forsstrom, V.; Skibin, S.; Wunsch, B. Influence of Parasitic Coupling to Ground Plane on EMC Noise of Power Converters. In Proceedings of the International Symposium on Electromagnetic Compatibility-EMC EUROPE, Rome, Italy, 23–25 September 2020; pp. 1–5. [Google Scholar]
- The Power Cables are the MCCMK 3x16/16 RM 1 kV and the MCMK 3x70/35 AN 1 kV Listed on Page 28 and 31 of the Catalogue. Available online: http://media.drakakeila.ee/2016/01/Draka_Cataloque_EN.pdf (accessed on 11 March 2021).









Publisher’s Note: MDPI stays neutral with regard to jurisdictional claims in published maps and institutional affiliations. |
© 2021 by the authors. Licensee MDPI, Basel, Switzerland. This article is an open access article distributed under the terms and conditions of the Creative Commons Attribution (CC BY) license (http://creativecommons.org/licenses/by/4.0/).
Share and Cite
Wunsch, B.; Skibin, S.; Forsström, V.; Stevanovic, I. EMC Component Modeling and System-Level Simulations of Power Converters: AC Motor Drives. Energies 2021, 14, 1568. https://doi.org/10.3390/en14061568
Wunsch B, Skibin S, Forsström V, Stevanovic I. EMC Component Modeling and System-Level Simulations of Power Converters: AC Motor Drives. Energies. 2021; 14(6):1568. https://doi.org/10.3390/en14061568
Chicago/Turabian StyleWunsch, Bernhard, Stanislav Skibin, Ville Forsström, and Ivica Stevanovic. 2021. "EMC Component Modeling and System-Level Simulations of Power Converters: AC Motor Drives" Energies 14, no. 6: 1568. https://doi.org/10.3390/en14061568
APA StyleWunsch, B., Skibin, S., Forsström, V., & Stevanovic, I. (2021). EMC Component Modeling and System-Level Simulations of Power Converters: AC Motor Drives. Energies, 14(6), 1568. https://doi.org/10.3390/en14061568

