Annual Energy Performance of an Air Handling Unit with a Cross-Flow Heat Exchanger
Abstract
1. Introduction
2. Materials and Methods
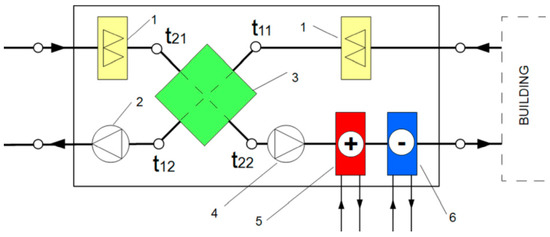
2.1. Air Handling Unit
2.2. On-Site Measurements
3. Results and Discussion
3.1. Ventilation Airflow
3.2. Heat Recovery
3.3. Cold Recovery
3.4. Energy Savings
4. Conclusions
Funding
Institutional Review Board Statement
Informed Consent Statement
Data Availability Statement
Acknowledgments
Conflicts of Interest
References
- Lis, P. Energy saving and reduction of emissions in heating residential buildings in Poland—Potential and selected activities. E3S Web Conf. 2019, 116, 00044. Available online: https://www.e3s-conferences.org/component/makeref/?task=show&type=html&doi=10.1051/e3sconf/201911600044 (accessed on 8 March 2021). [CrossRef]
- Dołęga, W. Selected aspects of national economy energy efficiency. Polityka Energetyczna Energy Policy J. 2019, 22, 19–32. [Google Scholar] [CrossRef]
- Kozik, R.; Jaśkowiec, I.K.; Filipowicz, M.; Dudek, M.; Olkuski, T.; Styszko, K. Green public procurement—Legal base and instruments supporting sustainable development in the construction industry in Poland. E3S Web Conf. 2016, 10, 44. Available online: https://www.e3s-conferences.org/component/makeref/?task=show&type=html&doi=10.1051/e3sconf/20161000044 (accessed on 8 March 2021). [CrossRef]
- Ramczyk, M. Legal bases and economic conditions of applying renewable energy resources in construction industry. MATEC Web Conf. 2018, 174, 04004. Available online: https://www.matec-conferences.org/component/makeref/?task=show&type=html&doi=10.1051/matecconf/201817404004 (accessed on 9 March 2021). [CrossRef][Green Version]
- Firląg, S. Cost-Optimal Plus Energy Building in a Cold Climate. Energies 2019, 12, 3841. [Google Scholar] [CrossRef]
- Regulation of the Minister of Infrastructure and Development of 27 February 2015 on the Methodology to Determine the Energy Performance of a Building or Part of a Building, and Energy Performance Certificates, Dz.U. 2015, Item 376, as Amended. Available online: http://isap.sejm.gov.pl/isap.nsf/DocDetails.xsp?id=WDU20150000376 (accessed on 5 February 2021).
- Redlarski, G.; Wojdalski, J.; Kupczyk, A.; Piechocki, J. Efficiency of biomass energy used for heating purposes in a residential building in comparison with other energy sources. Teka—Comm. Mot. Energetics Agric. 2012, 12, 211–218. [Google Scholar]
- Basińska, M.; Koczyk, H. Analysis of the possibilities to achieve the low energy residential buildings standards. Technol. Econ. Dev. Econ. 2016, 22, 830–849. [Google Scholar] [CrossRef]
- Krawczyk, D.A. Analysis of Energy Consumption for Heating in a Residential House in Poland. Energy Procedia 2016, 95, 216–222. [Google Scholar] [CrossRef]
- Piotrowska, E.; Borchert, A. Energy consumption of buildings depends on the daylight. E3S Web Conf. 2017, 14, 1029. Available online: https://www.e3s-conferences.org/component/makeref/?task=show&type=html&doi=10.1051/e3sconf/20171401029 (accessed on 8 March 2021). [CrossRef]
- Bekierski, D.; Geryło, R.; Kaczorek, D.; Perczyński, P. EPBD Implementation in Poland, Status in December 2016, Concerted Action EPBD, 2018. Available online: https://www.buildup.eu/sites/default/files/content/ca-epbd-iv-poland-2018.pdf (accessed on 5 February 2021).
- Sobczyk, W.; Sapa, K. Energy balance in a passive solar building. An attempt at economic assessment. E3S Web Conf. 2016, 10, 86. Available online: https://www.e3s-conferences.org/component/makeref/?task=show&type=html&doi=10.1051/e3sconf/201911600044 (accessed on 8 March 2021). [CrossRef]
- Sikora, M.; Siwek, K. Energy audit of the residential building. J. Mech. Energy Eng. 2018, 2, 317–328. [Google Scholar] [CrossRef]
- Krawczyk, D.A.; BiaĹ, P. Buildings 2020+. Constructions, Materials and Installations; Bialystok—Cordoba—Vilnius 2019; Printing House of Bialystok Univesity of Technology: Białystok, Poland, 2019. [Google Scholar] [CrossRef]
- Hałacz, J.; Skotnicka-Siepsiak, A.; Neugebauer, M. Assessment of Reducing Pollutant Emissions in Selected Heating and Ventilation Systems in Single-Family Houses. Energies 2020, 13, 1224. [Google Scholar] [CrossRef]
- Hajdukiewicz, M.; Goggins, J. The influence of heat transfer and storage in structural precast building components on in-door environments. In Proceedings of the Civil Engineering Research in Ireland (CERI 2014), Belfast, Ireland, 28–29 August 2014. [Google Scholar]
- Wąs, K.; Radoń, J.; Sadłowska-Sałęga, A. Maintenance of Passive House Standard in the Light of Long-Term Study on Energy Use in a Prefabricated Lightweight Passive House in Central Europe. Energies 2020, 13, 2801. [Google Scholar] [CrossRef]
- Papadopoulos, A.M.; Papageorgiou, K.P.; Karatzas, K. Evaluation of an attached sunspace without sun protection: How feasible is this approach in mediterranean summer conditions? Int. J. Sol. Energy 2002, 22, 93–104. [Google Scholar] [CrossRef]
- Pyloudi, E.; Papantoniou, S.; Kolokotsa, D. Retrofitting an office building towards a net zero energy building. Adv. Build. Energy Res. 2014, 9, 20–33. [Google Scholar] [CrossRef]
- Witkowska, A.; Krawczyk, D.A.; Rodero, A. Investment Costs of Heating in Poland and Spain—A Case Study. Proceedings 2019, 16, 40. [Google Scholar] [CrossRef]
- Bakonyi, D.; Dobszay, G. Simulation aided optimization of a historic window’s refurbishment. Energy Build. 2016, 126, 51–69. [Google Scholar] [CrossRef]
- Hurnik, M.; Specjal, A.; Popiolek, Z.; Kierat, W. Assessment of single-family house thermal renovation based on comprehensive on-site diagnostics. Energy Build. 2018, 158, 162–171. [Google Scholar] [CrossRef]
- Kostka, M.; Szulgowska-Zgrzywa, M. Change-over natural and mechanical ventilation system energy consumption in single-family buildings. E3S Web Conf. 2017, 22, 00086. Available online: https://www.e3s-conferences.org/component/makeref/?task=show&type=html&doi=10.1051/e3sconf/201911600044 (accessed on 8 March 2021). [CrossRef]
- Pietkun-Greber, I.; Suszanowicz, D. The consequences of the inappropriate use of ventilation systems operating in indoor swimming pool conditions—Analysis. E3S Web Conf. 2018, 45, 00064. Available online: https://www.e3s-conferences.org/component/makeref/?task=show&type=html&doi=10.1051/e3sconf/201911600044 (accessed on 8 March 2021). [CrossRef]
- Xu, Q.; Riffat, S.; Zhang, S. Review of Heat Recovery Technologies for Building Applications. Energies 2019, 12, 1285. [Google Scholar] [CrossRef]
- Ratajczak, K.; Szczechowiak, E. The Use of a Heat Pump in a Ventilation Unit as an Economical and Ecological Source of Heat for the Ventilation System of an Indoor Swimming Pool Facility. Energies 2020, 13, 6695. [Google Scholar] [CrossRef]
- Kostka, M. Hybrid ventilation in residential buildings—the proposal of research for the Polish climatic conditions. E3S Web Conf. 2017, 17, 43. Available online: https://www.e3s-conferences.org/component/makeref/?task=show&type=html&doi=10.1051/e3sconf/201911600044 (accessed on 8 March 2021). [CrossRef]
- Fidorów-Kaprawy, N.; Kostka, M.; Szulgowska-Zgrzywa, M.; Piechurski, K. The energy concept of the building as a part of sustainable construction. Architects 2017, 49, 115–130. [Google Scholar] [CrossRef]
- Regulation of the Minister of Infrastructure of April 12, 2002 on the technical conditions to be met by buildings and their location. J. Laws 2019, 1065, 1–112.
- Wang, F.; Yang, W.-J.; Sun, W.-F. Heat Transfer and Energy Consumption of Passive House in a Severely Cold Area: Simulation Analyses. Energies 2020, 13, 626. [Google Scholar] [CrossRef]
- Zemitis, J.; Borodinecs, A. Energy saving potential of ventilation systems with exhaust air heat recovery. IOP Conf. Series: Mater. Sci. Eng. 2019, 660, 012019. Available online: https://iopscience.iop.org/article/10.1088/1757-899X/660/1/012019 (accessed on 8 March 2021). [CrossRef]
- Luc, K.M.; Kotol, M.; Lading, T. Energy-efficient Building in Greenland: Investigation of the Energy Consumption and Indoor Climate. Procedia Eng. 2016, 146, 166–173. [Google Scholar] [CrossRef]
- Biała, A. A comparative analysis of natural and mechanical ventilation on the example of a single family house. Architectus 2020, 145–160. [Google Scholar] [CrossRef]
- Tomczak, K.; Kinash, O. Assessment of the Validity of Investing in Energy-Efficient Single-Family Construction in Poland—Case Study. Arch. Civ. Eng. 2016, 62, 119–138. [Google Scholar] [CrossRef]
- Emmi, G.; Mariotti, M.; Zarella, A.; De Carli, M. The use of air handling units in residential near zero-energy buildings. Energy Sustain. 2017, 224, 147. [Google Scholar] [CrossRef]
- Sobczyk, W.; Sobczyk, E.J. Thermal comfort in a passive solar building. IOP Conf. Series: Earth Environ. Sci. 2019, 214, 012069. Available online: https://iopscience.iop.org/article/10.1088/1755-1315/214/1/012069 (accessed on 9 March 2021). [CrossRef]
- Kwiatkowski, J.; Rucińska, J. Estimation of Energy Efficiency Class Limits for Multi-Family Residential Buildings in Poland. Energies 2020, 13, 6234. [Google Scholar] [CrossRef]
- Sadowska, B. The Impact of Climate Conditions on Energy Consumption for Heating and Cooling of Residential Buildings. Econ. Environ. 2018, pp. 189–197. Available online: http://www.ekonomiaisrodowisko.pl/uploads/ekonomiaiśrodowisko67/16.pdf (accessed on 5 February 2021).
- Rabczak, S.; Kut, P. Analysis of Yearly Effectiveness of a Diaphragm Ground Heat Exchanger Supported by an Ultraviolet Sterilamp. Energies 2020, 13, 2804. [Google Scholar] [CrossRef]
- Pisarev, V.; Rabczak, S.; Nowak, K. Ventilation system with ground heat exchanger. J. Ecol. Eng. 2016, 17, 163–172. [Google Scholar] [CrossRef]
- Stachura, E. A Study in Polish Housing Conditions. Methodology and Building Typology Characteristics. Real Estate Manag. Valuat. 2013, 21, 25–31. [Google Scholar] [CrossRef]
- Foryś, I.; Putek-Szeląg, E.; Ziembicka, B. An Attempt to Determine the Impact of Energy Intensity on the Market Value of Residential Units on the Example of Selected Buildings in Szczecin. Real Estate Manag. Valuat. 2020, 28, 64–79. [Google Scholar] [CrossRef]
- Borowski, M.; Mazur, P.; Kleszcz, S.; Zwolińska, K. Energy Monitoring in a Heating and Cooling System in a Building Based on the Example of the Turówka Hotel. Energies 2020, 13, 1968. [Google Scholar] [CrossRef]
- Rey-Hernández, J.M.; José-Alonso, J.F.S.; Velasco-Gómez, E.; Yousif, C.; Rey-Martínez, F.J. Performance analysis of a hybrid ventilation system in a near zero energy building. Build. Environ. 2020, 185, 107265. [Google Scholar] [CrossRef]
- Asdrubali, F.; Baldinelli, G.; Bianchi, F.; Cornicchia, M. Experimental Performance Analyses of a Heat Recovery System for Mechanical Ventilation in Buildings. Energy Procedia 2015, 82, 465–471. [Google Scholar] [CrossRef]
- EN 308:2001 Heat exchangers. Test Procedures for Establishing the Performance of Air to Air and Flue Gases Heat Recovery Devices; Polish Committee for Standardization: Warsaw, Poland, 2001. [Google Scholar]
- Anisimov, S.; Pandelidis, D.; Jedlikowski, A. Performance study of the indirect evaporative air cooler and heat recovery exchanger in air conditioning system during the summer and winter operation. Energy 2015, 89, 205–225. [Google Scholar] [CrossRef]
- Ratajczak, K.; Amanowicz, Ł.; Szczechowiak, E. Assessment of the air streams mixing in wall-type heat recovery units for ventilation of existing and refurbishing buildings toward low energy buildings. Energy Build. 2020, 227, 110427. [Google Scholar] [CrossRef]
- Valchev, S.; Mihaylov, I. Analysis of energy efficiency of air handling unit with integrated air to air heat exchanger in heating mode. E3S Web Conf. 2020, 207, 01002. Available online: https://www.e3s-conferences.org/component/makeref/?task=show&type=html&doi=10.1051/e3sconf/201911600044 (accessed on 8 March 2021). [CrossRef]
- Michalak, P.; Grygierczyk, S. Temperature efficiency of heat exchangers in air handling units. J. Mech. Energy Eng. 2019, 3, 267–272. [Google Scholar] [CrossRef]
- Melian, E.; Klein, H.; Thißen, N. Improvement of a Nusselt-Based Simulation Model for Heat Transfer in Rotary Heat Exchangers. Energies 2020, 14, 10. [Google Scholar] [CrossRef]
- Tafelmeier, S.; Longo, G.A.; Gasparella, A. Energy and Economic Performance Analysis of Heat Recovery Devices under Different Climate Conditions. International High Performance Buildings Conference, 2016, Paper 196. Available online: http://docs.lib.purdue.edu/ihpbc/196 (accessed on 5 February 2021).
- Tafelmeier, S.; Pernigotto, G.; Gasparella, A. Annual Performance of Sensible and Total Heat Recovery in Ventilation Systems: Humidity Control Constraints for European Climates. Buildings 2017, 7, 28. [Google Scholar] [CrossRef]
- Kalbasi, R.; Shahsavar, A.; Afrand, M. Reducing AHU energy consumption by a new layout of using heat recovery units. J. Therm. Anal. Calorim. 2019, 139, 2811–2820. [Google Scholar] [CrossRef]
- Michalak, P. A thermal network model for the dynamic simulation of the energy performance of buildings with the time varying ventilation flow. Energy Build. 2019, 202, 109337. [Google Scholar] [CrossRef]
- McQuillan, F.; Culham, J.; Yovanovich, M. Properties of Some Gases and Liquids at One Atmosphere; Microelectronics Heat Transfer Laboratory Report UW/MHTL 8407 G-02; University of Waterloo: Waterloo, Belgium, 1984; Available online: http://www.mhtlab.uwaterloo.ca/pdf_reports/mhtl_G02.pdf (accessed on 5 March 2021).
- Amiri, L.; De Brito, M.A.R.; Ghoreishi-Madiseh, S.A.; Bahrani, N.; Hassani, F.P.; Sasmito, A.P. Numerical Evaluation of the Transient Performance of Rock-Pile Seasonal Thermal Energy Storage Systems Coupled with Exhaust Heat Recovery. Appl. Sci. 2020, 10, 7771. [Google Scholar] [CrossRef]
- Typical Meteorological Years. The Ministry of Infrastructure and Development. Available online: https://archiwum.miir.gov.pl/strony/zadania/budownictwo/charakterystyka-energetyczna-budynkow/dane-do-obliczen-energetycznych-budynkow-1/ (accessed on 5 February 2021).
- Michalak, P. Selected Aspects of Indoor Climate in a Passive Office Building with a Thermally Activated Building System: A Case Study from Poland. Energies 2021, 14, 860. [Google Scholar] [CrossRef]
- Sowa, J.; Mijakowski, M. Humidity-Sensitive, Demand-Controlled Ventilation Applied to Multiunit Residential Building—Performance and Energy Consumption in Dfb Continental Climate. Energies 2020, 13, 6669. [Google Scholar] [CrossRef]
- Miszczuk, A.; Heim, D. Parametric Study of Air Infiltration in Residential Buildings—The Effect of Local Conditions on Energy Demand. Energies 2020, 14, 127. [Google Scholar] [CrossRef]
- Ferdyn-Grygierek, J.; Baranowski, A.; Blaszczok, M.; Kaczmarczyk, J. Thermal Diagnostics of Natural Ventilation in Buildings: An Integrated Approach. Energies 2019, 12, 4556. [Google Scholar] [CrossRef]
- Regulation of the Minister of Labour and Social Policy of September 26, 1997 on general health and safety regulations. J. Laws 2003, 169, 11614–11655. (In Polish)
- Jedrzejuk, H.; Dybiński, O. The Influence of a Heating System Control Program and Thermal Mass of External Walls on the Internal Comfort in the Polish Climate. Energy Procedia 2015, 78, 1087–1092. [Google Scholar] [CrossRef]
- Kamendere, E.; Zogla, G.; Kamenders, A.; Ikaunieks, J.; Rochas, C. Analysis of Mechanical Ventilation System with Heat Recovery in Renovated Apartment Buildings. Energy Procedia 2015, 72, 27–33. [Google Scholar] [CrossRef]
- Skrzycki, M.; Besler, M. Impact of damper opening time on work of storage matrix regenerative heat exchanger. E3S Web Conf. 2017, 17, 82. Available online: https://www.e3s-conferences.org/component/makeref/?task=show&type=html&doi=10.1051/e3sconf/201911600044 (accessed on 8 March 2021). [CrossRef]
- Congedo, P.M.; Baglivo, C.; D’Agostino, D.; Zacà, I.; D’Agostino, D. Cost-optimal design for nearly zero energy office buildings located in warm climates. Energy 2015, 91, 967–982. [Google Scholar] [CrossRef]
















| Device | Parameter | Value | Unit |
|---|---|---|---|
| Cross-flow exchanger | Pressure drop–supply | 137 | Pa |
| Pressure drop–exhaust | 132 | Pa | |
| Temperature efficiency | 59.5 | % | |
| Supply fan | Airflow rate | 4770 | m3/h |
| Total pressure rise | 649 | Pa | |
| Rotation speed | 1518 | 1/s | |
| Rated power | 1.41 | kW | |
| Air temperature rise | 0.9 | °C | |
| Exhaust fan | Airflow rate | 4510 | m3/h |
| Total pressure drop | 250 | Pa | |
| Rotation speed | 1439 | 1/s | |
| Rated power | 1.20 | kW | |
| Air temperature rise | 0.8 | °C | |
| Cooling coil | Supply/return temperature | 7.0/12.0 | °C |
| Water volumetric flow | 1.83 | dm3/s | |
| Rated coil capacity | 38.30 | kW | |
| Air pressure drop (dry/wet coil) | 61/74 | Pa | |
| Heating coil | Supply/return temperature | 50.0/30.0 | °C |
| Water volumetric flow | 0.65 | dm3/s | |
| Rated coil capacity | 53.90 | kW | |
| Air pressure drop | 36 | Pa |
| Month | Total Monthly Operation Hours | Time Share of Heat Recovery in Total Operation Hours [%] | ηt [%] |
|---|---|---|---|
| August 2015 | 251 | 24.3 | 37.6 |
| September 2015 | 264 | 79.5 | 59.8 |
| October 2015 | 260 | 98.8 | 67.4 |
| November 2015 | 235 | 99.6 | 68.7 |
| December 2015 | 276 | 99.6 | 68.3 |
| January 2016 | 252 | 99.6 | 66.6 |
| February 2016 | 252 | 99.6 | 68.3 |
| March 2016 | 276 | 99.6 | 68.3 |
| April 2016 | 252 | 93.3 | 67.8 |
| May 2016 | 263 | 69.6 | 68.1 |
| June 2016 | 264 | 54.2 | 55.4 |
| July 2016 | 223 | 57.0 | 55.5 |
| Month | QH,saved | QC,saved | EHP |
|---|---|---|---|
| − | kWh | kWh | kWh |
| August 2015 | 159.8 | 65.6 | 54.3 |
| September 2015 | 682.0 | 21.6 | 157.7 |
| October 2015 | 2233.7 | 0.0 | 496.4 |
| November 2015 | 2495.9 | 0.0 | 554.6 |
| December 2015 | 4005.8 | 0.0 | 890.2 |
| January 2016 | 4744.3 | 0.0 | 1054.3 |
| February 2016 | 3850.7 | 0.0 | 855.7 |
| March 2016 | 3643.7 | 0.0 | 809.7 |
| April 2016 | 2137.2 | 37.6 | 485.7 |
| May 2016 | 903.3 | 25.7 | 208.1 |
| June 2016 | 400.3 | 48.1 | 102.7 |
| July 2016 | 374.5 | 61.6 | 100.8 |
Publisher’s Note: MDPI stays neutral with regard to jurisdictional claims in published maps and institutional affiliations. |
© 2021 by the author. Licensee MDPI, Basel, Switzerland. This article is an open access article distributed under the terms and conditions of the Creative Commons Attribution (CC BY) license (http://creativecommons.org/licenses/by/4.0/).
Share and Cite
Michalak, P. Annual Energy Performance of an Air Handling Unit with a Cross-Flow Heat Exchanger. Energies 2021, 14, 1519. https://doi.org/10.3390/en14061519
Michalak P. Annual Energy Performance of an Air Handling Unit with a Cross-Flow Heat Exchanger. Energies. 2021; 14(6):1519. https://doi.org/10.3390/en14061519
Chicago/Turabian StyleMichalak, Piotr. 2021. "Annual Energy Performance of an Air Handling Unit with a Cross-Flow Heat Exchanger" Energies 14, no. 6: 1519. https://doi.org/10.3390/en14061519
APA StyleMichalak, P. (2021). Annual Energy Performance of an Air Handling Unit with a Cross-Flow Heat Exchanger. Energies, 14(6), 1519. https://doi.org/10.3390/en14061519

