Adaptive Extremum Seeking Control of Urban Area Wind Turbines
Abstract
1. Introduction
2. Control Objectives and Process Description
2.1. Control Objectives
2.2. Aerodynamics of the Wind Turbine Rotor
- profile losses at the rotor blade sections caused by drag forces;
- flow around the blade tip, the so-called tip losses; and
- wake losses due to down stream wake rotation.
2.3. Drive Train Dynamics
2.4. Generator Model and Current Control
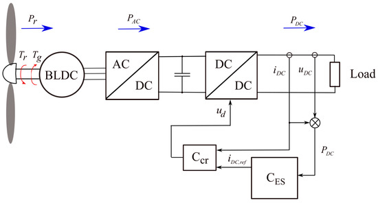
2.5. Cascaded Control Scheme with Extremum Seeking
3. Methods
3.1. Extremum Seeking Control
3.2. Control Parameters
4. Results
4.1. Nominal Wind Regime
4.2. Analysis Response Time
4.3. Noisy Wind Regime
4.4. Validation of Real Data
5. Discussion
Author Contributions
Funding
Institutional Review Board Statement
Informed Consent Statement
Conflicts of Interest
Abbreviations
| AC | Alternating Current |
| BLDC | Brushless Direct Current |
| DC | Direct Current |
| ES | Extremum Seeking |
| ESC | Extremum Seeking Control |
| LIDAR | Light Detection and Ranging |
| MOWEA | Modulare Windenergieanlagen GmbH |
| SWT | Small Wind Turbine |
| PI | Proportional Integral |
| Nomenclature | |
| inner current controller | |
| Extremum Seeking (ES) controller | |
| DC current of the load circuit | |
| electric machine (generator) parameter | |
| DC power at the load | |
| AC power of the electric machine (generator)/AC–DC converter | |
| rated wind turbine power | |
| power of free air flow along a stream tube | |
| R | rotor radius |
| generator torque | |
| rotor torque | |
| v | wind speed |
| design wind speed also known as rated wind speed | |
| tip speed ratio | |
| air density | |
| time constant of the inner current control loop | |
| electrical machine (generator) flux | |
| frequency of perturbation signal of ES controller | |
| cutoff frequency of ES controller | |
| rotor angular velocity (rotor speed) | |
| rated rotor angular velocity (rated rotor speed) |
References
- Ghaffari, A.; Krstic, M.; Seshagiri, S. Extremum seeking for wind and solar energy applications. Mech. Eng. 2014, 136, 13–21. [Google Scholar] [CrossRef]
- Ghaffari, A.; Krstić, M.; Seshagiri, S. Power optimization and control in wind energy conversion systems using extremum seeking. IEEE Trans. Control. Syst. Technol. 2014, 22, 1684–1695. [Google Scholar] [CrossRef]
- Barakati, S.M.; Kazerani, M.; Aplevich, J.D. Maximum power tracking control for a wind turbine system including a matrix converter. IEEE Trans. Energy Convers. 2009, 24, 705–713. [Google Scholar] [CrossRef]
- Kazmi, S.M.R.; Goto, H.; Guo, H.; Ichinokura, O. A novel algorithm for fast and efficient speed-sensorless maximum power point tracking in wind energy conversion systems. IEEE Trans. Ind. Electron. 2010, 58, 29–36. [Google Scholar] [CrossRef]
- Krstic, M.; Ghaffari, A.; Seshagiri, S. Extremum seeking for wind and solar energy applications. In Proceedings of the 11th World Congress on Intelligent Control and Automation, Shenyang, China, 29 June–4 July 2014; pp. 6184–6193. [Google Scholar]
- Schlipf, D.; Schlipf, D.J.; Kühn, M. Nonlinear model predictive control of wind turbines using LIDAR. Wind Energy 2013, 16, 1107–1129. [Google Scholar] [CrossRef]
- Gauterin, E.; Kammerer, P.; Kühn, M.; Schulte, H. Effective wind speed estimation: Comparison between Kalman Filter and Takagi–Sugeno observer. ISA Trans. 2016, 62, 60–72. [Google Scholar] [CrossRef] [PubMed]
- Krstić, M.; Wang, H.-H. Stability of extremum seeking feedback for general nonlinear dynamic systems. Automatica 2000, 36, 595–601. [Google Scholar] [CrossRef]
- Rotea, M.A. Logarithmic power feedback for extremum seeking control of wind turbines. IFAC-PapersOnLine 2017, 50, 4504–4509. [Google Scholar] [CrossRef]
- Ciri, U.; Leonardi, S.; Rotea, M.A. Evaluation of log-of-power extremum seeking control for wind turbines using large eddy simulations. Wind Energy 2019, 22, 992–1002. [Google Scholar] [CrossRef]
- Hu, L.; Xue, F.; Qin, Z.; Shi, J.; Qiao, W.; Yang, W.; Yang, T. Sliding mode extremum seeking control based on improved invasive weed optimization for MPPT in wind energy conversion system. Appl. Energy 2019, 248, 567–575. [Google Scholar] [CrossRef]
- Peixoto, A.J.; Pereira-Dias, D.; Pacheco, G.F.; C Neves, C. Smooth sliding control applied to power optimization via extremum seeking in variable speed wind turbines. In Proceedings of the 2018 Annual American Control Conference (ACC), Milwaukee, WI, USA, 27–29 June 2018; pp. 3875–3880. [Google Scholar]
- Wu, Z.; Li, Y.; Xiao, Y. Nacelle anemometer measurement-based extremum-seeking wind turbine region-2 control for improved convergence in fluctuating wind. Wind Energy 2020, 23, 1118–1134. [Google Scholar] [CrossRef]
- Deese, J.; Vermillion, C. Recursive gaussian process-based adaptive control, with application to a lighter-than-air wind energy system. IEEE Trans. Control. Syst. Technol. 2020, 1–8. [Google Scholar] [CrossRef]
- Echchaachouai, A.; Hani, S.E.; Hammouch, A.; Aboudrar, I. A Two-Level Sensorless MPPT Strategy Using SRF-PLL on a PMSG Wind Energy Conversion System. Adv. Electr. Electron. Eng. 2017, 15, 3. Available online: https://dspace.vsb.cz/bitstream/handle/10084/122069/2215-12498-1-PB.pdf?sequence=1=y (accessed on 2 March 2021).
- Mulders, S.P.; Diepeveen, N.F.B.; van Wingerden, J.W. Extremum seeking control for optimization of a feed-forward pelton turbine speed controller in a fixed-displacement hydraulic wind turbine concept. J. Phys. Conf. Ser. 2019, 1222, 012015. [Google Scholar] [CrossRef]
- Rafaat, S.M.; Hussein, R. Power maximization and control of variable-speed wind turbine system using extremum seeking. J. Power Energy Eng. 2018, 6, 51. [Google Scholar] [CrossRef]
- Ciri, U.; Rotea, M.; Santoni, C.; Leonardi, S. Large-eddy simulations with extremum-seeking control for individual wind turbine power optimization. Wind Energy 2017, 20, 1617–1634. [Google Scholar] [CrossRef]
- Ciri, U.; Rotea, M.A.; Leonardi, S. Model-free control of wind farms: A comparative study between individual and coordinated extremum seeking. Renew. Energy 2017, 113, 1033–1045. [Google Scholar] [CrossRef]
- Betz, A. Das Maximum der theoretisch möglichen Ausnützung des Windes durch Windmotoren. Zeitschrift für das Gesamte Turbinenwesen 1920, 26, 307–309. [Google Scholar]







Publisher’s Note: MDPI stays neutral with regard to jurisdictional claims in published maps and institutional affiliations. |
© 2021 by the authors. Licensee MDPI, Basel, Switzerland. This article is an open access article distributed under the terms and conditions of the Creative Commons Attribution (CC BY) license (http://creativecommons.org/licenses/by/4.0/).
Share and Cite
Dietrich, F.; Borchers-Tigasson, S.; Naumann, T.; Schulte, H. Adaptive Extremum Seeking Control of Urban Area Wind Turbines. Energies 2021, 14, 1356. https://doi.org/10.3390/en14051356
Dietrich F, Borchers-Tigasson S, Naumann T, Schulte H. Adaptive Extremum Seeking Control of Urban Area Wind Turbines. Energies. 2021; 14(5):1356. https://doi.org/10.3390/en14051356
Chicago/Turabian StyleDietrich, Felix, Steffen Borchers-Tigasson, Till Naumann, and Horst Schulte. 2021. "Adaptive Extremum Seeking Control of Urban Area Wind Turbines" Energies 14, no. 5: 1356. https://doi.org/10.3390/en14051356
APA StyleDietrich, F., Borchers-Tigasson, S., Naumann, T., & Schulte, H. (2021). Adaptive Extremum Seeking Control of Urban Area Wind Turbines. Energies, 14(5), 1356. https://doi.org/10.3390/en14051356
