Evaluation of Medium Voltage Network for Propagation of Supraharmonics Resonance
Abstract
1. Introduction
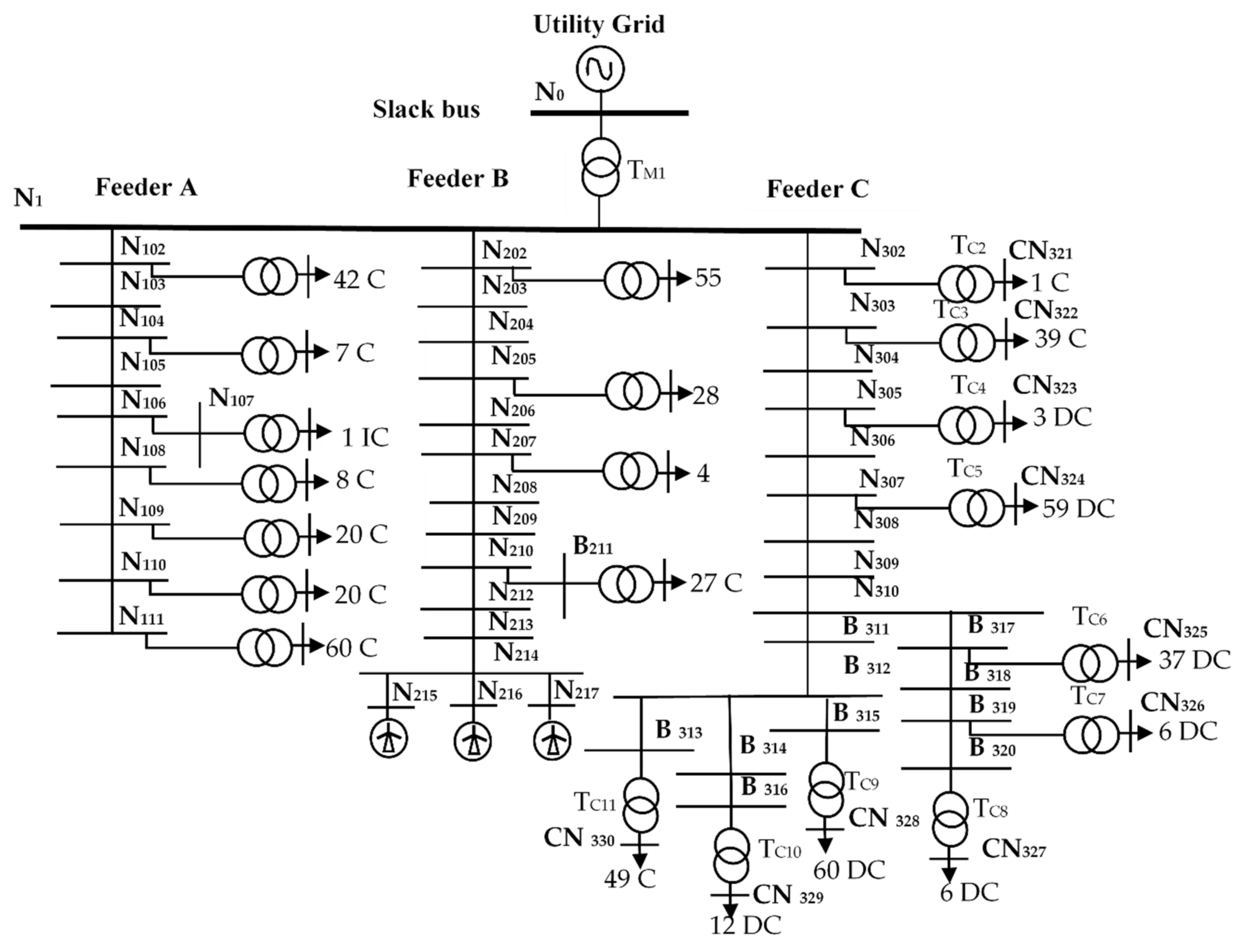
2. Case Study: Supraharmonic Propagation in MV Network
3. Methodology Used
4. Results and Analysis
4.1. Feeder C First Estimation
4.1.1. Feeder C Driving Point Impedance
4.1.2. Impact of Cable Length
4.1.3. Impact of Load Impedance
4.2. Feeder A, B and C Characteristics
4.3. Feeders A,B,C,D,E,F,G and H Characteristics
5. Supraharmonic Measurement at Feeder B
6. Transfer Impedance Estimation
7. Conclusions
- The first resonance in the MV network is mainly due to the source and transformer inductance together with the total cable capacitance.
- In the MV network, there are large number of resonances in the supraharmonic frequency range.
- The skin effect provides significant damping, but resonance peaks remain sharp within the supraharmonic frequency range.
- The bigger the MV network, the more resonance frequencies, but also the lower the amplitude of the resonance peaks.
- Measurements close to a wind turbine converter show a time varying emission in the supraharmonics range due to the variation in switching frequency of the wind turbine converter at different operating modes during low power extraction.
- For short feeders as length increases, the magnitude of the transfer impedance at supraharmonic frequency decreases. For further increment in feeder length, the magnitude increases or becomes almost constant. For very long feeders the transfer impedance starts decreasing further.
Author Contributions
Funding
Data Availability Statement
Conflicts of Interest
Appendix A
| Cable | Type/Specification | Zop (Ω/km) | L (H/km) | Bsh (µS/km) | C(F/km) |
|---|---|---|---|---|---|
| C1 | ACJJ/150 | 0.206 + 0.0754i | 2.4001 × 10−4 | 188.5 | 0.6 × 10−6 |
| C2 | AXCEL/150 | 0.206 + 0.0911i | 2.9 × 10−4 | 94.248 | 0.3 × 10−6 |
| C3 | AXCL-OTT3x150/25 | 0.206 + 0.0942i | 2.9985 × 10−4 | 94.248 | 0.3 × 10−6 |
| C4 | AXKJ/50/16 | 0.641 + 0.1257i | 4 × 10−4 | 62.832 | 0.2 × 10−6 |
| C5 | FXKJ/35 | 0.493 + 0.1068i | 3.3995 × 10−4 | 94.248 | 0.3 × 10−6 |
| C6 | AXCL-OTT3x95/16 | 0.32 + 0.1005i | 3.1990 × 10−4 | 94.248 | 0.3 × 10−6 |
| C7 | AXCEL/95 | 0.32 + 0.0974i | 3.1003 × 10−4 | 94.248 | 0.3 × 10−6 |
| C8 | AXCEL/50 | 0.641 + 0.1068i | 3.3995 × 10−4 | 94.248 | 0.3 × 10−6 |
| Transformer | Specification | SC Phase Impedance on LV Side (Ω) |
|---|---|---|
| TM1 | 16 MVA, 33 kV/11 kV | 0.0397 + 0.7854i |
| TC2 | 0.5 MVA,10 kV/0.4 kV | 0.0033 + 0.0184i |
| TC3 | 0.5 MVA, 0 kV/0.4 kV | 0.0039 + 0.0181i |
| TC4 | 0.315 MVA, 10 kV/0.4 kV | 0.0069 + 0.0252i |
| TC5 | 0.5 MVA,10 kV/0.4 kV | 0.0042 + 0.0178i |
| TC6 | 0.2 MVA,10 kV/0.4 kV | 0.0109 + 0.0323i |
| TC7 | 0.315 MVA,10 kV/0.4 kV | 0.0072 + 0.0249i |
| TC8 | 0.4 MVA, 10 kV/0.4 kV | 0.0075 + 0.0239i |
| TC9 | 0.5 MVA, 10 kV/0.4 kV | 0.0051 + 0.0185i |
| TC10 | 0.5 MVA, 10 kV/0.4 kV | 0.0043 + 0.0171i |
| TC11 | 0.5 MVA, 10 kV/0.4 kV | 0.0043 + 0.0179i |
References
- Rönnberg, S.K.; Bollen, M.H.; Amaris, H.; Chang, G.W.; Gu, I.Y.; Kocewiak, Ł.H.; Meyer, J.; Olofsson, M.; Ribeiro, P.F.; Desmet, J. On waveform distortion in the frequency range of 2 kHz–150 kHz—Review and research challenges. Electr. Power Syst. Res. 2017, 150, 1–10. [Google Scholar] [CrossRef]
- Bollen, M.; Olofsson, M.; Larsson, A.; Ronnberg, S.; Lundmark, M. Standards for supraharmonics (2 to 150 kHz). IEEE Electromagn. Compat. Mag. 2014, 3, 114–119. [Google Scholar] [CrossRef]
- Rönnberg, S.K.; Bollen, M.H.J. Propagation of Supraharmonics in the Low Voltage Grid 2 to 150 kHz; Electra Program and Swedish Energy Agency Report; Energiforsk: Stockholm, Sweden, December 2017; ISBN 978-91-7673-461-2. [Google Scholar]
- Sakar, S.; Rönnberg, S.K.; Bollen, M.H.J. Interferences in AC–DC LED drivers exposed to voltage disturbances in the fre-quency range 2–150 kHz. IEEE Trans. Power Electron. 2019, 34, 11171–11181. [Google Scholar] [CrossRef]
- Paulsson, L.; Ekehov, B.; Halen, S.; Larsson, T.; Palmqvist, L.; Edris, A.-A.; Kidd, D.; Keri, A.; Mehraban, B. High-frequency impacts in a converter-based back-to-back tie; the eagle pass installation. IEEE Trans. Power Deliv. 2003, 18, 1410–1415. [Google Scholar] [CrossRef]
- Kalesar, B.M.; Noshahr, J.B. Capacitor bank behaviour of cement factory in presence of supraharmonics resulted from switching full power frequency converter of generator (PMSG). In Proceedings of the 24th International Conference on Electricity Distribution, Glasgow, UK, 12–15 June 2017. [Google Scholar]
- Yalcin, T.; Ozdemir, M.; Kostyla, P.; Leonowicz, Z. Analysis of supra-harmonics in smart grids. In Proceedings of the 2017 IEEE International Conference on Environment and Electrical Engineering and 2017 IEEE Industrial and Commercial Power Systems Europe (EEEIC/I&CPS Europe), Milan, Italy, 6–9 June 2017; pp. 1–4. [Google Scholar]
- Slangen, T.; Van Wijk, T.; Ćuk, V.; Cobben, S. The Propagation and Interaction of Supraharmonics from Electric Vehicle Chargers in a Low-Voltage Grid. Energies 2020, 13, 3865. [Google Scholar] [CrossRef]
- Rönnberg, S.K. Emission and Interaction from Domestic Installations in the Low Voltage Electricity Network, up to 150 kHz. Ph.D. Thesis, Luleå University of Technology, Luleå, Sweden, 2013. [Google Scholar]
- Larsson, A. On High-Frequency Distortion in Low-Voltage Power Systems. Ph.D. Thesis, Luleå University of Technology, Luleå, Sweden, 2011. [Google Scholar]
- Klatt, M.; Meyer, J.; Schegner, P.; Koch, A.; Myrzik, J.; Eberl, G.; Darda, T. Emission levels above 2 kHz—Laboratory results and survey measurements in public low voltage grids. In Proceedings of the 22nd International Conference and Exhibition on Electricity Distribution (CIRED 2013), Stockholm, Sweden, 10–13 June2013. [Google Scholar]
- Espín-Delgado, Á.; Rönnberg, S.; Busatto, T.; Ravindran, V.; Bollen, M. Summation law for supraharmonic currents (2–150 kHz) in low-voltage installations. Electr. Power Syst. Res. 2020, 184, 106325. [Google Scholar] [CrossRef]
- Rönnberg, S.K.; Bollen, M.H.J.; Larsson, A.; Lundmark, M. An Overview of the Origin and Propagation of Supraharmonics (2–150 kHz. In Proceedings of the Nordic Conference on Electricity Distribution System Management and Development, Stockholm, Sweden, 8–9 September 2014. [Google Scholar]
- Matthias, K.; Kaiser, F.; Meyer, J.; Lakenbrink, C.; Gassner, C. Measurements and simulation of supraharmonic resonances in public low voltage networks. In Proceedings of the 25th International Conference on Electricity Distribution, Madrid, Spain, 3–6 June 2019. [Google Scholar]
- Ma, Z.; Xu, Q.; Li, P.; Wu, J.; Huang, H. Supraharmonics Analysis of Modular Multilevel Converter and Long Cable System. In Proceedings of the 2019 IEEE Sustainable Power and Energy Conference (iSPEC), Beijing, China, 21–23 November 2019; pp. 2585–2589. [Google Scholar]
- Noshahr, J.B. Emission phenomenon of supra-harmonics caused by switching of full-power frequency converter of wind turbines generator (PMSG) in smart grid. In Proceedings of the 2016 IEEE 16th International Conference on Environment and Electrical Engineering (EEEIC), Florence, Italy, 7–10 June 2016; pp. 1–6. [Google Scholar]
- Blanco, A.M.; Heimbach, B.; Wartmann, B.; Meyer, J.; Mangani, M.; Oeschger, M. Harmonic, interharmonic and suprahar-monic characterisation of a 12 MW wind park based on field measurements. CIRED-Open Access Proc. J. 2017, 677–681. [Google Scholar] [CrossRef]
- Mohos, A.; Ladanyi, J. Emission Measurement of a Solar Park in the Frequency Range of 2 to 150 kHz. In Proceedings of the 2018 International Symposium on Electromagnetic Compatibility (EMC EUROPE), Amsterdam, The Netherlands, 27–30 August 2018; pp. 1024–1028. [Google Scholar] [CrossRef]
- Mumtaz, M.; Khan, S.I.; Chaudhry, W.A.; Khan, Z.A. Harmonic incursion at the point of common coupling due to small grid-connected power stations. J. Electr. Syst. Inf. Technol. 2015, 2, 368–377. [Google Scholar] [CrossRef][Green Version]
- Rönnberg, S.K.; Castro, A.G.; Bollen, M.H.J.; Moreno-Munoz, A.; Romero-Cadaval, E. Supraharmonics from power elec-tronics converters. In Proceedings of the 9th International Conference on Compatibility and Power Electronics (CPE), Costa da Caparica, Lisbon, Portugal, 24–26 June 2015; pp. 539–544. [Google Scholar]
- Gil-de Castro, A.; Moreno-Munoz, A.; Garrido, J.; Rönnberg, S.K.; Palacios-Garcia, E.J.; Morales, T. Supraharmonics reduc-tion in NPC inverter with random PWM. In Proceedings of the 2017 IEEE 26th International Symposium on Industrial Electronics (ISIE), Edinburgh, UK, 19–21 June 2017; pp. 1792–1797. [Google Scholar]
- Novitskiy, A.; Schlegel, S.; Westermann, D. Analysis of supraharmonic propagation in a MV electrical network. In Proceedings of the 2018 19th International Scientific Conference on Electric Power Engineering (EPE), Brno, Czech Republic, 16–18 May 2018; pp. 1–6. [Google Scholar]
- Novitskiy, A.; Schlegel, S.; Westermann, D. Measurements and analysis of supraharmonic influences in a MV/LV network containing renewable energy sources. In Proceedings of the 2019 Electric Power Quality and Supply Reliability Conference (PQ) & 2019 Symposium on Electrical Engineering and Mechatronics (SEEM), Kärdla, Estonia, 12–15 June 2019. [Google Scholar]
- Bengtsson, T.; Dijkhuizen, F.; Ming, L.; Sahlen, F.; Liljestrand, L.; Bormann, D.; Papazyan, R.; Dahlgren, M. Repetitive fast voltage stresses-causes and effects. IEEE Electr. Insul. Mag. 2009, 25, 26–39. [Google Scholar] [CrossRef]
- Espín-Delgado, A.; Letha, S.S.; Rönnberg, S.K.; Bollen, M.H.J. Failure of MV cable terminations due to supraharmonic volt-ages: A risk indicator proposal. IEEE Open J. Ind. Appl. 2020, 1, 42–51. [Google Scholar] [CrossRef]
- Espín-Delgado, A.; Letha, S.S.; Rönnberg, S.K.; Bollen, M.H.J. Indicators for supraharmonics based on their impact on end-User equipment. Unpublished.
- Bollen, M.; Mousavi-Gargari, S.; Bahramirad, S. Harmonic resonances due to transmission-system cables. Renew. Energy Power Qual. J. 2014, 712–716. [Google Scholar] [CrossRef]
- Dommel, H. Digital computer solution of electromagnetic transients in single and multiple networks. IEEE Trans. Power App. Syst. 1969, PAS-88, 388–399. [Google Scholar] [CrossRef]
- Corcoran, J.; Nagy, P.B. Compensation of the Skin Effect in Low-Frequency Potential Drop Measurements. J. Nondestruct. Eval. 2016, 35, 58. [Google Scholar] [CrossRef]
- Wiring Systems for Max 1000 V—Methods of Calculation to Safeguard Correct Disconnection; Svensk Standard SS 424 14 05; SEK Swedish Electricity Standard: Kista, Sweden, 1993.
- Beltran, B.; Benbouzid, M.E.H.; Ahmed-Ali, T. Second-order sliding mode control of a doubly fed induction generator driv-en wind turbine. IEEE Trans. Energy Convers. 2012, 27. [Google Scholar] [CrossRef]
- Luo, N.; Vidal, Y.; Acho, L. (Eds.) Wind Turbine Control and Monitoring Advances in Industrial Control; Springer: Berlin/Heidelberg, Germany, 2014; p. 466. ISBN 3319084135. [Google Scholar]











| Feeder | Length of the Cables (km) | Number of Transformers | Number of Customers |
|---|---|---|---|
| Feeder A | 3.790 | 7 | Domestic–115 Industry–1 |
| Feeder B | 6.7663 | 4 + 3 (Connected to Wind turbines) | Domestic–114 |
| Feeder C | 5.0894 | 7 | Domestic–272 |
| Feeder D | 29.5824 | 25 + 2 (Connected to Power Station) | Domestic–313 |
| Feeder E | 4.445 | 8 | Domestic–332 |
| Feeder F | 20.0559 | 18 | Domestic–213 |
| Feeder G | 2.2002 | 6 | Domestic–275 |
| Feeder H | 39.5786 | 33 | Domestic–345 |
| Power Rating | 16 MVA | |
| Impedance | 10.5 % | |
| Bus Voltage | 11 kV | 33 kV |
| Fault level | 81.5 MVA | 153.6 MVA |
| Source Reactance | 1.68 ohms | 7.76 ohms |
| Source Resistance | 0.15 ohms | 1.07 ohms |
| Node 1 | Node 2 | Type Cable/Transformer | Length (km) | Node 1 | Node 2 | Type Cable/Transformer | Length (km) |
|---|---|---|---|---|---|---|---|
| N1 | N0 | TM1 | 0.0000 | N310 | N317 | C6 | 0.5076 |
| N1 | N302 | C1 | 0.6442 | N311 | N312 | C1 | 0.3716 |
| N302 | N303 | C1 | 0.3147 | N312 | N313 | C1 | 0.2949 |
| N302 | CN321 | TC2 | 0.0000 | N312 | N314 | C4 | 0.2249 |
| N303 | N304 | C1 | 0.4873 | N312 | N315 | C1 | 0.3542 |
| N303 | CN322 | TC3 | 0.0000 | N313 | CN330 | TC11 | 0.0000 |
| N304 | N305 | C2 | 0.0198 | N314 | N316 | C5 | 0.0028 |
| N305 | N306 | C2 | 0.0236 | N315 | CN328 | TC9 | 0.0000 |
| N305 | CN323 | TC4 | 0.0000 | N316 | CN29 | TC10 | 0.0000 |
| N306 | N307 | C1 | 0.336 | N317 | N318 | C6 | 0.0179 |
| N307 | N308 | C1 | 0.3143 | N317 | CN325 | TC6 | 0.0000 |
| N307 | CN324 | TC5 | 0.0000 | N318 | N319 | C7 | 0.4078 |
| N308 | N309 | C1 | 0.2710 | N319 | N320 | C8 | 0.3576 |
| N309 | N310 | C3 | 0.0706 | N319 | CN326 | T7 | 0.0000 |
| N310 | N311 | C3 | 0.0686 | N320 | CN327 | T8 | 0.0000 |
| Main Node (Point of Measurement) | Distance of Main Node from Point of Injection (Node 1) (km) | Distance of Main Node from Point of Injection (Node 214) (km) | Magnitude of 1 A, 12.8 kHz Harmonic Current Injected at Node 1 | Magnitude of 1 A, 12.8 kHz Harmonic Current Injected at Node 214 |
|---|---|---|---|---|
| Transfer Impedance | ||||
| Ω | m Ω | |||
| Feeder A | ||||
| 102 | 0.368 | 4.82861 | 1.94 | 8.6 |
| 104 | 1.0931 | 5.55371 | 0.31 | 1.3 |
| 107 | 1.4166 | 5.87721 | 0.29 | 1.27 |
| 108 | 1.5804 | 6.04101 | 0.93 | 4.08 |
| 109 | 2.2534 | 6.71401 | 3.03 | 13.52 |
| 110 | 3.156 | 7.61631 | 4.87 | 21.72 |
| 111 | 3.6892 | 8.14981 | 5.19 | 22.94 |
| Feeder B | ||||
| 202 | 0.43521 | 4.0253 | 2.2 | 9.82 |
| 205 | 1.19811 | 3.2624 | 0.8 | 3.6 |
| 207 | 1.58641 | 2.8741 | 0.0014 | 3.5 × 10−7 |
| 211 | 3.63501 | 1.2537 | 7.7 × 10−7 | 1.77 × 10−7 |
| Feeder C | ||||
| 302 | 0.6442 | 5.10471 | 2.72 | 12.03 |
| 303 | 0.9589 | 5.41941 | 2.47 | 10.8 |
| 305 | 1.466 | 5.92651 | 1.61 | 7.1 |
| 307 | 1.8256 | 6.28611 | 0.77 | 3.3 |
| 313 | 3.2166 | 7.67711 | 1.69 | 7.3 |
| 315 | 3.2759 | 7.73641 | 1.61 | 7.31 |
| 316 | 3.1494 | 7.60991 | 1.47 | 7.1 |
| 317 | 2.9891 | 7.44961 | 1.72 | 8.46 |
| 319 | 3.4148 | 7.87531 | 1.79 | 8.69 |
| 320 | 3.7724 | 8.23291 | 1.66 | 7.6 |
Publisher’s Note: MDPI stays neutral with regard to jurisdictional claims in published maps and institutional affiliations. |
© 2021 by the authors. Licensee MDPI, Basel, Switzerland. This article is an open access article distributed under the terms and conditions of the Creative Commons Attribution (CC BY) license (http://creativecommons.org/licenses/by/4.0/).
Share and Cite
Sudha Letha, S.; Delgado, A.E.; Rönnberg, S.K.; Bollen, M.H.J. Evaluation of Medium Voltage Network for Propagation of Supraharmonics Resonance. Energies 2021, 14, 1093. https://doi.org/10.3390/en14041093
Sudha Letha S, Delgado AE, Rönnberg SK, Bollen MHJ. Evaluation of Medium Voltage Network for Propagation of Supraharmonics Resonance. Energies. 2021; 14(4):1093. https://doi.org/10.3390/en14041093
Chicago/Turabian StyleSudha Letha, Shimi, Angela Espin Delgado, Sarah K. Rönnberg, and Math H. J. Bollen. 2021. "Evaluation of Medium Voltage Network for Propagation of Supraharmonics Resonance" Energies 14, no. 4: 1093. https://doi.org/10.3390/en14041093
APA StyleSudha Letha, S., Delgado, A. E., Rönnberg, S. K., & Bollen, M. H. J. (2021). Evaluation of Medium Voltage Network for Propagation of Supraharmonics Resonance. Energies, 14(4), 1093. https://doi.org/10.3390/en14041093

