A Review on Power Electronics Technologies for Power Quality Improvement
Abstract
1. Introduction
2. Power Quality Phenomena
2.1. System Unbalance
2.2. Voltage Sags
2.3. Voltage Fluctuations (Flickers)
2.4. Transient Overvoltages and Inrush Currents
2.5. Harmonics and Interharmonics
2.6. Frequency Variation of the AC Supply Voltage
2.7. Low Power Factor
3. Power Quality Problems Related to Renewable Energy Sources
3.1. Hybrid PV-ESS Systems for Improving Power Quality and Grid Reliability
3.2. Wind Generation
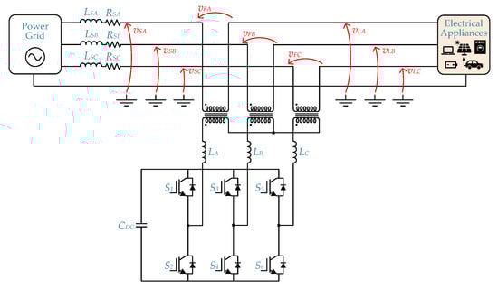
4. Power Quality in Solid-State Transformers
4.1. SST vs. Traditional Low-Frequency Transformers
4.2. SST for Power Quality Improvement in Electric Distribution Systems and Hybrid Grids
4.3. SST and Renewable Energy Sources
4.4. SST and Energy Storage Systems
4.5. SST and Electric Mobility
5. Power Quality in Electric Mobility
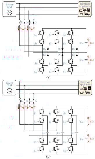
5.1. Power Electronics Topologies for EV Battery Charging Systems
5.2. Onboard EV Battery Charging Systems
5.3. Off-Board EV Battery Charging Systems
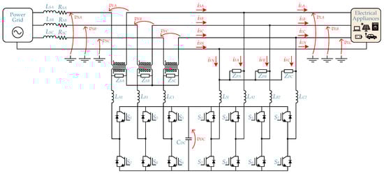
6. Power Electronics for Active Power Filters and Uninterruptible Power Supplies
6.1. Shunt Active Power Filters
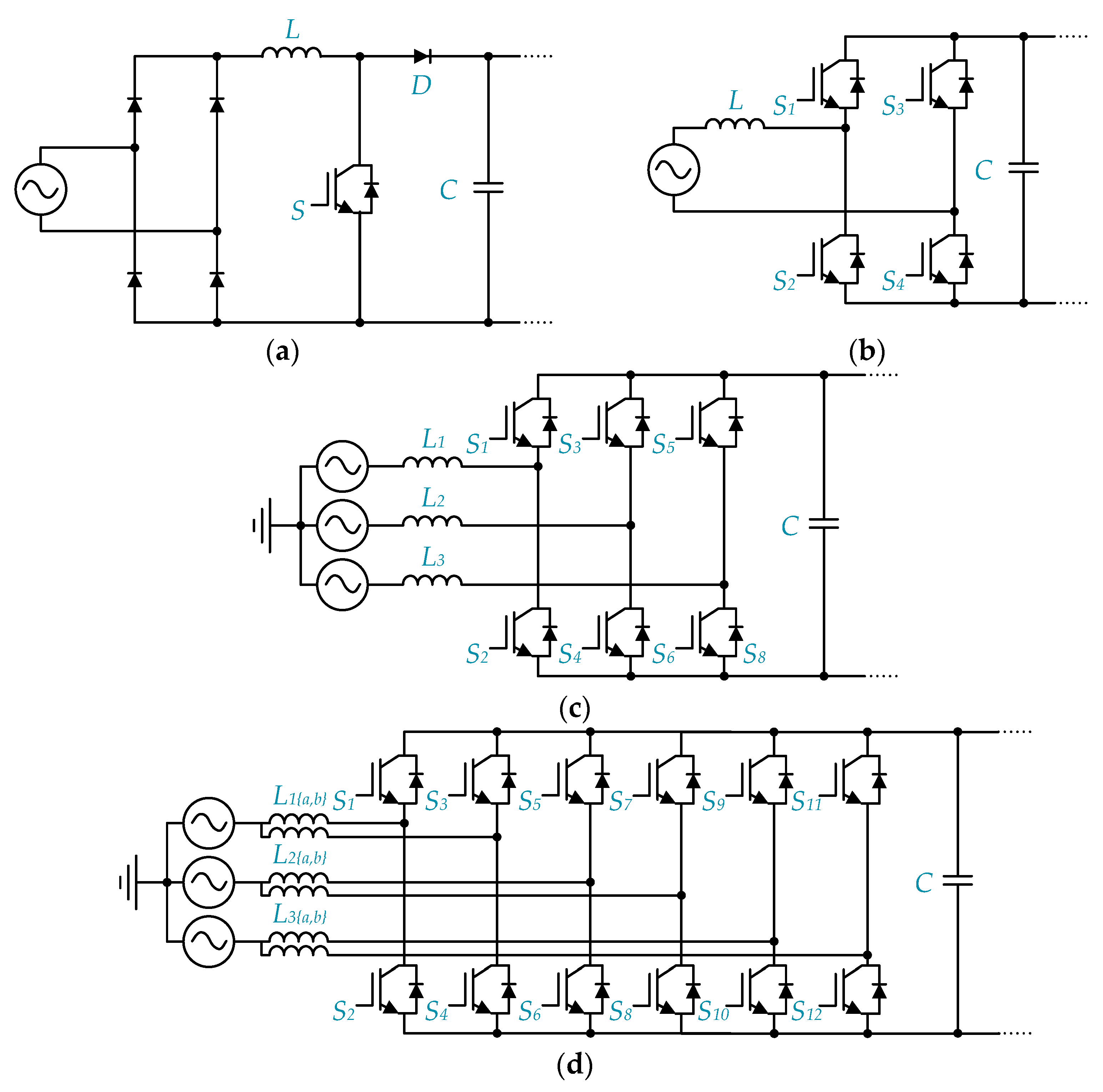
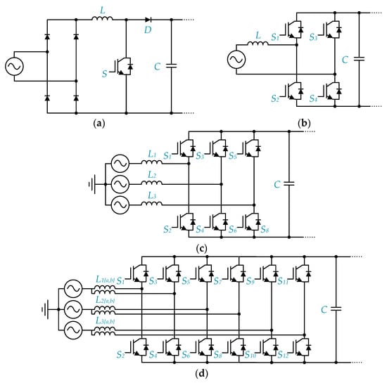
6.1.1. ShAPFs Based on Voltage Source/Current Source Converters
6.1.2. ShAPFs for Three-Phase Systems
6.1.3. ShAPFs for Single-Phase Systems
6.1.4. ShAPFs Based on Multilevel Topologies
6.1.5. Hybrid ShAPF
6.2. Series Active Power Filters
6.2.1. Hybrid Series Active Power Filters
6.2.2. Transformerless Series Active Power Filters
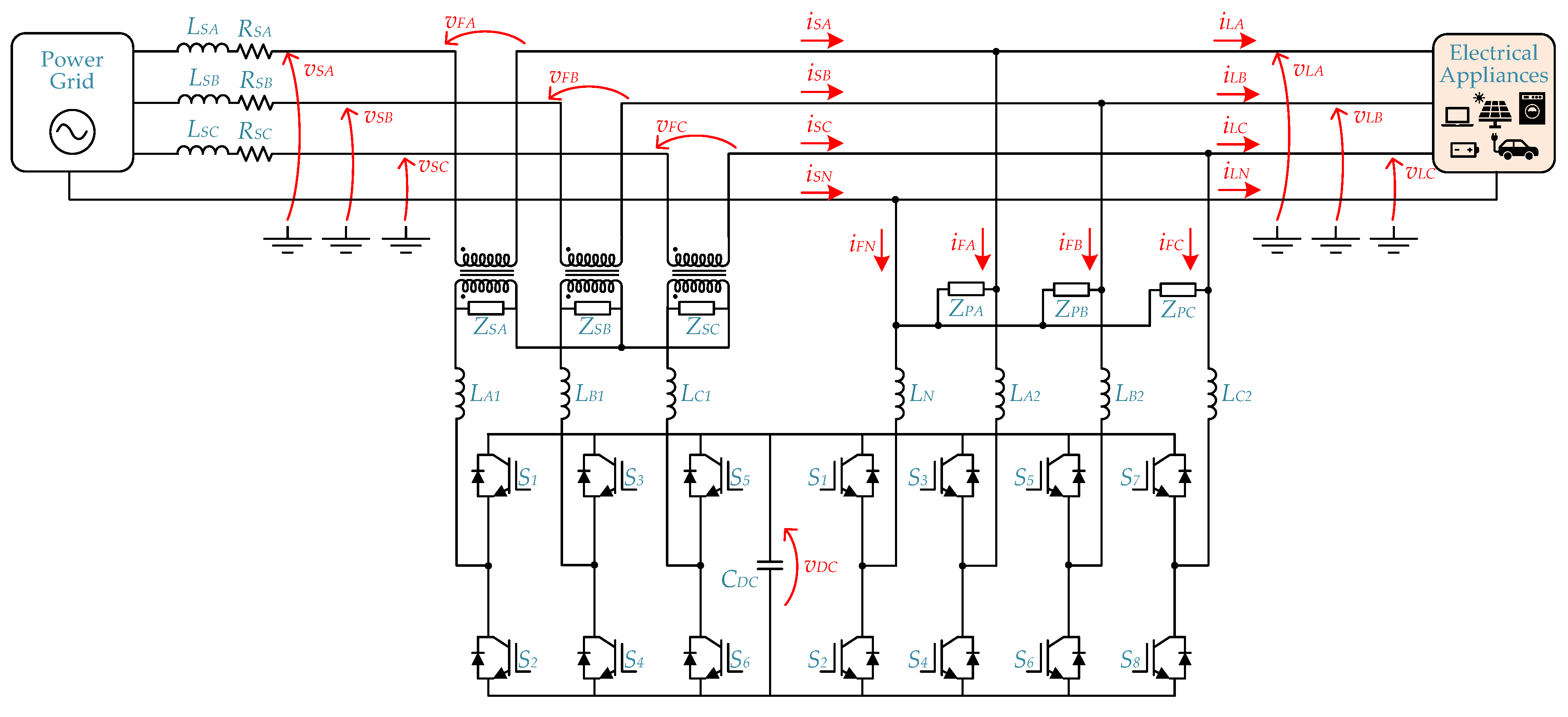
6.3. Unified Power Quality Conditioner
6.4. Uninterruptible Power Supply
6.4.1. Offline Uninterruptible Power Supply
6.4.2. Line-Interactive Uninterruptible Power Supply
6.4.3. Online Uninterruptible Power Supply
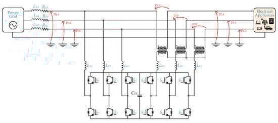
7. Power Quality in Railway Systems
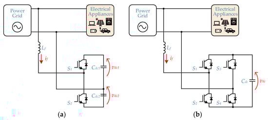
7.1. Static VAr Compensator (SVC)
7.2. Static Synchronous Compensator (STATCOM)
7.3. Static Frequency Converter
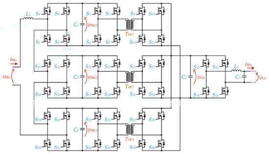
7.4. Rail Power Conditioner
7.5. Comparison between FACTS Devices for Power Quality Improvement in Electrified Railway Applications
8. Power Quality in Electrical Appliances
8.1. Motor Drives
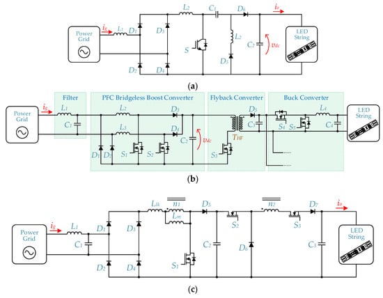
8.2. Electric Lighting
9. Future Research
10. Conclusions
Author Contributions
Funding
Informed Consent Statement
Data Availability Statement
Conflicts of Interest
References
- Heirman, D. What makes Smart Grid—Smart—And who is in the “game”? IEEE Electromagn. Compat. Mag. 2012, 1, 95–99. [Google Scholar] [CrossRef]
- Masera, M.; Bompard, E.F.; Profumo, F.; Hadjsaid, N. Smart (Electricity) Grids for Smart Cities: Assessing Roles and Societal Impacts. Proc. IEEE 2018, 106, 613–625. [Google Scholar] [CrossRef]
- Ghosal, A.; Conti, M. Key Management Systems for Smart Grid Advanced Metering Infrastructure: A Survey. IEEE Commun. Surv. Tutor. 2019, 21, 2831–2848. [Google Scholar] [CrossRef]
- Kazibwe, W.E.; Ringlee, R.J.; Woodzell, G.W.; Sendaula, H.M. Power Quality: A Review. IEEE Comput. Appl. Power 1990, 3, 39–42. [Google Scholar] [CrossRef]
- Shin, Y.-J.; Powers, E.J.; Grady, M.; Arapostathis, A. Power Quality Indices for Transient Disturbances. IEEE Trans. Power Deliv. 2016, 21, 253–261. [Google Scholar] [CrossRef]
- Browne, T.; Heydt, G. Power Quality as an Educational Opportunity. IEEE Trans. Power Syst. 2008, 23, 814–815. [Google Scholar] [CrossRef]
- Bollen, M.H.J.; Das, R.; Djokic, S.; Ciufo, P.; Meyer, J.; Rönnberg, S.; Zavodam, F. Power Quality Concerns in Implementing Smart Distribution-Grid Applications. IEEE Trans. Smart Grid 2017, 8, 391–399. [Google Scholar] [CrossRef]
- Moghbel, M.; Masoum, M.A.S.; Fereidouni, A.; Deilami, S. Optimal Sizing, Siting and Operation of Custom Power Devices with STATCOM and APLC Functions for Real-Time Reactive Power and Network Voltage Quality Control of Smart Grid. IEEE Trans. Smart Grid 2017, 9, 5564–5575. [Google Scholar] [CrossRef]
- Keebler, P.F. Meshing Power Quality and Electromagnetic Compatibility for Tomorrow’s Smart Grid. IEEE Electromagn. Compat. Mag. 2012, 1, 100–103. [Google Scholar] [CrossRef]
- Yan, S.; Tan, S.; Lee, C.; Chaudhuri, B.; Hui, S. Use of Smart Loads for Power Quality Improvement. IEEE J. Emerg. Sel. Top. Power Electron. 2017, 5, 504–512. [Google Scholar] [CrossRef]
- Nejabatkhah, F.; Li, Y.W.; Tian, H. Power Quality Control of Smart Hybrid AC/DC Microgrids: An Overview. IEEE Access 2019, 7, 52295–52318. [Google Scholar] [CrossRef]
- Elphick, S.; Gosbell, V.; Smith, V.; Perera, S.; Ciufo, P.; Drury, G. Methods for Harmonic Analysis and Reporting in Future Grid Applications. IEEE Trans. Power Deliv. 2016, 32, 989–995. [Google Scholar] [CrossRef]
- Beleiu, H.G.; Beleiu, I.N.; Pavel, S.G.; Darab, C.P. Management of Power Quality Issues from an Economic Point of View. Sustainability 2018, 10, 2326. [Google Scholar] [CrossRef]
- Nikolic, A.; Naumovic-Vukovic, D.; Skundric, S.; Kovacevic, D.; Milenkovic, V. Methods for Power Quality Analysis According to EN 50160. In Proceedings of the 9th International Conference on Electrical Power Quality and Utilization, Barcelona, Spain, 9–11 October 2007; pp. 1–6. [Google Scholar]
- European Norm. Railway Applications-Supply Voltages of Traction Systems, European Standard-EN 50163; European Committee for Electrotechnical Standardization (CENELEC): Brussel, Belgium, 2004 November; Available online: https://standards.globalspec.com/std/14256323/EN%2050163 (accessed on 9 December 2021).
- Rudnick, H.; Dixon, J.; Moran, L. Delivering clean and pure power. IEEE Power Energy Mag. 2003, 1, 32–40. [Google Scholar] [CrossRef]
- Chen, S.-L.; Li, R.-J.; Hsi, P.-H. Traction System Unbalance Problem—Analysis Methodologies. IEEE Trans. Power Deliv. 2004, 19, 1877–1883. [Google Scholar] [CrossRef]
- He, Z.; Zheng, Z.; Hu, H. Power quality in high-speed railway systems. Int. J. Rail Transp. 2016, 4, 71–97. [Google Scholar] [CrossRef]
- Gazafrudi, S.M.M.; Langeroudi, A.T.; Fuchs, E.F.; Al-Haddad, K. Power Quality Issues in Railway Electrification: A Comprehensive Perspective. IEEE Trans. Ind. Electron. 2015, 62, 3081–3090. [Google Scholar] [CrossRef]
- European Norm. Voltage Characteristics of Electricity Supplied by Public Distribution Systems-EN 50160. European Committee for Electrotechnical Standardization (CENELEC): Brussel, Belgium, 2010 July; Available online: https://standards.globalspec.com/std/13493775/EN%2050160 (accessed on 9 December 2021).
- Rigogiannis, N.; Voglitsis, D.; Jappe, T.; Papanikolaou, N. Voltage Transients Mitigation in the DC Distribution Network of More/All Electric Aircrafts. Energies 2020, 13, 4123. [Google Scholar] [CrossRef]
- Herath, H.M.S.C.; Gosbell, V.J.; Perera, S. Power Quality (PQ) Survey Reporting: Discrete Disturbance Limits. IEEE Trans. Power Deliv. 2005, 20, 851–858. [Google Scholar] [CrossRef]
- IEC 61000-3-3: Limits-Section 3: Limitation of Voltage Changes, Voltage Fluctuations and Flicker in Public Low Voltage Supply Systems, for Equipment with Rated Current. 2002. Available online: https://standards.globalspec.com/std/14220810/cei-en-61000-3-3 (accessed on 11 November 2021).
- Choi, S.-J.; Lim, S.-H. Fluctuation Suppression of DC-Link Voltage Using Control of Converters Connected with DC Distributed Generation. Energies 2020, 13, 5832. [Google Scholar] [CrossRef]
- Heydt, G.T. Electric power quality: A tutorial introduction. IEEE Comput. Appl. Power 1998, 11, 15–19. [Google Scholar] [CrossRef]
- Christian, F.; Holger, W.; Friedrich, K.; Erlich, I. Enhanced Fault Ride-Through Method for Wind Farms Connected to the Grid Through VSC-Based HVDC Transmission. IEEE Trans. Power Syst. 2009, 24, 1537–1546. [Google Scholar]
- Jan, D.; Angelo, B. Power Quality Application Guide, Harmonics: Neutral Sizing in Harmonic Rich Installations; Leonardo Power Quality Initiative Project; Copper Development Association: Hemel Hempstead, UK, 2003; pp. 1–12. [Google Scholar]
- Duffey, C.K.; Stratford, R.P. Update of harmonic standard IEEE-519: IEEE Recommended Practices and Requirements for Harmonic Control in Electric Power Systems. IEEE Trans. Ind. Appl. 1989, 25, 1025–1034. [Google Scholar] [CrossRef]
- Electromagnetic Compatibility (EMC). Part 3-2: Limits–-Limits for Harmonic Current Emissions (Equipment Current ≤ 16 A Per Phase); Int Std IEC 61000-3-2; IEC: Geneva, Switzerland, 2009; Available online: https://standards.globalspec.com/std/14302638/iec-61000-3-2 (accessed on 9 December 2021).
- Electromagnetic Compatibility (EMC). Part 3-12: Limits-Limits for Harmonic Currents Produced by Equipment Connected to Public Low-Voltage Systems with Input Current > 16 A and ≤ 75 A per Phase; Int Std IEC 61000-3-12. IEC: Geneva, Switzerland, 2012. Available online: https://standards.globalspec.com/std/14395075/61000-3-12 (accessed on 9 December 2021).
- Das, J.C. Harmonic Distortion Limits According to Standards. In Power System Harmonics and Passive Filter Designs; IEEE: Piscataway, NJ, USA, 2015; pp. 427–451. [Google Scholar] [CrossRef]
- Tanta, M.; Barros, L.A.M.; Pinto, J.G.; Martins, A.P.; Afonso, J.L. Modular Multilevel Converter in Electrified Railway Systems: Applications of Rail Static Frequency Converters and Rail Power Conditioners. In Proceedings of the International Young Engineers Forum (YEF-ECE), Costa da Caparica, Portugal, 3 July 2020; pp. 55–60. [Google Scholar]
- Lin, H.-C. Sources, Effects, and Modelling of Interharmonics. Math. Probl. Eng. 2014, 2014, 730362. [Google Scholar] [CrossRef]
- Whaite, S.; Grainger, B.; Kwasinski, A. Power Quality in DC Power Distribution Systems and Microgrids. Energies 2015, 8, 4378–4399. [Google Scholar] [CrossRef]
- Morais, V.A.; Afonso, J.L.; Carvalho, A.S.; Martins, A.P. New Reactive Power Compensation Strategies for Railway Infrastructure Capacity Increasing. Energies 2020, 13, 4379. [Google Scholar] [CrossRef]
- Heger, C.A.; Sen, P.K.; Morroni, A. Power factor correction—A fresh look into today’s electrical systems. In Proceedings of the 2012 IEEE-IAS/PCA 54th Cement Industry Technical Conference, San Antonio, TX, USA, 14–17 May 2012; pp. 1–13. [Google Scholar]
- World Energy Resources|2016. Available online: https://www.worldenergy.org/wp-content/uploads/2016/10/World-Energy-Resources-Full-report-2016.10.03.pdf (accessed on 13 March 2021).
- Global Wind Report. Available online: https://iea-pvps.org/wp-content/uploads/2020/04/IEA_PVPS_Snapshot_2020.pdf (accessed on 13 March 2021).
- Global Photovoltaic Market 2020. Available online: http://www.indianwindpower.com/pdf/GWEC_Global_Wind_2016_Report.pdf (accessed on 13 March 2021).
- Vazquez, S.; Lukic, S.; Galvan, E.; Franquelo, L.G.; Carrasco, J.M. Energy Storage Systems for Transport and Grid Applications. IEEE Trans. Ind. Electron. 2010, 57, 3881–3895. [Google Scholar] [CrossRef]
- Miller, N.; Manz, D.; Roedel, J.; Marken, P.; Kronbeck, E. Utility scale Battery Energy Storage Systems. In Proceedings of the IEEE PES General Meeting, Minneapolis, MN, USA, 25–29 July 2010; pp. 1–7. [Google Scholar] [CrossRef]
- Subramaniam, U.; Vavilapalli, S.; Padmanaban, S.; Blaabjerg, F.; Holm-Nielsen, J.B.; Almakhles, D. A Hybrid PV-Battery System for ON-Grid and OFF-Grid Applications—Controller-In-Loop Simulation Validation. Energies 2020, 13, 755. [Google Scholar] [CrossRef]
- Arif, S.M.; Lie, T.T.; Seet, B.C.; Ahsan, S.M.; Khan, H.A. Plug-In Electric Bus Depot Charging with PV and ESS and Their Impact on LV Feeder. Energies 2020, 13, 2139. [Google Scholar] [CrossRef]
- Ahmed, M.H.; Wang, M.; Hassan, M.A.S.; Ullah, I. Power Loss Model and Efficiency Analysis of Three-Phase Inverter Based on SiC MOSFETs for PV Applications. IEEE Access 2019, 7, 75768–75781. [Google Scholar] [CrossRef]
- Zhao, B.; Song, Q.; Liu, W. Experimental Comparison of Isolated Bidirectional DC–DC Converters Based on All-Si and All-SiC Power Devices for Next-Generation Power Conversion Application. IEEE Trans. Ind. Electron. 2014, 61, 1389–1393. [Google Scholar] [CrossRef]
- Shi, Y.; Li, H.; Wang, L.; Zhang, Y. Intercell Transformer (ICT) Design Optimization and Interphase Crosstalk Mitigation of a 100-kW SiC Filter-Less Grid-Connected PV String Inverter. IEEE Open J. Power Electron. 2020, 1, 51–63. [Google Scholar] [CrossRef]
- Monteiro, L.F.C.; Freitas, C.M.; Bellar, M.D. Improvements on the Incremental Conductance MPPT Method Applied to a PV String with Single-Phase to Three-Phase Converter for Rural Grid Applications. Adv. Electr. Comput. Eng. 2019, 19, 63–70. [Google Scholar] [CrossRef]
- Teston, S.; Vilerá, K.; Mezaroba, M.; Rech, C. Control System Development for the Three-Ports ANPC Converter. Energies 2020, 13, 3967. [Google Scholar] [CrossRef]
- Kim, M.-S.; Kim, D.-H.; Jeong, D.-K.; Kim, J.-M.; Kim, H.-J. Soft Start-Up Control Strategy for Dual Active Bridge Converter with a Supercapacitor. Energies 2020, 13, 4083. [Google Scholar] [CrossRef]
- Chauhan, H.; Singh, M.K.; Hashmi, S.A.; Deka, S. Synthesis of surfactant-free SnS nanorods by a solvothermal route with better electrochemical properties towards supercapacitor applications. RSC Adv. 2015, 5, 17228–17235. [Google Scholar] [CrossRef]
- Traube, J.; Lu, F.; Maksimovic, D.; Mossoba, J.; Kromer, M.; Faill, P.; Katz, S.; Borowy, B.S.; Nichols, S.; Casey, L. Mitigation of Solar Irradiance Intermittency in Photovoltaic Power Systems with Integrated Electric-Vehicle Charging Functionality. IEEE Trans. Power Electron. 2013, 28, 3058–3067. [Google Scholar] [CrossRef]
- Feldman, D.; Ramasamy, V.; Fu, R.; Ramdas, A.; Desai, J.; Margolis, R. US Solar Photovoltaic System and Energy Storage Cost Benchmark: Q1 2020; No. NREL/TP-6A20-77324; National Renewable Energy Lab (NREL): Golden, CO, USA, 2021. [Google Scholar]
- Barros, L.A.M.; Tanta, M.; Sousa, T.J.C.; Afonso, J.L.; Pinto, J.G. New Multifunctional Isolated Microinverter with Integrated Energy Storage System for PV Applications. Energies 2020, 13, 4016. [Google Scholar] [CrossRef]
- Wind Power Plants. Available online: https://library.e.abb.com/public/92faf0c1913f5651c1257937002f88e8/1SDC007112G0201.pdf (accessed on 23 March 2021).
- Eriksson, S.; Bernhoff, H.; Leijon, M. Evaluation of different turbine concepts for wind power. Renew. Sustain. Energy Rev. 2008, 12, 1419–1434. [Google Scholar] [CrossRef]
- Xia, Q.; Wang, Z.; Liu, F.; Li, Y.; Peng, Y.; Xu, Z. Study on power quality issues of wind farm. In Proceedings of the 36th Chinese Control Conference, Dalian, China, 26–28 July 2017; pp. 10490–10494. [Google Scholar]
- Ezhiljenekkha, G.; MarsalineBeno, M. Review of Power Quality Issues in Solar and Wind Energy. Mater. Today Proc. 2020, 24, 2137–2143. [Google Scholar] [CrossRef]
- Suchet, D.; Jeantet, A.; Elghozi, T.; Jehl, Z. Defining and Quantifying Intermittency in the Power Sector. Energies 2020, 13, 3366. [Google Scholar] [CrossRef]
- Farris, A. The Wind Power Intermittency Problem. Available online: http://www.energybc.ca/intermittency.html (accessed on 15 March 2021).
- Coburn, A.; Walsh, E.; Solan, P.J.; McDonnell, K. Combining Wind and Pumped Hydro Energy Storage for Renewable Energy Generation in Ireland. J. Wind. Energy 2014, 2014, 1–6. [Google Scholar] [CrossRef][Green Version]
- Nakatani, M.; Muyeen, S.M.; Takahashi, R.; Tamura, J.; Sugimasa, M.; Komura, A.; Futami, M.; Ichinose, M.; Ide, K. New ESS Connection Scheme in Wind Generator Output Smoothing Control. In Proceedings of the New ESS Connection Scheme in Wind Generator Output Smoothing Control, Incheon, Korea, 10–13 October 2010; pp. 616–621. [Google Scholar]
- Hossain, M.J.; Pota, H.R.; Mahmud, M.A. Decentralized STATCOM/ESS Control for Wind Generators. In Smart Power Grids; Ali, K., Muhammad, M., Eds.; Springer: Berlin/Heidelberg, Germany, 2012; pp. 401–437. [Google Scholar]
- Kim, C.; Muljadi, E.; Chung, C.C. Coordinated Control of Wind Turbine and Energy Storage System for Reducing Wind. Energies 2017, 11, 52. [Google Scholar] [CrossRef]
- Vasco, R. Development of Power Electronic Converters for a Micro Wind System Interconnected with the Power Grid. Master’s Dissertation, University of Minho, Guimarães, Portugal, 2013. [Google Scholar]
- Liserre, M.; Buticchi, G.; Andresen, M.; De Carne, G.; Costa, L.F.; Zou, Z. The Smart Transformer: Impact on the Electric Grid and Technology Challenges. IEEE Ind. Electron. Mag. 2016, 10, 46–58. [Google Scholar] [CrossRef]
- She, X.; Huang, A.Q.; Burgos, R. Review of Solid-State Transformer Technologies and Their Application in Power Distribution Systems. IEEE J. Emerg. Sel. Top. Power Electron. 2013, 1, 186–198. [Google Scholar] [CrossRef]
- Adabi, E.; Martinez-Velasco, J. Solid state transformer technologies and applications: A bibliographical survey. AIMS Energy 2018, 6, 291–338. [Google Scholar] [CrossRef]
- Krishnamoorthy, H.; Enjeti, P.; Sandoval, J.J. Solid State Transformer for Grid Inter-face of High Power Multi-Pulse Rectifiers. IEEE Trans. Ind. Appl. 2017, 54, 5504–5511. [Google Scholar] [CrossRef]
- Shamshuddin, M.; Rojas, F.; Cardenas, R.; Pereda, J.; Diaz, M.; Kennel, R. Solid State Transformers: Concepts, Classification, and Control. Energies 2020, 13, 2319. [Google Scholar] [CrossRef]
- Sabahi, M.; Goharrizi, A.; Hosseini, S.; Sharifian, M.; Gharehpetian, G.B. Flexible Power Electronic Transformer. IEEE Trans. Power Electron. 2010, 25, 2159–2169. [Google Scholar] [CrossRef]
- Bala, S.; Das, D.; Aeloiza, E.; Maitra, A.; Rajagopalan, S. Hybrid distribution transformer: Concept development and field demonstration. In Proceedings of the 2012 IEEE Energy Conversion Congress and Exposition (ECCE), Raleigh, NC, USA, 15–20 September 2012; pp. 4061–4068. [Google Scholar] [CrossRef]
- Satyamsetti, V.; Michealides, A.; Hadjiantonis, A. Forecasting on solid state transformer applications. In Proceedings of the 2017 International Conference on Intelligent Sustainable Systems (ICISS), Palladam, India, 7–8 December 2017; pp. 330–335. [Google Scholar]
- Sundaramoorthy, R.; Ganesan, U. Power Quality Improvement in Modified Solid State Transformer System Using Statcom. J. Adv. Trends Comput. Sci. Eng. 2016, 5, 16686–16691. [Google Scholar] [CrossRef]
- Wen, H.; Yang, R. Power management of Solid-State Transformer in microgrids. In Proceedings of the IEEE PES Asia-Pacific Power and Energy Engineering Conference (APPEEC), Xi’an, China, 25–28 October 2016; pp. 1399–1404. [Google Scholar]
- Ko, Y.; Chub, A.; Costa, L.; Andresen, M.; Liserre, M. Smart transformer universal operation. In Proceedings of the 2018 IEEE Applied Power Electronics Conference and Exposition (APEC), San Antonio, TX, USA, 4–8 March 2018; pp. 1609–1616. [Google Scholar]
- Costa, L.F.; De Carne, G.; Buticchi, G.; Liserre, M. The Smart Transformer: A solid-state transformer tailored to provide ancillary services to the distribution grid. IEEE Power Electron. Mag. 2017, 4, 56–67. [Google Scholar] [CrossRef]
- Vaca-Urbano, F.; Alvarez-Alvarado, M.S.; Recalde, A.A.; Moncayo-Rea, F. Solid-State Transformer for Energy Efficiency Enhancement. Energy Effic. Smart Grids 2019. [Google Scholar] [CrossRef]
- Bignucolo, F.; Bertoluzzo, M.; Fontana, C. Applications of the solid state transformer concept in the electrical power system. In Proceedings of the 2015 AEIT International Annual Conference (AEIT), Naples, Italy, 14–16 October 2015; pp. 1–6. [Google Scholar]
- Zhu, Q.; Wang, L.; Huang, A.Q.; Booth, K.; Zhang, L. 7.2-kV Single-Stage Solid-State Transformer Based on the Current-Fed Series Resonant Converter and 15-kV SiC mosfets. IEEE Trans. Power Electron. 2019, 34, 1099–1112. [Google Scholar] [CrossRef]
- Londero, R.; Mello, A.; Silva, G. Comparison between conventional and solid state transformers in smart distribution grids. In Proceedings of the 2019 IEEE PES Innovative Smart Grid Technologies Conference-Latin America (ISGT Latin America), Gramado, Brazil, 15–18 September 2019; pp. 1–6. [Google Scholar]
- Wang, J.; Gu, B.; Duan, Q.; Ma, C.; Ji, B.; You, J. Control strategy of solid state power electronic transformer under voltage disturbance conditions. In Proceedings of the IECON 2015-41st Annual Conference of the IEEE Industrial Electronics Society, Yokohama, Japan, 9–12 November 2015; pp. 003081–003085. [Google Scholar]
- De Carne, G.; Buticchi, G.; Liserre, M.; Vournas, C. Load Control Using Sensitivity Identification by Means of Smart Transformer. IEEE Trans. Smart Grid 2018, 9, 2606–2615. [Google Scholar] [CrossRef]
- Saju, N.; Jegathesan, V.; Aiswarya, K. Solid State Transformers: An Emerging Trend in Power Quality Improvement. J. Eng. Res. Technol. 2020, 13, 900–908. [Google Scholar]
- Banaei, M.; Salary, E. Mitigation of voltage sag, swell and power factor correction using solid-state transformer based matrix converter in output stage. Alex. Eng. J. 2014, 53, 563–572. [Google Scholar] [CrossRef]
- Venkat, J.; Shukla, A.; Kulkarni, S. Operation of a three phase solid state-Transformer under unbalanced load conditions. In Proceedings of the IEEE International Conference on Power Electronics, Drives and Energy Systems (PEDES), Mumbai, India, 16–19 December 2014; pp. 1–6. [Google Scholar]
- Zhu, R.; Liserre, M. Continuous Operation of Smart Transformer-fed Distribution Grid with Single-phase Faults. In Proceedings of the IEEE ECCE Energy Conversion Congress and Exposition, Portland, OR, USA, 23–27 September 2018; pp. 458–464. [Google Scholar]
- Shi, J.; Yang, W.; Xue, F.; Qiao, W.; Yang, T.; Wang, J. Reactive Power Optimization of Active Distribution Network under Parallel Condition of Solid-State Transformer and On-Load Tap Changer. In Proceedings of the International Conference on Electrical Machines and Systems (ICEMS), Harbin, China, 11–14 August 2019; pp. 1–6. [Google Scholar]
- Xiao, J.; Li, H.; Luo, F. Analysis of the increase of distribution network efficiency in parallel operation of the main transformers in high-voltage substations. In Proceedings of the International Conference on Sustainable Power Generation and Supply, Nanjing, China, 6–7 April 2009; pp. 1–4. [Google Scholar]
- Hrishikesan, V.; Kumar, C.; Liserre, M. Voltage quality improvement in smart transformer integrated distribution grid. In Proceedings of the IEEE IECON Annual Conference of the Industrial Electronics Society, Beijing, China, 29 October–1 November 2017; pp. 5386–5391. [Google Scholar]
- Sanduleac, M.; Martins, J.; Ciornei, I.; Albu, M.; Toma, L.; Pires, V.; Hadjidemetriou, L.; Sauba, R. Resilient and Immune by Design Microgrids Using Solid State Transformers. Energies 2018, 11, 3377. [Google Scholar] [CrossRef]
- Feng, W.; Le Tuan, A.; Tjernberg, L.B.; Mannikoff, A.; Bergman, A. A New Approach for Benefit Evaluation of Multiterminal VSC–HVDC Using A Proposed Mixed AC/DC Optimal Power Flow. IEEE Trans. Power Deliv. 2014, 29, 432–443. [Google Scholar] [CrossRef]
- Dragičević, T.; Lu, X.; Vasquez, J.; Guerrero, J. DC Microgrids—Part II: A Review of Power Architectures, Applications, and Standardization Issues. IEEE Trans. Power Electron. 2016, 31, 3528–3549. [Google Scholar] [CrossRef]
- Agrawal, A.; Nalamati, C.; Gupta, R. Hybrid DC–AC Zonal Microgrid Enabled by Solid-State Transformer and Centralized ESD Integration. IEEE Trans. Ind. Electron. 2019, 66, 9097–9107. [Google Scholar] [CrossRef]
- Zhao, W.; Zheng, J.; Zheng, Z.; Han, Z. Equivalent Modeling of Power Electronic Transformer in AC-DC hybrid system. In Proceedings of the IEEE Innovative Smart Grid Technologies-Asia (ISGT Asia), Chengdu, China, 21–24 May 2019; pp. 2644–2649. [Google Scholar]
- Yang, Y.; Pei, W.; Zhang, S.; Ye, H.; Wan, Y.; Qi, X. Architecture Design and Evaluation of Hybrid AC/DC Power Grids Based on Power Electronic Transformer. In Proceedings of the IEEE Innovative Smart Grid Technologies-Asia (ISGT Asia), Chengdu, China, 21–24 May 2019; pp. 2196–2200. [Google Scholar]
- Huber, J.; Kolar, J. Applicability of Solid-State Transformers in Today’s and Future Distribution Grids. IEEE Trans. Smart Grid 2019, 10, 317–326. [Google Scholar] [CrossRef]
- Sosnina, E.; Shalukho, A.; Kryukov, E.; Erdili, N.; Ivanov, A. Modeling of Stand-alone Power Supply System with Distributed Generation Sources. In Proceedings of the 2019 16th International Conference on the European Energy Market (EEM), Ljubljana, Slovenia, 18–20 September 2019; pp. 1–5. [Google Scholar]
- Shalukho, A.; Lipuzhin, I.; Voroshilov, A. Power Quality in Microgrids with Distributed Generation. In Proceedings of the International Ural Conference on Electrical Power Engineering (UralCon), Chelyabinsk, Russia, 1–3 October 2019; pp. 54–58. [Google Scholar]
- Wang, J.; Wu, H.; Sun, K.; Zhang, L. A High Efficiency Quasi-Single-Stage Unified Power Quality Conditioner Integrating Distributed Generation. In Proceedings of the IEEE International Symposium on Power Electronics for Distributed Generation Systems (PEDG), Xi’an, China, 3–6 June 2019; pp. 1099–1104. [Google Scholar]
- Temerbaev, S.; Dovgun, V.P. Improvement of power quality in distributed generation systems using hybrid power filters. In Proceedings of the International Conference on Harmonics and Quality of Power (ICHQP), Bucharest, Romania, 25–28 May 2014; pp. 694–698. [Google Scholar]
- George, K. Solid-State Transformers for Interfacing Solar Panels to the Power Grid: An Optimum Design Methodology of a High Frequency Transformer for dc-dc Converter Applications. Univ. Ark. Undergrad. Res. J. 2016, 20, 5. [Google Scholar]
- Foureaux, N.; Adolpho, L.; Silva, S.; Brito, J.; Filho, B. Application of solid-state transformers in utility scale solar power plants. In Proceedings of the IEEE Photovoltaic Specialist Conference (PVSC), Denver, CO, USA, 8–13 June 2014; pp. 3695–3700. [Google Scholar]
- Bulatov, Y.; Kryukov, A.; Arsentiev, G. Use of Power Routers and Renewable Energy Resources in Smart Power Supply Systems. In Proceedings of the International Ural Conference on Green Energy (UralCon), Chelyabinsk, Russia, 4–6 October 2018; pp. 143–148. [Google Scholar]
- Autkar, K.; Dhamse, S. Solid State Transformer for Doubly Fed Induction Generator Based Wind Energy Conversion System: A Review. In Proceedings of the International Conference on Computation of Power, Energy, Information and Communication (ICCPEIC), Chennai, India, 28–19 March 2018; pp. 129–134. [Google Scholar]
- Gao, R.; Husain, I.; Wang, F.; Huang, A. Solid-state transformer interfaced PMSG wind energy conversion system. In Proceedings of the IEEE Applied Power Electronics Conference and Exposition (APEC), Charlotte, NC, USA, 15–19 March 2015; pp. 1310–1317. [Google Scholar]
- She, X.; Wang, F.; Burgos, R.; Huang, A. Solid state transformer interfaced wind energy system with integrated active power transfer, reactive power compensation and voltage conversion functions. In Proceedings of the IEEE ECCE Energy Conversion Congress and Exposition, Raleigh, NC, USA, 15–20 September 2012; pp. 3140–3147. [Google Scholar]
- Gadelrab, R.; Hamad, M.; Abdel-Khalik, A.; El Zawawi, A. Wind farms-fed HVDC system power profile enhancement using solid state transformer based flywheel energy storage system. J. Energy Storage 2015, 4, 145–155. [Google Scholar] [CrossRef]
- Wang, R.; Zhang, B.; Zhao, S.; Liang, L.; Chen, Y. Design of an IGBT-series-based Solid-State Circuit Breaker for Battery Energy Storage System Terminal in Solid-State Transformer. In Proceedings of the IEEE IECON Annual Conference of the Industrial Electronics Society, Lisbon, Portugal, 14–17 October 2019; pp. 6677–6682. [Google Scholar]
- Zeng, J.; Zhang, B.; Mao, C.; Li, Y.; Fan, S. Modelling of SST/BES and its application to power quality improvement. Int. J. Adv. Mechatron. Syst. 2011, 3, 198. [Google Scholar] [CrossRef]
- Hambridge, S.; Huang, A.; Yu, R. Solid State Transformer (SST) as an energy router: Economic dispatch based energy routing strategy. In Proceedings of the IEEE ECCE Energy Conversion Congress and Exposition, Montreal, QC, Canada, 20–24 September 2015; pp. 2355–2360. [Google Scholar]
- Wang, K.; Liu, X.; Zhao, L.; Zhou, Y.; Xu, D. Research on Structure and Energy Management Strategy of Household Energy Router Based on Hybrid Energy Storage. In Proceedings of the IEEE Power & Energy Society Innovative Smart Grid Technologies Conference (ISGT), Washington, DC, USA, 18–21 February 2019; pp. 1–5. [Google Scholar]
- Liao, Y.; Lu, C. Dispatch of EV Charging Station Energy Resources for Sustainable Mobility. IEEE Trans. Transp. Electrif. 2015, 1, 86–93. [Google Scholar] [CrossRef]
- Lopes, J.A.P.; Soares, F.J.; Almeida, P. Integration of Electric Vehicles in the Electric Power System. Proc. IEEE 2011, 99, 168–183. [Google Scholar] [CrossRef]
- Galiveeti, H.R.; Goswami, A.; Choudhury, N. Impact of plug-in electric vehicles and distributed generation on reliability of distribution systems. Eng. Sci. Technol. Int. J. 2018, 21, 50–59. [Google Scholar] [CrossRef]
- Salama, H.; Said, S.M.; Vokony, I.; Hartmann, B. Impact of Different Plug-in Electric Vehicle Categories on Distribution Systems. In Proceedings of the 2019 7th International Istanbul Smart Grids and Cities Congress and Fair (ICSG), Istanbul, Turkey, 25–26 April 2019; pp. 109–113. [Google Scholar]
- Atkar, D.; Chaturvedi, P.; Suryawanshi, H.M.; Nachankar, P.; Yadeo, D.; Krishna, S. Solid State Transformer for Electric Vehicle Charging Infrastructure. In Proceedings of the 2020 IEEE International Conference on Power Electronics, Smart Grid and Renewable Energy (PESGRE2020), Cochin, India, 2–4 January 2020; pp. 1–6. [Google Scholar]
- Eshkevari, A.L.; Mosallanejad, A.; Sepasian, M. In-depth study of the application of solid-state transformer in design of high-power electric vehicle charging stations. IET Electr. Syst. Transp. 2020, 10, 310–319. [Google Scholar] [CrossRef]
- Feng, J.; Shang, J.; Zhang, Z.; Liu, H.; Huang, Z. Solid-state transformer-based new traction drive system and control. Front. Mech. Eng. 2017, 13, 411–426. [Google Scholar] [CrossRef]
- Farnesi, S.; Marchesoni, M.; Passalacqua, M.; Vaccaro, L. Solid-State Transformers in Locomotives Fed through AC Lines: A Review and Future Developments. Energies 2019, 12, 4711. [Google Scholar] [CrossRef]
- Dujic, D.; Zhao, C.; Mester, A.; Steinke, J.; Weiss, M.; Lewdeni-Schmid, S.; Chaudhuri, T.; Stefanutti, P. Power Electronic Traction Transformer-Low Voltage Prototype. IEEE Trans. Power Electron. 2013, 28, 5522–5534. [Google Scholar] [CrossRef]
- Farnesi, S.; Marchesoni, M.; Vaccaro, L. Advances in locomotive Power Electronic systems directly fed through AC lines. In Proceedings of the 2016 International Symposium on Power Electronics, Electrical Drives, Automation and Motion (SPEEDAM), Capri, Italy, 22–24 June 2016; pp. 657–664. [Google Scholar]
- Feng, J.; Chu, W.Q.; Zhang, Z.; Zhu, Z.Q. Power Electronic Transformer-Based Railway Traction Systems: Challenges and Opportunities. IEEE J. Emerg. Sel. Top. Power Electron. 2017, 5, 1237–1253. [Google Scholar] [CrossRef]
- Boulanger, A.G.; Chu, A.C.; Maxx, S.; Waltz, D.L. Vehicle Electrification: Status and Issues. Proc. IEEE 2011, 99, 1116–1138. [Google Scholar] [CrossRef]
- Chan, C.C.; Bouscayrol, A.; Chen, K. Electric, Hybrid, and Fuel-Cell Vehicles: Architectures and Modeling. IEEE Trans. Veh. Technol. 2009, 59, 589–598. [Google Scholar] [CrossRef]
- Lam, A.Y.S.; Leung, K.-C.; Li, V.O.K. Capacity Estimation for Vehicle-to-Grid Frequency Regulation Services with Smart Charging Mechanism. IEEE Trans. Smart Grid 2016, 7, 156–166. [Google Scholar] [CrossRef]
- Leou, R.-C. Optimal Charging/Discharging Control for Electric Vehicles Considering Power System Constraints and Operation Costs. IEEE Trans. Power Syst. 2016, 31, 1854–1860. [Google Scholar] [CrossRef]
- Monteiro, V.; Carmo, J.P.; Pinto, J.G.; Afonso, J.L. A Flexible Infrastructure for Dynamic Power Control of Electric Vehicle Battery Chargers. IEEE Trans. Veh. Technol. 2016, 65, 4535–4547. [Google Scholar] [CrossRef]
- Xu, N.Z.; Chung, C.Y. Reliability Evaluation of Distribution Systems Including Vehicle-to-Home and Vehicle-to-Grid. IEEE Trans. Power Syst. 2016, 31, 759–768. [Google Scholar] [CrossRef]
- Arata, M.; Kurihara, Y.; Misu, D.; Matsubara, M. EV and HEV motor development in TOSHIBA. International Power Electronics Conference (IPEC-Hiroshima 2014—ECCE ASIA). In Proceedings of the International Power Electronics Conference (IPEC-Hiroshima 2014—ECCE ASIA), Hiroshima, Japan, 18–21 May 2014; pp. 1874–1879. [Google Scholar] [CrossRef]
- Muhlethaler, J.; Uemura, H.; Kolar, J. Optimal Design of EMI Filters for Single-Phase Boost PFC Circuits. In Proceedings of the IECON 2012-38th Annual Conference on IEEE Industrial Electronics Society, Montreal, QC, Canada, 25–28 October 2012; pp. 632–638. [Google Scholar]
- Tiano, F.A.; Rizzo, G.; Marra, D. Design and Optimization of a Charging Station for Electric Vehicles based on Compressed Air Energy Storage. IFAC-PapersOnLine 2018, 51, 230–235. [Google Scholar] [CrossRef]
- Jiang, C.; Torquato, R.; Salles, D.; Xu, W. Method to Assess the Power-Quality Impact of Plug-in Electric Vehicles. IEEE Trans. Power Deliv. 2014, 29, 958–965. [Google Scholar] [CrossRef]
- Hutchinson, S.; Baran, M.; Lukic, S. Power supply for an electric vehicle charging system for a large parking deck. In Proceedings of the IEEE Industry Applications Society Annual Meeting, Houston, TX, USA, 4–8 October 2019; pp. 1–4. [Google Scholar]
- Blumsack, S.; Samaras, C.; Hines, P. Long-term electric system investments to support plug-in hybrid electric vehicles. In Proceedings of the IEEE Power and Energy Society General Meeting, Pittsburgh, PA, USA, 20–24 July 2008; pp. 1–6. [Google Scholar]
- Papadopoulos, P.; Skarvelis-Kazakos, S.; Grau, I.; Awad, B.; Cipcigan, L.; Jenkins, N. Impact of residential charging of electric vehicles on distribution networks, a probabilistic approach. In Proceedings of the 45th International UPEC International Universities Power Engineering Conference, Cardiff, UK, 31 August–3 September 2010; pp. 1–5. [Google Scholar]
- Hajimiragha, A.; Canizares, C.A.; Fowler, M.; Elkamel, A. Optimal Transition to Plug-In Hybrid Electric Vehicles in Ontario, Canada, Considering the Electricity-Grid Limitations. IEEE Trans. Ind. Electron. 2010, 57, 690–701. [Google Scholar] [CrossRef]
- Farmer, C.; Hines, P.; Dowds, J.; Blumsack, S. Modeling the impact of increasing PHEV loads on the distribution infrastructure. In Proceedings of the 2010 43rd Hawaii international conference on System Sciences, Honolulu, HI, USA, 5–8 January 2010; pp. 1–10. [Google Scholar]
- Teng, J.; Liao, S.; Wen, C. Design of a Fully Decentralized Controlled Electric Vehicle Charger for Mitigating Charging Impact on Power Grids. IEEE Trans. Ind. Appl. 2017, 53, 1497–1505. [Google Scholar] [CrossRef]
- Veldman, E.; Gibescu, M.; Postma, A. Unlocking the hidden potential of electricity distribution grids. In Proceedings of the CIRED 2009-20th International Conference and Exhibition on Electricity Distribution-Part 1, Prague, Czech Republic, 8–11 June 2009; pp. 1–4. [Google Scholar]
- Staats, P. The Harmonic Impact of Electric Vehicle Battery Charging; The University of Texas at Austin: Austin, TX, USA, 1997. [Google Scholar]
- Can, B.; Ayan, O.; Silsupur, M.; Turkay, B.E. Harmonic Effects of Electric Vehicles on Low Voltage Distribution Transformers and Power Grid. In Proceedings of the International Symposium on Multidisciplinary Studies and Innovative Technologies, Ankara, Turkey, 19–21 October 2018; pp. 1–6. [Google Scholar]
- Khalid, M.R.; Alam, M.S.; Sarwar, A.; Asghar, M.J. A Comprehensive review on electric vehicles charging infrastructures and their impacts on power-quality of the utility grid. eTransportation 2019, 1, 100006. [Google Scholar] [CrossRef]
- Zhang, S.; Pang, H.; Georgiadis, A.; Cecati, C. Wireless Power Transfer–An Overview. IEEE Trans. Ind. Electron. 2019, 66, 1044–1058. [Google Scholar] [CrossRef]
- Machura, P.; Li, Q. A critical review on wireless charging for electric vehicles. Renew. Sustain. Energy Rev. 2019, 104, 209–234. [Google Scholar] [CrossRef]
- Monteiro, V.; Ferreira, J.C.; Melendez, A.A.N.; Couto, C.; Afonso, J.L. Experimental Validation of a Novel Architecture Based on a Dual-Stage Converter for Off-Board Fast Battery Chargers of Electric Vehicles. IEEE Trans. Veh. Technol. 2017, 67, 1000–1011. [Google Scholar] [CrossRef]
- Monteiro, V.; Exposto, B.; Pinto, J.; Sepúlveda, M.; Nogueiras Meléndez, A.; Afonso, J. Three-phase three-level current-source converter for EVs fast battery charging systems. In Proceedings of the IEEE International Conference on Industrial Technology (ICIT), Seville, Spain, 17–19 March 2015; pp. 1401–1406. [Google Scholar] [CrossRef]
- Leon, J.I.; Vazquez, S.; Franquelo, L.G. Multilevel Converters: Control and Modulation Techniques for Their Operation and Industrial Applications. Proc. IEEE 2017, 105, 2066–2081. [Google Scholar] [CrossRef]
- Leite, R.; Afonso, L.; Monteiro, V. A Novel Multilevel Bidirectional Topology for On-Board EV Battery Chargers in Smart Grids. Energies 2018, 11, 3453. [Google Scholar] [CrossRef]
- Du, Y.; Zhou, X.; Bai, S.; Lukic, S.; Huang, A. Review of non-isolated bi-directional DC-DC converters for plug-in hybrid electric vehicle charge station application at municipal parking decks. In Proceedings of the 2010 Twenty-Fifth Annual IEEE Applied Power Electronics Conference and Exposition (APEC), Palm Springs, CA, USA, 21–25 February 2010; pp. 1145–1151. [Google Scholar]
- Monteiro, V.; Pinto, J.G.; Exposto, B.; Afonso, J.L. Comprehensive comparison of a current-source and a voltage-source converter for three-phase EV fast battery chargers. In Proceedings of the 2015 9th International Conference on Compatibility and Power Electronics (CPE), Costa da Caparica, Portugal, 24–26 June 2015; pp. 173–178. [Google Scholar]
- Khaligh, A.; D’Antonio, M. Global Trends in High-Power On-Board Chargers for Electric Vehicles. IEEE Trans. Veh. Technol. 2019, 68, 3306–3324. [Google Scholar] [CrossRef]
- Williamson, S.S.; Rathore, A.K.; Musavi, F. Industrial Electronics for Electric Transportation: Current State-of-the-Art and Future Challenges. IEEE Trans. Ind. Electron. 2015, 62, 3021–3032. [Google Scholar] [CrossRef]
- Tu, H.; Feng, H.; Srdic, S.; Lukic, S. Extreme Fast Charging of Electric Vehicles: A Technology Overview. IEEE Trans. Transp. Electrif. 2019, 5, 861–878. [Google Scholar] [CrossRef]
- Monteiro, V.; Pinto, J.; Sousa, T.; Meléndez, A.; Afonso, J. A novel single-phase five-level active rectifier for on-board EV battery chargers. In Proceedings of the 2017 IEEE 26th International Symposium on Industrial Electronics (ISIE), Edinburgh, UK, 19–21 June 2017; Volume 4, pp. 582–587. [Google Scholar]
- Monteiro, V.; Exposto, B.; Pinto, J.G.O.; Fernandes, J.C.A.; Monteiro, L.F.C.; Afonso, J.L. A novel architecture of a bidirectional bridgeless interleaved converter for EV battery chargers. In Proceedings of the 2015 IEEE 24th International Symposium on Industrial Electronics (ISIE), Buzios, Brazil, 3–5 June 2015; pp. 204–209. [Google Scholar]
- Monteiro, V.; Melendez, A.A.N.; Couto, C.; Afonso, J.L. Model predictive current control of a proposed single-switch three-level active rectifier applied to EV battery chargers. In Proceedings of the IECON 2016—42nd Annual Conference of the IEEE Industrial Electronics Society, Florence, Italy, 23–26 October 2016; pp. 1365–1370. [Google Scholar]
- Whitaker, B.; Barkley, A.; Cole, Z.; Passmore, B.; Martin, D.; McNutt, T.R.; Lostetter, A.B.; Lee, J.S.; Shiozaki, K. A High-Density, High-Efficiency, Isolated On-Board Vehicle Battery Charger Utilizing Silicon Carbide Power Devices. IEEE Trans. Power Electron. 2013, 29, 2606–2617. [Google Scholar] [CrossRef]
- Mouawad, B.; Espina, J.; Li, J.; Empringham, L.; Johnson, C. Novel Silicon Carbide Integrated Power Module for EV application. In Proceedings of the 2018 1st Workshop on Wide Bandgap Power Devices and Applications in Asia (WiPDA Asia), Xi’an, China, 16–18 May 2018; pp. 176–180. [Google Scholar]
- Kisacikoglu, M.C.; Kesler, M.; Tolbert, L. Single-Phase On-Board Bidirectional PEV Charger for V2G Reactive Power Operation. IEEE Trans. Smart Grid 2015, 6, 767–775. [Google Scholar] [CrossRef]
- Buja, G.; Bertoluzzo, M.; Fontana, C. Reactive Power Compensation Capabilities of V2G-Enabled Electric Vehicles. IEEE Trans. Power Electron. 2017, 32, 9447–9459. [Google Scholar] [CrossRef]
- Monteiro, V.; Pinto, J.G.; Afonso, J.L. Operation Modes for the Electric Vehicle in Smart Grids and Smart Homes: Present and Proposed Modes. IEEE Trans. Veh. Technol. 2016, 65, 1007–1020. [Google Scholar] [CrossRef]
- Boynuegri, A.; Uzunoglu, M.; Erdinc, O.; Gokalp, E. A new perspective in grid connection of electric vehicles: Different operating modes for elimination of energy quality problems. Appl. Energy 2014, 132, 435–451. [Google Scholar] [CrossRef]
- Monteiro, V.; Pinto, J.; Afonso, J.L. Improved vehicle-for-grid (iV4G) mode: Novel operation mode for EVs battery chargers in smart grids. Int. J. Electr. Power Energy Syst. 2019, 110, 579–587. [Google Scholar] [CrossRef]
- Rodrigues, M.; Souza, I.; Ferreira, A.; Barbosa, P.; Braga, H. Integrated bidirectional single-phase vehicle-to-grid interface with active power filter capability. In Proceedings of the 2013 Brazilian Power Electronics Conference, Gramado, Brazil, 27–31 October 2013; pp. 993–1000. [Google Scholar]
- Rauchfuß, L.; Foulquier, J.; Werner, R. Charging Station as an Active Filter for Harmonics Compensation of Smart Grid. In Proceedings of the 2014 16th International Conference on Harmonics and Quality of Power (ICHQP), Bucharest, Romania, 25–28 May 2014; pp. 181–184. [Google Scholar]
- Han, H.; Zhang, C.; Lv, Z.; Huang, D. Power Control Strategy of Electric Vehicle for Active Distribution Network. In Proceedings of the IECON 2017-43rd Annual Conference of the IEEE Industrial Electronics Society, Beijing, China, 29 October–1 November 2017; pp. 3907–3911. [Google Scholar]
- Lenka, R.; Panda, A.; Dash, A.; Venkataramana, N.; Tiwary, N. Reactive Power Compensation using Vehicle-to-Grid enabled Bidirectional Off-Board EV Battery Charger. In Proceedings of the International Conference on Power Electronics and Energy, Bhubaneswar, India, 2–3 January 2021; pp. 1–6. [Google Scholar] [CrossRef]
- Sasaki, H.; Machida, T. A New Method to Eliminate AC Harmonic Currents by Magnetic Flux Compensation-Considerations on Basic Design. IEEE Trans. Power Appar. Syst. 1971, PAS-90, 2009–2019. [Google Scholar] [CrossRef]
- Gyugyi, L.; Strycula, E. Active AC Power Filters. In Proceedings of the IEEE/IAS Annual Meeting, Orlando, FL, USA, 31 October 1976; pp. 529–535. [Google Scholar]
- Akagi, H.; Kanazawa, Y.; Nabae, A. Instantaneous Reactive Power Compensators Comprising Switching Devices without Energy Storage Components. IEEE Trans. Ind. Appl. 1984, IA-20, 625–630. [Google Scholar] [CrossRef]
- Singh, B.; Al-Haddad, K.; Chandra, A. A review of active filters for power quality improvement. IEEE Trans. Ind. Electron. 1999, 46, 960–971. [Google Scholar] [CrossRef]
- Routimo, M.; Salo, M.; Tuusa, H. Comparison of Voltage-Source and Current-Source Shunt Active Power Filters. IEEE Trans. Power Electron. 2007, 22, 636–643. [Google Scholar] [CrossRef]
- Pinto, J.; Exposto, B.; Monteiro, V.; Monteiro, L.; Couto, C.; Afonso, J. Comparison of current-source and voltage-source Shunt Active Power Filters for harmonic compensation and reactive power control. In Proceedings of the IECON 2012—38th Annual Conference on IEEE Industrial Electronics Society, Montreal, QC, Canada, 25–28 October 2012; pp. 5161–5166. [Google Scholar] [CrossRef]
- Fabricio, E.; Junior, S.C.; Jacobina, C.; Correa, M. Analysis of Main Topologies of Shunt Active Power Filters Applied to Four-Wire Systems. IEEE Trans. Power Electron. 2018, 33, 2100–2112. [Google Scholar] [CrossRef]
- Verdelho, P.; Marques, G. Four-wire current-regulated PWM voltage converter. IEEE Trans. Ind. Electron. 1998, 45, 761–770. [Google Scholar] [CrossRef]
- Escobar, G.; Valdez, A.; Olguin, R.; Montejano, M. A Model-Based Controller for A Three-Phase Four-Wire Shunt Active Filter With Compensation of the Neutral Line Current. IEEE Trans. Power Electron. 2007, 22, 2261–2270. [Google Scholar] [CrossRef]
- Kanjiya, P.; Khadkikar, V.; Zeineldin, H.H. Optimal Control of Shunt Active Power Filter to Meet IEEE Std. 519 Current Harmonic Constraints Under Nonideal Supply Condition. IEEE Trans. Ind. Electron. 2015, 62, 724–734. [Google Scholar] [CrossRef]
- Jiao, S.; Potti, K.R.R.; Rajashekara, K.; Pramanick, S.K. A Novel DROGI-Based Detection Scheme for Power Quality Improvement Using Four-Leg Converter Under Unbalanced Loads. IEEE Trans. Ind. Appl. 2019, 56, 815–825. [Google Scholar] [CrossRef]
- Terciyanli, A.; Avci, T.; Yilmaz, I.; Ermis, C.; Kose, K.N.; Acik, A.; Kalaycioglu, A.S.; Akkaya, Y.; Cadirci, I.; Ermis, M. A Current Source Converter-Based Active Power Filter for Mitigation of Harmonics at the Interface of Distribution and Transmission Systems. IEEE Trans. Ind. Appl. 2012, 48, 1374–1386. [Google Scholar] [CrossRef]
- Sun, Y.; Liu, Y.; Su, M.; Han, H.; Li, X.; Li, X. Topology and Control of a Split-Capacitor Four-Wire Current Source Inverter with Leakage Current Suppression Capability. IEEE Trans. Power Electron. 2018, 33, 10803–10814. [Google Scholar] [CrossRef]
- Jou, H. New single-phase active power filter. IEE Proc.-Electr. Power Appl. 1995, 141, 129. [Google Scholar] [CrossRef]
- Lu, W.; Yeh, S.; Hwang, J.; Hsieh, H. Development of a single-phase half-bridge active power filter with the function of uninterruptible power supplies. IEE Proc.-Electr. Power Appl. 2000, 147, 313–319. [Google Scholar] [CrossRef]
- Costa-Castelló, R.; Grino, R.; Parpal, R.C.; Fossas, E. High-Performance Control of a Single-Phase Shunt Active Filter. IEEE Trans. Control. Syst. Technol. 2009, 17, 1318–1329. [Google Scholar] [CrossRef]
- Pini, S.H.; Barbi, I. A Single-Phase High-Power-Factor Rectifier, Based on a Two-Quadrant Shunt Active Filter. IEEE Trans. Power Electron. 2011, 26, 3131–3143. [Google Scholar] [CrossRef]
- El Shatshat, R.; Salama, M.; Kazerani, M. Artificial Intelligent Controller for Current Source Converter-Based Modular Active Power Filters. IEEE Trans. Power Deliv. 2004, 19, 1314–1320. [Google Scholar] [CrossRef]
- Wang, Q.; Cheng, M.; Jiang, Y. Harmonics Suppression for Critical Loads Using Electric Springs with Current-Source Inverters. IEEE J. Emerg. Sel. Top. Power Electron. 2016, 4, 1362–1369. [Google Scholar] [CrossRef]
- Oliveira, C.F.; Barros, L.A.M.; Afonso, J.L.; Pinto, J.G.; Exposto, B.; Monteiro, V. A Novel Single-Phase Shunt Active Power Filter Based on a Current-Source Converter with Reduced Dc-Link. In International Conference on Sustainable Energy for Smart Cities; Lecture Notes of the Institute for Computer Sciences, Social Informatics and Telecommunications Engineering; Springer: Cham, Switzerland, 2020; Volume 315, pp. 269–280. [Google Scholar]
- Nabae, A.; Takahashi, I.; Akagi, H. A New Neutral-Point-Clamped PWM Inverter. IEEE Trans. Ind. Appl. 1981, IA-17, 518–523. [Google Scholar] [CrossRef]
- Vodyakho, O.; Mi, C. Three-Level Inverter-Based Shunt Active Power Filter in Three-Phase Three-Wire and Four-Wire Systems. IEEE Trans. Power Electron. 2009, 24, 1350–1363. [Google Scholar] [CrossRef]
- Rao, P.; Nakka, J. Three-Phase Four-Leg Four-Wire Topology in High Power Factor Converter addressing the problem of unbalanced source currents. In Proceedings of the IEEE Power India International Conference (PIICON), Kurukshetra, India, 10–12 December 2018; pp. 1–6. [Google Scholar]
- Lin, B.; Hung, T. Development of a single-phase half-bridge neutral point clamped converter and its applications. In Proceedings of the IEEE International Symposium on Circuits and Systems, Phoenix-Scottsdale, AZ, USA, 26–29 May 2002; Volume 3, pp. III-835–III-838. [Google Scholar]
- Martinez, P.; Escobar, G.; Sosa, J.; Vazquez, G.; Valdez, A.; Juarez, M. A model-based controller for a single-phase active filter using a full bridge NPC. In Proceedings of the IECON 2014—40th Annual Conference of the IEEE Industrial Electronics Society, Dallas, TX, USA, 29 October–1 November 2014; pp. 5150–5156. [Google Scholar]
- Pinto, J.G.O.; Macedo, R.; Monteiro, V.; Barros, L.; Sousa, T.; Afonso, J.L. Single-Phase Shunt Active Power Filter Based on a 5-Level Converter Topology. Energies 2018, 11, 1019. [Google Scholar] [CrossRef]
- Lin, B.; Hung, T.; Huang, C. Bi-directional single-phase half-bridge rectifier for power quality compensation. IEE Proc.-Electr. Power Appl. 2003, 150, 397–406. [Google Scholar] [CrossRef]
- Lin, B.-R.; Hou, Y.-L. Single-phase integrated power quality compensator based on capacitor-clamped configuration. IEEE Trans. Ind. Electron. 2002, 49, 173–185. [Google Scholar] [CrossRef]
- Liang, Y.; Nwankpa, C. A power-line conditioner based on flying-capacitor multilevel voltage-source converter with phase-shift SPWM. IEEE Trans. Ind. Appl. 2000, 36, 965–971. [Google Scholar] [CrossRef]
- Sedlak, M.; Stynski, S.; Kazmierkowski, M.; Malinowski, M. Control of three-level four-leg flying capacitor converter with active filtering function for RES. In Proceedings of the 2013 Eighth International Conference and Exhibition on Ecological Vehicles and Renewable Energies (EVER), Monte Carlo, Monaco, 20–27 March 2013; pp. 1–7. [Google Scholar]
- Lin, B.; Yang, T. Three-level voltage-source inverter for shunt active filter. IEE Proc.-Electr. Power Appl. 2004, 151, 744–751. [Google Scholar] [CrossRef]
- Zeng, F.; Tan, G.; Wang, J.; Ji, Y. Novel single-phase five-level voltage-source inverter for the shunt active power filter. IET Power Electron. 2010, 3, 480–489. [Google Scholar] [CrossRef]
- Huang, H.; Li, E.; Wang, H. Three-Level Equilibrium Strategy of DC Voltage Balance Control for H-Bridge Cascaded Active Power Filter. IEEE Access 2019, 7, 28847–28854. [Google Scholar] [CrossRef]
- Peng, F.; McKeever, J.; Adams, D. A power line conditioner using cascade multilevel inverters for distribution systems. IEEE Trans. Ind. Appl. 1998, 34, 1293–1298. [Google Scholar] [CrossRef]
- Valdez-Fernandez, A.; Martinez-Rodriguez, P.; Escobar, G.; Limones-Pozos, C.; Sosa, J. A Model-Based Controller for the Cascade H-Bridge Multilevel Converter Used as a Shunt Active Filter. IEEE Trans. Ind. Electron. 2012, 60, 5019–5028. [Google Scholar] [CrossRef]
- Kumar, B.; Chandramouli, A. Modeling and simulation of nine-level cascaded H-bridge inverter based shunt active power filter for single-phase distribution system. In Proceedings of the International Conference on Inventive Computing and Informatics (ICICI), Coimbatore, India, 23–24 November 2017; pp. 675–680. [Google Scholar]
- Inzunza, R.; Akagi, H. A 6.6-kV Transformerless Shunt Hybrid Active Filter for Installation on a Power Distribution System. IEEE Trans. Power Electron. 2005, 20, 893–900. [Google Scholar] [CrossRef]
- Corasaniti, V.; Barbieri, M.; Arnera, P.; Valla, M. Hybrid Power Filter to Enhance Power Quality in a Medium-Voltage Distribution Network. IEEE Trans. Ind. Electron. 2009, 56, 2885–2893. [Google Scholar] [CrossRef]
- Salmerón, P.; Litrán, S. A Control Strategy for Hybrid Power Filter to Compensate Four-Wires Three-Phase Systems. IEEE Trans. Power Electron. 2010, 25, 1923–1931. [Google Scholar] [CrossRef]
- Lam, C.; Choi, W.; Wong, M.; Han, Y. Adaptive DC-Link Voltage-Controlled Hybrid Active Power Filters for Reactive Power Compensation. IEEE Trans. Power Electron. 2012, 27, 1758–1772. [Google Scholar] [CrossRef]
- Yang, H.; Ren, S. A Practical Series-Shunt Hybrid Active Power Filter Based on Fundamental Magnetic Potential Self-Balance. IEEE Trans. Power Deliv. 2008, 23, 2089–2096. [Google Scholar] [CrossRef]
- Javadi, A.; Hamadi, A.; Woodward, L.; Al-Haddad, K. Experimental Investigation on a Hybrid Series Active Power Compensator to Improve Power Quality of Typical Households. IEEE Trans. Ind. Electron. 2016, 63, 4849–4859. [Google Scholar] [CrossRef]
- Gonzatti, R.; Ferreira, S.; da Silva, C.; Pereira, R.; Borges da Silva, L.; Lambert-Torres, G. Smart Impedance: A New Way to Look at Hybrid Filters. IEEE Trans. Smart Grid 2015, 7, 837–846. [Google Scholar] [CrossRef]
- Bhattacharya, A.; Chakraborty, C.; Bhattacharya, S. Parallel-Connected Shunt Hybrid Active Power Filters Operating at Different Switching Frequencies for Improved Performance. IEEE Trans. Ind. Electron. 2011, 59, 4007–4019. [Google Scholar] [CrossRef]
- Fujita, H.; Yamasaki, T.; Akagi, H. A hybrid active filter for damping of harmonic resonance in industrial power systems. IEEE Trans. Power Electron. 2000, 15, 215–222. [Google Scholar] [CrossRef]
- Torre, J.L.; Barros, L.A.M.; Afonso, J.L.; Pinto, J.G. Development of a Proposed Single-Phase Series Active Power Filter without External Power Sources. In Proceedings of the 2019 International Conference on Smart Energy Systems and Technologies, Porto, Portugal, 9–11 September 2019; pp. 1–6. [Google Scholar]
- Chaudhari, M.A.; Chandraprakash. Three-Phase Series Active Power Filter as Power Quality Conditioner. In Proceedings of the 2012 IEEE International Conference on Power Electronics, Drives and Energy Systems, Bengaluru, India, 16–19 December 2012; pp. 1–6. [Google Scholar]
- Kim, Y.; Kim, J.-S.; Ko, S. Three-phase three-wire series active power filter, which compensates for harmonics and reactive power. IEE Proc.-Electr. Power Appl. 2004, 151, 276–282. [Google Scholar] [CrossRef]
- George, S.; Agarwal, V. A DSP-Based Control Algorithm for Series Active Filter for Optimized Compensation Under Nonsinusoidal and Unbalanced Voltage Conditions. IEEE Trans. Power Deliv. 2007, 22, 302–310. [Google Scholar] [CrossRef]
- Dixon, J.; Venegas, G.; Moran, L. A Series Active Power Filter Based on a Sinusoidal Current Controlled Voltage Source Inverter. IEEE Ind. Electron. 1997, 44, 612–620. [Google Scholar] [CrossRef]
- Salim, C. Five-Level Series Active Power Filter Performances Based on Modified Instantaneous Reactive Power Theory for Harmonic Voltage Disturbances Compensation. In Proceedings of the 2017 5th International Conference on Electrical Engineering–Boumerdes, Boumerdes, Algeria, 29–31 October 2017; pp. 1–4. [Google Scholar]
- Moghassemi, A.; Padmanaban, S. Dynamic Voltage Restorer (DVR): A Comprehensive Review of Topologies, Power Converters, Control Methods, and Modified Configurations. Energies 2020, 13, 4152. [Google Scholar] [CrossRef]
- Meena, A.; Islam, S.; Anand, S.; Sonawane, Y.; Tungare, S. Design and control of single-phase dynamic voltage restorer. Sadhana 2017, 42, 1363–1375. [Google Scholar] [CrossRef]
- Nakade, V.; Patil, S. Implementation of Power Quality Enhancement Using Hybrid Series Active Filter. In Proceedings of the 2019 International Conference on Communication and Electronics Systems, Coimbatore, India, 17–19 July 2019; pp. 238–241. [Google Scholar]
- Pinto, J.G.; Pregitzer, R.; Monteiro, L.F.C.; Couto, C.; Afonso, J.L. A Combined Series Active Filter and Passive Filters for Harmonics, Unbalances and Flicker Compensation. In Proceedings of the 2007 International Conference on Power Engineering, Energy and Electrical Drives, Setubal, Portugal, 12–14 April 2007; pp. 54–59. [Google Scholar]
- Zhang, L.; Meng, C.; Shi, J.; Xue, W.; Hong, Y. A Damped Harmonic Composite Control Algorithm on Transformerless Shunt Hybrid Active Power Filter. In Proceedings of the 2014 International Conference on Information Science, Electronics and Electrical Engineering, Sapporo, Japan, 26–28 April 2014; pp. 569–573. [Google Scholar]
- Song, W.; Fang, J.; Jiang, Z.; Staines, M.; Badcock, R. AC Loss Effect of High-Order Harmonic Currents in a Single-Phase 6.5 MVA HTS Traction Transformer. IEEE Trans. Appl. Supercond. 2019, 29, 1–5. [Google Scholar] [CrossRef]
- Javadi, A.; Fortin Blanchette, H.; Al-Haddad, K. A Novel Transformerless Hybrid Series Active Filter. In Proceedings of the 38th Annual Conference on IEEE Industrial Electronics Society, Montreal, QC, Canada, 25–28 October 2012; pp. 5312–5317. [Google Scholar]
- Pinto, J.G.; Carneiro, H.; Exposto, B.; Couto, C.; Afonso, J.L. Transformerless Series Active Power Filter to Compensate Voltage Disturbances. In Proceedings of the 14th European Conference on Power Electronics and Applications, Birmingham, UK, 30 August–1 September 2011; pp. 1–6. [Google Scholar]
- Teixeira, N.F.; Pinto, J.G.O.; Freitas, M.J.S.; Afonso, J.L. New Control Algorithm for Single-Phase Series Active Power Filter. Electr. Power Compon. Syst. 2015, 43, 1752–1760. [Google Scholar] [CrossRef]
- Monteiro, L.F.C.; Aredes, M.; Moor Neto, J.A. A Control Strategy for Unified Power Quality Conditioner. In Proceedings of the 2003 IEEE International Symposium on Industrial Electronics, Rio de Janeiro, Brazil, 9–11 June 2003; pp. 391–396. [Google Scholar]
- Rastogi, M.; Mohan, N.; Edris, A.-A. Filtering of Harmonic Currents and Damping of Resonances in Power Systems with a Hybrid-Active Filter. In Proceedings of the 1995 IEEE Applied Power Electronics Conference and Exposition, Dallas, TX, USA, 5–9 March 1995; pp. 607–612. [Google Scholar]
- Kesler, M.; Ozdemir, E. Synchronous-Reference-Frame-Based Control Method for UPQC Under Unbalanced and Distorted Load Conditions. IEEE Trans. Ind. Electron. 2011, 58, 3967–3975. [Google Scholar] [CrossRef]
- Khadkikar, V.; Chandra, A. A New Control Philosophy for a Unified Power Quality Conditioner (UPQC) to Coordinate Load-Reactive Power Demand Between Shunt and Series Inverters. IEEE Trans. Power Deliv. 2008, 23, 2522–2534. [Google Scholar] [CrossRef]
- Pinto, J.G.; Couto, C.; Afonso, J.L. Analysis of the Features of a UPQC to Improve Power Quality in Smart Grids. In Technological Innovation for the Internet of Things, 1st ed.; Camarinha-Matos, L.M., Tomic, S., Graça, P., Eds.; Springer: Berlin/Heidelberg, Germany, 2013. [Google Scholar]
- Fujita, H.; Akagi, H. The unified power quality conditioner: The integration of series- and shunt-active filters. IEEE Trans. Power Electron. 1998, 13, 315–322. [Google Scholar] [CrossRef]
- Millnitz dos Santos, R.J.; da Cunha, J.C.; Mezaroba, M. A Simplified Control Technique for a Dual Unified Power Quality Conditioner. IEEE Trans. Ind. Electron. 2014, 61, 5851–5860. [Google Scholar] [CrossRef]
- Aredes, M.; Fernandes, R.M. A Dual Topology of Unified Power Quality Conditioner: The iUPQC. In Proceedings of the 2009 13th European Conference on Power Electronics and Applications, Barcelona, Spain, 8–10 September 2009; pp. 1–10. [Google Scholar]
- França, B.W.; Aredes, M. Comparisons between the UPQC and Its Dual Topology (iUPQC) in Dynamic Response and Steady-State. In Proceedings of the 37th Annual Conference of the IEEE Industrial Electronics Society, Melbourne, Australia, 7–10 November 2011; pp. 1232–1237. [Google Scholar]
- Stangler, E.V.; Neves, F.A.S.; Bradaschia, F.; Mezaroba, M.; Zimann, F.J.; Batschauer, A.L. Implementation of a iUPQC Control Scheme for Ensuring an Improved Compensation Performance. In Proceedings of the IEEE 15th Brazilian Power Electronics Conference and 5th IEEE Southern Power Electronics Conference, Santos, Barzil, 1–4 December 2019; pp. 1–7. [Google Scholar]
- Monteiro, L.; Aredes, M.; Pinto, J.G.; Exposto, B.; Afonso, J. Control algorithms based on the active and non-active currents for a UPQC without series transformers. IET Power Electron. 2016, 9, 1985–1994. [Google Scholar] [CrossRef]
- Monteiro, L.; Exposto, B.; Pinto, G.; Monteiro, V.; Aredes, M.; Afonso, J.L. Experimental Evaluation of a Control System Based on a Dual-DSP Architecture for a Unified Power Quality Conditioner. Energies 2019, 12, 1694. [Google Scholar] [CrossRef]
- Monteiro, L.F.C.; Pinto, J.G.; Afonso, J.L.; Bellar, M.D. A Three-Phase Four-Wire Unified Power Quality Conditioner without Series Transformers. In Proceedings of the 38th Annual Conference on IEEE Industrial Electronics Society, Montreal, QC, Canada, 25–28 October 2012; pp. 168–173. [Google Scholar]
- Tongzhen, W.; Jin, Z. Topology and Control Strategy of UPQC Based on High Frequency Isolation DC/DC Converter. In Proceedings of the 9th IEEE Conference on Industrial Electronics and Applications, Hangzhou, China, 9–11 June 2014; pp. 167–172. [Google Scholar]
- Cunha, M.; Jacobina, C.; Felinto, A. Three-Phase Unified Power Quality Conditioner Based on H-Bridge and High-Frequency Link. In Proceedings of the 2020 IEEE Energy Conversion Congress and Exposition, Detroit, MI, USA, 11–15 October 2020; pp. 2307–2313. [Google Scholar]
- Felinto, A.S.; Jacobina, C.B. Unified Power Quality Conditioner with Shared Legs and High-Frequency Transformer. In Proceedings of the 2020 IEEE Energy Conversion Congress and Exposition, Detroit, MI, USA, 11–15 October 2020; pp. 1589–1596. [Google Scholar]
- Exposto, B.; Pinto, J.G.; Afonso, J.L. Unified Power Quality Conditioner and its Operating Method PT110235, Patent Application in Portugal. (In Portuguese). Available online: http://servicosonline.inpi.pt/pesquisas/GetFasciculo?bole_ano=2019&bole_nume=024&proc_moda=01&proc_nume=110231 (accessed on 16 March 2021).
- Venkatraman, K.; Moorthi, S.; Selvan, M.P. Modelling and Control of Transformer-less Universal Power Quality Conditioner (TUnPQC): An Effective Solution for Power Quality Enhancement in Distribution System. J. Control Autom. Electr. Syst. 2016, 28, 123–134. [Google Scholar] [CrossRef]
- Monteiro, L.F.C.; Aredes, M.; Couto, C.; Afonso, J.L. Control algorithms for a unified power quality conditioner based on three-level converters. Int. Trans. Electr. Energy Syst. 2015, 25, 2394–2411. [Google Scholar] [CrossRef]
- Edwards, C. No interruptions [power supplies]. Eng. Technol. 2015, 10, 46–50. [Google Scholar] [CrossRef]
- Abaray, S.; Beaver, S.; Nguyen, C. How Reliable Is Your Uninterruptible Power System? Eliminating Single Points of Failure. IEEE Ind. Appl. Mag. 2019, 25, 59–65. [Google Scholar] [CrossRef]
- Emadi, A.; Nasiri, A.; Bekiarov, S. Uninterruptible Power Supplies and Active Filters; CRC Press: Boca Raton, FL, USA, 2014. [Google Scholar] [CrossRef]
- Karve, S. Three of a kind [UPS topologies, IEC standard]. IEE Rev. 2000, 46, 27–31. [Google Scholar] [CrossRef]
- Solter, W. A new international UPS classification by IEC 62040-3. In Proceedings of the 24th Annual International Telecommunications Energy Conference, Montreal, QC, Canada, 29 September–3 October 2002; pp. 541–545. [Google Scholar]
- Martinez, S.; Castro, M.; Antoranz, R.; Aldana, F. Off-line uninterruptible power supply with zero transfer time using integrated magnetics. IEEE Trans. Ind. Electron. 1989, 36, 441–445. [Google Scholar] [CrossRef]
- Aoki, T.; Yotsumoto, K.; Muroyama, S.; Kenmochi, Y. A new uninterruptible power supply with a bidirectional cycloconverter. In Proceedings of the 12th International Conference on Telecommunications Energy, Orlando, FL, USA, 22–25 October 1990; pp. 424–429. [Google Scholar]
- Hamed, S.; Al-Shiboul, Y. Off-line ups system with optimum utilization of power elements. In Proceedings of the International Conference on Opportunities and Advances in International Power Generation, Durham, UK, 18–20 March 1996; pp. 150–153. [Google Scholar] [CrossRef]
- Morrison, R.; Egan, M. A new power-factor-corrected single-transformer UPS design. IEEE Trans. Ind. Appl. 2000, 36, 171–179. [Google Scholar] [CrossRef]
- Bouwknegt, K. The Line-Interactive Concept, an Optimal Approach to UPS. In Proceedings of the TELESCON ‘94-he First International Telecommunications Energy Special Conference, Berlin, Germany, 11–15 April 1994; pp. 357–359. [Google Scholar]
- Rathmann, S.; Warner, H. New generation UPS technology, the delta conversion principle. In Proceedings of the IAS ‘96. Conference Record of the 1996 IEEE Industry Applications Conference Thirty-First IAS Annual Meeting, San Diego, CA, USA, 6–10 October 1996; pp. 2389–2395. [Google Scholar]
- Kwon, B.; Choi, J.; Kim, T. Improved single-phase line-interactive UPS. IEEE Trans. Ind. Electron. 2001, 48, 804–811. [Google Scholar] [CrossRef]
- Tsai, M.T.; Liu, C.H. Design and implementation of a cost-effective quasi line-interactive UPS with novel topology. IEEE Trans. Power Electron. 2003, 18, 1002–1011. [Google Scholar] [CrossRef]
- Abusara, M.; Guerrero, M.; Sharkh, S. Line-Interactive UPS for Microgrids. IEEE Trans. Ind. Electron. 2014, 61, 1292–1300. [Google Scholar] [CrossRef]
- Tao, H.; Duarte, J.; Hendrix, M. Line-Interactive UPS Using a Fuel Cell as the Primary Source. IEEE Trans. Ind. Electron. 2008, 55, 3012–3021. [Google Scholar] [CrossRef]
- Modesto, R.; Oliveira da Silva, S.; de Oliveira Júnior, A. Power quality improvement using a dual unified power quality conditioner/uninterruptible power supply in three-phase four-wire systems. IET Power Electron. 2015, 8, 1595–1605. [Google Scholar] [CrossRef]
- Choi, W.; Yang, M. Transformerless Line-Interactive UPS with Low Ground Leakage Current. IEEE Trans. Ind. Electron. 2018, 65, 9468–9477. [Google Scholar] [CrossRef]
- Santos, W.; de Moura Fernandes, E.; da Silva, E.; Jacobina, C.; Oliveira, A.; Santos, P. Transformerless Single-Phase Universal Active Filter With UPS Features and Reduced Number of Electronic Power Switches. IEEE Trans. Power Electron. 2016, 31, 4111–4120. [Google Scholar] [CrossRef]
- Aamir, M.; Mekhilef, S. An Online Transformerless Uninterruptible Power Supply (UPS) System with a Smaller Battery Bank for Low-Power Applications. IEEE Trans. Power Electron. 2017, 32, 233–247. [Google Scholar] [CrossRef]
- Zhang, W.; Xu, D.; Li, X.; Xie, R.; Li, H.; Dong, D.; Sun, C.; Chen, M. Seamless Transfer Control Strategy for Fuel Cell Uninterruptible Power Supply System. IEEE Trans. Power Electron. 2013, 28, 717–729. [Google Scholar] [CrossRef]
- Lahyani, A.; Venet, P.; Guermazi, A.; Troudi, A. Battery/Supercapacitors Combination in Uninterruptible Power Supply (UPS). IEEE Trans. Power Electron. 2013, 28, 1509–1522. [Google Scholar] [CrossRef]
- Lu, J.; Savaghebi, M.; Golestan, S.; Vasquez, J.; Guerrero, J.; Marzabal, A. Multimode Operation for On-Line Uninterruptible Power Supply System. IEEE J. Emerg. Sel. Top. Power Electron. 2019, 7, 1181–1196. [Google Scholar] [CrossRef]
- Kim, S.; Kwon, M.; Choi, S. Operation and Control Strategy of a New Hybrid ESS-UPS System. IEEE Trans. Power Electron. 2018, 33, 4746–4755. [Google Scholar] [CrossRef]
- Pichan, M.; Rastegar, H. Sliding-Mode Control of Four-Leg Inverter with Fixed Switching Frequency for Uninterruptible Power Supply Applications. IEEE Trans. Ind. Electron. 2017, 64, 6805–6814. [Google Scholar] [CrossRef]
- Uthirasamy, R.; Ragupathy, U.S.; Chinnaiyan, V.K. Structure of boost DC-link cascaded multilevel inverter for uninterrupted power supply applications. IET Power Electron. 2015, 8, 2085–2096. [Google Scholar] [CrossRef]
- Tsai, M.; Shen, Y.; Zhou, J.; Cheng, P. A Forced Commutation Method of the Solid-State Transfer Switch in the Uninterrupted Power Supply Applications. IEEE Trans. Ind. Appl. 2020, 56, 1609–1617. [Google Scholar] [CrossRef]
- Caseiro, L.; Mendes, A.; Cruz, S. Cooperative and Dynamically Weighted Model Predictive Control of a 3-Level Uninterruptible Power Supply with Improved Performance and Dynamic Response. IEEE Trans. Ind. Electron. 2020, 67, 4934–4945. [Google Scholar] [CrossRef]
- Branco, C.; Torrico-Bascope, R.; Cruz, C.; Lima, F. Proposal of Three-Phase High-Frequency Transformer Isolation UPS Topologies for Distributed Generation Applications. IEEE Trans. Ind. Electron. 2013, 60, 1520–1531. [Google Scholar] [CrossRef]
- Zhang, C.; Guerrero, J.; Vasquez, J.; Coelho, E. Control Architecture for Parallel Inverter in Uninterruptible Power Systems. IEEE Trans. Power Electron. 2015, 31, 5176–5188. [Google Scholar] [CrossRef][Green Version]
- Lu, J.; Savaghebi, M.; Guan, Y.; Golestan, S.; Vasquez, J.C.; Guerrero, J.; Marzabal, A. DC-Link Protection and Control in Modular Uninterruptible Power Supply. IEEE Trans. Ind. Electron. 2018, 65, 3942–3953. [Google Scholar] [CrossRef]
- Lu, J.; Guerrero, J.M.; Savaghebi, M.; Ghias, A.M.Y.M.; Guan, Y.; Hou, X.; Vasquez, J.C. An Effective Solution for Regeneration Protection in Uninterruptible Power Supply. IEEE Trans. Ind. Appl. 2019, 55, 3055–3065. [Google Scholar] [CrossRef]
- Barros, L.A.M.; Tanta, M.; Martins, A.P.; Afonso, J.L.; Pinto, J.G. Opportunities and Challenges of Power Electronics Systems in Future Railway Electrification. In Proceedings of the 2020 IEEE 14th International Conference on Compatibility, Power Electronics and Power Engineering (CPE-POWERENG), Setubal, Portugal, 530-537 July 2020; pp. 530–537. [Google Scholar]
- Serrano-Jiménez, D.; Abrahamsson, L.; Castaño-Solís, S.; Sanz-Feito, J. Electrical railway power supply systems: Current situation and future trends. Int. J. Electr. Power Energy Syst. 2017, 92, 181–192. [Google Scholar] [CrossRef]
- Kaleybar, H.J.; Brenna, M.; Foiadelli, F.; Fazel, S.S.; Zaninelli, D. Power Quality Phenomena in Electric Railway Power Supply Systems: An Exhaustive Framework and Classification. Energies 2020, 13, 6662. [Google Scholar] [CrossRef]
- Aeberhard, M.; Courtois, C.; Ladoux, P. Railway Traction Power Supply from the State of the Art to Future Trends. In Proceedings of the International Symposium on Power Electronics, Electrical Drives, Automation and Motion, SPEEDAM 2010, Pisa, Italy, 14–16 June 2010; pp. 1350–1355. [Google Scholar]
- Panfilov, D.I.; ElGebaly, A.E.; Astashev, M.G. Design and Assessment of Static VAR Compensator on Railways Power Grid Operation under Normal and Contingencies Conditions. In Proceedings of the 2016 IEEE 16th International Conference on Environment and Electrical Engineering (EEEIC), Florence, Italy, 7–10 June 2016; pp. 1–6. [Google Scholar]
- Niemann, B. Keeping the Grid in Balance with SVC Plus–Energy Northern Perspective. Available online: https://energynorthern.com/2020/01/24/keeping-the-grid-in-balance-with-svc-plus/ (accessed on 1 September 2021).
- Tanta, M.; Monteiro, V.; Sousa, T.J.C.; Martins, A.P.; Carvalho, A.S.; Afonso, J.L. Power Quality Phenomena in Electrified Railways: Conventional and New Trends in Power Quality Improvement toward Public Power Systems. In Proceedings of the IEEE International Young Engineers Forum (YEF-ECE), Costa da Caparica, Portugal, 4 May 2018; pp. 25–30. [Google Scholar]
- Martins, A.P.; Morais, V.A.; Ramos, C.J. Analysis of the STATCOM/Balancer Robustness in Railway Applications. In Proceedings of the IEEE 14th International Conference on Compatibility, Power Electronics and Power Engineering (CPE-POWERENG), Setubal, Portugal, 8–10 July 2020; pp. 69–75. [Google Scholar]
- Barros, L.A.M.; Tanta, M.; Martins, A.P.; Afonso, J.L.; Pinto, J.G. STATCOM Evaluation in Electrified Railway Using V/V and Scott Power Transformers. In Lecture Notes of the Institute for Computer Sciences, Social Informatics and Telecommunications Engineering; Springer International Publishing: Cham, Switzerland, 2020; pp. 18–32. [Google Scholar]
- Pinto, J.G.; Tanta, M.; Monteiro, V.; Barros, L.A.M.; Afonso, J.L. Active Power Conditioner Based on a Voltage Source Converter for Harmonics and Negative Sequence Components Compensation in Electrified Railway Systems; Transport Research Arena (TRA): Vienna, Austria, 2018; pp. 1–10. [Google Scholar]
- Fujii, K.; Kunomura, K.; Yoshida, K.; Suzuki, A.; Konishi, S.; Daiguji, M.; Baba, K. STATCOM Applying Flat-Packaged IGBTs Connected in Series. IEEE Trans. Power Electron. 2005, 20, 1125–1132. [Google Scholar] [CrossRef]
- Liu, Z.; Hu, X.; Liao, Y. Vehicle-Grid System Stability Analysis Based on Norm Criterion and Suppression of Low-Frequency Oscillation with MMC-STATCOM. IEEE Trans. Transp. Electrif. 2018, 4, 757–766. [Google Scholar] [CrossRef]
- Hitachi ABB, Evron, France. SVC Light for Railway Load Balancing. Available online: https://www.hitachiabb-powergrids.com/references/facts/evron--france (accessed on 1 September 2021).
- Perin, I.; Nussey, P.F.; Cella, U.M.; Tran, T.V.; Walker, G.R. Application of Power Electronics in Improving Power Quality and Supply Efficiency of AC Traction Networks. In Proceedings of the 2015 IEEE 11th International Conference on Power Electronics and Drive Systems, Sydney, Australia, 9–12 June 2015; pp. 1086–1094. [Google Scholar]
- Krastev, I.; Tricoli, P.; Hillmansen, S.; Chen, M. Future of Electric Railways: Advanced Electrification Systems with Static Converters for ac Railways. IEEE Electrif. Mag. 2016, 4, 6–14. [Google Scholar] [CrossRef]
- Abrahamsson, L.; Schütte, T.; Östlund, S. Use of converters for feeding of AC railways for all frequencies. Energy Sustain. Dev. 2012, 16, 368–378. [Google Scholar] [CrossRef]
- Aubert, S.; Zhao, C.; Banceanu, C.; Schaad, T.; Maibach, P. Static Frequency Converters: A Flexible and Cost Efficient Method to Supply Single Phase Railway Grids in Australia. In Proceedings of the AusRAIL PLUS 2015, Doing it Smarter. People, Power, Performance, Melbourne, Australia, 24–26 November 2015; Available online: https://trid.trb.org/view/1412004 (accessed on 9 December 2021).
- Tanta, M.; Monteiro, V.; Pinto, J.G.; Martins, A.P.; Carvalho, A.S.; Afonso, J.L. Efficiency and Cost Estimation for a Static Frequency Converter and a Rail Power Conditioner Based on an Indirect Modular Multilevel Converter in Railways Applications. In Proceedings of the ICEE International Conference on Energy and Environment: Bringing Together Engineering and Economics, Porto, Portugal, 29 June 2017; pp. 313–319. [Google Scholar]
- Luo, A.; Wu, C.; Shen, J.; Shuai, Z.; Ma, F. Railway Static Power Conditioners for High-speed Train Traction Power Supply Systems Using Three-phase V/V Transformers. IEEE Trans. Power Electron. 2011, 26, 2844–2856. [Google Scholar] [CrossRef]
- Wu, C.; Luo, A.; Shen, J.; Ma, F.J.; Peng, S. A Negative Sequence Compensation Method Based on a Two-Phase Three-Wire Converter for a High-Speed Railway Traction Power Supply System. IEEE Trans. Power Electron. 2011, 27, 706–717. [Google Scholar] [CrossRef]
- Ma, F.; Luo, A.; Xu, X.; Xiao, H.; Wu, C.; Wang, W. A Simplified Power Conditioner Based on Half-Bridge Converter for High-Speed Railway System. IEEE Trans. Ind. Electron. 2012, 60, 728–738. [Google Scholar] [CrossRef]
- Tanta, M.; Pinto, J.G.; Monteiro, V.; Martins, A.P.; Carvalho, A.S.; Afonso, J.L. A Comprehensive Comparison of Rail Power Conditioners Based on Two-Level Converters and a V/V Power Transformer in Railway Traction Power Systems; Transport Research Arena (TRA): Vienna, Austria, 2018 April; pp. 1–10. [Google Scholar]
- Tanta, M.; Pinto, J.G.; Monteiro, V.; Martins, A.P.; Carvalho, A.S.; Afonso, J.L. Deadbeat Predictive Current Control for Circulating Currents Reduction in a Modular Multilevel Converter Based Rail Power Conditioner. Appl. Sci. 2020, 10, 1849. [Google Scholar] [CrossRef]
- Tanta, M.; Afonso, J.; Martins, A.; Carvalho, A.; Afonso, J. Rail Power Conditioner Based on Indirect AC/DC/AC Modular Multilevel Converter Using a Three-Phase V/V Power Transformer. In Proceedings of the Lecture Notes in Engineering and Computer Science: Proceeding of the World Congress on Engineering, London, UK, 5 July 2017; pp. 289–294. [Google Scholar]
- Oso, H.; Kaneko, T.; Suzuki, A. Railway Static Power Conditioner for Shin-Kurobe Substation of Hokuriku Shinkansen. Fuji Electr. Rev. 2015, 61, 52–57. [Google Scholar]
- Tanta, M.; Pinto, J.G.; Monteiro, V.; Martins, A.P.; Carvalho, A.S.; Afonso, J.L. Topologies and Operation Modes of Rail Power Conditioners in AC Traction Grids: Review and Comprehensive Comparison. Energies 2020, 13, 2151. [Google Scholar] [CrossRef]
- Uzuka, T.; Ikedo, S.; Ueda, K. A Static Voltage Fluctuation Compensator for AC Electric Railway. In Proceedings of the IEEE 35th Annual Power Electronics Specialists Conference, Aachen, Germany, 20–25 June 2004; pp. 1869–1873. [Google Scholar]
- Horita, Y.; Morishima, N.; Kai, M.; Onishi, M.; Masui, T.; Noguchi, M. Single-Phase STATCOM for Feeding System of Tokaido Shinkansen. In Proceedings of the 2010 International Power Electronics Conference-ECCE ASIA, Sapporo, Japan, 21–24 June 2010; pp. 2165–2170. [Google Scholar]
- Ohmi, M.; Yoshii, Y. Validation of Railway Static Power Conditioner in Tohoku Shinkansen on Actual Operation. In Proceedings of the 2010 International Power Electronics Conference-ECCE ASIA, Sapporo, Japan, 21–24 June 2010; pp. 2160–2164. [Google Scholar]
- Tanta, M.; Monteiro, V.; Exposto, B.; Pinto, J.G.; Martins, A.P.; Carvalho, A.S.; Melendez, A.A.N.; Afonso, J.L. Simplified Rail Power Conditioner Based on a Half-Bridge Indirect AC/DC/AC Modular Multilevel Converter and a V/V Power Transformer. In Proceedings of the IECON 2017-43rd Annual Conference of the IEEE Industrial Electronics Society, Beijing, China, 29 October–1 November 2017; pp. 6431–6436. [Google Scholar]
- Xu, Q.; Ma, F.; He, Z.; Chen, Y.; Guerrero, J.M.; Luo, A.; Li, Y.; Yue, Y. Analysis and Comparison of Modular Railway Power Conditioner for High-Speed Railway Traction System. IEEE Trans. Power Electron. 2017, 32, 6031–6048. [Google Scholar] [CrossRef]
- Lao, K.-W.; Wong, M.-C.; Dai, N.; Lam, C.-S.; Wang, L.; Wong, C.-K. Analysis of the Effects of Operation Voltage Range in Flexible DC Control on Railway HPQC Compensation Capability in High-Speed Co-phase Railway Power. IEEE Trans. Power Electron. 2018, 33, 1760–1774. [Google Scholar] [CrossRef]
- Lao, K.-W.; Wong, M.-C.; Dai, N. Co-Phase Traction Power Supply with Railway Hybrid Power Quality Conditioner, 1st ed.; Springer: Singapore, 2019. [Google Scholar]
- Lopez-Martin, V.M.; Azcondo, F.J.; Pigazo, A. Power Quality Enhancement in Residential Smart Grids Through Power Factor Correction Stages. IEEE Trans. Ind. Electron. 2018, 65, 8553–8564. [Google Scholar] [CrossRef]
- Gardner, G.E.; Fairmaner, D. Alternative convertor for h.v. d.c. transmission. Three single-phase bridges connected in series. In Proceedings of the Institution of Electrical Engineers, London, UK, 23–25 September 1968; Volume 115, pp. 1289–1296. [Google Scholar]
- Nava-Segura, A.; Jose-Iglesias, R.S.; Banuelos-Sanchez, P.; Nunez-Perez, J. Experimental performance of passive and hybrid filters applied to AC/DC converters fed by a weak AC system. In Proceedings of the ISIE ‘97 Proceeding of the IEEE International Symposium on Industrial Electronics, Guimarães, Portugal, 7–11 July 1997; pp. 600–605. [Google Scholar]
- Ucar, M.; Ozdemir, E. Control of a 3-phase 4-leg active power filter under non-ideal mains voltage condition. Electr. Power Syst. Res. 2008, 78, 58–73. [Google Scholar] [CrossRef]
- Lopatkin, N.N.; Chelidze, M.Z. Numerical approach to parametric synthesis of orthogonal voltages multipulse rectifiers. In Proceedings of the International Conference of Young Specialists on Micro/Nanotechnologies and Electron Devices (EDM), Novosibirsk, Russia, 30 June–4 July 2014; pp. 477–481. [Google Scholar]
- Freitas, L.C.; Simoes, M.G.; Canesin, C.A.; Freitas, L.C. Performance Evaluation of a Novel Hybrid Multipulse Rectifier for Utility Interface of Power Electronic Converters. IEEE Trans. Ind. Electron. 2007, 54, 3030–3041. [Google Scholar] [CrossRef]
- Kumar, K.; Sukesh, C.; Anoop, K.; Kanchana, K. A review on power quality improvement using AC to DC converters. In Proceedings of the 2017 IEEE International Conference on Power, Control, Signals and Instrumentation Engineering (ICPCSI), Chennai, India, 21–22 September 2017; pp. 2968–2974. [Google Scholar]
- Kabolia, S.; Mansouri, M.; Selvaraj, J.; Rahim, N.A. Controlling methods for power factor correction of storage devices connected into smart grid. In Proceedings of the IET International Conference on Clean Energy and Technology (CEAT), Kuching, Malaysia, 24–26 November 2014; pp. 1–6. [Google Scholar]
- Singh, B.; Chandra, A.; Al-Haddad, K.; Pandey, A.; Kothari, D.P. A review of single-phase improved power quality AC-DC converters. IEEE Trans. Ind. Electron. 2003, 50, 962–981. [Google Scholar] [CrossRef]
- Jin, Y.; Liu, S.; Liu, H.; Li, Y. Research on a Bridgeless PFC Topology in Space Nuclear Power System. In Proceedings of the 2018 IEEE Advanced Information Technology, Electronic and Automation Control Conference (IAEAC), Chongqing, China, 12–14 October 2018; pp. 1809–1813. [Google Scholar]
- Shi, K.; Shoyama, M.; Tomioka, S. Common mode noise reduction in totem-pole bridgeless PFC converter. In Proceedings of the 2014 International Power Electronics and Application Conference and Exposition, Shanghai, China, 5–8 November 2014; pp. 705–709. [Google Scholar]
- Huang, Q.; Huang, A.Q. Review of GaN totem-pole bridgeless PFC. CPSS Trans. Power Electron. Appl. 2017, 2, 187–196. [Google Scholar] [CrossRef]
- Huang, Q.; Ma, Q.; Liu, P.; Huang, A.Q.; de Rooij, M. 3kW Four-Level Flying Capacitor Totem-Pole Bridgeless PFC Rectifier with 200V GaN Devices. In Proceedings of the 2019 IEEE Energy Conversion Congress and Exposition (ECCE), Baltimore, MD, USA, 29 September–3 October 2019; pp. 81–88. [Google Scholar]
- Chen, Z.; Davari, P.; Wang, H. Single-Phase Bridgeless PFC Topology Derivation and Performance Benchmarking. IEEE Trans. Power Electron. 2020, 35, 9238–9250. [Google Scholar] [CrossRef]
- Chen, Z.; Liu, B.; Yang, Y.; Davari, P.; Wang, H. Bridgeless PFC Topology Simplification and Design for Performance Benchmarking. IEEE Trans. Power Electron. 2021, 36, 5398–5414. [Google Scholar] [CrossRef]
- Friedli, T.; Hartmann, M.; Kolar, J. The Essence of Three-Phase PFC Rectifier Systems—Part II. IEEE Trans. Power Electron. 2014, 29, 543–560. [Google Scholar] [CrossRef]
- Kolar, J.; Friedli, T. The Essence of Three-Phase PFC Rectifier Systems—Part I. IEEE Trans. Power Electron. 2013, 28, 176–198. [Google Scholar] [CrossRef]
- Arvindan, A.; Vela, S.P. Investigation for Improved Power Quality in Hysteresis Current Controlled Three-Phase Four-Wire Vienna Rectifier Topologies. In Proceedings of the International Conference on Electrical Energy Systems (ICEES), Chennai, India, 7–9 February 2018; pp. 485–493. [Google Scholar]
- Lee, M.; Kim, J.; Lai, J. Digital-Based Critical Conduction Mode Control for Three-Level Boost PFC Converter. IEEE Trans. Power Electron. 2020, 35, 7689–7701. [Google Scholar] [CrossRef]
- Rodriguez, J.R.; Dixon, J.W.; Espinoza, J.R.; Pontt, J.; Lezana, P. PWM regenerative rectifiers: State of the art. IEEE Trans. Ind. Electron. 2005, 52, 5–22. [Google Scholar] [CrossRef]
- Alduraibi, A.; Yaghoobi, J.; Solatialkaran, D.; Zare, F. A Modular Power Converter with Active Front-End System to Mitigate Harmonics in Distribution Networks. IEEE J. Emerg. Sel. Top. Power Electron. 2021, 9, 1725–1735. [Google Scholar] [CrossRef]
- Zhang, Z.; Wei, L.; Cui, Y.; Murthy, P.S.; Yi, P. Active EMI Reduction Technique of Active Front End (AFE) Drives Based on Randomized Switching Frequency PWM. In Proceedings of the 2019 IEEE Energy Conversion Congress and Exposition (ECCE), Baltimore, MD, USA, 29 September–3 October 2019; pp. 6438–6442. [Google Scholar]
- Gennaro, F. Active Front End Converters for High Power Charging Stations with High Frequency SiC Enabled Operations. In Proceedings of the 2020 ELEKTRO, Taormina, Italy, 25–28 May 2020; pp. 1–4. [Google Scholar]
- Pinto, J.G.; Monteiro, V.; Gonçalves, H.; Exposto, B.; Pedrosa, D.; Couto, C.; Afonso, J.L. Bidirectional battery charger with Grid-to-Vehicle, Vehicle-to-Grid and Vehicle-to-Home technologies. In Proceedings of the IECON 2013-39th Annual Conference of the IEEE Industrial Electronics Society, Vienna, Austria, 10–13 November 2013; pp. 5934–5939. [Google Scholar]
- Mohamadian, M.; Abrishamifar, A.; Shahrdad, M.; Arefian, M.; Fazeli, M. Implementation of the first commercial medium power active front end transformerless uninterruptible power supply made in Iran. In Proceedings of the 2016 7th Power Electronics and Drive Systems Technologies Conference (PEDSTC), Tehran, Iran, 16–18 February 2016; pp. 217–221. [Google Scholar]
- Dianov, A.; Namsu, N.; Kim, Y.; Lim, S. Substitution of the Universal Motor drives with electrolytic capacitorless PMSM drives in home appliances. In Proceedings of the 2015 9th International Conference on Power Electronics and ECCE Asia (ICPE-ECCE Asia), Seoul, Korea, 1–5 June 2015; pp. 1631–1637. [Google Scholar]
- Hota, A.; Qasim, M.; Kirtley, J.L.; Agarwal, V. A Novel Three-Phase Induction Motor Drive for Domestic Fan Application with Improved Reliability. In Proceedings of the 2018 IEEE International Conference on Power Electronics, Drives and Energy Systems (PEDES), Chennai, India, 18–21 December 2018; pp. 1–5. [Google Scholar]
- Rathore, K.S.; Kalla, U.K.; Palwalia, D.K.; Singh, B.; Mishra, A.K. Voltage-controlled power factor corrected CSC derived DC–DC converter for PMBLDC driven home appliances. IET Power Electron. 2020, 13, 3407–3418. [Google Scholar] [CrossRef]
- Domijan, A.; Embriz-Santander, E. Harmonic mitigation techniques for the improvement of power quality of adjustable speed drives (ASDs). In Proceedings of the Fifth Annual Proceedings on Applied Power Electronics Conference and Exposition, Los Angeles, CA, USA, 11–16 March 1990; pp. 96–105. [Google Scholar]
- Shevyreva, N.; Kozhakov, O. Ensuring the Power Quality in the Operation of Variable Frequency Drives of Drilling Rigs. In Proceedings of the XI International Conference on Electrical Power Drive Systems (ICEPDS), St. Petersburg, Russia, 4–7 October 2020; pp. 1–5. [Google Scholar]
- Machado, L.; Sousa, T.J.C.; Monteiro, V.; Pedrosa, D.; Afonso, J.L. A Three-Phase Bidirectional Variable Speed Drive: An Experimental Validation for a Three Phase Induction Motor. In Proceedings of the EAI SESC19-International Conference on Sustainable Energy for Smart Cities, Braga, Portugal, 4–6 December 2019. [Google Scholar]
- Verma, M.; Phares, D.; Lawrence, R. Heat and Harmonics: Solutions to Concerns in Air-Cooled Medium-Voltage Adjustable-Speed Drives. IEEE Ind. Appl. Mag. 2021, 27, 20–34. [Google Scholar] [CrossRef]
- Chen, Y.Y.; Hsu, T.C.; Hu, K.W.; Liaw, C.M. On the PFC AC-DC converter fed SRM drives with reversible and regenerative braking capabilities. In Proceedings of the 2015 IEEE 2nd International Future Energy Electronics Conference (IFEEC), Taipei, Taiwan, 1–4 November 2015; pp. 1–7. [Google Scholar]
- Davari, P.; Yang, Y.; Zare, F.; Blaabjerg, F. A review of electronic inductor technique for power factor correction in three-phase adjustable speed drives. In Proceedings of the 2016 IEEE Energy Conversion Congress and Exposition, Milwaukee, WI, USA, 18–22 September 2016; pp. 1–8. [Google Scholar]
- Davari, P.; Yang, Y.; Zare, F.; Blaabjerg, F. Predictive Pulse-Pattern Current Modulation Scheme for Harmonic Reduction in Three-Phase Multidrive Systems. IEEE Trans. Ind. Electron. 2016, 63, 5932–5942. [Google Scholar] [CrossRef]
- Grbovic, P.J.; Delarue, P.; Le Moigne, P.; Bartholomeus, P. A Three-Terminal Ultracapacitor-Based Energy Storage and PFC Device for Regenerative Controlled Electric Drives. IEEE Trans. Ind. Electron. 2012, 59, 301–316. [Google Scholar] [CrossRef]
- Singh, P.K.; Singh, B.; Bist, V.; Al-Haddad, K.; Chandra, A. BLDC Motor Drive Based on Bridgeless Landsman PFC Converter with Single Sensor and Reduced Stress on Power Devices. IEEE Trans. Ind. Appl. 2018, 54, 625–635. [Google Scholar] [CrossRef]
- Bist, V.; Singh, B. A Unity Power Factor Bridgeless Isolated Cuk Converter-Fed Brushless DC Motor Drive. IEEE Trans. Ind. Electron. 2015, 62, 4118–4129. [Google Scholar] [CrossRef]
- Bist, V.; Singh, B. An Adjustable-Speed PFC Bridgeless Buck–Boost Converter-Fed BLDC Motor Drive. IEEE Trans. Ind. Electron. 2014, 61, 2665–2677. [Google Scholar] [CrossRef]
- Kim, K.-S.; Kwon, J.-M.; Kwon, B.-H. Single-Switch Single Power-Conversion PFC Converter Using Regenerative Snubber. IEEE Trans. Ind. Electron. 2018, 65, 5436–5444. [Google Scholar] [CrossRef]
- Apoorva, P.; Usha, A.; Praveen Kumar, H.N.; Reddy, N. Design and Simulation of a Single Stage Control Strategy for Power Factor Correction based on Soft Switched Flyback Converter. In Proceedings of the 2019 IEEE 16th India Council International Conference (INDICON), Rajkot, India, 13–15 December 2019; pp. 1–4. [Google Scholar]
- Kumar, A.; Singh, B. Sensorless BLDC Motor Ceiling Fan with an Isolated S4 BL PFC Converter. In Proceedings of the 2020 IEEE International Conference on Computing Communication and Automation, Greater Noida, India, 30–31 October 2020; pp. 83–88. [Google Scholar]
- Dong, Z.; Tse, C.K.; Hui, S.Y.R. Circuit Theoretic Considerations of LED Driving: Voltage-Source Versus Current-Source Driving. IEEE Trans. Power Electron. 2019, 34, 4689–4702. [Google Scholar] [CrossRef]
- Singh, S.; Singh, B.; Bhuvaneswari, G.; Bist, V. Power Factor Corrected Zeta Converter Based Improved Power Quality Switched Mode Power Supply. IEEE Trans. Ind. Electron. 2015, 62, 5422–5433. [Google Scholar] [CrossRef]
- Ali, M.; Orabi, M.; Ahmed, M.E.; El-Aroudi, A. Design consideration of modified SEPIC converter for LED lamp driver. In Proceedings of the International Symposium on Power Electronics for Distributed Generation Systems, Hefei, China, 16–18 June 2010; pp. 394–399. [Google Scholar]
- Han, X.; Chang, C.; He, L. A primary side controlled single-stage flyback LED driver with high PF. In Proceedings of the 2019 IEEE 3rd International Electrical and Energy Conference, Beijing, China, 7–9 September 2019; pp. 330–334. [Google Scholar]
- Dong, H.; Xie, X.; Peng, K.; Li, J.; Zhao, C. Feed-forward dynamic compensation control for single-stage PFC LED driver to eliminate flicker to human eyes during AC input voltage variation. In Proceedings of the IECON 2014-40th Annual Conference of the IEEE Industrial Electronics Society, Dallas, TX, USA, 29 October–1 November 2014; pp. 1460–1465. [Google Scholar]
- Jha, A.; Singh, B. A bridgeless boost PFC converter fed LED driver for high power factor and low THD. In Proceedings of the 2018 IEEMA Engineer Infinite Conference (eTechNxT), New Delhi, India, 13–14 March 2018; pp. 1–6. [Google Scholar]
- Wang, Y.; Deng, X.; Wang, Y.; Xu, D. Single-Stage Bridgeless LED Driver Based on a CLCL Resonant Converter. IEEE Trans. Ind. Appl. 2018, 54, 1832–1841. [Google Scholar] [CrossRef]
- Cheng, C.; Chang, C.; Yang, F.; Chung, T. A novel single-stage high-power-factor LED driver for street-lighting applications. In Proceedings of the 2013 IEEE 10th International Conference on Power Electronics and Drive Systems (PEDS), Kitakyushu, Japan, 22–25 April 2013; pp. 330–333. [Google Scholar]
- Wang, S.; Ruan, X.; Yao, K.; Tan, S.; Yang, Y.; Ye, Z. A Flicker-Free Electrolytic Capacitor-Less AC–DC LED Driver. IEEE Trans. Power Electron. 2011, 27, 4540–4548. [Google Scholar] [CrossRef]
- Qiu, Y.; Wang, L.; Wang, H.; Liu, Y.; Sen, P.C. Bipolar Ripple Cancellation Method to Achieve Single-Stage Electrolytic-Capacitor-Less High-Power LED Driver. IEEE J. Emerg. Sel. Top. Power Electron. 2015, 3, 698–713. [Google Scholar] [CrossRef]
- Cao, L.; Zhu, Y.; Wu, H. A New Electrolytic Capacitor-less LED Driver with Coupled-Inductor. In Proceedings of the 2020 IEEE APEC Applied Power Electronics Conference and Exposition, New Orleans, LA, USA, 15–19 March 2020; pp. 1537–1543. [Google Scholar]
- Valipour, H.; Rezazadeh, G.; Zolghadri, M.R. Flicker-Free Electrolytic Capacitor-Less Universal Input Offline LED Driver with PFC. IEEE Trans. Power Electron. 2016, 31, 6553–6561. [Google Scholar] [CrossRef]
- Dong, H.; Xie, X.; Chen, H.; Jin, Z. A high power factor LED driver based on improved forward-flyback without electrolytic capacitor. In Proceedings of the 2017 IEEE Applied Power Electronics Conference and Exposition (APEC), Tampa, FL, USA, 26–30 March 2017; pp. 2404–2411. [Google Scholar]
- Tang, Z.; Yang, Y.; Blaabjerg, F. Power electronics-the enabling technology for renewable energy integration. CSEE J. Power Energy Syst. 2021, 2021, 1–13. [Google Scholar]
- Monteiro, V.; Martins, J.S.; Fernandes, J.C.A.; Afonso, J.L. Review of a Disruptive Vision of Future Power Grids: A New Path Based on Hybrid AC/DC Grids and Solid-State Transformers. Sustainability 2021, 13, 9423. [Google Scholar] [CrossRef]
- Nondy, R.; Nondy, P. Solid State Transformer (SST) For Smart Application in Power System. Am. J. Eng. Res. (AJER) 2021, 10, 32–41. [Google Scholar]
- Adamowicz, M.; Szewczyk, J. SiC-Based Power Electronic Traction Transformer (PETT) for 3 kV DC Rail Traction. Energies 2020, 13, 5573. [Google Scholar] [CrossRef]
- Tanta, M.; Cunha, J.; Barros, L.A.M.; Monteiro, V.; Pinto, J.G.O.; Martins, A.P.; Afonso, J.L. Experimental Validation of a Reduced-Scale Rail Power Conditioner Based on Modular Multilevel Converter for AC Railway Power Grids. Energies 2021, 14, 484. [Google Scholar] [CrossRef]






































| Odd Harmonics | Even Harmonics | ||||||||||
|---|---|---|---|---|---|---|---|---|---|---|---|
| Not Multiples of 3 | Multiples of 3 | ||||||||||
| Harmonic Order | Related Voltage % | Harmonic Order | Related Voltage % | Harmonic Order | Related Voltage % | ||||||
| MV | HV | EHV | MV | HV | EHV | MV | HV | EHV | |||
| 5 | 6 | 5 | 3 | 3 | 5 * | 3 * | 1 | 2 | 2 | 1.9 | 1.5 |
| 7 | 5 | 4 | 2 | 9 | 1.5 | 1.3 | 1 | 4 | 1 | 1 | 1 |
| 11 | 3.5 | 3 | 1.5 | 15 | 0.5 | 0.5 | 0.3 | 6 | 0.5 | 0.5 | 0.5 |
| 13 | 3 | 2.5 | 1.5 | 21 | 0.5 | 0.5 | 0.2 | 8 | 0.5 | 0.5 | 0.4 |
| 17 | 2 | − ** | 1 | >21 | − | 0.2 | 10 | 0.5 | 0.5 | 0.4 | |
| 19 | 1.5 | − ** | 1 | 12 | 0.5 | 0.5 | 0.2 | ||||
| 23 | 1.5 | − ** | 0.7 | >12 | 0.5 | 0.5 | 0.2 | ||||
| 25 | 1.5 | − ** | 0.7 | ||||||||
| Isc/IL | 3 ≤ h ≤ 11 | 11 ≤ h ≤ 17 | 17 ≤ h ≤ 23 | 23 ≤ h ≤ 35 |
|---|---|---|---|---|
| Isc/IL < 20 | 4% | 2% | 1.5% | 0.6% |
| 20 < Isc/IL < 50 | 7% | 3.5% | 2.5% | 1% |
| 50 < Isc/IL < 100 | 10% | 4.5% | 4% | 1.5% |
| 100 < Isc/IL < 1000 | 12% | 5.5% | 5% | 2% |
| Isc/IL > 1000 | 15% | 7% | 6% | 2.5% |
| Conventional PV-System | Hybrid PV-ESS System | |
|---|---|---|
| Harmonic Currents Compensation | + + + | + + + |
| Reactive Power Compensation | + + + | + + + |
| Unbalanced Currents Compensation | + + + | + + + |
| Neutral Current Compensation | + + + | + + + |
| Voltage Sags Compensation | + + | + + + |
| Voltage Swells Compensation | + | + |
| Undervoltage Compensation | + + | + + + |
| Unitary Power Factor | Power Quality Functionalities | Bidirectional | Slow Charging | Fast Charging | |
|---|---|---|---|---|---|
| Power Factor Correction | Yes | No | No | Yes | No |
| Single-phase full-bridge | Yes | Yes | Yes | Yes | No |
| Three-phase full-bridge | Yes | Yes | Yes | No | Yes |
| Three-phase full-bridge interleaved | Yes | Yes | Yes | No | Yes |
| Single-Phase | Three-Phase Three-Wire | Three-Phase Four-Wire | Hybrid | |
|---|---|---|---|---|
| Harmonic Currents Compensation | Yes | Yes | Yes | Yes |
| Reactive Power Compensation | Yes | Yes | Yes | Yes |
| Unbalanced Currents Compensation | - | Yes | Yes | Yes (three-phase) |
| Neutral Current Compensation | - | No | Yes | Yes (three-phase four-wire) |
| Resonance Damping | No | No | No | Can be possible |
| SeAPF | Back-to-Back SeAPF | HySeAPF | TlSeAPF | |
|---|---|---|---|---|
| Voltage Harmonics Compensation | + + + | + + + | + + + | + + + + |
| Voltage Sags Compensation | + + | + + + | + + | + + |
| Voltage Swells Compensation | + + | + + + | + + | + + |
| Voltage Unbalance Compensation | + + | + + + | + + + | + |
| Overvoltage Compensation | - | + + + | - | - |
| Under voltage Compensation | - | + + + | - | - |
| Current Harmonics Compensation | - | - | + + | - |
| Estimated Costs | + + | + + + + | + + + | + |
| UPQC | UPQC without Series Transformers | iUPQC | TlUnPQC | |
|---|---|---|---|---|
| Voltage Harmonics Compensation | + + + | + + ++ | + + + | + + + |
| Voltage Sags Compensation | + + + | + + + + | + + + | + + |
| Voltage Swells Compensation | + + + | + + + + | + + + | + + |
| Voltage Unbalance Compensation | + + + | + + + + | + + + | + + |
| Overvoltage Compensation | + + + | + + + + | + + + | - |
| Under voltage Compensation | + + + | + + + + | + + + | - |
| Current Harmonics Compensation | + + + + | + + + | + + + + | + + + + |
| Current Unbalance Compensation | + + + + | - | + + + + | + + + + |
| Reactive Power Compensation | + + + + | + + + | + + + + | + + + + |
| Estimated Costs | + + + | + + + + | + + + | + + + |
| Offline | Line-Interactive (First Proposal) | Line-Interactive (Delta Conversion) | Online | |
|---|---|---|---|---|
| Harmonic Currents Compensation | Yes | Yes | Yes | Yes |
| Reactive Power Compensation | Yes | Yes | Yes | Yes |
| Voltage Regulation | No | Yes (poor) | Yes | Yes |
| Frequency Regulation | No | No | No | Yes |
| Seamless Transition | No | No | Yes | Yes |
| [278] | Opportunities and Challenges of Power Electronics Systems in Future Railway Electrification |
| [279] | Electrical railway power supply systems: Current situation and future trends. International Journal of Electrical Power and Energy Systems |
| [280] | Power Quality Phenomena in Electric Railway Power Supply Systems: An Exhaustive Framework and Classification |
| [281] | Railway Traction Power Supply from the State of the Art to Future Trends |
| [282] | Power Quality Phenomena in Electrified Railways: Conventional and New Trends in Power Quality Improvement toward Public Power Systems |
| [283] | Application of Power Electronics in Improving Power Quality and Supply Efficiency of AC Traction Networks |
| [284] | Future of Electric Railways: Advanced Electrification Systems with Static Converters for AC Railways |
| [285] | Use of converters for feeding of AC railways for all frequencies |
| [286] | Topologies and Operation Modes of Rail Power Conditioners in AC Traction Grids: Review and Comprehensive Comparison |
| [287] | Analysis and Comparison of Modular Railway Power Conditioner for High-Speed Railway Traction System |
| SVC | STATCOM | SFC | RPC | |
|---|---|---|---|---|
| Harmonics Compensation | + | + + + | + + + | + + + |
| NSC Compensation | + + | + + + | + + + | + + + |
| Power Factor Correction | + + | + + + | + + + | + + + |
| Reactive power compensation | Yes | Yes | No need | Yes |
| Active power supply 1 | No | No | Yes (fully) | Yes (partially) |
| Frequency Conversion | No | No | Yes | No |
| Passive Filter size | + + + | + + | + | + + |
| Power Ratings 2 | + + | + + + | + + + + | + + + |
| Neutral Section 3 | Yes | Yes | No | Yes 4 |
| Overloading Capability | Yes | Yes | No | Yes |
| Dynamic Response | Poor | Good | Good | Good |
| Estimated Costs | + | + + | + + + + | + + + |
Publisher’s Note: MDPI stays neutral with regard to jurisdictional claims in published maps and institutional affiliations. |
© 2021 by the authors. Licensee MDPI, Basel, Switzerland. This article is an open access article distributed under the terms and conditions of the Creative Commons Attribution (CC BY) license (https://creativecommons.org/licenses/by/4.0/).
Share and Cite
Afonso, J.L.; Tanta, M.; Pinto, J.G.O.; Monteiro, L.F.C.; Machado, L.; Sousa, T.J.C.; Monteiro, V. A Review on Power Electronics Technologies for Power Quality Improvement. Energies 2021, 14, 8585. https://doi.org/10.3390/en14248585
Afonso JL, Tanta M, Pinto JGO, Monteiro LFC, Machado L, Sousa TJC, Monteiro V. A Review on Power Electronics Technologies for Power Quality Improvement. Energies. 2021; 14(24):8585. https://doi.org/10.3390/en14248585
Chicago/Turabian StyleAfonso, Joao L., Mohamed Tanta, José Gabriel Oliveira Pinto, Luis F. C. Monteiro, Luis Machado, Tiago J. C. Sousa, and Vitor Monteiro. 2021. "A Review on Power Electronics Technologies for Power Quality Improvement" Energies 14, no. 24: 8585. https://doi.org/10.3390/en14248585
APA StyleAfonso, J. L., Tanta, M., Pinto, J. G. O., Monteiro, L. F. C., Machado, L., Sousa, T. J. C., & Monteiro, V. (2021). A Review on Power Electronics Technologies for Power Quality Improvement. Energies, 14(24), 8585. https://doi.org/10.3390/en14248585

