Constant Voltage Model of DFIG-Based Variable Speed Wind Turbine for Load Flow Analysis
Abstract
:1. Introduction
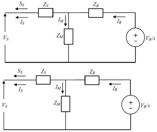
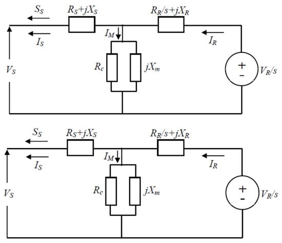
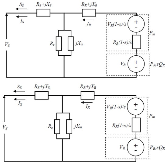
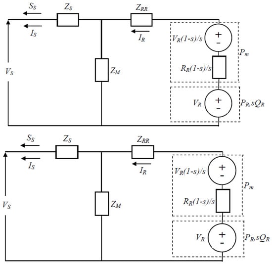
2. DFIG-Based WPP
3. Modeling of DFIG-Based WPP
4. Case Study
4.1. Test System
4.2. Calculations of Slip and Turbine Power
4.3. WPP Aggregation
4.4. Load Flow Results and Discussion
- (i)
- The improvement in system voltage profile leads to the reduction in transmission line power loss. In turn, this loss reduction will lower the power system operational cost and increase the system efficiency.
- (ii)
- The decrease in power supply from conventional electric generators. Conventional electric generators are usually fossil fuel-based power plants that are not environmentally friendly. This advantage will, therefore, help in coping with the global climate change issues.
5. Conclusions
- In contrast to the previous models, where DFIG power factor has been assumed to be constant at unity, the constant voltage model proposed in this paper allows the power factor to vary to keep the voltage at the specified value. In the present work, various DFIG voltage magnitudes ranging from 0.95 to 1.0 pu have been investigated, and the power factors vary from 0.98 lagging to 0.98 leading.
- The proposed model can be implemented in both sub-synchronous and super-synchronous conditions (it is to be noted that most of the previous models use two different mathematical models to represent the conditions). Three wind speed values (i.e., 8, 9, and 10 m/s) have been studied in this paper. At a wind speed of 8 m/s, the DFIG rotor active power is positive, which indicates that the DFIG is at sub-synchronous condition (DFIG rotor absorbs the active power). On the other hand, at wind speeds of 9 and 10 m/s, the DFIG rotor active power is negative, which indicates that the DFIG is at super-synchronous condition (DFIG rotor delivers the active power).
Funding
Institutional Review Board Statement
Informed Consent Statement
Data Availability Statement
Conflicts of Interest
Appendix A
Appendix B
References
- Anaya-Lara, O.; Jenkins, N.; Ekanayake, J.B.; Cartwright, P.; Hugheset, M. Wind Energy Generation: Modelling and Control; John Wiley & Sons Ltd.: Chichester, UK, 2009. [Google Scholar]
- Ackermann, T. Wind Power in Power Systems; John Wiley & Sons Ltd.: Chichester, UK, 2012. [Google Scholar]
- Akhmatov, V. Induction Generators for Wind Power; Multi-Science Publishing Co. Ltd.: Brentwood, UK, 2007. [Google Scholar]
- Dadhania, A.; Venkatesh, B.; Nassif, A.B.; Sood, V.K. Modeling of doubly fed induction generators for distribution system power flow analysis. Electr. Power Energy Syst. 2013, 53, 576–583. [Google Scholar] [CrossRef]
- Kumar, V.S.S.; Thukaram, D. Accurate modeling of doubly fed induction based wind farms in load flow analysis. Electr. Power Syst. Res. 2018, 15, 363–371. [Google Scholar]
- Anirudh, C.V.S.; Seshadri, S.K.V. Enhanced modeling of doubly fed induction generator in load flow analysis of distribution systems. IET Renew. Power Gener. 2021, 15, 980–989. [Google Scholar]
- Haque, M.H. Evaluation of power flow solutions with fixed speed wind turbine generating systems. Energy Convers. Manag. 2014, 79, 511–518. [Google Scholar] [CrossRef]
- Haque, M.H. Incorporation of fixed speed wind turbine generators in load flow analysis of distribution systems. Int. J. Renew. Energy Technol. 2015, 6, 317–324. [Google Scholar] [CrossRef]
- Wang, J.; Huang, C.; Zobaa, A.F. Multiple-node models of asynchronous wind turbines in wind farms for load flow analysis. Electr. Power Compon. Syst. 2015, 44, 135–141. [Google Scholar] [CrossRef] [Green Version]
- Feijoo, A.; Villanueva, D. A PQ model for asynchronous machines based on rotor voltage calculation. IEEE Trans. Energy Convers. 2016, 31, 813–814, Correction in IEEE Trans. Energy Convers. 2016, 31, 1228. [Google Scholar] [CrossRef]
- Ozturk, O.; Balci, M.E.; Hocaoglu, M.H. A new wind turbine generating system model for balanced and unbalanced distribution systems load flow analysis. Appl. Sci. 2018, 8, 502. [Google Scholar]
- Gianto, R. Steady state model of wind power plant for load flow study. In Proceedings of the 2020 International Seminar on Intelligent Technology and Its Applications (ISITIA 2020), Surabaya, Indonesia, 22–23 July 2020; pp. 119–122. [Google Scholar]
- Gianto, R.; Khwee, K.H.; Priyatman, H.; Rajagukguk, M. Two-port network model of fixed-speed wind turbine generator for distribution system load flow analysis. Telkomnika 2019, 17, 1569–1575. [Google Scholar] [CrossRef]
- Gianto, R. T-circuit model of asynchronous wind turbine for distribution system load flow analysis. Int. Energy J. 2019, 19, 77–88. [Google Scholar]
- Gianto, R.; Khwee, K.H. A new T-circuit model of wind turbine generator for power system steady state studies. Bull. Electr. Eng. Inform. 2021, 10, 550–558. [Google Scholar] [CrossRef]
- Ju, Y.; Ge, F.; Wu, W.; Lin, Y.; Wang, J. Three-phase steady-state model of DFIG considering various rotor speeds. IEEE Access 2016, 4, 9479–9948. [Google Scholar] [CrossRef]
- Gianto, R. Steady state model of DFIG-based wind power plant for load flow analysis. IET Renew. Power Gener. 2021, 15, 1724–1735. [Google Scholar] [CrossRef]
- Gianto, R. Integration of DFIG-based variable speed wind turbine into load flow analysis. In Proceedings of the 2021 International Seminar on Intelligent Technology and Its Applications (ISITIA 2021), Surabaya, Indonesia, 21–22 July 2021; pp. 63–66. [Google Scholar]
- Boldea, I. Variable Speed Generators; Taylor & Francis Group LLC: Roca Baton, FL, USA, 2005. [Google Scholar]
- Fox, B.; Flynn, D.; Bryans, L.; Jenkins, N.; Milborrow, D.; O’Malley, M.; Watson, R.; Anaya-Lara, O. Wind Power Integration: Connection and System Operational Aspects; The Institution of Engineering and Technology: London, UK, 2007. [Google Scholar]
- Patel, M.R. Wind and Solar Power Systems; CRC Press LLC: Boca Raton, FL, USA, 1999. [Google Scholar]
- Gianto, R.; Khwee, K.H. A new method for load flow solution of electric power distribution system. Int. Rev. Electr. Eng. 2016, 11, 535–541. [Google Scholar] [CrossRef]
- Stevenson, W.D. Elements of Power System Analysis; McGraw-Hill Book Co. Inc.: New York, NY, USA, 1992. [Google Scholar]


















| Ref. | Model Description | Notes |
|---|---|---|
| [4] | Based on analytical representation of wind turbine, voltage source converters, and wound rotor induction machine |
|
| [5] | Based on equivalent circuit of DFIG |
|
| [6] | Based on equivalent circuit of DFIG |
|
| [17] | Based on sequence components |
|
| [18] | Based on WPP power formulations |
|
| [19] | Based on WPP power formulations |
|
| Bus Type | Equation(s) | Known Variable | Unknown Variable |
|---|---|---|---|
| Slack | (9) | |V| and δ = 0° | PG and QG |
| PV | (9) | PG and |V| | δ and QG |
| PQ | (9) | PG = QG = 0 | |V| and δ |
| WPP | (8) and (9) | |V| = |VS|, s and Pm | δ = δS, PG = Pg,QG = Qg, QR, Re(VR) and Im(VR) |
| Line | Sending Bus | Receiving Bus | Series Impedance |
|---|---|---|---|
| 1 | 1 | 3 | 0.042 + j0.168 |
| 2 | 1 | 4 | 0.031 + j0.126 |
| 3 | 2 | 3 | 0.031 + j0.126 |
| 4 | 2 | 4 | 0.053 + j0.210 |
| 5 | 2 | 5 | 0.084 + j0.336 |
| 6 | 4 | 5 | 0.063 + j0.252 |
| 1 | 1 | 3 | 0.042 + j0.168 |
| Bus | |V| | δ | Generation | Load | Note |
|---|---|---|---|---|---|
| 1 | 1.07 | 0 | - | 0.65 + j0.30 | Slack |
| 2 | 1.06 | - | 1.8 + j- | 0.70 + j0.40 | PV |
| 3 | - | - | 0 | 1.15 + j0.60 | PQ |
| 4 | - | - | 0 | 0.85 + j0.40 | PQ |
| 5 | - | - | - | 0.70 + j0.30 | PQ |
| Turbine | Blade length: 40 m Rated power: 3.0 MW Speed: Cut-in: 4 m/s; Rated: 14 m/s; Cut-out: 23 m/s |
| Gearbox | Ratio: 1/90 |
| Generator | Type: DFIG Rated power: 3.0 MW Pole pairs: 2 Voltage: 690 Volt Resistances/Reactances (in pu): RS = 1; XS = 25; RR = 1; XR = 25; Rc = 3000; Xm = 350 |
| Transformer | Impedance (in pu): j5 |
| Vw (m/s) | s | Pm (MW) | ΣPm (MW) |
|---|---|---|---|
| 8 | 0.0833 | 0.7882 | 78.82 |
| 9 | −0.0313 | 1.1222 | 112.22 |
| 10 | −0.1459 | 1.5394 | 153.94 |
| |VS| (pu) | ΣPR (MW) | ΣQR (MVAR) | DFIG Loss | |
|---|---|---|---|---|
| MW | MVAR | |||
| 0.95 | 7.6218 | 81.5364 | 9.6055 | 93.5515 |
| 0.96 | 7.6755 | 95.8748 | 10.0061 | 97.6761 |
| 0.97 | 7.7397 | 110.9682 | 10.4326 | 102.3248 |
| 0.98 | 7.8145 | 126.8189 | 10.8850 | 107.4996 |
| 0.99 | 7.8999 | 143.4289 | 11.3636 | 113.2021 |
| 1.00 | 7.9959 | 160.8002 | 11.8682 | 119.4341 |
| |VS| (pu) | ΣPS (MW) | ΣPg (MW) | ΣQg (MVAR) | Power Factor |
|---|---|---|---|---|
| 0.95 | 76.8364 | 69.2145 | −12.0151 | 0.9853 (lag) |
| 0.96 | 76.4894 | 68.8139 | −1.8013 | 0.9997 (lag) |
| 0.97 | 76.1272 | 68.3874 | 8.6434 | 0.9921 (lead) |
| 0.98 | 75.7495 | 67.9350 | 19.3193 | 0.9619 (lead) |
| 0.99 | 75.3563 | 67.4564 | 30.2268 | 0.9126 (lead) |
| 1.00 | 74.9477 | 66.9518 | 41.3661 | 0.8507 (lead) |
| |VS| (pu) | G1+G2 Output | Line Losses | ||
|---|---|---|---|---|
| MW | MVAR | MW | MVAR | |
| 0.95 | 1168.2577 | 704.3137 | 22.4722 | 92.2987 |
| 0.96 | 1168.1939 | 692.1300 | 22.0078 | 90.3287 |
| 0.97 | 1168.1962 | 679.9542 | 21.5836 | 88.5976 |
| 0.98 | 1168.2645 | 667.7863 | 21.1994 | 87.1057 |
| 0.99 | 1168.3989 | 655.6265 | 20.8554 | 85.8533 |
| 1.00 | 1168.5996 | 643.4748 | 20.5514 | 84.8409 |
| |VS| (pu) | ΣPR (MW) | ΣQR (MVAR) | DFIG Loss | |
|---|---|---|---|---|
| MW | MVAR | |||
| 0.95 | −2.7852 | 84.1153 | 9.8841 | 101.1058 |
| 0.96 | −2.7405 | 97.9311 | 10.2655 | 104.7983 |
| 0.97 | −2.6852 | 112.5033 | 10.6728 | 109.0165 |
| 0.98 | −2.6193 | 127.8338 | 11.1061 | 113.7620 |
| 0.99 | −2.5428 | 144.9246 | 11.5655 | 120.0365 |
| 1.00 | −2.4556 | 161.7777 | 12.0510 | 125.8415 |
| |VS| (pu) | ΣPS (MW) | ΣPg (MW) | ΣQg (MVAR) | Power Factor |
|---|---|---|---|---|
| 0.95 | 99.5506 | 102.3359 | −16.9905 | 0.9865 (lag) |
| 0.96 | 99.2141 | 101.9545 | −6.8672 | 0.9977 (lag) |
| 0.97 | 98.8621 | 101.5472 | 3.4867 | 0.9994 (lead) |
| 0.98 | 98.4947 | 101.1139 | 14.0718 | 0.9905 (lead) |
| 0.99 | 98.1118 | 100.6545 | 24.8881 | 0.9708 (lead) |
| 1.00 | 97.7133 | 100.1690 | 35.9362 | 0.9413 (lead) |
| |VS| (pu) | G1+G2 Output | Line Losses | ||
|---|---|---|---|---|
| MW | MVAR | MW | MVAR | |
| 0.95 | 1133.1415 | 703.4212 | 20.4774 | 86.4307 |
| 0.96 | 1133.0480 | 691.1966 | 20.0025 | 84.3293 |
| 0.97 | 1133.0198 | 678.9779 | 19.5671 | 82.4647 |
| 0.98 | 1133.0572 | 666.7654 | 19.1711 | 80.8372 |
| 0.99 | 1133.1602 | 654.5590 | 18.8147 | 79.4472 |
| 1.00 | 1133.3288 | 642.3589 | 18.4978 | 78.2951 |
| |VS| (pu) | ΣPR (MW) | ΣQR (MVAR) | DFIG Loss | |
|---|---|---|---|---|
| MW | MVAR | |||
| 0.95 | −18.7417 | 90.7664 | 10.3241 | 112.3397 |
| 0.96 | −18.7072 | 103.9612 | 10.6831 | 115.5376 |
| 0.97 | −18.6621 | 117.9130 | 11.0681 | 119.2614 |
| 0.98 | −18.6064 | 132.6235 | 11.4792 | 123.5127 |
| 0.99 | −18.5402 | 148.0945 | 11.9163 | 128.2932 |
| 1.00 | −18.4632 | 164.3281 | 12.3796 | 133.6045 |
| |VS| (pu) | ΣPS (MW) | ΣPg (MW) | ΣQg (MVAR) | Power Factor |
|---|---|---|---|---|
| 0.95 | 124.8742 | 143.6159 | −21.5734 | 0.9889 (lag) |
| 0.96 | 124.5497 | 143.2569 | −11.5763 | 0.9968 (lag) |
| 0.97 | 124.2098 | 142.8719 | −1.3484 | 0.99996 (lag) |
| 0.98 | 123.8544 | 142.4608 | 9.1107 | 0.9980 (lead) |
| 0.99 | 123.4836 | 142.0237 | 19.8013 | 0.9904 (lead) |
| 1.00 | 123.0972 | 141.5604 | 30.7236 | 0.9772 (lead) |
| |VS| (pu) | G1+G2 Output | Line Losses | ||
|---|---|---|---|---|
| MW | MVAR | MW | MVAR | |
| 0.95 | 1090.0827 | 704.6664 | 18.6986 | 83.0931 |
| 0.96 | 1089.9490 | 692.3759 | 18.2059 | 80.7996 |
| 0.97 | 1089.8802 | 680.0894 | 17.7520 | 78.7410 |
| 0.98 | 1089.8762 | 667.8070 | 17.3370 | 76.9178 |
| 0.99 | 1089.9372 | 655.5289 | 16.9609 | 75.3302 |
| 1.00 | 1090.0633 | 643.2551 | 16.6237 | 73.9787 |
Publisher’s Note: MDPI stays neutral with regard to jurisdictional claims in published maps and institutional affiliations. |
© 2021 by the author. Licensee MDPI, Basel, Switzerland. This article is an open access article distributed under the terms and conditions of the Creative Commons Attribution (CC BY) license (https://creativecommons.org/licenses/by/4.0/).
Share and Cite
Gianto, R. Constant Voltage Model of DFIG-Based Variable Speed Wind Turbine for Load Flow Analysis. Energies 2021, 14, 8549. https://doi.org/10.3390/en14248549
Gianto R. Constant Voltage Model of DFIG-Based Variable Speed Wind Turbine for Load Flow Analysis. Energies. 2021; 14(24):8549. https://doi.org/10.3390/en14248549
Chicago/Turabian StyleGianto, Rudy. 2021. "Constant Voltage Model of DFIG-Based Variable Speed Wind Turbine for Load Flow Analysis" Energies 14, no. 24: 8549. https://doi.org/10.3390/en14248549
APA StyleGianto, R. (2021). Constant Voltage Model of DFIG-Based Variable Speed Wind Turbine for Load Flow Analysis. Energies, 14(24), 8549. https://doi.org/10.3390/en14248549

