Analysis of Induced Voltage on Pipeline Located Close to Parallel Distribution System
Abstract
:1. Introduction
2. Voltage Calculation between Pipeline and Distribution System
2.1. Induced Voltage Calculation in SCL
- R = resistance of the conductor;
- GMR = geometric mean radius of the conductor;
- Ρ = earth resistivity;
- f = system frequency;
- Dij = distance from conductor i to conductor j;
- Zii = self-impedance of the conductor I;
- Zij = mutual impedance between conductors i and j.
2.2. Induced Voltage Calculation in DCL
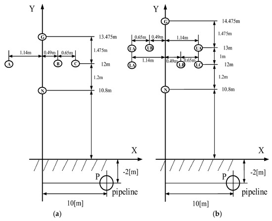
2.3. System Modeling
3. Simulation and Results
3.1. Simulation Results in SCL
3.2. Simulation Results in DCL
- Case 4: Three-phase balanced load in the upper and lower sides.
- Case 5: Single-phase (Uc, Lc-phase) unbalanced load in the upper and lower sides.
- Case 6: Three-phase unbalanced load in the upper and lower sides.
- Case 7A–7C: Single-phase unbalanced load on the upper side and balanced load on the lower side.
- Case 8A–8C: Balanced load on the upper side and single-phase unbalanced load on the lower side.
3.3. Comparison of Case SCL and DCL Studies
4. Conclusions
Author Contributions
Funding
Institutional Review Board Statement
Informed Consent Statement
Data Availability Statement
Conflicts of Interest
References
- Adedeji, K.; Ponnle, A.; Abe, B.; Jimoh, A.; Abu-Mahfouz, A.; Hamam, Y. A review of the effect of ac/dc interference on corrosion and cathodic protection potentials of pipelines. Int. Rev. Electr. Eng. 2018, 13, 495–508. [Google Scholar] [CrossRef] [Green Version]
- Christoforidis, G.C.; Labridis, D.P.; Dokopoulos, P.S. A hybrid method for calculating the inductive interference caused by faulted power lines to nearby buried pipelines. IEEE Trans. Power Deliv. 2005, 20, 1465–1473. [Google Scholar] [CrossRef]
- Gummow, R.A.; Segall, S.M.; Fieltsch, W. Pipeline AC mitigation misconceptions. In Proceedings of the Northern Area Western Conference, Calgary, AB, Canada, 15–18 February 2010. [Google Scholar]
- Abdel-Gawad, N.M.K.; El Dein, A.Z.; Magdy, M. Mitigation of induced voltages and AC corrosion effects on buried gas pipeline near to OHTL under normal and fault conditions. Electr. Power Syst. Res. 2015, 127, 297–306. [Google Scholar] [CrossRef]
- Kaboli, A.; Hr, S.; Al Hinai, A.; Al-Badi, A.; Charabi, Y.; Al Saifi, A. Prediction of Metallic Conductor Voltage Owing to Electromagnetic Coupling Via a Hybrid ANFIS and Backtracking Search Algorithm. Energies 2019, 12, 3651. [Google Scholar] [CrossRef] [Green Version]
- NACE SP0177-2014. Mitigation of Alternating Current and Lightning Effects on Metallic Structures and Corrosion Control Systems; Nace International: Houston, TX, USA, 2014. [Google Scholar]
- International Organization for Standardization. Corrosion of Metals and Alloys-Determination of AC Corrosion-Protection Criteria; Standard EN ISO 18086:2017; International Organization for Standardization: Geneva, Switzerland, 2017. [Google Scholar]
- Ouadah, M.; Touhami, O.; Ibtiouen, R.; Benlamnouar, M.F.; Zergoug, M. Corrosive effects of the electromagnetic induction caused by the high voltage power lines on buried X70 steel pipelines. Int. J. Electr. Power Energy Syst. 2017, 91, 34–41. [Google Scholar] [CrossRef]
- Lucca, G. AC interference from faulty power cables on buried pipelines: A two-step approach. IET Sci. Meas. Technol. 2021, 15, 25–34. [Google Scholar] [CrossRef]
- Martins-Britto, A.G.; Rondineau, S.R.M.J.; Lopes, F.V. Power Line Transient Interferences on a Nearby Pipeline Due to a Lightning Discharge. In Proceedings of the International Conference on Power Systems Transients (IPST 2019), Perpignan, France, 16–20 June 2019. [Google Scholar]
- Martins-Britto, A.; Moraes, C.M.; Lopes, F.V.; Rondineau, S. Low-frequency Electromagnetic Coupling Between a Traction Line and an Underground Pipeline in a Multilayered Soil. In Proceedings of the 5th Workshop on Communication Networks and Power Systems (WCNPS 2020), IEEE Xplore, Brasília, Brazil, 12–13 November 2020; pp. 1–6. [Google Scholar]
- Peppas, G.D.; Papagiannis, M.-P.; Koulouridis, S.; Pyrgioti, E.C. Induced Voltage on an Aboveground Natural Gas/Oil Pipeline Due to Lightning Strike on a Transmission Line. In Proceedings of the 2014 International Conference on Lightning Protection (ICLP), Shanghai, China, 11–18 October 2014; pp. 461–467. [Google Scholar]
- Popoli, A.; Cristofolini, A.; Sandrolini, L. A numerical model for the calculation of electromagnetic interference from power lines on nonparallel underground pipelines. Math. Comput. Simul. 2021, 183, 221–233. [Google Scholar] [CrossRef]
- Moraes, C.M.; Martins-Britto, A.G.; Felipe, V. Electromagnetic Interferences Between Power Lines and Pipelines Using EMTP Techniques. In Proceedings of the 2020 Workshop on Communication Networks and Power Systems (WCNPS) Communication Networks and Power Systems (WCNPS), 2020 Workshop, Brasilia, Brazil, 1–6 November 2020. [Google Scholar]
- Heo, J.Y.; Seo, H.C.; Lee, S.J.; Kim, Y.S.; Kim, C.H. A Simulator for Calculating Normal Induced Voltage on Communication Line. J. Electr. Eng. Technol. 2014, 9, 1394–1400. [Google Scholar] [CrossRef] [Green Version]
- Hiroshi, I.; Akihiro, A.; Yuji, H. An investigation of induced voltages to an underground gas pipeline from an overhead transmission line. Electr. Eng. 2008, 164, 43–50. [Google Scholar]
- Leuven EMTP Center. Alternative Transients Program ATP Rule Book; EEUG, Canadian/American EMTP User Group: Portland, OR, USA, 1992. [Google Scholar]
- Popoli, A.; Sandrolini, L.; Cristofolini, A. Reduction in the Electromagnetic Interference Generated by AC Overhead Power Lines on Buried Metallic Pipelines with Screening Conductors. Electricity 2021, 2, 316–329. [Google Scholar] [CrossRef]
- Park, K.W.; Seo, H.C.; Kim, C.H.; Kim, C.H.; Jung, C.S.; Yoo, Y.P.; Lim, Y.H. Analysis of the Neutral Current for Two-Step-Type Poles in Distribution Lines. IEEE Tran. Power Deliv. 2009, 24, 1483–1489. [Google Scholar] [CrossRef]
- Oka, K.; Koizumi, S.; Oishi, K.; Yokota, T.; Uemura, S. Analysis of a neutral grounding method for a three phase four-wire 11.4 kV distribution system. In Proceedings of the Transmission and Distribution Conference and Exhibition 2002: Asia Pacific. IEEE/PES, Yokohama, Japan, 6–10 October 2002; Volume 2, pp. 998–1003. [Google Scholar]
- Kim, H.S.; Rhee, S.B.; Yeo, S.M.; Kim, C.H.; Lyn, S.H.; Kim, S.A.; Weon, B.J. Calculation of an Induced Voltage on Telecommunication Lines in Parallel Distribution Lines. Trans. KIEE 2008, 57, 1688–1695. [Google Scholar]
- National Radio Research Agency. The Technical Regulation on Detailed Calculation Methods of Power Induction Voltages; RRA Notice No. 2014-11; National Radio Research Agency: Naju, Korea, 2014. [Google Scholar]
- Kersting, W.H. The Modeling and Analysis of Parallel Distribution Lines. IEEE Trans. Ind. Appl. 2006, 42, 1126–1132. [Google Scholar] [CrossRef]
- Electric Power Research Institute. EPRI AC Transmission Line Reference Book—200 kV and Above; Electric Power Research Institute: Washington, DC, USA, 2014. [Google Scholar]
- Papadopoulos, T.A.; Apostolidis, A.K.; Chrysochos, A.I.; Christoforidis, G.C. Frequency-Dependent Earth Impedance Formulas Between Overhead Conductors and Underground Pipelines. In Proceedings of the IEEE International Conference on Environment and Electrical Engineering and 2019 IEEE Industrial and Commercial Power Systems Europe (EEEIC/I&CPS Europe), Genova, Italy, 11–14 June 2019; pp. 11–14. [Google Scholar]
- Amtani, A.; Hosakawa, Y. EMTP Simulations and Theoretical Formulation of Induced Voltages to Pipelines from Power Lines; IPST: Lyon, France, 2007. [Google Scholar]










| Line Type | Cable Type (mm2) | Radius (cm) | Resistance (Ω/km) |
|---|---|---|---|
| Overhead ground conductor | ACSR 32 | 0.39 | 0.898 |
| Distribution lines | ACSR 160 | 0.91 | 0.182 |
| Neutral conductor | ACSR 95 | 0.675 | 0.301 |
| Case Study | Load Condition | VP (V) | VEMTP (V) | VDiff. (%) | ||
|---|---|---|---|---|---|---|
| A (MVA) | B (MVA) | C (MVA) | ||||
| Case 1 | 1 | 1 | 1 | 0.513 | 0.515 | 0.2 |
| Case 2A | 1.3 | 1 | 1 | 0.713 | 0.716 | 0.3 |
| Case 2B | 1 | 1.3 | 1 | 0.700 | 0.698 | 0.2 |
| Case 2C | 1 | 1 | 1.3 | 0.353 | 0.356 | 0.3 |
| Case 3 | 1 | 1.1 | 1.2 | 0.465 | 0.467 | 0.2 |
| Case Study | VG (V) | VABC (V) | VN (V) |
|---|---|---|---|
| Case 1 | 0.228 ∠ −21.60° | 0.389 ∠ 48.60° | 8.6 × 10−15 ∠ 163.42° |
| Case 2A | 0.199 ∠ 14.32° | 6.236 ∠ −127.33° | 6.783 ∠ 52.70° |
| Case 2B | 0.430 ∠ −21.67° | 6.894 ∠ 109.67° | 6.783 ∠ −67.30° |
| Case 2C | 0.198 ∠ −57.54° | 6.976 ∠ −4.71° | 6.783 ∠ 172.7° |
| Case 3 | 0.262 ∠ −38.85° | 4.255 ∠ 24.80° | 3.919 ∠ −157.27° |
| Case Study | Inducing Side | Shielding Side | Induced Voltage |
|---|---|---|---|
| VABC (V) | VG + VN (V) | VP (V) | |
| Case 1 | 0.389 ∠ 48.60° | 0.228 ∠ −21.60° | 0.513 ∠ 23.83° |
| Case 2A | 6.236 ∠ −127.33° | 6.940 ∠ 51.68° | 0.713 ∠ 42.99° |
| Case 2B | 6.894 ∠ 109.67° | 7.090 ∠ −64.82° | 0.700 ∠ 6.17° |
| Case 2C | 6.976 ∠ −4.7° | 6.658 ∠ 174.01° | 0.353 ∠ 20.23° |
| Case 3 | 4.255 ∠ 24.80° | 3.801 ∠ −153.79° | 0.465 ∠ 13.21° |
| Case Study | Load Condition | VP (V) | VEMTP (V) | VDiff. (%) | |||||
|---|---|---|---|---|---|---|---|---|---|
| UA (MVA) | UB (MVA) | UC (MVA) | LA (MVA) | LB (MVA) | LC (MVA) | ||||
| Case 4 | 1 | 1 | 1 | 1 | 1 | 1 | 0.330 | 0.329 | 0.1 |
| Case 5 | 1 | 1 | 1.3 | 1 | 1 | 1.3 | 0.401 | 0.388 | 1.3 |
| Case 6 | 1 | 1.1 | 1.2 | 1 | 1.1 | 1.2 | 0.406 | 0.396 | 1.0 |
| Case 7A | 1.3 | 1 | 1 | 1 | 1 | 1 | 0.430 | 0.426 | 0.4 |
| Case 7B | 1 | 1.3 | 1 | 1 | 1 | 1 | 0.819 | 0.808 | 1.1 |
| Case 7C | 1 | 1 | 1.3 | 1 | 1 | 1 | 0.284 | 0.275 | 0.9 |
| Case 8A | 1 | 1 | 1 | 1.3 | 1 | 1 | 0.412 | 0.410 | 0.2 |
| Case 8B | 1 | 1 | 1 | 1 | 1.3 | 1 | 0.525 | 0.516 | 0.9 |
| Case 8C | 1 | 1 | 1 | 1 | 1 | 1.3 | 0.253 | 0.252 | 0.1 |
| Case Study | VG (V) | VU (V) | VL (V) | VN (V) |
|---|---|---|---|---|
| Case 4 | 0.322 ∠ −21.9° | 0.354 ∠ −132.7° | 0.391 ∠ 48.4° | 8.6 × 10−15 ∠ 172.4° |
| Case 5 | 0.343 ∠ −88.0° | 6.421 ∠ −10.6° | 7.041 ∠ −5° | 13.697 ∠ 172.4° |
| Case 6 | 0.411 ∠ −52.6° | 3.500 ∠ 19.8° | 4.292 ∠ 24.5° | 7.909 ∠ −157.5° |
| Case 7A | 0.294 ∠ 26.2° | 7.085 ∠ −128.0° | 0.391 ∠ 48.4° | 6.849 ∠ 52.4° |
| Case 7B | 0.642 ∠ −22.0° | 6.507 ∠ 114.9° | 0.391 ∠ 48.4° | 6.849 ∠ −67.6° |
| Case 7C | 0.292 ∠ −70.0° | 6.421 ∠ −10.6° | 0.391 ∠ 48.4° | 6.849 ∠ 172.4° |
| Case 8A | 0.284 ∠ −2.0° | 0.354 ∠ −132.7° | 6.298 ∠ −127.6° | 6.849 ∠ 52.4° |
| Case 8B | 0.462 ∠ −21.9° | 0.354 ∠ −132.7° | 6.961 ∠ 109.4° | 6.849 ∠ −67.6° |
| Case 8C | 0.283 ∠ −41.7° | 0.354 ∠ −132.7° | 7.041 ∠ −5.0° | 6.849 ∠ 172.4° |
| Case Study | Inducing Side VU + VL (V) | Shielding Side VG + VN (V) | Induced Voltage VP (V) |
|---|---|---|---|
| Case 4 | 0.037 ∠ 58.3° | 0.322 ∠ −21.9° | 0.330 ∠ −15.5° |
| Case 5 | 13.446 ∠ −7.7° | 13.644 ∠ 173.8° | 0.401 ∠ −126.1° |
| Case 6 | 7.785 ∠ 22.4° | 7.813 ∠ −154.6° | 0.406 ∠ −70.0° |
| Case 7A | 6.695 ∠ −127.8° | 7.114 ∠ 51.4° | 0.430 ∠ 38.5° |
| Case 7B | 6.672 ∠ 111.8° | 7.312 ∠ −64.0° | 0.819 ∠ −27.5° |
| Case 7C | 6.631 ∠ −7.7° | 6.719 ∠ 174.6° | 0.284 ∠ −114.6° |
| Case 8A | 6.651 ∠ −127.9° | 7.017 ∠ 50.5° | 0.412 ∠ 24.2° |
| Case 8B | 6.802 ∠ 112.1° | 7.179 ∠ −64.9° | 0.525 ∠ −22.3° |
| Case 8C | 6.831 ∠ −7.3° | 6.616 ∠ 173.8° | 0.253 ∠ −38.9° |
| Case Study | Inducing Side | Shielding Side VG + VN (V) | Induced Voltage VP (V) |
|---|---|---|---|
| Case 2C | 6.976 ∠ −4.71° | 0.198 ∠ −57.54° + 6.783 ∠ 172.7° | 0.353 ∠ 20.23° |
| Case 5 | 13.446 ∠ −7.7° | 0.343 ∠ −88.0° + 13.697 ∠ 172.4° | 0.401 ∠ −126.1° |
| Case Study | Separation Distance (VEMTP (V)) | ||||||
|---|---|---|---|---|---|---|---|
| −90 (m) | −60 (m) | −30 (m) | 0 (m) | +30 (m) | +60 (m) | +90 (m) | |
| Case 1 | 0.111 | 0.141 | 0.216 | 1.540 | 0.287 | 0.187 | 0.142 |
| Case 2A | 0.099 | 0.136 | 0.236 | 0.332 | 0.533 | 0.336 | 0.250 |
| Case 2B | 0.271 | 0.326 | 0.448 | 0.565 | 0.552 | 0.387 | 0.309 |
| Case 2C | 0.207 | 0.275 | 0.434 | 0.177 | 0.341 | 0.213 | 0.156 |
| Case 3 | 0.209 | 0.268 | 0.407 | 0.243 | 0.411 | 0.271 | 0.207 |
| Separation Distance | Inducing Side Voltage (V) | Shielding Side Voltage (V) | Induced Voltage (V) |
|---|---|---|---|
| −90 (m) | 4.164 ∠ −135.51° | 4.118 ∠ 43.26° | 0.099 ∠ −73.53° |
| −60 (m) | 4.862 ∠ −132.86° | 4.768 ∠ 45.99° | 0.136 ∠ −87.79° |
| −30 (m) | 6.037 ∠ −129.93° | 5.827 ∠ 49.09° | 0.236 ∠ −104.45° |
| 0 (m) | 7.086 ∠ −127.30° | 7.411 ∠ 52.05° | 0.332 ∠ 38.28° |
| +30 (m) | 5.301 ∠ −129.94° | 5.827 ∠ 49.09° | 0.533 ∠ 39.34° |
| +60 (m) | 4.438 ∠ −133.13° | 4.768 ∠ 45.99° | 0.336 ∠ 34.56° |
| +90 (m) | 3.874 ∠ −135.94° | 4.118 ∠ 43.26° | 0.250 ∠ 30.81° |
| Case Study | Separation Distance (VEMTP (V)) | ||||||
|---|---|---|---|---|---|---|---|
| −90 (m) | −60 (m) | −30 (m) | 0 (m) | +30 (m) | +60 (m) | +90 (m) | |
| Case 4 | 0.197 | 0.228 | 0.275 | 0.311 | 0.280 | 0.228 | 0.197 |
| Case 5 | 0.202 | 0.237 | 0.303 | 0.542 | 0.289 | 0.235 | 0.202 |
| Case 6 | 0.247 | 0.286 | 0.351 | 0.439 | 0.347 | 0.286 | 0.247 |
| Case 7A | 0.199 | 0.239 | 0.323 | 0.550 | 0.255 | 0.197 | 0.170 |
| Case 7B | 0.383 | 0.447 | 0.562 | 0.864 | 0.605 | 0.470 | 0.399 |
| Case 7C | 0.179 | 0.209 | 0.254 | 0.323 | 0.234 | 0.197 | 0.171 |
| Case 8A | 0.171 | 0.196 | 0.234 | 0.381 | 0.290 | 0.219 | 0.184 |
| Case 8B | 0.289 | 0.339 | 0.431 | 0.577 | 0.396 | 0.317 | 0.273 |
| Case 8C | 0.158 | 0.178 | 0.201 | 0.181 | 0.265 | 0.216 | 0.184 |
Publisher’s Note: MDPI stays neutral with regard to jurisdictional claims in published maps and institutional affiliations. |
© 2021 by the authors. Licensee MDPI, Basel, Switzerland. This article is an open access article distributed under the terms and conditions of the Creative Commons Attribution (CC BY) license (https://creativecommons.org/licenses/by/4.0/).
Share and Cite
Kim, H.-S.; Min, H.-Y.; Chase, J.G.; Kim, C.-H. Analysis of Induced Voltage on Pipeline Located Close to Parallel Distribution System. Energies 2021, 14, 8536. https://doi.org/10.3390/en14248536
Kim H-S, Min H-Y, Chase JG, Kim C-H. Analysis of Induced Voltage on Pipeline Located Close to Parallel Distribution System. Energies. 2021; 14(24):8536. https://doi.org/10.3390/en14248536
Chicago/Turabian StyleKim, Hyoun-Su, Hae-Yeol Min, J. Geoffrey Chase, and Chul-Hwan Kim. 2021. "Analysis of Induced Voltage on Pipeline Located Close to Parallel Distribution System" Energies 14, no. 24: 8536. https://doi.org/10.3390/en14248536
APA StyleKim, H.-S., Min, H.-Y., Chase, J. G., & Kim, C.-H. (2021). Analysis of Induced Voltage on Pipeline Located Close to Parallel Distribution System. Energies, 14(24), 8536. https://doi.org/10.3390/en14248536

