Next Article in Journal
Capacity Market and (the Lack of) New Investments: Evidence from Poland
Next Article in Special Issue
Distribution Locational Marginal Price Based Transactive Energy Management in Distribution Systems with Smart Prosumers—A Multi-Agent Approach
Previous Article in Journal
Resiliency Improvement of an AC/DC Power Grid with Embedded LCC-HVDC Using Robust Power System State Estimation
Previous Article in Special Issue
Distribution-Level Flexibility Markets—A Review of Trends, Research Projects, Key Stakeholders and Open Questions
 
 
Font Type:
Arial Georgia Verdana
Font Size:
Aa Aa Aa
Line Spacing:
Column Width:
Background:
Article

Characterization and Modeling of LV Cables Considering External Parameters for Distribution Networks

Université Paris-Saclay, CentraleSupélec, CNRS, Laboratoire de Génie Electrique et Electronique de Paris, 91192 Gif-sur-Yvette, France
*
Author to whom correspondence should be addressed.
Energies 2021, 14(23), 7849; https://doi.org/10.3390/en14237849
Submission received: 22 October 2021 / Revised: 15 November 2021 / Accepted: 16 November 2021 / Published: 23 November 2021
(This article belongs to the Special Issue Innovative Solutions for Modern Distribution Networks)

Abstract

:
In response to the climate emergency, new uses are plugged to low voltage (LV) electrical networks. The development of self-consumption complicates the LV grid operation, and force distribution system operators (DSOs) to better model and characterize their networks. DSOs mainly use a three-conductor model (3 CM) to compute power flows, and consider error margins of 2% for voltage profiles to reflect their model inaccuracy. The characteristics of the future LV grids call into question these margins, and the models used. In this paper, a four-conductor model (4 CM), and an additional model named 4 CMext, that considers external parameters (i.e., cable temperature, ground electrical resistivity, and value/number of the earthing resistances) are proposed. The best model for cable characterization and voltage profile calculation is chosen; the 4 CMext is more adapted for the characterization, and corresponds with the finite element model, with an error margin of 4%, experimental measurements of 15%, and French cable manufacturer data of 0.5%. For the voltage profile, the 4 CMext provides a more detailed view of the critical cases that could lead to a violation of the limits of the EN 50160 standard than 3 CM and 4 CM. Violations of high or low voltages are underestimated by two to six times by the 3 CM and 4 CM. Not considering external parameters can lead to a voltage profile error of above 3%. In this paper, we recommend that DSOs use the 4 CMext to represent LV networks, which would allow LV networks to be used closer to their physical limits, and avoid or postpone network reinforcements.

1. Introduction

In response to the climate emergency, new uses, including photovoltaic panels (PV) [1], batteries (particularly electric vehicle batteries) [2,3], and heat pumps [4], have been introduced on low voltage (LV) electrical networks. These are mainly connected in single-phase to LV networks, drastically changing the load curve profiles. The development of self-consumption or self-production accentuates these changes by creating imbalances in the LV networks. Network reinforcements [5] are necessary to connect these new uses, while remaining within the limits of the EN 50160 standard [6]. New methods for LV network planning [7], real-time management [8] and state estimation [9,10] have been developed to postpone or avoid these reinforcements. These methods require an accurate model of the LV network. Currently, errors and incomplete data exist in distribution system operator (DSO) databases [11]; these uncertainties impact the accuracy of the voltage profile. DSOs consider a margin of error (Figure 1) to avoid voltage violations. Enedis, the main French DSO, mentions, for instance, a margin of 1.5% in [12]. This margin is considered to be 2% in this paper. Due to model errors, the voltage profile must be within a nominal voltage of ±8%. With a more accurate network model, it is possible to develop new management tools (e.g., state estimation and demand response) to limit reinforcements and to use LV networks as close to their limits as possible (i.e., suppressing error margins). Moreover, the surrounding environment also has an impact on the network operation. Considering the external parameters in the model, such as cable temperature, ground electrical resistivity, and the value/number of earthing resistances, reinforces its accuracy. This paper focuses on the best model, which considers external parameters for the determination of the cable impedance matrix and the voltage profile.

1.1. Review of LV Cable Modeling and Characterization

It is necessary to review the modeling and characterization of LV cables [13] using more detailed models than the symmetrical component model (S CM) used mainly by manufacturers [14,15]. Table 1 summarizes the cross-section of European LV cables mentioned in this paper. Ref. [16] studied the UK LV cables; English cables have three or four phase conductors, and all have rotation symmetries. For the four-phase conductor cable, the cross-section of the neutral wire is identical to the other phases. For three-phase conductors, the neutral wire surrounds all the other phases. The author proposed an analytical and a finite element model of the cable adapted to these cable cross-sections. A four-conductor model (4 CM), with three phases and one neutral wire, was preferred by the author for this cable. Ref. [17] conducted a study on German LV cables. These cables are very similar to UK cables. The neutral wire is identical to the other phases, or surrounds all the other phases. The study proposed experimental measurements on these cables and compared the measurement with an analytical model. Ref. [18] also performed an experimental characterization of a four-phase Danish LV cable, where the neutral wire was identical to the other phases. The authors failed in getting the self-impedance of the cable; the earthing resistance of their laboratory was too high. French cables [19] have a neutral wire with a lower cross-section than the other phases. A picture (a), as well as the analytical model (b) and the finite element method (FEM) model (c) for the French cable are given on the last line of Table 1. The neutral is in contact with the crown, which can act as a shield, as seen in German cables [17]. The analytical models used to model the cables assume that the neutral conductors do not overlap with the other conductors. For French cables, to consider the two parts of the neutral, it is necessary to overlap the neutral and the other phases (as seen in (b), on the last line of Table 1). It is also necessary to verify whether the analytical models are consistent with the FEM, or with experimental measurements for the French cable.
Several cable models have been proposed to model LV cables in the literature. In [21], cables with a five-conductor model (5 CM) (three phases, one neutral, and one ground equivalent wires) are first presented. The impedance terms per unit length of this model are dependent on the length of the sections; this model is not used. The 4 CM is used to model four-wire cables for medium voltage (MV) American [22] and LV European networks [13]. This model is usually replaced by the three-conductor model (3 CM) or the S CM [14,15]. DSOs prefer the models with fewer conductors (3 CM and S CM) to the other models, since these require less impedance terms to be determined. Moreover, [13] compares S CM, 3 CM, and 4 CM on a single network and a single day of simulation, considering only the impact of the earthing resistance value, and no other external parameters.

1.2. Review of External Parameters on the Cable Model

The value of the external parameters (the cable temperature, the ground electrical resistivity, and the value/number of the earthing resistances) can modify the characterization of a cable. In the literature, reference values for external parameters are usually taken and considered constant [22]. However, these values are not suitable for all LV networks, which can lead to significant errors in the network analysis. The author of [22] does not give typical values for the external parameters, with a temperature of 20 °C, a ground resistivity of 100 Ωm, and earthing resistances of 50 Ω. The importance of assessing the impact of the environment on the cable model and network design is emphasized in [20,23,24]. Table 2 presents a summary of these studies.
Ref. [20] highlights the impact of the cable temperature on the symmetrical components. This paper does not identify the temperature variations on the 4 CM and 3 CM since it is impossible to compute them from the S CM. Identifying the impact of the parameter on the voltage profile is also an essential step in the choice of model. Ref. [17] considers the impact of temperature and earthing resistances separately. From 30 to 70 °C, the voltage profile increases by 0.02 per unit (pu). The variation of earthing resistance changes the voltage profile by 0.01 pu. For temperature, only extreme values are considered. For earthing resistances, values are not adapted to French networks. Ref. [23] shows the impact of ground resistivity only on the mutual terms of the impedance matrix. The reactance varies strongly with respect to the ground resistivity, whereas the resistance varies weakly. The study needs to be extended to European networks regarding non-mutual terms and the voltage profile. Ref. [24] studies the impact of network earthing resistances on the neutral-to-ground voltage profile. A variation of network resistors from 5 to 50 Ω increase the neutral-to-ground voltage by two volts. The authors also underline that earthing affects the level of stray voltage. This study is conducted on an American MV network and does not consider the impact on the line-to-neutral voltage profile. Previous work focuses on one or two parameters, but a global analysis of these parameters is still missing. The results are not directly transposable to European LV networks.

1.3. Originality and Article Structure

In this paper, cable models that take reference values for external parameters are noted as S CM, 3 CM and 4 CM. Cable models that consider the impact of external parameters are noted as S CMext, 3 CMext and 4 CMext. To highlight the dependence of the impedance matrices with respect to the three external parameters and the value of these parameters in simulations, cable temperature T is in blue in the text, ground electrical resistivity ρg in green and earthing resistance Re in orange. The original contributions of this paper are as follows:
  • A comparison of the impact of cable temperature and ground electrical resistivity on the analytical 4 CMext, 3 CMext, and S CMext;
  • Experimental measurements of the French LV cable with an original method;
  • A comparison of the characterization by the analytical 4 CM, the FEM, the experimental method, and the manufacturer data;
  • A finite element model to determine the temperature of an LV cable;
  • A comparison of the impact of the 3 CM, 4 CM, and 4 CMext models on the voltage profile considering several typical networks and realistic cases;
  • The impact of the number and value of earthing resistances on the line-to-neutral and neutral-to-ground voltage profile.
The methodology is presented in Section 2. It includes the analytical presentation of the three models (4 CMext, 3 CMext, and S CMext), the description of the simulation and experimentation on the LV cable, and the input data for the study of the impact of external parameters on the voltage profile. The results are described in Section 3 and compared with the models for the cables characterization and the voltage profile calculation. The results are discussed in Section 4. Section 5 concludes the paper.

2. Methodology

In this section, different cable models (4 CMext, 3 CMext, S CMext) are presented. The dependency of cable impedances on external parameters are depicted in the analytical models. The FEM model and experimental measurements of cable impedances are also shown as they help to compare and validate the analytical models.

2.1. Analytical Model

This section presents the analytical link between the three models (4 CMext, 3 CMext, and S CMext) and the external parameters. The 4 CMext model was built, then turned into the 3 CMext model, and finally into the S CMext model.

2.1.1. Specifications of the Considered Cable

The LV cable 150/95 mm2 was considered to support the comparison. Phase a , b , and c conductors had a cross-section of 150 mm2 and a neutral n (without the crown) of 95 mm2. It is mandatory to have cylindrical cable conductors to design an analytical model. Figure 2 presents a simplified representation of the considered LV cable.
Phase sectors were converted into circles with the same cross-section to obtain this simplification. For the neutral, the surface of the crown was added to that of the circle. The distances and radius shown in Figure 2, for cable 150/95 mm2, are specified in Equation (1).
R a a = R b b = R c c = 7.0   mm R n n = 6.5   mm D a b = D b c = 15.0   mm D a n = D c n = 12.0   mm D b n = 19.0   mm D a c = 18.5   mm
The dimensions were measured on the cable with an accuracy of 0.5 mm. These dimensions were used to compare 3 CMext and 4 CMext. This cable was not symmetrical; Section 3 discusses whether this was a limitation.

2.1.2. Setting Up the 4 CMext

To model power cables, 5 CM is never selected; the 4 CMext is more suitable [25]. The 4 CMext was based on Figure 3, and split into series impedance matrices and parallel impedance matrices.
Series Impedance
Based on Figure 3, 4 CMext series impedances are defined by (2) 4 CM.
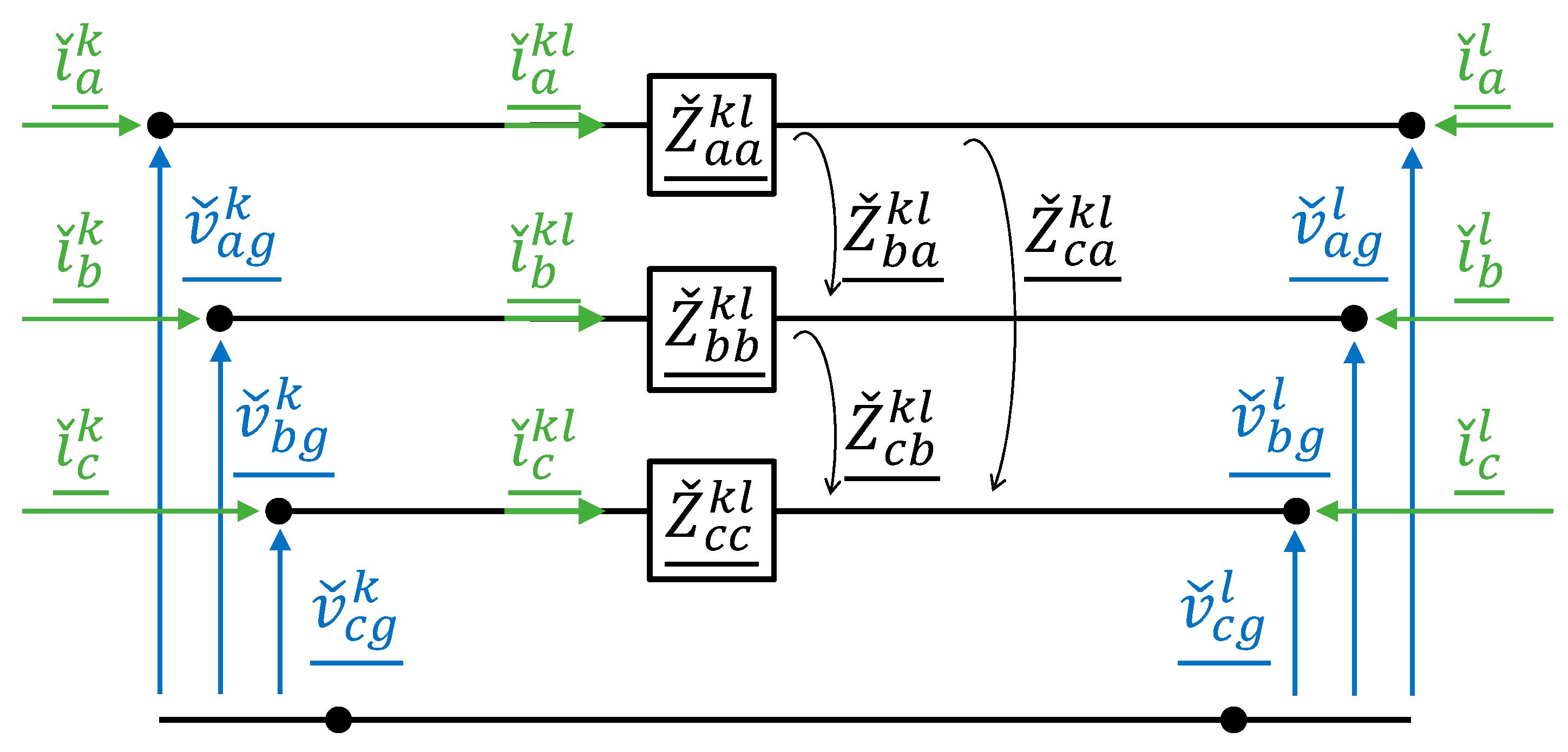
[ v a g k l _ v b g k l _ v c g k l _ v n g k l _ ] = [ v a g k _ v b g k _ v c g k _ v n g k _ ] [ v a g l _ v b g l _ v c g l _ v n g l _ ] = [ Z a a k l _ Z a b k l _ Z a c k l _ Z a n k l _ Z b a k l _ Z b b k l _ Z b c k l _ Z b n k l _ Z c a k l _ Z c b k l _ Z c c k l _ Z c n k l _ Z n a k l _ Z n b k l _ Z n c k l _ Z n n k l _ ] Z k l _ [ i a k l _ i b k l _ i c k l _ i n k l _ ]
where v a g k _ is the phase a -to-ground complex voltage at bus k , Z a a k l _ is the complex self-impedance of phase a between bus k and l , Z a b k l _ is the complex mutual impedance between phase a and b between bus k and l , i a k l _ is the phase a complex current between bus k and l , and Z k l _ is the complex 4 CMext matrix. As defined by [25], the per-unit length terms of the complex matrix Z k l _ are given by by (3) and (4).
z i i k l _ = ρ 0 ( 1 + α a l u T k l ) π R i i 2 + μ 0 π f 4 + j f μ 0 · l n ( 658.9 ρ g k l e 1 / 4 R i i · f )
z i j k l _ = μ 0 π f 4 + j f μ 0 · l n ( 658.9 ρ g k l   D i j · f )
where ρ 0 (Ωm) is the aluminum electrical resistivity at 0 °C, α a l u (°C−1) is the aluminum temperature factor, T k l (°C) is the cable temperature between nodes k and l, R i i (m) is the physical radius of conductor i , f (Hz) is the network frequency, ρ g k l (Ωm) is the ground electrical resistivity, and D i j (m) is the distance between the i and j conductors.
For the 150/95 mm2 LV cable, the per-unit-length impedance matrix of 4 CMext was computed with respect to cable temperature T k l and ground electrical resistivity ρ g k l (5). This expression was derived from (3) and (4). The cable dimensions came from (1) and ρ 0 = 2.86 10 8   Ω m , α a l u = 3.63 × 10 3 K 1 , μ 0 = 4 π 10 7   Tm / A and f = 50   Hz .
z k l _ = [ 2400 + 6.9 · T k l + j ( 6100 + 310 ln ρ g k l ) 490 + j ( 5500 + 310 ln ρ g k l ) 490 + j ( 5500 + 310 ln ρ g k l ) 2400 + 6.9 · T k l + j ( 6100 + 310 ln ρ g k l ) 490 + j ( 5400 + 310 ln ρ g k l ) 490 + j ( 5500 + 310 ln ρ g k l ) 490 + j ( 5600 + 310 ln ρ g k l ) 490 + j ( 5300 + 310 ln ρ g k l ) 490 + j ( 5400 + 310 ln ρ g k l ) 490 + j ( 5600 + 310 ln ρ g k l ) 490 + j ( 5500 + 310 ln ρ g k l ) 490 + j ( 5300 + 310 ln ρ g k l ) 2400 + 6.9 · T k l + j ( 6100 + 310 ln ρ g k l ) 490 + j ( 5600 + 310 ln ρ g k l ) 490 + j ( 5600 + 310 ln ρ g k l ) 2800 + 8.4 · T k l + j ( 6200 + 310 ln ρ g k l ) ] · 10 4
The diagonal resistances of the matrix z k l _ were linearly dependent on the cable temperature T k l . All matrix reactances were logarithmically dependent on the ground electrical resistivity ρ g k l .
Parallel Impedance
Series impedances do not include earthing resistances; however, they are included in parallel impedances. It is more appropriate to consider parallel admittance, instead of parallel impedance, because of infinity terms. Hence, the parallel admittance Y p a r k _ is defined by (6) and earthing resistance at node k is R e k (Ω).
[ i a g k _ i b g k _ i c g k _ i n g k _ ] = [ 0 0 0 0 0 0 0 0 0 0 0 0 0 0 0 1 / R e k ] Y p a r k _ [ v a n k _ v b n k _ v c n k _ v n g k _ ]
where i β g k _ is the parallel current between conductor β and the ground at node k. β is phase a , b , c or neutral n . The proposed model in this subsection includes the impact of three external parameters on the 4 CMext impedance matrix. These parameters are considered in this paper.

2.1.3. From 4 CMext to 3 CMext

Kron reduction can be applied to remove the neutral wire and get the 3 CMext. To use it between nodes k and l , the relation (7) should be valid. This relation is valid only if the earthing at each node of the network is perfect (i.e., the earthing impedance equals zero). Realistically, earthing resistors are not perfect, and are not installed at all nodes of the network.
v n g k = v n g l = 0
If (7) is verified, the Kron reduction is computed on 4 CMext impedance matrix terms:
Z ˇ i j k l _ = Z i j k l _ Z n i k l _ Z j n k l _ Z n n k l _
Ohm’s law for 3 CMext is given by (9), which is described in Figure 4.
[ v ˇ a g k l _ v ˇ b g k l _ v ˇ c g k l _ ] = [ v ˇ a g k _ v ˇ b g k _ v ˇ c g k _ ] [ v ˇ a g l _ v ˇ b g l _ v ˇ c g l _ ] = [ Z ˇ a a k l _ Z ˇ a b k l _ Z ˇ a c k l _ Z ˇ b a k l _ Z ˇ b b k l _ Z ˇ b c k l _ Z ˇ c a k l _ Z ˇ c b k l _ Z ˇ c c k l _ ] Z ˇ k l _ [ l ˇ a k l _ l ˇ b k l _ l ˇ c k l _ ]
Phase-to-ground voltages and currents of 3 CMext are different from 4 CMext counterparts. A different notation is used for 3 CMext. A caron is used to distinguish the 4 CMext and 3 CMext terms.
In Figure 4, the earthing resistances are withdrawn, and neutral and ground conductors are combined. The 4 CMext parallel admittance turns into a zero matrix for the 3 CMext.
For the 150/95 mm2 LV cable, the per-unit-length impedance matrix of 3 CMext was computed with respect to the cable temperature T k l and the ground electrical resistivity ρ g k l :
z ˇ k l _ = [ z ˇ a a k l _ z ˇ a b k l _ z ˇ a c k l _ z ˇ b a k l _ z ˇ b b k l _ z ˇ b c k l _ z ˇ c a k l _ z ˇ c c k l _ z ˇ c c k l _ ] = [ σ 2 σ 1 σ 3 σ 1 σ 4 σ 1 σ 3 σ 1 σ 2 ] · 10 4
with the matrix terms defined in (11) and computed from (5) and (8).
σ 1 = 4900 + j ( 310 ln ρ t k l + 5500 ) [ 490 + j ( 5300 + 310 ln ρ t k l ) ] [ 490 + j ( 5600 + 310 ln ρ t k l ) ] 2800 + 8.4 · T k l + j ( 6200 + 310 ln ρ t k l ) σ 2 = 2400 + 6.9 · T k l + j ( 310 ln ρ t k l + 6400 ) [ 490 + j ( 5600 + 310 ln ρ t k l ) ] 2 2800 + 8.4 · T k l + j ( 6200 + 310 ln ρ t k l ) σ 3 = 4900 + j ( 310 ln ρ t k l + 5400 ) [ 490 + j ( 5600 + 310 ln ρ t k l ) ] 2 2800 + 8.4 · T k l + j ( 6200 + 310 ln ρ t k l ) σ 4 = 2400 + 6.9 · T k l + j ( 310 ln ρ t k l + 6100 ) [ 490 + j ( 5300 + 310 ln ρ t k l ) ] 2 2800 + 8.4 · T k l + j ( 6200 + 310 ln ρ t k l )
The Kron reduction (8) assumes perfect earthing resistors at all network nodes (7). Impact of earthing resistance R e k on the 3 CMext matrix is not visible. All terms (real or imaginary) are temperature and ground resistivity dependent, as presented in (11). Temperature dependence is no longer linear as T k l is also included in the denominator. Similarly, dependence on the ground electrical resistivity is no longer logarithmic, as ρ g k l is in both the numerator and denominator. The standard dependencies of the terms, with respect to temperature (only resistances depend on the temperature), and the ground electrical resistivity, are no longer verified with the 3 CMext matrix. Hence, this model has limitations in representing the impact of external parameters.

2.1.4. From 3 CMext to S CMext

The relation (12) is used to get the S CMext from the 3 CMext. This relation allows obtaining matrix terms with respect to external parameters for the 150/95 mm2 LV cable [25]:
Z h d i k l _ = F 1 · Z ˇ k l _ · F = [ Z 00 k l _ Z 01 k l _ Z 02 k l _ Z 10 k l _ Z 11 k l _ Z 12 k l _ Z 20 k l _ Z 21 k l _ Z 22 k l _ ]
with:
F = [ 1 1 1 1 α 2 α 1 α α 2 ]   with   α = e j 2 π 3 .
As French LV cables are not rotationally symmetrical (Table 1), none of the nine terms of the Z 012 k l _ matrix are zero. However, cable manufacturers usually consider that non-diagonal terms are zero, because these terms are often smaller [20]. The diagonal matrix Z d i a g k l _ is defined by:
Z d i a g k l _ = [ Z 00 k l _ 0 0 0 Z 11 k l _ 0 0 0 Z 22 k l _ ]
Cable characterization is more straightforward with matrices Z 012 k l _ and Z d i a g k l _ because fewer terms must be determined. Nevertheless, this model generates less realistic results, even for high voltage and MV networks [26]. The comparison of the three models is presented in Section 3.1.1.

2.2. Simulation and Experimentation on the LV Cable

The analytical models (S CMext, 3 CMext and 4 CMext) used to model the cables assume that the neutral conductors do not overlap with the other conductors. For French cables, to consider the two parts of the neutral, it is necessary to overlap the neutral and the other phases (as seen in the last line of Table 1). It is necessary to verify whether the analytical models are consistent with the FEM or with experimental measurements for this cable. This section presents the FEM and the experimentation conducted with a piece of LV cable. These two studies take reference values for external parameters.

2.2.1. Finite Element Method on the French LV Cable

To compute LV cable impedance, the Finite Element Method Magnetics (FEMM) software [27], a two-dimension finite element software that solves electrical, magnetic, and thermal problems was used.
The magnetic module was used to determine the cable impedance matrix. Standard values for external parameters were chosen for the model, such as a ground electrical resistivity of 100 Ωm, a cable temperature of 20 °C (i.e., an aluminum electrical resistivity of 3.068 × 10 8 Ωm), a frequency of 50 Hz, an insulator (PVC) electrical resistivity of 1016 Ωm, and a cable length of 1000 m. A fine mesh was used around and inside the cable (Figure 5a) to get an accurate impedance value.
The magnetic vector potential was set to zero at the system border (Figure 5b), to allow the FEMM to compute the magnetic field. The boundary radius of the FEM was 3 km [25].
To obtain the terms of the 4 × 4 FEM matrix z F E k l _ , an external current of one ampere was injected to phase i . The FEMM software computed the complex voltage drop between the two cable ends (at a length of 1000 m) for phase j , and the value of z i j k l _ was computed. The results are described in Section 3.1.2.

2.2.2. Experimental Measurements on the LV cable

Experimental measurements were conducted on an LV French cable to challenge the 4 CM. A 10 m 150/95 mm2 cable was installed in a dedicated room of our laboratory. The following power elements were used:
  • The electrical network in the laboratory was a three-phase source with a phase-to-phase voltage of 127 V and a maximum line current of 40 A;
  • Electric wires of practical works with a maximal current of 100 A;
  • A three-phase autotransformer with an input nominal phase-to-phase voltage of 120 V. The output may have varied between 0 and 120 V;
  • Power switches to disconnect the system in case of emergency;
  • A three-phase step-down delta-wye transformer. Nominal input characteristics: 127 V and 27 A. Nominal output characteristics: 12 V and 305 A. Nominal power: 6 kVA;
  • The French LV 150/95 mm2 cable;
  • A three-phase resistor box. Resistances may have varied between 1.5 and 60 Ω.
In addition to the power elements, the following measurement tools are used:
  • A Chauvin Arnoux C16 current clamp [28] with an accuracy 1 % + 1   mV ;
  • Measurement wires connected to the Tektronix DPO4000 oscilloscope [29] with an accuracy   ( 100   μ V + 5.0 % of the gauge);
  • A temperature sensor with an accuracy of 0.5 °C.
In [18], an experimental method to determine self and mutual impedances is described. However, the authors failed in getting the self-impedance of the cable; the earthing resistance of their laboratory was too high. To overcome this limitation, we set an innovative experimental method, based on the three-phase short-circuit. To establish this method, we took advantage of the particularities of the studied LV cable. The cable cross-section was symmetrical, as presented in Table 1. This symmetry axis allowed a reduction in the number of unknown Z k l _ matrix terms by using:
Z a a k l _ = Z b b k l _ = Z c c k l _ Z a n k l _ = Z n a k l _ = Z n c k l _ = Z c n k l _ Z a b k l _ = Z b a k l _ = Z b c k l _ = Z c b k l _ Z a c k l _ = Z c a k l _ Z b n k l _ = Z n b k l _
By considering (15), the number of independent terms was reduced to six, and the impedance matrix Z k l _ became:
Z k l _ = [ Z a a k l _ Z a b k l _ Z a c k l _ Z a n k l _ Z b n k l _ Z n n k l _ ]
As the terms were complex, six independent complex equations were established. The proposed method is detailed for the determination of Z a a k l _ , Z a b k l _ and Z a c k l _ (Figure 6). The schematic began with the three-phase autotransformer, which was plugged into the network. Phases a , b , and c of the cable short-circuited at nodes A2, B2, and C2. The neutral conductor n was grounded at both ends.
The Equation (17) system was obtained for the three phases, based on Ohm’s law:
{ Δ V a a _ = Z a a _ I a _ + Z a b _ I b _ + Z a c _ I c _ Δ V b b _ = Z a b _ ( I a _ + I c _ ) + Z a a _ I b _ Δ V c c _ = Z a c _ I a _ + Z a b _ I b _ + Z a a _ I c _
By using experimental measurements in (17), the impedances were computed. The results are described in Section 3.1.2.

2.3. Determination of the Actual Values of the External Parameters

This sub-section outlines the determining of the actual values of the external parameters. After the presentation of the global method, an FEM model was proposed for the temperature. The two other parameters were determined from the literature.

2.3.1. Global Methodology

The three parameters of cable temperature, ground electrical resistivity and earthing resistances could be varied randomly, on a large number of networks, to study their impact. LV network data are not easily accessible, and the external parameters do not take random values. Parameter values are influenced by external factors [30]. These factors are ground type, soil color, electric cable losses, irradiance, air temperature, and ground moisture, as described in Figure 7. These factors impact ground thermal conductivity and other parameters. The parameters influence the impedance and, directly or indirectly, the voltage profile.
To represent more realistic cases, a time-dependent thermal FEM model was developed. This model better links the impact of factors on cable temperature. The model, designed with the software COMSOL Multiphysics [31], allows to get the cable temperature with respect to pavement type (albedo), the temperature at the ground surface, and electric cable losses.

2.3.2. FEM for Realistic Cable Temperature

This FEM model was developed to determine the mean cable temperature with respect to season (winter and summer) and network type (rural or urban). A single cable leaving the MV/LV substation with a light soil color defines the rural type. Four cables with a dark soil color define the urban type. The simulation was conducted next to the MV/LV substation, since the feeder cables were, at this location, the closest and often generated a hot spot. During the model design, planned works were taking place on the university campus. These works concerned the creation of an MV/LV substation with LV feeders. Figure 8a is a picture of the trench made for the LV cables passage at the exit of the substation. The dimensions in Figure 8a were used to build the FEM model (Figure 8b).
In Figure 8a, cables are undergrounded at about 90 cm. They were surrounded by fine sand over a few centimeters so that the resistivity of the earth was uniform around the cable. Based on Figure 8a, the model had the following characteristics:
  • A 10 m square represents the ground. It was divided into ten zones to reflect a depth-dependent temperature, and to allow a faster convergence of the model;
  • A 10 m square represents the air;
  • The cable(s) were placed 90 cm below the ground in the middle of the square. If there were several cables, they were separated by 10 cm, as shown in Figure 8b.
  • The definition of the simulation range, the material properties, the different time-dependent variables, and initial values was necessary to determine the temperature of the cable in the different configurations. The simulation range depended on the thermal time constant of the system τ t h , defined by:
    τ t h = C p μ l e n g 2 K    
    where l e n g is the characteristic length of the model (distance between the cable(s) and the ground surface). The other quantities are defined in Table 3, which provides the properties of the various materials used in the model. For the air not included in the table, the default values proposed by COMSOL were used.
Since thermal balancing takes the longest in concrete, this material was considered to determine the system thermal time constant:
τ t h = 750 · 2300 · 0.9 2 1.0 = 1.40 10 6   s = 388   h = 16   days
To reduce the simulation range, the ground was divided into ten zones of 1 m depth (Figure 8b). For each zone, different initial values were set. As these values were close to the steady state value of area, a simulation range of 10 days was chosen.
Next, the ground temperature and cable heat losses for ten days of simulation was determined. The author of [30] measured the temperature of different soil types in summer and winter, the results of which are displayed in Figure 9.
The measurements were conducted in the United States, but they are perfectly transposable to Europe, since the pavements and temperatures are similar. However, the materials considered did not have the same albedo, so their temperature was not the same, especially during the hot hours in summer. At 3:00 p.m., the temperature of concrete and paver was between 50 and 55 °C, whereas asphalt rose to over 65 °C. This significant difference would have an impact on the temperature of the electrical cables.
The cable heat losses were defined during the ten days of simulation. These losses were mainly related to the Joule losses and thus to the current flowing in the cable. As the simulations were conducted on the closest sections to the MV/LV substation, the load curve is relatively smooth and does not show peaks. A load curve similar to the national profile [32] was used for winter and summer (Figure 10). A correction factor was applied to fit within the physical limits of the cable.
These temperature and current data are for one day only. The data were replicated over the ten days to simulate ten days.
Finally, the initial ground temperature was an essential input for the simulation. The initial soil temperature at a depth of one meter was 50 °C in the summer and 20 °C in the winter. With all these assumptions, the temperature of cables in different configurations is presented in Figure 11.
After ten days of simulation, a steady regime was reached for the four simulations. The single cable had an average temperature of 13 °C in the winter and 42 °C in the summer. The four cables had an average temperature of 41 °C in the winter and 66 °C in the summer.
The daily variations in the summer were lower than in the winter, mainly because of the winter consumption peaks, often dimensioning for LV networks. Networks with four feeders had a higher temperature all year round than networks with only one feeder, with a four-fold increase in the number of thermal sources.
This innovative model realized under COMSOL software has identified the impact of external factors on the external parameters in several cases. By defining the network simulation cases, it was possible to obtain the value of the cable temperature without having to create an analytical model. Hence, the external parameters were not directly considered, and network configurations were preferred to obtain the cable temperature.
Nevertheless, the previously developed model had some limitations. Ref. [33] experimentally measured the temperature of an MV cable. The authors observed that the temperature was not uniform along the cable. To determine more accurately the temperature of the cable, and thus the proper resistance of the cable, a three-dimensional model under COMSOL was necessary. Nevertheless, this model reached the limits of time and precision of the software, with the dimensions of the cable being tiny compared with the size of the ground.

2.3.3. Values for Ground Electrical Resistivity and Earthing Resistances

In the previous section, the FEM model allowed to determine the temperature of LV cable in various configurations. In this subsection, the value for ground electrical resistivity and earthing resistances is defined. Based on [19], ground resistivity can usually vary between 30 and 1000 Ωm (Table 4). The value of the earthing resistance is related to the value of the ground resistivity and the type of resistors (mainly the electrode depth). An electrode depth of 3 meters is considered.
The actual values of the external parameters, determined in this subsection, will be used for the conducted simulations in Section 3.2.

3. Results

This section includes the comparison of the models for the cable characterization and the voltage profile calculation.

3.1. Comparison of Models for Cable Characterization

This subsection details the choice of the appropriate model for the LV cables. This model was challenged by the results of the FEM, the experimentation, and the manufacturer data.

3.1.1. Comparison between 4 CMext, 3 CMext, and S CMext

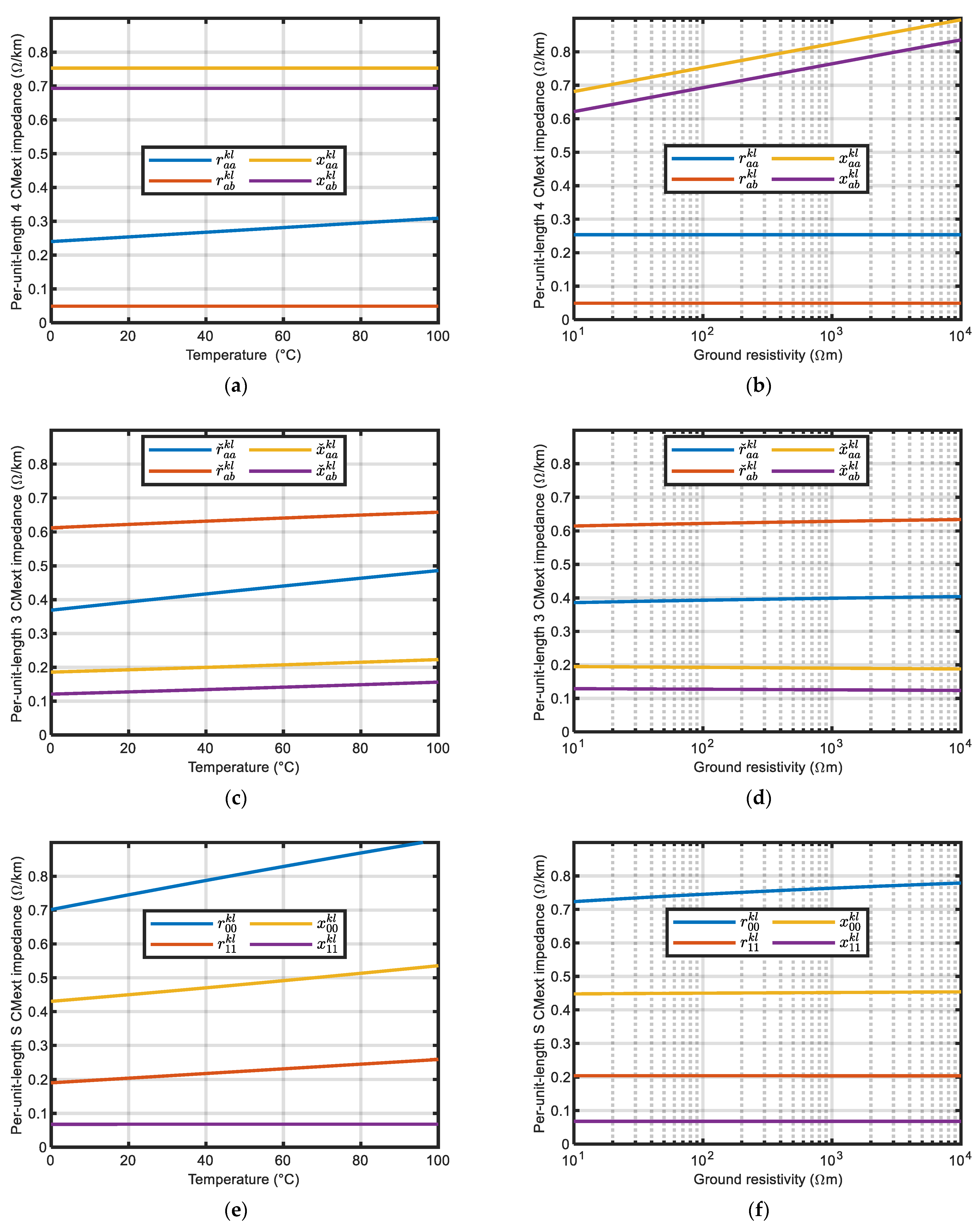
A graphical comparison is chosen to compare the three models. From Equations (5), (10) and (12) of Section 2.1, the comparison of the main terms of the matrix is represented with respect to temperature (Figure 12a,c,e) and ground electrical resistivity (Figure 12b,d,f). When a parameter (temperature T k l or ground resistivity ρ g k l ) varies, the other parameter is fixed. r a a k l and x a a k l are the real and imaginary parts of z a a k l _ . For the 4 CM matrix, real and imaginary parts of z a a k l _ and z a b k l _ are represented (Figure 12a and b). For 3 CM, real and imaginary parts of z ˇ a a k l _ and z ˇ a b k l _ are represented (Figure 12c and d). For the symmetrical components model, real and imaginary parts of z 00 k l _ et z 11 k l _ are represented (Figure 12e,f).
An analysis of the curves in Figure 12 was performed on the temperature (a, c and e). Similar analyses were drawn for ground electrical resistivity. As the curves are affine functions, the slope and the y-intercept were analyzed. From Figure 12a,c,e, the comparison of slope in Ω/km/°C is reported in Table 5. Only self-resistances are temperature-dependent (for ground resistivity, only reactances are ground resistivity-dependent). This assumption is only valid for the 4 CMext (Figure 12a). On the contrary, 3 CMext and S CMext impedances (except x 11 k l ) are temperature-dependent (Figure 12c,e). All these temperature-dependent terms vary with a similar slope than r a a k l . For the y-intercept, the analysis of the curves brings out less information.
The shape of the temperature-dependent S CMext terms was similar to those presented by [20]. This result underlines the 3 CMext and S CMext limits. The 4 CMext is more adapted to represent the dependence of impedances to temperature and ground resistivity. Hence, when choosing a good cable model, it is very important to include the impact of external parameters.

3.1.2. Comparison of Models (Analytical and FEM) with Experimental Measurements and Manufacturers Data

In the previous section, the advantages of 4 CMext were underlined. The 4 CM is an analytical model and could be very different from an actual cable. The comparison of this subsection was made with reference values for the external parameters. Thus, the analytical model (4 CM) was compared with data from the FEM, the experiment and the manufacturer’s datasheets.
Results of FEM
The impedance matrix is presented in (20) in Ω/km, using the exact computation of other phases.
z F E k l _ = [ 0.261 + j 0.756 0.055 + j 0.688 0.054 + j 0.674 0.056 + j 0.694 0.055 + j 0.688 0.261 + j 0.756 0.055 + j 0.688 0.053 + j 0.672 0.054 + j 0.674 0.055 + j 0.688 0.261 + j 0.756 0.056 + j 0.694 0.056 + j 0.694 0.053 + j 0.672 0.056 + j 0.694 0.309 + j 0.736 ]
As earthing resistances are not included in the FEM, parallel admittance cannot be computed by FEMM. The 4 × 4 FEM impedance matrix (20) is only equivalent to the analytical series impedance matrix (5). The matrix z F E k l _ is a complex symmetrical matrix. The last diagonal term is different from the others because of the smaller cross-section of the neutral conductor with the other phases. Non-diagonal terms are slightly different since the distance between each conductor barycenter is not the same (Figure 2).
Results of Experimentation
The values of Table 6 were determined at a cable temperature of 33.5 °C. The experimental measurements and the FEM values were similar; however, deviations may have arisen from the following limitations:
  • The cable was not underground. Hence, the cable was surrounded by air, and the surrounding electrical resistivity was certainly not equal to 100 Ωm;
  • The floor of the room contained metallic elements that could not be removed before making these measurements. These elements have necessarily impacted our measurements;
  • The cable was only 10 m long. The edge effects have necessarily had an impact on the results;
  • The cable temperature was 33.5 °C at both ends of the cable. Its temperature was considered constant along the cable.
Manufacturer’s data
Values are given by two manufacturers, Nexans [14] and NKT [15]. The value found in the datasheets is summarized in Table 7.
Nexans cable originates from the previous technical series of French LV cable. The neutral wire is surrounded by lead. The sum of the neutral wire and the lead part is 95 mm2. Nexans does not provide the data for the current technical series. The difference between the neutral cross-section impacts only the per-unit-length resistance of neutral. The per-unit-length resistance given by NKT is for a direct current, whereas Nexans likely gives the value for a 50 Hz current. Therefore, there are already differences between the manufacturer’s data. The manufacturers do not specify the model (4 CM, 3 CM, or S CM) used for the data; however, the S CM is the standard model used by manufacturers to establish these data.
Comparison
Table 8 summarizes the results of the three methods for the 150/95 mm2 cable. For the analytical and FEM models, cable temperature was 20 °C, and the ground electrical resistivity was 100 Ωm. For the experimental methods, the value of the self-resistance was adapted to correspond with a temperature of 20 °C. The experimental terms have not been adapted with respect to the ground electrical resistivity, due to a lack of data.
The three methods have given similar results. The analytical model and FEM had a deviation of 12% on the resistance, and a deviation of 3.6% on the reactance. The deviation of the resistance was higher than the reactance due to non-diagonal terms, which were five times smaller than the diagonal terms. The analytical and experimental methods had a deviation of 18% on the resistance, and 15% on reactance. The deviation was mainly caused by the limitations described in Section 2.2. The experimental method gave valuable results for the three first terms, and should be extended to the neutral conductor.
The 4 CM values are transformed to S CM values to compare manufacturers’ data (Table 7) with data from the characterization (Table 8). From analytical data of Table 8, the 3 CM self-resistance r ˇ a a is 0.395 Ω/km, and the direct resistance r 11 is 0.205 Ω/km. The direct resistance is identical to Nexans per-unit-length resistance. To conclude, the values computed in Table 8 are consistent with manufacturers’ data.
Notably, 4 CM was recommended by the literature to model the LV cables instead of 3 CM and S CM. However, DSOs are more concerned with an accurate voltage profile than an accurate impedance matrix. They must comply with the EN 50160 standard [6] at each network bus. The following section is dedicated to the impact of the impedance model (3 CM, 3 CMext, and 4 CMext) on the voltage profile.

3.2. Simulations Regarding the Voltage Profile

Typical networks and test cases should be considered to quantify the real impact of the cable model on the voltage profile. As detailed in the methodology section, many factors can impact the external parameters. As a result of the COMSOL model and data from the literature, actual values for external parameters were used on existing networks and cases. Figure 13 summarizes this approach.
Three network types have been proposed to represent the main differences of the LV network. Two cases were considered to take the seasonality into account. These two points are discussed in the following subsections.

3.2.1. Test Cases

In order to make the study results easily transferable, IEEE test feeders are the most relevant networks to take. However, the cable impedance of these test feeders is defined with the S CM and not the 3 CM, 4 CM or 4 CMext. The transformation of the S CM matrix to 3 CM, 4 CM or 4 CMext is excluded. Therefore, the use of these feeders is impossible to compare cable models.
Different LV networks, part of the distribution dataset used in the CGMES 2.4.1 interoperability tests performed in 2016 [34], are considered for this paper. This dataset gathered urban, semi-rural, and rural networks. A network of each type was selected to examine the impact of the cable model and the external parameters.
Figure 14 describes the topology of the rural 8-bus, semi-rural 49-bus, and the urban 139-bus network. These three networks are adaptations of dataset networks, including service cables. Network characteristics are provided in Table 9. No producer was plugged to the semi-rural network; the two others included PV production.

3.2.2. Data for Simulations

Before determining the value of the external parameters, the power of the loads and producers were defined. Taking the annual maximum for production and consumption was not necessarily the most critical, nor the most realistic. If the producer and the consumer were connected to the same node on the same phase, the two powers would cancel each other out, and would not cause any current or voltage constraints. Moreover, in France, the peak of consumption is reached in winter at around 8 am or 7 pm, whereas the production peak in summer is around 1 pm. Load and production profiles of a typical year are available at [35,36], and were used for the simulations. The simulation was conducted on the 24 most critical instants for each season (winter and summer). By taking several critical instants, we represented more common situations than if we had taken only the maximum instant.
For winter, consumption is higher and therefore more critical than PV production. The 24 instants, when the consumption is the highest over the year are selected. PV production at these instants is zero since it is night. Consumption at these instants is given in pu (relative to the maximum power of the load) in Figure 15 as winter profile. For summer, production is more critical than consumption. The 24 instants, when the production is the highest over the year are selected. Consumption at these instants is not zero and is given in Figure 15 as summer profile.
Table 10 describes values of the external parameters and production/load profiles used in different cases.
Concerning external parameters, 3 CM and 4 CM in the winter and summer defined common values for external parameters: earthing resistances of 1 Ω at each node, a constant cable temperature of 20 °C, and ground electrical resistivity of 100 Ωm. The 4 CMext in the winter and summer defined more realistic external parameters: earthing resistances between 10 and 160 Ω at some network nodes, a cable temperature between 15 and 65 °C, and ground electrical resistivity between 30 and 500 Ωm. The cable temperature was deduced from the COMSOL model in Section 2.3.2. Data selection for 4 CMext in the winter and summer was also dependent on the network type. These ranges for the external parameters are taken from Section 2.3.3.

3.2.3. Voltage Limits

The different simulation data have been defined in the previous sections. The load flow is computed by EPRI’s OpenDSS [37], and Matlab does data analysis. Figure 16 shows 24 3 voltage profiles as a histogram for each model (3 CM, 4 CM and 4 CMext) for a given case and network. For instance, in Figure 16a, the network is rural (8 nodes) and the case is summer. For this pair, 24 instants (blue curve of Figure 15) and 3 phases (line-to-neutral voltage magnitudes for 4 CM and 4 CMext and line-to-ground voltage magnitudes for 3 CM) are considered. Thus, the voltage magnitude of 3 phases for the 24 instants and the 8 nodes are represented in the histogram. In total, 8 3 24 = 576 instants for each model (bleu for 3 CM, red for 4 CM and yellow for 4 CMext) are presented in Figure 16a. Figure 16b also represents 576 instants in the winter case of the rural network. For semi-rural (Figure 16c,d) and urban (Figure 16e,f) networks, 3456 and 10,008 instants are respectively comprised. Each bar of the histogram has a width of 0.01 pu. The analysis of Figure 16 is conducted with the one of Table 11.
A percentage ratio of voltage problem τ v is defined in (21) to better analyze the voltage profile. A voltage problem occurs when a line-to-neutral (4 CM and 4 CMext) or a line-to-ground (3 CM) voltage exceeds the range of ±10%. The ratio is also used when the voltage profile exceeds the range of ±8%.
τ v = N p b r N n o d e N p h a s e N i n s t a n t 100
where N p b r : the number of voltage problems, N n o d e : number of nodes, N p h a s e : the number of phases and N i n s t a n t : the number of studied instants.
Table 11 presents the τ v ratio in all networks and cases. For under 0.9 pu, all networks were only concerned in winter configuration, whatever the model considered. The ratio was identical for 3 CM and 4 CM. It was multiplied by 3, 2.3, and 1.9 for the rural, semi-rural, and urban networks, respectively, when switching from 4 CM to 4 CMext. For under 0.92 pu, only the winter configurations were concerned. For all networks, the 4 CMext generated more instances below 0.92. However, the 4 CM does not always generate more cases than the 3 CM, and the use of the 4 CM does not always give a more accurate insight into the state of the network.
For above 1.08 pu, the rural/summer, urban/summer, and urban/winter configurations were concerned. Since the semi-rural network did not contain any generation, the configurations of this network did not lead to a voltage above 1.08 pu. For the rural/summer configuration, the 4 CMext model resulted in 2.7 more cases than the 3 CM. On the other hand, the 4 CM did not show any problems. In this configuration, the 4 CM was less accurate than the 3 CM. For the urban/winter network, the number of cases decreased very slightly for the 4 CMext, compared with the 3 CM, whereas it increased by a factor of 5.9 in the urban/summer configuration. For above 1.1 pu, no configuration was concerned.
The position and value of earthing resistances are often missing from DSO databases. Modifying their value (e.g., ageing or theft of the grounding) makes their modeling delicate. Therefore, a focus is made on the impact of earthing resistances on the voltage profile in the following section.

3.2.4. Focus on the Number of Earthing Resistance

The number of earthing resistors is the main difference between 3 CM and 4 CM/4 CMext. The author of [24] only studied the impact of earthing resistances on neutral-to-ground voltage profiles. This section studies the impact of earthing resistances on both line-to-neutral and neutral-to-ground voltages. Earthing resistance also has an impact on line-to-neutral voltage profiles, in a similar way to the other parameters. Performance metrics are considered to analyze the results. The maximum voltage magnitude error (MVME) on phase a is defined by (22), where voltage is in pu. The same results are visible on phases b and c.
M V M E a = max k | v a n k v ˇ a g k |
By default, [34] networks are in four conductors without earthing resistances. By applying Kron reduction, the 3 CM is computed. Two parameters were modified in the simulation: the number and the value of earthing resistance. Earthing resistances varied approximatively between 0.1 and 100 Ω. At each load flow, an earthing resistance was added in ascending order of buses. This study was only conducted on the 49-bus/semi-rural network, which was less impacted by the other external parameters.
In Figure 17, 0.1 Ω is added to the listed buses. Thus, the curves with the label “Bus 1 to XX” have grounding resistors, from bus 1 to bus XX. For the other buses, no grounding resistor was present. Thus, the “Bus 1 to 1” curve corresponded to the LV network grounded at the substation.
Load flows were computed over a week with a time step of 30 min (336 points), to see the impact of earthing resistances on several consumption points. Consumption and production profiles were specified using the data from [35,36]. The maximum of M V M E a with respect to time, was used:
M M V M E a = max t   max k | v a n k , t v ˇ a g k , t |
Table 12 gives M M V M E a for the 49-bus network. Between 3 CM and 4 CM/4 CMext, the deviation depends on the value of the earthing resistance. On the one hand, if the earthing resistance was small, the two models were very close. On the other hand, if the earthing resistance was about 100 Ω, the deviation was above 0.03 pu, representing a consequential error in the network modeling for DSOs. Considering the 4 CMext is therefore essential to avoid adding errors to the network model.

4. Discussion

The first section of results (Section 3.1) focused on the comparison of the models for the characterization of LV cables. Considering the temperature and the resistivity of the earth in the analytical modeling of the cables allowed to compare the 4 CMext, 3 CMext, and S CMext models. The behavior of the 4 CMext model, with respect to external parameters, was more consistent than the other models. This model has therefore been retained for the modeling of cables. This analytical model was compared with the FEM, as well as the experimental method, and the manufacturer’s data, to challenge its accuracy. Analytical 4 CM and FEM had a deviation of 12% on the resistance, and a deviation of 3.6% on the reactance. Deviation of the resistance was higher than the reactance, due to non-diagonal terms, which were five times smaller than the diagonal terms. The analytical and experimental methods had a deviation of 18% on the resistance, and 15% on the reactance. The deviation was mainly caused by limitations of experimental measurements described in Section 2.2; thereby, 4 CM is recommended to authors to model LV cables, instead of 3 CM and S CM.
However, DSOs are more concerned with an accurate voltage profile than an accurate impedance matrix. They must comply with the EN 50160 standard [6] at each network bus. As their models are imprecise, an error margin of 0.02 pu was retained (Figure 1), to ensure that the voltage profile does not go beyond the limits of the standard. In case of a new user connection or an increase in its power, the voltage profile reaches the uncertainty zone. The DSO is then compelled to carry out a reinforcement. On the other hand, with a more accurate model, it is possible to know the actual value of the voltage under 0.92 pu, but still far from the low limit of 0.90 pu. These limit cases are indeed few; however, they are dimensioning for the network operation, since the DSO must comply with the limits of the EN 50160 standard for all network users. Moreover, networks are built to anticipate network developments, and often have a few percent margins to accommodate new users.
In Section 3.2, the impact of the cable model was therefore studied on three LV networks and in two cases. The use of several networks and cases allowed us to compare the models in more realistic situations. Regarding the results for each network, the lack of a producer on the semi-rural network did not create a voltage limit problem in summer; this is highlighted in Figure 16c,d. For this network, the DSO can then increase the secondary voltage of the transformer to avoid limiting low voltage problems, either in winter or in summer. On the other hand, for rural and urban networks, where producers are present, the ±10% voltage range is largely covered, and high and low voltage problems occur. This situation is likely to become more and more significant with the development of decentralized production, especially for the rural network where the transformer load is low (Table 9).
Regarding the results by season, summer cases can cause high voltage problems. This is mainly due to the presence of producers. The 4 CMext always generates a higher ratio than the other models; it is therefore essential to highlight the limitation of the 4 CM for high voltage since it generates a lower ratio than the other two models. The 4 CM should not be used in summer cases, and the 4 CMext identifies more than three times as many high instants as the 3 CM. However, these instants above 1.08 pu in the 3 CM are not above 1.1 pu in the 4 CMext. The margin of error of 2% is therefore too large for the summer case. In winter, the networks are concerned by low voltage problems, except for in the urban case. The 3 CM and 4 CM give close ratios τ v except for the rural network, where the 4 CM ratio is lower, and for the semi-rural network, where it is higher. This emphasizes the limitations of the 4 CM. The 4 CMext always gives a higher ratio for the winter cases under 0.90 and 0.92 pu, and this ratio is identical for 3 CM and 4 CM. It is multiplied by 3, 2.3, and 1.9 for the rural, semi-rural, and urban networks, respectively, when switching from 4 CM to 4 CMext. In this situation, the rural networks must be studied more precisely, and the 4 CMext model must be used. For the situation urban/above 1.08 pu, the 4 CMext ratio τ v is lower than 3 CM. The 3 CM overestimates the network voltages and could lead to non-existent voltage problems. The use of the 4 CMext model in this situation seems necessary to avoid unnecessary reinforcement.
A focus was conducted on the position and value of the earthing resistors in Section 3.2.4. Except for a high number of low-value resistors, the deviation between the 3 CM and the 4 CMext could be up to 0.03 pu. This deviation exceeded the 2% model error presented in the introduction, and could lead to cases outside the limits of the EN 50160 standard. This shows that the external parameters have a significant impact on the voltage profile.

5. Conclusions

The results of this paper were separated into two sections. Section 3.1 identified 4 CMext as the most accurate means of considering external parameters. This analytical model corresponds with the finite element model, with an error margin of 4%, experimental measurements of 15%, and French cable manufacturer’s data of 0.5%, for a 150/95 mm2 LV cable. The 4 CMext is therefore recommended by the authors for the determination of the impedance matrix of LV cables. Section 3.2 identified the errors generated on voltage profile by an inaccurate cable model. It was shown in Table 11, that the 4 CMext always gave more insight of the voltage profile than 3 CM or 4 CM. The 4 CMext allowed the authors to identify the risk of violation for the EN 50160 standard. Violations of low voltage (under 0.9 pu) were underestimated by two to three times by the 3 CM and 4 CM in the winter. Violation risks of high voltage (above 1.08 pu) were underestimated from three to six times by the 3 CM model in the summer. Surprisingly, the 4 CM detected fewer critical cases than the 3 CM in the summer, and for the rural network. Therefore, the difference between the 3 CM and 4 CM was earthing resistance. A value of 1 Ohm for 4 CM caused too much error, compared with 3 CM (0 Ohm) or 4 CMext (10 to 160 Ohms). From Table 11, the 3 CM may have been sufficient for an urban network, but would not be sufficient for rural or semi-rural networks. On the other hand, the focus on the number of earthing resistances in Section 3.2.4 showed that failing to take earthing resistances into account in the modeling (the main difference between a three-conductor and a four-conductor model) could lead to a voltage profile error of more than 0.03 pu (above the 2% margin of error in Figure 1). Hence, the authors recommend that DSOs use a four-conductor model of LV cables, which includes variations of external parameters—the 4 CMext. This model allows a more accurate insight into the voltage profile, and thus can avoid and postpone reinforcements in the case of new additional users.
This paper opens up future avenues for research. It calls for the accurate determination of the external parameters of the cable to obtain the 4 CMext. This determination can be used for both real-time management and network planning. The development of a parameter estimator, which determines the external parameters of the 4 CMext, is one of the research avenues to explore.

Author Contributions

Conceptualization, all authors; methodology, software, validation, F.B.; formal analysis, all authors; resources, investigation, writing—original draft preparation, F.B.; writing—review and editing, all authors; supervision, T.D.L. and M.P. All authors have read and agreed to the published version of the manuscript.

Funding

This research received no external funding.

Conflicts of Interest

The authors declare no conflict of interest.

Nomenclature

3 CM3-Conductor Model
3 CMext3 CM taking into account external parameters
4 CM4-Conductor Model
4 CMext4 CM taking into account external parameters
5 CM5-Conductor Model
DSODistribution System Operator
External factorsSoil color, ground type, air temperature, irradiance, ground moisture and electric losses
External parametersCable temperature, ground electrical resistivity and value/number of earthing resistances
FEMFinite Element Method
LVLow Voltage
MVMedium Voltage
MVMEMaximum Voltage Magnitude Error
puPer unit
PVPhotoVoltaic panels
S CMSymmetrical Component Model
S CMextS CM taking into account external parameters

References

  1. Nousdilis, A.I.; Chrysochos, A.I.; Papagiannis, G.K.; Christoforidis, G.C. The impact of Photovoltaic Self-Consumption Rate on voltage levels in LV distribution grids. In Proceedings of the 11th IEEE International Conference on Compatibility, Power Electronics and Power Engineering (CPE-POWERENG), Cadiz, Spain, 4–6 April 2017. [Google Scholar]
  2. Gonzalez Venegas, F.; Petit, M.; Perez, Y. Active integration of electric vehicles into distribution grids: Barriers and frameworks for flexibility services. Renew. Sustain. Energy Rev. 2021, 145, 111060. [Google Scholar] [CrossRef]
  3. EV-Volumes—The Electric Vehicle World Sales Database. Available online: https://www.ev-volumes.com/ (accessed on 10 November 2021).
  4. Protopapadaki, C.; Saelens, D. Heat pump and PV impact on residential low-voltage distribution grids as a function of building and district properties. App. Energy 2017, 192, 268–281. [Google Scholar] [CrossRef]
  5. Cross, J.D.; Hartshorn, R. My Electric Avenue: Integrating electric vehicles into the electrical networks. In Proceedings of the 6th Hybrid and Electric Vehicles Conference (HEVC 2016), London, UK, 2–3 November 2016. [Google Scholar]
  6. AFNOR. NF EN 50160 Caractéristiques de la tension fournie par les réseaux publics de distribution. In Normes Nationales et Documents Normatifs Nationaux; AFNOR: La Plaine Saint-Denis, France, 2013; p. 37. [Google Scholar]
  7. Frame, D.F.; Ault, G.W.; Huang, S. The uncertainties of probabilistic LV network analysis. In Proceedings of the 2012 IEEE Power and Energy Society General Meeting, San Diego, CA, USA, 23–26 July 2012. [Google Scholar]
  8. Angioni, A.; Shang, J.; Ponci, F.; Monti, A. Real-Time Monitoring of Distribution System Based on State Estimation. IEEE Trans. Instrum. Meas. 2016, 65, 2234–2243. [Google Scholar] [CrossRef]
  9. Primadianto, A.; Lu, C. A Review on Distribution System State Estimation. IEEE Trans. Power Syst. 2017, 32, 3875–3883. [Google Scholar] [CrossRef]
  10. Abdel-Majeed, A.; Tenbohlen, S.; Rudion, K. Effects of state estimation accuracy on the voltage control of low voltage grids. In Proceedings of the 2015 International Symposium on Smart Electric Distribution Systems and Technologies (EDST), Vienna, Austria, 8–11 September 2015. [Google Scholar]
  11. Shahid, K.; Schiavone, E.; Drenjanac, D.; Lyhne, M.; Olsen, R.L.; Schwefel, H.-P. Handling Incomplete and Erroneous Grid Topology Information for Low Voltage Grid Observability. In Proceedings of the 2019 IEEE International Conference on Communications, Control, and Computing Technologies for Smart Grids (SmartGridComm), Beijing, China, 21–23 October 2019. [Google Scholar]
  12. Principes D’étude et de Développement du Réseau pour le Raccordement des Clients Consommateurs et Producteurs BT. Available online: http://www.enedis.fr/sites/default/files/Enedis-PRO-RES_43E.pdf (accessed on 2 May 2018).
  13. Moreno-Díaz, L.; Romero-Ramos, E.; Gómez-Expósito, A.; Cordero-Herrera, E.; Rivero, J.R.; Cifuentes, J.S. Accuracy of Electrical Feeder Models for Distribution Systems Analysis. In Proceedings of the 2018 International Conference on Smart Energy Systems and Technologies (SEST), Sevilla, Spain, 10–12 September 2018. [Google Scholar]
  14. Câbles de Réseaux 3 Phases + Neutre. Available online: https://www.nexans.fr/France/family/doc/fr_FR/CABLE_RESEAU_3P+n.pdf (accessed on 20 October 2020).
  15. Câble de Réseaux Souterrain H1 XDV-AS. Available online: https://www.smv-entreprise.fr/media/original/enedis-h1-xdv-as-33-s-210-221033.pdf (accessed on 20 October 2020).
  16. Urquhart, A.J.; Thomson, M. Series impedance of distribution cables with sector-shaped conductors. IET Gener. Transm. Distrib. 2015, 9, 2679–2685. [Google Scholar] [CrossRef] [Green Version]
  17. Geis-Schroer, J.; Hubschneider, S.; Held, L.; Gielnik, F.; Armbruster, M.; Suriyah, M.; Leibfried, T. Modeling of German. Low Voltage Cables with Ground Return Path. Energies 2021, 14, 1265. [Google Scholar] [CrossRef]
  18. Jensen, M.H.; Bak-Jensen, B. Series impedance of the four-wire distribution cable with sector-shaped conductors. In Proceedings of the 2001 IEEE Porto Power Tech, Porto, Portugal, 10–13 September 2001. [Google Scholar]
  19. Binot, F.; Le, T.D.; Petit, M. Impact of environmental conditions on the voltage profile of LV networks. In Proceedings of the 2019 IEEE PES Innovative Smart Grid Technologies Europe (ISGT-Europe), Bucarest, Roumania, 29 September–2 October 2019. [Google Scholar]
  20. Urquhart, A. Accuracy of Low Voltage Electricity Distribution Network Modelling. Ph.D. Thesis, Loughborough University, Loughborough, UK, 23 June 2016. [Google Scholar]
  21. Anderson, P.M. Analysis of Faulted Power Systems; IEEE Press: Manhattan, NY, USA, 1995. [Google Scholar]
  22. Kersting, W.H. A three-phase unbalanced line model with grounded neutrals through a resistance. In Proceedings of the 2008 IEEE Power and Energy Society General Meeting, Pittsburgh, PA, USA, 20–24 July 2008. [Google Scholar]
  23. Keshtkar, H.; Solanki, S.K.; Solanki, J.M. Improving the Accuracy of Impedance Calculation for Distribution Power System. IEEE Trans. Power Deli. 2014, 29, 570. [Google Scholar] [CrossRef]
  24. Surbrook, T.C.; Reese, N.D.; Kehrle, A.M. Stray Voltage: Sources and Solutions. IEEE Trans. Ind. Appl. 1986, 22, 210. [Google Scholar] [CrossRef]
  25. Binot, F. Modélisation et Estimation de Paramètres des Réseaux de Distribution Basse Tension. Ph.D. Thesis, Université Paris-Saclay, Paris, France, 2020. [Google Scholar]
  26. Kersting, W.H.; Phillips, W.H. Distribution feeder line models. IEEE Trans. Ind. Appl. 1995, 31, 715. [Google Scholar] [CrossRef]
  27. Finite Element Method Magnetics: HomePage. Available online: http://www.femm.info/wiki/HomePage (accessed on 27 April 2020).
  28. Pinces Ampèremétriques Pour Courant AC Série C100. Available online: https://www.chauvin-arnoux.com/sites/default/files/HLHBDAM7.PDF (accessed on 28 April 2020).
  29. MSO4000B and DPO4000B Series Digital Phosphor Oscilloscopes User Manual. Available online: https://download.tek.com/manual/MSO4000B-and-DPO4000B-Oscilloscope-User-Manual-071281004_Rev_A.pdf (accessed on 28 April 2020).
  30. Li, H.; Harvey, J.T.; Holland, T.J.; Kayhanian, M. The use of reflective and permeable pavements as a potential practice for heat island mitigation and stormwater management. Environ. Res. Lett. 2013, 8, 015023. [Google Scholar] [CrossRef]
  31. COMSOL: Multiphysics Software for Optimizing Designs. Available online: https://www.comsol.fr/ (accessed on 4 May 2020).
  32. Eco2mix Consommation. Available online: https://www.rte-france.com/fr/eco2mix/eco2mix-consommation (accessed on 5 May 2020).
  33. Van de Vyver, J.; Vandoorn, T.; Lauwers, P. Measurement, modelling and real-time calculation of medium voltage cable temperatures. In Proceedings of the International Conference on Electricity Distribution (CIRED), Madrid, Spain, 3–6 June 2019. [Google Scholar]
  34. Interoperability Test ‘Cim for System Development and Operations’. 2016. Available online: https://docstore.entsoe.eu/Documents/CIM_documents/IOP/160715_CGMES_IOPreport2016.pdf (accessed on 29 November 2018).
  35. Results of Electricity Cost-Benefit Analysis, Customer Behavior Trials and Technology trials. Technical Report. Available online: https://www.cru.ie/wp-content/uploads/2011/07/cer11080.pdf (accessed on 30 November 2018).
  36. Electricity Smart Metering Customer Behavior Trials Findings Report. Technical Report. Available online: https://www.cru.ie/wp-content/uploads/2011/07/cer11080ai.pdf (accessed on 30 November 2018).
  37. EPRI. Available online: https://www.epri.com/#/pages/sa/opendss?lang=en-US (accessed on 4 May 2020).
Figure 1. The margin of error is due to model uncertainties in network planning. DSOs require these margins to avoid voltage problems.
Figure 1. The margin of error is due to model uncertainties in network planning. DSOs require these margins to avoid voltage problems.
Energies 14 07849 g001
Figure 2. Diagram of the LV cable for the analytical method. Phase a , b and c sectors are transformed into circles of identical surfaces. For the neutral n , the surface of the crown was added to that of the circle. For each phase, the barycenter of the initial shape is used as the center of the circle.
Figure 2. Diagram of the LV cable for the analytical method. Phase a , b and c sectors are transformed into circles of identical surfaces. For the neutral n , the surface of the crown was added to that of the circle. For each phase, the barycenter of the initial shape is used as the center of the circle.
Energies 14 07849 g002
Figure 3. 4 CMext of LV cable.
Figure 3. 4 CMext of LV cable.
Energies 14 07849 g003
Figure 4. 3 CMext of LV cable.
Figure 4. 3 CMext of LV cable.
Energies 14 07849 g004
Figure 5. Cable mesh (a) and general view (b) for the FEM.
Figure 5. Cable mesh (a) and general view (b) for the FEM.
Energies 14 07849 g005
Figure 6. The experimental set-up for measuring cable impedance.
Figure 6. The experimental set-up for measuring cable impedance.
Energies 14 07849 g006
Figure 7. The link between factors, parameters, matrix terms, and voltage profile. External factors have an impact on the external parameters, modifying either the terms of the matrix or the voltage profile.
Figure 7. The link between factors, parameters, matrix terms, and voltage profile. External factors have an impact on the external parameters, modifying either the terms of the matrix or the voltage profile.
Energies 14 07849 g007
Figure 8. Trench for the exit of LV cables at the MV/LV substation on the university campus (a). The dimensions of the trench were used to design the COMSOL FEM model (b).
Figure 8. Trench for the exit of LV cables at the MV/LV substation on the university campus (a). The dimensions of the trench were used to design the COMSOL FEM model (b).
Energies 14 07849 g008
Figure 9. Daily variations of ground surface temperature for different pavements (A1 = Paver, B1 = Asphalt, C1 = Concrete) in summer (a) and in winter (b). Air temperature, wind speed, and solar radiation are also displayed [30].
Figure 9. Daily variations of ground surface temperature for different pavements (A1 = Paver, B1 = Asphalt, C1 = Concrete) in summer (a) and in winter (b). Air temperature, wind speed, and solar radiation are also displayed [30].
Energies 14 07849 g009
Figure 10. Current flow for one day in each phase of the conductors in summer and winter [32].
Figure 10. Current flow for one day in each phase of the conductors in summer and winter [32].
Energies 14 07849 g010
Figure 11. The temperature of cable(s) in summer (a) and winter (b).
Figure 11. The temperature of cable(s) in summer (a) and winter (b).
Energies 14 07849 g011
Figure 12. Per-unit-length resistance and reactance of 4 CMext (a,b), 3 CMext (c,d), and S CMext (e,f) with respect to temperature (a,c,e) and ground resistivity (b,d,f).
Figure 12. Per-unit-length resistance and reactance of 4 CMext (a,b), 3 CMext (c,d), and S CMext (e,f) with respect to temperature (a,c,e) and ground resistivity (b,d,f).
Energies 14 07849 g012
Figure 13. Factors, parameters, and configurations for the simulations regarding voltage profile. The link between the factors, parameters, impedances, and voltage profile is given in Figure 7. The factors have an impact on the parameters. As the factors are interrelated, so are the parameters. Several configurations (three networks and two cases) are considered to have consistent parameter values.
Figure 13. Factors, parameters, and configurations for the simulations regarding voltage profile. The link between the factors, parameters, impedances, and voltage profile is given in Figure 7. The factors have an impact on the parameters. As the factors are interrelated, so are the parameters. Several configurations (three networks and two cases) are considered to have consistent parameter values.
Energies 14 07849 g013
Figure 14. 49-bus (a), 8-bus (b) and 139-bus (c) networks with line type and load/PV connection phase. Rural, semi-rural and urban networks correspond to the 8-bus, 49-bus, and 139-bus, respectively. These networks are modified versions of the [34] networks.
Figure 14. 49-bus (a), 8-bus (b) and 139-bus (c) networks with line type and load/PV connection phase. Rural, semi-rural and urban networks correspond to the 8-bus, 49-bus, and 139-bus, respectively. These networks are modified versions of the [34] networks.
Energies 14 07849 g014
Figure 15. Load power at selected instants for the summer and winter profiles. Load power in pu is given relative to the maximum power of the load.
Figure 15. Load power at selected instants for the summer and winter profiles. Load power in pu is given relative to the maximum power of the load.
Energies 14 07849 g015
Figure 16. Occurrence on the voltage profile in the rural (a,b), semi-rural (c,d) and urban (e,f) network and summer (a,c,e), and winter (b,d,f) cases.
Figure 16. Occurrence on the voltage profile in the rural (a,b), semi-rural (c,d) and urban (e,f) network and summer (a,c,e), and winter (b,d,f) cases.
Energies 14 07849 g016aEnergies 14 07849 g016b
Figure 17. Phase voltage magnitude error between 3 CM and 4 CM of the 49-bus test feeder, with R e k = 0.1   Ω (a) and neutral-to-ground voltage of 49-bus test feeder for (b).
Figure 17. Phase voltage magnitude error between 3 CM and 4 CM of the 49-bus test feeder, with R e k = 0.1   Ω (a) and neutral-to-ground voltage of 49-bus test feeder for (b).
Energies 14 07849 g017
Table 1. Cross-section of European LV cables.
Table 1. Cross-section of European LV cables.
ReferenceCountryCable Cross-Section
[16,20]UK Energies 14 07849 i001 Energies 14 07849 i002
[17]Germany Energies 14 07849 i003
[18]Denmark Energies 14 07849 i004
[19]France Energies 14 07849 i005
Table 2. Impact of external parameters in the literature.
Table 2. Impact of external parameters in the literature.
ReferenceExternal ParameterImpacted QuantitySurvey Limits
[20]Cable temperatureSymmetrical componentsNo voltage profile
Not 4 CM
[17]Cable temperature
Earthing resistances
Voltage profileNon-network dependent temperature
Small earthing resistances
[23]Ground electrical resistivityMutual impedanceNo voltage profile
MV American-style network
[24]Earthing resistancesNeutral-to-ground voltageMV American-style network
Table 3. Material properties used in the COMSOL model.
Table 3. Material properties used in the COMSOL model.
NotationInsulationConcreteAluminum
Density (kg/m3) μ 139023002710
Thermal conductivity (W/m/K) K 0.41.0220
Heat capacity at constant pressure (J/kg/K) C p 1050750910
Table 4. Soil resistivity and earthing resistance of different soils [19].
Table 4. Soil resistivity and earthing resistance of different soils [19].
Type of SoilSoil Resistivity (Ωm)Earthing Resistance (Ω)
Ground Electrode Depth
3 (m)6 (m)10 (m)
Very moist soil301053
Farming soil100331710
Sandy clay soil150502515
Moist gravel5001608048
Dry gravel1000330165100
Stoney soil30,0001000500300
Table 5. The slope of terms of three matrices with respect to temperature (Ω/km/°C).
Table 5. The slope of terms of three matrices with respect to temperature (Ω/km/°C).
Matrix   z k l _   ( 4   CMext ) Matrix   z ˇ k l _   ( 3   CMext ) Matrix   z 012 k l _   ( S   CMext )
r a a k l 6.9 · 10 4 r ˇ a a k l 1.2 · 10 3 r 00 k l 2.1 · 10 3
r a b k l 0 r ˇ a b k l 4.6 · 10 4 r 11 k l 6.9 · 10 4
x a a k l 0 x ˇ a a k l 3.7 · 10 4 x 00 k l 1.1 · 10 3
x a b k l 0 x ˇ a b k l 3.5 · 10 4 x 11 k l 0
Table 6. Voltages and currents were obtained from the experimental method. The impedances were computed from (17).
Table 6. Voltages and currents were obtained from the experimental method. The impedances were computed from (17).
Voltages (mV)Currents (A)Computed Impedances (mΩ)
Δ V a a _ = 240     0 ° I a _ = 106     26 ° Z a a _ = 2.68 + 7.16 j
Δ V b b _ = 293   128 ° I b _ = 133   101 ° Z a b _ = 0.60 + 8.08 j
Δ V c c _ = 247     110 ° I c _ = 110     129 ° Z a c _ = 0.55 + 8.05 j
Table 7. Characteristics of French LV cable given by manufacturers.
Table 7. Characteristics of French LV cable given by manufacturers.
ManufacturersNexans [14]NKT [15]
ReferenceH1 XDV-AR NFC 33–210H1 XDV-AS ENEDIS 33-S-210
Cross-section3 × 150 + 1 × 703 × 150 + 1 × 95
Per-unit-length maximal resistance 20 °C (Ω/km)Phase 0.206 0.189 (direct current)
Neutral 0.443 0.320
Table 8. Characterization of an LV 150/95 mm2 cable via three methods: analytical, FEM, and experimental. Impedances are in Ω/km for a temperature of 20 °C and a ground resistivity of 100 Ωm.
Table 8. Characterization of an LV 150/95 mm2 cable via three methods: analytical, FEM, and experimental. Impedances are in Ω/km for a temperature of 20 °C and a ground resistivity of 100 Ωm.
AnalyticalFEMExperimental
z a a _ = 0.254 + j 0.758 z a a _ = 0.261 + j 0.756 z a a _ = 0.260 + j 0.716
z a b _ = 0.049 + j 0.694 z a b _ = 0.055 + j 0.688 z a b _ = 0.060 + j 0.808
z a c _ = 0.049 + j 0.680 z a c _ = 0.054 + j 0.674 z a c _ = 0.055 + j 0.805
z a n _ = 0.049 + j 0.708 z a n _ = 0.056 + j 0.694 /
z b n _ = 0.049 + j 0.679 z b n _ = 0.053 + j 0.672 /
z n n _ = 0.299 + j 0.764 z n n _ = 0.309 + j 0.736 /
Table 9. Parameters of LV network types.
Table 9. Parameters of LV network types.
Network TypesRural/8-busSemi-rural/49-busUrban/139-bus
Transformer power100 kVA250 kVA630 kVA
Consumer number431148
Maximum consumption30 kW145 kW390 kW
Producer number109
DER contract power18 kW0 kW26 kW
Network length1.0 km4.3 km4.8 km
Table 10. Values of external parameters for all networks and cases.
Table 10. Values of external parameters for all networks and cases.
Urban/139 BusSemi-Rural/49 BusRural/8 Bus
3 CM Winter T c a b l e = 20   ° C T c a b l e = 20   ° C T c a b l e = 20   ° C
ρ g = 100   Ω m ρ g = 100   Ω m ρ g = 100   Ω m
winter profilewinter profilewinter profile
4 CM Winter R e = 1   Ω R e = 1   Ω R e = 1   Ω
T c a b l e = 20   ° C T c a b l e = 20   ° C T c a b l e = 20   ° C
ρ g = 100   Ω m ρ g = 100   Ω m ρ g = 100   Ω m
winter profilewinter profilewinter profile
4 CMext Winter R e = 50   Ω R e = 160   Ω R e = 10   Ω
T c a b l e = 35   ° C T c a b l e = 25   ° C T c a b l e = 15   ° C
ρ g = 150   Ω m ρ g = 500   Ω m ρ g = 30   Ω m
winter profilewinter profilewinter profile
3 CM Summer T c a b l e = 20   ° C T c a b l e = 20   ° C T c a b l e = 20   ° C
ρ g = 100   Ω m ρ g = 100   Ω m ρ g = 100   Ω m
summer profilesummer profilesummer profile
4 CM Summer R e = 1   Ω R e = 1   Ω R e = 1   Ω
T c a b l e = 20   ° C T c a b l e = 20   ° C T c a b l e = 20   ° C
ρ g = 100   Ω m ρ g = 100   Ω m ρ g = 100   Ω m
summer profilesummer profilesummer profile
4 CMext Summer R e = 50   Ω R e = 160   Ω R e = 10   Ω
T c a b l e = 65   ° C T c a b l e = 50   ° C T c a b l e = 35   ° C
ρ g = 150   Ω m ρ g = 500   Ω m ρ g = 30   Ω m
summer profilesummer profilesummer profile
Table 11. τ v ratio (21) in different networks and seasons.
Table 11. τ v ratio (21) in different networks and seasons.
τ v   ( % ) RuralSemi-RuralUrban
WinterSummerWinterSummerWinterSummer
Under 0.9 pu3 CM0.1700.2300.160
4 CM0.1700.2300.160
4 CMext0.5200.5400.300
Under 0.92 pu3 CM3.3000.8500.600
4 CM2.9500.9400.600
4 CMext5.5601.6700.740
Above 1.08 pu3 CM04.69001.240.14
4 CM00000.560.13
4 CMext012.5001.160.77
Above 1.1 pu3 CM000000
4 CM000000
4 CMext000000
Table 12. M M V M E a (23) in the 49-bus network. Earthing resistances are from bus 1 to bus N R .
Table 12. M M V M E a (23) in the 49-bus network. Earthing resistances are from bus 1 to bus N R .
[ 10 3   p u ] 0.1 Ω1 Ω10 Ω100 Ω
NR = 133.833.833.833.8
NR = 1313.526.733.233.8
NR = 2512.923.031.733.6
NR = 374.421.431.733.6
NR = 494.420.631.133.6
Publisher’s Note: MDPI stays neutral with regard to jurisdictional claims in published maps and institutional affiliations.

Share and Cite

MDPI and ACS Style

Binot, F.; Le, T.D.; Petit, M. Characterization and Modeling of LV Cables Considering External Parameters for Distribution Networks. Energies 2021, 14, 7849. https://doi.org/10.3390/en14237849

AMA Style

Binot F, Le TD, Petit M. Characterization and Modeling of LV Cables Considering External Parameters for Distribution Networks. Energies. 2021; 14(23):7849. https://doi.org/10.3390/en14237849

Chicago/Turabian Style

Binot, Ferréol, Trung Dung Le, and Marc Petit. 2021. "Characterization and Modeling of LV Cables Considering External Parameters for Distribution Networks" Energies 14, no. 23: 7849. https://doi.org/10.3390/en14237849

APA Style

Binot, F., Le, T. D., & Petit, M. (2021). Characterization and Modeling of LV Cables Considering External Parameters for Distribution Networks. Energies, 14(23), 7849. https://doi.org/10.3390/en14237849

Note that from the first issue of 2016, this journal uses article numbers instead of page numbers. See further details here.

Article Metrics

Back to TopTop