Damping Formation Mechanism and Damping Injection of Virtual Synchronous Generator Based on Generalized Hamiltonian Theory
Abstract
:1. Introduction
2. Virtual Synchronous Generator
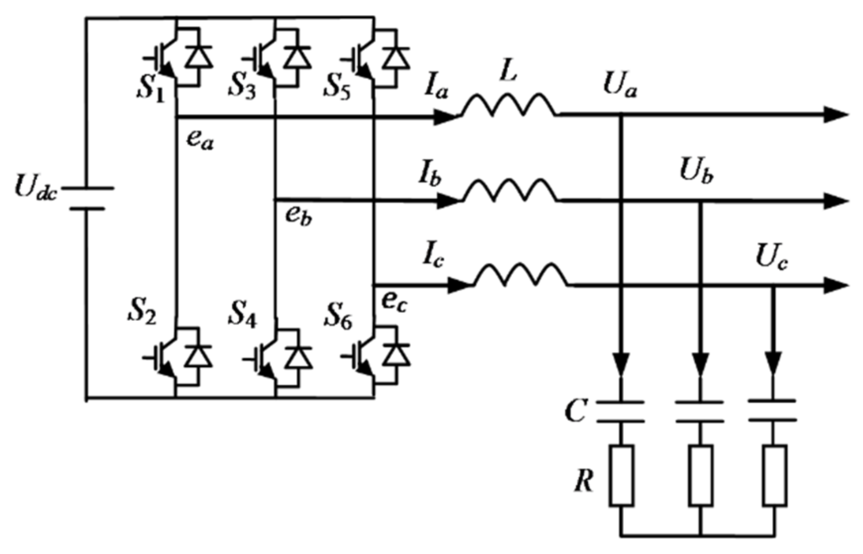
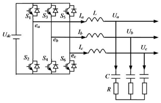
2.1. Structure of Invertor Unit
2.2. Virtual Stator Unit
2.3. Virtual Excitation Unit
2.4. Rotor of VSG
2.5. Structure of VSG
3. Hamiltonian Model of VSG
3.1. Hamiltonian Function
- (1)
- Virtual stator unit
- (2)
- Virtual excitation unit
- (3)
- Virtual rotor unit
- (4)
- Hamiltoni an function of VGS
3.2. Hamiltonian Model of VSG
4. Structure Modification of Hamiltonian
4.1. Basic Theory
4.2. Damping Injection
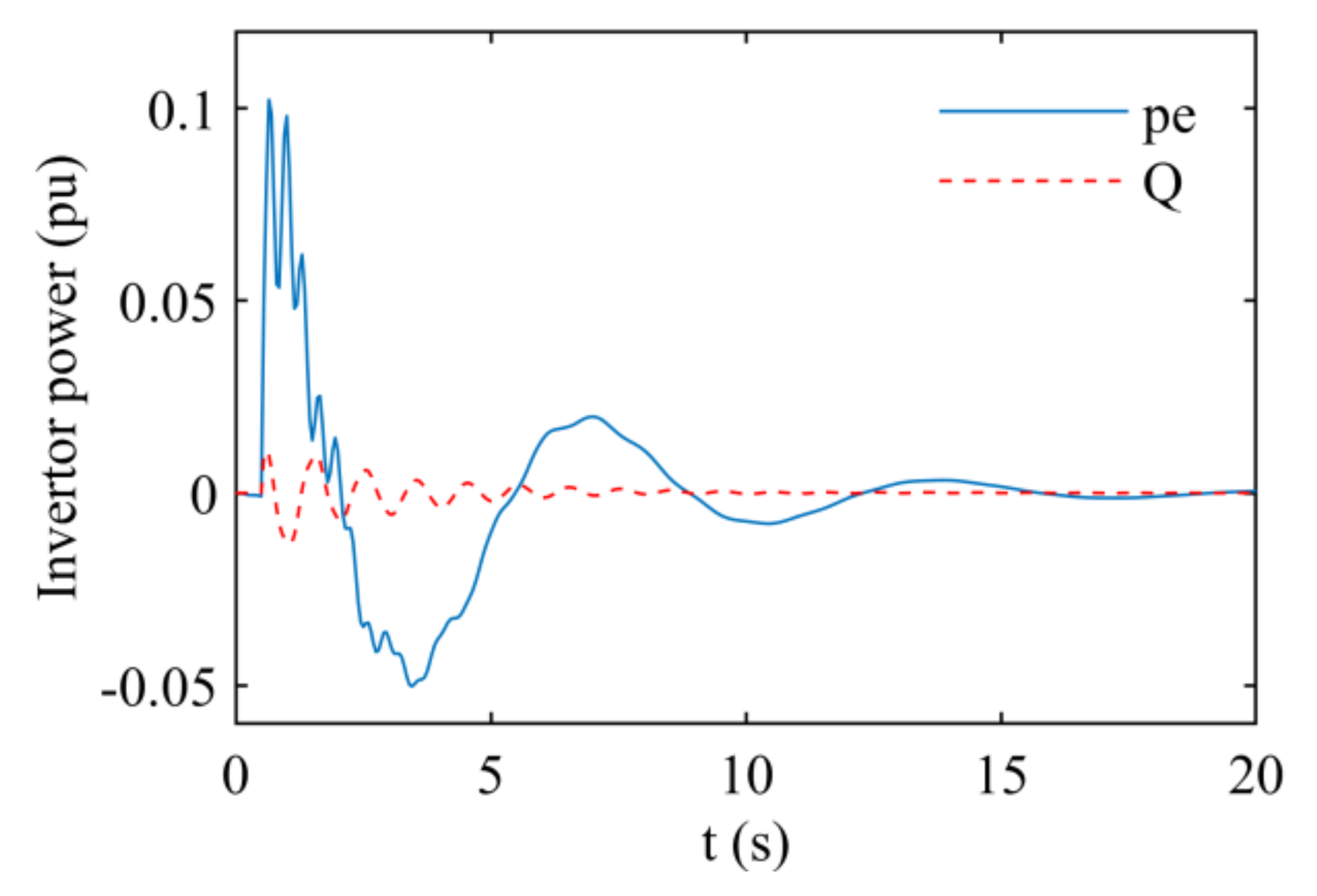
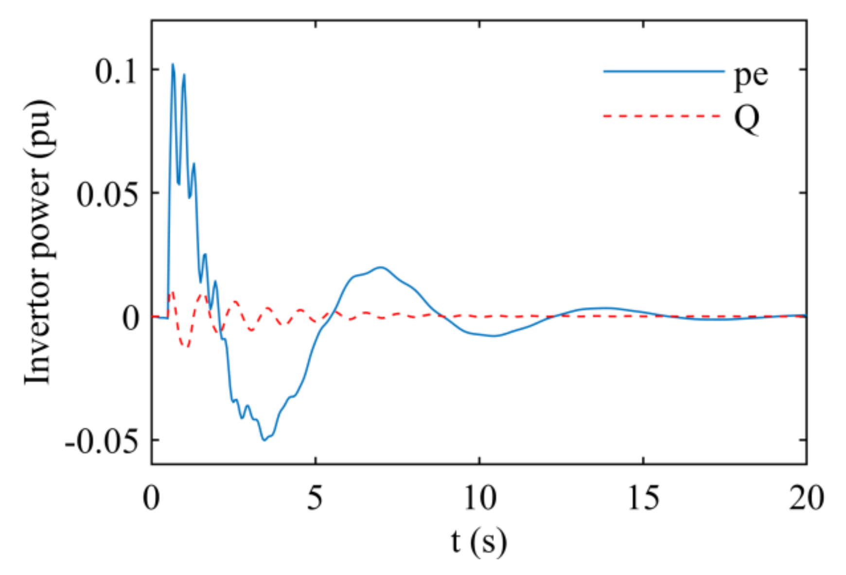
5. Simulation Experiment
5.1. Simulation System
5.2. Damping Characteristic Analysis
- (1)
- The damping coefficient D of VSG is located in row 2 and column 2 of damping matrix R(x), which represents the corresponding state variable of angular velocity. From the view of dynamics, the position that the factor located is self-correlation damping of angular velocity, on which only the damping characteristics of angular velocity have an effect. As the damping coefficient D increases, the oscillation amplitude of bus frequency decreases and the attenuation speeds up. In other words, the damping of angular frequency oscillation increases, while the change of bus voltage is not obvious. See Figure 5.
- (2)
- The time constant of excitation TE relates to the state variables x3 and x5 in damping matrix R(x). Form the view of dynamics, where the element located at row 5 and column 5 is self-correction damping factor of x5, where the element located at row 3 and column 5 is cross-correction damping factor of x3 and x5. Therefore, the change of TE would affect the damping oscillation characteristics of bus voltage. Given different TE, the change of bus frequency and voltage is shown in Figure 6.
- (3)
- Effect of active power droop coefficient
5.3. Damping Injection Control
6. Conclusions
- (1)
- When the VSG is directly connected to the isolated microgrid bus, the influence of a single parameter of VSG on the oscillation damping of the bus voltage and frequency has decoupling characteristics, that is, the change of damping coefficient D and active power droop coefficient bp only affects the oscillation damping of the bus frequency; The excitation time constant TE of VSG only affects the bus voltage oscillation damping. This decoupling characteristic greatly facilitates the design of virtual generator parameters.
- (2)
- The Hamiltonian damping injection control design method proposed in this paper can effectively reduce the bus voltage fluctuation amplitude by selecting an appropriate damping factor, which can make up for the deficiency of small virtual generator time constant TE in reducing the bus voltage oscillation amplitude.
- (3)
- The Hamiltonian structure design method for VSG is a new approach. In this paper, the damping injection control is just an example. Further research can be carried out from the following aspects: the modified structure matrix, damping matrix, the single factor, and multiple factors to obtain more dynamic information and provide more means for control design.
Author Contributions
Funding
Institutional Review Board Statement
Informed Consent Statement
Data Availability Statement
Conflicts of Interest
References
- Bevrani, H.; Ise, T.; Miura, Y. Virtual synchronous generators: A survey and new perspectives. Electr. Power Energy Syst. 2014, 54, 244–254. [Google Scholar] [CrossRef]
- Karapanos, V.; Sjoerd de Haan, S.D.; Zwetsloot, K. Real time simulation of a power system with VSG hardware in the Loop. In Proceedings of the IEEE IECON2011-37th Annual Conference of the IEEE Industrial Electronics Society, Melbourne, VIC, Australia, 7–10 November 2011; pp. 3748–3754. [Google Scholar]
- Chen, Y.; Hesse, R.; Turschner, D.; Beck, H.-P. Improving the grid power quality using virtual synchronous machines. In Proceedings of the 2011 International Conference on Power Engineering, Energy and Electrical Drives, Torremolinos, Spain, 11–13 May 2011; pp. 1–6. [Google Scholar]
- Hirase, Y.; Abe, K.; Sugimoto, K.; Shindo, Y. A grid connected inverter with virtual synchronous generator model of algebraic type. Electr. Eng. Jpn. 2013, 184, 10–21. [Google Scholar] [CrossRef]
- Sakimoto, K.; Miura, Y.; Ise, T. Stabilization of a power system with a distributed generator by a virtual synchronous generator function. In Proceedings of the IEEE 8th International Conference on Power Electronics and ECCE Asia (ICPE & ECCE), Jeju, Korea, 30 May–3 June 2011; pp. 1498–1505. [Google Scholar]
- Soni, N.; Doolla, S.; Chandorkar, M.C. Improvement of transient response in microgrids using virtual inertia. IEEE Trans. Power Deliv. 2013, 28, 1830–1838. [Google Scholar] [CrossRef]
- Liu, J.; Miura, Y.; Ise, T. Comparison of dynamic characteristics between virtual synchronous generator anddroop control in inverter-based distributed generation. IEEE Trans. Power Electron. 2016, 31, 3600–3611. [Google Scholar] [CrossRef]
- Haritha, M.S.; Nai, D.S. Review on Virtual Synchronous Generator (VSG) For Enhancing Performance Of Microgrid. In Proceedings of the 2018 International Conference on Power, Signals, Control and Computation (EPSCICON), Thrissur, India, 6–10 January 2018. [Google Scholar]
- Shi, K.; Haihan, Y.; Song, W.T.; Zhou, G.L. Virtual Inertia Control Strategy in Microgrid Based on Virtual Synchronous Generator Technology. IEEE Access 2018, 6, 27949–27957. [Google Scholar] [CrossRef]
- Liu, J.N.; Hossain, M.J.; Lu, J.W.; Rafi, F.H.M.; Li, H. A hybrid AC/DC microgrid control system based on a virtual synchronous generator for smooth transient performances. Electr. Power Syst. Res. 2018, 162, 169–182. [Google Scholar] [CrossRef]
- Shi, K.; Song, W.T.; Ge, H.L.; Xu, P.F.; Yongheng Yang, Y.H.; Blaabjerg, F. Transient Analysis of Microgrids With Parallel Synchronous Generators and Virtual Synchronous Generators. IEEE Trans. Energy Convers. 2020, 35, 95–105. [Google Scholar] [CrossRef]
- Zheng, T.; Chen, L.; Guo, Y.; Mei, S. Omprehensive control strategy of virtual synchronous generator under unbalanced voltage conditions. IET Gener. Transm. Distrib. 2018, 12, 1621–1630. [Google Scholar] [CrossRef]
- Liu, J.; Miura, Y.; Bevrani, H.; Ise, T. Enhanced Virtual Synchronous Generator Control for Parallel Inverters in Microgrids. IEEE Trans. Smart Grid 2017, 8, 2268–2277. [Google Scholar] [CrossRef]
- Nian, H.; Jiao, Y. Improved Virtual Synchronous Generator Control of DFIG to Ride-Through Symmetrical Voltage Fault. IEEE Trans. Energy Convers. 2020, 35, 672–683. [Google Scholar] [CrossRef]
- Nguyen, C.; Nguyen, T.; Yoo, H.; Kim, H. Improving Transient Response of Power Converter in a Stand-Alone Microgrid Using Virtual Synchronous Generator. Energies 2018, 11, 27. [Google Scholar] [CrossRef] [Green Version]
- Hirase, Y.; Abe, K.; Sugimoto, K.; Sakimoto, K.; Bevrani, H.; Ise, T. A novel control approach for virtual synchronous generators to suppress frequency and voltage fluctuations in microgrids. Appl. Energy 2018, 210, 699–710. [Google Scholar] [CrossRef]
- Magdy, G.; Bakeer, A.; Nour, M.; Petlenkov, E. A new virtual synchronous generator design based on the SMES system for frequency stability of low-inertia power grids. Energies 2020, 13, 5641. [Google Scholar] [CrossRef]
- Cheng, H.; Shuai, Z.; Shen, C.; Liu, X.; Li, Z.; Shen, J. Transient Angle Stability of Paralleled Synchronous and Virtual Synchronous Generators in Islanded Microgrid. IEEE Trans. Power Electron. 2020, 35, 8751–8765. [Google Scholar] [CrossRef]
- Zhao, H.; Qiang, Y.; Zeng, H. Multi-loop virtual synchronous generator control of inverter-based DGs under microgrid dynamics. IET Gener. Transm. Distrib. 2017, 11, 795–803. [Google Scholar] [CrossRef]
- Hu, H.; Fu, F.; Wang, T.; Wan, X.; Ding, X. Optimization Control Strategy for Islanded Parallel Virtual Synchronous Generators. Math. Probl. Eng. 2020, 2020, 8971213. [Google Scholar] [CrossRef]
- Yuan, C.; Xie, P.; Yang, D.; Xiao, X. Transient Stability Analysis of Islanded AC Microgrids with a Significant Share of Virtual Synchronous Generators. Energies 2018, 11, 44. [Google Scholar] [CrossRef] [Green Version]
- El Tawil, T.; Yao, G.; Charpentier, J.; Benbouzid, M. Design and analysis of a virtual synchronous generator control strategy in microgrid application for stand-alone sites. IET Gener. Transm. Distrib. 2019, 13, 2154–2161. [Google Scholar] [CrossRef]
- Li, L.; Li, H.; Tseng, M.; Feng, H.; Chiu, A. Renewable Energy System on Frequency Stability Control Strategy Using VirtualSynchronous Generator. Symmetry 2020, 12, 1697. [Google Scholar] [CrossRef]
- Fathi, A.; Shafiee, Q.; Bevrani, H. Robust Frequency Control of Microgrids Using an Extended Virtual Synchronous Generator. IEEE Trans. Power Syst. 2018, 33, 6289–6297. [Google Scholar] [CrossRef]
- Shi, R.; Zhang, X.; Hu, C.; Xu, H.; Gu, J.; Cao, W. Self-tuning virtual synchronous generator control for improving frequency stability in autonomous photovoltaic-diesel microgrids. J. Mod. Power Syst. Clean Energy 2018, 6, 482–494. [Google Scholar] [CrossRef] [Green Version]
- Cheng, D.; Xi, Z.; Lu, Q.; Mei, S. Geometrical structure and application of generalized controlled Hamiltonian systems. Sci. China 2000, 30, 341–355. [Google Scholar]
- Ortega, R.; Van der Schaft, A.; Mareels, I.; Maschke, B. Putting energy back in control. IEEE Control Syst. 2001, 21, 18–33. [Google Scholar]
- Ortega, R.; Van der Schaft, A.; Castanos, F.; Astolfi, A. Control by interconnection and standard passivity-basedcontrol of port-Hamiltonian systems. IEEE Trans. Autom. Control 2008, 53, 2527–2542. [Google Scholar] [CrossRef] [Green Version]
- Wang, Y.; Cheng, D.; Hong, Y. Stabilization of synchronous generators with the Hamiltonian function approach. Int. J. Syst. Sci. 2001, 32, 971–978. [Google Scholar] [CrossRef]
- Ma, Y.; Lin, Z.; Yu, R.; Zhao, S. Research on Improved VSG Control Algorithm Based on Capacity-Limited Energy Storage System. Energies 2018, 11, 677. [Google Scholar] [CrossRef] [Green Version]
- Li, S.; Wang, Y. Robust adaptive control of synchronous generators with SMES unit via Hamiltonian function method. Int. J. Syst. Sci. 2007, 38, 187–196. [Google Scholar] [CrossRef]
- Bevrani, H. Robust Power System Frequency Control; Springer: New York, NY, USA, 2009. [Google Scholar]
- Lee, G.; Gui, Y.; Kim, C.; Chung, C. Direct Power Control for Three Phase Grid Connected Inverter via Port-Controlled Hamiltonian Method. In Proceedings of the Conference of the IEEE Industrial Electronics Society, Yokohama, Japan, 9–12 November 2015. [Google Scholar]
- Zeng, Z.; Yang, H.; Zhao, R.; Song, C. A Novel Control Strategy for Grid-Connected Inverters With LC Filter Based on Passive Hamiltonian Theory. Power Syst. Technol. 2012, 36, 207–212. [Google Scholar]
- Matthews, R.; Weaver, W.; Robinett, R.; David, G.; Wilson, D. Hamiltonian methods of modeling and control of AC microgrids with spinning machines and inverters. Electr. Power Energy Syst. 2018, 98, 315–322. [Google Scholar] [CrossRef]
- Cupelli, M.; Gurumurthy, S.; Bhanderi, S.; Yang, Z.; Joebges, P.; Monti, A.; De Doncker, R. Port Controlled Hamiltonian Modeling andIDA-PBC Control of Dual Active Bridge Converters for DC Microgrids. IEEE Trans. Ind. Electron. 2019, 66, 9065–9075. [Google Scholar] [CrossRef]
- Qian, J.; Zeng, Y.; Zhang, L.; Xu, T. Analysis on equivalence between transfer function and equivalent circuit simulation in general Hamiltonian modeling. In Proceedings of the 2012 International Conference on Civil, Architectural and Hydraulic Engineering (ICCAHE 2012), Zhangjiajie, China, 10–12 August2012. [Google Scholar]
- Kunder, P. Power System Stability and Control; McFraw-Hill: New York, NY, USA, 1994. [Google Scholar]










Publisher’s Note: MDPI stays neutral with regard to jurisdictional claims in published maps and institutional affiliations. |
© 2021 by the authors. Licensee MDPI, Basel, Switzerland. This article is an open access article distributed under the terms and conditions of the Creative Commons Attribution (CC BY) license (https://creativecommons.org/licenses/by/4.0/).
Share and Cite
Zeng, Y.; Qian, J.; Yu, F.; Mei, H.; Yu, S. Damping Formation Mechanism and Damping Injection of Virtual Synchronous Generator Based on Generalized Hamiltonian Theory. Energies 2021, 14, 7082. https://doi.org/10.3390/en14217082
Zeng Y, Qian J, Yu F, Mei H, Yu S. Damping Formation Mechanism and Damping Injection of Virtual Synchronous Generator Based on Generalized Hamiltonian Theory. Energies. 2021; 14(21):7082. https://doi.org/10.3390/en14217082
Chicago/Turabian StyleZeng, Yun, Jing Qian, Fengrong Yu, Hong Mei, and Shige Yu. 2021. "Damping Formation Mechanism and Damping Injection of Virtual Synchronous Generator Based on Generalized Hamiltonian Theory" Energies 14, no. 21: 7082. https://doi.org/10.3390/en14217082
APA StyleZeng, Y., Qian, J., Yu, F., Mei, H., & Yu, S. (2021). Damping Formation Mechanism and Damping Injection of Virtual Synchronous Generator Based on Generalized Hamiltonian Theory. Energies, 14(21), 7082. https://doi.org/10.3390/en14217082

