A Power Control Method for Hybrid Electrical Accommodation Systems
Abstract
:1. Introduction
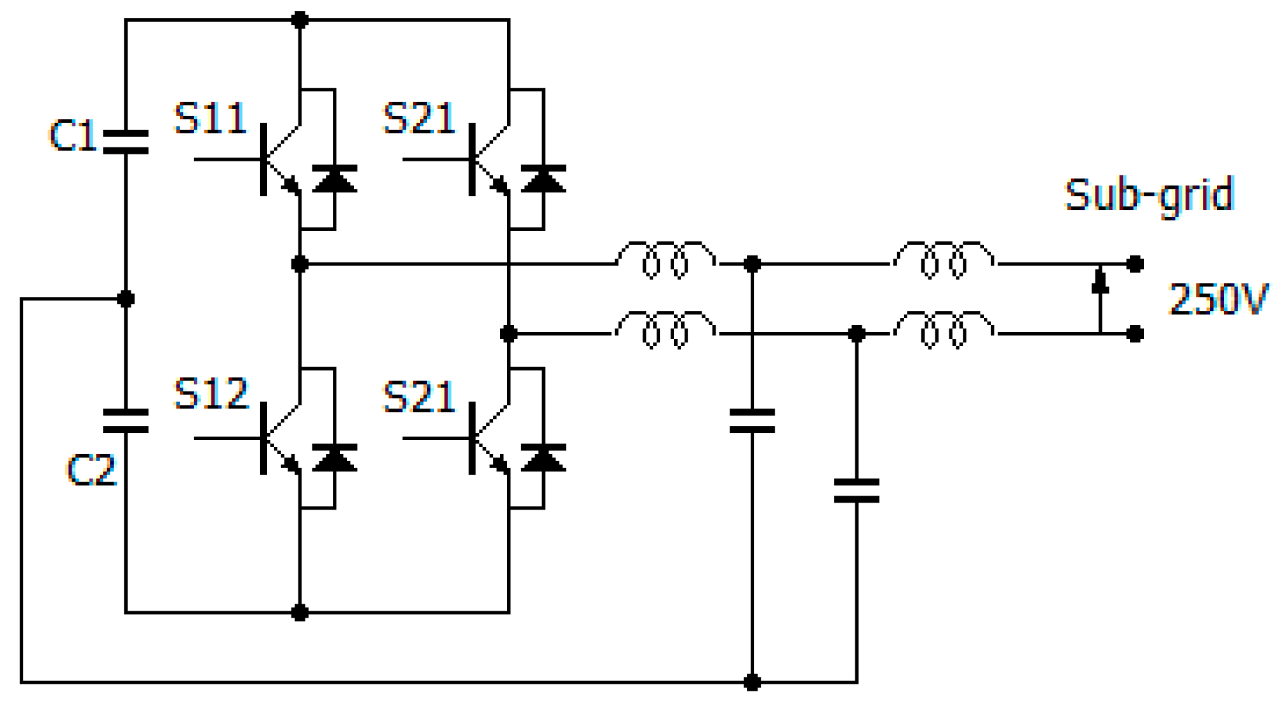
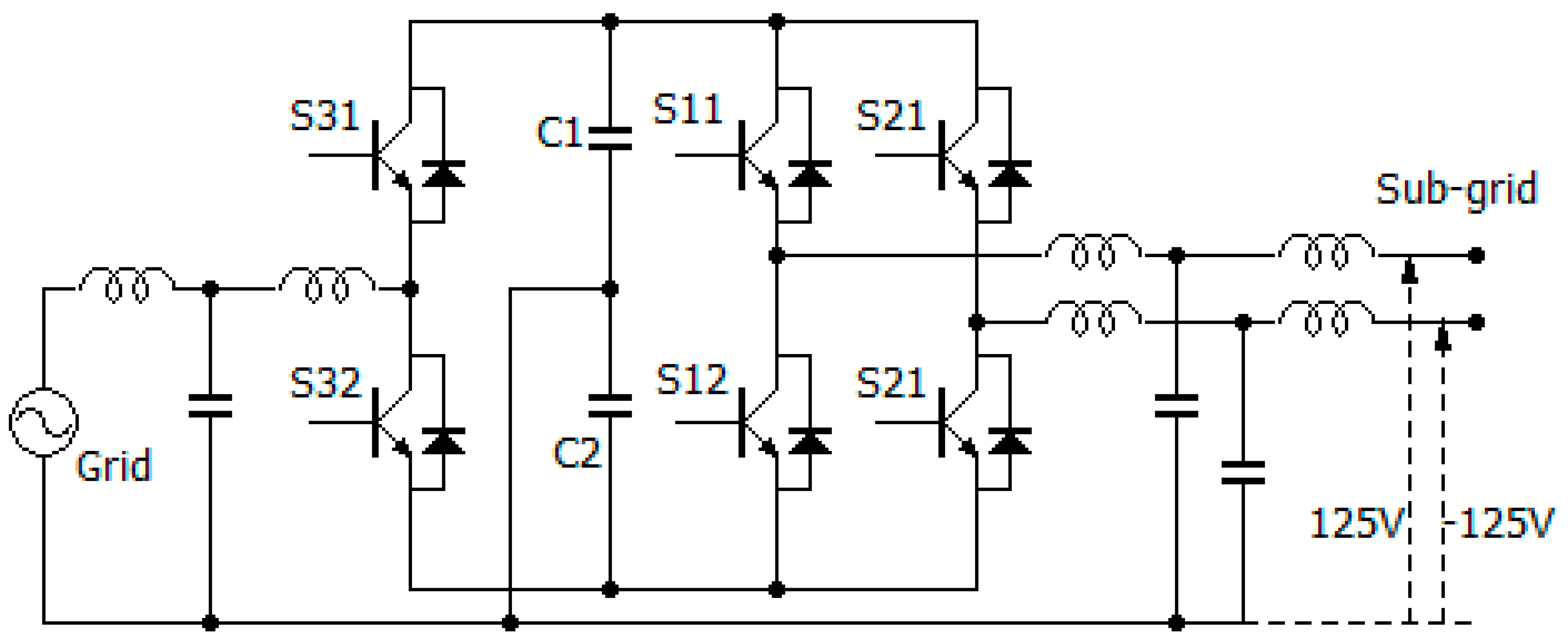
2. A hybrid Electrical Accommodation System
3. Adaptive Hysteresis Current Control for DC Sub-Grid-Connected Inverters
3.1. Adaptive Hysteresis Current Control
3.2. Reference Current Calculation for the DC Sub-Grid
4. Experimental Results
5. Conclusions
Funding
Acknowledgments
Conflicts of Interest
References
- Driesen, J.; Katiraei, F. Design for distributed energy resources. IEEE Power Energy Mag. 2008, 6, 30–40. [Google Scholar]
- Islam, P.S. Digital applications in implementation of smart grid. In Proceedings of the 2016 International Conference on Accessibility to Digital World (ICADW), Guwahati, India, 16–18 December 2016; pp. 3–7. [Google Scholar]
- Vadari, M.; Melton, R.; Schneider, K. Distribution Operations: The Evolution of Distributed Energy Resources [Guest Editorial]. IEEE Power Energy Mag. 2020, 18, 14–16. [Google Scholar] [CrossRef]
- Khayyer, P.; Özgüner, Ü. Decentralized Control of Large-Scale Storage-Based Renewable Energy Systems. IEEE Trans. Smart Grid 2014, 5, 1300–1307. [Google Scholar] [CrossRef]
- Hatziargyriou, N.; Asano, H.; Iravani, R.; Marnay, C. Microgrids. IEEE Power Energy Mag. 2007, 5, 78–94. [Google Scholar] [CrossRef]
- Zhou, Y.; Ho, C.N. A review on Microgrid architectures and control methods. In Proceedings of the 2016 IEEE 8th International Power Electronics and Motion Control Conference (IPEMC-ECCE Asia), Hefei, China, 22–26 May 2016; pp. 3149–3156. [Google Scholar]
- Hirsch, A.; Parag, Y.; Guerrero, J. Microgrids: A review of technologies, key drivers, and outstanding issues. Renew. Sustain. Energy Rev. 2018, 90, 402–411. [Google Scholar] [CrossRef]
- El Farrokhabadi, M. Microgrid Stability Definitions, Analysis, and Examples. IEEE Trans. Power Syst. 2019, 35, 13–29. [Google Scholar] [CrossRef]
- Grijalva, S.; Costley, M.; Ainsworth, N. Prosumer-based control architecture for the future electricity grid. In Proceedings of the 2011 IEEE International Conference on Control Applications (CCA), Denver, CO, USA, 28–30 September 2011; pp. 43–48. [Google Scholar]
- Zepter, J.M.; Lüth, A.; del Granado, P.C.; Egging, R. Prosumer integration in wholesale electricity markets: Synergies of peer-to-peer trade and residential storage. Energy Build. 2019, 184, 163–176. [Google Scholar] [CrossRef]
- Morstyn, T.; Farrell, N.; Darby, S.J.; McCulloch, M.D. Using peer-to-peer energy-trading platforms to incentivize prosumers to form federated power plants. Nat. Energy 2018, 3, 94–101. [Google Scholar] [CrossRef]
- Paudel, A.; Chaudhari, K.; Long, C.; Gooi, H.B. Peer-to-Peer Energy Trading in a Prosumer-Based Community Microgrid: A Game-Theoretic Model. IEEE Trans. Ind. Electron. 2019, 66, 6087–6097. [Google Scholar] [CrossRef]
- Tanaka, K.; Pellicciari, M.; Bil, C. A Proposal on an Electricity Trading Platform Using Blockchain. In Transdisciplinary Engineering Methods for Social Innovation of Industry 4.0; IOS Press: Amsterdam, The Netherlands, 2018; pp. 976–983. [Google Scholar]
- Loh, P.C.; Li, D.; Chai, Y.K.; Blaabjerg, F. Autonomous Operation of Hybrid Microgrid With AC and DC Subgrids. IEEE Trans. Power Electron. 2013, 28, 2214–2223. [Google Scholar] [CrossRef]
- Alsharif, S.A.; Loparo, K.A. Management of hybrid (AC-DC) micro-grids. In Proceedings of the 2013 IEEE Energytech, Cleveland, OH, USA, 21–23 May 2013; pp. 1–4. [Google Scholar]
- Adi, F.S.; Song, H.; Kim, J.-S. Interlink Converter Controller Design based on System Identification of DC Sub-Grid Model in Hybrid AC/DC Microgrid. IFAC-PapersOnLine 2019, 52, 45–50. [Google Scholar] [CrossRef]
- Gomis-Bellmunt, O.; Sanchez-Sanchez, E.; Arevalo-Soler, J.; Prieto-Araujo, E. Principles of operation of grids of DC and AC subgrids interconnected by power converters. IEEE Trans. Power Deliv. 2020, 36, 1107–1117. [Google Scholar] [CrossRef]
- Mohd, A.; Ortjohann, E.; Morton, D.; Omari, O. Review of control techniques for inverters parallel operation. Electr. Power Syst. Res. 2010, 80, 1477–1487. [Google Scholar] [CrossRef]
- Tayab, U.B.; Roslan, M.A.B.; Hwai, L.J.; Kashif, M. A review of droop control techniques for microgrid. Renew. Sustain. Energy Rev. 2017, 76, 717–727. [Google Scholar] [CrossRef]
- Kalke, D.; Suryawanshi, H.M.; Talapur, G.G.; Deshmukh, R.; Nachankar, P. Modified Droop and Master-Slave Control for Load Sharing in Multiple Standalone AC Microgrids. In Proceedings of the IECON 2019—45th Annual Conference of the IEEE Industrial Electronics Society, Lisbon, Portugal, 14–17 October 2019; Volume 1, pp. 1862–1867. [Google Scholar]
- Federico, I.; Jose, E.; Luis, F. Master–slave DC droop control for paralleling auxiliary DC/DC converters in electric bus applications. IET Power Electron. 2017, 10, 1156–1164. [Google Scholar] [CrossRef]
- Justo, J.J.; Mwasilu, F.; Lee, J.; Jung, J.-W. AC-microgrids versus DC-microgrids with distributed energy resources: A review. Renew. Sustain. Energy Rev. 2013, 24, 387–405. [Google Scholar] [CrossRef]
- Liu, X.; Wang, P.; Loh, P.C. A Hybrid AC/DC Microgrid and Its Coordination Control. IEEE Trans. Smart Grid 2011, 2, 278–286. [Google Scholar]
- Ansari, S.; Chandel, A.; Tariq, M. A Comprehensive Review on Power Converters Control and Control Strategies of AC/DC Microgrid. IEEE Access 2021, 9, 17998–18015. [Google Scholar] [CrossRef]
- Wang, P.; Jin, C.; Zhu, D.; Tang, Y.; Loh, P.C.; Choo, F.H. Distributed Control for Autonomous Operation of a Three-Port AC/DC/DS Hybrid Microgrid. IEEE Trans. Ind. Electron. 2015, 62, 1279–1290. [Google Scholar] [CrossRef]
- Nguyen-Van, T.; Abe, R.; Tanaka, K. An Electrical Accommodation in Digital Grid System Using DC Sub-grid. In Proceedings of the 2019 IEEE International Conference on Consumer Electronics—Taiwan (ICCE-TW), Yilan, Taiwan, 20–22 May 2019; pp. 1–2. [Google Scholar]
- Nguyen-Van, T.; Abe, R.; Tanaka, K. Digital Adaptive Hysteresis Current Control for Multi-Functional Inverters. Energies 2018, 11, 2422. [Google Scholar] [CrossRef] [Green Version]
- Nguyen-Van, T.; Abe, R.; Tanaka, K. A Digital Hysteresis Current Control for Half-Bridge Inverters with Constrained Switching Frequency. Energies 2017, 10, 1610. [Google Scholar] [CrossRef] [Green Version]
- Rodriguez, J.; Lai, J.; Peng, F.Z. Multilevel Inverters: A survey of Topologies, Controls and Applications. IEEE Trans. Ind. Electron. 2002, 49, 724–738. [Google Scholar] [CrossRef] [Green Version]













Publisher’s Note: MDPI stays neutral with regard to jurisdictional claims in published maps and institutional affiliations. |
© 2021 by the author. Licensee MDPI, Basel, Switzerland. This article is an open access article distributed under the terms and conditions of the Creative Commons Attribution (CC BY) license (https://creativecommons.org/licenses/by/4.0/).
Share and Cite
Nguyen-Van, T. A Power Control Method for Hybrid Electrical Accommodation Systems. Energies 2021, 14, 6681. https://doi.org/10.3390/en14206681
Nguyen-Van T. A Power Control Method for Hybrid Electrical Accommodation Systems. Energies. 2021; 14(20):6681. https://doi.org/10.3390/en14206681
Chicago/Turabian StyleNguyen-Van, Triet. 2021. "A Power Control Method for Hybrid Electrical Accommodation Systems" Energies 14, no. 20: 6681. https://doi.org/10.3390/en14206681
APA StyleNguyen-Van, T. (2021). A Power Control Method for Hybrid Electrical Accommodation Systems. Energies, 14(20), 6681. https://doi.org/10.3390/en14206681
