Modelling to Lower Energy Consumption in a Large WWTP in China While Optimising Nitrogen Removal
Abstract
:1. Introduction
1.1. Energy Consumption and Energy Efficiency in WWTP
1.2. Overview of the Wastewater Situation in China
1.3. Modelling as a Tool for Operational Optimisation and Energy Efficiency
2. Materials and Methods
2.1. Wastewater Treatment Plant Description
2.2. Energy Check and Analysis
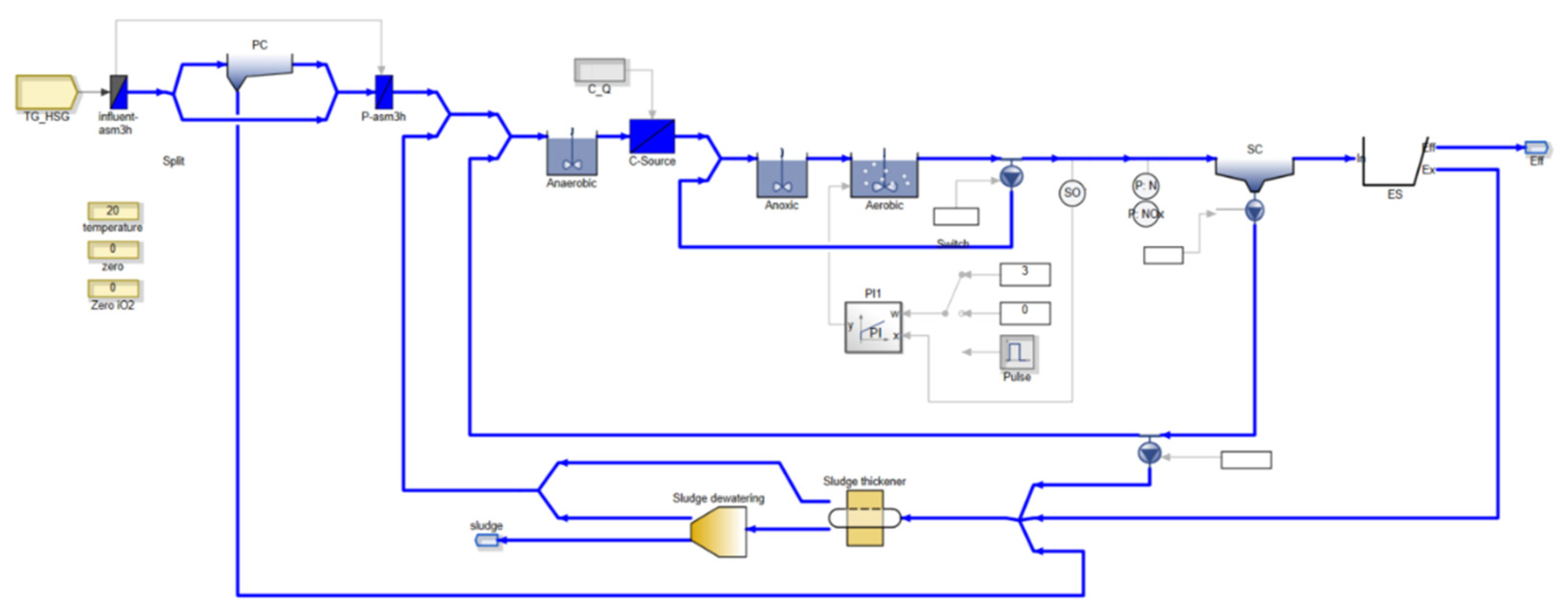
2.3. Simulation Model
2.3.1. Pre Simulation
- Distribution of COD in the influent (COD fractionation) over:
- ○
- Fraction TSS to COD
- ○
- Fraction of non-volatile TSS (fB)
- ○
- Fraction of inert soluble COD (fS)
- ○
- Fraction of inert COD from particulate COD (fA)
- Internal flows of sludge and mixed liquor
- Air flow to the aerobic zone
- Oxygen set point for the aeration controller
- Sludge retention time
- Modification of the reactors hydraulic (one reactor per zone (Anaerobic, anoxic, aerobic), or three per zone)
2.3.2. Model Calibration
2.3.3. Model Validation
3. Results
3.1. Energy Consumption and Savings Potential
3.1.1. Blowers
3.1.2. Agitators
3.1.3. Recirculation
3.2. Model Fit and Validation
3.2.1. Pre-Simulation
3.2.2. Model Fit
3.3. Optimisation Strategies for Energy Efficient Nitrogen Removal
3.3.1. Partial or Total By-Pass of Primary Settling Tanks
3.3.2. Increase of the Denitrification Volume
3.3.3. Modification of the Dissolved Oxygen Set Point
3.3.4. NH4-N-Based Aeration Control
3.3.5. Intermittent Aeration
3.3.6. Combination of Strategies
3.4. Comparison of the Different Strategies
3.5. Estimated Energy Consumption
3.5.1. Aeration Requirements
3.5.2. Combination of Energy Saving of Aeration and Further Equipment
4. Conclusions
Author Contributions
Funding
Institutional Review Board Statement
Informed Consent Statement
Data Availability Statement
Acknowledgments
Conflicts of Interest
References
- Zhang, M.; Ma, Y. Energy use and challenges in current wastewater treatment plants. In A-B Processes: Towards Energy Self-Sufficient Municipal Wastewater Treatment; Liu, Y., Gu, J., Zhang, M., Eds.; IWA Publishing: Lodon, UK, 2020; pp. 1–28. ISBN 9781789060089. [Google Scholar]
- Haslinger, J.; Lindtner, S.; Krampe, J. Operating costs and energy demand of wastewater treatment plants in Austria: Benchmarking results of the last 10 years. Water Sci. Technol. 2016, 74, 2620–2626. [Google Scholar] [CrossRef]
- von Sperling, M. Urban Wastewater Treatment in Brazil: Technical Note Nº IDB-TN-970; Water and Sanitation Division: Sao Paulo, Brazil, 2016; Available online: https://publications.iadb.org/publications/english/document/Urban-Wastewater-Treatment-in-Brazil.pdf (accessed on 9 July 2021).
- Limaye, D.R.; Jaywant, S. Development of Indicators from the World Bank IBNET Database, 2019. Available online: http://www.indiaenvironmentportal.org.in/files/file/Mainstreaming-Energy-Efficiency-Investments-in-Urban-Water-and-Wastewater-Utilities.pdf (accessed on 6 July 2021).
- Capodaglio, A.; Olsson, G. Energy issues in sustainable urban wastewater management: Use, demand reduction and recovery in the urban water cycle. Sustainability 2020, 12, 266. [Google Scholar] [CrossRef] [Green Version]
- Ganora, D.; Hospido, A.; Husemann, J.; Krampe, J.; Loderer, C.; Longo, S.; Moragas Bouyat, L.; Obermaier, N.; Piraccini, E.; Stanev, S.; et al. Opportunities to improve energy use in urban wastewater treatment: A European-scale analysis. Environ. Res. Lett. 2019, 14, 44028. [Google Scholar] [CrossRef]
- Gu, Y.; Li, Y.; Li, X.; Luo, P.; Wang, H.; Wang, X.; Wu, J.; Li, F. Energy self-sufficient wastewater treatment plants: Feasibilities and challenges. Energy Procedia 2017, 105, 3741–3751. [Google Scholar] [CrossRef]
- Zhang, Q.H.; Yang, W.N.; Ngo, H.H.; Guo, W.S.; Jin, P.K.; Dzakpasu, M.; Yang, S.J.; Wang, Q.; Wang, X.C.; Ao, D. Current status of urban wastewater treatment plants in China. Environ. Int. 2016, 92–93, 11–22. [Google Scholar] [CrossRef]
- He, Y.; Zhu, Y.; Chen, J.; Huang, M.; Wang, P.; Wang, G.; Zou, W.; Zhou, G. Assessment of energy consumption of municipal wastewater treatment plants in China. J. Clean. Prod. 2019, 228, 399–404. [Google Scholar] [CrossRef]
- UBA. Energieeffizienz Kommunaler Kläranlage; Umweltbundesamt: Dessau-Roßlau, Germany, 2009; Available online: https://www.umweltbundesamt.de/sites/default/files/medien/publikation/long/3855.pdf (accessed on 4 April 2020).
- Siatou, A.; Manali, A.; Gikas, P. Energy consumption and internal distribution in activated sludge wastewater treatment plants of Greece. Water 2020, 12, 1204. [Google Scholar] [CrossRef]
- Mizuta, K.; Shimada, M. Benchmarking energy consumption in municipal wastewater treatment plants in Japan. Water Sci. Technol. 2010, 62, 2256–2262. [Google Scholar] [CrossRef]
- Pabi, S.; Amarnath, A.; Goldstein, R.; Reekie, L. Electricity Use and Management in the Municipal Water Supply and Wastewater Industries; Water Research Foundation: Denver, CO, USA, 2013; Available online: https://www.sciencetheearth.com/uploads/2/4/6/5/24658156/electricity_use_and_management_in_the_municipal_water_supply_and_wastewater_industries.pdf (accessed on 7 July 2021).
- Clos, I.; Krampe, J.; Alvarez-Gaitan, J.P.; Saint, C.P.; Short, M.D. Energy benchmarking as a tool for energy-efficient wastewater treatment: Reviewing international applications. Water Conserv. Sci. Eng. 2020, 5, 115–136. [Google Scholar] [CrossRef]
- Ranieri, E.; Giuliano, S.; Ranieri, A.C. Energy consumption in anaerobic and aerobic based wastewater treatment plants in Italy. Water Pract. Technol. 2021, 16, 851–863. [Google Scholar] [CrossRef]
- Wagner, M.; Stenstrom, M.K. Aeration and mixing. In Activated Sludge—100 Years and Counting; Jenkins, D., Wanner, J., Eds.; IWA Publishing: London, UK, 2014; ISBN 9781780404936. [Google Scholar]
- Zettl, U. Die gestaltung des belüftungssystems für eine belebungsstufe—Eine komplexe aufgabe. In Siedlungswasserwirtschaft ‘from K’Town to KOSMOS’: Festschrift zur Verabschiedung von Prof. Dr.-Ing. Theo G. Schmitt; Steinmetz, H., Ed.; Technische Universität Kaiserslautern, Institut Wasser Infrastruktur Ressourcen: Kaiserslautern, Germnay, 2019; pp. 103–122. ISBN 978-3-95974-104-0. [Google Scholar]
- Åmand, L.; Carlsson, B. Parameter scheduling in ammonium feedback control. In Proceedings of the 11th IWA Conference on Instrumentation Control and Automation—ICA2013, Narbonne, France, 18–20 September 2013; IWA, Ed.; IWA: London, UK, 2013. [Google Scholar]
- Wiese, J. Transparente Prozessüberwachung von Biogasanlagen und Kläranlagen durch Einsatz Moderner Mess- und Automationstechnik. Habilitation Thesis, Helmut-Schmidt-Universität/Universität der Bundeswehr Hamburg, Hamburg, Germany, 2014. [Google Scholar]
- Steinmetz, H.; Wiese, J. Instrumentation, control and automation for full-scale sequencing batch reactor plants. Water Pract. Technol. 2006, 1, wpt2006076. [Google Scholar] [CrossRef] [Green Version]
- Olsson, G.; Carlsson, B.; Comas, J.; Copp, J.; Gernaey, K.V.; Ingildsen, P.; Jeppsson, U.; Kim, C.; Rieger, L.; Rodríguez-Roda, I.; et al. Instrumentation, control and automation in wastewater—From London 1973 to Narbonne 2013. Water Sci. Technol. 2014, 69, 1373–1385. [Google Scholar] [CrossRef] [PubMed]
- Li, W.-W.; Sheng, G.-P.; Zeng, R.J.; Liu, X.-W.; Yu, H.-Q. China’s wastewater discharge standards in urbanization: Evolution, challenges and implications. Environ. Sci. Pollut. Res. Int. 2012, 19, 1422–1431. [Google Scholar] [CrossRef] [PubMed]
- World Bank. The World Bank in China: Overview. Available online: http://www.worldbank.org/en/country/china/overview (accessed on 15 April 2021).
- Linster, M.; Yang, C. China’s Progress Towards Green Growth: An International Perspective: OECD Green Growth Papers; No. 2018/05; OECD: Paris, France, 2018. [Google Scholar]
- Liu, H.; Liu, J.; You, X. Q&A: What does China’s 14th ‘five year plan’ mean for climate change? In Proceedings of the Fourth Session of the 13th National Peoples Congress, Bejing, China, 12 March 2021. [Google Scholar]
- Ministry of Ecology and Environment of the People’s Republic of China. Chinese Discharge Standard of Pollutants for Municipal Wastewater Treatment Plant (GB 18918–2002); Ministry of Ecology and Environment of the People’s Republic of China: Beijing, China, 2002.
- Lu, J.-Y.; Wang, X.-M.; Liu, H.-Q.; Yu, H.-Q.; Li, W.-W. Optimizing operation of municipal wastewater treatment plants in China: The remaining barriers and future implications. Environ. Int. 2019, 129, 273–278. [Google Scholar] [CrossRef]
- Ministry of Housing and Urban-Rural Development. China Statistical Yearbook 2017 on Urban and Rural Construction, 2019. Available online: http://www.mohurd.gov.cn/xytj/tjzljsxytjgb/ (accessed on 10 March 2020).
- Jin, L.; Zhang, G.; Tian, H. Current state of sewage treatment in China. Water Res. 2014, 66, 85–98. [Google Scholar] [CrossRef]
- Zeng, S.; Chen, X.; Dong, X.; Liu, Y. Efficiency assessment of urban wastewater treatment plants in China: Considering greenhouse gas emissions. Resour. Conserv. Recycl. 2017, 120, 157–165. [Google Scholar] [CrossRef]
- Henze, M. Activated Sludge Models ASM1, ASM2, ASM2d and ASM3; IWA Publishing: London, UK, 2000; ISBN 9781780402369. [Google Scholar]
- Calise, F.; Eicker, U.; Schumacher, J.; Vicidomini, M. Wastewater treatment plant: Modelling and validation of an activated sludge process. Energies 2020, 13, 3925. [Google Scholar] [CrossRef]
- Alikhani, J.; Takacs, I.; Al-Omari, A.; Murthy, S.; Massoudieh, A. Evaluation of the information content of long-term wastewater characteristics data in relation to activated sludge model parameters. Water Sci. Technol. 2017, 75, 1370–1389. [Google Scholar] [CrossRef]
- Hernández-del-Olmo, F.; Gaudioso, E.; Dormido, R.; Duro, N. Energy and environmental efficiency for the N-ammonia removal process in wastewater treatment plants by means of reinforcement learning. Energies 2016, 9, 755. [Google Scholar] [CrossRef] [Green Version]
- Gazsó, Z.; Házi, F.; Kenyeres, I.; Váci, L. Full-scale wastewater treatment plant simulation for real-time optimization. Water Pract. Technol. 2017, 12, 848–856. [Google Scholar] [CrossRef]
- Langergraber, G.; Rieger, L.; Winkler, S.; Alex, J.; Wiese, J.; Owerdieck, C.; Ahnert, M.; Simon, J.; Maurer, M. A guideline for simulation studies of wastewater treatment plants. Water Sci. Technol. 2004, 50, 131–138. [Google Scholar] [CrossRef] [PubMed]
- IFAK. Simba#Water. Available online: https://www.ifak.eu/en/products/simba-water (accessed on 21 June 2021).
- HSGSim. Integrierte Modellierung von Kanalnetz, Kläranlage und Gewässer: HSG-Leitfaden der Arbeitsgruppe Integrierte Modellierung. Available online: http://www.hsgsim.org (accessed on 21 June 2021).
- Ahnert, M.; Alex, J.; Dürrenmatt, D.; Langergraber, G.; Hobus, I.; Schmuck, S.; Spering, V. Dynamische simulation als bestandteil einer kläranlagenbemessung nach DWA-A131: Praxisanwendung des ASM3_A131 und fallbeispiele. Kommunale Abwasserbehandl. 2015, 7, 615–624. [Google Scholar] [CrossRef]
- Torregrossa, D.; Hansen, J. SK-DSSy: How to integrate the youtube platform in a cooperative decision support? In Decision Support Systems VIII: Sustainable Data-Driven and Evidence-Based Decision Support; Dargam, F., Delias, P., Linden, I., Mareschal, B., Eds.; Springer International Publishing: Cham, Switzerland, 2018; pp. 145–156. ISBN 978-3-319-90314-9. [Google Scholar]
- IFAK. Modellierung von Kläranlagen: Grundlagen-Schulung zur Dynamischen Simulation Mit SIMBA; IFAK: Magdeburg, Germany, 2018. [Google Scholar]
- Wang, X.; Katopodes, N.; Shen, C.; Wang, H.; Pang, Y.; Zhou, Q. Control of pollutants in the trans-boundary area of Taihu Basin, Yangtze Delta. Int. J. Environ. Res. Public Health 2016, 13, 1253. [Google Scholar] [CrossRef] [Green Version]
- DWA. Bemessung von Einstufigen Belebungsanlagen; Deutsche Vereinigung für Wasserwirtschaft Abwasser und Abfall: Hennef, Germany, 2016; ISBN 978-3-88721-332-9. [Google Scholar]
- DWA. Arbeitsblatt Energiecheck und Energieanalyse: Instrumente zur Energieoptimierung von Abwasseranlagen; DWA: Hennef, Germany, 2015; ISBN 978-3-88721-276-6. [Google Scholar]
- DWA. Systeme zur Belüftung und Durchmischung von Belebungsanlagen; Deutsche Vereinigung für Wasserwirtschaft Abwasser und Abfall: Hennef, Germany, 2017; ISBN 978-3-88721-513-2. [Google Scholar]
- Alex, J.; Ahnert, M.; Dürrenmatt, D.; Langergraber, G.; Hobus, I.; Schmuck, S.; Spering, V. Voraussetzungen für eine dynamische simulation als bestandteil einer kläranlagenbemessung nach DWA-A 131. Kommunale Abwasserbehandl. 2015, 5, 436–446. [Google Scholar]
- Sin, G.; van Hulle, S.W.H.; de Pauw, D.J.W.; van Griensven, A.; Vanrolleghem, P.A. A critical comparison of systematic calibration protocols for activated sludge models: A SWOT analysis. Water Res. 2005, 39, 2459–2474. [Google Scholar] [CrossRef]
- van Veldhuizen, H.; van Loosdrecht, M.; Heijnen, J. Modelling biological phosphorus and nitrogen removal in a full scale activated sludge process. Water Res. 1999, 33, 3459–3468. [Google Scholar] [CrossRef]
- Tchobanoglous, G. Wastewater Engineering: Treatment and Resource Recovery, 5th ed.; McGraw-Hill: New York, NY, USA, 2014; ISBN 1259250938. [Google Scholar]
- Li, Z.; Zhao, L.; Zhu, H.; Song, X.; Wang, J. Analysis of construction and operation status and existing problems of municipal wastewater treatment plants in China. Water Wastewater Eng. 2018, 44, 52–57. [Google Scholar]
- Pinnekamp, J.; Schröder, M.; Bolle, F.-W.; Gramlich, E.; Gredigk-Hoffmann, S.; Koenen, S.; Loderhose, M.; Miethig, S.; Ooms, K. Energie und Abwasser Handbuch NRW; Ministerium für Umwelt, lnadwirtschaft, Natur- und Verbraucherschutz des Landes NRW: Düsseldorf, Germany, 2017. [Google Scholar]
- Lozano Avilés, A.B.; Del Cerro Velázquez, F.; Del Llorens Pascual Riquelme, M. Methodology for energy optimization in wastewater treatment plants. Phase I: Control of the best operating conditions. Sustainability 2019, 11, 3919. [Google Scholar] [CrossRef] [Green Version]
- Borzooei, S.; Amerlinck, Y.; Panepinto, D.; Abolfathi, S.; Nopens, I.; Scibilia, G.; Meucci, L.; Zanetti, M.C. Energy optimization of a wastewater treatment plant based on energy audit data: Small investment with high return. Environ. Sci. Pollut. Res. Int. 2020, 27, 17972–17985. [Google Scholar] [CrossRef]
- Zvimba, J.N.; Musvoto, E.V. Modelling energy efficiency and generation potential in the South African wastewater services sector. Water Sci. Technol. 2020, 81, 876–890. [Google Scholar] [CrossRef] [Green Version]











| Grade | Concentration in mg/L (24 h Composite Sample) | Application | |||||
|---|---|---|---|---|---|---|---|
| COD | BOD5 | SS | NH4-N | TN | TP | ||
| CS | 30 | 10 | 10 | 1.5 (3) | 10 | 0.3 | Local regulation |
| Grade I-A | 50 | 10 | 10 | 5 (8) | 15 | 0.5 | for water discharged by WWTP for reuse |
| Grade I-B | 60 | 20 | 20 | 8 (15) | 20 | 1 | for WWTP discharging wastewater into surface water classified as Grade III according to GB 3838-2002 |
| Grade II | 100 | 30 | 30 | 25 (30) | - | 3 | for WWTP discharging wastewater into surface water classified as Grade IV–V |
| Grade III | 120 | 60 | 50 | - | - | 5 | for WWTP with only mechanical treatment and potential expansion |
| HRT in PST with Dry Weather Flow, h | COD/TN |
|---|---|
| 0 (Raw wastewater) | 10.9:1 |
| 0.5–1.0 | 5.0:1 |
| 1.0–1.5 | 4.5:1 |
| >1.5 | 4.0:1 |
| Parameter | Value | Unit | Reference |
|---|---|---|---|
| SSOTE | 8 | %/m | DWA-M 229-1 [45] |
| SAE | 4.2 | kg O2/kWh | DWA-M 229-1 [45] |
| t | 24 | h | - |
| hD | 4 | m | - |
| Influent COD Fractionation and Parameters | Formula | Selected Value | |
|---|---|---|---|
| Fraction TSS to COD | CTSS/CCOD | Equation (3) | 0.475 |
| Fraction of non-volatile TSS (fB) | XI,TSS/XTSS | Equation (4) | 0.3 |
| Fraction of inert soluble COD (fS) | SI,COD/CCOD | Equation (5) | 0.05 |
| Fraction of inert COD from particulate COD (fA) | XI,COD/XCOD | Equation (6) | 0.3 |
| Aeration System | Energy Consumption | |
|---|---|---|
| kWh/a | kWh/(PE·a) | |
| Blowers | 7,670,400 | 17.05 |
| Mixers | 1,445,400 | 3.21 |
| Recirculation | 803,800 | 1.79 |
| Sludge recirculation | 963,600 | 2.14 |
| Strategy Description | Scenario | ||||||||||
|---|---|---|---|---|---|---|---|---|---|---|---|
| Base | S1 | S2 | S3 | S4 | S5 | S6 | C1 | C2 | C3 | ||
| Primary settling tanks (PST) | Bypass of half of the PST | ||||||||||
| DO set point | DO = 2 mg/L | ||||||||||
| DO = 3 mg/L | |||||||||||
| VD/VAT | Reduction of aerated volume to increase anoxic volume (VD = 0.25) | ||||||||||
| Use of the by-passed PC as anoxic tanks | |||||||||||
| Aeration control based on the NH4-N effluent values | w/o DO limit | ||||||||||
| w/DO limit | |||||||||||
| Intermittent denitrification | time based | ||||||||||
| NH4-based | |||||||||||
| Scenario | Usage of PST as VD | VD/VAT | VN/VAT | Intermittent Denitrification | Aeration Energy | Energy Consumption PST | Energy Consumption Mixing | Total Energy Reduction |
|---|---|---|---|---|---|---|---|---|
| Base | - | 17% | 67% | No | 100% | - | 100% | 0% |
| C1 | - | 25% | 58% | No | 100% | 50% | 100% | 0% |
| 30% | 12% | |||||||
| C2 | yes | 19% | 65% | yes in VN | 76% | 50% | 100% | 14% |
| 30% | 26% | |||||||
| C3 | - | 25% | 58% | yes in VN | 76% | 50% | 100% | 15% |
| 30% | 26% |
Publisher’s Note: MDPI stays neutral with regard to jurisdictional claims in published maps and institutional affiliations. |
© 2021 by the authors. Licensee MDPI, Basel, Switzerland. This article is an open access article distributed under the terms and conditions of the Creative Commons Attribution (CC BY) license (https://creativecommons.org/licenses/by/4.0/).
Share and Cite
Vergara-Araya, M.; Hilgenfeldt, V.; Peng, D.; Steinmetz, H.; Wiese, J. Modelling to Lower Energy Consumption in a Large WWTP in China While Optimising Nitrogen Removal. Energies 2021, 14, 5826. https://doi.org/10.3390/en14185826
Vergara-Araya M, Hilgenfeldt V, Peng D, Steinmetz H, Wiese J. Modelling to Lower Energy Consumption in a Large WWTP in China While Optimising Nitrogen Removal. Energies. 2021; 14(18):5826. https://doi.org/10.3390/en14185826
Chicago/Turabian StyleVergara-Araya, Mónica, Verena Hilgenfeldt, Di Peng, Heidrun Steinmetz, and Jürgen Wiese. 2021. "Modelling to Lower Energy Consumption in a Large WWTP in China While Optimising Nitrogen Removal" Energies 14, no. 18: 5826. https://doi.org/10.3390/en14185826
APA StyleVergara-Araya, M., Hilgenfeldt, V., Peng, D., Steinmetz, H., & Wiese, J. (2021). Modelling to Lower Energy Consumption in a Large WWTP in China While Optimising Nitrogen Removal. Energies, 14(18), 5826. https://doi.org/10.3390/en14185826

