Operation Method of a Load Test Device Using an Energy Storage System for Site Acceptance Test of a Fire-Fighting Emergency Generator
Abstract
:1. Introduction
2. Operation Characteristics of Field Load Test for Fire-Fighting Emergency Generator
2.1. Problems of the Field Load Test for Emergency Generator
2.2. Operation Characteristics of Field Load Test for Emergency Generator
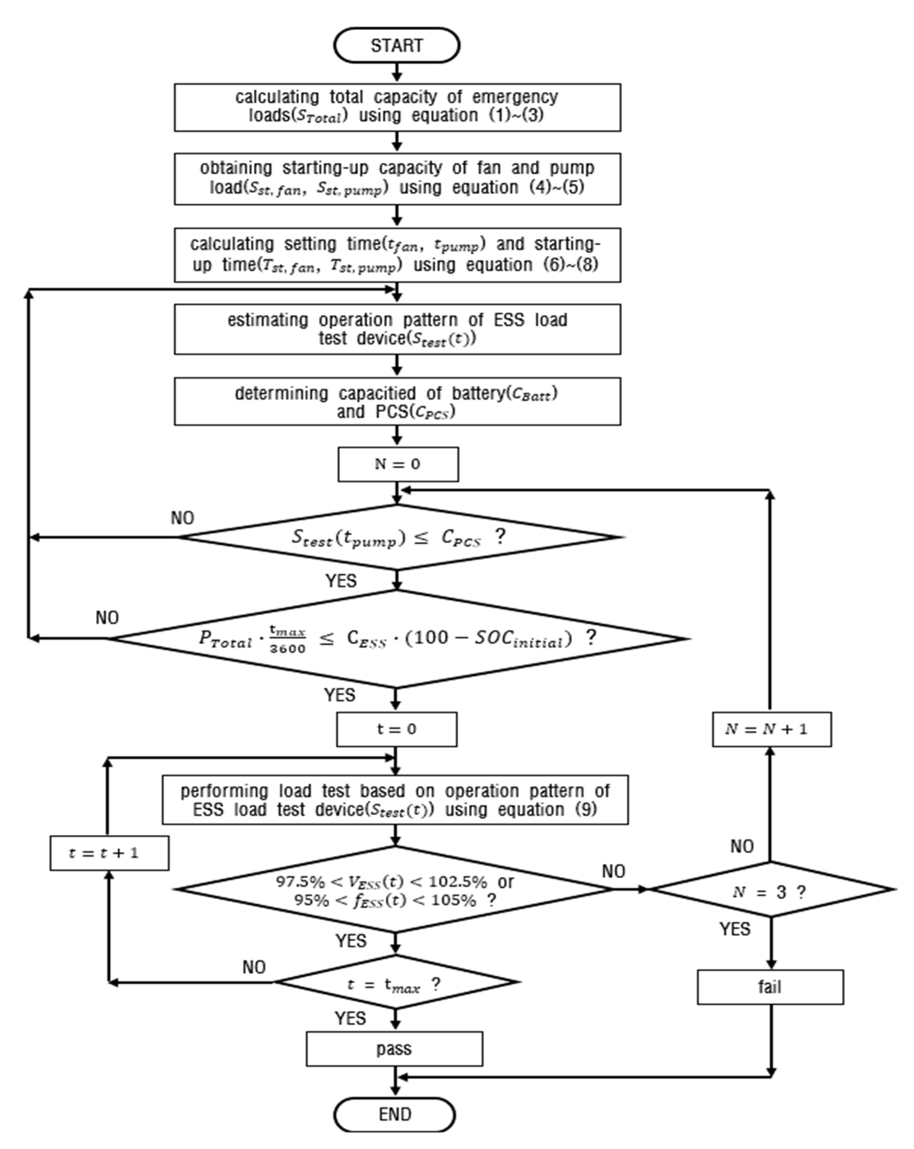
3. Operation Algorithm of Load Test Device Using ESS for Fire-Fighting Emergency Generator
3.1. Operation Characteristics of Field Load Test for Emergency Generator
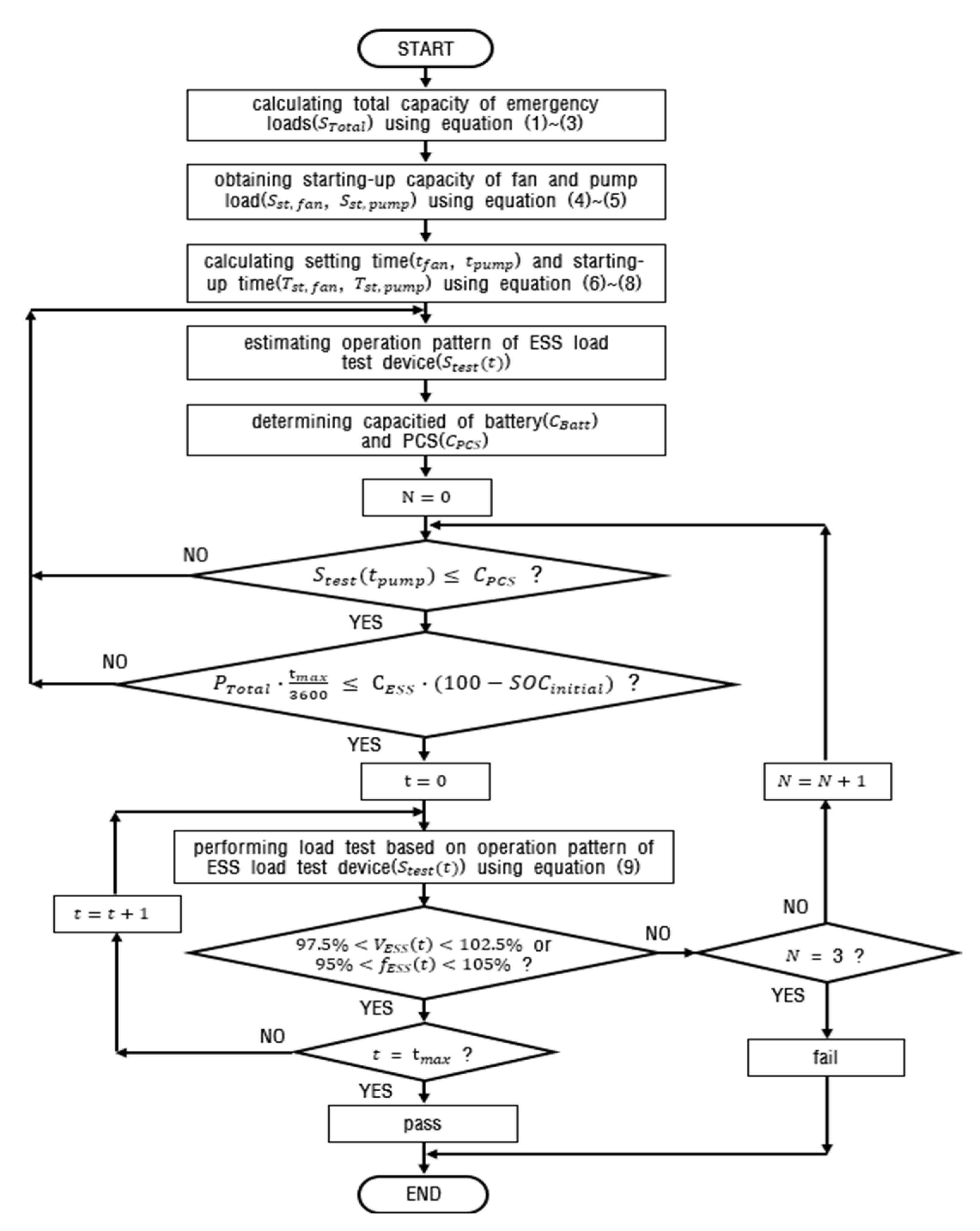
3.2. Operation Algorithm of Load Test Device Using ESS
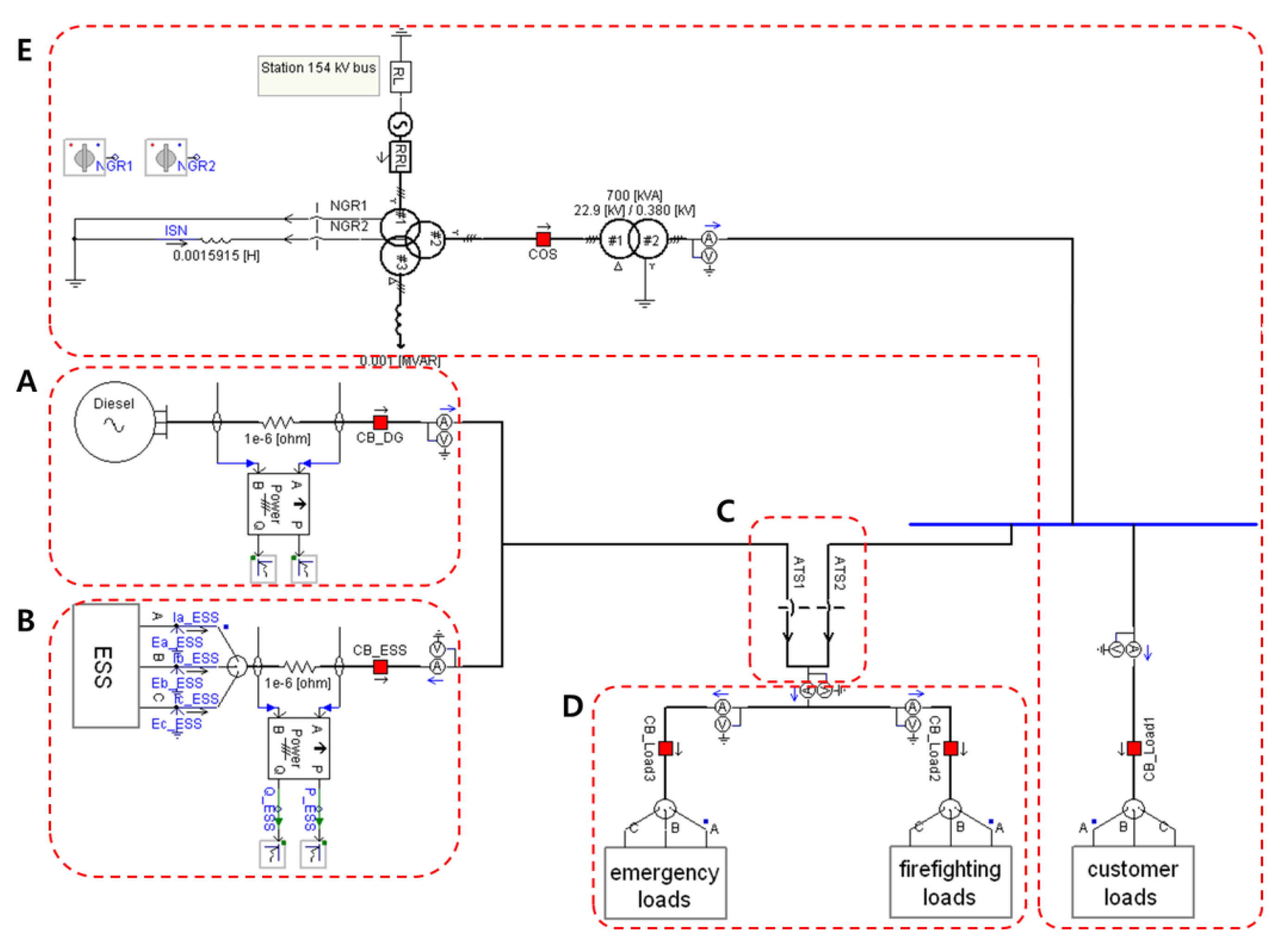
4. Modeling of a Load Test Device Using ESS Based on PSCAD/EMTDC
4.1. Operation Characteristics of Field Load Test for an Emergency Generator
4.2. Modeling of Emergency Load
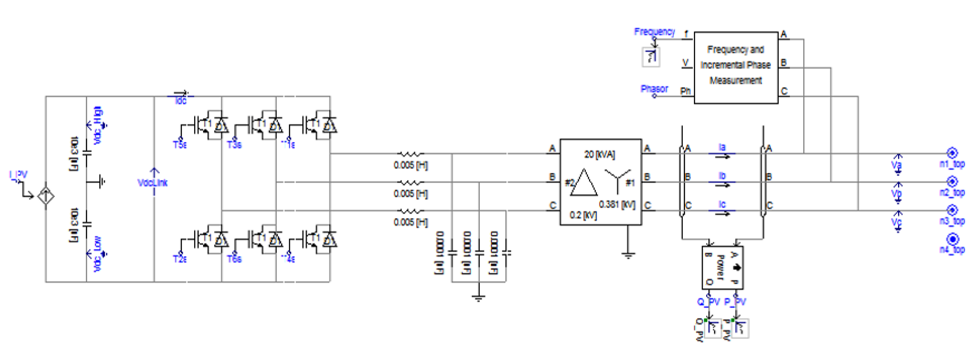
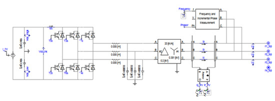
4.3. Modeling of the Load Test Device Using ESS
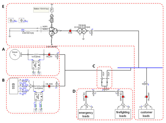
4.4. Entire Modeling of the Emergency Power System
5. Case Studies
5.1. Simulation Conditions
5.2. Characteristics of the Load Test Device Using ESS
5.3. Comparison Results
6. Conclusions
- (1)
- The simulation results of the emergency power system using PSCAD/EMTDC modeling show that the emergency load test characteristics of the emergency generator are almost identical to the load test characteristics of the ESS load test device. Therefore, the ESS load test device proposed in this paper is useful, because the performance of the generator can be checked in the same way as using the actual emergency load without shutting down the power supply.
- (2)
- When an ESS for load test of the fire-fighting emergency generator consistent with fire-fighting load capacity and characteristics is developed and distributed, it is possible to check and take measures in advance for operation faults and stopping of the emergency generator through the load operation test in the field. Therefore, it can greatly contribute to the improvement of the reliability of fire-fighting emergency power.
- (3)
- When the mobile ESS for load test plan is developed and distributed in the future, it is expected that the ESS should be able to provide complementary win–win business models, such as discharging the power charged to the ESS during emergency generator testing and selling it to an electric power company, or selling or leasing the ESS load test device to industries related to fire-fighting facility inspection.
Author Contributions
Funding
Acknowledgments
Conflicts of Interest
References
- National Fire Agency. Act on Fire Prevention and Installation, Maintenance, and Safety Control of Fire-Fighting Systems; Article 25: In-House Inspection, etc. on Fire-Fighting Systems, etc. Available online: https://elaw.klri.re.kr/eng_mobile/viewer.do?hseq=24385&type=part&key=12 (accessed on 18 August 2021).
- Hasanah, R.N.; Soeprapto, S.; Adi, H.P. Arduino-Based Automatic Transfer Switch for Domestic Emergency Power Generator-Set. In Proceedings of the 2018 2nd IEEE Advanced Information Management, Communicates, Electronic and Automation Control Conference (IMCEC), Xi’an, China, 25–27 May 2018. [Google Scholar]
- Zhou, Y.; Liang, Y.; Li, R. Research on Intelligent Diagnosis Technology of Emergency Diesel Generator in Nuclear Power Plant Based on New Monitoring Method. IOP Conf. Ser. Mater. Sci. Eng. 2019, 677, 032074. [Google Scholar] [CrossRef]
- Muliyati, D.; Bakri, F.; Umami, I.; Sumardani, D.; Ambarwulan, D. The generator operating system automatically uses a motorized change over switch devices. J. Phys. Conf. Ser. 2019, 1402, 044010. [Google Scholar] [CrossRef]
- Korea Electrical Safety Corporation. Inspection Guidelines for Emergency Power Generation Facilities; KESG-IV-M-7-2012; Korea Electrical Safety Corporation: Jeollabuk-do, Korea, 2012. [Google Scholar]
- National Fire Agency. National Fire Safety Code NFSC 102; Article 8: Sources of Electricity; National Fire Agency: Sejong, Korea, 2021.
- The Seoul Institute. A Study on the Utilization of Emergency Generators as a Backup Power System; 2014-PR-11; The Seoul Institute: Seoul, Korea, 2014. [Google Scholar]
- Korea Occupational Safety & Health Agency. Technical Guidelines for Decision and Installation of Emergency Power Source; KOSHA GUIED E-84-2011; Korea Occupational Safety & Health Agency: Seoul, Korea, 2011. [Google Scholar]
- National Fire Protection Association. NFPA 110 Emergency Power Generation; National Fire Protection Association: Quincy, MA, USA, 2001. [Google Scholar]
- Lee, W.K.; Choi, C.S. Analysis on Emergency Power Supplies in Buildings and a Model for Safe Operation of the Emergency Power System. J. Korean Soc. Saf. 2012, 27, 49–56. [Google Scholar]
- Korea Electric Engineers Association. An Investigation on the Operational Status and Perception of Emergency Power Generators for Effective Response to Power Supply Crisis; Korea Electric Engineers Association: Seoul, Korea, 2013. [Google Scholar]
- Ministry of Trade, Industry & Energy. The ESS Will Be a Way to Utilize Emergency Power Source; Press Resources: Berlin, Germany, 2016.
- Lee, E.-C.; Kim, J.-C. Analysis of Starting-up Characteristics for Large-Scaled Induction Motor. J. Korean Inst. Electr. Electron. Mater. Eng. 2013, 26, 30–36. [Google Scholar]
- Choi, S.-K. A Study on Economic Evaluations of ESS Load Test Device for Field Load Test in Fire-fighting Emergency Generator Systems. J. Korea Acad. Ind. Coop. Soc. 2020, 21, 380–386. [Google Scholar]
- Choi, S.K.; Lee, H.D.; Choi, S.S.; Ferreira, M.; Rho, D.S. A Study on the Implementation and Modeling of 20kW Scale ESS Load Test Device for Emergency Generator. J. Korea Acad. Ind. Coop. Soc. 2019, 20, 541–550. [Google Scholar]
- Kim, H.-J. Causes and Countermeasures of Safety Accidents for Energy Storage Systems. J. KSME 2020, 60, 30–33. [Google Scholar]
- National Fire Agency. NFSC-103 Fire Safety Standards for Sprinkler Facilities; National Fire Agency: Sejong, Korea, 2021.
- National Fire Agency. NFSC 604 Fire Safety Standards for Tall Buildings; National Fire Agency: Sejong, Korea, 2017.
- Wang, J.Y.; Kim, B.K.; Park, J.B.; Kim, B.M.; Kim, E.S.; Rho, D.S. A Study on the Modeling and Operation Algorithm of Independent Power System for Carbon Free. Trans. Korean Inst. Electr. Eng. 2016, 65, 760–768. [Google Scholar] [CrossRef]
- Choi, H.Y.; Choi, S.S.; Kang, M.K.; Rho, D.S. Optimal Voltage Control Algorithm of Small Hydro Generators for Voltage Stabilization in Distribution system with large scaled PV systems. Trans. Korean Inst. Electr. Eng. 2018, 67, 824–832. [Google Scholar]
- Friedel, V. Modeling and Simulation of a Hybrid Wind-Diesel Microgrid. Master’s Thesis, The School of Electrical Engineering Royal Institute of Technology, Stockholm, Sweden, 2009. [Google Scholar]
- Palle, B.; Uriarte, C.; Simoes, M.G.; Chakraborty, S. Electrical Model Development and Validation for Distributed Resources; NREL/SR-581-41109; Colorado School of Mines Golden: Golden, CO, USA, 2007. [Google Scholar]
- Kang, M.K.; Choi, S.S.; Park, J.B.; Nam, Y.H.; Kim, E.S.; Rho, D.S. A Study on the Modeling Method of Performance Evaluation System for MW Scaled Energy Storage System Using the PSCAD/EMTDC. Trans. Korean Inst. Electr. Eng. 2017, 66, 885–891. [Google Scholar]
- Nam, Y.H.; Choi, S.S.; Kang, M.K.; Lee, H.D.; Park, J.H.; Rho, D.S. A Study on the Large-scale Adoption Method of Distribution System Interconnected with PV System by Energy Storage System. Trans. Korean Inst. Electr. Eng. 2018, 67, 1031–1039. [Google Scholar]
- Choi, S.S.; Kang, M.K.; Lee, H.D.; Nam, Y.H.; Park, J.H.; Rho, D.S. A Study on an Evaluation Modeling of Power System Performance for Frequency Regulation ESS Based on the PSCAD/EMTDC. Trans. Korean Inst. Electr. Eng. 2018, 67, 1024–1030. [Google Scholar]
- Tazay, A.; Miao, Z.; Fan, L. Blackstart of an Induction Motor in an Autonomous Microgrid. In Proceedings of the 2015 IEEE Power & Energy Society General Meeting, Denver, CO, USA, 26–30 July 2015; pp. 1–5. [Google Scholar]
















| Emergency Load | Type of Load | Capacity of Load | Demand Factor | Acceptance Load | |
|---|---|---|---|---|---|
| kW | % | ||||
| Fire-fighting load | Pumpingload1 | 65.82 | 100 | 65.82 | |
| Pumpingload2 | 3.70 | 100 | 3.70 | ||
| Fan1 | 9.00 | 100 | 9.00 | ||
| Fan2 | 9.00 | 100 | 9.00 | ||
| Fan3 | 3.84 | 100 | 3.84 | ||
| Fan4 | 3.84 | 100 | 3.84 | ||
| Elevator | 20.00 | 100 | 20.00 | 20.00 | |
| Emergencylamp | 5.00 | 100 | 5.00 | 5.00 | |
| Loadforfirefighting | 10.00 | 100 | 10.00 | 10.00 | |
| Subtotal | 130.20 | 35.00 | 130.2 | ||
| Normal customer load | Pumpingload1 | 11.52 | 100 | 11.52 | 11.52 |
| Pumpingload2 | 9.00 | 100 | 9.00 | 9.00 | |
| Pumpingload3 | 2.70 | 100 | 2.70 | 2.70 | |
| Pumpingload4 | 2.70 | 100 | 2.70 | 2.70 | |
| Pumpingload5 | 5.54 | 100 | 5.54 | 5.54 | |
| Refrigerator | 10.20 | 100 | 10.20 | 10.20 | |
| Heat Exchanger | 11.52 | 100 | 11.52 | 11.52 | |
| Coolingload | 65.00 | 100 | 65.00 | 65.00 | |
| Circulationpumpingload | 32.00 | 100 | 32.00 | 32.00 | |
| Sub-total | 150.18 | 86.97 | 86.97 | ||
| Total | 280.38 | 185.2 | 280.4 | ||
| Case | Type of Load | Capacity of Rated Load | Capacity of Starting Load | ||||||
|---|---|---|---|---|---|---|---|---|---|
| P.F | kW | kVar | kVA | P.F | kW | kVar | kVA | ||
| Fire | Pumping load | 0.8 | 65.8 | 49.4 | 82.3 | 0.4 | 158.1 | 362.1 | 395.1 |
| Fan load | 0.8 | 9.0 | 6.8 | 11.3 | 0.4 | 21.6 | 49.5 | 54.0 | |
| L | 0.8 | 190.6 | 142.9 | 238.2 | |||||
| R | 1.0 | 15.0 | 0 | 15.0 | |||||
| Total | 280.4 | 199.0 | 346.7 | 179.7 | 411.6 | 449.1 | |||
| Blackout | L | 0.8 | 170.2 | 127.6 | 212.7 | ||||
| R | 1.0 | 15.0 | 0 | 15.0 | |||||
| Total | 185.2 | 127.6 | 227.7 | ||||||
| Time (s) | 1 | 2 | 3 | 4 | 5 | 6 | 7 | 8 | 9 | 10 | 11 | 12 | 13 | 14 | 15 | |
|---|---|---|---|---|---|---|---|---|---|---|---|---|---|---|---|---|
| Fire | Pumping load | |||||||||||||||
| Fan load | ||||||||||||||||
| L | ||||||||||||||||
| R | ||||||||||||||||
| Blackout | L | |||||||||||||||
| R |
| Type of Load | Capacity of Load | ||
|---|---|---|---|
| kW | kVar | kVA | |
| Emergency load | 185.1 | 127.4 | 227.6 |
| ESS | 185.3 | 127.7 | 227.9 |
| Type of Load | Operation State of Pumping Load | Capacity of Load | ||
|---|---|---|---|---|
| kW | kVar | KVA | ||
| Emergency load | Stop | 205.4 | 142.8 | 253.1 |
| Starting-up | 372.5 | 511.6 | 659.7 | |
| Steady-state | 280.2 | 199.1 | 346.5 | |
| ESS | Stop | 205.5 | 142.9 | 253.4 |
| Starting-up | 372.8 | 511.7 | 659.8 | |
| Steady-state | 280.5 | 199.3 | 347.9 | |
Publisher’s Note: MDPI stays neutral with regard to jurisdictional claims in published maps and institutional affiliations. |
© 2021 by the authors. Licensee MDPI, Basel, Switzerland. This article is an open access article distributed under the terms and conditions of the Creative Commons Attribution (CC BY) license (https://creativecommons.org/licenses/by/4.0/).
Share and Cite
Jin, J.; Choi, S.-K. Operation Method of a Load Test Device Using an Energy Storage System for Site Acceptance Test of a Fire-Fighting Emergency Generator. Energies 2021, 14, 5395. https://doi.org/10.3390/en14175395
Jin J, Choi S-K. Operation Method of a Load Test Device Using an Energy Storage System for Site Acceptance Test of a Fire-Fighting Emergency Generator. Energies. 2021; 14(17):5395. https://doi.org/10.3390/en14175395
Chicago/Turabian StyleJin, Juan, and Seung-Kyou Choi. 2021. "Operation Method of a Load Test Device Using an Energy Storage System for Site Acceptance Test of a Fire-Fighting Emergency Generator" Energies 14, no. 17: 5395. https://doi.org/10.3390/en14175395
APA StyleJin, J., & Choi, S.-K. (2021). Operation Method of a Load Test Device Using an Energy Storage System for Site Acceptance Test of a Fire-Fighting Emergency Generator. Energies, 14(17), 5395. https://doi.org/10.3390/en14175395
