Black-Box Modelling of Low-Switching-Frequency Power Inverters for EMC Analyses in Renewable Power Systems
Abstract
1. Introduction
2. Black-Box Modelling Procedures and LTI Assumption
2.1. Black-Box Modelling Procedures
2.2. LTI Assumption
3. Identification of Model Parameters in a Virtual Test Bench
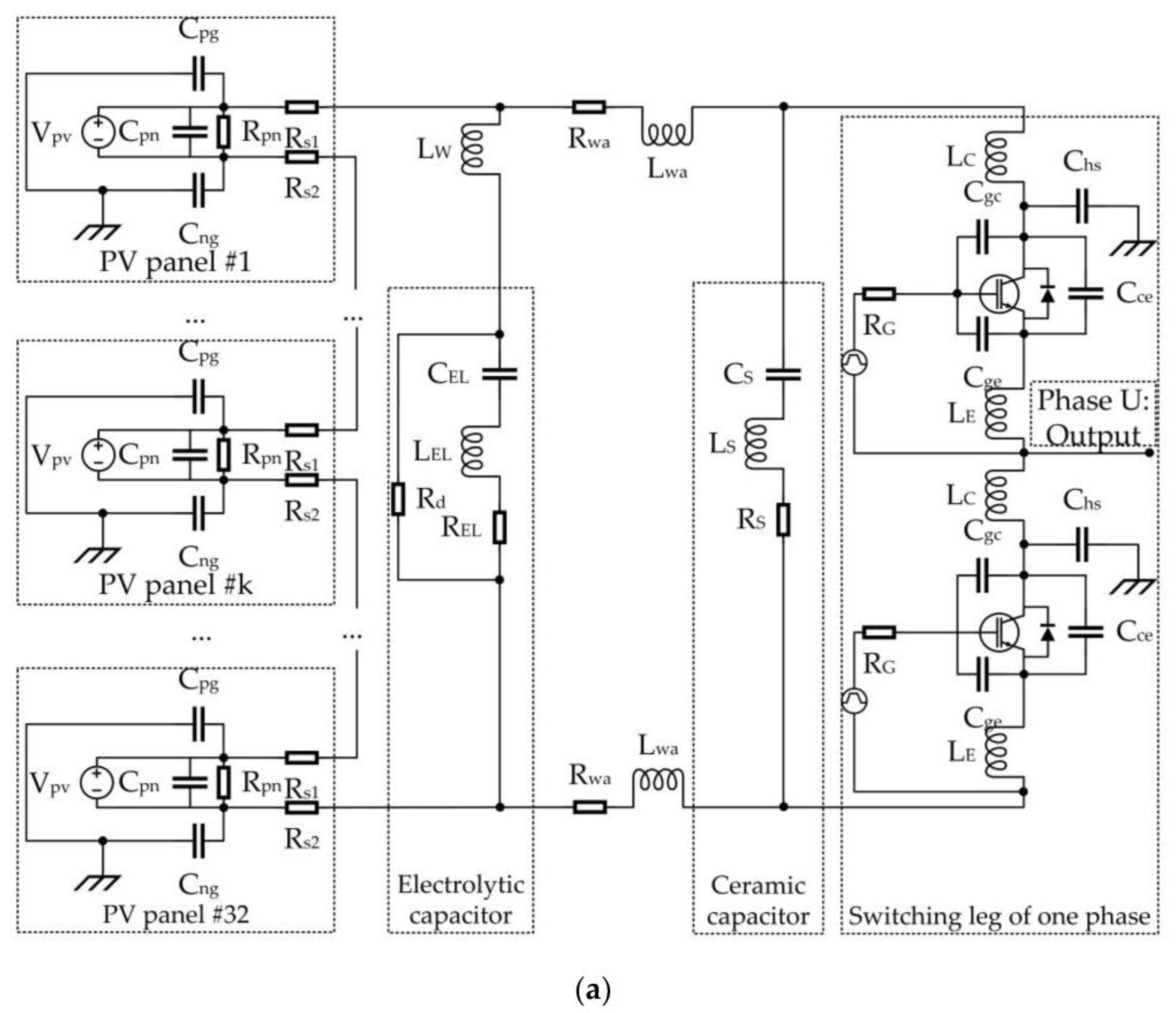
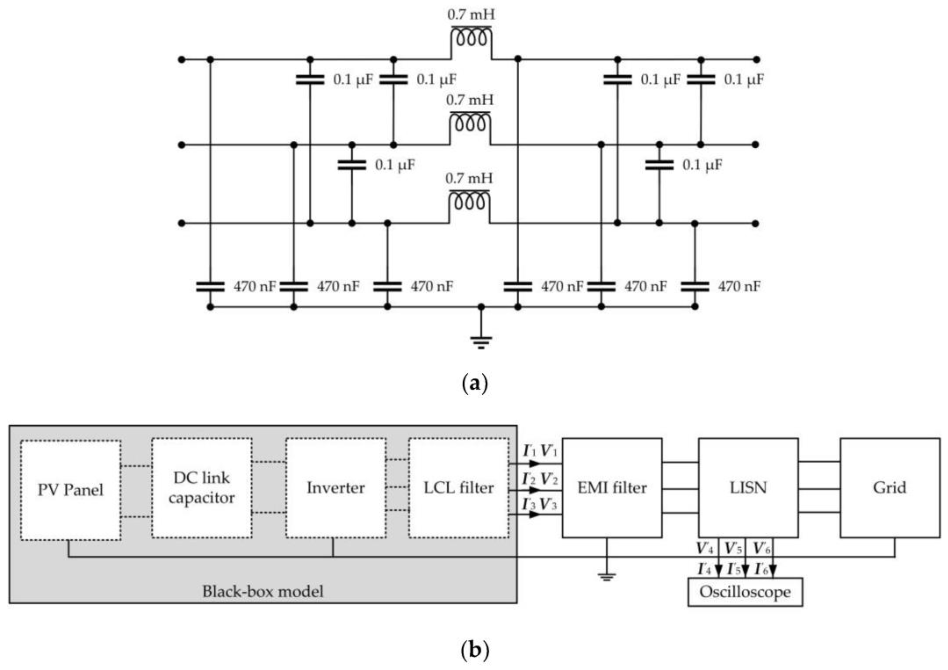
3.1. Inverter System under Analysis
3.2. Black-Box Modelling
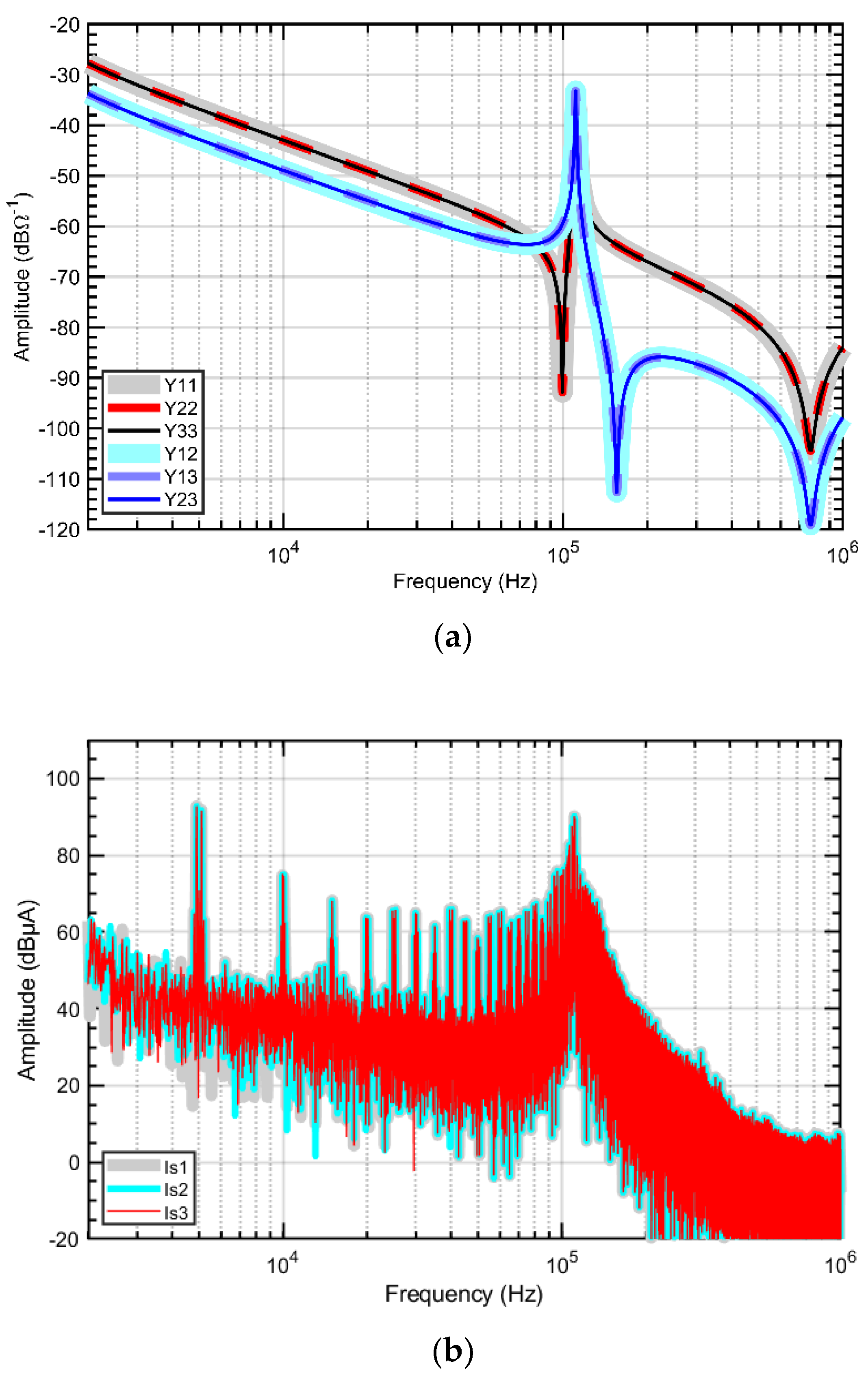
3.2.1. Passive Part of the Black-Box Model
3.2.2. Active Part of the Black-Box Model
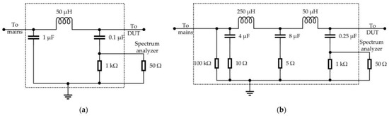
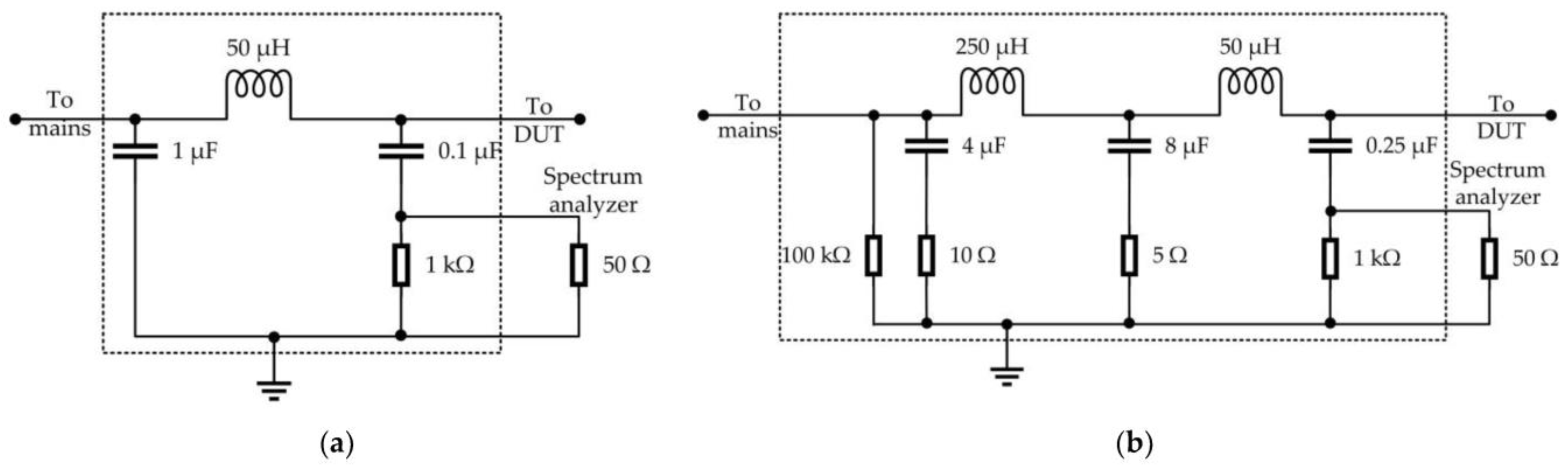
3.3. Setup for Model Validation
4. Prediction of Conducted Emissions
4.1. Conducted Emissions Analysis
4.2. Validation of the Modelling Procedure
4.3. Limitations of Black-Box Modelling
4.3.1. Influence of the Mask Impedance
4.3.2. Influence of the Power Network Impedance
5. Conclusions
Author Contributions
Funding
Conflicts of Interest
Appendix A
| Elements | Parameter | Value | Description | |
|---|---|---|---|---|
| PV panel | Vpv | 24 | V | Nominal panel voltage |
| Cpg, Cng | 4 | pF | Parasitic capacitances between positive/negative DC bus and ground | |
| Rs1, Rs2 | 1.5 | mΩ | DC bus panel feeder resistances | |
| Cpn | 90 | nF | Parasitic capacitance between positive and negative DC bus terminals | |
| Rpn | 2.8 | kΩ | Leakage resistance between positive and negative DC bus terminals | |
| Electrolytic capacitor | Lw | 10 | nH | External wire inductance |
| CEL | 1500 | µF | Nominal capacitance | |
| LEL | 30 | nH | Internal series inductance | |
| REL | 40 | mΩ | Internal series resistance | |
| Rd | 100 | kΩ | Discharging resistance | |
| DC bus | Rwa | 3.9 | mΩ | Stray resistance |
| Lwa | 0.36 | µH | Stray inductance | |
| Ceramic capacitor | Cs | 0.33 | µF | Nominal capacitor |
| Ls | 30 | nH | Internal series inductance | |
| Rs | 30 | mΩ | Internal series resistance | |
| IGBT | LC | 40 | nH | Collector stray inductance |
| LE | 40 | nH | Emitter stray inductance | |
| Cgc | 700 | pF | Stray capacitor between gate and collector | |
| Cce | 1 | nF | Stray capacitor between collector and emitter | |
| Cge | 21.3 | nF | Stray capacitor between gate and emitter | |
| Chs | 280 | pF | Stray capacitor between IGBT and heatsink | |
| Parameter | Value | Description | |
|---|---|---|---|
| SB | 7 | kVA | Inverter rated power |
| VB | 380 | V | Line to line output voltage (rms value) |
| VDC | 720 | V | DC power supply |
| fB | 50 | Hz | Output voltage frequency |
| IB | 10.64 | A | Output current (rms value) |
| ZB | 20.63 | Ω | Inverter base impedance |
| LB | 65.66 | mH | Inverter base inductance |
| CB | 154.31 | µF | Inverter base capacitance |
| rg | 0.003 | / | Grid-side ripple current component |
| ri | 0.15 | / | Inverter-side ripple current component |
| a | 0.02 | / | Capacitor voltage ripple attenuation |
| f1 | 4.9 | kHz | The First dominant harmonic frequency |
| x | 0.316 | / | Ratio = harmonic voltage at f1/voltage at fB |
| M | 0.866 | / | Amplitude modulation ratio |
| Lipu | 0.0228 | / | PU inductance value of LCL filter at inverter side |
| Lgpu | 0.0228 | / | PU inductance value of LCL filter at grid side |
| Cpu | 0.2191 | / | PU capacitance value of LCL filter |
| Li | 1.4979 | mH | Nominal inductance of LCL filter at inverter side |
| Lg | 1.4979 | mH | Nominal inductance of LCL filter at grid side |
| C | 33.8 | µF | Nominal capacitance of LCL filter |
References
- Araneo, R.; Lammens, S.; Grossi, M.; Bertone, S. EMC Issues in High-Power Grid-Connected Photovoltaic Plants. IEEE Trans. Electromagn. Compat. 2009, 51, 639–648. [Google Scholar] [CrossRef]
- Rietveld, G.; Hoogenboom, D.; Acanski, M. Conducted EMI Causing Error Readings of Static Electricity Meters. In Proceedings of the 2018 Conference on Precision Electromagnetic Measurements (CPEM 2018), Paris, France, 8–13 July 2018; pp. 1–2. [Google Scholar]
- Rönnberg, S.; Bollen, M.; Larsson, A. Emission from Small Scale PV-Installations on the Low Voltage Grid. REPQJ 2014, 617–621. [Google Scholar] [CrossRef]
- Darmawardana, D.; Perera, S.; Robinson, D.; Ciufo, P.; Meyer, J.; Klatt, M.; Jayatunga, U. Investigation of High Frequency Emissions (Supraharmonics) from Small, Grid-Tied, Photovoltaic Inverters of Different Topologies. In Proceedings of the 2018 18th International Conference on Harmonics and Quality of Power (ICHQP), Ljubljana, Slovenia, 13–16 May 2018; pp. 1–6. [Google Scholar]
- Subhani, S.; Cuk, V.; Cobben, J.F.G. A Literature Survey on Power Quality Disturbances in the Frequency Range of 2–150 KHz. REPQJ 2017, 1, 405–410. [Google Scholar] [CrossRef]
- Rönnberg, S.K.; Bollen, M.H.J.; Amaris, H.; Chang, G.W.; Gu, I.Y.H.; Kocewiak, Ł.H.; Meyer, J.; Olofsson, M.; Ribeiro, P.F.; Desmet, J. On Waveform Distortion in the Frequency Range of 2kHz–150kHz—Review and Research Challenges. Electr. Power Syst. Res. 2017, 150, 1–10. [Google Scholar] [CrossRef]
- Meyer, J.; Khokhlov, V.; Klatt, M.; Blum, J.; Waniek, C.; Wohlfahrt, T.; Myrzik, J. Overview and Classification of Interferences in the Frequency Range 2–150 KHz (Supraharmonics). In Proceedings of the 2018 International Symposium on Power Electronics, Electrical Drives, Automation and Motion (SPEEDAM), Amalfi, Italy, 20–22 June 2018; pp. 165–170. [Google Scholar]
- Noshahr, J.B.; Kalasar, B.M. Evaluating Emission and Immunity of Harmonics in the Frequency Range of 2–150 KHz Caused by Switching of Static Convertor in Solar Power Plants. CIRED Open Access Proc. J. 2017, 2017, 625–628. [Google Scholar] [CrossRef]
- Frantz, G.; Frey, D.; Schanen, J.-L.; Revol, B. EMC Models of Power Electronics Converters for Network Analysis. In Proceedings of the 2013 15th European Conference on Power Electronics and Applications (EPE), Lille, France, 3–5 September 2013; pp. 1–10. [Google Scholar]
- Kharanaq, F.A.; Emadi, A.; Bilgin, B. Modeling of Conducted Emissions for EMI Analysis of Power Converters: State-of-the-Art Review. IEEE Access 2020, 8, 189313–189325. [Google Scholar] [CrossRef]
- Riba, J.-R.; Moreno-Eguilaz, M.; Bogarra, S.; Garcia, A. Parameter Identification of DC-DC Converters under Steady-State and Transient Conditions Based on White-Box Models. Electronics 2018, 7, 393. [Google Scholar] [CrossRef]
- Spadacini, G.; Grassi, F.; Bellan, D.; Pignari, S.A.; Marliani, F. Prediction of Conducted Emissions in Satellite Power Buses. Available online: https://www.hindawi.com/journals/ijae/2015/601426/ (accessed on 15 February 2021).
- Baisden, A.C.; Boroyevich, D.; Wang, F. Generalized Terminal Modeling of Electromagnetic Interference. IEEE Trans. Ind. Appl. 2010, 46, 2068–2079. [Google Scholar] [CrossRef]
- Donnelly, T.J.; Pekarek, S.D.; Fudge, D.R.; Zarate, N. Thévenin Equivalent Circuits for Modeling Common-Mode Behavior in Power Electronic Systems. IEEE Open Access J. Power Energy 2020, 7, 163–172. [Google Scholar] [CrossRef]
- Amara, M.; Vollaire, C.; Ali, M.; Costa, F. Black Box EMC Modeling of a Three Phase Inverter. In Proceedings of the 2018 International Symposium on Electromagnetic Compatibility (EMC EUROPE), Amsterdam, The Netherlands, 27–30 August 2018; pp. 642–647. [Google Scholar]
- Liu, Y.; Jiang, S.; Wang, H.; Wang, G.; Yin, J.; Peng, J. EMI Filter Design of Single-Phase SiC MOSFET Inverter with Extracted Noise Source Impedance. IEEE Electromagn. Compat. Mag. 2019, 8, 45–53. [Google Scholar] [CrossRef]
- Kerrouche, B.; Bensetti, M.; Zaoui, A. New EMI Model With the Same Input Impedances as Converter. IEEE Trans. Electromagn. Compat. 2019, 61, 1072–1081. [Google Scholar] [CrossRef]
- Ales, A.; Schanen, J.; Moussaoui, D.; Roudet, J. Impedances Identification of DC/DC Converters for Network EMC Analysis. IEEE Trans. Power Electron. 2014, 29, 6445–6457. [Google Scholar] [CrossRef]
- Bishnoi, H.; Baisden, A.C.; Mattavelli, P.; Boroyevich, D. Analysis of EMI Terminal Modeling of Switched Power Converters. IEEE Trans. Power Electron. 2012, 27, 3924–3933. [Google Scholar] [CrossRef]
- Cheaito, H.; Diop, M.; Ali, M.; Clavel, E.; Vollaire, C.; Mutel, L. Virtual Bulk Current Injection: Modeling EUT for Several Setups and Quantification of CM-to-DM Conversion. IEEE Trans. Electromagn. Compat. 2017, 59, 835–844. [Google Scholar] [CrossRef]
- Mazzola, E.; Grassi, F.; Amaducci, A. Novel Measurement Procedure for Switched-Mode Power Supply Modal Impedances. IEEE Trans. Electromagn. Compat. 2020, 62, 1349–1357. [Google Scholar] [CrossRef]
- Rucinski, M.; Chrzan, P.J.; Musznicki, P.; Schanen, J.-L.; Labonne, A. Analysis of Electromagnetic Disturbances in DC Network of Grid Connected Building-Integrated Photovoltaic System. In Proceedings of the 2015 9th International Conference on Compatibility and Power Electronics (CPE), Costa da Caparica, Portugal, 24–26 June 2015; pp. 332–336. [Google Scholar]
- Grandi, G.; Casadei, D.; Reggiani, U. Common- and Differential-Mode HF Current Components in AC Motors Supplied by Voltage Source Inverters. IEEE Trans. Power Electron. 2004, 19, 16–24. [Google Scholar] [CrossRef]
- IEEE Power and Energy Society IEEE Recommended Practice and Requirements for Harmonic Control in Electric Power Systems. Available online: https://ieeexplore.ieee.org/document/6826459 (accessed on 8 June 2021).
- Shahil, S. Step-by-Step Design of an LCL Filter for Three-Phase Grid Interactive Converter. Available online: http://rgdoi.net/10.13140/RG.2.1.3883.6964 (accessed on 8 June 2021).
- Negri, S.; Wu, X.; Liu, X.; Grassi, F.; Spadacini, G.; Pignari, S.A. Mode Conversion in DC-DC Converters with Unbalanced Busbars. In Proceedings of the 2019 Joint International Symposium on Electromagnetic Compatibility, Sapporo and Asia-Pacific International Symposium on Electromagnetic Compatibility (EMC Sapporo/APEMC), Sapporo, Hokkaido, Japan, 3–7 June 2019; pp. 112–115. [Google Scholar]
- Frickey, D.A. Conversions between S, Z, Y, H, ABCD, and T Parameters Which Are Valid for Complex Source and Load Impedances. IEEE Trans. Microw. Theory Tech. 1994, 42, 205–211. [Google Scholar] [CrossRef]
- Robert, H. Extracting Scattering Parameters from SPICE. Available online: https://www.yumpu.com/en/document/read/40479516/create-s-parameter-subcircuits-for-microwave-and-rf-applications (accessed on 17 February 2021).
- Paul, C.R. Decoupling the Multiconductor Transmission Line Equations. IEEE Trans. Microw. Theory Tech. 1996, 44, 1429–1440. [Google Scholar] [CrossRef]

















Publisher’s Note: MDPI stays neutral with regard to jurisdictional claims in published maps and institutional affiliations. |
© 2021 by the authors. Licensee MDPI, Basel, Switzerland. This article is an open access article distributed under the terms and conditions of the Creative Commons Attribution (CC BY) license (https://creativecommons.org/licenses/by/4.0/).
Share and Cite
Wan, L.; Beshir, A.H.; Wu, X.; Liu, X.; Grassi, F.; Spadacini, G.; Pignari, S.A.; Zanoni, M.; Tenti, L.; Chiumeo, R. Black-Box Modelling of Low-Switching-Frequency Power Inverters for EMC Analyses in Renewable Power Systems. Energies 2021, 14, 3413. https://doi.org/10.3390/en14123413
Wan L, Beshir AH, Wu X, Liu X, Grassi F, Spadacini G, Pignari SA, Zanoni M, Tenti L, Chiumeo R. Black-Box Modelling of Low-Switching-Frequency Power Inverters for EMC Analyses in Renewable Power Systems. Energies. 2021; 14(12):3413. https://doi.org/10.3390/en14123413
Chicago/Turabian StyleWan, Lu, Abduselam Hamid Beshir, Xinglong Wu, Xiaokang Liu, Flavia Grassi, Giordano Spadacini, Sergio Amedeo Pignari, Michele Zanoni, Liliana Tenti, and Riccardo Chiumeo. 2021. "Black-Box Modelling of Low-Switching-Frequency Power Inverters for EMC Analyses in Renewable Power Systems" Energies 14, no. 12: 3413. https://doi.org/10.3390/en14123413
APA StyleWan, L., Beshir, A. H., Wu, X., Liu, X., Grassi, F., Spadacini, G., Pignari, S. A., Zanoni, M., Tenti, L., & Chiumeo, R. (2021). Black-Box Modelling of Low-Switching-Frequency Power Inverters for EMC Analyses in Renewable Power Systems. Energies, 14(12), 3413. https://doi.org/10.3390/en14123413

