A Comparative Analysis of a Power System Stability with Virtual Inertia
Abstract
1. Introduction
2. Mathematical Models of the Devices
2.1. Synchrnous Generator: Two-Axis Model
| transient voltage in axis | |
| field voltage | |
| current in axis | |
| inertia constant | |
| generator angular velocity | |
| load angle | |
| nominal angular velocity | |
| synchronous angular velocity | |
| damping torque to emulate the effect of damping windings |
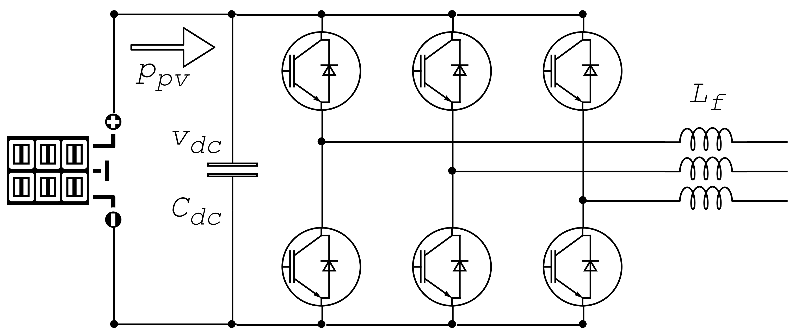
2.2. VSC Electric Part Model
| filter inductance | |
| filter resistance | |
| modulation vector in | |
| DC capacitor | |
| DC voltage | |
| injected current in axis | |
| power produced by PV panels | |
| power injected to the grid | |
| voltage in PCC |

2.3. Synchronverter Model in Reference Frame
2.4. Vector Control of VSC

2.5. ROCOF VSG

2.6. Network Model
3. Stability Comparison
3.1. Modal Analysis
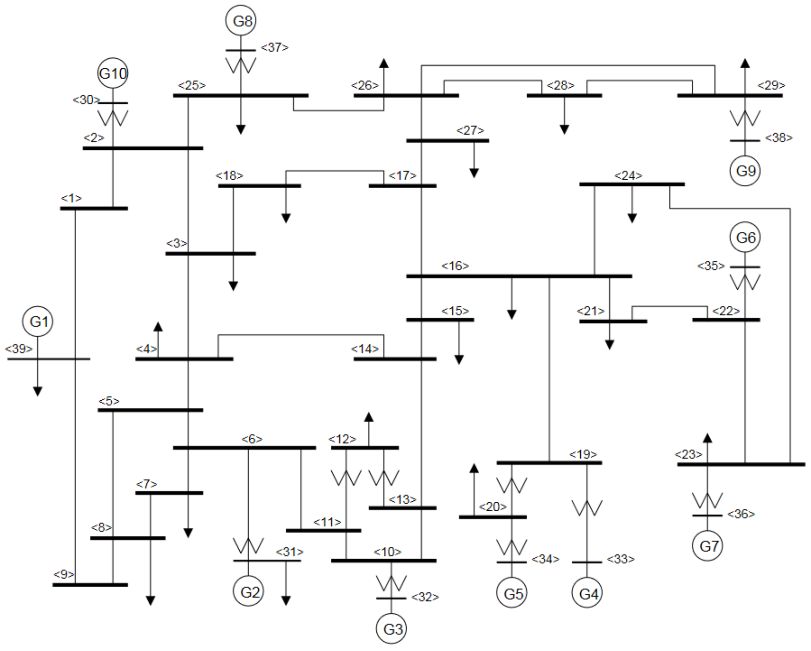
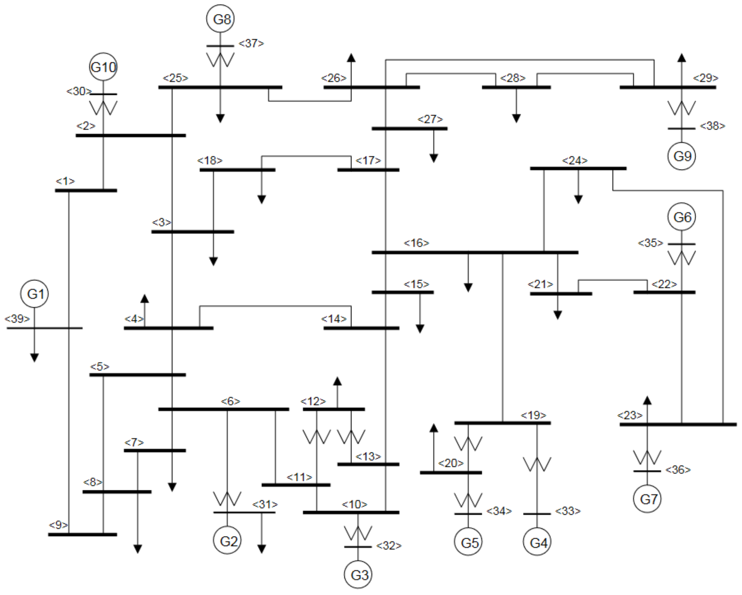
3.2. Case Study: IEEE 9 Bus
3.3. Case Study: IEEE 39 Bus
4. Conclusions
Author Contributions
Funding
Institutional Review Board Statement
Informed Consent Statement
Data Availability Statement
Conflicts of Interest
Abbreviations
| AC | Alternating Current |
| DC | Direct Current |
| VSC | Voltage scource converter |
| VSG | Virtual Synchronous Generator |
| PCC | Point of Common Coupling |
| PF | Participation Factor |
| PLL | Phase Locked Loop |
| PS | Power System |
| PV | Photovoltaic |
| ROCOF | Rate of Change of Frequency |
| SRF | Synchronous Reference Frame |
| RES | Renewable Energy Source |
| IEEE | Institute of Electrical and Electronics Engineers |
Appendix A. Park Transformation
Appendix B. IEEE 9 Bus: System Parameters
Appendix C. IEEE 39 Bus: System Parameters
Appendix D. Figures



References
- EirGrid/SONI. RoCoF Modification Proposal—TSOs’ Recommendations; EirGrid/SONI: Dublin, Ireland, 2012. [Google Scholar]
- Hydro-Québec. Technical Requirements for the Connection of Generation Facilities to the Hydro-Québec Transmission System; Hydro-Québec: Montréal, QC, Canada, 2003. [Google Scholar]
- ENTSO-E. Need for Synthetic Inertia (SI) for Frequency Regulation; ENTSO-E: Brussels, Belgium, 2017. [Google Scholar]
- Kerdphol, T.; Rahman, F.S.; Watanabe, M.; Mitani, Y.; Turschner, D.; Beck, H.P. Enhanced Virtual Inertia Control Based on Derivative Technique to Emulate Simultaneous Inertia and Damping Properties for Microgrid Frequency Regulation. IEEE Access. 2019, 7, 14422–14433. [Google Scholar] [CrossRef]
- Milano, F.; Dörfler, F.; Hug, G.; Hill, D.J.; Verbič, G. Foundations and Challenges of Low-Inertia Systems (Invited Paper) (Invited Paper). In Proceedings of the 5th 2018 Power Systems Computation Conference (PSCC), Dublin, Ireland, 11–15 June 2018; pp. 1–25. [Google Scholar] [CrossRef]
- Sakimoto, K.; Miura, Y.; Ise, T. Stabilization of a power system with a distributed generator by a Virtual Synchronous Generator function. In Proceedings of the 8th International Conference on Power Electronics-ECCE Asia, Jeju, Korea, 30 May–3 June 2011; pp. 1498–1505. [Google Scholar]
- Wu, H.; Ruan, X.; Yang, D.; Chen, X.; Zhao, W.; Lv, Z.; Zhong, Q. Small-Signal Modeling and Parameters Design for Virtual Synchronous Generators. IEEE Trans. Ind. Electron. 2016, 63, 4292–4303. [Google Scholar] [CrossRef]
- Karapanos, V.; de Haan, S.; Zwetsloot, K. Real time simulation of a power system with VSG hardware in the loop. In Proceedings of the IECON 2011—37th Annual Conference of the IEEE Industrial Electronics Society, Melbourne, VIC, Australia, 7–10 November 2011; pp. 3748–3754. [Google Scholar] [CrossRef]
- Saeedian, M.; Pournazarian, B.; Seyedalipour, S.S.; Eskandari, B.; Pouresmaeil, E. Emulating Rotational Inertia of Synchronous Machines by a New Control Technique in Grid-Interactive Converters. Sustainability 2020, 12, 5346. [Google Scholar] [CrossRef]
- Fang, J.; Lin, P.; Li, H.; Yang, Y.; Tang, Y. An Improved Virtual Inertia Control for Three-Phase Voltage Source Converters Connected to a Weak Grid. IEEE Trans. Power Electron. 2019, 34, 8660–8670. [Google Scholar] [CrossRef]
- Zhong, Q.; Weiss, G. Synchronverters: Inverters That Mimic Synchronous Generators. IEEE Trans. Ind. Electron. 2011, 58, 1259–1267. [Google Scholar] [CrossRef]
- Zhong, Q.; Nguyen, P.; Ma, Z.; Sheng, W. Self-Synchronized Synchronverters: Inverters without a Dedicated Synchronization Unit. IEEE Trans. Power Electron. 2014, 29, 617–630. [Google Scholar] [CrossRef]
- Mo, O.; D’Arco, S.; Suul, J.A. Evaluation of Virtual Synchronous Machines with Dynamic or Quasi-Stationary Machine Models. IEEE Trans. Ind. Electron. 2017, 64, 5952–5962. [Google Scholar] [CrossRef]
- Beck, H.-P.; Hesse, R. Virtual Synchronous Machine. In Proceedings of the 9th International Conference on Electrical Power Quality and Utilisation, Barcelona, Spain, 9–11 October 2007. [Google Scholar]
- Van Emmerik, E.L.; França, B.W.; Aredes, M. A synchronverter to damp electromechanical oscillations in the Brazilian transmission grid. In Proceedings of the 2015 IEEE 24th International Symposium on Industrial Electronics (ISIE), Buzios, Brazil, 3–5 June 2015; pp. 221–226. [Google Scholar] [CrossRef]
- Brown, E.; Weiss, G. Using synchronverters for power grid stabilization. In Proceedings of the 2014 IEEE 28th Convention of Electrical & Electronics Engineers in Israel (IEEEI), Eilat, Israel, 3–5 December 2014; pp. 1–5. [Google Scholar] [CrossRef]
- Rosso, R.; Engelken, S.; Liserre, M. Robust Stability Investigation of the Interactions Among Grid-Forming and Grid-Following Converters. IEEE J. Emerg. Sel. Top. Power Electron. 2020, 8, 991–1003. [Google Scholar] [CrossRef]
- Sauer, P.W.; Pai, M.A. Power System Dynamics and Stability; Prentice Hall: Hoboken, NJ, USA, 1998. [Google Scholar]
- IEEE Guide for Synchronous Generator Modeling Practices and Applications in Power System Stability Analyses. IEEE Std 2003, 1110–2002. [CrossRef]
- Zhong, Q. Four-quadrant operation of AC machines powered by inverters that mimic synchronous generators. In Proceedings of the 5th IET International Conference on Power Electronics, Machines and Drives (PEMD 2010), Brighton, UK, 19–21 April 2010; pp. 1–6. [Google Scholar] [CrossRef]
- Vetoshkin, L.; Müller, Z. A comparative study of synchronverter stability. In Proceedings of the 2020 21st International Scientific Conference on Electric Power Engineering (EPE), Prague, Czech Republic, 19–21 October 2020. [Google Scholar]
- Vetoshkin, L.; Müller, Z. A supervisory MPC for synchronverter. In Proceedings of the 2020 21st International Scientific Conference on Electric Power Engineering (EPE), Prague, Czech Republic, 19–21 October 2020. [Google Scholar]
- Papangelis, L.; Debry, M.; Prevost, T.; Panciatici, P.; Van Cutsem, Y. Stability of a Voltage Source Converter Subject to Decrease of Short-Circuit Capacity: A Case Study. In Proceedings of the 2018 Power Systems Computation Conference (PSCC), Dublin, Ireland, 11–15 June 2018; pp. 1–7. [Google Scholar] [CrossRef]
- Kundur, P. Power System Stability and Control; McGraw-Hill: New York, NY, USA, 1994. [Google Scholar]
- Anderson, P.; Fouad, A. Power System Control and Stability; IEEE Press: Piscataway, NJ, USA, 2003. [Google Scholar]
- Dembart, B.; Erisman, A.; Cate, E.; Epton, M.; Dommel, H. Power System Dynamic Analysis: Phase I. Final Report. 1977. Available online: https://www.osti.gov/biblio/7296152 (accessed on 2 June 2021).
- Wolfram Research, Inc. Mathematica; Version 12.2; Wolfram Research, Inc.: Champaign, IL, USA, 2020. [Google Scholar]
- Hiskens, I. IEEE PES Task Force on Benchmark Systems for Stability Controls. 2013. Available online: http://www.sel.eesc.usp.br/ieee/IEEE39/New_England_Reduced_Model_(39_bus_system)_MATLAB_study_report.pdf (accessed on 10 September 2020).
- Poolla, B.K.; Bolognani, S.; Dörfler, F. Optimal Placement of Virtual Inertia in Power Grids. IEEE Trans. Autom. Control 2017, 62, 6209–6220. [Google Scholar] [CrossRef]














| Eigenvalues | Variable | PF |
|---|---|---|
| 1 | ||
| Eigenvalues | Variable | PF |
|---|---|---|
| 1 | ||
| 1 | ||
| 1 |
| Eigenvalues | Variable | PF |
|---|---|---|
| 1 | ||
| 1 | ||
| 1 |
Publisher’s Note: MDPI stays neutral with regard to jurisdictional claims in published maps and institutional affiliations. |
© 2021 by the authors. Licensee MDPI, Basel, Switzerland. This article is an open access article distributed under the terms and conditions of the Creative Commons Attribution (CC BY) license (https://creativecommons.org/licenses/by/4.0/).
Share and Cite
Vetoshkin, L.; Müller, Z. A Comparative Analysis of a Power System Stability with Virtual Inertia. Energies 2021, 14, 3277. https://doi.org/10.3390/en14113277
Vetoshkin L, Müller Z. A Comparative Analysis of a Power System Stability with Virtual Inertia. Energies. 2021; 14(11):3277. https://doi.org/10.3390/en14113277
Chicago/Turabian StyleVetoshkin, Lavr, and Zdeněk Müller. 2021. "A Comparative Analysis of a Power System Stability with Virtual Inertia" Energies 14, no. 11: 3277. https://doi.org/10.3390/en14113277
APA StyleVetoshkin, L., & Müller, Z. (2021). A Comparative Analysis of a Power System Stability with Virtual Inertia. Energies, 14(11), 3277. https://doi.org/10.3390/en14113277

