Impact of Control System Model Parameters on the Obstacle Avoidance by an Autonomous Car-Trailer Unit: Research Results
Abstract
1. Introduction
- -
- vehicle trajectories planning (calculation) method;
- -
- values of the parameters that are treated as variables in the vehicle control algorithm during the obstacle avoidance maneuvers.
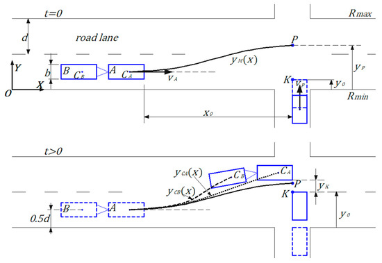
2. Scenario of the Road Situation under Analysis
- , —
- autonomous motorcar and trailer, respectively of center of mass , ;
- , —
- symbols indicating the outermost edges of the lanes involved;
- —
- anticipation radius, used when trajectory is generated;
- , —
- planned and preset vehicle trajectory;
- —
- instantaneous obstacle position in relation to lane edge ;
- , —
- trajectories of the centers of mass of vehicles A and B;
- , —
- characteristic points: trace of the obstacle edge and target point for the planning of a safe trajectory ;
- —
- clearance margin, necessary for safe obstacle avoidance;
- —
- clearance between the vehicle and the obstacle at the instant when the latter is being passed by;
- , —
- widths of the vehicle combination (CT unit) and the lane;
- —
- steering wheel angle, steering angle, tire sideslip angle, and angle of position of the tangent to the planned or preset trajectory of the vehicles;
- —
- radius and curvature of the vehicle trajectory;
- —
- angular velocity of the th vehicle wheel and circumferential velocity of the tyre;
- —
- dynamic tire radius of the th vehicle wheel;
- —
- velocity of the center of mass of vehicle A;
- —
- trailer drawbar turning angle;
- —
- yaw angles of the motor vehicle and the trailer;
- —
- centrifugal inertia force and lateral acceleration of center of mass of the vehicle body.
3. Control System and Model of Dynamics of the Vehicles
3.1. Structure of the Autonomous Vehicle’s Control System
- environment perception system;
- vehicle control system;
- model adopted to represent the dynamics of the vehicle combination (CT unit).
3.2. Procedure of Determining the Control Signal Using a Fuzzy Logic Model
3.3. Model of Dynamics of the CT Unit
3.3.1. Generalized Coordinates; Equations of Motion of the CT Unit
- —Cartesian coordinate system {}, attached to the road infrastructure;
- —local coordinate systems {}, with their origins at the centres of mass of vehicle bodies; {s} = [A, B];
- —local coordinate systems {}, each having its origin at the centre of the tyre-road contact area of the th wheel ( = 1, 2, …, 6; 4 vehicle wheels and 2 trailer wheels, the latter being assumed as twin wheels).
- , , —
- quasi-Euler angles, defining the orientation of the local system {} relative to the global system {}, i.e.:
- —
- yaw angle;
- —
- pitch angle;
- —
- roll angle;
- —
- steering angle of the front left and front right wheel of the motor vehicle ( = [1,2]).
- —
- vehicle mass;
- —
- vector from the origin of the global coordinate system to the center of mass Cs in the global coordinate system {}; (cf. Figure 6); ; ;
- , —
- generalized external forces and moments acting on vehicle s;
- —
- tensor of inertia of vehicle s relative to the vehicle center of mass in the local coordinate system {};
- —
- vector of the yaw velocity of the body of vehicle s in the local coordinate system {};.
3.3.2. Forces in the Vehicle-Trailer Coupling Device
- , , , , , —
- components of the coupling device force for motorcar A and trailer B, as appropriate, calculated in every step of the integration of model equations and expressed in the global coordinate system {};
- , , —
- acceptable values of the differences between components of the coupling device force.
3.3.3. Model of the Tire–Road Interaction
- —
- local tire-road adhesion coefficient;
- —
- unit longitudinal and lateral forces as characteristics describing the properties of a specific tire model as functions of tire slip ratio;
- —
- current value of the normal tire-road contact force for each wheel.
- —
- th wheel slip velocity, resulting from longitudinal and lateral slip velocities, i.e., and , respectively;
- —
- longitudinal component of the wheel center velocity vector;
- —
- circumferential velocity of the tire, resulting from the rotational wheel motion.
4. Validation of the Model of a CT Unit
5. Calculation of Trajectory
5.1. Data Necessary to Plan the Obstacle-Avoiding Trajectory
- The trajectory planned is to be a continuation of the preceding path of the vehicle and to include smooth transition from straight-line motion to curvilinear motion (Figure 1), with the obstacle position being taken into account.
- Trajectory is designed in a two-dimensional space, based on the information obtained from the system of perception of the situation in front of the vehicle.
- The positions of point and target point (see (1)) are predicted based on the information provided by the environment perception system and on the method pre-programmed in the control system for critical situations.
- An assumption is made that the curvature of the trajectory section where should be opposite to that of the section where and its absolute value should not exceed that of the latter.
- —
- minimum radii of curvature of car and trailer’s trajectories, respectively;
- —
- motorcar’s wheelbase;
- and —
- distances from the coupling device centerline to the rear axle of the towing vehicle and to the trailer axle, respectively.
5.2. Methods Considered and Their Calculational Models
6. Test Results Concerning the Selection of a Method to Calculate the CT Unit Trajectory in a Critical Situation
6.1. Assumptions Adopted for The Simulation Tests at the Method Selection Stage
- The CT unit consisted of a motorcar with a mass of 1800 kg and a centre-axle trailer with a mass of 1800 kg as well.
- Before the critical situation arose, the CT unit moved rectilinearly with a constant speed () in the middle of the right lane of a carriageway.
- The level and flat road had two lanes with a width of each and a shoulder 1 m wide.
- The width of the CT unit was .
- three trajectory planning methods (computationally described by Equations (20)–(22));
- four values of the CT unit’s speed ( 40 km/h, 60 km/h, 70 km/h, and 80 km/h);
- five values of the anticipation radius ( 4 m, 6 m, 8 m, 10 m, and 12 m);
- seven clearance margin values ( 0 m, 0.25 m, 0.5 m, 0.75 m, 1.0 m, 1.5 m, and 2.0 m);
- two states of the asphalt concrete road surface (dry and wet).
6.2. Example of Calculation Results
6.3. Procedure of Analysing the Calculation Results
- Selection of a decision goal (referred to as “goal”) as the primary criterion of assessment of the solutions available.
- Hierarchical arranging of the criteria of analysis, which would be considered as partial goals or sub-criteria.
- Determining of weights for individual sub-criteria.
- Calculating of partial assessment results for individual physical quantities in the set of results of successive simulation alternatives (solutions) adopted in examining the obstacle avoidance process. The partial assessment results would be based on the product of the weights referred to in item 3 of this list and the degree of satisfying a specific criterion by the solution alternative under analysis.
- The final assessment result and selection of the values of the target solution would be determined by aggregation of the partial assessment results.
- Successful avoidance of a collision with the obstacle and keeping of the CT unit within the road lanes as planned.
- Smooth growth in the lateral displacements and until the obstacle is passed by.
- Short length of the distance travelled where the “adjustment” of the vehicle position (measured by the yaw angle ) took place and limited value of the extreme vehicle trajectory overshoot, i.e., preventing of the vehicle from leaving the lane planned.
- The lowest possible extreme values of the steering wheel angle , tyre sideslip angles of vehicle’s rear axle and trailer’s axle ( and , respectively), lateral acceleration ( and ), and trailer drawbar turning angle , informing that the CT unit’s motion was kept stable.
- Goal: safe avoidance of the obstacle.
- Criteria as partial goals:
- (a)
- safe vehicle path, i.e., CT unit’s motion between lines and (Figure 1) or ;
- (b)
- vehicle’s motion stability maintained, i.e., and .
- Sub-criteria:
- (a)
- direct:
- ▪
- clearance between the car side and the obstacle when the latter is being passed by ();
- ▪
- clearance between the trailer side and the obstacle ();
- (b)
- indirect:
- ▪
- car yaw angle relative to the preset vehicle trajectory ();
- ▪
- departure of the actual car trajectory from the planned one ();
- ▪
- departure of the actual trailer trajectory from the planned one ();
- ▪
- stable growth in the lateral displacement ().
- Alternatives:
- (a)
- length of the imaginary anticipation radius () from 4 m to 12 m;
- (b)
- methods of calculation of the trajectory planned: with a cosine curve, circular arcs, and parabolas;
- (c)
- vehicle speed () from 40 km/h to 80 km/h on dry and wet road surface.
- Criterion (limit) values:
- (a)
- Sub-criteria (Ca)
- ▪
- 2.0 m > > 0 m;
- ▪
- 2.0 m > > 0 m;
- (b)
- Sub-criteria (Cb)
- ▪
- ; ;
- ▪
- ;
- ▪
- ;
- ▪
- .
- for (Ca), the highest weights are to be assigned to the values exceeding 0.5 m;
- for (Cb), the lower the values, the higher weights should be assigned.
6.4. Results of Applying the Procedure That Has Been Established
- Figure 17A shows the curves, representing the distance travelled by the trailer for its lateral displacement to reach a value of 3 m. In the graph, there is a double fine line showing the distance of . The alternatives for which the curves are situated below the double fine line help in the safe obstacle avoidance, i.e., they indicate the trajectory planning methods and the range of the values that meet the Cb sub-criterion (see Table 2) regarding the stability of growth in during the obstacle avoidance manoeuvre.
- Figure 17B shows the curves, representing the absolute value of the tyre sideslip angle αB(x). The double fine line shows the limit value of . The curves below the double fine line show the alternatives that meet the Cb sub-criterion, i.e., all the alternatives of the values at 40 km/h; for 60 km/h and 80 km/h, however, the Cb sub-criterion is only met for a few La values and providing that the cosine method is used for planning the trajectory.
- Figure 17C–E show the curves, representing the clearance between edge and trailer corners (corners and ) at the instant when the obstacle is passed by. The safe obstacle avoidance is only possible (i.e., the B criterion, see Table 2, is met) for the alternatives for which the values obtained fall between the double fine lines (). Such a result was achieved e.g., for 60 km/h and in the cosine method, while in other methods, the corner goes beyond the area of the lane available. For 80 km/h, the CT unit will hit the obstacle, regardless of the trajectory planning method used.
- the trajectory planning method will be based on the cosine function;
- the optimum anticipation radius will be .
7. Analysis of the Motion of a CT Unit When Avoiding an Obstacle
7.1. Impact of Vehicle Speed on the Obstacle Avoidance Process
- necessity to increase the steering wheel angle (Figure 18C); within the distance , two extremums occurred in this angle and the span between them grew from at 50 km/h to at 70 km/h;
- growing span between the extreme values of the angle, which resulted in high lateral acceleration values, from = 3.4–3.8 m/s2 at 50 km/h to 4.7–6.7 m/s2 at 60–70 km/h on dry road surface (Figure 18E); the acceleration values for the trailer exceeded those for the towing vehicle by 12–22%;
- rising extreme values of the tyre sideslip angles (for the rear axle wheels of the motorcar and the trailer axle wheels), from 3 deg at 50 km/h to 11 deg at 70 km/h (Figure 18D); the extreme values of the tire sideslip angle of the trailer wheels exceeded those of the motorcar’s rear axle wheels by 7–30% (this trailer’s predominance grew with rising vehicle speeds).
7.2. Impact of the Clearance Margin yW on the Safety of Obstacle Avoidance
- curvature of trajectory and departure of trajectories and from trajectory decreased by 38–40%, which can be seen in Figure 19B;
- clearances and decreased from 1.5 m to 0.3 m and from 1.9 m to 1.1 m, respectively (Figure 19A);
- extreme values of the steering wheel angle were reduced and the span between them, observed within the road section, dropped from 287.9 deg to 190.7 deg;trailer drawbar turning angle at the instant when the obstacle was being passed by dropped from 10.7 deg to 3.6 deg;
- lateral accelerations of the towing vehicle and the trailer, and , observed within the road section, declined from 5.0–6.1 m/s2 to 4.4–5.1 m/s2, respectively;
- motorcar tire sideslip angle at the instant when the obstacle was being passed by declined from 13.8 deg to 10.0 deg.
- at the instant when the obstacle was being passed by, the tire sideslip angle of the motorcar rear axle wheels rose from 10.0 deg to 13.8 deg, i.e., it reached values that made it difficult to control the vehicle movement (cf. the curve in Figure 8);
- the differences between the trajectories () and the yaw angles () of the trailer and the car increased as well, which may result in the instability of the CT unit’s motion on the road section just beyond the obstacle.
- It is recommendable to apply low values because the trajectories thus planned do not require too high extreme values of the steering wheel angle and do not result in excessive values of lateral vehicle accelerations and tire sideslip angles; thanks to this, the vehicle path may run relatively close to .
- The application of high values produces high angle values even in the initial phase of the obstacle-avoiding process ( and results in the planning of a trajectory that is characterized by big lateral displacements and , especially at .
- The control system generates higher extreme values on wet road surface than it does on dry road surface at identical values. This causes a growth in the vehicle yaw angles and ; high values of these angles make obstacle avoidance more difficult.
- On the wet road surface, the advantageous values are lower than those recommendable for the dry road surface; on the other hand, the range from within they may be picked is narrower than that acceptable in the latter case.
- At 80–90 km/h, the values under consideration do not offer a possibility of planning a trajectory that would ensure safe obstacle avoidance on wet road surface.
8. Selection of a Clearance Margin for the Obstacle Avoidance Maneuver
- safe obstacle avoidance, i.e., none of the points within CT unit came into contact with the obstacle or left the lane planned;
- obstacle avoidance using the road shoulder.
9. Summary
- models of dynamics of a CT unit and of its control system;
- procedure of selection of the temporary system settings, i.e., a method of planning the trajectory and the value of the anticipation radius for the time of the critical situation;
- rudiments of selecting the value of the variable parameter, i.e., the clearance margin .
- The cosine method used to plan a trajectory produced better performance of the obstacle avoidance maneuver in comparison with the other methods taken into account.
- The anticipation radius value at which the obstacle avoidance maneuver was most effective was .
- The impact of growth in the driving speed on CT unit’s behaviour during obstacle avoidance was not definite, because, e.g., small motorcar yaw angle values helped to avoid a collision with the obstacle at 50 km/h and 60 km/h (see the curves in Figure 18A,C) but became hazardous at 70 km/h.
- When a safe obstacle avoidance trajectory is planned for a speed exceeding 60 km/h, low clearance margin () values are required, i.e., the trajectory should be very close to the obstacle.
Author Contributions
Funding
Conflicts of Interest
References
- Katrakazas, C.; Quddus, M.; Chen, W.H.; Deka, L. Real-time motion planning methods for autonomous on-road driving: State-of-the-art and future research directions. Transp. Res. Part C 2015, 60, 416–442. [Google Scholar] [CrossRef]
- Prochowski, L.; Ziubiński, M.; Szwajkowski, P.; Pusty, T.; Gidlewski, M. Experimental and Simulation Examination of the Impact of the Control Model on the Motion of A Motorcar with A Trailer in A Critical Situation. In Proceedings of the 15th International Conference Dynamical Systems—Theory and Applications DSTA, Łódź, Poland, 2–5 December 2019; pp. 409–422. [Google Scholar] [CrossRef]
- Wu, B.; Zhu, X.; Shen, J.; Cang, X. Analysis of Steering Model for Emergency Lane Change Based on the China Naturalistic Driving Data. In Proceedings of the SAE World Congress Experience (WCX), Detroit, MI, USA, 4–6 April 2017. [Google Scholar] [CrossRef]
- Jurecki, R.S.; Stańczyk, T.L. Driver model for the analysis of pre-accident situations. Veh. Syst. Dyn. 2009, 47, 589–612. [Google Scholar] [CrossRef]
- Sun, C.; Zhang, X.; Xi, L.; Tian, Y. Design of a path-tracking steering controller for autonomous vehicles. Energies 2018, 11, 1451. [Google Scholar] [CrossRef]
- Wang, P.; Gao, S.; Li, L.; Sun, B.; Cheng, S. Obstacle avoidance path planning design for autonomous driving vehicles based on an improved artificial potential field algorithm. Energies 2019, 12, 2342. [Google Scholar] [CrossRef]
- Fényes, D.; Németh, B.; Gáspár, P. A Novel Data-Driven Modeling and Control Design Method for Autonomous Vehicles. Energies 2021, 14, 517. [Google Scholar] [CrossRef]
- Moshchuk, N.; Chen, S.K.; Zagorski, C.; Chatterjee, A. Path planning for collision avoidance maneuver, in ASME 2013 International Mechanical Engineering Congress and Exposition. Am. Soc. Mech. Eng. Digit. Collect. 2013, 56420, V013T14A016. [Google Scholar] [CrossRef]
- Korzeniowski, D.; Ślaski, G. Method of planning a reference trajectory of a single lane change manoeuver with Bezier curve. In IOP Conference Series: Materials Science and Engineering; IOP Publishing: Bristol, UK, 2016. [Google Scholar] [CrossRef]
- Anderson, S.J.; Peters, S.C.; Pilutti, T.E.; Iagnemma, K. An optimal-control-based framework for trajectory planning, threat assessment, and semi-autonomous control of passenger vehicles in hazard avoidance scenarios. Int. J. Veh. Auton. Syst. 2010, 8, 190–216. [Google Scholar] [CrossRef]
- Snider, J.M. Automatic Steering Methods for Autonomous Automobile Path Tracking; CMU-RITR-09-08; Robotics Institute: Pittsburgh, PA, USA, 2009. [Google Scholar]
- Hu, X.; Chen, L.; Tang, B.; Cao, D.; He, D. Dynamic path planning for autonomous driving on various roads with avoidance of static and moving obstacles. Mech. Syst. Signal Process. 2018, 100, 482–500. [Google Scholar] [CrossRef]
- Zanchetta, M.; Tavernini, D.; Sorniotti, A.; Gruber, P.; Lenzo, B.; Ferrara, A.; de Nijs, W. Trailer control through vehicle yaw moment control: Theoretical analysis and experimental assessment. Mechatronics 2019, 64, 102282. [Google Scholar] [CrossRef]
- Hac, A.; Fulk, D.; Chen, H. Stability and control considerations of vehicle-trailer combination. SAE Int. J. Passeng. Cars-Mech. Syst. 2008, 1, 925–937. [Google Scholar] [CrossRef]
- Plöchl, M.; Lugner, P. Passenger car and passenger car-trailer—Different tasks for the driver. JSAE Rev. 1999, 20, 543–548. [Google Scholar] [CrossRef]
- Darling, J.; Tilley, D.; Gao, B. An experimental investigation of car-trailer high-speed stability. Proc. Inst. Mech. Eng. Part D 2009, 223, 471–484. [Google Scholar] [CrossRef]
- Balal, E.; Cheu, R.L.; Sarkodie-Gyan, T. A binary decision model for discretionary lane changing move based on fuzzy inference system. Transp. Res. Part C 2016, 67, 47–61. [Google Scholar] [CrossRef]
- Chen, G.; Zhang, W.G.; Zhang, X.N. Fuzzy neural control for unmanned robot applied to automotive test. Ind. Robot 2013, 40, 450–461. [Google Scholar] [CrossRef]
- Ivanov, V. A review of fuzzy methods in automotive engineering applications. Eur. Transp. Res. Rev. 2015, 7, 29. [Google Scholar] [CrossRef]
- Khalaji, A.K. PID-based target tracking control of a tractor-trailer mobile robot. Proc. Inst. Mech. Eng. Part C 2019, 233, 4776–4787. [Google Scholar] [CrossRef]
- Yue, M.; Hou, X.; Gao, R.; Chen, J. Trajectory tracking control for tractor-trailer vehicles: A coordinated control approach. Nonlinear Dyn. 2018, 91, 1061–1074. [Google Scholar] [CrossRef]
- Ni, J.; Hu, J. Dynamics control of autonomous vehicle at driving limits and experiment on an autonomous formula racing car. Mech. Syst. Signal Process. 2017, 90, 154–174. [Google Scholar] [CrossRef]
- Taghavifar, H.; Rakheja, S. Path-tracking of autonomous vehicles using a novel adaptive robust exponential-like-sliding-mode fuzzy type-2 neural network controller. Mech. Syst. Signal Process. 2019, 130, 41–55. [Google Scholar] [CrossRef]
- Gidlewski, M.; Jackowski, J.; Jemioł, L.; Żardecki, D. Sensitivity of a vehicle lane change control system to disturbances and measurement signal errors—Modeling and numerical investigations. Mech. Syst. Signal Process. 2021, 147, 107081. [Google Scholar] [CrossRef]
- Mercorelli, P. Fuzzy Based Control of a Nonholonomic Car-Like Robot for Drive Assistant Systems. In Proceedings of the 2018 19th International Carpathian Control Conference (ICCC), Szilvasvarad, Hungary, 28–31 May 2018; pp. 434–439. [Google Scholar] [CrossRef]
- Alshaer, B.J.; Darabseh, T.T.; Alhanouti, M.A. Path planning, modeling and simulation of an autonomous articulated heavy construction machine performing a loading cycle. Appl. Math. Model. 2013, 37, 5315–5325. [Google Scholar] [CrossRef]
- Wang, H.W.; Yu, X.C.; Song, H.B.; Lu, Z.H.; Lloret, J.; You, F. A Global Optimal Path Planning and Controller Design Algorithm for Intelligent Vehicles. Mob. Netw. Appl. 2018, 23, 1165–1178. [Google Scholar] [CrossRef]
- Road Traffic Office. Road Traffic Accidents in Poland in 2019; Polish Police Headquarters, Road Traffic Office: Warsaw, Poland, 2020. [Google Scholar]
- Li, X.; Sun, Z.; Cao, D.; Liu, D.; He, H. Development of a new integrated local trajectory planning and tracking control framework for autonomous ground vehicles. Mech. Syst. Signal Process. 2017, 87, 118–137. [Google Scholar] [CrossRef]
- Demonceaux, C.; Potelle, A.; Kachi-Akkouche, D. Obstacle detection in a road scene based on motion analysis. IEEE Trans. Veh. Technol. 2004, 53, 1649–1656. [Google Scholar] [CrossRef]
- PC-CRASH-A Simulation Program for Vehicle Accidents—Operating and Technical Manual, Version 10.0; Dr. Steffan Datentechnik: Linz, Austria, 2013.
- Steffan, H.; Moser, A. The trailer Simulation model of PC-Crash. SAE Trans. 1998, 107, 886–896. [Google Scholar] [CrossRef]
- Rill, G. Simulation von Kraftfahrzeugen; Vieweg & Sohn Verlag GmbH: Braunschweig, Germany, 1994. [Google Scholar]
- Hirschberg, W.; Rill, G.; Weinfurter, H. Tire model TMeasy. Veh. Syst. Dyn. 2007, 45, 101–119. [Google Scholar] [CrossRef]
- Rill, G. TMeasy—A Handling Tire Model based on a three-dimensional slip approach. In Proceedings of the XXIII International Symposium on Dynamic of Vehicles on Roads and on Tracks (IAVSD 2013), Quingdao, China, 19–23 August 2013. [Google Scholar]
- Hirschberg, W.; LČÁK, F.P.A.; Rill, G.; NÍK, J.Š.T.; Kintler, P. TMeasy for Reliable Vehicle Dynamics Simulation; SCIENTIFIC PROCEEDINGS 2009; Faculty of Mechanical Engineering, STU: Bratislava, Slovakia, 2009. [Google Scholar]
- Rill, G. Vehicle dynamics. In Lecture Notes; Regensburg, Germany, 2009; Available online: http://pds7.egloos.com/pds/200801/19/01/Vehicle_Dynamics.pdf (accessed on 16 September 2020).
- Stańczyk, T.L.; Strachowski, P. Assessment of the possibilities of determining the characteristics of a pneumatic tyre with the use of an original road test system. Arch. Automot. Eng. 2013, 59, 165–183. [Google Scholar] [CrossRef]
- Luty, W. Tire transient properties in simulation of vehicle lateral dynamics in curvilinear motion, Prace Naukowe Politechniki Warszawskiej, Transport. Oficyna Wydawnicza Politech. Warsz. 2013, 98, 357–367. [Google Scholar]
- ISO 3888-1:1999, Passenger Cars—Test Track for A Severe Lane-Change Manoeuvre—Part 1: Double Lane-Change; International Organization for Standardization: Geneva, Switzerland, 1999.
- Saaty, T.L. Fundamentals of Decision Making and Priority Theory with the Analytic Hierarchy Process; RWS Publications: Pittsburgh, PA, USA, 2000. [Google Scholar]
- Saaty, T.L.; Ozdemir, M.S. Why the magic number seven plus or minus two. Math. Comput. Model. 2003, 38, 233–244. [Google Scholar] [CrossRef]
- Prochowski, L.; Pusty, T.; Gidlewski, M.; Jemioł, L. Experimental studies of the car-trailer system when passing by a suddenly appearing obstacle in the aspect of active safety of autonomous vehicles. In IOP Conference Series: Materials Science and Engineering; IOP Publishing: Bristol, UK, 2018; Volume 421, p. 032024. [Google Scholar] [CrossRef]

























| Vehicle | [km/h] | [m] | [m] | [m] | Safe Avoidance of the Obstacle [-] | Stay in the Lane [-] | [deg] | [deg] | [deg] | [m/s2] | [m/s2] | [m/s2] | [deg] | [m] | |
|---|---|---|---|---|---|---|---|---|---|---|---|---|---|---|---|
| 1 | 2 | 3 | 4 | 5 | 6 | 7 | 8 | 9 | 10 | 11 | 12 | 13 | 14 | 15 | 16 |
| A | 40 | 0.0 | 5.0 | >40 | NO | YES | 1.26 | 1.17 | 0.38 | 1.99 | 2.00 | 0.68 | 0 | −0.21 | −0.23 |
| A | 60 | 0.0 | 5.0 | 28.95 | YES | YES | 4.24 | 7.88 | 9.06 | 4.29 | 4.64 | 4.66 | 0 | 0.01 | 0.49 |
| A | 60 | 0.25 | 5.25 | 29.79 | YES | NO | 4.46 | 8.42 | 10.23 | 4.39 | 4.79 | 4.79 | 0 | 0.12 | 0.66 |
| A | 70 | 1.75 | 6.75 | 25.36 | YES | NO | 6.52 | 12.57 | 11.96 | 5.71 | 5.77 | 4.26 | 0 | 2.40 | 1.33 |
| A | 70 | 2.0 | 7.0 | 25.36 | YES | NO | 6.57 | 12.66 | 12.16 | 5.71 | 5.76 | 4.26 | 0 | 2.43 | 1.34 |
| B | 40 | 0.0 | 5.0 | >40 | NO | YES | 1.32 | 1.20 | 0.36 | 1.91 | 1.71 | 0.71 | 4.01 | −0.24 | −0.24 |
| B | 60 | 0.0 | 5.0 | 26.61 | YES | YES | 3.96 | 6.46 | 12.94 | 4.82 | 6.02 | 6.55 | 13.28 | 0.46 | 0.92 |
| B | 60 | 0.25 | 5.25 | 26.60 | YES | YES | 4.05 | 6.52 | 15.12 | 4.92 | 6.02 | 6.69 | 14.42 | 0.62 | 1.09 |
| B | 70 | 1.75 | 6.75 | 27.74 | YES | NO | 3.77 | 14.57 | 19.07 | 5.01 | 6.85 | 6.85 | 12.39 | 1.30 | 0.01 |
| B | 70 | 2.0 | 7.0 | 27.74 | YES | NO | 3.78 | 14.48 | 19.41 | 5.02 | 6.76 | 6.85 | 12.44 | 1.32 | 0.02 |
| Columns of Table 1 | 5 | 6–7 | 8–10 | 11–13 | 14 | 15–16 |
|---|---|---|---|---|---|---|
| Criteria and sub-criteria used in the procedure that are relevant to the values in specific columns | Cb | A; B | Cb | B | B | Ca |
| Road Surface | [km/h] | [m] for Planning a Trajectory that Would Ensure Safe Obstacle Avoidance | [m] for Planning a Trajectory that Would Ensure Safe Obstacle Avoidance with Using the Road Shoulder | ||
|---|---|---|---|---|---|
| Motorcar as a Part of the CT Unit | CT Unit as a Whole | Motorcar as a Part of the CT Unit | CT Unit as a Whole | ||
| dry | 40 | 0.3–2.0 | 0.3–2.0 | 0.3–2.0 | 0.3–2.0 |
| 50 | 0.2–1.7 | 0.2–1.4 | 0.2–2.0 | 0.2–1.9 | |
| 60 | 0.0–0.6 | 0.0–0.2 | 0.0–0.9 | 0.0–0.5 | |
| 62 | 0.0–0.4 | 0.0 | 0.0–0.7 | 0.0–0.4 | |
| 66 | 0.0–0.1 | – | 0.0–0.4 | 0.0–0.1 | |
| 68 | 0.0 | – | 0.1–0.3 | 0.0 | |
| 70 | – | – | 0.0–0.2 | – | |
| 80 | – | – | 0.0–0.2 | – | |
| wet | 40 | 0.3–2.0 | 0.3–2.0 | 0.3–2.0 | 0.3–2.0 |
| 50 | 0.1–0.7 | 0.0–0.5 | 0.1–1.1 | 0.0–0.8 | |
| 60 | 0.0 | – | 0.0–0.4 | 0.0–0.1 | |
| 62 | – | – | 0.0–0.4 | 0.0–0.1 | |
| 66 | – | – | 0.0–0.8 | – | |
| 70 | – | – | – | – | |
Publisher’s Note: MDPI stays neutral with regard to jurisdictional claims in published maps and institutional affiliations. |
© 2021 by the authors. Licensee MDPI, Basel, Switzerland. This article is an open access article distributed under the terms and conditions of the Creative Commons Attribution (CC BY) license (https://creativecommons.org/licenses/by/4.0/).
Share and Cite
Prochowski, L.; Ziubiński, M.; Szwajkowski, P.; Gidlewski, M.; Pusty, T.; Stańczyk, T.L. Impact of Control System Model Parameters on the Obstacle Avoidance by an Autonomous Car-Trailer Unit: Research Results. Energies 2021, 14, 2958. https://doi.org/10.3390/en14102958
Prochowski L, Ziubiński M, Szwajkowski P, Gidlewski M, Pusty T, Stańczyk TL. Impact of Control System Model Parameters on the Obstacle Avoidance by an Autonomous Car-Trailer Unit: Research Results. Energies. 2021; 14(10):2958. https://doi.org/10.3390/en14102958
Chicago/Turabian StyleProchowski, Leon, Mateusz Ziubiński, Patryk Szwajkowski, Mirosław Gidlewski, Tomasz Pusty, and Tomasz Lech Stańczyk. 2021. "Impact of Control System Model Parameters on the Obstacle Avoidance by an Autonomous Car-Trailer Unit: Research Results" Energies 14, no. 10: 2958. https://doi.org/10.3390/en14102958
APA StyleProchowski, L., Ziubiński, M., Szwajkowski, P., Gidlewski, M., Pusty, T., & Stańczyk, T. L. (2021). Impact of Control System Model Parameters on the Obstacle Avoidance by an Autonomous Car-Trailer Unit: Research Results. Energies, 14(10), 2958. https://doi.org/10.3390/en14102958

