Fuel Cell Electric Vehicles—A Brief Review of Current Topologies and Energy Management Strategies
Abstract
1. Introduction
2. Topologies of Propulsion Systems and the DC/DC Converters of FCEVs
2.1. Fuel Cell Electric Vehicle (FCEV)
2.2. Fuel Cell Hybrid Electric Vehicle (FCHEV)
2.3. Current Status of Fuel Cell Technologies in the Automotive Industry
- ▪
- Low flexibility in power flow control in PEMFC + B configuration;
- ▪
- The PEMFC + B + UC topology suffers from substantial losses of power flow, which makes the control of energy systems complex;
- ▪
- Batteries have a low power density which leads to an increase in the size of the battery system involving substantial production costs and a much higher mass of the vehicle.
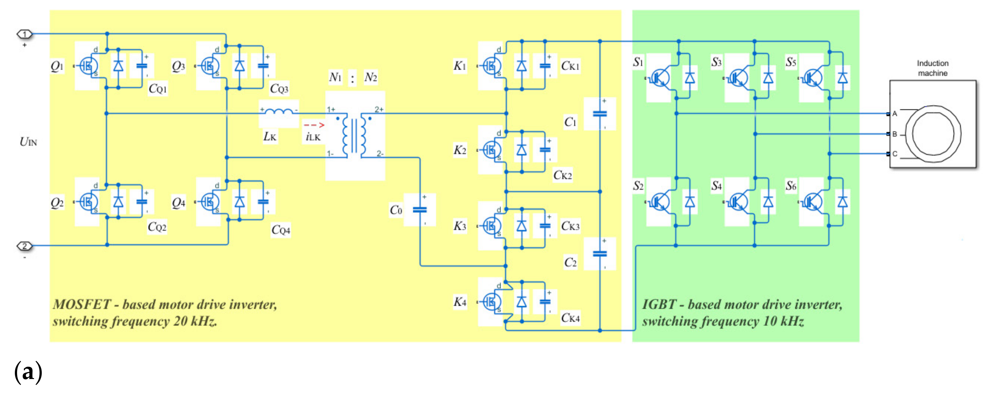
2.4. DC/DC Converters for Fuel Cell Electric Vehicle
2.4.1. Non-Isolated DC/DC Converter
2.4.2. Isolated DC/DC Converter
2.4.3. New DC/DC Converter Topologies
3. Energy Management Strategy for Fuel Cell Electric Vehicle
3.1. Analysis of Rule-Based Strategies Methodology in FCEV
- State Machine Control Strategy—it has the advantage of being easy to use by defining some states the FC power being calculated from the State-of-Charge (SOC) of the battery and the power of the load, and the disadvantage that the request to switch control when the mode is changed affects the output power;
- Classical Proportional–Integral (PI) Control Strategy—is used for online setting, for control of the battery SOC and better tracking; the output of the regulator is the power of the battery and together with the power of the load led to obtaining the reference power of the FC;
- Frequency Decoupling And Fuzzy Logic Strategy—allows FCS to offer a low frequency at the output, while the rest of the systems work at high frequencies. The main advantage of this strategy is that the average battery power tends to zero, ensuring a reduced range of batteries SOC;
- Equivalent Consumption Minimization Strategy (ECMS)—this strategy is based on the minimization of an instant cost function for determining the power distribution, achieved from the FCS fuel consumption and the equivalent consumption of the battery and ultracapacitor systems. The advantage is to minimize fuel consumption and the equivalent consumption required to maintain the battery SOC;
- External Energy Maximization Strategy (EEMS)—the strategy is to maximize the energy of the battery and ultracapacitor systems keeping the SOC within their limits. The main advantage is that cost function does not need to estimate the equivalent energy of the energy sources, determined empirically. It is produced by external energy sources over a certain period of time.
3.2. Analysis of The Optimization Based Strategies Methodology in FCEV
3.2.1. Global Optimization Strategy
3.2.2. Real-Time Optimization Strategy
3.3. Analysis of Learning Based Strategies Methodology in FCEV
4. Discussion and Perspectives
- Infrastructure for hydrogen (H2) stations and their refueling;
- High cost of hydrogen production;
- The low power density of the batteries increases the size of its system and implicitly the mass of the vehicle;
- The use of FC + B topology facilitates the power split control over fuel cell and battery but present low flexibility in controlling the power flow;
- FC + B + UC control configuration is more complex to achieve.
5. Conclusions
Author Contributions
Funding
Institutional Review Board Statement
Informed Consent Statement
Data Availability Statement
Acknowledgments
Conflicts of Interest
Abbreviations
| EV | Electric Vehicle | 
| FCEV | Fuel Cell Electric Vehicle | 
| FCHEV | Fuel Cell Hybrid Electric Vehicle | 
| GHG | Greenhouse Gases | 
| HEV | Hybrid Electric Vehicle | 
| FC | Fuel Cell | 
| B | Batteries | 
| UC | Ultracapacitors | 
| EMS | Energy Management Strategies | 
| DC | Direct Current | 
| AC | Alternative Current | 
| AEV | All Electric Vehicle | 
| BEV | Electric Vehicle with Battery | 
| PEMFC | Proton-Exchange Membrane Fuel Cells | 
| FCS | Fuel Cell System | 
| T | Topology | 
| ESS | Energy Storage Systems | 
| PEFC | Polymer Electrolyte Fuel Cell | 
| H2/O2 | Hydrogen/Oxygen | 
| PI | Proportional Integral | 
| HRL | Hierarchical Reinforcement Learning | 
| DTC | Direct Torque Control Strategy | 
| PWM | Pulse-Width Modulation | 
| EMR | Energetic Macroscopic Representation | 
| SMC | Sliding Mode Control | 
| FDFL | Frequency Decoupling and Fuzzy Logic Strategy | 
| ECMS | Equivalent Consumption Minimization Strategy | 
| EEMS | External Energy Maximization Strategy | 
| LVQ | Learning Vector Quantization | 
| LP | Linear Programming | 
| GA | Genetic Algorithm | 
| PMP | Pontryagin’s Minimum Principle | 
| QP | Quadratic Programming | 
| MAS | Multi-Agent System | 
| SDP | Stochastic Dynamic Programming | 
| SOC | State-of-Charge | 
| V-DP | Variable—Threshold Dynamic Programming Algorithm | 
| ES | Fractional-Order Extremum Seeking | 
| PSO-SVM | Support Vector Machine Method with Particle Swarm Optimization | 
| NZE-HEV | New Zero Emission Hybrid Electric Vehicle | 
| PEMS | Power and Energy Management Strategy | 
| LB | Learning Based Strategies | 
| RL | Reinforcement Learning | 
| GNNM | Grey Neural Network | 
| PSO | Particle Swarm Optimization | 
| V2V | Vehicle-to-Vehicle | 
| V2I | Vehicle-to-Infrastructure | 
| CAV | Connected and Automated Vehicles | 
| V2D | Vehicle-to-Device | 
| V2N | Vehicle-to-Network | 
| V2G | Vehicle-to-Grid | 
| V2P | Vehicle-to-Pedestrian | 
| V2X | Vehicle-to-Everything | 
| DPR | Driving Pattern Recognition | 
| EM | Electric Motor | 
| PHEV | Plug-in Hybrid Electric Vehicle | 
| Variables and Parameters | |
| Speed of the Vehicle | |
| Vehicle Mass | |
| Aerodynamic Friction | |
| Rolling Friction | |
| Gravity Force | |
References
- Nunez, C. Fossil Fuels, Explained. 2019. Available online: https://www.nationalgeographic.com/environment/energy/reference/fossil-fuels/ (accessed on 9 January 2020).
- Adomaitis, N. Oil Demand To Peak In Three Years, Says Energy Adviser DNV GL. 2019. Available online: https://www.reuters.com/article/us-oil-demand-dnv-gl/oil-demand-to-peak-in-three-years-says-energy-adviser-dnv-gl-idUSKCN1VV2UQ (accessed on 9 January 2020).
- Worland, J. Air Pollution Costs Global Economy Trillions Annually, World Bank Says. 2016. Available online: https://time.com/4484027/air-pollution-economic-toll-world-bank/ (accessed on 9 January 2020).
- Fuel Cell History—Fuel Cell Today. Available online: http://www.fuelcelltoday.com/history#Contents (accessed on 9 January 2020).
- Korn, T.; Volpert, G. The hybrid model of the new hydrogen combustion engine as the most efficient powertrain of tomorrow. In Der Antrieb von Morgen 2019; Liebl, J., Ed.; Springer Vieweg: Wiesbaden, Germany, 2019. [Google Scholar]
- Arshad, A.; Ali, H.M.; Habib, A.; Bashir, M.A.; Jabbal, M.; Yan, Y. Energy and exergy analysis of fuel cells: A review. Thermal Sci. Eng. Progress 2019, 9, 308–321. [Google Scholar] [CrossRef]
- Barbir, F. PEM Fuel Cells: Theory and Practice; Academic Press: Cambridge, MA, USA, 2012. [Google Scholar]
- Xun, Q.; Liu, Y.; Holmberg, E. A Comparative Study of Fuel Cell Electric Vehicles Hybridization with Battery or Supercapacitor. In Proceedings of the 2018 International Symposium on Power Electronics, Electrical Drives, Automation and Motion (SPEEDAM), Amalfi, Italy, 20–22 June 2018; IEEE: Piscataway, NJ, USA, 2018; pp. 389–394. [Google Scholar]
- Mihet-Popa, L.; Saponara, S. Toward Green Vehicles Digitalization for the Next Generation of Connected and Electrified Transport Systems. Energies 2018, 11, 3124. [Google Scholar] [CrossRef]
- Das, H.S.; Tan, C.W.; Yatim, A.H.M. Fuel cell hybrid electric vehicles: A review on power conditioning units and topologies. Renew. Sustain. Energy Rev. 2017, 76, 268–291. [Google Scholar] [CrossRef]
- Liu, S.; Bin, Y.; Li, Y.; Scheppat, B. Hierarchical MPC control scheme for fuel cell hybrid electric vehicles. IFAC-PapersOnLine 2018, 51, 646–652. [Google Scholar] [CrossRef]
- Yue, M.; Jemei, S.; Gouriveau, R.; Zerhouni, N. Review on health-conscious energy management strategies for fuel cell hybrid electric vehicles: Degradation models and strategies. Int. J. Hydrogen Energy 2019, 44, 6844–6861. [Google Scholar] [CrossRef]
- Wang, Y.; Sun, Z.; Chen, Z. Energy management strategy for battery/supercapacitor/fuel cell hybrid source vehicles based on finite state machine. Appl. Energy 2019, 254, 113707. [Google Scholar] [CrossRef]
- Djerioui, A.; Houari, A.; Zeghlache, S.; Saim, A.; Benkhoris, M.F.; Mesbahi, T.; Machmoum, M. Energy management strategy of Supercapacitor/Fuel Cell energy storage devices for vehicle applications. Int. J. Hydrogen Energy 2019, 44, 23416–23428. [Google Scholar] [CrossRef]
- Qiu, S.; Qiu, L.; Qian, L.; Pisu, P. Hierarchical energy management control strategies for connected hybrid electric vehicles considering efficiencies feedback. Simul. Model. Pract. Theory 2019, 90, 1–15. [Google Scholar] [CrossRef]
- Li, X.; Han, L.; Liu, H.; Wang, W.; Xiang, C. Real-time optimal energy management strategy for a dual-mode power-split hybrid electric vehicle based on an explicit model predictive control algorithm. Energy 2019, 172, 1161–1178. [Google Scholar] [CrossRef]
- Ahmadi, S.; Bathaee, S.M.T.; Hosseinpour, A.H. Improving fuel economy and performance of a fuel-cell hybrid electric vehicle (fuel-cell, battery, and ultra-capacitor) using optimized energy management strategy. Energy Convers. Manag. 2018, 160, 74–84. [Google Scholar] [CrossRef]
- Harrabi, N.; Souissi, M.; Aitouche, A.; Chaabane, M. Modeling and control of photovoltaic and fuel cell based alternative power systems. Int. J. Hydrogen Energy 2018, 43, 11442–11451. [Google Scholar] [CrossRef]
- García, P.; Torreglosa, J.P.; Fernández, L.M.; Jurado, F. Control strategies for high-power electric vehicles powered by hydrogen fuel cell, battery and supercapacitor. Expert Syst. Appl. 2013, 40, 4791–4804. [Google Scholar] [CrossRef]
- Geng, C.; Jin, X.; Zhang, X. Simulation research on a novel control strategy for fuel cell extended-range vehicles. Int. J. Hydrogen Energy 2019, 44, 408–420. [Google Scholar] [CrossRef]
- Liu, Y.; Li, J.; Chen, Z.; Qin, D.; Zhang, Y. Research on a multi-objective hierarchical prediction energy management strategy for range extended fuel cell vehicles. J. Power Sources 2019, 429, 55–66. [Google Scholar] [CrossRef]
- Fu, Z.; Li, Z.; Si, P.; Tao, F. A hierarchical energy management strategy for fuel cell/battery/supercapacitor hybrid electric vehicles. Int. J. Hydrogen Energy 2019, 44, 22146–22159. [Google Scholar] [CrossRef]
- Reddy, K.J.; Natarajan, S. Energy sources and multi-input DC-DC converters used in hybrid electric vehicle applications—A review. Int. J. Hydrogen Energy 2018, 43, 17387–17408. [Google Scholar] [CrossRef]
- Tran, D.D.; Vafaeipour, M.; El Baghdadi, M.; Barrero, R.; Van Mierlo, J.; Hegazy, O. Thorough state-of-the-art analysis of electric and hybrid vehicle powertrains: Topologies and integrated energy management strategies. Renew. Sustain. Energy Rev. 2019, 119, 109596. [Google Scholar] [CrossRef]
- Das, V.; Padmanaban, S.; Venkitusamy, K.; Selvamuthukumaran, R.; Blaabjerg, F.; Siano, P. Recent advances and challenges of fuel cell based power system architectures and control—A review. Renew. Sustain. Energy Rev. 2017, 73, 10–18. [Google Scholar] [CrossRef]
- Chakraborty, S.; Vu, H.N.; Hasan, M.M.; Tran, D.D.; Baghdadi, M.E.; Hegazy, O. DC-DC converter topologies for electric vehicles, plug-in hybrid electric vehicles and fast charging stations: State of the art and future trends. Energies 2019, 12, 1569. [Google Scholar] [CrossRef]
- Blal, M.; Benatiallah, A.; NeÇaibia, A.; Lachtar, S.; Sahouane, N.; Belasri, A. Contribution and investigation to compare models parameters of (PEMFC), comprehensives review of fuel cell models and their degradation. Energy 2019, 168, 182–199. [Google Scholar] [CrossRef]
- Kasimalla, V.K.; Velisala, V. A review on energy allocation of fuel cell/battery/ultracapacitor for hybrid electric vehicles. Int. J. Energy Res. 2018, 42, 4263–4283. [Google Scholar] [CrossRef]
- Ehsani, M.; Gao, Y.; Longo, S.; Ebrahimi, K. Modern Electric, Hybrid Electric, And Fuel Cell Vehicles, 3rd ed.; CRC Press: Boca Raton, FL, USA, 2018. [Google Scholar]
- Zhou, W.; Yang, L.; Cai, Y.; Ying, T. Dynamic programming for new energy vehicles based on their work modes Part II: Fuel cell electric vehicles. J. Power Sources 2018, 407, 92–104. [Google Scholar] [CrossRef]
- Li, H.; Ravey, A.; N’Diaye, A.; Djerdir, A. Online adaptive equivalent consumption minimization strategy for fuel cell hybrid electric vehicle considering power sources degradation. Energy Convers. Manag. 2019, 192, 133–149. [Google Scholar] [CrossRef]
- Bernard, J.; Hofer, M.; Hannesen, U.; Toth, A.; Tsukada, A.; Büchi, F.N.; Dietrich, P. Fuel cell/battery passive hybrid power source for electric powertrains. J. Power Sources 2011, 196, 5867–5872. [Google Scholar] [CrossRef]
- Nishizawa, A.; Kallo, J.; Garrot, O.; Weiss-Ungethüm, J. Fuel cell and Li-ion battery direct hybridization system for aircraft applications. J. Power Sources 2013, 222, 294–300. [Google Scholar] [CrossRef]
- Roda, V.; Carroquino, J.; Valiño, L.; Lozano, A.; Barreras, F. Remodeling of a commercial plug-in battery electric vehicle to a hybrid configuration with a PEM fuel cell. Int. J. Hydrogen Energy 2018, 43, 16959–16970. [Google Scholar] [CrossRef]
- Fernández, R.Á.; Cilleruelo, F.B.; Martínez, I.V. A new approach to battery powered electric vehicles: A hydrogen fuel-cell-based range extender system. Int. J. Hydrogen Energy 2016, 41, 4808–4819. [Google Scholar] [CrossRef]
- Kim, Y.; Figueroa-Santos, M.; Prakash, N.; Baek, S.; Siegel, J.B.; Rizzo, D.M. Co-optimization of speed trajectory and power management for a fuel-cell/battery electric vehicle. Appl. Energy 2020, 260, 114254. [Google Scholar] [CrossRef]
- Ou, K.; Yuan, W.W.; Choi, M.; Yang, S.; Jung, S.; Kim, Y.B. Optimized power management based on adaptive-PMP algorithm for a stationary PEM fuel cell/battery hybrid system. Int. J. Hydrogen Energy 2018, 43, 15433–15444. [Google Scholar] [CrossRef]
- Yuan, J.; Yang, L.; Chen, Q. Intelligent energy management strategy based on hierarchical approximate global optimization for plug-in fuel cell hybrid electric vehicles. Int. J. Hydrogen Energy 2018, 43, 8063–8078. [Google Scholar] [CrossRef]
- Wang, L.; Wang, Z.; Li, H. Optimized energy storage system design for a fuel cell vehicle using a novel phase shift and duty cycle control. In 2009 IEEE Energy Conversion Congress and Exposition; IEEE: Piscataway, NJ, USA, 2009; pp. 1432–1438. [Google Scholar]
- Aziz, M.; Oda, T.; Mitani, T.; Watanabe, Y.; Kashiwagi, T. Utilization of Electric Vehicles and Their Used Batteries for Peak-Load Shifting. Energies 2015, 8, 3720–3738. [Google Scholar] [CrossRef]
- Chen, Y.; Lin, S.; Hong, B. Experimental study on a passive fuel cell/battery hybrid power system. Energies 2013, 6, 6413–6422. [Google Scholar] [CrossRef]
- Mokrani, Z.; Rekioua, D.; Mebarki, N.; Rekioua, T.; Bacha, S. Proposed energy management strategy in electric vehicle for recovering power excess produced by fuel cells. Int. J. Hydrogen Energy 2017, 42, 19556–19575. [Google Scholar] [CrossRef]
- Fathabadi, H. Combining a proton exchange membrane fuel cell (PEMFC) stack with a Li-ion battery to supply the power needs of a hybrid electric vehicle. Renew. Energy 2019, 130, 714–724. [Google Scholar] [CrossRef]
- Muñoz, P.M.; Correa, G.; Gaudiano, M.E.; Fernández, D. Energy management control design for fuel cell hybrid electric vehicles using neural networks. Int. J. Hydrogen Energy 2017, 42, 28932–28944. [Google Scholar] [CrossRef]
- Badji, A.; Abdeslam, D.O.; Becherif, M.; Eltoumi, F.; Benamrouche, N. Analyze and evaluate of energy management system for fuel cell electric vehicle based on frequency splitting. Math. Comp. Simulat. 2020, 167, 65–77. [Google Scholar] [CrossRef]
- Snoussi, J.; Ben Elghali, S.; Benbouzid, M.; Mimouni, M.F. Auto-adaptive filtering-based energy management strategy for fuel cell hybrid electric vehicles. Energies 2018, 11, 2118. [Google Scholar] [CrossRef]
- Fathabadi, H. Novel fuel cell/battery/supercapacitor hybrid power source for fuel cell hybrid electric vehicles. Energy 2018, 143, 467–477. [Google Scholar] [CrossRef]
- Gherairi, S. Hybrid Electric Vehicle: Design and Control of a Hybrid System (Fuel Cell/Battery/Ultra-Capacitor) Supplied by Hydrogen. Energies 2019, 12, 1272. [Google Scholar] [CrossRef]
- Jenn, A.; Azevedo, I.M.; Michalek, J.J. Alternative fuel vehicle adoption increases fleet gasoline consumption and greenhouse gas emissions under United States corporate average fuel economy policy and greenhouse gas emissions standards. Environ. Sci. Technol. 2016, 50, 2165–2174. [Google Scholar] [CrossRef]
- Cano, Z.P.; Banham, D.; Ye, S.; Hintennach, A.; Lu, J.; Fowler, M.; Chen, Z. Batteries and fuel cells for emerging electric vehicle markets. Nat. Energy 2018, 3, 279–289. [Google Scholar] [CrossRef]
- Morrison, G.; Stevens, J.; Joseck, F. Relative economic competitiveness of light-duty battery electric and fuel cell electric vehicles. Transp. Res. Part C Emerg. Technol. 2018, 87, 183–196. [Google Scholar] [CrossRef]
- Global Market Insights, Inc. Fuel Cell Market Size & Share|Global Forecast Report 2026. Available online: https://www.gminsights.com/industry-analysis/fuel-cell-market (accessed on 6 April 2020).
- Liu, F.; Zhao, F.; Liu, Z.; Hao, H. The impact of fuel cell vehicle deployment on road transport greenhouse gas emissions: The China case. Int. J. Hydrogen Energy 2018, 43, 22604–22621. [Google Scholar] [CrossRef]
- Răboacă, M.-S.; Băncescu, I.; Preda, V.; Bizon, N. An Optimization Model for the Temporary Locations of Mobile Charging Stations. Mathematics 2020, 8, 453. [Google Scholar] [CrossRef]
- Iphe.net. 2020. Available online: https://www.iphe.net/united-states (accessed on 6 April 2020).
- Marketsandmarkets.com. Automotive Fuel Cell Market Size, Share And Industry Forecast To 2028|Marketsandmarkets. 2020. Available online: https://www.marketsandmarkets.com/Market-Reports/automotive-fuel-cell-market-14859789.html (accessed on 7 April 2020).
- Sae, C. Technology Roadmap for Energy Saving and New Energy Vehicles; China Machine Press: Beijing, China, 2016. [Google Scholar]
- Randall, C. China Wants 1 Million Fcevs On Their Roads By 2030—Electrive.Com. 2019. Available online: https://www.electrive.com/2019/09/04/china-wants-1-million-fcevs-on-their-roads-by-2030/ (accessed on 7 April 2020).
- Amir, J.; South Korean Government Reveals Fcevs Roadmap. IHS Markit. 2019. Available online: https://ihsmarkit.com/research-analysis/south-korean-government-reveals-fcevs-roadmap.html (accessed on 7 April 2020).
- All about FCEV—6Roadmap towards A Hydrogen Economy: South Korea—Hyundai Motor Group TECH. Available online: https://tech.hyundaimotorgroup.com/article/all-about-fcev-6-roadmap-towards-a-hydrogen-economy-south-korea/ (accessed on 7 April 2020).
- Fuel Cells Works. Hyundai Showcases Its 2020 Hyundai NEXO: The Next-Generation Fuel Cell SUV—Fuelcellsworks. 2019. Available online: https://fuelcellsworks.com/news/hyundai-showcases-its-2020-hyundai-nexo-the-next-generation-fuel-cell-suv/ (accessed on 7 April 2020).
- Carney, D. First Details On The BMW I Hydrogen NEXT Fuel Cell Vehicle. 2020. Available online: https://www.designnews.com/batteryenergy-storage/first-details-bmw-i-hydrogen-next-fuel-cell-vehicle (accessed on 7 April 2020).
- Ajanovic, A.; Haas, R. Economic and Environmental Prospects for Battery Electric-and Fuel Cell Vehicles: A. Review. Fuel Cells 2019, 19, 515–529. [Google Scholar] [CrossRef]
- Spasov, D.D.; Ivanova, N.A.; Pushkarev, A.S.; Pushkareva, I.V.; Presnyakova, N.N.; Chumakov, R.G.; Fateev, V.N. On the Influence of Composition and Structure of Carbon-Supported Pt-SnO2 Hetero-Clusters onto Their Electrocatalytic Activity and Durability in PEMFC. Catalysts 2019, 9, 803. [Google Scholar] [CrossRef]
- Jin, H.; Guo, C.; Liu, X.; Liu, J.; Vasileff, A.; Jiao, Y.; Zheng, Y.; Qiao, S.-Z. Emerging Two-Dimensional Nanomaterials for Electrocatalysis. Chem. Rev. 2018, 118, 6337–6408. [Google Scholar] [CrossRef]
- Staffell, I.; Scamman, D.; Abad, A.V.; Balcombe, P.; Dodds, P.E.; Ekins, P.; Ward, K.R. The role of hydrogen and fuel cells in the global energy system. Energy Environ. Sci. 2019, 12, 463–491. [Google Scholar] [CrossRef]
- Energy.gov. 2018. Available online: https://www.energy.gov/sites/prod/files/2018/04/f51/fcto_webinarslides_2018_costs_pem_fc_autos_trucks_042518.pdf (accessed on 9 April 2020).
- Pollet, B.G.; Kocha, S.S.; Staffell, I. Current status of automotive fuel cells for sustainable transport. Curr. Opin. Electrochem. 2019, 16, 90–95. [Google Scholar]
- Burkert, A. Fuel Cells-From Euphoria to Disillusionment. ATZ Electron. Worldw. 2019, 14, 8–15. [Google Scholar]
- Inci, M.; Türksoy, Ö. Review of fuel cells to grid interface: Configurations, technical challenges and trends. J. Clean. Prod. 2019, 213, 1353–1370. [Google Scholar] [CrossRef]
- Chewale, M.A.; Wanjari, R.A.; Savakhande, V.B.; Sonawane, P.R. A Review on Isolated and Non-isolated DC-DC Converter for PV Application. In Proceedings of the 2018 International Conference on Control, Power, Communication and Computing Technologies (ICCPCCT), Kerala, India, 23–24 March 2018; IEEE: Piscataway, NJ, USA, 2018; pp. 399–404. [Google Scholar]
- Zhang, Y.; Liu, H.; Li, J.; Sumner, M.; Xia, C. DC–DC boost converter with a wide input range and high voltage gain for fuel cell vehicles. IEEE Trans. Power Electron. 2018, 34, 4100–4111. [Google Scholar] [CrossRef]
- Bi, H.; Wang, P.; Che, Y. A capacitor clamped H-type boost DC-DC converter with wide voltage-gain range for fuel cell vehicles. IEEE Trans. Veh. Technol. 2018, 68, 276–290. [Google Scholar] [CrossRef]
- Elsayad, N.; Moradisizkoohi, H.; Mohammed, O.A. A Single-Switch Transformerless DC--DC Converter With Universal Input Voltage for Fuel Cell Vehicles: Analysis and Design. IEEE Trans. Veh. Technol. 2019, 68, 4537–4549. [Google Scholar] [CrossRef]
- Wang, H.; Gaillard, A.; Hissel, D. A review of DC/DC converter-based electrochemical impedance spectroscopy for fuel cell electric vehicles. Renew. Energy 2019, 141, 124–138. [Google Scholar] [CrossRef]
- Guilbert, D.; Sorbera, D.; Vitale, G. A stacked interleaved DC-DC buck converter for proton exchange membrane electrolyzer applications: Design and experimental validation. Int. J. Hydrogen Energy 2020, 45, 64–79. [Google Scholar] [CrossRef]
- Huang, J.; Wang, Y.; Li, Z.; Lei, W. Unified triple-phase-shift control to minimize current stress and achieve full soft-switching of isolated bidirectional DC–DC converter. IEEE Trans. Ind. Electron. 2016, 63, 4169–4179. [Google Scholar] [CrossRef]
- Rodriguez-Lorente, A.; Barrado, A.; Calderón, C.; Fernández, C.; Lázaro, A. Non-Inverting and Non-Isolated Magnetically Coupled Buck-Boost Bidirectional DC-DC Converter. IEEE Trans. Power Electron. 2020. [Google Scholar] [CrossRef]
- Calderon, C.; Barrado, A.; Rodriguez, A.; Lázaro, A.; Sanz, M.; Olías, E. Dual Active Bridge with Triple Phase Shift, Soft Switching and Minimum RMS Current for the Whole Operating Range. In Proceedings of the IECON 2017–43rd Annual Conference of the IEEE Industrial Electronics Society, Beijing, China, 29 October–1 November 2017; IEEE: Piscataway, NJ, USA, 2017; pp. 4671–4676. [Google Scholar]
- Chandrasekar, B.; Nallaperumal, C.; Dash, S.S. A Nonisolated Three-Port DC–DC Converter with Continuous Input and Output Currents Based on Cuk Topology for PV/Fuel Cell Applications. Electronics 2019, 8, 214. [Google Scholar] [CrossRef]
- Kabalo, M.; Blunier, B.; Bouquain, D.; Miraoui, A. State-of-the-art of DC-DC converters for fuel cell vehicles. In Proceedings of the 2010 IEEE Vehicle Power and Propulsion Conference, Lille, France, 1–3 September 2010; pp. 1–6. [Google Scholar]
- Mansour, A.; Faouzi, B.; Jamel, G.; Ismahen, E. Design and analysis of a high frequency DC–DC converters for fuel cell and super-capacitor used in electrical vehicle. Int. J. Hydrogen Energy 2014, 39, 1580–1592. [Google Scholar] [CrossRef]
- Lesson 24 Cuk And Sepic Converter. Available online: http://www.idc-online.com/technical_references/pdfs/electrical_engineering/C_uK_and_Sepic_Converter.pdf (accessed on 4 February 2020).
- Pires, V.F.; Cordeiro, A.; Foito, D.; Silva, J.F. High Step-Up DC–DC Converter for Fuel Cell Vehicles Based on Merged Quadratic Boost–Ćuk. IEEE Trans. Veh. Technol. 2019, 68, 7521–7530. [Google Scholar] [CrossRef]
- Zhang, C.; Gao, Z.; Chen, T.; Yang, J. Isolated DC/DC converter with three-level high-frequency link and bidirectional power flow ability for electric vehicles. IET Power Electron. 2019, 12, 1742–1751. [Google Scholar] [CrossRef]
- Mihaescu, M. Applications of multiport converters. J. Electr. Eng. Electron. Control Comp. Sci. 2016, 2, 13–18. Available online: http://jeeeccs.net/index.php/journal/article/view/25 (accessed on 5 February 2020).
- Shen, C.; Chen, L.; Chen, H. Dual-input isolated DC-DC converter with ultra-high step-up ability based on sheppard taylor circuit. Electronics 2019, 8, 1125. [Google Scholar] [CrossRef]
- Maroti, P.K.; Al-Ammari, R.; Bhaskar, M.S.; Meraj, M.; Iqbal, A.; Padmanaban, S.; Rahman, S. New tri-switching state non-isolated high gain DC–DC boost converter for microgrid application. IET Power Electron. 2019, 12, 2741–2750. [Google Scholar] [CrossRef]
- Suryoatmojo, H.; Mardiyanto, R.; Riawan, D.C.; Anam, S.; Setijadi, E.; Ito, S.; Wan, I. Implementation of High Voltage Gain DC-DC Boost Converter for Fuel Cell Application. In Proceedings of the 2018 International Conference on Engineering, Applied Sciences, and Technology (ICEAST), Phuket, Thailand, 4–7 July 2018; pp. 1–4. [Google Scholar]
- Prabhakaran, P.; Agarwal, V. Novel Four-Port DC-DC Converter for Interfacing Solar PV-Fuel Cell Hybrid Sources with Low-Voltage Bipolar DC Microgrids. IEEE J. Emerg. Select. Top. Power Electron. 2018. [Google Scholar] [CrossRef]
- Huangfu, Y.; Guo, L.; Ma, R.; Gao, F. An Advanced Robust Noise Suppression Control of Bidirectional DC-DC Converter for Fuel Cell Electric Vehicle. IEEE Trans. Transp. Electrif. 2019. [Google Scholar] [CrossRef]
- Zolfi, P.; Ajami, A. A Novel Three Port DC-DC Converter for Fuel Cell based Electric Vehicle (FCEV) Application. In Proceedings of the Renewable Energies and Distributed Generation, The 6th Iranian Conference on (ICREDG2018), Tehran, Iran, 11–12 June 2018. [Google Scholar]
- Elsayad, N.; Moradisizkoohi, H.; Mohammed, O. A New Single-Switch Structure of a DC-DC Converter with Wide Conversion Ratio for Fuel Cell Vehicles: Analysis and Development. IEEE J. Emerg. Select. Top. Power Electron. 2019. [Google Scholar] [CrossRef]
- Bandi, M.R.; Samuel, P. Analysis. Modelling and Design of Resonant Dual Active Bridge Isolated Bidirectional dc/dc Converter for Minimizing Cold Start Effect of Fuel Cell Vehicle. In Proceedings of the 2018 5th IEEE Uttar Pradesh Section International Conference on Electrical, Electronics and Computer Engineering (UPCON), Gorakhpur, India, 2–4 November 2018; pp. 1–6. [Google Scholar]
- Kern, T.; Dossow, P.; Von Roon, S. Integrating Bidirectionally Chargeable Electric Vehicles into the Electricity Markets. Energies 2020, 13, 5812. [Google Scholar] [CrossRef]
- Samal, S.; Ramana, M.; Barik, P.K. Modeling and Simulation of Interleaved Boost Converter with MPPT for Fuel Cell Application. In Proceedings of the 2018 Technologies for Smart-City Energy Security and Power (ICSESP), Bhubaneswar, India, 28–30 March 2018; IEEE: Piscataway, NJ, USA, 2018; pp. 1–5. [Google Scholar]
- Aouzellag, H.; Ghedamsi, K.; Aouzellag, D. Energy management and fault tolerant control strategies for fuel cell/ultra-capacitor hybrid electric vehicles to enhance autonomy, efficiency and life time of the fuel cell system. Int. J. Hydrogen Energy 2015, 40, 7204–7213. [Google Scholar] [CrossRef]
- Bizon, N. Real-time optimization strategies of Fuel Cell Hybrid Power Systems based on Load-following control: A new strategy, and a comparative study of topologies and fuel economy obtained. Appl. Energy 2019, 241, 444–460. [Google Scholar] [CrossRef]
- Rezk, H.; Nassef, A.M.; Abdelkareem, M.A.; Alami, A.H.; Fathy, A. Comparison among various energy management strategies for reducing hydrogen consumption in a hybrid fuel cell/supercapacitor/battery system. Int. J. Hydrogen Energy 2019. [Google Scholar] [CrossRef]
- Hames, Y.; Kaya, K.; Baltacioglu, E.; Turksoy, A. Analysis of the control strategies for fuel saving in the hydrogen fuel cell vehicles. Int. J. Hydrogen Energy 2018, 43, 10810–10821. [Google Scholar] [CrossRef]
- Xu, L.; Li, J.; Ouyang, M.; Hua, J.; Yang, G. Multi-mode control strategy for fuel cell electric vehicles regarding fuel economy and durability. Int. J. Hydrogen Energy 2014, 39, 2374–2389. [Google Scholar] [CrossRef]
- Li, H.; Ravey, A.; N’Diaye, A.; Djerdir, A. A novel equivalent consumption minimization strategy for hybrid electric vehicle powered by fuel cell, battery and supercapacitor. J. Power Sources 2018, 395, 262–270. [Google Scholar] [CrossRef]
- Kaya, K.; Hames, Y. Two new control strategies: For hydrogen fuel saving and extend the life cycle in the hydrogen fuel cell vehicles. Int. J. Hydrogen Energy 2019, 44, 18967–18980. [Google Scholar] [CrossRef]
- Zhou, D.; Ravey, A.; Al-Durra, A.; Gao, F. A comparative study of extremum seeking methods applied to online energy management strategy of fuel cell hybrid electric vehicles. Energy Convers. Manag. 2017, 151, 778–790. [Google Scholar] [CrossRef]
- Song, K.; Chen, H.; Wen, P.; Zhang, T.; Zhang, B.; Zhang, T. A comprehensive evaluation framework to evaluate energy management strategies of fuel cell electric vehicles. Electrochim. Acta 2018, 292, 960–973. [Google Scholar] [CrossRef]
- Li, Q.; Yang, H.; Han, Y.; Li, M.; Chen, W. A state machine strategy based on droop control for an energy management system of PEMFC-battery-supercapacitor hybrid tramway. Int. J. Hydrogen Energy 2016, 41, 16148–16159. [Google Scholar] [CrossRef]
- Carignano, M.; Roda, V.; Costa-Castelló, R.; Valiño, L.; Lozano, A.; Barreras, F. Assessment of energy management in a fuel cell/battery hybrid vehicle. IEEE Access 2019, 7, 16110–16122. [Google Scholar] [CrossRef]
- Xiong, H.; Liu, H.; Zhang, R.; Yu, L.; Zong, Z.; Zhang, M.; Li, Z. An energy matching method for battery electric vehicle and hydrogen fuel cell vehicle based on source energy consumption rate. Int. J. Hydrogen Energy 2019, 44, 29733–29742. [Google Scholar] [CrossRef]
- Bizon, N.; Thounthong, P. Real-time strategies to optimize the fueling of the fuel cell hybrid power source: A review of issues, challenges and a new approach. Renew. Sustain. Energy Rev. 2018, 91, 1089–1102. [Google Scholar] [CrossRef]
- Bianchi, D.; Rolando, L.; Serrao, L.; Onori, S.; Rizzoni, G.; Al-Khayat, N.; Kang, P. A Rule-Based Strategy for a Series/Parallel Hybrid Electric Vehicle: An Approach Based on Dynamic Programming. In Proceedings of the ASME 2010 Dynamic Systems and Control Conference, Cambridge, MA, USA, 12–15 September 2010; American Society of Mechanical Engineers Digital Collection: New York, NY, USA, 2010; pp. 507–514. [Google Scholar]
- Chen, S.Y.; Wu, C.H.; Hung, Y.H.; Chung, C.T. Optimal strategies of energy management integrated with transmission control for a hybrid electric vehicle using dynamic particle swarm optimization. Energy 2018, 160, 154–170. [Google Scholar] [CrossRef]
- Wang, Y.; Sun, Z.; Chen, Z. Rule-based energy management strategy of a lithium-ion battery, supercapacitor and PEM fuel cell system. Energy Proc. 2019, 158, 2555–2560. [Google Scholar] [CrossRef]
- Zhang, Q.; Li, G. A Game Theory Energy Management Strategy for a Fuel Cell/Battery Hybrid Energy Storage System. Math. Probl. Eng. 2019, 2019. [Google Scholar] [CrossRef]
- Rahimirad, P.; Masih-Tehrani, M.; Dahmardeh, M. Battery life investigation of a hybrid energy management system considering battery temperature effect. Int. J. Automot. Eng. 2019, 9, 2966–2976. [Google Scholar]
- Geetha, A.; Subramani, C. A comprehensive review on energy management strategies of hybrid energy storage system for electric vehicles. Int. J. Energy Res. 2017, 41, 1817–1834. [Google Scholar] [CrossRef]
- Fathy, A.; Rezk, H.; Nassef Ahmed, M. Robust hydrogen-consumption-minimization strategy based salp swarm algorithm for energy management of fuel cell/supercapacitor/batteries in highly fluctuated load condition. Renew. Energy 2019, 139, 147–160. [Google Scholar] [CrossRef]
- Hu, Z.; Li, J.; Xu, L.; Song, Z.; Fang, C.; Ouyang, M.; Kou, G. Multi-objective energy management optimization and parameter sizing for proton exchange membrane hybrid fuel cell vehicles. Energy Convers. Manag. 2016, 129, 108–121. [Google Scholar] [CrossRef]
- Li, X.; Wang, Y.; Yang, D.; Chen, Z. Adaptive energy management strategy for fuel cell/battery hybrid vehicles using Pontryagin’s Minimal Principle. J. Power Sources 2019, 440, 227105. [Google Scholar] [CrossRef]
- Wang, Y.; Sun, Z.; Chen, Z. Development of energy management system based on a rule-based power distribution strategy for hybrid power sources. Energy 2019, 175, 1055–1066. [Google Scholar] [CrossRef]
- Hong, Z.; Li, Q.; Han, Y.; Shang, W.; Zhu, Y.; Chen, W. An energy management strategy based on dynamic power factor for fuel cell/battery hybrid locomotive. Int. J. Hydrogen Energy 2018, 43, 3261–3272. [Google Scholar] [CrossRef]
- Bizon, N.; Thounthong, P. Fuel economy using the global optimization of the Fuel Cell Hybrid Power Systems. Energy Convers. Manag. 2018, 173, 665–678. [Google Scholar] [CrossRef]
- Fernández, R.Á.; Caraballo, S.C.; Cilleruelo, F.B.; Lozano, J.A. Fuel optimization strategy for hydrogen fuel cell range extender vehicles applying genetic algorithms. Renew. Sustain. Energy Rev. 2018, 81, 655–668. [Google Scholar] [CrossRef]
- Pagerit, S.; Rousseau, A.; Sharer, P. Global optimization to real time control of HEV power flow: Example of a fuel cell hybrid vehicle. In Proceedings of the 20th International Electric Vehicle Symposium (EVS20), Monte Carlo, Monaco, 2–6 April 2005. [Google Scholar]
- Song, K.; Li, F.; Hu, X.; He, L.; Niu, W.; Lu, S.; Zhang, T. Multi-mode energy management strategy for fuel cell electric vehicles based on driving pattern identification using learning vector quantization neural network algorithm. J. Power Sources 2018, 389, 230–239. [Google Scholar] [CrossRef]
- Bai, Y.; He, H.; Li, J.; Li, S.; Wang, Y.X.; Yang, Q. Battery anti-aging control for a plug-in hybrid electric vehicle with a hierarchical optimization energy management strategy. J. Clean. Prod. 2019, 237, 117841. [Google Scholar] [CrossRef]
- Machlev, R.; Zargari, N.; Chowdhury, N.R.; Belikov, J.; Levron, Y. A review of optimal control methods for energy storage systems-energy trading, energy balancing and electric vehicles. J. Energy Storage 2020, 32, 101787. [Google Scholar] [CrossRef]
- Cerone, V.; Fosson, S.M.; Regruto, D. A Linear Programming Approach to Sparse Linear Regression with Quantized Data. In Proccedings of the 2019 American Control Conference (ACC), Philadelphia, PA, USA, 10–12 July 2019; IEEE: Piscataway, NJ, USA, 2019; pp. 2990–2995. [Google Scholar]
- Bizon, N. Global Extremum Seeking Algorithms. In Optimization of the Fuel Cell Renewable Hybrid Power Systems; Springer: Cham, Switzerland, 2020; pp. 107–184. [Google Scholar]
- Ettihir, K.; Boulon, L.; Agbossou, K. Optimization-based energy management strategy for a fuel cell/battery hybrid power system. Appl. Energy 2016, 163, 142–153. [Google Scholar] [CrossRef]
- Ettihir, K.; Cano, M.H.; Boulon, L.; Agbossou, K. Design of an adaptive EMS for fuel cell vehicles. Int. J. Hydrogen Energy 2017, 42, 1481–1489. [Google Scholar] [CrossRef]
- Chen, H.; Chen, J.; Liu, Z.; Lu, H. Real-time optimal energy management for a fuel cell/battery hybrid system. Asian J. Control 2019, 21, 1847–1856. [Google Scholar] [CrossRef]
- Zhou, Y.; Ravey, A.; Péra, M. Multi-mode predictive energy management for fuel cell hybrid electric vehicles using Markov driving pattern recognizer. Appl. Energy 2020, 258, 114057. [Google Scholar] [CrossRef]
- Zhou, D.; Al-Durra, A.; Matraji, I.; Ravey, A.; Gao, F. Online energy management strategy of fuel cell hybrid electric vehicles: A fractional-order extremum seeking method. IEEE Trans. Ind. Electron. 2018, 65, 6787–6799. [Google Scholar] [CrossRef]
- Sami, B.; Sihem, N.; Gherairi, S.; Adnane, C. A Multi-Agent System for Smart Energy Management Devoted to Vehicle Applications: Realistic Dynamic Hybrid Electric System Using Hydrogen as a Fuel. Energies 2019, 12, 474. [Google Scholar] [CrossRef]
- Reddy, N.P.; Pasdeloup, D.; Zadeh, M.K.; Skjetne, R. An Intelligent Power and Energy Management System for Fuel Cell/Battery Hybrid Electric Vehicle Using Reinforcement Learning. In Proceedings of the 2019 IEEE Transportation Electrification Conference and Expo (ITEC), Novi, MI, USA, 19–21 June 2019; IEEE: Piscataway, NJ, USA, 2019; pp. 1–6. [Google Scholar]
- Chen, K.; Laghrouche, S.; Djerdir, A. Degradation prediction of proton exchange membrane fuel cell based on grey neural network model and particle swarm optimization. Energy Convers. Manag. 2019, 195, 810–818. [Google Scholar] [CrossRef]
- Ng, M.F.; Zhao, J.; Yan, Q.; Conduit, G.J.; Seh, Z.W. Predicting the state of charge and health of batteries using data-driven machine learning. Nat. Mach. Intell. 2020, 2, 161–170. [Google Scholar] [CrossRef]
- Li, Y.; Liu, K.; Foley, A.M.; Zülke, A.; Berecibar, M.; Nanini-Maury, E.; Van Mierlo, J.; Hosterae, H.E. Data-driven health estimation and lifetime prediction of lithium-ion batteries: A review. Renew. Sust. Energy Rev. 2019, 113, 109254. [Google Scholar] [CrossRef]
- Pollet, B.G.; Staffell, I.; Shang, J.L. Current status of hybrid, battery and fuel cell electric vehicles: From electrochemistry to market prospects. Electrochim. Acta 2012, 84, 235–249. [Google Scholar] [CrossRef]
- Gharibeh, H.F.; Yazdankhah, A.S.; Azizian, M.R. Energy management of fuel cell electric vehicles based on working condition identification of energy storage systems, vehicle driving performance, and dynamic power factor. J. Energy Storage 2020, 31, 101760. [Google Scholar] [CrossRef]
- Zhou, Y.; Ravey, A.; Péra, M. A survey on driving prediction techniques for predictive energy management of plug-in hybrid electric vehicles. J. Power Sources 2019, 412, 480–495. [Google Scholar] [CrossRef]
- Teng, T.; Zhang, X.; Dong, H.; Xue, Q. A comprehensive review of energy management optimization strategies for fuel cell passenger vehicle. Int. J. Hydrogen Energy 2020. [Google Scholar] [CrossRef]
- Ye, H.; Li, G.Y.; Juang, B.F. Deep reinforcement learning based resource allocation for V2V communications. IEEE Trans. Veh. Technol. 2019, 68, 3163–3173. [Google Scholar] [CrossRef]
- Shi, J.; Yang, Z.; Xu, H.; Chen, M.; Champagne, B. Dynamic Resource Allocation for LTE-Based Vehicle-to-Infrastructure Networks. IEEE Trans. Veh. Technol. 2019, 68, 5017–5030. [Google Scholar] [CrossRef]
- Mahbub, A.I.; Zhao, L.; Assanis, D.; Malikopoulos, A.A. Energy-Optimal Coordination of Connected and Automated Vehicles at Multiple Intersections. In Proceedings of the 2019 American Control Conference (ACC), Philadelphia, PA, USA, 10–12 July 2019; IEEE: Piscataway, NJ, USA, 2019; pp. 2664–2669. [Google Scholar]
- Martin, A.; Ivanov, I. Tapping into the Connected Cars Market: What you Need to Know. 2018. Available online: https://www.accesspartnership.com/tapping-into-the-connected-cars-market-what-you-need-to-know/ (accessed on 3 March 2020).
- Corchero, C.; Sanmarti, M. Vehicle- to- Everything (V2X): Benefits and Barriers. In Proceedings of the 2018 15th International Conference on the European Energy Market (EEM), Lodz, Poland, 27–29 June 2018; pp. 1–4. [Google Scholar]
- Thompson, A.W.; Perez, Y. Vehicle-to-Everything (V2X) energy services, value streams, and regulatory policy implications. Energy Policy 2020, 137, 111136. [Google Scholar] [CrossRef]
- V2G Global Roadtrip: Around the World in 50 Projects—Everoze. 2018. Available online: https://everoze.com/v2g-global-roadtrip/ (accessed on 21 December 2020).
- Sahinler, G.B.; Poyrazoglu, G. V2G Applicable Electric Vehicle Chargers, Power Converters & Their Controllers: A Review. In Proceedings of the 2020 2nd Global Power, Energy and Communication Conference (GPECOM), Izmir, Turkey, 20–23 October 2020; pp. 59–64. [Google Scholar]
- Robledo, C.B.; Oldenbroek, V.; Abbruzzese, F.; Van Wijk, A.J. Integrating a hydrogen fuel cell electric vehicle with vehicle-to-grid technology, photovoltaic power and a residential building. Appl. Energy 2018, 215, 615–629. [Google Scholar] [CrossRef]
- Wang, J.; Wang, H.; Fan, Y. Techno-economic challenges of fuel cell commercialization. Engineering 2018, 4, 352–360. [Google Scholar] [CrossRef]
- Wang, J.; Jiang, M.; Yao, Y.; Zhang, Y.; Cao, J. Steam gasification of coal char catalyzed by K2CO3 for enhanced production of hydrogen without formation of methane. Fuel 2009, 88, 1572–1579. [Google Scholar] [CrossRef]
- Navas-Anguita, Z.; García-Gusano, D.; Iribarren, D. A review of techno-economic data for road transportation fuels. Renew. Sustain. Energy Rev. 2019, 112, 11–26. [Google Scholar] [CrossRef]
- Kennedy, D.; Philbin, S.P. Techno-economic analysis of the adoption of electric vehicles. Front. Eng. Manag. 2019, 6, 538–550. [Google Scholar] [CrossRef]
- Ahluwalia, R.K.; Kumar, R. Fuel Cell Systems Analysis, Proceedings of the US Department of Energy Hydrogen and Fuel Cells Program. In Proceedings of the 2011 Annual Merit Review and Peer Evaluation Meeting, Washington, DC, USA, 7–11 June 2014; US Department of Energy: Washington, DC, USA, 2014. [Google Scholar]
- Yang, Y. PEM Fuel Cell System Manufacturing Cost Analysis for Automotive Applications; Austin Power Engineering LLC: Wellesley, MA, USA, 2015. [Google Scholar]
- Elnozahy, A.; Rahman, A.K.A.; Ali, A.H.H.; Abdel-Salam, M. A cost comparison between fuel cell, hybrid and conventional vehicles. In Proceedings of the 16th International Middle-east Power Systems Conference—MEPCON, Cairo, Egypt, 23–25 December 2014; pp. 23–25. [Google Scholar]
- Wu, W.; Chuang, B.N.; Hwang, J.J.; Lin, C.K.; Yang, S.B. Techno-economic evaluation of a hybrid fuel cell vehicle with on-board MeOH-to-H2 processor. Appl. Energy 2019, 238, 401–412. [Google Scholar] [CrossRef]
- Corral-Vega, P.J.; García-Triviño, P.; Fernández-Ramírez, L.M. Design, modelling, control and techno-economic evaluation of a fuel cell/supercapacitors powered container crane. Energy 2019, 186, 115863. [Google Scholar] [CrossRef]
- Yazdani, A.; Bidarvatan, M. Real-time optimal control of power management in a fuel cell hybrid electric vehicle: A comparative analysis. SAE Int. J. Altern. Powertrains 2018, 7, 43–54. [Google Scholar] [CrossRef]
- Bizon, N. Energy optimization of Fuel Cell System by using Global Extremum Seeking algorithm. Appl. Energy 2017, 206, 458–474. [Google Scholar] [CrossRef]
- Bizon, N. Searching of the Extreme Points on Photovoltaic Patterns using a new Asymptotic Perturbed Extremum Seeking Control scheme. Energy Convers. Manag. 2017, 144, 286–302. [Google Scholar] [CrossRef]
- Bizon, N.; Kurt, E. Performance Analysis of Tracking of the Global Extreme on Multimodal Patterns using the Asymptotic Perturbed Extremum Seeking Control Scheme. Int. J. Hydrogen Energy 2017, 42, 17645–17654. [Google Scholar] [CrossRef]
- Bizon, N.; Lopez-Guede, J.M.; Kurt, E.; Thounthong, P.; Mazare, A.G.; Ionescu, L.M.; Iana, G. Hydrogen Economy of the Fuel Cell Hybrid Power System optimized by air flow control to mitigate the effect of the uncertainty about available renewable power and load dynamics. Energy Convers. Manag. 2019, 179, 152–165. [Google Scholar] [CrossRef]
- Snoussi, J.; Elghali, S.B.; Benbouzid, M.; Mimouni, M.F. Optimal sizing of energy storage systems using frequency-separation-based energy management for fuel cell hybrid electric vehicles. IEEE Trans. Veh. Technol. 2018, 67, 9337–9346. [Google Scholar] [CrossRef]
- Li, T.; Liu, H.; Ding, D. Predictive energy management of fuel cell supercapacitor hybrid construction equipment. Energy 2018, 149, 718–729. [Google Scholar] [CrossRef]
- Li, T.; Huang, L.; Liu, H. Energy management and economic analysis for a fuel cell supercapacitor excavator. Energy 2019, 172, 840–851. [Google Scholar] [CrossRef]
- Shen, D.; Lim, C.C.; Shi, P.; Bujlo, P. Energy management of fuel cell hybrid vehicle based on partially observable Markov decision process. IEEE Trans. Control. Syst. Technol. 2018. [Google Scholar] [CrossRef]
- Zhang, R.; Tao, J.; Zhou, H. Fuzzy optimal energy management for fuel cell and supercapacitor systems using neural network based driving pattern recognition. IEEE Trans. Fuzzy Syst. 2018, 27, 45–57. [Google Scholar] [CrossRef]
- Zhang, F.; Hu, X.; Langari, R.; Cao, D. Energy management strategies of connected HEVs and PHEVs: Recent progress and outlook. Progress Energy Combust. Sci. 2019, 73, 235–256. [Google Scholar] [CrossRef]
- Bizon, N.; Shayeghi, H.; Tabatabaei, N.M. (Eds.) Analysis, Control and Optimal Operations in Hybrid Power Systems: Advanced Techniques and Applications for Linear and Nonlinear Systems; Springer: Berlin, Germany, 2013. [Google Scholar] [CrossRef]
- Bizon, N. Optimization of the Fuel Cell Renewable Hybrid. Power Systems; Springer: Berlin, Germany, 2020. [Google Scholar] [CrossRef]













| Topology | Component Type | EMS Controller | Application | Advantages | Disadvantages | Reference | 
|---|---|---|---|---|---|---|
| T1 | PEFC (H2/O2)/Battery PEFC (H2/Air)/Battery | PI Controller | Electric powertrains Aircraft applications | 
 | 
 | [32,33] | 
| T2 | PEMFC/Battery | State machine model Switching control method Pontryagin’s minimum principle and dynamic programming Hierarchical reinforcement learning (HRL) | Plug-in EV FCEV | 
 | 
 | [34,35,36,37,38] | 
| T3 | PEMFC/Battery/Ultracapacitor | PI controller | FCEV | 
 | 
 | [39,40,41] | 
| T4 | PEMFC/Battery | Direct torque control strategy (DTC) Power control strategy and PWM control Neural networks control | FCEV | 
 | 
 | [42,43,44] | 
| T5 | PEMFC/Battery/Ultracapacitor | Energetic macroscopic representation (EMR) Sliding mode control (SMC) Power control strategy and PWM control Fuzzy logic controllers | FCHEV | 
 | 
 | [45,46,47,48] | 
| Convertor Topology | Switching Frequency | Number of Semiconductors | Number of Inductors | Number of Capacitors | Maximum Efficiency | Power Level | Complexity | Reference | 
|---|---|---|---|---|---|---|---|---|
| Capacitor clamped H-type DC-DC converter | 20 kHz | 2 switches 5 diodes | 1 | 4 | 94.72% | 0.4 kW | H | [73] | 
| Non-isolated unidirectional three-port Cuk-Cuk converter | 20 kHz | 2 switches 1 diode | 3 | 3 | 92.74% | 0.1 kW | M | [80] | 
| Tri-switching state non-isolated high gain DC–DC boost converter | 50 kHz | 3 switches 3 diodes | 2 | 2 | 94.67% | 0.5 kW | M | [88] | 
| High voltage gain DC-DC boost converter | 50 kHz | 5 diodes | 2 | 4 | ~85% | 0.5 kW | M | [89] | 
| Four-port DC-DC Converter | 30 kHz | 2 switches 4 diodes | 1 | 2 | 87% (Rated eff.) 93% (Peak eff.) | 0.2 kW | M | [90] | 
| Floating-interleaved buck–boost DC–DC converter | 20 kHz | 4 switches | 2 | 2 | NA | 0.6–1 kW | M | [91] | 
| Three-port DC–DC converter | 50 kHz | 5 switches 5 diodes | 3 | 2 | 92.70% | NA | M | [92] | 
| Single-switch structure of a DC-DC converter | 100 kHz | 1 switch 4 diodes | 2 | 5 | 97.8% (Input voltage: 200 V) 97% (Input voltage: 100 V) | 1.3 kW | M | [93] | 
| Resonant dual active bridge isolated bidirectional DC/DC converters | NA | 8 switches 8 diodes | 1 | 3 | ~97% | 12 kW | H | [94] | 
| Interleaved DC/DC boost converter | 20 kHz | 2 switches 2 diodes | 2 | 1 | NA | NA | M | [96] | 
| EMS Type | Main Advantages of EMS | Main Disadvantages of EMS | 
|---|---|---|
| Rule-based strategies | 
 | 
 | 
| Optimization-based strategies (Global optimization) | 
 | 
 | 
| Optimization-based strategies (Real-time optimization) | 
 | 
 | 
| Learning-based strategies | 
 | 
 | 
| Publisher’s Note: MDPI stays neutral with regard to jurisdictional claims in published maps and institutional affiliations. | 
© 2021 by the authors. Licensee MDPI, Basel, Switzerland. This article is an open access article distributed under the terms and conditions of the Creative Commons Attribution (CC BY) license (http://creativecommons.org/licenses/by/4.0/).
Share and Cite
Sorlei, I.-S.; Bizon, N.; Thounthong, P.; Varlam, M.; Carcadea, E.; Culcer, M.; Iliescu, M.; Raceanu, M. Fuel Cell Electric Vehicles—A Brief Review of Current Topologies and Energy Management Strategies. Energies 2021, 14, 252. https://doi.org/10.3390/en14010252
Sorlei I-S, Bizon N, Thounthong P, Varlam M, Carcadea E, Culcer M, Iliescu M, Raceanu M. Fuel Cell Electric Vehicles—A Brief Review of Current Topologies and Energy Management Strategies. Energies. 2021; 14(1):252. https://doi.org/10.3390/en14010252
Chicago/Turabian StyleSorlei, Ioan-Sorin, Nicu Bizon, Phatiphat Thounthong, Mihai Varlam, Elena Carcadea, Mihai Culcer, Mariana Iliescu, and Mircea Raceanu. 2021. "Fuel Cell Electric Vehicles—A Brief Review of Current Topologies and Energy Management Strategies" Energies 14, no. 1: 252. https://doi.org/10.3390/en14010252
APA StyleSorlei, I.-S., Bizon, N., Thounthong, P., Varlam, M., Carcadea, E., Culcer, M., Iliescu, M., & Raceanu, M. (2021). Fuel Cell Electric Vehicles—A Brief Review of Current Topologies and Energy Management Strategies. Energies, 14(1), 252. https://doi.org/10.3390/en14010252
 
        



 
       
       