Time-Optimal Low-Level Control and Gearshift Strategies for the Formula 1 Hybrid Electric Powertrain
Abstract
1. Introduction
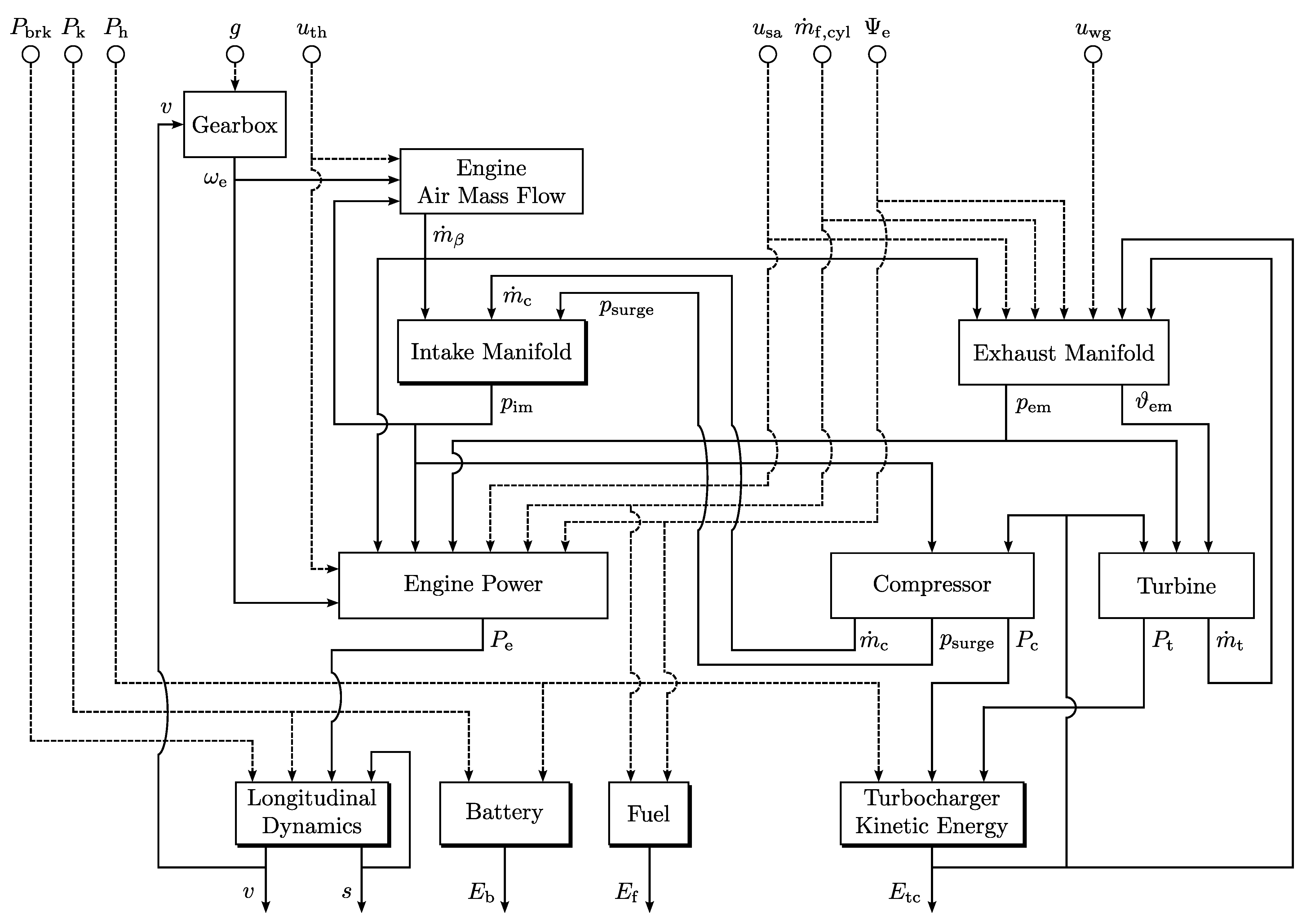
2. Modeling of the Formula 1 Powertrain
2.1. Intake Manifold
2.2. Engine Power and Cylinder Deactivation
2.3. Turbocharger and Waste-Gate
2.4. Exhaust Manifold
2.5. Energy Recovery System
2.6. Longitudinal Dynamics and Gearbox
3. Optimal Control Problem
3.1. Objective and Space Domain
3.2. Outer Convexification and Rounding
3.3. Numerical Solution Method
4. Results
4.1. Detailed Analysis on a Portion of the Lap
4.2. Trends in Entire Lap Solutions
5. Conclusions
Author Contributions
Funding
Institutional Review Board Statement
Informed Consent Statement
Data Availability Statement
Acknowledgments
Conflicts of Interest
Appendix A. Optimal Control Problem (Outer Convexified Formulation)
Appendix B. Mixed-Integer Nonlinear Program Solution

Appendix C. Neural Networks

References
- FIA. 2018 Formula One Sporting Regulations; Technical Report; FIA: Geneva, Switzerland, 2018. [Google Scholar]
- FIA. 2018 Formula One Technical Regulations; Technical Report; FIA: Geneva, Switzerland, 2018. [Google Scholar]
- Hooker, J. Optimal driving for single-vehicle fuel economy. Transp. Res. Part A Gen. 1988, 22, 183–201. [Google Scholar] [CrossRef]
- Pérez, L.V.; Pilotta, E.A. Optimal power split in a hybrid electric vehicle using direct transcription of an optimal control problem. Math. Comput. Simul. 2009, 79, 1959–1970. [Google Scholar] [CrossRef]
- Heppeler, G.; Sonntag, M.; Sawodny, O. Fuel efficiency analysis for simultaneous optimization of the velocity trajectory and the energy management in hybrid electric vehicles. IFAC Proc. Vol. 2014, 47, 6612–6617. [Google Scholar] [CrossRef]
- Sciarretta, A.; Back, M.; Guzzella, L. Optimal control of parallel hybrid electric vehicles. IEEE Trans. Control. Syst. Technol. 2004, 12, 352–363. [Google Scholar] [CrossRef]
- Elbert, P.; Nüesch, T.; Ritter, A.; Murgovski, N.; Guzzella, L. Engine on/off control for the energy management of a serial hybrid electric bus via convex optimization. IEEE Trans. Veh. Technol. 2014, 63, 3549–3559. [Google Scholar] [CrossRef]
- Nüesch, T.; Elbert, P.; Flankl, M.; Onder, C.; Guzzella, L. Convex optimization for the energy management of hybrid electric vehicles considering engine start and gearshift costs. Energies 2014, 7, 834–856. [Google Scholar] [CrossRef]
- Sciarretta, A.; Guzzella, L. Control of hybrid electric vehicles. Control Syst. IEEE 2007, 27, 60–70. [Google Scholar]
- Kim, N.; Cha, S.; Peng, H. Optimal control of hybrid electric vehicles based on Pontryagin’s minimum principle. IEEE Trans. Control. Syst. Technol. 2011, 19, 1279–1287. [Google Scholar]
- Sciarretta, A.; De Nunzio, G.; Ojeda, L.L. Optimal Ecodriving Control: Energy-Efficient Driving of Road Vehicles as an Optimal Control Problem. Control Syst. IEEE 2015, 35, 71–90. [Google Scholar]
- Murgovski, N.; Johannesson, L.; Sjöberg, J.; Egardt, B. Component sizing of a plug-in hybrid electric powertrain via convex optimization. Mechatronics 2012, 22, 106–120. [Google Scholar] [CrossRef]
- Ebbesen, S.; Dönitz, C.; Guzzella, L. Particle Swarm Optimization for Hybrid Electric Drive-train Sizing. Int. J. Veh. Des. 2012, 58, 181–199. [Google Scholar] [CrossRef]
- Ebbesen, S.; Elbert, P.; Guzzella, L. Engine Downsizing and Electric Hybridization Under Consideration of Cost and Drivability. Oil Gas Sci. Technol.-Rev. IFP Energies Nouv. 2012, 68, 109–116. [Google Scholar] [CrossRef]
- Wijkniet, J.; Hofman, T. Modified computational design synthesis using simulation-based evaluation and constraint consistency for vehicle powertrain systems. IEEE Trans. Veh. Technol. 2018, 67, 8065–8076. [Google Scholar] [CrossRef]
- Paganelli, G.; Delprat, S.; Guerra, T.M.; Rimaux, J.; Santin, J.J. Equivalent consumption minimization strategy for parallel hybrid powertrains. In Proceedings of the Vehicular Technology Conference, 2002. VTC Spring 2002, Birmingham, AL, USA, 6–9 May 2002; pp. 2076–2081. [Google Scholar]
- Serrao, L.; Onori, S.; Rizzoni, G. A comparative analysis of energy management strategies for hybrid electric vehicles. J. Dyn. Syst. Meas. Control 2011, 133, 1–9. [Google Scholar] [CrossRef]
- Nüesch, T.; Cerofolini, A.; Mancini, G.; Cavina, N.; Onder, C.; Guzzella, L. Equivalent consumption minimization strategy for the control of real driving NOx emissions of a diesel hybrid electric vehicle. Energies 2014, 7, 3148–3178. [Google Scholar] [CrossRef]
- Ebbesen, S.; Elbert, P.; Guzzella, L. Battery state-of-health perceptive energy management for hybrid electric vehicles. IEEE Trans. Veh. Technol. 2012, 61, 2893–2900. [Google Scholar] [CrossRef]
- Zhao, D.; Stobart, R.; Dong, G.; Winward, E. Real-time energy management for diesel heavy duty hybrid electric vehicles. IEEE Trans. Control. Syst. Technol. 2015, 23, 829–841. [Google Scholar] [CrossRef]
- Zhao, D.; Winward, E.; Yang, Z.; Stobart, R.; Steffen, T. Characterisation, control, and energy management of electrified turbocharged diesel engines. Energy Convers. Manag. 2017, 135, 416–433. [Google Scholar] [CrossRef]
- Schmid, R.; Bürger, J.; Bajcinca, N. Efficient optimal control of plug-in-hybrid electric vehicles including explicit engine on/off decisions. In Proceedings of the 2018 European Control Conference (ECC), Limassol, Cyprus, 12–15 June 2018; pp. 596–601. [Google Scholar]
- Ngo, V.; Hofman, T.; Steinbuch, M.; Serrarens, A. Optimal Control of the Gearshift Command for Hybrid Electric Vehicles. IEEE Trans. Veh. Technol. 2012, 61, 3531–3543. [Google Scholar] [CrossRef]
- Joševski, M.; Abel, D. Gear shifting and engine on/off optimal control in hybrid electric vehicles using partial outer convexification. In Proceedings of the 2016 IEEE Conference on Control Applications (CCA), Buenos Aires, Argentina, 19–22 September 2016; pp. 562–568. [Google Scholar]
- Joševski, M.; Abel, D. Distributed predictive control approach for fuel efficient gear shifting in hybrid electric vehicles. In Proceedings of the 2016 European Control Conference (ECC), Aalborg, Denmark, 29 June–1 July 2016; pp. 2366–2373. [Google Scholar]
- Kirches, C.; Bock, H.G.; Schlöder, J.P.; Sager, S. Mixed-integer NMPC for predictive cruise control of heavy-duty trucks. In Proceedings of the 2013 European Control Conference (ECC), Zurich, Switzerland, 17–19 July 2013; pp. 4118–4123. [Google Scholar]
- Kirches, C.; Sager, S.; Bock, H.G.; Schlöder, J.P. Time-optimal control of automobile test drives with gear shifts. Optim. Control. Appl. Methods 2010, 31, 137–153. [Google Scholar] [CrossRef]
- Robuschi, N.; Zeile, C.; Sager, S.; Braghin, F. Multiphase mixed-integer nonlinear optimal control of hybrid electric vehicles. Automatica 2021, 123, 109325. [Google Scholar] [CrossRef]
- Ritzmann, J.; Christon, A.; Salazar, M.; Onder, C.H. Fuel-optimal Power Split and Gear Selection Strategies for a Hybrid Electric Vehicle. In Proceedings of the SAE International Conference on Engines & Vehicles, Capri, Italy, 15–19 September 2019. [Google Scholar]
- Robuschi, N.; Salazar, M.; Duhr, P.; Braghin, F.; Onder, C.H. Minimum-fuel engine on/off control for the energy management of a hybrid electric vehicle via iterative linear programming. IFAC-PapersOnLine 2019, 52, 134–140. [Google Scholar] [CrossRef]
- Guzzella, L.; Onder, C.H. Introduction to Modeling and Control of Internal Combustion Engine Systems, 2nd ed.; Springer: Berlin/Heidelberg, Germany, 2010. [Google Scholar]
- Eriksson, L. Modeling and control of turbocharged SI and DI engines. Oil Gas Sci. Technol.-Rev. l’IFP 2007, 62, 523–538. [Google Scholar] [CrossRef]
- Eriksson, L.; Nielsen, L. Modeling and Control of Engines and Drivelines; John Wiley & Sons: Hoboken, NJ, USA, 2014. [Google Scholar]
- Arsie, I.; Pianese, C.; Rizzo, G.; Flora, R.; Serra, G. A computer code for SI engine control and powertrain simulation. SAE Trans. 2000, 114, 935–949. [Google Scholar]
- Asprion, J.; Chinellato, O.; Guzzella, L. Optimisation-oriented modelling of the NOx emissions of a diesel engine. Energy Convers. Manag. 2013, 75, 61–73. [Google Scholar] [CrossRef]
- Asprion, J.; Chinellato, O.; Guzzella, L. Optimal control of diesel engines: Numerical methods, applications, and experimental validation. Math. Probl. Eng. 2014, 2014, 1–21. [Google Scholar] [CrossRef] [PubMed]
- Ekberg, K.; Leek, V.; Eriksson, L. Optimal control of wastegate throttle and fuel injection for a heavy-duty turbocharged diesel engine during tip-in. In Proceedings of the 58th Conference on Simulation and Modelling (SIMS 58), Reykjavik, Iceland, 25–27 September 2017; Linköping University Electronic Press: Linköping, Sweden, 2017; pp. 317–325. [Google Scholar]
- Eriksson, L.; Frei, S.; Onder, C.; Guzzella, L. Control and optimization of turbocharged spark ignited engines. IFAC Proc. Vol. 2002, 35, 283–288. [Google Scholar] [CrossRef]
- Sivertsson, M.; Eriksson, L. Modeling for optimal control: A validated diesel-electric powertrain model. In SIMS 2014-55th International Conference on Simulation and Modelling; Linköping University Electronic Press: Linköping, Sweden, 2014; pp. 49–58. [Google Scholar]
- Eriksson, L.; Nielsen, L.; Brugård, J.; Bergström, J.; Pettersson, F.; Andersson, P. Modeling of a turbocharged SI engine. Annu. Rev. Control 2002, 26, 129–137. [Google Scholar] [CrossRef]
- Keller, M.; Geiger, S.; Günther, M.; Pischinger, S.; Abel, D.; Albin, T. Model predictive air path control for a two-stage turbocharged spark-ignition engine with low pressure exhaust gas recirculation. Int. J. Engine Res. 2020, 21, 1835–1845. [Google Scholar] [CrossRef]
- Albin, T.; Ritter, D.; Liberda, N.; Quirynen, R.; Diehl, M. In-vehicle realization of nonlinear MPC for gasoline two-stage turbocharging airpath control. IEEE Trans. Control Syst. Technol. 2017, 26, 1606–1618. [Google Scholar] [CrossRef]
- Dickinson, P.; Glover, K.; Collings, N.; Yamashita, Y.; Yashiro, Y.; Hoshi, T. Real-time control of a two-stage serial VGT diesel engine using MPC. IFAC-PapersOnLine 2015, 48, 117–123. [Google Scholar] [CrossRef]
- Herceg, M.; Raff, T.; Findeisen, R.; Allgowe, F. Nonlinear model predictive control of a turbocharged diesel engine. In Proceedings of the 2006 IEEE Conference on Computer Aided Control System Design, 2006 IEEE International Conference on Control Applications, 2006 IEEE International Symposium on Intelligent Control, Munich, Germany, 4–6 October 2006; pp. 2766–2771. [Google Scholar]
- Marinkov, S.; Murgovski, N.; de Jager, B. Convex modeling and sizing of electrically supercharged internal combustion engine powertrain. IEEE Trans. Veh. Technol. 2016, 65, 4523–4534. [Google Scholar] [CrossRef]
- Marinkov, S.; Murgovski, N.; de Jager, B. Convex Modeling and Optimization of a Vehicle Powertrain Equipped With a Generator–Turbine Throttle Unit. IEEE Trans. Control. Syst. Technol. 2017, 25, 1264–1277. [Google Scholar] [CrossRef]
- Balerna, C.; Lanzetti, N.; Salazar, M.; Cerofolini, A.; Onder, C. Optimal low-level control strategies for a high-performance hybrid electric power unit. Appl. Energy 2020, 276, 115248. [Google Scholar] [CrossRef]
- Casanova, D. On Minimum Time Vehicle Manoeuvring: The Theoretical Optimal Lap. Ph.D. Thesis, School of Mechanical Engineering, Cranfield University, Bedford, UK, 2000. [Google Scholar]
- Perantoni, G.; Limebeer, D. Optimal control for a formula one car with variable parameters. Veh. Syst. Dyn. 2014, 52, 653–678. [Google Scholar] [CrossRef]
- Limebeer, D.; Perantoni, G. Optimal control of a formula one car on a three-dimensional track—Part 2: Optimal control. J. Dyn. Syst. Meas. Control 2015, 137. [Google Scholar] [CrossRef]
- Masouleh, M.I.; Limebeer, D.J. Optimizing the Aero-Suspension Interactions in a Formula One Car. IEEE Trans. Control. Syst. Technol. 2016, 24, 912–927. [Google Scholar] [CrossRef]
- Tremlett, A.J.; Limebeer, D.J.N. Optimal tyre usage for a Formula One car. Veh. Syst. Dyn. 2016, 54, 1448–1473. [Google Scholar] [CrossRef]
- Lot, R.; Evangelou, S. Lap time optimization of a sports series hybrid electric vehicle. In Proceedings of the 2013 World Congress on Engineering, London, UK, 3–5 July 2013; pp. 1–6. [Google Scholar]
- Limebeer, D.; Perantoni, G.; Rao, A. Optimal control of Formula One car energy recovery systems. Int. J. Control 2014, 87, 2065–2080. [Google Scholar] [CrossRef]
- Liu, X.; Fotouhi, A.; Auger, D.J. Optimal energy management for formula-E cars with regulatory limits and thermal constraints. Appl. Energy 2020, 279, 115805. [Google Scholar] [CrossRef]
- Herrmann, T.; Passigato, F.; Betz, J.; Lienkamp, M. Minimum Race-Time Planning-Strategy for an Autonomous Electric Racecar. arXiv 2020, arXiv:2005.07127. [Google Scholar]
- Ebbesen, S.; Salazar, M.; Elbert, P.; Bussi, C.; Onder, C.H. Time-optimal control strategies for a hybrid electric race car. IEEE Trans. Control Syst. Technol. 2018, 26, 233–247. [Google Scholar] [CrossRef]
- Salazar, M.; Elbert, P.; Ebbesen, S.; Bussi, C.; Onder, C.H. Time-optimal control policy for a hybrid electric race car. IEEE Trans. Control Syst. Technol. 2017, 25, 1921–1934. [Google Scholar] [CrossRef]
- Salazar, M.; Balerna, C.; Chisari, E.; Bussi, C.; Onder, C.H. Equivalent lap time minimization strategies for a hybrid electric race car. In Proceedings of the 2018 IEEE Conference on Decision and Control (CDC), Miami Beach, FL, USA, 17–19 December 2018; pp. 6125–6131. [Google Scholar]
- Salazar, M.; Duhr, P.; Balerna, C.; Arzilli, L.; Onder, C.H. Minimum lap time control of hybrid electric race cars in qualifying scenarios. IEEE Trans. Veh. Technol. 2019, 68, 7296–7308. [Google Scholar] [CrossRef]
- Balerna, C.; Salazar, M.; Lanzetti, N.; Bussi, C.; Onder, C.H. Adaptation Algorithms for the Hybrid Electric Powertrain of a Race Car. In Proceedings of the FISITA World Automotive Congress, Chennai, India, 2–5 October 2018. [Google Scholar]
- Salazar, M.; Balerna, C.; Elbert, P.; Grando, F.P.; Onder, C.H. Real-Time Control Algorithms for a Hybrid Electric Race Car Using a Two-Level Model Predictive Control Scheme. IEEE Trans. Veh. Technol. 2017, 66, 10911–10922. [Google Scholar] [CrossRef]
- Duhr, P.; Christodoulou, G.; Balerna, C.; Salazar, M.; Cerofolini, A.; Onder, C.H. Time-optimal Gearshift and Energy Management Strategies for a Hybrid Electric Race Car. Appl. Energy 2020, 282, 115980. [Google Scholar] [CrossRef]
- Hoheisel, T.; Kanzow, C.; Schwartz, A. Theoretical and numerical comparison of relaxation methods for mathematical programs with complementarity constraints. Math. Program. 2013, 137, 257–288. [Google Scholar] [CrossRef]
- Eriksson, L. Mean value models for exhaust system temperatures. SAE Trans. 2002, 111, 753–767. [Google Scholar]
- Roeth, J.; Guzzella, L. Modelling engine and exhaust temperatures of a mono-fuelled turbocharged compressed-natural-gas engine during warm-up. Proc. Inst. Mech. Eng. Part D J. Automob. Eng. 2010, 224, 99–115. [Google Scholar] [CrossRef]
- Fiengo, G.; Glielmo, L.; Santini, S.; Serra, G. Control oriented models for twc-equipped spark ignition engines during the warm-up phase. In Proceedings of the 2002 American Control Conference (IEEE Cat. No. CH37301), Anchorage, AK, USA, 8–10 May 2002; pp. 1761–1766. [Google Scholar]
- Egardt, B.; Murgovski, N.; Pourabdollah, M.; Mardh, L.J. Electromobility studies based on convex optimization: Design and control issues regarding vehicle electrification. IEEE Control Syst. 2014, 34, 32–49. [Google Scholar]
- Murgovski, N.; Johannesson, L.M.; Sjöberg, J. Engine on/off control for dimensioning hybrid electric powertrains via convex optimization. IEEE Trans. Veh. Technol. 2013, 62, 2949–2962. [Google Scholar] [CrossRef]
- Till, J.; Engell, S.; Panek, S.; Stursberg, O. Applied hybrid system optimization: An empirical investigation of complexity. Control Eng. Pract. 2004, 12, 1291–1303. [Google Scholar] [CrossRef]
- Sager, S. Numerical Methods for Mixed-Integer Optimal Control Problems; Der Andere Verlag: Tönning, Germany, 2005. [Google Scholar]
- Jung, M. Relaxations and Approximations for Mixed-Integer Optimal Control. Ph.D. Thesis, Ruprecht Karls Universtät, Heidelberg, Germany, 2014. [Google Scholar]
- Kirches, C. Fast Numerical Methods for Mixed-Integer Nonlinear Model-Predictive Control; Springer: Berlin/Heidelberg, Germany, 2011. [Google Scholar]
- Sager, S.; Bock, H.G.; Diehl, M. Solving Mixed–integer Control Problems by Sum Up Rounding With Guaranteed Integer Gap. SIAM J. Control Optim. 2007. [Google Scholar] [CrossRef]
- MATLAB. Version 7.10.0 (R2010a); The MathWorks Inc.: Natick, MA, USA, 2010. [Google Scholar]
- Andersson, J.A.E.; Gillis, J.; Horn, G.; Rawlings, J.B.; Diehl, M. CasADi—A software framework for nonlinear optimization and optimal control. Math. Program. Comput. 2019, 11, 1–36. [Google Scholar] [CrossRef]
- Wächter, A.; Biegler, L.T. On the implementation of an interior-point filter line-search algorithm for large-scale nonlinear programming. Math. Program. 2006, 106, 25–57. [Google Scholar] [CrossRef]
- Bonami, P.; Biegler, L.T.; Conn, A.R.; Cornuéjols, G.; Grossmann, I.E.; Laird, C.D.; Lee, J.; Lodi, A.; Margot, F.; Sawaya, N.; et al. An algorithmic framework for convex mixed integer nonlinear programs. Discret. Optim. 2008, 5, 186–204. [Google Scholar] [CrossRef]
- Thomasson, A.; Eriksson, L.; Leufven, O.; Andersson, P. Wastegate actuator modeling and model-based boost pressure control. IFAC Proc. Vol. 2009, 42, 87–94. [Google Scholar] [CrossRef]

















Publisher’s Note: MDPI stays neutral with regard to jurisdictional claims in published maps and institutional affiliations. |
© 2020 by the authors. Licensee MDPI, Basel, Switzerland. This article is an open access article distributed under the terms and conditions of the Creative Commons Attribution (CC BY) license (http://creativecommons.org/licenses/by/4.0/).
Share and Cite
Balerna, C.; Neumann, M.-P.; Robuschi, N.; Duhr, P.; Cerofolini, A.; Ravaglioli, V.; Onder, C. Time-Optimal Low-Level Control and Gearshift Strategies for the Formula 1 Hybrid Electric Powertrain. Energies 2021, 14, 171. https://doi.org/10.3390/en14010171
Balerna C, Neumann M-P, Robuschi N, Duhr P, Cerofolini A, Ravaglioli V, Onder C. Time-Optimal Low-Level Control and Gearshift Strategies for the Formula 1 Hybrid Electric Powertrain. Energies. 2021; 14(1):171. https://doi.org/10.3390/en14010171
Chicago/Turabian StyleBalerna, Camillo, Marc-Philippe Neumann, Nicolò Robuschi, Pol Duhr, Alberto Cerofolini, Vittorio Ravaglioli, and Christopher Onder. 2021. "Time-Optimal Low-Level Control and Gearshift Strategies for the Formula 1 Hybrid Electric Powertrain" Energies 14, no. 1: 171. https://doi.org/10.3390/en14010171
APA StyleBalerna, C., Neumann, M.-P., Robuschi, N., Duhr, P., Cerofolini, A., Ravaglioli, V., & Onder, C. (2021). Time-Optimal Low-Level Control and Gearshift Strategies for the Formula 1 Hybrid Electric Powertrain. Energies, 14(1), 171. https://doi.org/10.3390/en14010171

