Lyapunov-Function-Based Controller for Single-Phase NPC Quasi-Z-Source Inverter with 2ω Frequency Ripple Suppression
Abstract
1. Introduction
2. Materials and Methods
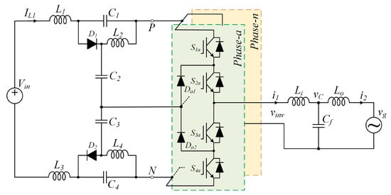
2.1. Mathematical Modeling of NPC-qZSI
2.2. The Proposed Control Technique
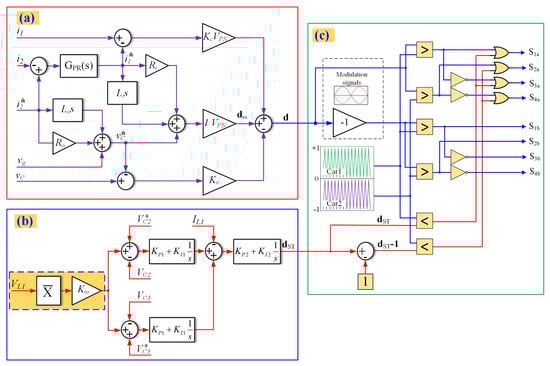
2.2.1. Control of AC-Side Variables
2.2.2. DC-Side Control with Ripple Suppression
2.2.3. Gate Signal Generation
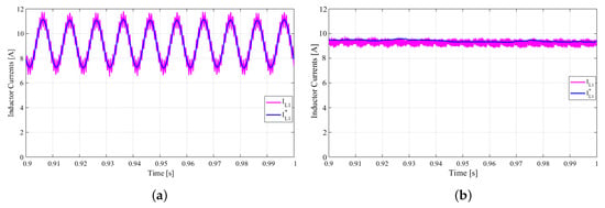
3. Results and Discussion
4. Conclusions
Author Contributions
Funding
Acknowledgments
Conflicts of Interest
Nomenclature
| Abbreviations | |
| AC | Alternating current |
| DC | Direct current |
| MI | Multilevel inverters |
| NPC | Neutral point clamped |
| NPC-qZSI | Neutral point clamped quasi-impedance source inverter |
| PI | Proportional-integral |
| PID | Proportional-integral-derivative |
| PR | Proportional resonant |
| PV | Photovoltaic |
| qZSI | quasi-impedance source inverter |
| THD | Total harmonic distortion |
| VR | Virtual resistor |
| Nomenclature | |
| B | Boost factor |
| The filter capacitance (F) | |
| qZS network capacitances (F) | |
| Shoot-through duty-cycle (%) | |
| The switching function | |
| The steady state term of the switching function | |
| The perturbed term of the switching function | |
| The transfer function of proportional resonant controller | |
| Inductor current (A) | |
| The output current(A) | |
| AC-side proportional gain | |
| AC-side resonant gain | |
| AC-side control gains | |
| DC-side proportional gains | |
| DC-side integral gains | |
| DC-side control gain | |
| qZS network inductances (mH) | |
| The filter inductances (mH) | |
| The inverter output power (W) | |
| The resistances of filter inductances (ohm) | |
| Shoot-through period (sec) | |
| Non-shoot-through period (sec) | |
| DC-link voltage (V) | |
| The output voltage (V) | |
| Input dc voltage (V) | |
| The voltage across the inductors (V) | |
| The voltage across the capacitors (V) | |
| The filter capacitor voltage (V) | |
| Fundamental angular frequency (rad/s) | |
| Phase angle (rad) | |
| 2 | Double-line frequency (rad/s) |
References
- Abu-Rub, H.; Malinowski, M.; Al-Haddad, K. Power Electronics for Renewable Energy Systems, Transportation and Industrial Applications; A John Wiley & Sons Ltd.: Hoboken, NJ, USA, 2014. [Google Scholar]
- Rodriguez, J.; Lai, J.S.; Peng, F.Z. Multilevel inverters: A survey of topologies, controls, and applications. IEEE Trans. Ind. Electron. 2002, 49, 724–738. [Google Scholar] [CrossRef]
- Husev, O.; Roncero-Clemente, C.; Romero-Cadaval, E.; Vinnikov, D.; Stepenko, S. Single phase three-level neutral-point-clamped quasi-Z-source inverter. IET Power Electron. 2015, 8, 1–10. [Google Scholar] [CrossRef]
- Bayhan, S.; Abu-Rub, H.; Balog, R.S. Model Predictive Control of Quasi-Z-Source Four-Leg Inverter. IEEE Trans. Ind. Electron. 2016, 63, 4506–4516. [Google Scholar] [CrossRef]
- Makovenko, E.; Husev, O.; Roncero-Clemente, C.; Romero-Cadaval, E.; Blaabjerg, F. Single-phase 3L PR controlled qZS inverter connected to the distorted grid. In Proceedings of the 2016 10th International Conference on Compatibility, Power Electronics and Power Engineering (CPE-POWERENG), Bydgoszcz, Poland, 29 June–1 July 2016; pp. 234–239. [Google Scholar]
- Husev, O.; Roncero-Clemente, C.; Romero-Cadaval, E.; Vinnikov, D.; Jalakas, T. Three-level three-phase quasi-Z-source neutral-point-clamped inverter with novel modulation technique for photovoltaic application. Electr. Power Syst. Res. 2016, 130, 10–21. [Google Scholar] [CrossRef]
- Husev, O.; Stepenko, S.; Roncero-Clemente, C.; Romero-Cadaval, E.; Strzelecki, R. Experimental Investigation of high frequency 3L-NPC qZS inverter for photovoltaic application. In Proceedings of the IECON 2013—39th Annual Conference of the IEEE Industrial Electronics Society, Vienna, Austria, 10–13 November 2013; pp. 5969–5974. [Google Scholar]
- Song, W.; Ma, J.; Zhou, L.; Feng, X. Deadbeat Predictive Power Control of Single-Phase Three-Level Neutral-Point-Clamped Converters Using Space-Vector Modulation for Electric Railway Traction. IEEE Trans. Power Electron. 2016, 31, 721–732. [Google Scholar] [CrossRef]
- Vazquez, S.; Rodriguez, J.; Rivera, M.; Franquelo, L.G.; Norambuena, M. Model Predictive Control for Power Converters and Drives: Advances and Trends. IEEE Trans. Ind. Electron. 2017, 64, 935–947. [Google Scholar] [CrossRef]
- Evran, F. Plug-in repetitive control of single-phase grid-connected inverter for AC module applications. IET Power Electron. 2017, 10, 47–58. [Google Scholar] [CrossRef]
- Komurcugil, H.; Ozdemir, S.; Sefa, I.; Altin, N.; Kukrer, O. Sliding-Mode Control for Single-Phase Grid-Connected LCL-Filtered VSI With Double-Band Hysteresis Scheme. IEEE Trans. Ind. Electron. 2016, 63, 864–873. [Google Scholar] [CrossRef]
- Altin, N.; Ozdemir, S.; Komurcugil, H.; Sefa, I. Sliding-Mode Control in Natural Frame with Reduced Number of Sensors for Three-Phase Grid-Tied LCL-Interfaced Inverters. IEEE Trans. Ind. Electron. 2018, 66, 2903–2913. [Google Scholar] [CrossRef]
- Hao, X.; Yang, X.; Liu, T.; Huang, L.; Chen, W. A Sliding-Mode Controller With Multiresonant Sliding Surface for Single-Phase Grid-Connected VSI With an LCL Filter. IEEE Trans. Power Electron. 2013, 28, 2259–2268. [Google Scholar] [CrossRef]
- Pena-Alzola, R.; Liserre, M.; Blaabjerg, F.; Sebastian, R.; Dannehl, J.; Fuchs, F.W. Analysis of the Passive Damping Losses in LCL-Filter-Based Grid Converters. IEEE Trans. Power Electron. 2013, 28, 2642–2646. [Google Scholar] [CrossRef]
- Eren, S.; Pahlevaninezhad, M.; Bakhshai, A.; Jain, P.K. Composite Nonlinear Feedback Control and Stability Analysis of a Grid-Connected Voltage Source Inverter With LCL Filter. IEEE Trans. Ind. Electron. 2013, 60, 5059–5074. [Google Scholar] [CrossRef]
- Komurcugil, H.; Bayhan, S.; Abu-Rub, H. Variable- and Fixed-Switching-Frequency-Based HCC Methods for Grid-Connected VSI With Active Damping and Zero Steady-State Error. IEEE Trans. Ind. Electron. 2017, 64, 7009–7018. [Google Scholar] [CrossRef]
- Loh, P.; Holmes, D.G. Analysis of multiloop control strategies for LC/CL/LCL-filtered voltage-source and current-source inverters. IEEE Trans. Ind. Appl. 2005, 41, 644–654. [Google Scholar] [CrossRef]
- Dannehl, J.; Liserre, M.; Fuchs, F.W. Filter-Based Active Damping of Voltage Source Converters With LCL Filter. IEEE Trans. Ind. Electron. 2011, 58, 3623–3633. [Google Scholar] [CrossRef]
- Yao, W.; Yang, Y.; Zhang, X.; Blaabjerg, F.; Loh, P.C. Design and Analysis of Robust Active Damping for LCL Filters Using Digital Notch Filters. IEEE Trans. Power Electron. 2017, 32, 2360–2375. [Google Scholar] [CrossRef]
- Liu, F.; Zhou, Y.; Duan, S.; Yin, J.; Liu, B.; Liu, F. Parameter Design of a Two-Current-Loop Controller Used in a Grid-Connected Inverter System With LCL Filter. IEEE Trans. Ind. Electron. 2009, 56, 4483–4491. [Google Scholar]
- Zhang, B.; Li, Y.; Yang, X.; Liu, Y.; Guo, X.; Chen, J. Lyapunov Function Based Control Strategy for Hybrid Active Power Filter. In Proceedings of the 2017 2nd International Conference on Cybernetics, Robotics and Control (CRC), Chengdu, China, 21–23 July 2017; pp. 94–100. [Google Scholar]
- Rezkallah, M.; Sharma, S.K.; Chandra, A.; Singh, B.; Rousse, D.R. Lyapunov Function and Sliding Mode Control Approach for the Solar-PV Grid Interface System. IEEE Trans. Ind. Electron. 2017, 64, 785–795. [Google Scholar] [CrossRef]
- Sefa, I.; Ozdemir, S.; Komurcugil, H.; Altin, N. Comparative study on Lyapunov-function-based control schemes for single-phase grid-connected voltage-source inverter with LCL filter. IET Renew. Power Gener. 2017, 11, 1473–1482. [Google Scholar] [CrossRef]
- Komurcugil, H.; Bayhan, S.; Abu-Rub, H. Lyapunov-function based control approach with cascaded PR controllers for single-phase grid-tied LCL-filtered quasi-Z-source inverters. In Proceedings of the 2017 11th IEEE International Conference on Compatibility, Power Electronics and Power Engineering (CPE-POWERENG), Cadiz, Spain, 4–6 April 2017; pp. 510–515. [Google Scholar]
- Komurcugil, H.; Altin, N.; Ozdemir, S.; Sefa, I. Lyapunov-Function and Proportional-Resonant-Based Control Strategy for Single-Phase Grid-Connected VSI With LCL Filter. IEEE Trans. Ind. Electron. 2016, 63, 2838–2849. [Google Scholar] [CrossRef]
- Liu, Y.; Abu-Rub, H.; Ge, B. Z-Source Quasi-Z-Source Inverters: Derived Networks, Modulations, Controls, and Emerging Applications to Photovoltaic Conversion. IEEE Indus. Electron. Mag. 2014, 8, 32–44. [Google Scholar] [CrossRef]
- Liu, Y.; Abu-Rub, H.; Ge, B.; Blaabjerg, F.; Ellabban, O.; Poh, C.L. Impedance Source Power Electronic Converters; IEEE Press: New York, NY, USA; A John Wiley & Sons Ltd.: Hoboken, NJ, USA, 2016. [Google Scholar]
- Bayhan, S.; Trabelsi, M.; Abu-Rub, H. Model predictive control based current ripple damping in single-phase quasi-impedance-source inverter. In Proceedings of the 2017 19th European Conference on Power Electronics and Applications (EPE’17 ECCE Europe), Warsaw, Poland, 11–15 September 2017. [Google Scholar]
- Ge, B.; Liu, Y.; Abu-Rub, H.; Balog, R.S.; Peng, F.Z.; Sun, H.; Li, X. An Active Filter Method to Eliminate DC-Side Low-Frequency Power for a Single-Phase Quasi-Z-Source Inverter. IEEE Trans. Ind. Electron. 2016, 63, 4838–4848. [Google Scholar] [CrossRef]
- Ge, B.; Liu, Y.; Abu-Rub, H.; Balog, R.S.; Peng, F.Z.; McConnell, S.; Li, X. Current Ripple Damping Control to Minimize Impedance Network for Single-Phase Quasi-Z Source Inverter System. IEEE Trans. Ind. Inf. 2016, 12, 1043–1054. [Google Scholar] [CrossRef]
- Liang, W.; Liu, Y.; Ge, B.; Abu-Rub, H.; Balog, R.S.; Xue, Y. Double-Line-Frequency Ripple Model, Analysis, and Impedance Design for Energy-Stored Single-Phase Quasi-Z-Source Photovoltaic System. IEEE Trans. Ind. Electron. 2018, 65, 3198–3209. [Google Scholar] [CrossRef]
- Bayhan, S.; Kakosimos, P.; Abu-Rub, H.; Rodriguez, J. Model predictive control of five-level H-bridge neutral-point-clamped qZS inverter. In Proceedings of the IECON 2016—42nd Annual Conference of the IEEE Industrial Electronics Society, Florence, Italy, 23–26 October 2016; pp. 5971–5976. [Google Scholar]
- Bayhan, S.; Komurcugil, H.; Abu-Rub, H.; Liu, Y. A Lyapunov-function based control strategy for for single-phase neutral-point-clamped quasi-impedance source inverter with LCL filter. In Proceedings of the IECON 2018—44th Annual Conference of the IEEE Industrial Electronics Society, Washington, DC, USA, 21–23 October 2018; pp. 3695–3699. [Google Scholar]










| Parameter | Value |
|---|---|
| NPC-qZSI | |
| Input dc voltage () | 200 V |
| qz network inductances () | 0.5 mH |
| qz network capacitances () | 470 F |
| Filter inductance () | 1.5, 0.5 mH |
| Filter resistance () | 0.1, 0.05 |
| Filter capacitance () | 22 F |
| Grid voltage () | 220 Vrms |
| AC-Side Controller | |
| Proportional gain () | 5 |
| Resonant gain () | 1000 |
| Control gains (, ) | −0.0008, 0.875 |
| DC-Side Controller | |
| Proportional gains () | 1.72, 1.2 |
| Integrator gains () | 3.03, 2.1 |
| Control gain () | 20 |
| Comparison Category | [14] | [11,12,13] | [15] | [16] | [18,19] | Proposed Control |
|---|---|---|---|---|---|---|
| Type of damping | Passive damping | VR-based active damping | VR-based active damping | VR-based active damping | Filter-based active damping | VR-based active damping |
| Advantages | [14]: Easy implementation [11,12,13]: Easy implementation, fast dynamic response, strong robustness and disturbance rejection [15]: Fast dynamic response, extensive stability analysis, requires two sensors [16]: Easy implementation, fast dynamic response, low THD in [18,19]: Requires one sensor Proposed control: Fast dynamic response, strengthened stability, requires two sensors, zero steady-state error and low THD in , and very good damping feature | |||||
| Disadvantages | [14]: Additional power losses, reduced efficiency, and not reliable [11,12,13]: Chattering and variable-switching frequency, [13]: Requires three sensors [15]: Sensitive to parameter variations, complicated implementation, high THD and steady-state error in [16]: Fixed switching frequency with additional computation, no stability analysis, requires three sensors [18,19]: Sensitive to parameter variations and disturbances Proposed control: Increased computations | |||||
Publisher’s Note: MDPI stays neutral with regard to jurisdictional claims in published maps and institutional affiliations. |
© 2020 by the authors. Licensee MDPI, Basel, Switzerland. This article is an open access article distributed under the terms and conditions of the Creative Commons Attribution (CC BY) license (http://creativecommons.org/licenses/by/4.0/).
Share and Cite
Bayhan, S.; Komurcugil, H. Lyapunov-Function-Based Controller for Single-Phase NPC Quasi-Z-Source Inverter with 2ω Frequency Ripple Suppression. Energies 2021, 14, 140. https://doi.org/10.3390/en14010140
Bayhan S, Komurcugil H. Lyapunov-Function-Based Controller for Single-Phase NPC Quasi-Z-Source Inverter with 2ω Frequency Ripple Suppression. Energies. 2021; 14(1):140. https://doi.org/10.3390/en14010140
Chicago/Turabian StyleBayhan, Sertac, and Hasan Komurcugil. 2021. "Lyapunov-Function-Based Controller for Single-Phase NPC Quasi-Z-Source Inverter with 2ω Frequency Ripple Suppression" Energies 14, no. 1: 140. https://doi.org/10.3390/en14010140
APA StyleBayhan, S., & Komurcugil, H. (2021). Lyapunov-Function-Based Controller for Single-Phase NPC Quasi-Z-Source Inverter with 2ω Frequency Ripple Suppression. Energies, 14(1), 140. https://doi.org/10.3390/en14010140

