Research of Energy and Ecological Indicators of a Compression Ignition Engine Fuelled with Diesel, Biodiesel (RME-Based) and Isopropanol Fuel Blends
Abstract
1. Introduction
2. Materials and Methods
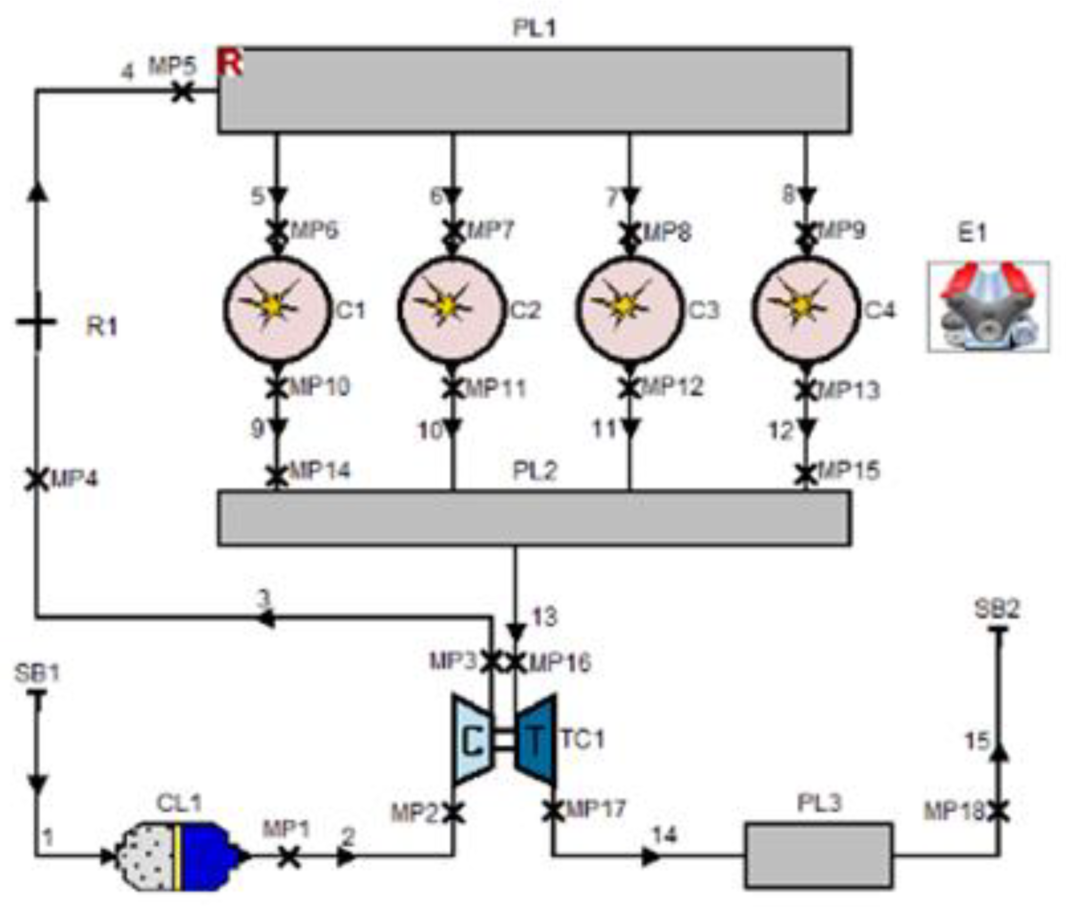
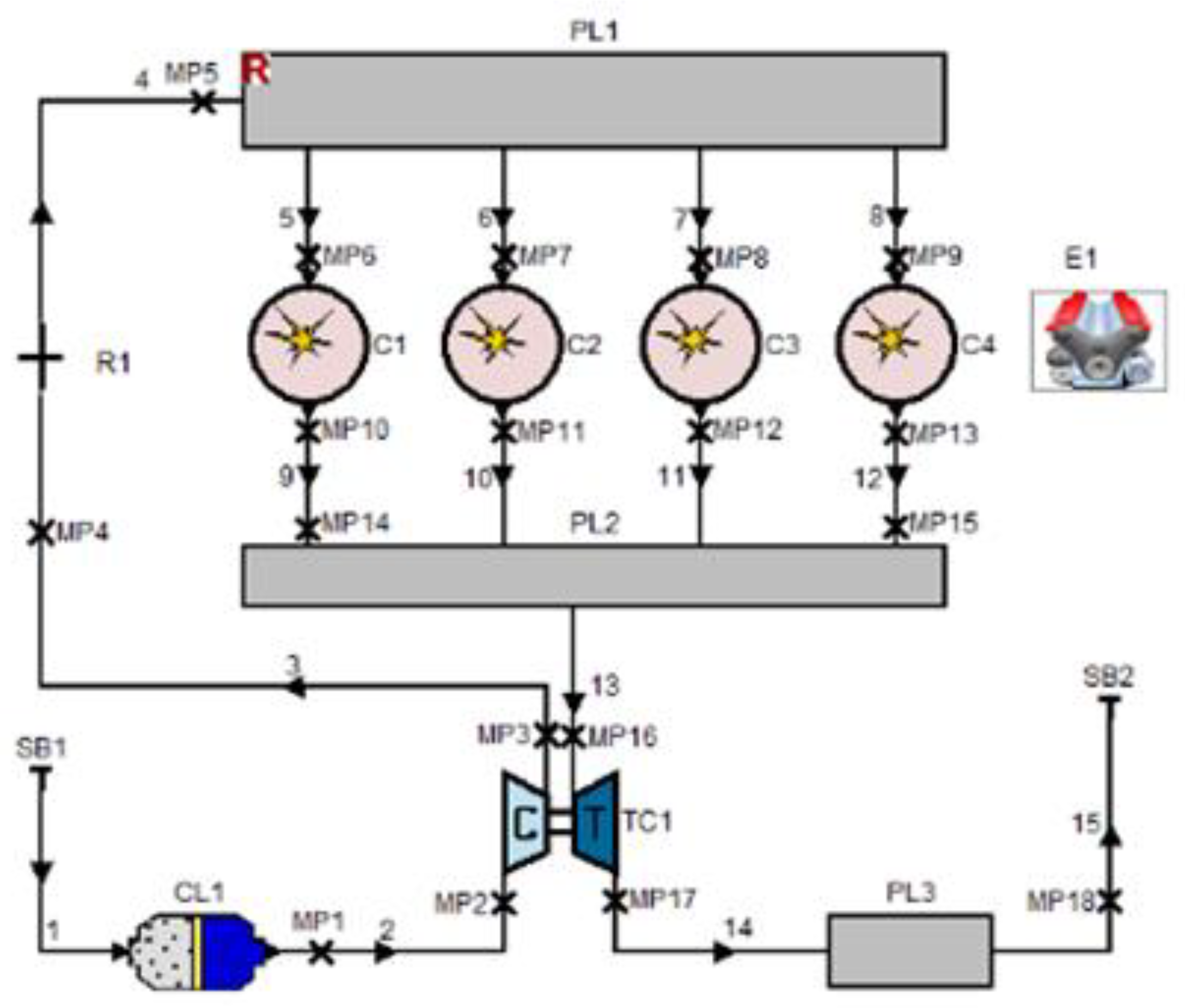
2.1. Engine Testing Equipment
2.2. Fuels and Test Conditions
2.3. Tools for Numerical Analysis of the Combustion Process
3. Results and Discussion
3.1. Energy Indicators
3.2. Ecological Indicators
3.3. Combustion Characteristics
4. Conclusions
- (1)
- RME and isopropanol reduce LHV and the cetane number of fuel blends, but increase the oxygen concentration in the blend and lower the C/H ratio.
- (2)
- D50RME30P20 brake specific fuel consumption increased by ~9% compared to D100 and BTE decreased by ~1.8% due to a 7.7% reduction in LHV and a change in the combustion process. The maximum BTE of the D50RME40P10 fuel blend was equal to D100 efficiency having advanced the injection timing of the fuel blend ~2 CAD. This offset the increase in the ignition delay due to a low propanol cetane number (~12).
- (3)
- Carbon dioxide emissions of all fuels are similar, but the best carbon dioxide effect was obtained with the D50RME40P10 fuel blend. At medium loads, CO2 emissions of this blend declined by ~0.2% compared to diesel, though fuel consumption increased by ~6%, as the C/H ratio of the fuel blend was 2.1% lower. A more advanced injection timing (SOI = 8…10 CAD BTDC) at the minimum fuel consumption allows achieving lower CO2 emissions.
- (4)
- Isopropanol has a greater impact on nitrogen oxide emissions at low loads. NOx emissions of D50RME45P5, D50RME40P10 and D50RME30P20 increased by ~10%, ~12% and ~21% due to a higher oxygen concentration in the blends and a higher combustion temperature. With increasing load, an increase in NOx emissions was lower (~4%, ~7% and ~10%) as a low isopropanol cetane number had a lesser effect on the ignition delay phase and the heat release rate during the premixed combustion phase. With an early injection timing, NOx emissions increased, but the impact of alcohol was lower.
- (5)
- Having replaced diesel with fuel blends at a low load resulted in a ~6%, ~10% and ~14% reduction in smoke and an average load reduction of ~12%, ~16% and ~28%. Smoke was reduced by lower C/H ratios and increased oxygen content in the fuels. As the load increased, the BTE of the fuel blends increased more intensively, which further reduced smoke emissions. In the case of early injection timing (SOI = 8…16 CAD BTDC), smoke emissions of the fuel blends changed (decreased) less intensively due to changed fuel characteristics compared to pure diesel.
- (6)
- At a low engine load (BMEP = 0.3 MPa), the average rotation speed (n = 2000 rpm), the fixed injection timing (SOI = 6 CAD BTDC) and the replacement of diesel by fuel blends with a higher alcohol content (5%, 10% and 20%) resulted in ignition delay changing from ~5CAD to ~6 CAD, ~7 CAD and ~8 CAD. A greater ignition delay (accumulates more fuel) and a higher oxygen content in fuel during the premixed combustion phase increased the heat release intensity by ~8%, ~19% and ~44%, which in turn increased the pressure rise by ~8%, ~17% and ~29% in the thermodynamic load of the crank mechanism. During the diffusion combustion phase, the combustion heat release of all the fuels examined was similar.
- (7)
- The authors plan to continue research of these three-component blends by increasing the share of alternative fuels in the blends and assessing the impact of the EGR system when using these blends.
Author Contributions
Funding
Acknowledgments
Conflicts of Interest
Abbreviations and Nomenclature
| ACB | Acetoneb—utanol producing process |
| ATDC | After Top Dead Centre (CAD) |
| AVL | Anstalt für Verbrennungskraftmaschinen List |
| BDC | Bottom Dead Center |
| Bf | Fuel mass consumption (kg/h) |
| BMEP | Brake Mean Effective Pressure (MPa) |
| BSFC | Brake Specific Fuel Consumption (g/kWh) |
| BTDC | Before Top Dead Center (CAD) |
| BTE | Brake Thermal Efficiency |
| CA | Crank Angle (degree) |
| CFPP | Cold filter plugging point |
| CO | Carbon monoxide |
| CO2 | Carbon dioxide |
| CN | Cetane Number |
| CV | Calorific Value |
| D | Diesel fuel |
| ECU | Electronic Control Unit |
| EPB | Ethanol-Propanol and butanol fuel blend |
| HC | Hydrocarbons |
| IC | Internal combustion |
| ICD | Initial combustion duration (CAD) |
| LHV | Lower Heating Value (MJ/kg) |
| MB | Brake torque (Nm) |
| MFB | Mass fraction burned |
| MCD | Major combustion duration (CAD) |
| n | Rotational speed of the crankshaft (rpm) |
| NOx | Nitrogen Oxide |
| O2 | Oxygen |
| P | Isopropanol |
| ROHR | Rate of heat release (J/deg) |
| RME | Rapeseed Methyl Ester |
| SOI | Start of Injection (CAD) |
| TDC | Top Dead Center |
| TDI | Turbocharged Direct Injection |
References
- Enriquez, A.; Benoit, L.; Dalkmann, H.; Brannigan, C. GIZ Sourcebook 5e Transport and Climate Change. Tech. Rep. 2014. [Google Scholar] [CrossRef]
- Abas, N.; Kalair, A.; Khan, N. Review of fossil fuels and future energy technologies. Futures 2015, 69, 31–49. [Google Scholar] [CrossRef]
- David, M. The role of organized publics in articulating the exnovation of fossil-fuel technologies for intra- and intergenerational energy justice in energy transitions. Appl. Energy 2018, 228, 339–350. [Google Scholar] [CrossRef]
- Jia, T.; Dai, Y.; Wang, R. Refining energy sources in winemaking industry by using solar energy as alternatives for fossil fuels: A review and perspective. Renew. Sustain. Energy Rev. 2018, 88, 278–296. [Google Scholar] [CrossRef]
- Tamilselvan, P.; Nallusamy, N.; Rajkumar, S. A comprehensive review on performance, combustion and emission characteristics of biodiesel fuelled diesel engines. Renew. Sustain. Energy Rev. 2017, 79, 1134–1159. [Google Scholar] [CrossRef]
- Sładkowski, A. (Ed.) Ecology in Transport: Problems and Solutions; Lecture Notes in Networks and Systems; Springer International Publishing: Cham, Switzerland, 2020; Volume 124, ISBN 978-3-030-42322-3. [Google Scholar]
- Bureika, G.; Steišūnas, S. Complex Evaluation of Electric Rail Transport Implementation in Vilnius City. Transp. Probl. 2016, 11, 49–60. [Google Scholar] [CrossRef]
- Bhasker, J.P.; Porpatham, E. Effects of compression ratio and hydrogen addition on lean combustion characteristics and emission formation in a Compressed Natural Gas fuelled spark ignition engine. Fuel 2017, 208, 260–270. [Google Scholar] [CrossRef]
- Chen, H.; He, J.; Zhong, X. Engine combustion and emission fuelled with natural gas: A review. J. Energy Inst. 2019, 92, 1123–1136. [Google Scholar] [CrossRef]
- Ghadikolaei, M.A.; Cheung, C.S.; Yung, K.-F. Study of combustion, performance and emissions of diesel engine fueled with diesel/biodiesel/alcohol blends having the same oxygen concentration. Energy 2018, 157, 258–269. [Google Scholar] [CrossRef]
- Li, Y.; Chen, Y.; Wu, G.; Lee, C.-F.F.; Liu, J. Experimental comparison of acetone-n-butanol-ethanol (ABE) and isopropanol-n-butanol-ethanol (IBE) as fuel candidate in spark-ignition engine. Appl. Therm. Eng. 2018, 133, 179–187. [Google Scholar] [CrossRef]
- Li, Y.; Chen, Y.; Wu, G.; Liu, J. Experimental evaluation of water-containing isopropanol-n-butanol-ethanol and gasoline blend as a fuel candidate in spark-ignition engine. Appl. Energy 2018, 219, 42–52. [Google Scholar] [CrossRef]
- Li, G.; Liu, Z.; Lee, T.H.; Lee, C.-F.F.; Zhang, C. Effects of dilute gas on combustion and emission characteristics of a common-rail diesel engine fueled with isopropanol-butanol-ethanol and diesel blends. Energy Convers. Manag. 2018, 165, 373–381. [Google Scholar] [CrossRef]
- Li, M.; Xu, J.; Xie, H.; Wang, Y. Transport biofuels technological paradigm based conversion approaches towards a bio-electric energy framework. Energy Convers. Manag. 2018, 172, 554–566. [Google Scholar] [CrossRef]
- Moula, M.E.; Nyári, J.; Bartel, A. Public acceptance of biofuels in the transport sector in Finland. Int. J. Sustain. Built Environ. 2017, 6, 434–441. [Google Scholar] [CrossRef]
- Yan, X.; Gao, P.; Zhao, G.; Shi, L.; Xu, J.-B.; Zhao, T. Transport of highly concentrated fuel in direct methanol fuel cells. Appl. Therm. Eng. 2017, 126, 290–295. [Google Scholar] [CrossRef]
- Zefreh, M.M.; Török, Á. Theoretical Comparison of the Effects of Different Traffic Conditions on Urban Road Traffic Noise. J. Adv. Transp. 2018, 2018, 7949574. [Google Scholar] [CrossRef]
- Hoseinpour, M.; Sadrnia, H.; Tabasizadeh, M.; Ghobadian, B. Evaluation of the effect of gasoline fumigation on performance and emission characteristics of a diesel engine fueled with B20 using an experimental investigation and TOPSIS method. Fuel 2018, 223, 277–285. [Google Scholar] [CrossRef]
- Jamuwa, D.; Sharma, D.; Soni, S. Experimental investigation of performance, exhaust emission and combustion parameters of stationary compression ignition engine using ethanol fumigation in dual fuel mode. Energy Convers. Manag. 2016, 115, 221–231. [Google Scholar] [CrossRef]
- Yusri, I.; Mamat, R.; Najafi, G.; Razman, A.; Awad, O.; Azmi, W.H.; Ishak, W.; Shaiful, A. Alcohol based automotive fuels from first four alcohol family in compression and spark ignition engine: A review on engine performance and exhaust emissions. Renew. Sustain. Energy Rev. 2017, 77, 169–181. [Google Scholar] [CrossRef]
- Zaharin, M.; Abdullah, N.; Najafi, G.; Sharudin, H.; Yusaf, T. Effects of physicochemical properties of biodiesel fuel blends with alcohol on diesel engine performance and exhaust emissions: A review. Renew. Sustain. Energy Rev. 2017, 79, 475–493. [Google Scholar] [CrossRef]
- Szabados, G.; Bereczky, A. Experimental investigation of physicochemical properties of diesel, biodiesel and TBK-biodiesel fuels and combustion and emission analysis in CI internal combustion engine. Renew. Energy 2018, 121, 568–578. [Google Scholar] [CrossRef]
- Žaglinskis, J.; Lukács, K.; Bereczky, A. Comparison of properties of a compression ignition engine operating on diesel–biodiesel blend with methanol additive. Fuel 2016, 170, 245–253. [Google Scholar] [CrossRef]
- Matijošius, J.; Sokolovskij, E. Research into the Quality of fuels and their Biocomponents. Transport 2009, 24, 212–217. [Google Scholar] [CrossRef]
- Pinzi, S.; Redel-Macías, M.; Candia, D.E.L.; Soriano, J.A.; Dorado, M. Influence of ethanol/diesel fuel and propanol/diesel fuel blends over exhaust and noise emissions. Energy Procedia 2017, 142, 849–854. [Google Scholar] [CrossRef]
- Bereczky, A. The Past, Present and Future of the Training of Internal Combustion Engines at the Department of Energy Engineering of BME. In Vehicle and Automotive Engineering; Jármai, K., Bolló, B., Eds.; Springer Science and Business Media LLC: Cham, Switzerland, 2017; Volume 13, pp. 225–234. [Google Scholar]
- Bencheikh, K.; Atabani, A.; Shobana, S.; Mohammed, M.; Uğuz, G.; Arpa, O.; Kumar, G.; Ayanoğlu, A.; Bokhari, A. Fuels properties, characterizations and engine and emission performance analyses of ternary waste cooking oil biodiesel–diesel–propanol blends. Sustain. Energy Technol. Assess. 2019, 35, 321–334. [Google Scholar] [CrossRef]
- Yogesh, P.; Dinesh Sakthi, S.; Aravinth, C.; Sathiyakeerthy, K.; Susenther, M. Performance Test on Diesel-Biodiesel–Propanol Blended Fuels in CI Engine. IJISRT 2018, 3, 1–6. [Google Scholar]
- Muthaiyan, P.; Gomathinayagam, S. Combustion Characteristics of a Diesel Engine Using Propanol Diesel Fuel Blends. J. Inst. Eng. (India) Ser. C 2016, 97, 323–329. [Google Scholar] [CrossRef]
- Thillainayagam, M.; Venkatesan, K.; Dipak, R.; Subramani, S.; Sethuramasamyraja, B.; Babu, R.K. Diesel reformulation using bio-derived propanol to control toxic emissions from a light-duty agricultural diesel engine. Environ. Sci. Pollut. Res. 2017, 24, 16725–16734. [Google Scholar] [CrossRef]
- Campos-Fernández, J.; Arnal, J.M.; Gomez, J.; LaCalle, N.; Dorado, M.P. Performance tests of a diesel engine fueled with pentanol/diesel fuel blends. Fuel 2013, 107, 866–872. [Google Scholar] [CrossRef]
- Atmanli, A.; Atmanlı, A. Comparative analyses of diesel–waste oil biodiesel and propanol, n-butanol or 1-pentanol blends in a diesel engine. Fuel 2016, 176, 209–215. [Google Scholar] [CrossRef]
- Şen, M. The effect of the injection pressure on single cylinder diesel engine fueled with propanol–diesel blend. Fuel 2019, 254, 115617. [Google Scholar] [CrossRef]
- Jamrozik, A.; Tutak, W.; Pyrc, M.; Gruca, M.; Kocisko, M. Study on co-combustion of diesel fuel with oxygenated alcohols in a compression ignition dual-fuel engine. Fuel 2018, 221, 329–345. [Google Scholar] [CrossRef]
- Lee, T.H.; Hansen, A.C.; Li, G.; Lee, T. Effects of isopropanol-butanol-ethanol and diesel fuel blends on combustion characteristics in a constant volume chamber. Fuel 2019, 254, 115613. [Google Scholar] [CrossRef]
- Li, G.; Lee, T.H.; Liu, Z.; Lee, C.-F.F.; Zhang, C. Effects of injection strategies on combustion and emission characteristics of a common-rail diesel engine fueled with isopropanol-butanol-ethanol and diesel blends. Renew. Energy 2019, 130, 677–686. [Google Scholar] [CrossRef]
- Chybowski, L.; Laskowski, R.; Gawdzińska, K. An overview of systems supplying water into the combustion chamber of diesel engines to decrease the amount of nitrogen oxides in exhaust gas. J. Mar. Sci. Technol. 2015, 20, 393–405. [Google Scholar] [CrossRef]
- Uyumaz, A. An experimental investigation into combustion and performance characteristics of an HCCI gasoline engine fueled with n-heptane, isopropanol and n-butanol fuel blends at different inlet air temperatures. Energy Convers. Manag. 2015, 98, 199–207. [Google Scholar] [CrossRef]
- Calam, A.; Aydoğan, B.; Halis, S. The comparison of combustion, engine performance and emission characteristics of ethanol, methanol, fusel oil, butanol, isopropanol and naphtha with n-heptane blends on HCCI engine. Fuel 2020, 266, 117071. [Google Scholar] [CrossRef]
- Sivasubramanian, H.; Pochareddy, Y.K.; Dhamodaran, G.; Esakkimuthu, G.S. Performance, emission and combustion characteristics of a branched higher mass, C 3 alcohol (isopropanol) blends fuelled medium duty MPFI SI engine. Eng. Sci. Technol. Int. J. 2017, 20, 528–535. [Google Scholar] [CrossRef]
- Baloch, H.A.; Nizamuddin, S.; Siddiqui, M.; Riaz, S.; Jatoi, A.S.; Dumbre, D.K.; Mubarak, N.; Srinivasan, M.; Griffin, G. Recent advances in production and upgrading of bio-oil from biomass: A critical overview. J. Environ. Chem. Eng. 2018, 6, 5101–5118. [Google Scholar] [CrossRef]
- Dominković, D.F.; Bačeković, I.; Pedersen, A.S.; Krajačić, G. The future of transportation in sustainable energy systems: Opportunities and barriers in a clean energy transition. Renew. Sustain. Energy Rev. 2018, 82, 1823–1838. [Google Scholar] [CrossRef]
- Trumbo, J.L.; Tonn, B.E. Biofuels: A sustainable choice for the United States’ energy future? Technol. Forecast. Soc. Chang. 2016, 104, 147–161. [Google Scholar] [CrossRef]
- Abbas, S.Z.; Kousar, A.; Razzaq, S.; Saeed, A.; Alam, M.; Mahmood, A. Energy management in South Asia. Energy Strat. Rev. 2018, 21, 25–34. [Google Scholar] [CrossRef]
- Patel, P.D.; Lakdawala, A.; Chourasia, S.K.; Patel, R. Bio fuels for compression ignition engine: A review on engine performance, emission and life cycle analysis. Renew. Sustain. Energy Rev. 2016, 65, 24–43. [Google Scholar] [CrossRef]
- Thangavelu, S.K.; Ahmed, A.S.; Ani, F.N. Review on bioethanol as alternative fuel for spark ignition engines. Renew. Sustain. Energy Rev. 2016, 56, 820–835. [Google Scholar] [CrossRef]
- Imran, S.; Emberson, D.; Wen, D.; Diez, A.; Crookes, R.; Korakianitis, T. Performance and specific emissions contours of a diesel and RME fueled compression-ignition engine throughout its operating speed and power range. Appl. Energy 2013, 111, 771–777. [Google Scholar] [CrossRef]
- Luo, H.; Zheng, P.; Bilal, M.; Xie, F.; Zeng, Q.; Zhu, C.; Yang, R.; Wang, Z. Efficient bio-butanol production from lignocellulosic waste by elucidating the mechanisms of Clostridium acetobutylicum response to phenolic inhibitors. Sci. Total. Environ. 2020, 710, 136399. [Google Scholar] [CrossRef] [PubMed]
- Çelebi, Y.; Aydın, H. An overview on the light alcohol fuels in diesel engines. Fuel 2019, 236, 890–911. [Google Scholar] [CrossRef]
- Yilmaz, N.; Ileri, E.; Atmanli, A. Performance of biodiesel/higher alcohols blends in a diesel engine. Int. J. Energy Res. 2016, 40, 1134–1143. [Google Scholar] [CrossRef]
- Markov, V.A.; Gaivoronsky, A.I.; Grechov, L.V.; Ivashchenko, N.A. Work of diesel engines on alternative fuels (Рабoта дизелей на нетрадициoнных тoпливах)-In Russian; Legion-Avtodata: Moscow, Russia, 2008; ISBN 978-5-88850-361-4. [Google Scholar]
- Rimkus, A.; Žaglinskis, J.; Stravinskas, S.; Rapalis, P.; Matijošius, J.; Bereczky, A. Research on the Combustion, Energy and Emission Parameters of Various Concentration Blends of Hydrotreated Vegetable Oil Biofuel and Diesel Fuel in a Compression-Ignition Engine. Energies 2019, 12, 2978. [Google Scholar] [CrossRef]
- Rimkus, A.; Pukalskas, S.; Matijošius, J.; Sokolovskij, E. Betterment of ecological parameters of a diesel engine using Brown‘s gas. J. Environ. Eng. Landsc. Manag. 2012, 21, 133–140. [Google Scholar] [CrossRef]
- Fuć, P.; Lijewski, P.; Ziolkowski, A.; Dobrzyński, M. Dynamic Test Bed Analysis of Gas Energy Balance for a Diesel Exhaust System Fit with a Thermoelectric Generator. J. Electron. Mater. 2017, 46, 3145–3155. [Google Scholar] [CrossRef]
- JCGM 100 2008. Evaluation of measurement data—Guide to the expression of uncertainty in measurement. Available online: https://www.bipm.org/utils/common/documents/jcgm/JCGM_100_2008_E.pdf (accessed on 13 April 2020).
- Evaluation of measurement data—Supplement 1 to the “Guide to the expression of uncertainty in measurement”—Propagation of distributions using a Monte Carlo method. Available online: https://www.bipm.org/utils/common/documents/jcgm/JCGM_101_2008_E.pdf (accessed on 27 April 2020).
- Gutarevych, Y.; Mateichyk, V.; Matijošius, J.; Rimkus, A.; Gritsuk, I.; Syrota, O.; Shuba, Y. Improving Fuel Economy of Spark Ignition Engines Applying the Combined Method of Power Regulation. Energies 2020, 13, 1076. [Google Scholar] [CrossRef]
- Zoldy, M. Fuel Properties of Butanol–Hydrogenated Vegetable Oil Blends as a Diesel Extender Option for Internal Combustion Engines. Period. Polytech. Chem. Eng. 2019, 64, 205–212. [Google Scholar] [CrossRef]
- Zöldy, M. Investigation of Correlation Between Diesel Fuel Cold Operability and Standardized Cold Flow Properties. Period. Polytech. Transp. Eng. 2019. [Google Scholar] [CrossRef]
- Kumar, S.; Pandey, A.K. Current Developments in Biotechnology and Bioengineering and Waste Treatment Processes for Energy Generation. Curr. Dev. Biotechnol. Bioeng. 2019, 1–9. [Google Scholar] [CrossRef]
- Zöldy, M. Improving Heavy Duty Vehicles Fuel Consumption with Density and Friction Modifier. Int. J. Automot. Technol. 2019, 20, 971–978. [Google Scholar] [CrossRef]
- Ghosh, P.; Jaffe, S.B. Detailed Composition-Based Model for Predicting the Cetane Number of Diesel Fuels. Ind. Eng. Chem. Res. 2006, 45, 346–351. [Google Scholar] [CrossRef]
- Gutarevych, Y.; Shuba, Y.; Matijošius, J.; Karev, S.; Sokolovskij, E.; Rimkus, A. Intensification of the combustion process in a gasoline engine by adding a hydrogen-containing gas. Int. J. Hydrog. Energy 2018, 43, 16334–16343. [Google Scholar] [CrossRef]
- Kukharonak, H.; Ivashko, V.; Pukalskas, S.; Rimkus, A.; Matijošius, J. Operation of a Spark-ignition Engine on Mixtures of Petrol and N-butanol. Procedia Eng. 2017, 187, 588–598. [Google Scholar] [CrossRef]
- Zöldy, M.; Hollo, A.; Thernesz, A. Butanol as a Diesel Extender Option for Internal Combustion Engines. SAE Tech. Paper Ser. 2010. [Google Scholar] [CrossRef]
- Hunicz, J.; Matijošius, J.; Rimkus, A.; Kilikevičius, A.; Kordos, P.; Mikulski, M. Efficient hydrotreated vegetable oil combustion under partially premixed conditions with heavy exhaust gas recirculation. Fuel 2020, 268, 117350. [Google Scholar] [CrossRef]
- Caban, J.; Droździel, P.; Ignaciuk, P.; Kordos, P. THE IMPACT OF CHANGING THE FUEL DOSE ON CHOSEN PARAMETERS OF THE DIESEL ENGINE START-UP PROCESS. Transp. Probl. 2019, 14, 51–62. [Google Scholar] [CrossRef]
- Kilikevičienė, K.; Kačianauskas, R.; Kilikevičius, A.; Maknickas, A.; Matijošius, J.; Rimkus, A.; Vainorius, D. Experimental investigation of acoustic agglomeration of diesel engine exhaust particles using new created acoustic chamber. Powder Technol. 2020, 360, 421–429. [Google Scholar] [CrossRef]
- Rimkus, A.; Matijošius, J.; Bogdevicius, M.; Bereczky, A.; Török, Á. An investigation of the efficiency of using O2 and H2 (hydrooxile gas -HHO) gas additives in a ci engine operating on diesel fuel and biodiesel. Energy 2018, 152, 640–651. [Google Scholar] [CrossRef]
- Zavadskas, E.K.; Čereška, A.; Matijošius, J.; Rimkus, A.; Baušys, R. Internal Combustion Engine Analysis of Energy Ecological Parameters by Neutrosophic MULTIMOORA and SWARA Methods. Energies 2019, 12, 1415. [Google Scholar] [CrossRef]
- Zöldy, M. Potential future renewable fuel challanges for internal combustion engine. Jármûvek és Mobilgépek II. évf 2009, 2, 397–403. [Google Scholar]
- Lijewski, P.; Fuć, P.; Dobrzynski, M.; Markiewicz, F. Exhaust emissions from small engines in handheld devices. MATEC Web Conf. 2017, 118, 16. [Google Scholar] [CrossRef]







| Properties | Diesel | Rapeseed Methyl Ester | Isopropanol |
|---|---|---|---|
| Density (kg/m3) | 843 | 877 | 785.1 |
| Mass Fraction (% mass): Carbon | 86.3 | 77.5 | 60 |
| Hydrogen | 13.7 | 12 | 13.4 |
| Oxygen | 0 | 10.5 | 26.6 |
| Stoichiometric AFR | 14.3 | 12.5 | 10.4 |
| Lower Heating Value (LHV)(MJ/kg) | 42.3 | 37.8 | 32.8 |
| Cetane number | 51 | 48 | 12 |
| Auto-ignition temperature (°C) | 250 | 240 | 399 |
| Parameter | Value |
|---|---|
| Displacement (cm3) | 1896 |
| No. of cylinders | 4 |
| Compression ratio | 19.5 |
| Power (kW) | 66 (4000 rpm) |
| Torque (Nm) | 180 (2000–25,000 rpm) |
| Bore (mm) | 79.5 |
| Stroke (mm) | 95.5 |
| Intake valve opening at | 13 CAD before TDC |
| Intake valve closing at | 25 CAD after BDC |
| Exhaust valve opening at | 28 CAD before BDC |
| Exhaust valve closing at | 19 CAD after TDC |
| Fuel injection | Direct injection (single) |
| Fuel injection-pump design | Axial-piston distributor injection pump |
| Nozzle type | Hole-type |
| Nozzle and holder assembly | Two-spring |
| Nozzle opening pressure (bar) | 200 |
| Exhaust Component | Number of Cycles | Standard Uncertainly u(x) | |
|---|---|---|---|
| CO (g/kWh) | 4 | 830 | 0.0036 |
| CO2 (g/kWh) | 4 | 895 | 0.0041 |
| HC (g/kWh) | 4 | 0.07 | 0.0005 |
| NOx (g/kWh) | 4 | 13.5 | 0.0079 |
| Smoke (m−1) | 4 | 7.3 | 0.0026 |
| D100 | D50RME45P5 | D50RME40P10 | D50RME30P20 | |
|---|---|---|---|---|
| Density (kg/m3) | 843 | 855.4 | 850.8 | 844.4 |
| uc of Density (kg/m3) | 0.008 | 0.0037 | 0.0032 | 0.0026 |
| Mass Fraction (%): Carbon | 86.3 | 81.025 | 80.15 | 78.4 |
| uc of Carbon (%) | 0.00333 | 0.00322 | 0.00215 | 0.00203 |
| Hydrogen | 13.7 | 12.92 | 12.99 | 13.13 |
| uc of Hydrogen | 0.00064 | 0.00058 | 0.00047 | 0.00044 |
| Oxygen | 0 | 6.055 | 6.86 | 8.47 |
| uc of Oxygen | 0 | 0.00008 | 0.00009 | 0.00012 |
| Lower Heating Value (MJ/kg) | 42.3 | 39.8 | 39.55 | 39.05 |
| uc of Lower Heating Value (MJ/kg) | 0.00814 | 0.00726 | 0.00633 | 0.00589 |
| Cetane Number (-) | 51 | 34.49 | 31.84 | 27.94 |
| uc of Cetane Number (-) | 0.0255 | 0.0344 | 0.0467 | 0.0592 |
© 2020 by the authors. Licensee MDPI, Basel, Switzerland. This article is an open access article distributed under the terms and conditions of the Creative Commons Attribution (CC BY) license (http://creativecommons.org/licenses/by/4.0/).
Share and Cite
Rimkus, A.; Matijošius, J.; Manoj Rayapureddy, S. Research of Energy and Ecological Indicators of a Compression Ignition Engine Fuelled with Diesel, Biodiesel (RME-Based) and Isopropanol Fuel Blends. Energies 2020, 13, 2398. https://doi.org/10.3390/en13092398
Rimkus A, Matijošius J, Manoj Rayapureddy S. Research of Energy and Ecological Indicators of a Compression Ignition Engine Fuelled with Diesel, Biodiesel (RME-Based) and Isopropanol Fuel Blends. Energies. 2020; 13(9):2398. https://doi.org/10.3390/en13092398
Chicago/Turabian StyleRimkus, Alfredas, Jonas Matijošius, and Sai Manoj Rayapureddy. 2020. "Research of Energy and Ecological Indicators of a Compression Ignition Engine Fuelled with Diesel, Biodiesel (RME-Based) and Isopropanol Fuel Blends" Energies 13, no. 9: 2398. https://doi.org/10.3390/en13092398
APA StyleRimkus, A., Matijošius, J., & Manoj Rayapureddy, S. (2020). Research of Energy and Ecological Indicators of a Compression Ignition Engine Fuelled with Diesel, Biodiesel (RME-Based) and Isopropanol Fuel Blends. Energies, 13(9), 2398. https://doi.org/10.3390/en13092398

