Conceptual Design Development of a Fuel-Reforming System for Fuel Cells in Underwater Vehicles
Abstract
1. Introduction
2. Fuel-Reformer Modeling
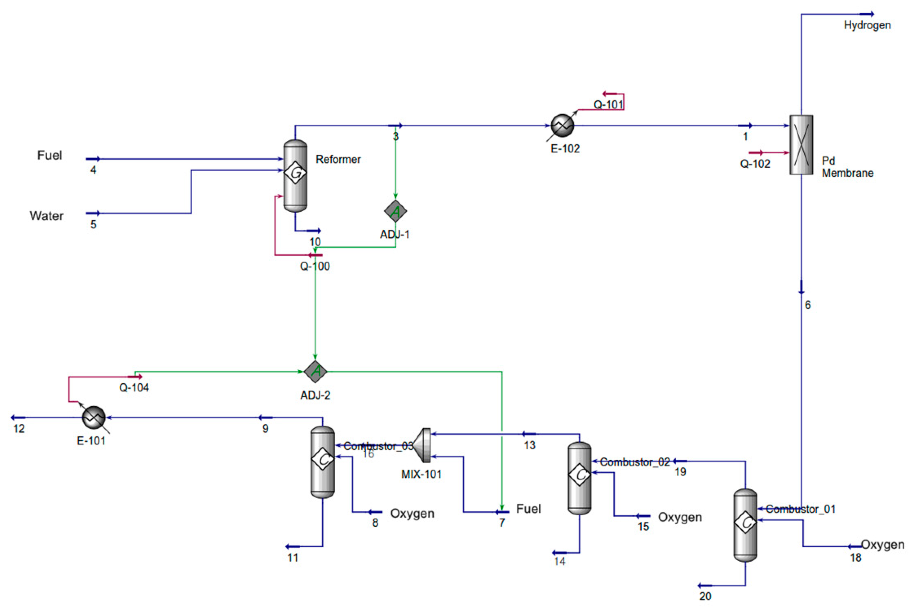
2.1. Configuration and Condition of Fuel-Reformer Model
2.2. Fuel-Reformer Modeling
3. Results and Discussion
3.1. Fuel-Reformer Modeling
3.2. Methanol Steam-Reforming Performance Analysis
4. Conclusions
- (1)
- To produce 1 kmol of hydrogen, 46.3, 53.5, 51.7, and 47.6 kg reactants and oxygen, which is an oxidant, were consumed for methanol, ethanol, gasoline, and diesel, respectively.
- (2)
- Diesel and gasoline had almost the same required spaces, whereas ethanol occupied the largest volume. For methanol, while its storage needed a larger space due to its consumption, the amount of oxygen and compensation water for CO2 was smaller than those of other fuels, the space needed for small. Accordingly, it occupied the smallest volumes.
- (3)
- In the case of methanol, as the reforming pressure increased, the methanol conversion ratio, hydrogen yield and selectivity, and CO2 showed a decreasing tendency. The effect of pressure change on reforming efficiency was low. As the temperature increased, the methanol conversion ratio increased; however, hydrogen selectivity decreased. The reforming efficiency was the highest at 77.7%–77.8% at 260 °C and 270 °C. An increase in SCR led to an increased hydrogen generation amount, but it facilitated an increase in the amount of additional fuel, CO2 generation, and water storage. At 1.5 SCR, the reforming efficiency was the highest at 77.8%, and the CO2 generation amount was the lowest at 1.46 kmol/h.
- (4)
- The separation efficiency did not affect methanol conversion ratio, hydrogen yield, and selectivity. However, under high separation efficiency, the reforming efficiency increased due to the reactant reduction, and the heating value supplied to the reactor also decreased, resulting in a lower CO2 generation amount.
- (5)
- Optimization of a methanol-reforming processor and development of a CO2 dissolution system with minimum volume will be studied in future research.
Author Contributions
Funding
Acknowledgments
Conflicts of Interest
References
- Lee, J.C.; Shay, T. Analysis of fuel cell applied for submarine air independent propulsion (AIP) system. J. Mar. Sci. Technol. 2018, 26, 657–666. [Google Scholar]
- Ghosh, P.C.; Vasudeva, U. Analysis of 3000T class submarines equipped with polymer electrolyte fuel cells. Energy 2011, 36, 3138–3147. [Google Scholar] [CrossRef]
- Psoma, A.; Sattler, G. Fuel cell systems for submarine: from the first idea to serial production. J. Power Sources 2002, 106, 381–383. [Google Scholar] [CrossRef]
- Maeda, T.; Ishigura, S. Development of fuel cell AUV URASHIMA, Kitsubishi Heavy Industries, Ltd. Technol. Rev. 2004, 41, 1–5. [Google Scholar]
- Mendez, A.; Leo, T.; Herreros, M. Current State of Technology of Fuel Cell Power Systems for Autonomous Underwater Vehicles. Energies 2014, 7, 4676–4693. [Google Scholar] [CrossRef]
- Kim, H.D. Concept research of fuel cell system for the UUV. J. Korean Soc. Mar. Environ. Energy 2014, 38, 751–760. [Google Scholar]
- Ji, H.J.; Choi, E.Y.; Lee, J.H. Optimal operation condition of pressurized methanol fuel processor for underwater environment. Trans Korean Hydrog. New Energy Soc. 2016, 27, 485–493. [Google Scholar] [CrossRef]
- Etienne, R.; Michel, T.; Karim, Z. Hydrogen storage for mobility: A Review. Materials 2019, 12, 1973. [Google Scholar]
- Purnima, P.; Jayanti, S. A high-efficiency, auto-thermal system for on-board hydrogen production for low temperature PEM fuel cells using dual reforming of ethanol. Int. J. Hydrogen Energy 2016, 41, 13800–13810. [Google Scholar] [CrossRef]
- Ahmed, S.; Krumpelt, M. Hydrogen from hydrocarbon fuels for fuel cells. Int. J. Hydrogen Energy 2001, 26, 291–301. [Google Scholar] [CrossRef]
- Chiu, Y.; Chiu, H.; Hsieh, R.; Jang, J.; Jiang, B. Simulations of Hydrogen Production by Methanol Steam Reforming. Energy Procedia 2019, 156, 38–42. [Google Scholar] [CrossRef]
- Ming, Q.; Healey, T.; Allen, L.; Irving, P. Steam reforming of hydrocarbon fuels. Catal. Today 2002, 77, 51–64. [Google Scholar] [CrossRef]
- Lutz, A.E.; Bradshaw, R.W.; Keller, J.O.; Witmer, D.E. Thermodynamic analysis of hydrogen production by steam reforming. Int. J. Hydrogen Energy 2003, 28, 159–167. [Google Scholar] [CrossRef]
- Ni, M.Y.C.; Leung, D.K.H.; Leung, M. A review on reforming bio-ethanol for hydrogen production. Int. J. Hydrogen Energy 2007, 32, 3247. [Google Scholar] [CrossRef]
- Danial Doss, E.; Kumar, R.; Ahluwalia, R.K.; Krumpelt, M. Fuel processors for automotive fuel cell systems: a parametric analysis. J. Power Sources 2001, 102, 1–15. [Google Scholar] [CrossRef]
- Krumpelt, M.; Krause, T.R.; Cater, J.D.; Kopasz, J.P.; Ahmed, S. Fuel processing for fuel cell systems in transportation and portable power applications. Catal. Today 2002, 77, 316. [Google Scholar] [CrossRef]
- Krummrich, S.; Llabres, J. Methanol reformer-The next milestone for fuel cell powered submarines. Int. J. Hydrogen Energy 2015, 40, 5482–5486. [Google Scholar] [CrossRef]
- Boon, J.; van Dijk, E.; de Munck, S.; van den Brink, R. Steam reforming of commercial ultra-low sulphur diesel. J. Power Sources 2011, 196, 5928–5935. [Google Scholar] [CrossRef]
- Lee, T.J.; Kang, I.Y. Diesel reforming technology for fuel cell system. Ceramist 2012, 15, 11–13. [Google Scholar]
- Knapton, A.G. Palladium alloys for hydrogen diffusion membranes. Platin. Metals Rev. 1977, 21, 44–50. [Google Scholar]
- Plazaola, A.A.; Tanaka, D.P.; Annaland, M.V.; Gallucci, F. Recent Advances in Pd-Based Membranes for Membrane Reactors. Molecules 2017, 22, 51. [Google Scholar] [CrossRef] [PubMed]
- Grashoff, G.J.; Pilkington, C.; Corti, C. The Purification of Hydrogen—A review of the technology emphasizing the current status of palladium membrane diffusion. Johns. Matthey Group Res. Cent. Platin. Metals Rev. 1983, 27, 157–169. [Google Scholar]
- Dickson, A. The carbon dioxide system in seawater: Equilibrium chemistry and measurements. In Guide to Best Practices for Ocean Acidification Research and Data Reporting; North Pacific Marine Science Organization: Sidney, Canada, 2007; pp. 17–40. [Google Scholar]
- Zhenhao, D.; Sun, R. An improved model calculating CO2 solubility in pure water and aqueous NaCl solutions from 273 to 533K and from 0 to 2000 bar. Chem. Geol. 2003, 193, 257–271. [Google Scholar]
- Kabza, A. Just another Fuel Cell Formulary. Retrieved February 2017. Available online: http://www.pemfc.de/FCF_Smart.pdf (accessed on 17 October 2019).
- Brighton, D.R.; Mart, P.L.; Clark, G.A.; Rowan, M.J.M. The use of fuel cells to enhance the underwater performance of conventional diesel electric submarines. J. Power Sources 1994, 51, 375–389. [Google Scholar] [CrossRef]














| Method | Gravimetric Energy Density (wt%) | Volumetric Energy Density (MJ/L) | Temperature (K) | Pressure (barg) |
|---|---|---|---|---|
| Compressed | 5.7 | 4.9 | 293 | 700 |
| Liquid | 7.5 | 6.4 | 20 | 0 |
| Cold/Cryo Compressed | 5.4 | 4.0 | 40-80 | 300 |
| Carbon nanostructures | 2.0 | 5.0 | 298 | 100 |
| Metal hydrides | 7.6 | 13.2 | 260–425 | 20 |
| Metal borohydrides | 14.9–18.50 | 9.8–17.6 | 130 | 105 |
| LOHC | 8.5 | 7 | 293 | 0 |
| Fuel | Chemical Formula | Reaction Temperature |
|---|---|---|
| Diesel | C16H34 | 800 °C |
| Gasoline | C8H18 | 800 °C |
| Ethanol | C2H5OH | 800 °C |
| Methanol | CH3OH | 300 °C |
| Fuel | LHV |
|---|---|
| Diesel | 1.004 × 107 kJ/kmol |
| Gasoline | 5.119 × 106 kJ/kmol |
| Ethanol | 1.235 × 106 kJ/kmol |
| Methanol | 6.381 × 105 kJ/kmol |
© 2020 by the authors. Licensee MDPI, Basel, Switzerland. This article is an open access article distributed under the terms and conditions of the Creative Commons Attribution (CC BY) license (http://creativecommons.org/licenses/by/4.0/).
Share and Cite
Jung, S.-K.; Cha, W.-S.; Park, Y.-I.; Kim, S.-H.; Choi, J. Conceptual Design Development of a Fuel-Reforming System for Fuel Cells in Underwater Vehicles. Energies 2020, 13, 2000. https://doi.org/10.3390/en13082000
Jung S-K, Cha W-S, Park Y-I, Kim S-H, Choi J. Conceptual Design Development of a Fuel-Reforming System for Fuel Cells in Underwater Vehicles. Energies. 2020; 13(8):2000. https://doi.org/10.3390/en13082000
Chicago/Turabian StyleJung, Seung-Kyo, Won-Sim Cha, Yeong-In Park, Shin-Hyung Kim, and Jungho Choi. 2020. "Conceptual Design Development of a Fuel-Reforming System for Fuel Cells in Underwater Vehicles" Energies 13, no. 8: 2000. https://doi.org/10.3390/en13082000
APA StyleJung, S.-K., Cha, W.-S., Park, Y.-I., Kim, S.-H., & Choi, J. (2020). Conceptual Design Development of a Fuel-Reforming System for Fuel Cells in Underwater Vehicles. Energies, 13(8), 2000. https://doi.org/10.3390/en13082000

