A Comprehensive AC Current Ripple Analysis and Performance Enhancement via Discontinuous PWM in Three-Phase Four-Leg Grid-Connected Inverters
Abstract
1. Introduction
2. Basic Assumptions and Carrier-Based Modulation Principle
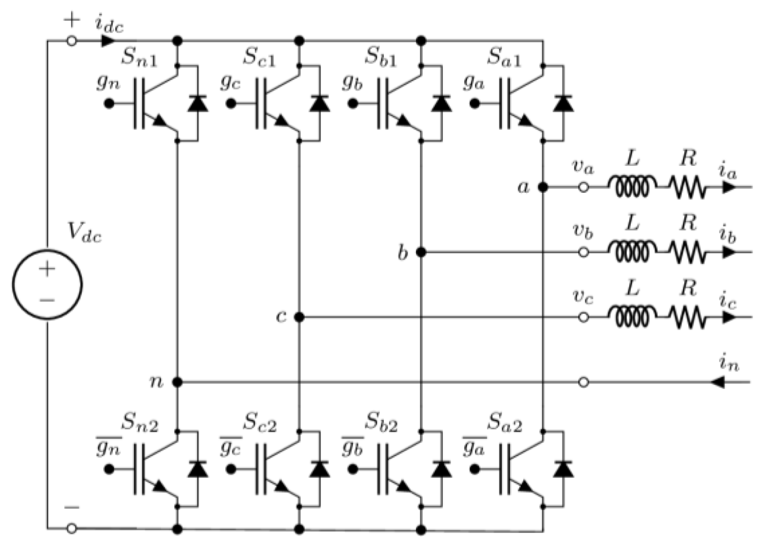
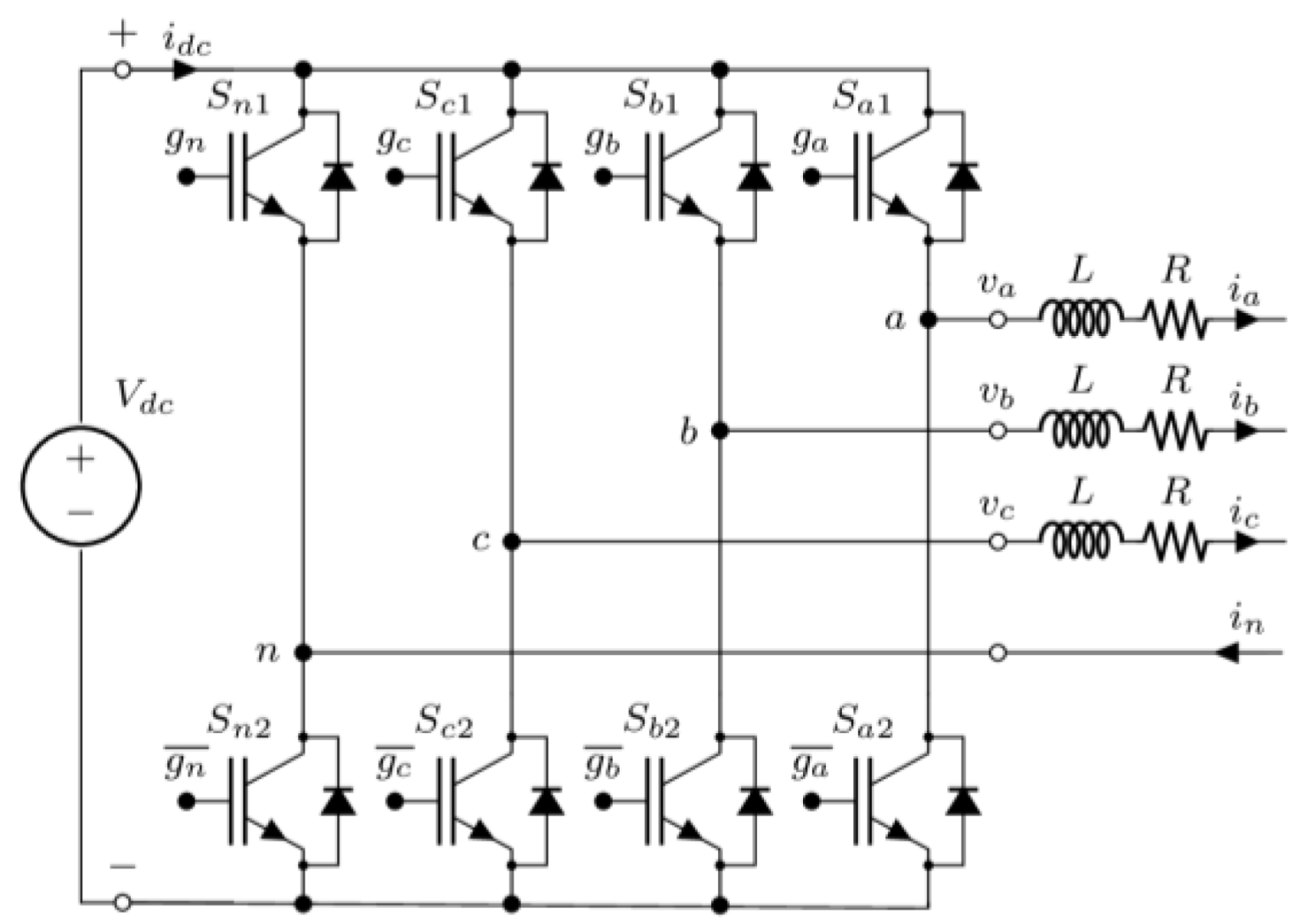
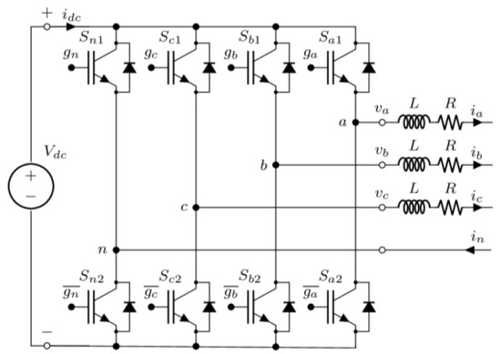
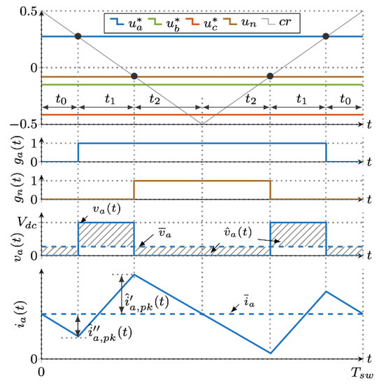
2.1. Converter Model and Current Ripple Definition
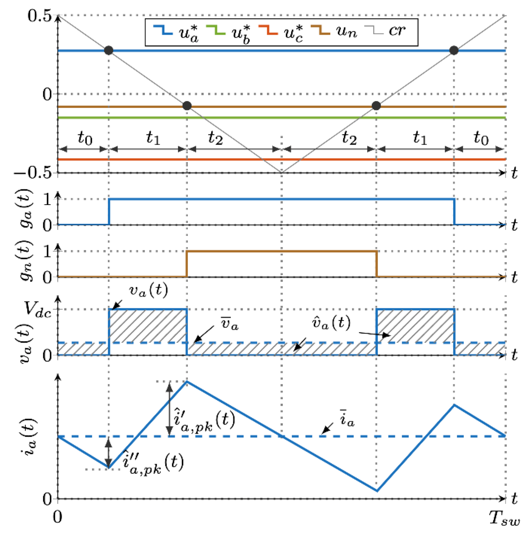
2.2. Carrier-Based Common-Mode Injection
3. Discontinuous PWM Review
3.1. DPWMMAX and DPWMMIN
3.2. Generalized DPWM
3.2.1. DPWM0
3.2.2. DPWM1
3.2.3. DPWM2
3.3. DPWM3
4. Phase Currents Ripple Analysis
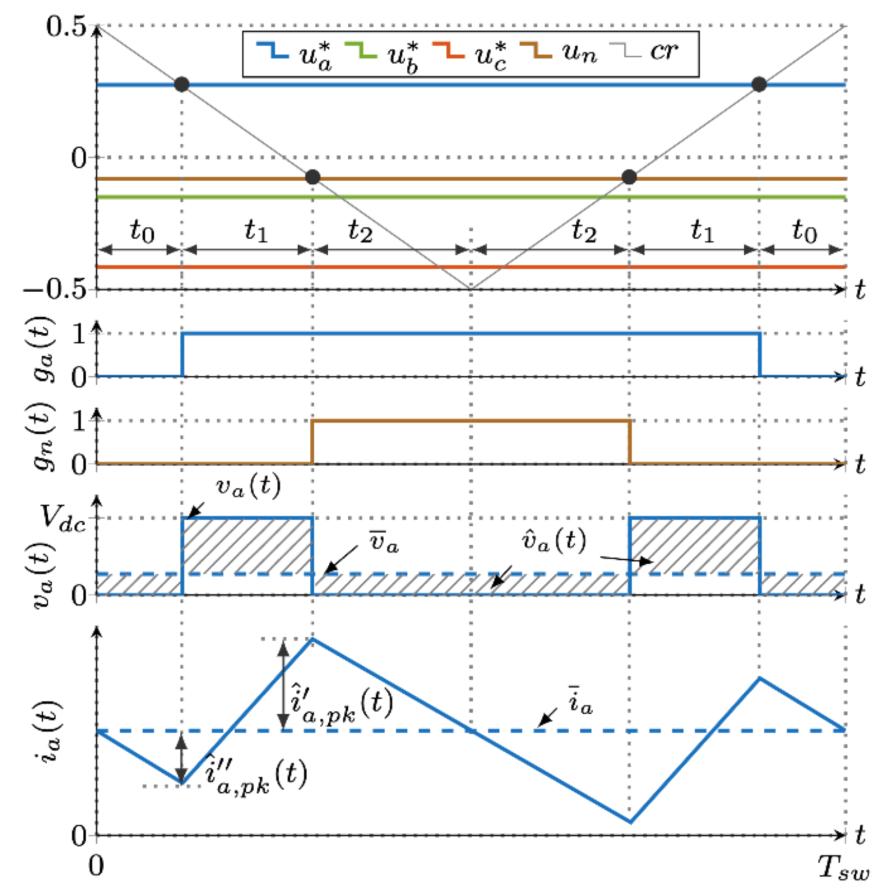
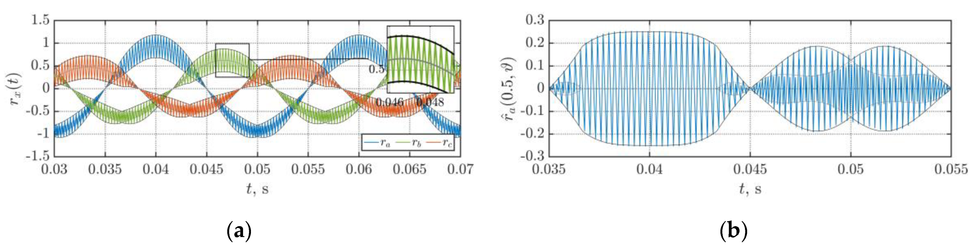
4.1. Phase Current Ripple Profile
Current Ripple Peak-to-Peak
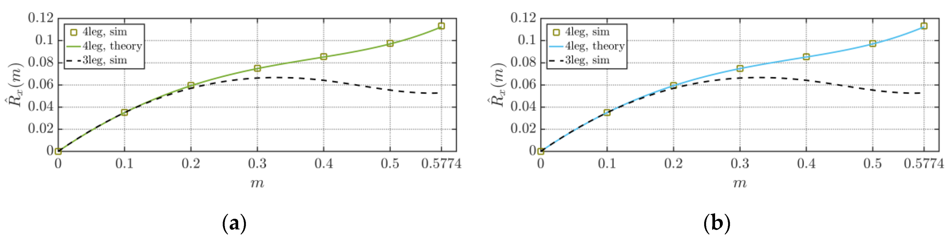
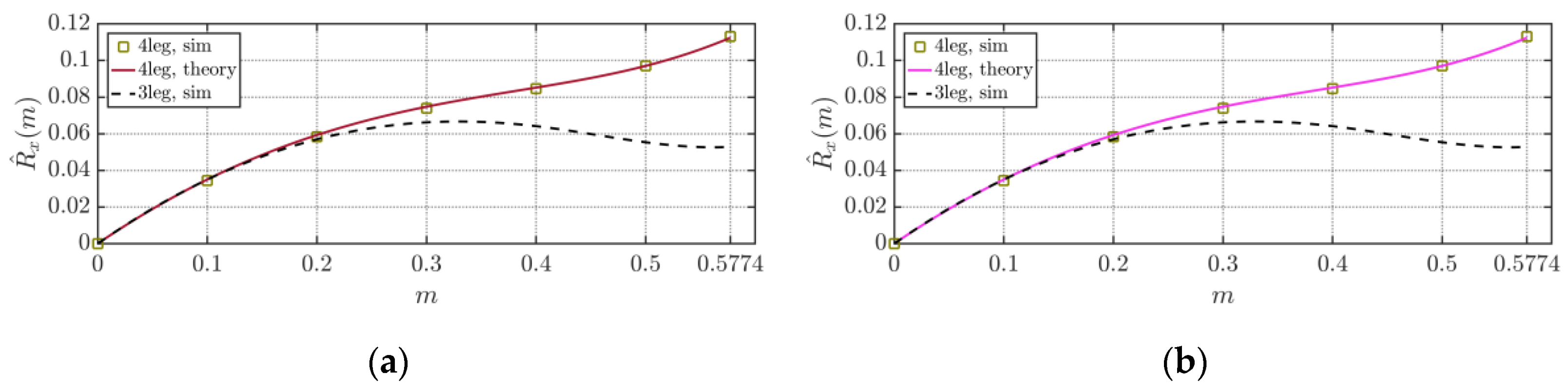
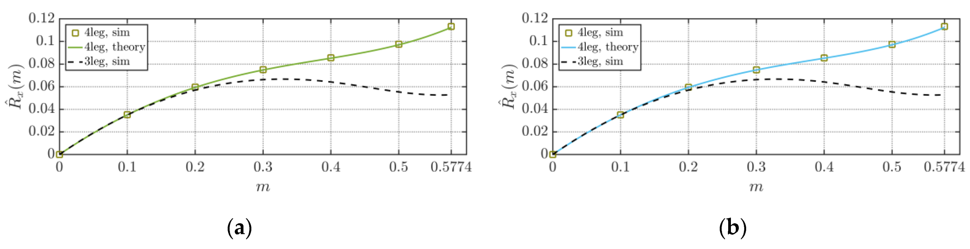
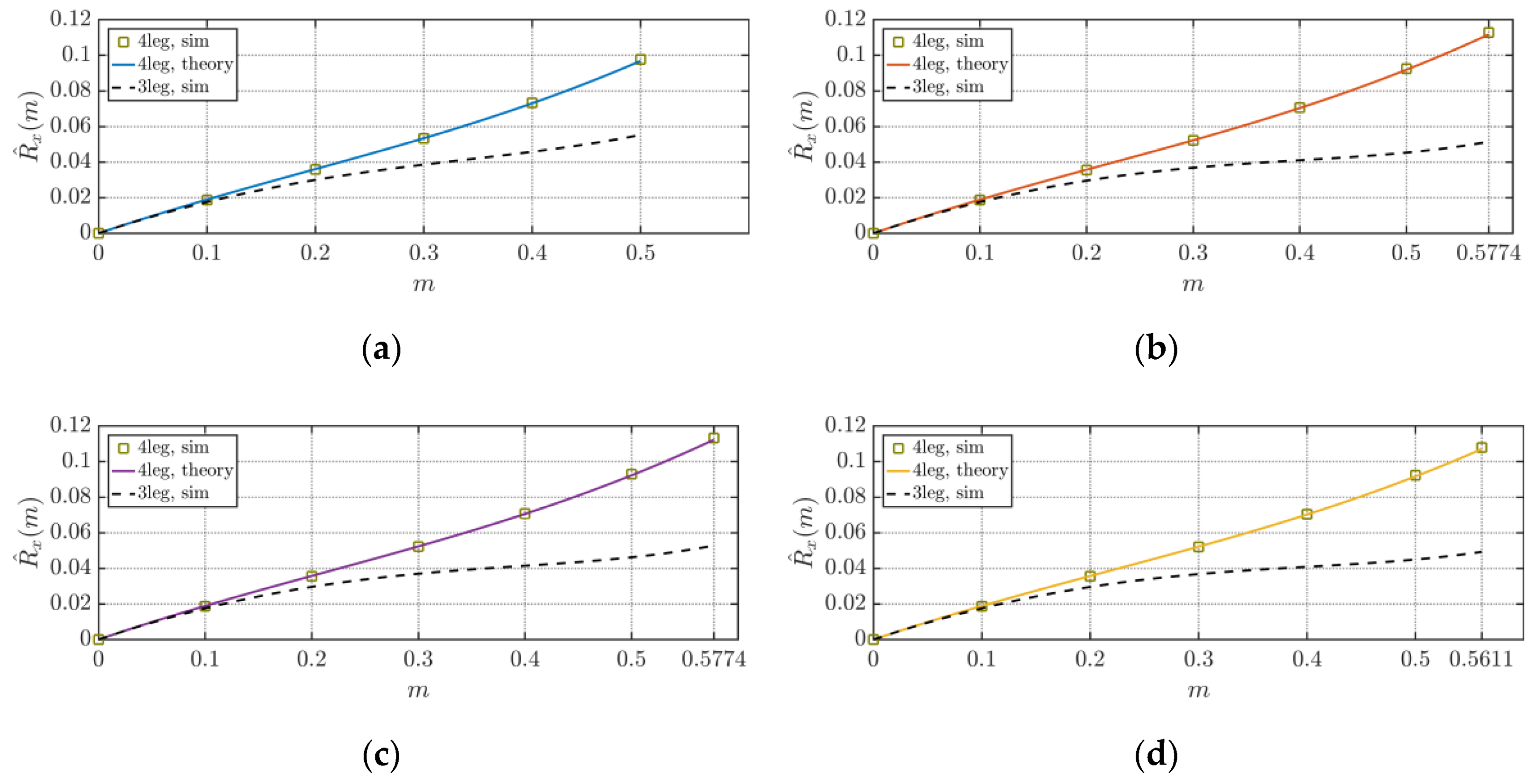
4.2. Phase Current Ripple RMS
4.2.1. DPWMMAX and DPWMMIN
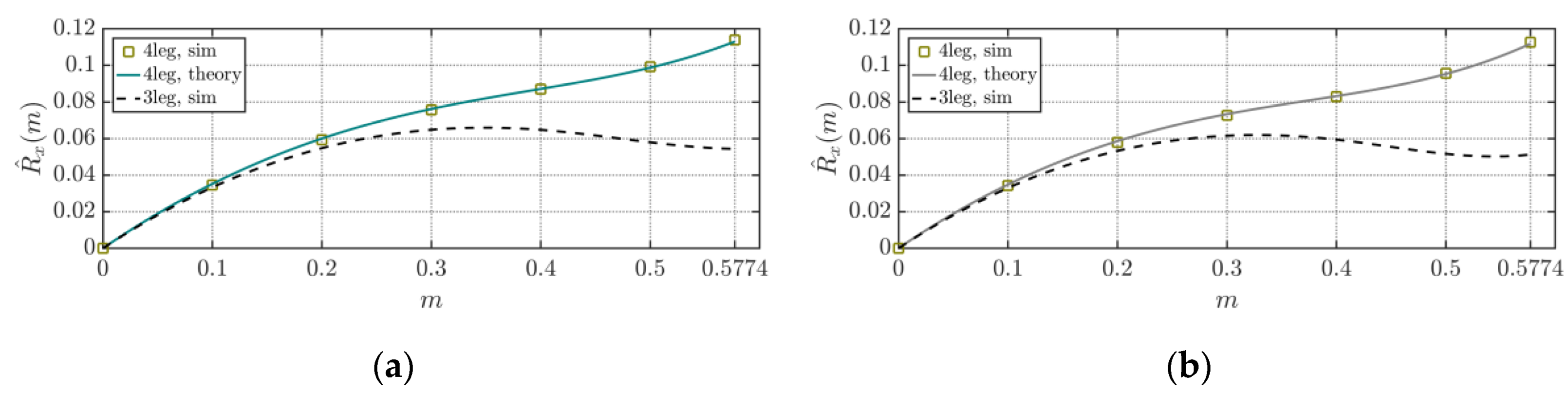
4.2.2. DPWM0 and DPWM2
4.2.3. DPWM1
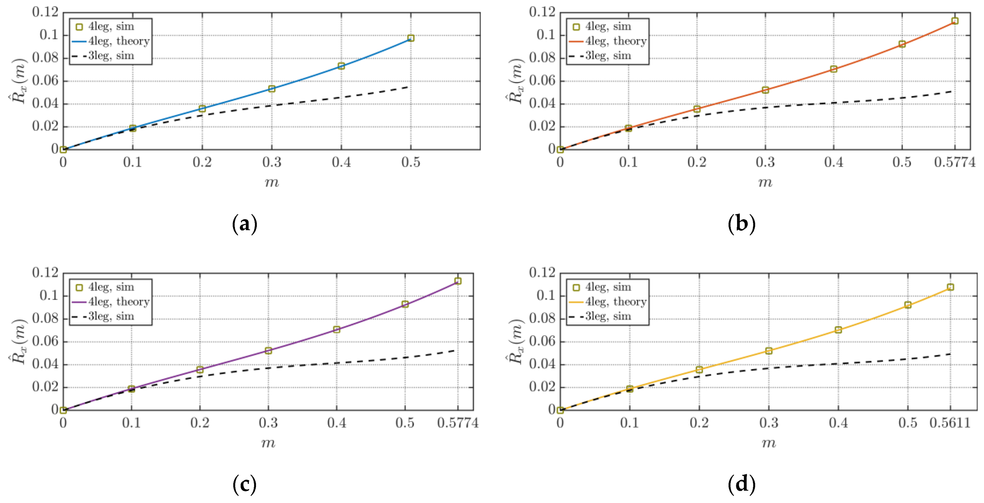
4.2.4. DPWM3
4.2.5. SPWM, CPWM, THIPWM1/6, and THIPWM1/4
4.3. Injection Optimization Throughout Frequency Amending
4.3.1. Average Switching Frequency Compensation
4.3.2. Switching Losses Compensation
4.3.3. Performance Comparison
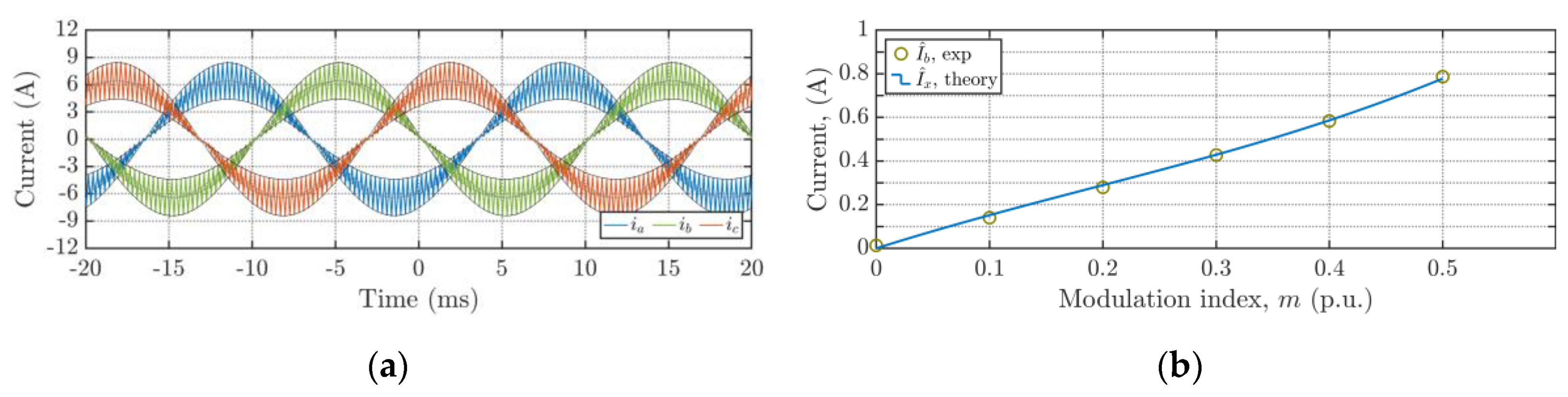
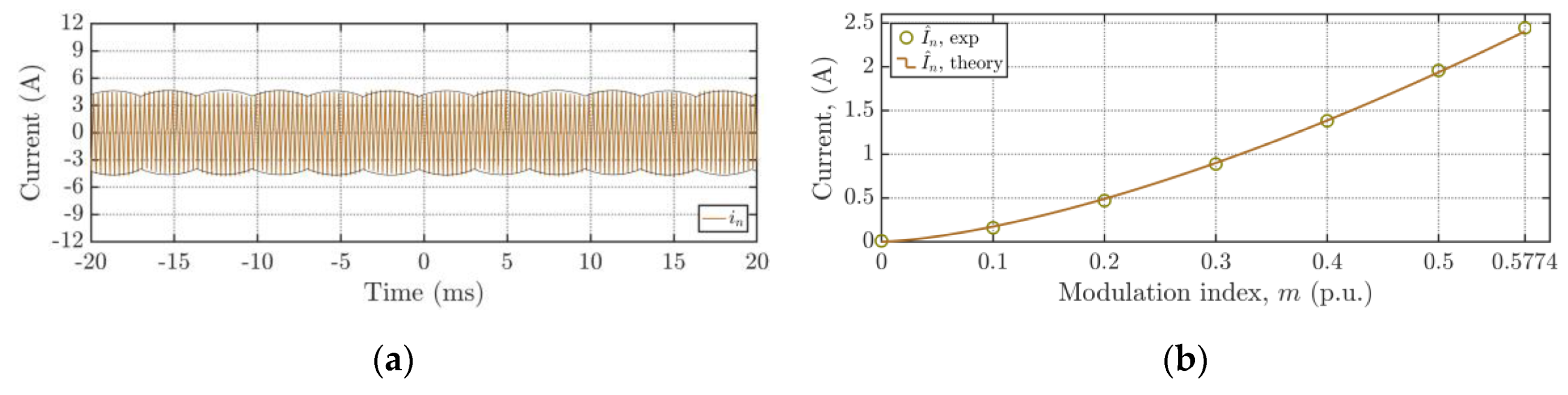
5. Analysis of Neutral Current Ripple
5.1. Neutral Current Ripple Waveform
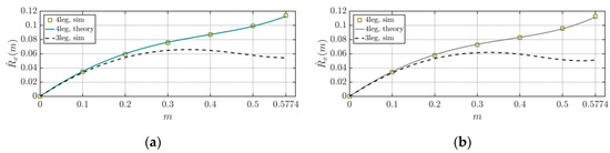
5.2. Neutral Current Ripple RMS
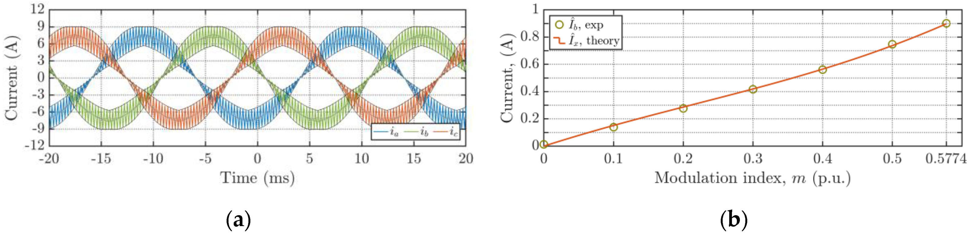
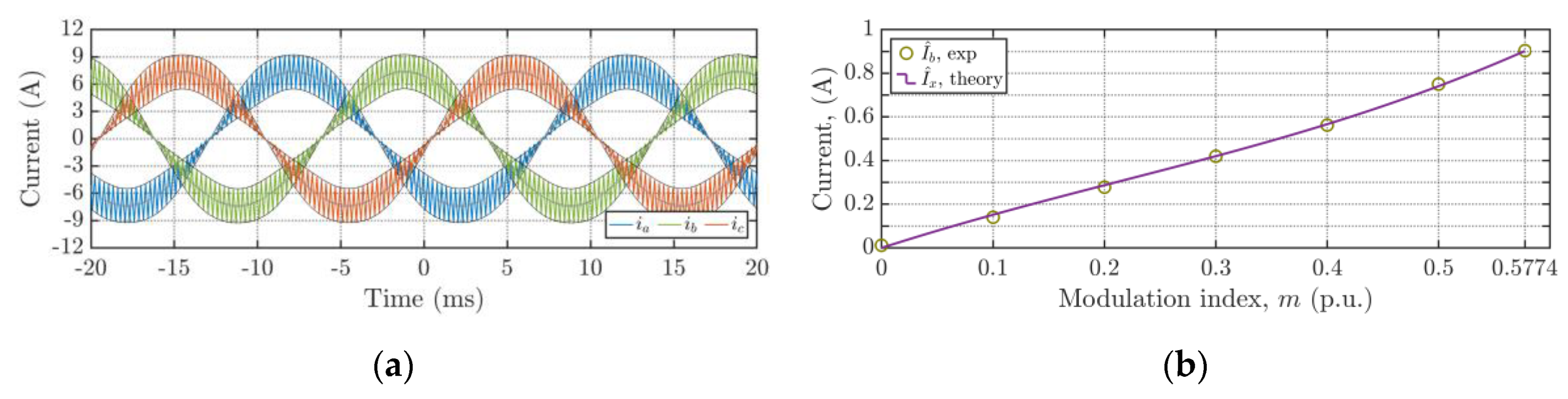
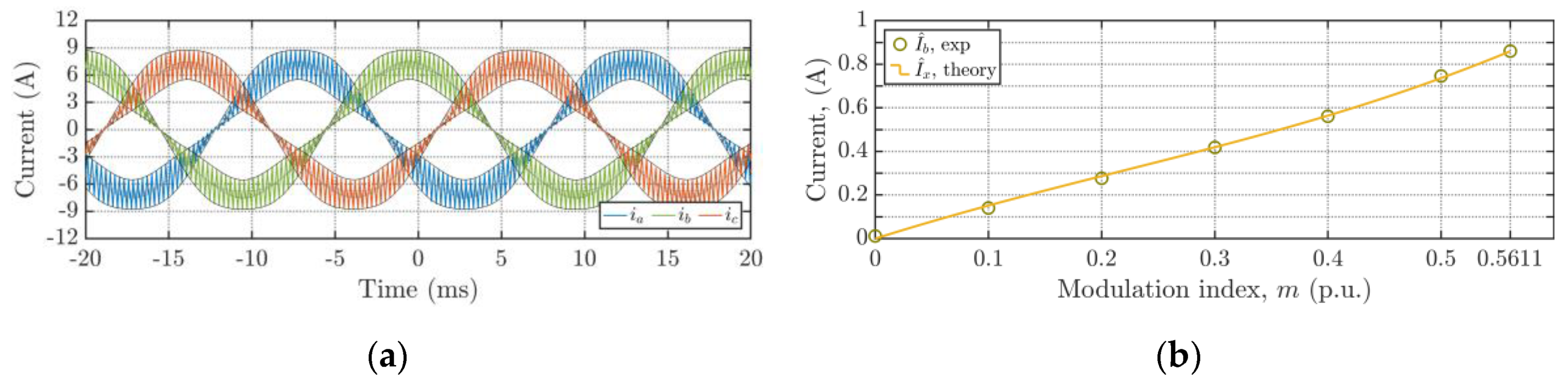
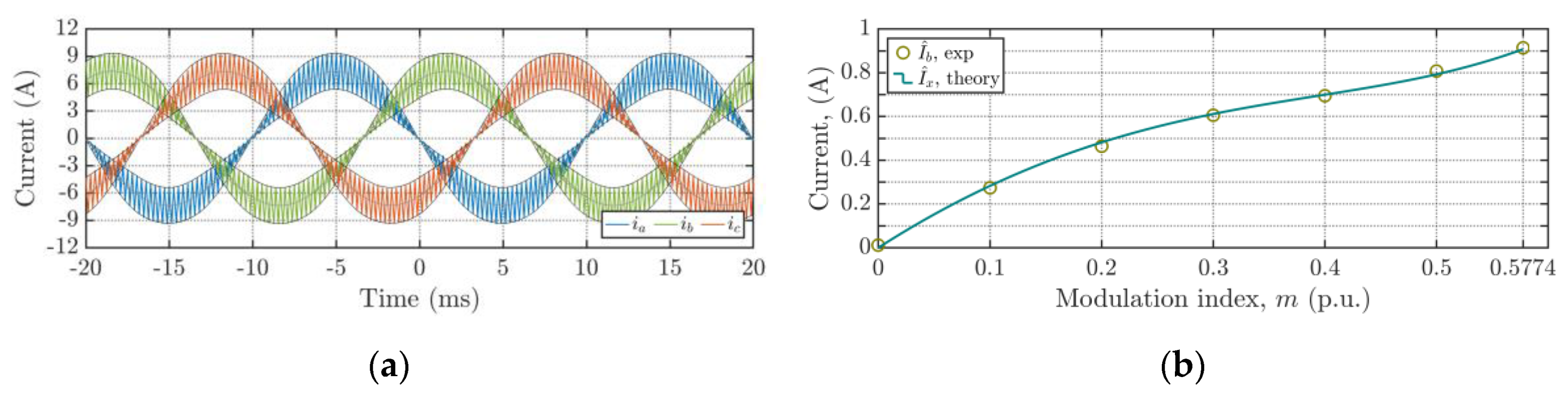
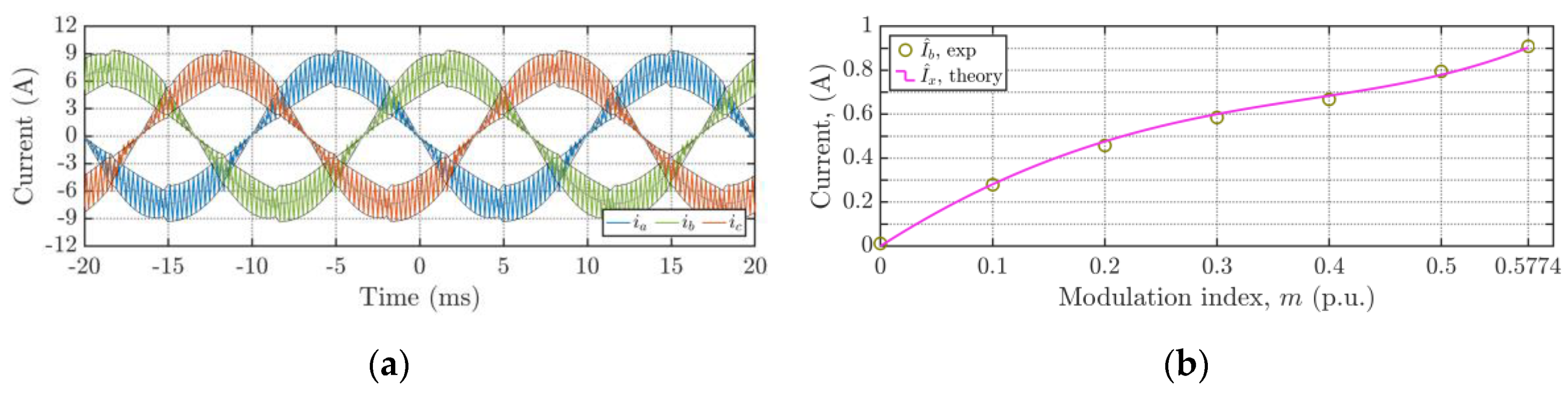
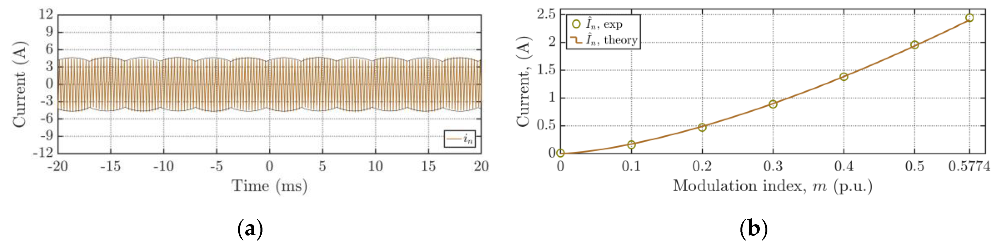
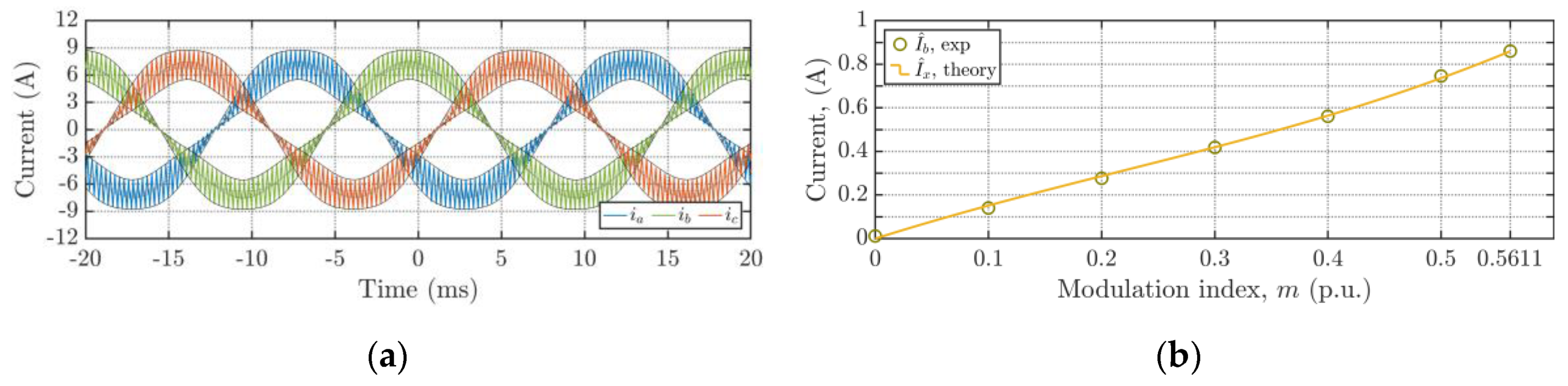
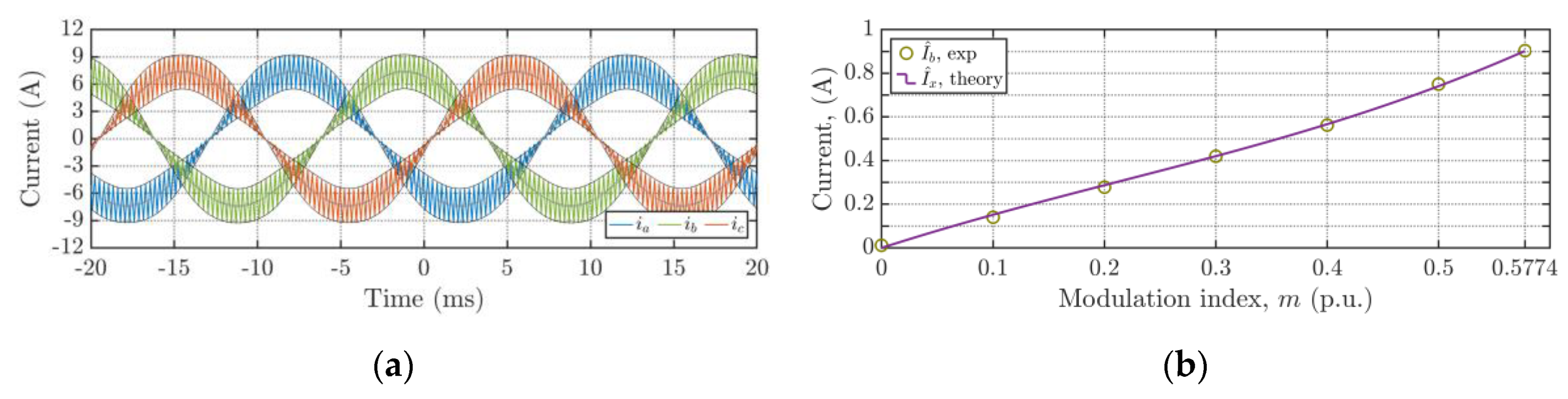
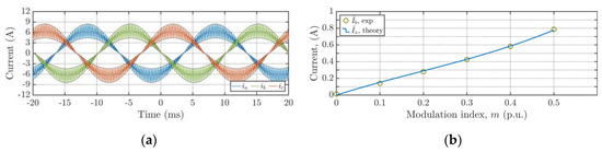
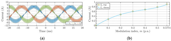
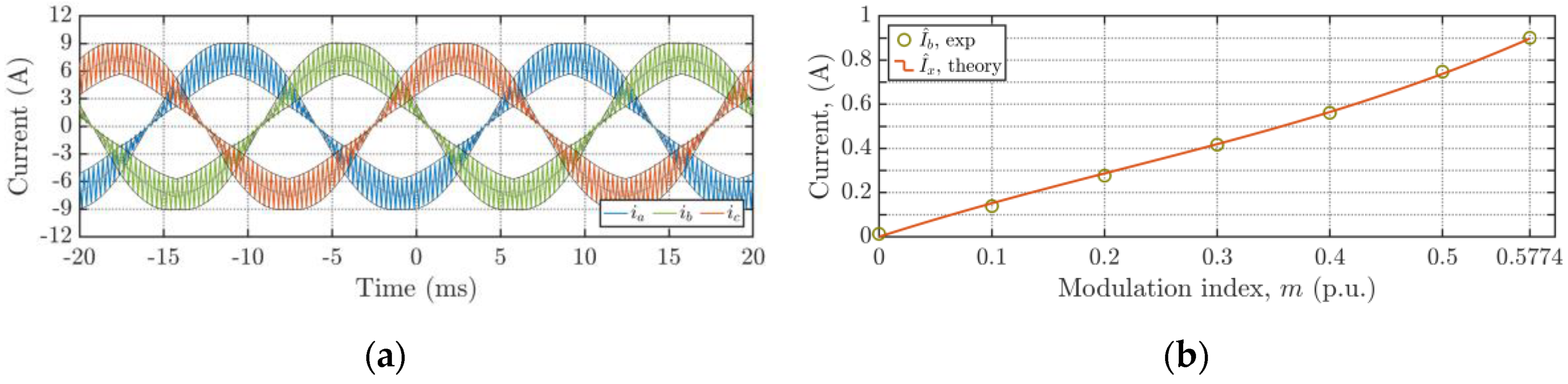
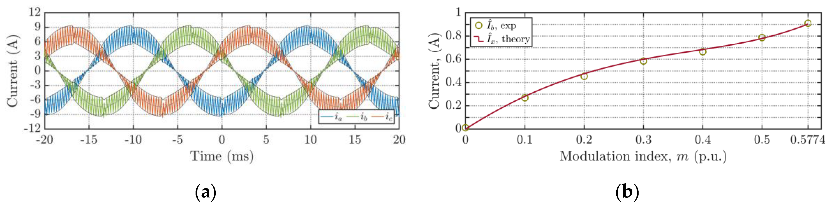
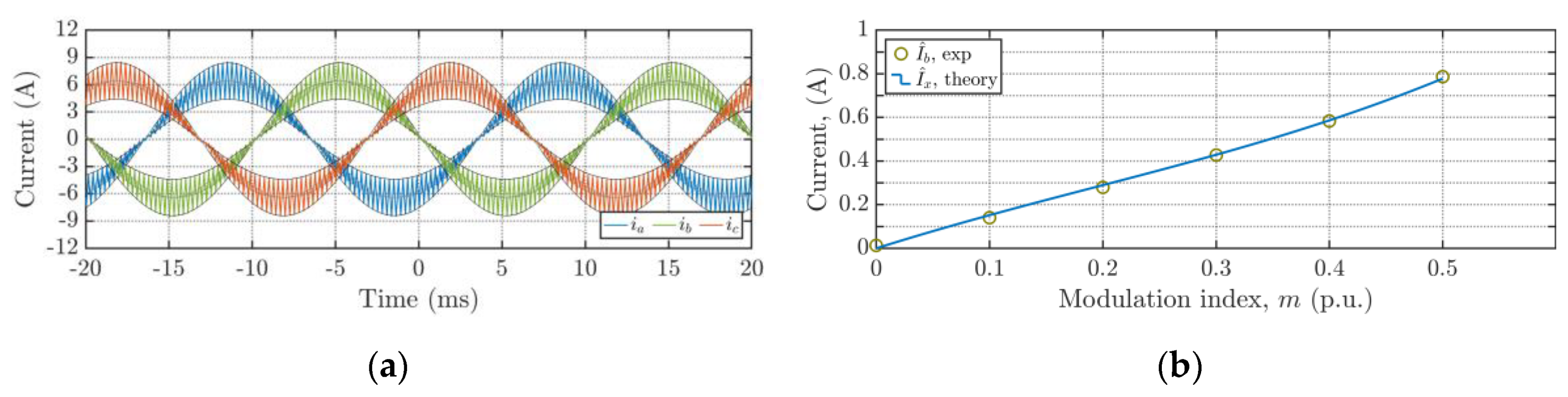
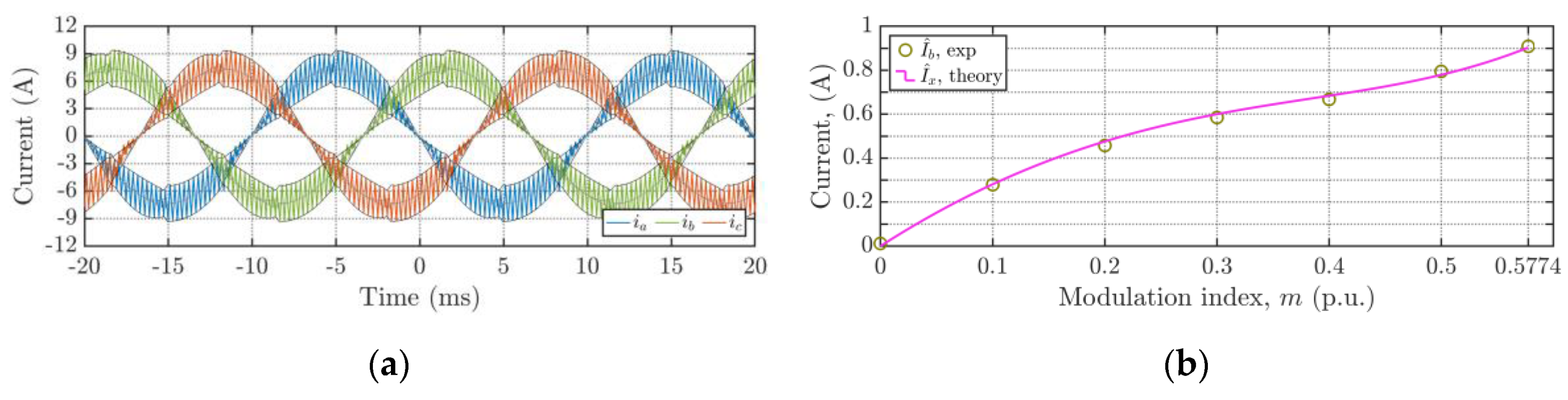
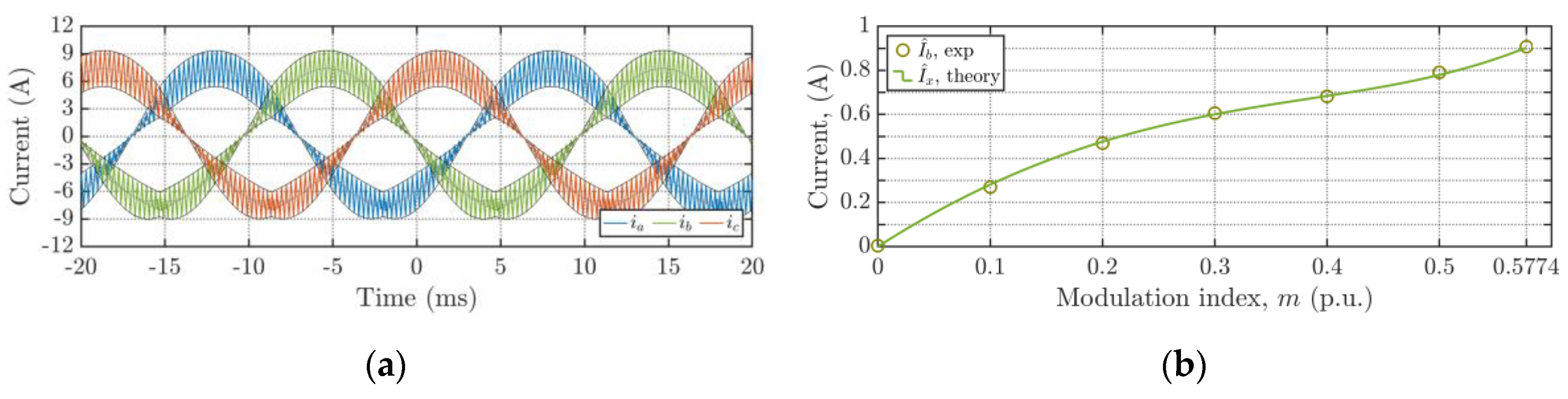
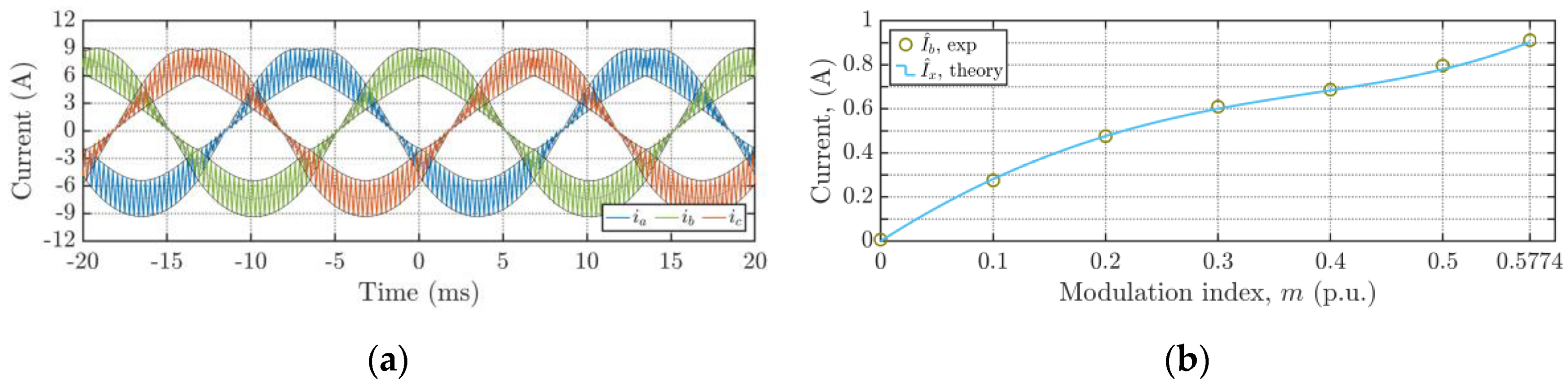
6. Experimental Results
7. Conclusions
Author Contributions
Funding
Conflicts of Interest
References
- De Freitas, T.M.H.; da Silva, S.A.O.; Sampaio, L.P. Dynamic performance comparison involving grid-connected PV systems operating with active power-line conditioning and subjected to sudden solar irradiation changes. IET Renew. Power Gener. 2019, 13, 587–597. [Google Scholar] [CrossRef]
- Carrasco, G.; Silva, C.A.; Pena, R.; Cardenas, R. Control of a Four-Leg Converter for the Operation of a DFIG Feeding Stand-Alone Unbalanced Loads. IEEE Trans. Ind. Electron. 2015, 62, 4630–4640. [Google Scholar] [CrossRef]
- Yaramasu, V.; Rivera, M.; Wu, B.; Rodriguez, J. Model Predictive Current Control of Two-Level Four-Leg Inverters—Part I: Concept, Algorithm, and Simulation Analysis. IEEE Trans. Power Electron. 2013, 28, 3459–3468. [Google Scholar] [CrossRef]
- Rivera, M.; Yaramasu, V.; Rodriguez, J.; Wu, B. Model Predictive Current Control of Two-Level Four-Leg Inverters—Part II: Experimental Implementation and Validation. IEEE Trans. Power Electron. 2013, 28, 3469–3478. [Google Scholar] [CrossRef]
- Khadkikar, V.; Chandra, A.; Singh, B. Digital signal processor implementation and performance evaluation of split capacitor, four-leg and three H-bridge-based three-phase four-wire shunt active filters. IET Power Electron. 2011, 4, 463. [Google Scholar] [CrossRef]
- Viatkin, A.; Hammami, M.; Grandi, G.; Ricco, M. Analysis of a Three-Phase Four-Leg Front-End Converter for EV Chargers with Balanced and Unbalanced Grid Currents. In Proceedings of the IECON 2019—45th Annual Conference of the IEEE Industrial Electronics Society, Lisbon, Portugal, 14–17 October 2019; pp. 3442–3449. [Google Scholar]
- Lin, Z.; Ruan, X.; Jia, L.; Zhao, W.; Liu, H.; Rao, P. Optimized Design of the Neutral Inductor and Filter Inductors in Three-Phase Four-Wire Inverter with Split DC-Link Capacitors. IEEE Trans. Power Electron. 2019, 34, 247–262. [Google Scholar] [CrossRef]
- Nascimento, C.F.; Diene, O.; Watanabe, E.H. Analytical model of three-phase four-wire VSC operating as grid forming power converter under unbalanced load conditions. In Proceedings of the 2017 IEEE 12th International Conference on Power Electronics and Drive Systems (PEDS), Honolulu, HI, USA, 12–15 December 2017; pp. 1219–1224. [Google Scholar]
- Hintz, A.; Prasanna, R.; Rajashekara, K. Comparative study of three-phase grid connected inverter sharing unbalanced three-phase and/or single-phase systems. In Proceedings of the 2015 IEEE Energy Conversion Congress and Exposition (ECCE), Montreal, QC, Canada, 20–24 September 2015; pp. 6491–6496. [Google Scholar]
- Zhao, W.; Ruan, X.; Yang, D.; Chen, X.; Jia, L. Neutral Point Voltage Ripple Suppression for a Three-Phase Four-Wire Inverter with an Independently Controlled Neutral Module. IEEE Trans. Ind. Electron. 2017, 64, 2608–2619. [Google Scholar] [CrossRef]
- Hava, A.M.; Kerkman, R.J.; Lipo, T.A. Carrier-Based PWM-VSI overmodulation strategies: Analysis, comparison, and design. IEEE Trans. Power Electron. 1998, 13, 674–689. [Google Scholar] [CrossRef]
- Hava, A.M.; Kerkman, R.J.; Lipo, T.A. Simple analytical and graphical methods for carrier-based PWM-VSI drives. IEEE Trans. Power Electron. 1999, 14, 49–61. [Google Scholar] [CrossRef]
- Holmes, D.G.; Lipo, T.A. Pulse Width Modulation for Power Converters: Principles and Practice; John Wiley & Sons: Hoboken, NJ, USA, 2003; ISBN 9780470546284. [Google Scholar]
- Holtz, J. Pulsewidth Modulation for Electronic Power Conversion. Proc. IEEE 1994, 82, 1194–1214. [Google Scholar] [CrossRef]
- Depenbrock, M. Pulse width control of a 3-phase inverter with non-sinusoidal phase voltages. In Conference Record of IEEE/IAS Annual Meeting; IEEE: New York, NY, USA, 1977; pp. 399–403. [Google Scholar]
- Ogasawara, S.; Akagi, H.; Nabae, A. A novel PWM scheme of voltage source inverters based on space vector theory. Arch. Elektrotech. 1990, 74, 33–41. [Google Scholar] [CrossRef]
- Kolar, J.W.; Ertl, H.; Zach, F.C. Influence of the modulation method on the conduction and switching losses of a PWM converter system. IEEE Trans. Ind. Appl. 1991, 27, 1063–1075. [Google Scholar] [CrossRef]
- Ojo, O. The Generalized Discontinuous PWM Scheme for Three-Phase Voltage Source Inverters. IEEE Trans. Ind. Electron. 2004, 51, 1280–1289. [Google Scholar] [CrossRef]
- Hava, A.M.; Kerkman, R.J.; Lipo, T.A. A high-performance generalized discontinuous PWM algorithm. IEEE Trans. Ind. Appl. 1998, 34, 1059–1071. [Google Scholar] [CrossRef]
- An, S.; Sun, X.; Zhong, Y.; Matsui, M. Research on a new and generalized method of discontinuous PWM strategies to minimize the switching loss. In Proceedings of the IEEE PES Innovative Smart Grid Technologies, Tianjin, China, 21–24 May 2012; pp. 1–6. [Google Scholar]
- Grandi, G.; Loncarski, J.; Seebacher, R. Effects of current ripple on dead-time distortion in three-phase voltage source inverters. In Proceedings of the 2012 IEEE International Energy Conference and Exhibition (ENERGYCON), Florence, Italy, 9–12 September 2012; pp. 207–212. [Google Scholar]
- Wu, F.; Feng, F.; Luo, L.; Duan, J.; Sun, L. Sampling period online adjusting-based hysteresis current control without band with constant switching frequency. IEEE Trans. Ind. Electron. 2015, 62, 270–277. [Google Scholar] [CrossRef]
- Jiang, D.; Wang, F. Variable Switching Frequency PWM for Three-Phase Converters Based on Current Ripple Prediction. IEEE Trans. Power Electron. 2013, 28, 4951–4961. [Google Scholar] [CrossRef]
- Grandi, G.; Loncarski, J. Evaluation of current ripple amplitude in three-phase PWM voltage source inverters. In Proceedings of the 2013 International Conference-Workshop Compatibility and Power Electronics, Ljubljana, Slovenia, 5–7 June 2013; pp. 156–161. [Google Scholar]
- Grandi, G.; Loncarski, J.; Dordevic, O. Analysis and Comparison of Peak-to-Peak Current Ripple in Two-Level and Multilevel PWM Inverters. IEEE Trans. Ind. Electron. 2015, 62, 2721–2730. [Google Scholar] [CrossRef]
- Grandi, G.; Loncarski, J.; Srndovic, M. Analysis and Minimization of Output Current Ripple for Discontinuous Pulse-Width Modulation Techniques in Three-Phase Inverters. Energies 2016, 9, 380. [Google Scholar] [CrossRef]
- Viatkin, A.; Mandrioli, R.; Hammami, M.; Ricco, M.; Grandi, G. Theoretical Analysis of the AC Current Ripple in Three-Phase Four-Leg Sinusoidal PWM Inverters. In Proceedings of the 2020 IEEE 29th International Symposium on Industrial Electronics (ISIE), Delft, The Netherlands, 17–19 June 2020; pp. 796–801. [Google Scholar]
- Hou, C.; Wang, P.; Chen, C.; Chang, C. Common Mode Voltage Reduction in Four-Leg Inverter with Multicarrier PWM Scheme. In Proceedings of the 2019 10th International Conference on Power Electronics and ECCE Asia (ICPE 2019—ECCE Asia), Busan, Korea, 27–30 May 2019; pp. 3223–3228. [Google Scholar]
- Bouarfa, A.; Bodson, M.; Fadel, M. An Optimization Formulation of Converter Control and Its General Solution for the Four-Leg Two-Level Inverter. IEEE Trans. Control Syst. Technol. 2018, 26, 1901–1908. [Google Scholar] [CrossRef]
- Cai, W.; Shen, Y.; Xiao, X.; Wang, W.; Zhang, W.; Li, K.; Zhang, C.; Zhao, Z. Design of the Neutral Line Inductor for Three-phase Four-leg Inverters. In Proceedings of the 2019 IEEE Sustainable Power and Energy Conference (iSPEC), Beijing, China, 21–23 November 2019; pp. 2455–2460. [Google Scholar]











































| PWM Injection | Label | |||||
|---|---|---|---|---|---|---|
| SPWM | SPWM | 1 | 1 | 1 | 0.95 | 0.5 |
| CPWM 1 | CPWM | 1 | 1 | 1 | 0.9 | 0.43 |
| THIPWM1/4 | THI4 | 1 | 1 | 1 | 0.9 | 0.43 |
| THIPWM1/6 | THI6 | 1 | 1 | 1 | 0.9 | 0.44 |
| DPWMMAX | DMAX | 1 | 0.(6) | 0.57 | 0.95 | 0.5 |
| DPWMMIN | DMIN | 1 | 0.(6) | 0.57 | 0.95 | 0.5 |
| DPWM0 | D0 | 1 | 0.(6) | 0.57 | 0.95 | 0.5 |
| DPWM1 | D1 | 1 | 0.(6) | 0.5 | 0.97 | 0.5 |
| DPWM2 | D2 | 1 | 0.(6) | 0.57 | 0.95 | 0.5 |
| DPWM3 | D3 | 1 | 0.(6) | 0.63 | 0.93 | 0.49 |
| Parameter | Symbol | Value | Unit |
|---|---|---|---|
| dc link voltage | Vdc | 100 | V |
| RL circuit | R | 727 | mΩ |
| L | 1.73 | mH | |
| RC circuit | Ro | 6.6 | Ω |
| Co | 45 | μF | |
| Power factor @50Hz | PF | 1 | - |
| Switching frequency | fsw | 3.6 | kHz |
© 2020 by the authors. Licensee MDPI, Basel, Switzerland. This article is an open access article distributed under the terms and conditions of the Creative Commons Attribution (CC BY) license (http://creativecommons.org/licenses/by/4.0/).
Share and Cite
Mandrioli, R.; Viatkin, A.; Hammami, M.; Ricco, M.; Grandi, G. A Comprehensive AC Current Ripple Analysis and Performance Enhancement via Discontinuous PWM in Three-Phase Four-Leg Grid-Connected Inverters. Energies 2020, 13, 4352. https://doi.org/10.3390/en13174352
Mandrioli R, Viatkin A, Hammami M, Ricco M, Grandi G. A Comprehensive AC Current Ripple Analysis and Performance Enhancement via Discontinuous PWM in Three-Phase Four-Leg Grid-Connected Inverters. Energies. 2020; 13(17):4352. https://doi.org/10.3390/en13174352
Chicago/Turabian StyleMandrioli, Riccardo, Aleksandr Viatkin, Manel Hammami, Mattia Ricco, and Gabriele Grandi. 2020. "A Comprehensive AC Current Ripple Analysis and Performance Enhancement via Discontinuous PWM in Three-Phase Four-Leg Grid-Connected Inverters" Energies 13, no. 17: 4352. https://doi.org/10.3390/en13174352
APA StyleMandrioli, R., Viatkin, A., Hammami, M., Ricco, M., & Grandi, G. (2020). A Comprehensive AC Current Ripple Analysis and Performance Enhancement via Discontinuous PWM in Three-Phase Four-Leg Grid-Connected Inverters. Energies, 13(17), 4352. https://doi.org/10.3390/en13174352

