Low-Cost I–V Tracer for PV Modules under Real Operating Conditions
Abstract
1. Introduction
2. Operating Principle of the Developed System
2.1. System Description
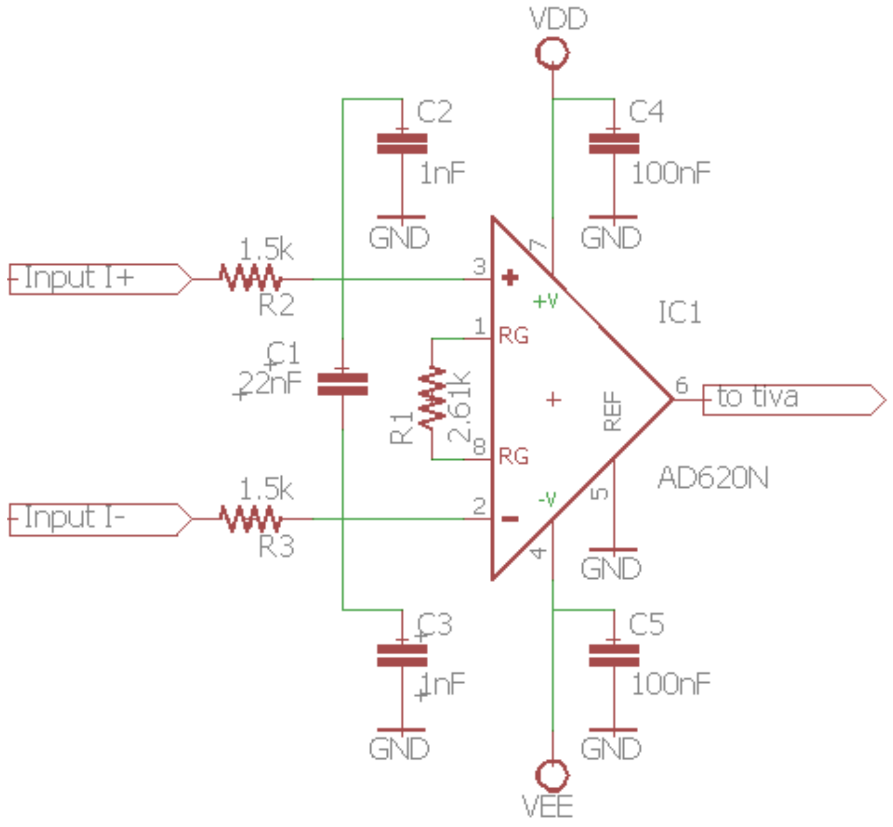
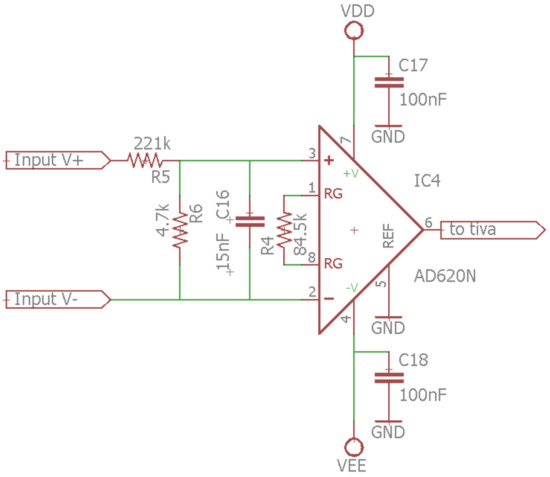
2.2. Analog Signal Conditioning
2.3. Instrument Cost
2.4. Instrument Calibration
3. Methodology of the Experimental Campaign
3.1. Experimental Setup
3.2. Error Estimation
4. Results
5. Conclusions
Author Contributions
Funding
Acknowledgments
Conflicts of Interest
References
- Ellabban, O.; Abu-Rub, H.; Blaabjerg, F. Renewable energy resources: Current status, future prospects and their enabling technology. Renew. Sustain. Energy Rev. 2014, 39, 748–764. [Google Scholar] [CrossRef]
- Alonso, M.; Amaris, H.; Alvarez-Ortega, C. Integration of renewable energy sources in smart grids by means of evolutionary optimization algorithms. Expert Syst. Appl. 2012, 39, 5513–5522. [Google Scholar] [CrossRef]
- Bayod-Rújula, A.A. Future development of the electricity systems with distributed generation. Energy 2009, 34, 377–383. [Google Scholar] [CrossRef]
- Adinolfi, G.; Graditi, G.; Siano, P.; Piccolo, A. Multiobjective Optimal Design of Photovoltaic Synchronous Boost Converters Assessing Efficiency, Reliability, and Cost Savings. IEEE Trans. Ind. Informatics 2015, 11, 1038–1048. [Google Scholar] [CrossRef]
- Denholm, P.; Margolis, R.M. Evaluating the limits of solar photovoltaics (PV) in traditional electric power systems. Energy Policy 2007, 35, 2852–2861. [Google Scholar] [CrossRef]
- International Electrotechnical Commission. EN 61646:2008. Thin-Film Terrestrial Photovoltaic (PV) Modules—Design Qualification and Type Approval; International Electrotechnical Commission: Geneva, Switzerland, 2008. [Google Scholar]
- International Electrotechnical Commission. IEC 60904-1, Photovoltaic Devices, Part 1: Measurement of Photovoltaic Current–Voltage Characteristics; International Electrotechnical Commission: Geneva, Switzerland, 2006. [Google Scholar]
- Muñoz, J.V.; Nofuentes, G.; Fuentes, M.; de la Casa, J.; Aguilera, J. DC energy yield prediction in large monocrystalline and polycrystalline PV plants: Time-domain integration of Osterwald’s model. Energy 2016, 114, 951–960. [Google Scholar] [CrossRef]
- Schuss, C.; Leppänen, K.; Remes, K.; Saarela, J.; Fabritius, T.; Eichberger, B.; Rahkonen, T. Detecting Defects in Photovoltaic Cells and Panels and Evaluating the Impact on Output Performances. IEEE Trans. Instrum. Meas. 2016, 65, 1108–1119. [Google Scholar] [CrossRef]
- Almonacid, F.; Fernández, E.F.; Mallick, T.K.; Pérez-Higueras, P.J. High concentrator photovoltaic module simulation by neuronal networks using spectrally corrected direct normal irradiance and cell temperature. Energy 2015, 84, 336–343. [Google Scholar] [CrossRef]
- Gasparin, F.P.; Bühler, A.J.; Rampinelli, G.A.; Krenzinger, A. Statistical analysis of I–V curve parameters from photovoltaic modules. Sol. Energy 2016, 131, 30–38. [Google Scholar] [CrossRef]
- Montes-Romero, J.; Almonacid, F.; Theristis, M.; de la Casa, J.; Georghiou, G.E.; Fernández, E.F. Comparative analysis of parameter extraction techniques for the electrical characterization of multi-junction CPV and m-Si technologies. Sol. Energy 2018, 160, 275–288. [Google Scholar] [CrossRef]
- Luque, A.; Hegedus, S. Handbook of Photovoltaic Science and Engineering; Wiley: Hoboken, NJ, USA, 2003; ISBN 0471491969. [Google Scholar]
- Abbassi, A.; Gammoudi, R.; Dami, M.A.; Hasnaoui, O.; Jemli, M. An improved single-diode model parameters extraction at different operating conditions with a view to modeling a photovoltaic generator: A comparative study. Sol. Energy 2017, 155, 478–489. [Google Scholar] [CrossRef]
- Ishaque, K.; Salam, Z.; Taheri, H. Simple, fast and accurate two-diode model for photovoltaic modules. Sol. Energy Mater. Sol. Cells 2011, 95, 586–594. [Google Scholar] [CrossRef]
- Celik, A.N.; Acikgoz, N. Modelling and experimental verification of the operating current of mono-crystalline photovoltaic modules using four- and five-parameter models. Appl. Energy 2007, 84, 1–15. [Google Scholar] [CrossRef]
- Attivissimo, F.; Di Nisio, A.; Savino, M.; Spadavecchia, M. Uncertainty analysis in photovoltaic cell parameter estimation. IEEE Trans. Instrum. Meas. 2012, 61, 1334–1342. [Google Scholar] [CrossRef]
- Willoughby, A.A.; Osinowo, M.O. Development of an electronic load I-V curve tracer to investigate the impact of Harmattan aerosol loading on PV module pern2tkformance in southwest Nigeria. Sol. Energy 2018, 166, 171–180. [Google Scholar] [CrossRef]
- Vega, A.; Valiño, V.; Conde, E.; Ramos, A.; Reina, P. Double sweep tracer for I-V curves characterization and continuous monitoring of photovoltaic facilities. Sol. Energy 2019, 190, 622–629. [Google Scholar] [CrossRef]
- Sánchez-Pacheco, F.J.; Sotorrío-Ruiz, P.J.; Heredia-Larrubia, J.R.; Pérez-Hidalgo, F.; De Cardona, M.S. PLC-based PV plants smart monitoring system: Field measurements and uncertainty estimation. IEEE Trans. Instrum. Meas. 2014, 63, 2215–2222. [Google Scholar] [CrossRef]
- Zhu, Y.; Xiao, W. A comprehensive review of topologies for photovoltaic I–V curve tracer. Sol. Energy 2020, 196, 346–357. [Google Scholar] [CrossRef]
- Chen, Z.; Lin, W.; Wu, L.; Long, C.; Lin, P.; Cheng, S. A capacitor based fast I-V characteristics tester for photovoltaic arrays. Energy Procedia 2018, 145, 381–387. [Google Scholar] [CrossRef]
- Amiry, H.; Benhmida, M.; Bendaoud, R.; Hajjaj, C.; Bounouar, S.; Yadir, S.; Raïs, K.; Sidki, M. Design and implementation of a photovoltaic I-V curve tracer: Solar modules characterization under real operating conditions. Energy Convers. Manag. 2018, 169, 206–216. [Google Scholar] [CrossRef]
- Leite, V.; Chenlo, F. An improved electronic circuit for tracing the IV characteristics of photovoltaic modules and strings. In Proceedings of the International Conference on Renewable Energies and Power Quality, Granada, Spain, 23–25 March 2010; Volume 1, pp. 1224–1228. [Google Scholar]
- García-Valverde, R.; Chaouki-Almagro, S.; Corazza, M.; Espinosa, N.; Hösel, M.; Søndergaard, R.R.; Jørgensen, M.; Villarejo, J.A.; Krebs, F.C. Portable and wireless IV-curve tracer for >5 kV organic photovoltaic modules. Sol. Energy Mater. Sol. Cells 2016, 151, 60–65. [Google Scholar] [CrossRef]
- Leite, V.; Batista, J.; Chenlo, F.; Afonso, J.L. Low-Cost I-V Tracer for Photovoltaic Modules and Strings. In Proceedings of the International Symposium on Power Electronics, Electrical Drives, Automation and Motion, Naples, Italy, 18–20 June 2014. [Google Scholar]
- Papageorgas, P.; Piromalis, D.; Valavanis, T.; Kambasis, S.; Iliopoulou, T.; Vokas, G. A low-cost and fast PV I-V curve tracer based on an open source platform with M2M communication capabilities for preventive monitoring. Energy Procedia 2015, 74, 423–438. [Google Scholar] [CrossRef]
- Montes-Romero, J.; Piliougine, M.; Muñoz, J.; Fernández, E.; de la Casa, J. Photovoltaic Device Performance Evaluation Using an Open-Hardware System and Standard Calibrated Laboratory Instruments. Energies 2017, 10, 1869. [Google Scholar] [CrossRef]
- Spertino, F.; Ahmad, J.; Ciocia, A.; Di Leo, P.; Murtaza, A.F.; Chiaberge, M. Capacitor charging method for I–V curve tracer and MPPT in photovoltaic systems. Sol. Energy 2015, 119, 461–473. [Google Scholar] [CrossRef]
- Blaesser, G.; Munro, D. Guidelines for the assessment of photovoltaic plants. In Document C: Initial and Periodic Test on Photovoltaic Plants; Europeean Commission Joint Research Centre: Ispra, Italy, 1995. [Google Scholar]
- Duran, E.; Piliougine, M.; De Cardona, M.S.; Galan, J.; Andujar, J.M. Different methods to obtain the I-V curve of PV modules: A review. In Proceedings of the Conference Record of the IEEE Photovoltaic, San Diego, CA, USA, 11–16 May 2008. [Google Scholar]
- Di Nisio, A.; Di Noia, T.; Carducci, C.G.C.; Spadavecchia, M. High dynamic range power consumption measurement in microcontroller-based applications. IEEE Trans. Instrum. Meas. 2016, 65, 1968–1976. [Google Scholar] [CrossRef]
- Firman, A.; Zini, L.; Sanchez, R.; Vera, L. Desarrollo y calibración de dispositivos fotovoltaicos para determinar el recurso solar utilizable por sfcr. Av. Energías Renov. Medio Ambient. 2014, 18, 9–17. [Google Scholar]
- Almonacid, F.; Rodrigo, P.; Fernández, E.F. Determination of the current–voltage characteristics of concentrator systems by using different adapted conventional techniques. Energy 2016, 101, 146–160. [Google Scholar] [CrossRef]
- Salvadori, F.; Gehrke, C.S.; Hartmann, L.V.; Macedo, E.T.; de Lima, A.L.; Maia, S.L. Design of an intelligent electronic device based on TivaC platform for smart grid applications. In Proceedings of the 2016 IEEE International Instrumentation and Measurement Technology Conference Proceedings, Taiwan, 23–26 May 2016; pp. 1–6. [Google Scholar]
- Texas Instruments. Tiva TM4C123GH6PM Microcontroller Data Sheet; Texas Instruments Incorporated: Dallas, TX, USA, 2014. [Google Scholar]
- Giordani, A.; Mari, L. Measurement, Models, and Uncertainty. IEEE Trans. Instrum. Meas. 2012, 61, 2144–2152. [Google Scholar] [CrossRef]
- Martínez-Moreno, F.; Lorenzo, E.; Muñoz, J.; Moretón, R. On the testing of large PV arrays. Prog. Photovolt. Res. Appl. 2011, 15, 659–676. [Google Scholar] [CrossRef]
- Kitchin, C.; Counts, L. Analog Devices Instrumentation Amplifier AD620; Analog Devices: Norwood, MA, USA, 2011. [Google Scholar]
- Taylor, J.R. Introduction To Error Analysis: The Study of Uncertainties in Physical Measurements; ASMSU/Spartans.4.Spartans Textbook; University Science Books: Mill Valley, CA, USA, 1997; ISBN 9780935702750. [Google Scholar]















| Commercial Embedded System | Cores and Memories | Digital Peripherals | Analog Peripherals | Price |
|---|---|---|---|---|
| CY8CKIT-059 PsoC 5LP Prototyping Kit | ARM Cortex-M3 Flash: 256 kB SRAM: 64 kB EEPROM: 2 kB | 24 universal digital blocks | 2 SAR 12 bits 1 kS/s; 20 bits 180 S/s | 11.50 € |
| NUCLEO-F411RE | ARM Cortex-M4 Flash: 256 kB SRAM: 128 kB | 50 GPIO | 1 ADC 12 bits 2.4 MS/s | 11.70 € |
| LPCXpresso18S37 | ARM Cortex-M3 Flash: 1 MB SRAM: 136 kB EEPROM: 16 kB | 49 GPIO | 2 ADC 10 bits 400 kS/s | 24.30 € |
| Tiva C Series LaunchPad | ARM Cortex-M4 Flash: 256 kB SRAM: 32 kB EEPROM: 2 kB | 48 GPIO | 2 ADC 12 bits 1 MS/s | 11.50 € |
| Channel | Measurement Range | Transducer | Transducer Operation Range |
|---|---|---|---|
| Photovoltaic (PV) module current (I) | 0 to 12 A | Shunt Resistor Class 0.5 | 0 to 12 A/120 mV |
| PV module voltage (V) | 0 to 100 V | Attenuator | 0 to 2.1 V |
| Irradiance (G) | 0 to 1300 W/m2 | Class 0.5 shunt connected poly-Si cell | 0 to 3.5 A/42 mV |
| Cell temperature (T) | 0 to 100 °C | Open-circuit poly-Si cell | 0.5 to 0.8 V |
| Cell temperature (T) | 0 to 100 °C | PT100 resistor | 0.5 V to 0.7 V (with a 5 mA constant current source) |
| System Stage | Price |
|---|---|
| Analog Signal Processing | 75.00 € |
| Power Drive | 48.50 € |
| Embedded System | 11.50 € |
| Miscellaneous | 28.00 € |
| Total Project Price | 163.00 € |
| Laboratory | Reference Instrument |
|---|---|
| IDEA | Keysight 34465A (Santa Rosa, CA, USA) |
| GER | Keysight 34410A (Santa Rosa, CA, USA) |
| CIEMAT | Yokogawa WT3000 (Musashino, Tokyo, Japan) |
| LABSOL | Agilent 3458A (Santa Clara, CA, USA) |
| PV Technology | Pm (W) | Voc (V) | Isc (A) | Vm (V) | Im (A) |
|---|---|---|---|---|---|
| Thin-Film (120 Wp) | 112.7 | 59 | 3.09 | 41.9 | 2.69 |
| Poly-Si (160 Wp) | 165.4 | 43.61 | 5.03 | 34.8 | 4.75 |
| Mono-Si (245 Wp) | 243.4 | 37.44 | 8.74 | 30.2 | 8.07 |
| PV Technology | Laboratory | |||
|---|---|---|---|---|
| Thin-Film (120 Wp) | IDEA | 0.55 | 0.32 | 0.87 |
| Poly-Si (160 Wp) | IDEA | 0.45 | 0.92 | 1.37 |
| Mono-Si (245 Wp) | IDEA | 0.40 | 1.18 | 1.58 |
| Poly-Si (50 Wp) | GER | 0.11 | 0.26 | 0.37 |
| Poly-Si (140 Wp) | GER | 0.1 | 0.8 | 0.9 |
© 2020 by the authors. Licensee MDPI, Basel, Switzerland. This article is an open access article distributed under the terms and conditions of the Creative Commons Attribution (CC BY) license (http://creativecommons.org/licenses/by/4.0/).
Share and Cite
Cáceres, M.; Firman, A.; Montes-Romero, J.; González Mayans, A.R.; Vera, L.H.; F. Fernández, E.; de la Casa Higueras, J. Low-Cost I–V Tracer for PV Modules under Real Operating Conditions. Energies 2020, 13, 4320. https://doi.org/10.3390/en13174320
Cáceres M, Firman A, Montes-Romero J, González Mayans AR, Vera LH, F. Fernández E, de la Casa Higueras J. Low-Cost I–V Tracer for PV Modules under Real Operating Conditions. Energies. 2020; 13(17):4320. https://doi.org/10.3390/en13174320
Chicago/Turabian StyleCáceres, Manuel, Andrés Firman, Jesús Montes-Romero, Alexis Raúl González Mayans, Luis Horacio Vera, Eduardo F. Fernández, and Juan de la Casa Higueras. 2020. "Low-Cost I–V Tracer for PV Modules under Real Operating Conditions" Energies 13, no. 17: 4320. https://doi.org/10.3390/en13174320
APA StyleCáceres, M., Firman, A., Montes-Romero, J., González Mayans, A. R., Vera, L. H., F. Fernández, E., & de la Casa Higueras, J. (2020). Low-Cost I–V Tracer for PV Modules under Real Operating Conditions. Energies, 13(17), 4320. https://doi.org/10.3390/en13174320

