Disturbance Observer-Based Offset-Free Global Tracking Control for Input-Constrained LTI Systems with DC/DC Buck Converter Applications
Abstract
1. Introduction
2. Problem Formulation
- 1.
- The matrices and are known.
- 2.
- The output matrix is in the form of eitheror
- 3.
- The system matrix is strictly stable, i.e., all eigenvalues of the matrix lie in the open left half plane.
- 4.
- The pair is controllable.
- 5.
- The dimensions of the input and the output are the same.
- 6.
- The control input must satisfy the input constraints, i.e.,where, for any , , is defined asand and denote the ith element of and , respectively.
- C1.
- It holds thatfor a given output reference signal .
- C2.
- The state of the closed loop system is always bounded.
- C3.
3. Controller Law
3.1. Desired Steady State Control for Constrained Output Tracking
3.2. Control Law
4. Stability Analysis
4.1. DOB
4.2. Input Constrained Offset-Free Global Tracking Controller
4.3. Offset Error Rejection for Plant-Model Mismatched Case
5. An Application for a DC/DC Buck Converter
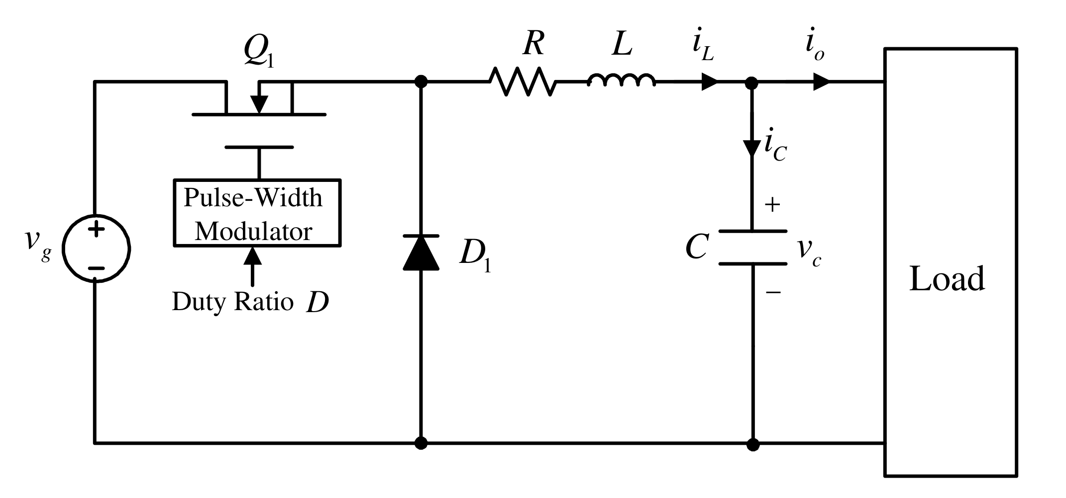
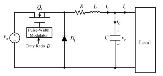
5.1. Description of a DC/DC Converter
5.2. Simulations
- 1.
- The control commences with the output voltage reference V and with the resistive load at s,
- 2.
- The output voltage reference r is decreased from V to V at s,
- 3.
- The output voltage reference r is increased from V to V at s,
- 4.
- The resistive load is decreased from to at s, and
- 5.
- The resistive load value is decreased from to at s.
6. Conclusions
Author Contributions
Funding
Conflicts of Interest
References
- Danayiyen, Y.; Lee, K.; Choi, M.; Lee, Y.I. Model Predictive Control of Uninterruptible Power Supply with Robust Disturbance Observer. Energies 2019, 12, 2871. [Google Scholar] [CrossRef]
- Krishnan Prakash, A.; Zhang, K.; Gupta, P.; Blum, D.; Marshall, M.; Fierro, G.; Alstone, P.; Zoellick, J.; Brown, R.; Pritoni, M. Solar+ Optimizer: A Model Predictive Control Optimization Platform for Grid Responsive Building Microgrids. Energies 2020, 13, 3093. [Google Scholar] [CrossRef]
- Ferro, G.; Robba, M.; Sacile, R. A Model Predictive Control Strategy for Distribution Grids: Voltage and Frequency Regulation for Islanded Mode Operation. Energies 2020, 13, 2637. [Google Scholar] [CrossRef]
- Palmieri, A.; Rosini, A.; Procopio, R.; Bonfiglio, A. An MPC-Sliding Mode Cascaded Control Architecture for PV Grid-Feeding Inverters. Energies 2020, 13, 2326. [Google Scholar] [CrossRef]
- Sasaki, Y.; Tsubakino, D. Designs of Feedback Controllers for Fluid Flows Based on Model Predictive Control and Regression Analysis. Energies 2020, 13, 1325. [Google Scholar] [CrossRef]
- Lim, J.; Kim, J.S.; Lee, Y. Robust tracking model predictive control for input-constrained uncertain linear time invariant systems. Int. J. Control 2013, 87, 120–130. [Google Scholar] [CrossRef]
- Maedera, U.; Borrelli, F.; Morari, M. Linear offset-free Model Predictive Control. Automatica 2009, 45, 2214–2222. [Google Scholar] [CrossRef]
- Limon, D.; Alvarado, I.; Alamo, T.; Camacho, E.F. MPC for tracking piecewise constant references for constrained linear systems. Automatica 2008, 44, 2382–2387. [Google Scholar] [CrossRef]
- Chisci, L.; Zappa, G. Dual mode predictive tracking of piecewise constant references for constrained linear systems. Int. J. Control 2003, 76, 61–72. [Google Scholar] [CrossRef]
- Pannocchia, G.; Kerrigan, E.C. Offset-free Receding Horizon Control of Constrained Linear Systems. AIChE J. 2005, 51, 3134–3146. [Google Scholar] [CrossRef]
- Sussmanna, H.J.; Sontag, E.D.; Yang, Y. A general result on the stabilization of linear systems using bounded controls. IEEE Trans. Autom. Control 1994, 39, 2411–2425. [Google Scholar] [CrossRef]
- Suarez, R.; Alvarez-Ramirez, J.; Solis-Daun, J. Linear systems with bounded inputs: Global stabilization with eigenvalue placement. Int. J. Robust Nonlin. Control 1997, 7, 835–845. [Google Scholar] [CrossRef]
- LIN, Z. Global Control of Linear Systems with Saturating Actuators. Automatica 1998, 34, 897–905. [Google Scholar] [CrossRef]
- Grimm, G.; Hatfield, J.; Postlethwaite, I.; Teel, A.R.; Turner, M.C.; Zaccarian, L. Antiwindup for Stable Linear Systems With Input Saturation: An LMI-Based Synthesis. IEEE Trans. Autom. Control 2003, 48, 1509–1525. [Google Scholar] [CrossRef]
- Kim, J.S.; Yoon, T.W.; Jadbabaie, A.; Persis, C.D. Input-to-state stable finite horizon MPC for neutrally stable linear discrete-time systems with input constraints. Syst. Control Lett. 2006, 55, 293–303. [Google Scholar] [CrossRef]
- Wanga, X.; Saberi, A.; Stoorvogel, A.A. Stabilization of linear system with input saturation and unknown constant delays. Automatica 2013, 49, 3632–3640. [Google Scholar] [CrossRef]
- Blanchini, F. Set invariance in control. Automatica 1999, 35, 1747–1767. [Google Scholar] [CrossRef]
- Hu, T.; Lin, Z. Composite Quadratic Lyapunov Functions for Constrained Control Systems. IEEE Trans. Autom. Control 2003, 48, 440–450. [Google Scholar]
- Gayaka, S.; Lua, L.; Yao, B. Global stabilization of a chain of integrators with input saturation and disturbances: A new approach. Automatica 2012, 48, 1389–1396. [Google Scholar] [CrossRef]
- Boyd, S.; Vandenberghe, L. Convex Optimization; Cambridge University Press: Cambridge, UK, 2004. [Google Scholar]
- Krstic, M.; Kanellakopoulos, L.; Kokotovic, P. Nonlinear and Adaptive Control Design; Wiley-Interscience: Hoboken, NJ, USA, 1995. [Google Scholar]
- Rudin, W. Principles of Mathematical Analysis; McGRAW-HILL: New York, NY, USA, 1976. [Google Scholar]
- Kassakian, J.C.; Schlecht, M.; Verghese, G.C. Principles of Power Electronics; Addison-Wesley: Boston, MA, USA, 1991. [Google Scholar]
- Kim, S.K.; Park, C.R.; Kim, J.S.; Lee, Y.I. A Stabilizing Model Predictive Controller for Voltage Regulation of a DC/DC Boost Converter. IEEE Trans. Control Syst. Technol. 2014, 22, 2016–2023. [Google Scholar] [CrossRef]
- Cortes, P.; Ortiz, G.; Yuz, J.I.; Rodriguez, J.; Vazquez, S.; Franquelo, L.G. Model Predictive Control of an Inverter With Output LC Filter for UPS Applications. IEEE Trans. Ind. Electron. 2009, 56, 1875–1883. [Google Scholar] [CrossRef]






© 2020 by the authors. Licensee MDPI, Basel, Switzerland. This article is an open access article distributed under the terms and conditions of the Creative Commons Attribution (CC BY) license (http://creativecommons.org/licenses/by/4.0/).
Share and Cite
Choi, K.; Kim, D.S.; Kim, S.-K. Disturbance Observer-Based Offset-Free Global Tracking Control for Input-Constrained LTI Systems with DC/DC Buck Converter Applications. Energies 2020, 13, 4079. https://doi.org/10.3390/en13164079
Choi K, Kim DS, Kim S-K. Disturbance Observer-Based Offset-Free Global Tracking Control for Input-Constrained LTI Systems with DC/DC Buck Converter Applications. Energies. 2020; 13(16):4079. https://doi.org/10.3390/en13164079
Chicago/Turabian StyleChoi, Kyunghwan, Dong Soo Kim, and Seok-Kyoon Kim. 2020. "Disturbance Observer-Based Offset-Free Global Tracking Control for Input-Constrained LTI Systems with DC/DC Buck Converter Applications" Energies 13, no. 16: 4079. https://doi.org/10.3390/en13164079
APA StyleChoi, K., Kim, D. S., & Kim, S.-K. (2020). Disturbance Observer-Based Offset-Free Global Tracking Control for Input-Constrained LTI Systems with DC/DC Buck Converter Applications. Energies, 13(16), 4079. https://doi.org/10.3390/en13164079

