Robust Speed Control of PMSM Using Sliding Mode Control (SMC)—A Review
Abstract
1. Introduction
2. Sliding Mode Controller Enhancement in PMSM Speed Control
2.1. Sliding Surface Design Modification
2.1.1. Integer Order Integral SMC
2.1.2. Fractional Order SMC
2.1.3. Terminal SMC
2.2. Higher Order SMC
2.3. Reaching Law Method
2.4. Disturbance Compensation
2.5. Artificial Intelligence
2.5.1. Fuzzy Logic
2.5.2. Neural Network
2.5.3. Fuzzy Neural Network
3. Fractional Order SMC for Speed Control of PMSM
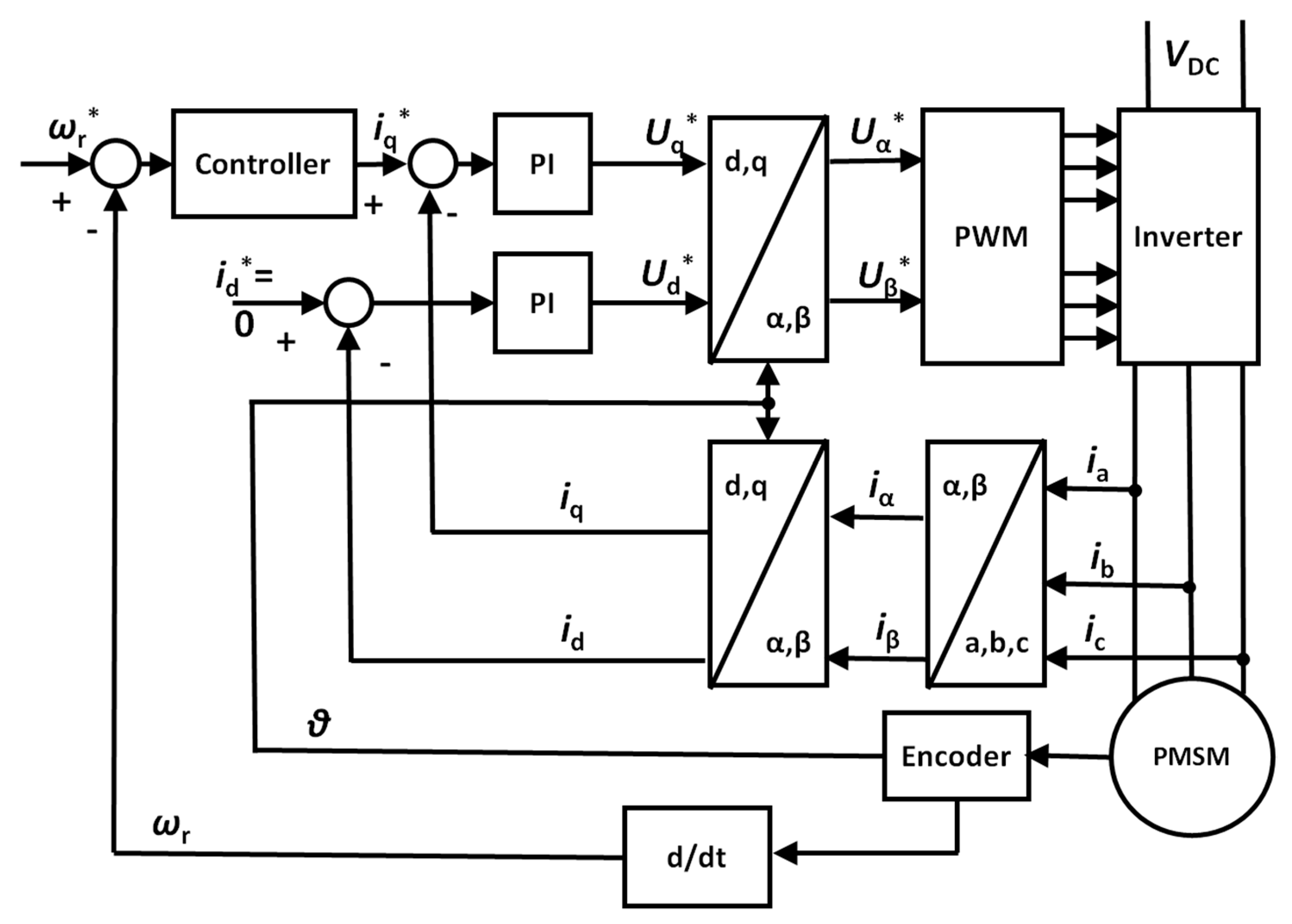
3.1. Field Oriented Speed Control of PMSM
3.2. Design of FOSMC-PID
3.3. Simulation Results
3.3.1. Performance Comparison of Fractional Order SMC with Conventional Integer Order SMC
3.3.2. Performance Comparison of Fractional Order SMC with Different Sliding Surface Designs (PI, PD and PID)
3.3.3. Performance of the Proposed FOSMC Speed Controller for Various Conditions
4. Discussion
5. Conclusions
Author Contributions
Funding
Conflicts of Interest
References
- Shihua, L.; Mingming, Z.; Xinghuo, Y. Design and Implementation of Terminal Sliding Mode Control Method for PMSM Speed Regulation System. IEEE Trans. Ind. Inform. 2013, 9, 1879–1891. [Google Scholar] [CrossRef]
- Pillay, P.; Krishnan, R. Modeling, simulation, and analysis of permanent-magnet motor drives. I. The permanent-magnet synchronous motor drive. IEEE Trans. Ind. Appl. 1989, 25, 265–273. [Google Scholar] [CrossRef]
- Abu-Rub, H.; Iqbal, A.; Guzinski, J. High Performance Control of AC Drives with Matlab/Simulink Models; Wiley: Hoboken, NJ, USA, 2012. [Google Scholar]
- Zhang, B.; Pi, Y.; Luo, Y. Fractional order sliding-mode control based on parameters auto-tuning for velocity control of permanent magnet synchronous motor. ISA Trans. 2012, 51, 649–656. [Google Scholar] [CrossRef] [PubMed]
- Huang, J.; Li, H.; Teng, F.; Liu, D. Fractional order sliding mode controller for the speed control of a permanent magnet synchronous motor. In Proceedings of the 24th Chinese Control and Decision Conference (CCDC), Taiyuan, China, 23–25 May 2012; pp. 1203–1208. [Google Scholar]
- Maleki, N.; Pahlavani, M.R.A.; Soltani, I. A Detailed Comparison Between FOC and DTC Methods of a Permanent Magnet Synchronous Motor Drive. J. Electr. Electron. Eng. 2015, 3, 92–100. [Google Scholar] [CrossRef]
- Garcia, X.D.T.; Zigmund, B.; Terlizzi, A.A.; Pavlanin, R.; Salvatore, L. Comparison between FOC and DTC Strategies for Permanent Magnet Synchronous Motors. Adv. Electr. Electron. Eng. 2011, 5. Available online: http://advances.utc.sk/index.php/AEEE/article/view/179 (accessed on 20 January 2019).
- Li, S.; Zong, K.; Liu, H. A composite speed controller based on a second-order model of permanent magnet synchronous motor system. Trans. Inst. Meas. Control 2011, 33, 522–541. [Google Scholar] [CrossRef]
- Ke, Z.; Xiao-guang, Z.; Li, S.; Chang, C. Sliding mode control of high-speed PMSM based on precision linearization control. In Proceedings of the International Conference on Electrical Machines and Systems (ICEMS), Beijing, China, 20–23 August 2011; pp. 1–4. [Google Scholar]
- Gou-Jen, W.; Chuan-Tzueng, F.; Chang, K.J. Neural-network-based self-tuning PI controller for precise motion control of PMAC motors. IEEE Trans. Ind. Electron. 2001, 48, 408–415. [Google Scholar] [CrossRef]
- Xiaoguang, Z.; Lizhi, S.; Ke, Z.; Li, S. Nonlinear speed control for PMSM system using sliding mode control and disturbance compensation techniques. IEEE Trans. Power Electron. 2013, 28, 1358–1365. [Google Scholar] [CrossRef]
- El-Sousy, F.F.M. Robust wavelet-neural-network sliding-mode control system for permanent magnet synchronous motor drive. IET Electr. Power Appl. 2011, 5, 113–132. [Google Scholar] [CrossRef]
- Huixian, L.; Shihua, L. Speed Control for PMSM Servo System Using Predictive Functional Control and Extended State Observer. IEEE Trans. Ind. Electron. 2012, 59, 1171–1183. [Google Scholar] [CrossRef]
- Errouissi, R.; Ouhrouche, M.; Wen-Hua, C.; Trzynadlowski, A.M. Robust nonlinear predictive controller for permanent magnet synchronous motors with an optimized cost function. IEEE Trans. Ind. Electron. 2012, 59, 2849–2858. [Google Scholar] [CrossRef]
- Zhou, J.; Wang, Y. Adaptive backstepping speed controller design for a permanent magnet synchronous motor. IEE Proc.—Electr. Power Appl. 2002, 149, 165–172. [Google Scholar] [CrossRef]
- Vu, N.T.-T.; Choi, H.H.; Jung, J.-W. Certainty equivalence adaptive speed controller for permanent magnet synchronous motor. Mechatronics 2012, 22, 811–818. [Google Scholar] [CrossRef]
- Shihua, L.; Zhigang, L. Adaptive speed control for permanent magnet synchronous motor system with variations of load inertia. IEEE Trans. Ind. Electron. 2009, 56, 3050–3059. [Google Scholar] [CrossRef]
- Han Ho, C.; Nga Thi-Thuy, V.; Jin-Woo, J. Digital Implementation of an Adaptive Speed Regulator for a PMSM. IEEE Trans. Power Electron. 2011, 26, 3–8. [Google Scholar] [CrossRef]
- Wang, Q.; Yu, H.; Wang, M.; Qi, X. A Novel Adaptive Neuro-Control Approach for Permanent Magnet Synchronous Motor Speed Control. Energies 2018, 11, 2355. [Google Scholar] [CrossRef]
- Hsien, T.L.; Sun, Y.Y.; Tsai, M.C. H∞ control for a sensorless permanent-magnet synchronous drive. IEEE Proc. Electr. Power Appl. 1997, 144, 173–181. [Google Scholar] [CrossRef]
- Su, Y.X.; Zheng, C.H.; Duan, B.Y. Automatic disturbances rejection controller for precise motion control of permanent-magnet synchronous motors. IEEE Trans. Ind. Electron. 2005, 52, 814–823. [Google Scholar] [CrossRef]
- Han Ho, C.; Jin-Woo, J. Discrete-Time Fuzzy Speed Regulator Design for PM Synchronous Motor. IEEE Trans. Ind. Electron. 2013, 60, 600–607. [Google Scholar] [CrossRef]
- Utkin, V. Variable structure systems with sliding modes. IEEE Trans. Autom. Control 1977, 22, 212–222. [Google Scholar] [CrossRef]
- Hung, J.Y.; Gao, W.; Hung, J.C. Variable structure control: A survey. IEEE Trans. Ind. Electron. 1993, 40, 2–22. [Google Scholar] [CrossRef]
- Fallaha, C.J.; Saad, M.; Kanaan, H.Y.; Al-Haddad, K. Sliding mode robot control with exponential reaching law. IEEE Trans. Ind. Electron. 2011, 58, 600–610. [Google Scholar] [CrossRef]
- Rong-Jong, W.; Kun-Lun, C.; Jeng-Dao, L. On-Line Supervisory Control Design for Maglev Transportation System via Total Sliding-Mode Approach and Particle Swarm Optimization. IEEE Trans. Autom. Control 2010, 55, 1544–1559. [Google Scholar] [CrossRef]
- Chih-Lyang, H.; Li-Jui, C.; Yuan-Sheng, Y. Network-Based Fuzzy Decentralized Sliding-Mode Control for Car-Like Mobile Robots. IEEE Trans. Ind. Electron. 2007, 54, 574–585. [Google Scholar] [CrossRef]
- Syuan-Yi, C.; Faa-Jeng, L. Robust nonsingular terminal sliding mode control for nonlinear magnetic bearing system. IEEE Trans. Control Syst. Technol. 2011, 19, 636–643. [Google Scholar] [CrossRef]
- Bao-Lin, Z.; Qing-Long, H.; Xian-Ming, Z.; Xinghuo, Y. Sliding Mode Control With Mixed Current and Delayed States for Offshore Steel Jacket Platforms. IEEE Trans. Control Syst. Technol. 2014, 22, 1769–1783. [Google Scholar] [CrossRef]
- Chuan-Kai, L. Nonsingular Terminal Sliding Mode Control of Robot Manipulators Using Fuzzy Wavelet Networks. IEEE Trans. Fuzzy Syst. 2006, 14, 849–859. [Google Scholar] [CrossRef]
- Jeng-Dao, L.; Suiyang, K.; Zhi-Bin, W. DSP-based sliding mode control for electromagnetic levitation precise position system. IEEE Trans. Ind. Inform. 2013, 9, 817–827. [Google Scholar] [CrossRef]
- Han, S.I.; Lee, J.M. Balancing and Velocity Control of a Unicycle Robot Based on the Dynamic Model. IEEE Trans. Ind. Electron. 2015, 62, 405–413. [Google Scholar] [CrossRef]
- Faa-Jeng, L.; Chih-Kai, C.; Po-Kai, H. FPGA-Based Adaptive Backstepping Sliding-Mode Control for Linear Induction Motor Drive. IEEE Trans. Power Electron. 2007, 22, 1222–1231. [Google Scholar] [CrossRef]
- El-Sousy, F.F.M. Adaptive Dynamic Sliding-Mode Control System Using Recurrent RBFN for High-Performance Induction Motor Servo Drive. IEEE Trans. Ind. Inform. 2013, 9, 1922–1936. [Google Scholar] [CrossRef]
- Veselic, B.; Perunicic-Drazenovic, B.; Milosavljevic, C. Improved Discrete-Time Sliding-Mode Position Control Using Euler Velocity Estimation. IEEE Trans. Ind. Electron. 2010, 57, 3840–3847. [Google Scholar] [CrossRef]
- Pupadubsin, R.; Chayopitak, N.; Taylor, D.G.; Nulek, N.; Kachapornkul, S.; Jitkreeyarn, P.; Somsiri, P.; Tungpimolrut, K. Adaptive Integral Sliding-Mode Position Control of a Coupled-Phase Linear Variable Reluctance Motor for High-Precision Applications. IEEE Trans. Ind. Appl. 2012, 48, 1353–1363. [Google Scholar] [CrossRef]
- Yaonan, W.; Xizheng, Z.; Xiaofang, Y.; Guorong, L. Position-Sensorless Hybrid Sliding-Mode Control of Electric Vehicles With Brushless DC Motor. IEEE Trans. Veh. Technol. 2011, 60, 421–432. [Google Scholar] [CrossRef]
- Jian-Bo, C.; Bing-Gang, C. Fuzzy-Logic-Based Sliding-Mode Controller Design for Position-Sensorless Electric Vehicle. IEEE Trans. Power Electron. 2009, 24, 2368–2378. [Google Scholar] [CrossRef]
- Eker, İ. Second-order sliding mode control with experimental application. ISA Trans. 2010, 49, 394–405. [Google Scholar] [CrossRef] [PubMed]
- Young, K.D.; Utkin, V.I.; Ozguner, U. A control engineer’s guide to sliding mode control. IEEE Trans. Control Syst. Technol. 1999, 7, 328–342. [Google Scholar] [CrossRef]
- Utkin, V.I. Sliding mode control design principles and applications to electric drives. IEEE Trans. Ind. Electron. 1993, 40, 23–36. [Google Scholar] [CrossRef]
- Qi, L.; Shi, H. Adaptive position tracking control of permanent magnet synchronous motor based on RBF fast terminal sliding mode control. Neurocomputing 2013, 115, 23–30. [Google Scholar] [CrossRef]
- Elmas, C.; Ustun, O. A hybrid controller for the speed control of a permanent magnet synchronous motor drive. Control Eng. Pract. 2008, 16, 260–270. [Google Scholar] [CrossRef]
- Yan, L.; Ju-Beom, S.; Jang-myung, L. PMSM speed controller using switching algorithm of PD and Sliding mode control. In Proceedings of the ICCAS-SICE, Fukuoka, Japan, 18–21 August 2009; pp. 1260–1266. [Google Scholar]
- Utkin, V.; Jingxin, S. Integral sliding mode in systems operating under uncertainty conditions. In Proceedings of the 35th IEEE Conference on Decision and Control, Kobe, Japan, 11–13 December 1996; pp. 4591–4596. [Google Scholar]
- Castanos, F.; Fridman, L. Analysis and design of integral sliding manifolds for systems with unmatched perturbations. IEEE Trans. Autom. Control 2006, 51, 853–858. [Google Scholar] [CrossRef]
- Liang, Y.W.; Ting, L.W.; Lin, L.G. Study of Reliable Control Via an Integral-Type Sliding Mode Control Scheme. IEEE Trans. Ind. Electron. 2012, 59, 3062–3068. [Google Scholar] [CrossRef]
- Xia, C.; Wang, X.; Li, S.; Chen, X. Improved integral sliding mode control methods for speed control of PMSM system. Int. J. Innov. Comput. Inf. Control 2011, 7, 1971–1982. [Google Scholar]
- Song, Q.; Jia, C. Robust Speed Controller Design for Permanent Magnet Synchronous Motor Drives Based on Sliding Mode Control. Energy Procedia 2016, 88, 867–873. [Google Scholar] [CrossRef]
- Zaky, M. Adaptive and robust speed control of interior permanent magnet synchronous motor drives. Electr. Eng. 2012, 94, 49–58. [Google Scholar] [CrossRef]
- Efe, M.O. Fractional Order Systems in Industrial Automation—A Survey. IEEE Trans. Ind. Inform. 2011, 7, 582–591. [Google Scholar] [CrossRef]
- Huang, J.; Cui, L.; Shi, X.; Li, H.; Xiang, Z. Composite integral sliding mode control for PMSM. In Proceedings of the 33rd Chinese Control Conference (CCC), Nanjing, China, 28–30 July 2014; pp. 8086–8090. [Google Scholar]
- Hongsheng, L.; Ying, L.; Yang Quan, C. A Fractional Order Proportional and Derivative (FOPD) Motion Controller: Tuning Rule and Experiments. IEEE Trans. Control Syst. Technol. 2010, 18, 516–520. [Google Scholar] [CrossRef]
- Lanusse, P.; Oustaloup, A.; Sabatier, J. Robust factional order PID controllers: The first generation CRONE CSD approach. In Proceedings of the International Conference on Fractional Differentiation and Its Applications 2014 (ICFDA), Catania, Italy, 23–25 June 2014; pp. 1–6. [Google Scholar]
- Zhang, B.T.; Pi, Y. Robust fractional order proportion-plus-differential controller based on fuzzy inference for permanent magnet synchronous motor. IET Control Theory Appl. 2012, 6, 829–837. [Google Scholar] [CrossRef]
- Efe, M.O. Fractional Fuzzy Adaptive Sliding-Mode Control of a 2-DOF Direct-Drive Robot Arm. IEEE Trans. Syst. ManCybern. Part B Cybern. 2008, 38, 1561–1570. [Google Scholar] [CrossRef]
- Ladaci, S.; Charef, A. On Fractional Adaptive Control. Nonlinear Dyn. 2006, 43, 365–378. [Google Scholar] [CrossRef]
- Luo, Y.; Chen, Y.; Ahn, H.-S.; Pi, Y. Fractional order robust control for cogging effect compensation in PMSM position servo systems: Stability analysis and experiments. Control Eng. Pract. 2010, 18, 1022–1036. [Google Scholar] [CrossRef]
- Salehtavazoei, M.; Tavakoli-Kakhki, M. Compensation by fractional-order phase-lead/lag compensators. IET Control Theory Appl. 2014, 8, 319–329. [Google Scholar] [CrossRef]
- Luo, Y.; Chen, Y.Q.; Ahn, H.S.; Pi, Y.G. Fractional Order Periodic Adaptive Learning Compensation for State-Dependent Periodic Disturbance. IEEE Trans. Control Syst. Technol. 2012, 20, 465–472. [Google Scholar] [CrossRef]
- Ying, L.; Yang Quan, C.; Hyo-Sung, A.; Youguo, P. Fractional order periodic adaptive learning compensation for cogging effect in PMSM position servo system. In Proceedings of the American Control Conference (ACC), St. Louis, MO, USA, 10–12 June 2009; pp. 937–942. [Google Scholar]
- Mujumdar, A.; Tamhane, B.; Kurode, S. Observer-Based Sliding Mode Control for a Class of Noncommensurate Fractional-Order Systems. IEEE/ASME Trans. Mechatron. 2015, PP, 1–9. [Google Scholar] [CrossRef]
- Calderón, A.J.; Vinagre, B.M.; Feliu, V. Fractional order control strategies for power electronic buck converters. Signal Process. 2006, 86, 2803–2819. [Google Scholar] [CrossRef]
- Delavari, H.; Ghaderi, R.; Ranjbar, A.; Momani, S. Fuzzy fractional order sliding mode controller for nonlinear systems. Commun. Nonlinear Sci. Numer. Simul. 2010, 15, 963–978. [Google Scholar] [CrossRef]
- Abdelhamid, D.; Bouden, T.; Boulkroune, A. Design of Fractional-order Sliding Mode Controller (FSMC) for a class of Fractional-order Non-linear Commensurate Systems using a Particle Swarm Optimization (PSO) Algorithm. J. Control Eng. Appl. Inform. 2014, 16, 46–55. [Google Scholar]
- Sun, G.; Wu, L.; Kuang, Z.; Ma, Z.; Liu, J. Practical tracking control of linear motor via fractional-order sliding mode. Automatica 2018, 94, 221–235. [Google Scholar] [CrossRef]
- Feng, Y.; Yu, X.; Man, Z. Non-singular terminal sliding mode control of rigid manipulators. Automatica 2002, 38, 2159–2167. [Google Scholar] [CrossRef]
- Liu, J.; Wang, X. Advanced Sliding Mode Control for Mechanical Systems: Design, Analysis and MATLAB Simulation; Springer: Berlin/Heidelberg, Germany, 2012. [Google Scholar]
- Wu, Y.; Yu, X.; Man, Z. Terminal sliding mode control design for uncertain dynamic systems. Syst. Control Lett. 1998, 34, 281–287. [Google Scholar] [CrossRef]
- Man, Z.; Xing Huo, Y. Terminal sliding mode control of MIMO linear systems. IEEE Trans. Circuits Syst. I Fundam. Theory Appl. 1997, 44, 1065–1070. [Google Scholar] [CrossRef]
- Jin, M.; Lee, J.; Chang, P.H.; Choi, C. Practical Nonsingular Terminal Sliding-Mode Control of Robot Manipulators for High-Accuracy Tracking Control. IEEE Trans. Ind. Electron. 2009, 56, 3593–3601. [Google Scholar] [CrossRef]
- Zhang, R.; Dong, L.; Sun, C. Adaptive nonsingular terminal sliding mode control design for near space hypersonic vehicles. IEEE/CAA J. Autom. Sin. 2014, 1, 155–161. [Google Scholar] [CrossRef]
- Mu, C.; He, H. Dynamic Behavior of Terminal Sliding Mode Control. IEEE Trans. Ind. Electron. 2018, 65, 3480–3490. [Google Scholar] [CrossRef]
- Xu, W.; Jiang, Y.; Mu, C.; Yue, H. Nonsingular terminal sliding mode control for the speed regulation of permanent magnet synchronous motor with parameter uncertainties. In Proceedings of the 41st Annual Conference of the IEEE Industrial Electronics Society, IECON, Pattaya, Thailand, 9–12 November 2015; pp. 001994–001999. [Google Scholar]
- Liu, X.; Yu, H.; Yu, J.; Zhao, L. Combined Speed and Current Terminal Sliding Mode Control With Nonlinear Disturbance Observer for PMSM Drive. IEEE Access 2018, 6, 29594–29601. [Google Scholar] [CrossRef]
- Xinghuo, Y.; Man, Z. Fast terminal sliding-mode control design for nonlinear dynamical systems. IEEE Trans. Circuits Syst. I Fundam. Theory Appl. 2002, 49, 261–264. [Google Scholar] [CrossRef]
- Mu, C.; Xu, W.; Sun, C. On Switching Manifold Design for Terminal Sliding Mode Control. J. Frankl. Inst. 2016, 353. [Google Scholar] [CrossRef]
- Lu, E.; Li, W.; Yang, X.; Xu, S. Composite Sliding Mode Control of a Permanent Magnet Direct-Driven System For a Mining Scraper Conveyor. IEEE Access 2017, 5, 22399–22408. [Google Scholar] [CrossRef]
- Xu, S.S.D.; Chen, C.C.; Wu, Z.L. Study of Nonsingular Fast Terminal Sliding-Mode Fault-Tolerant Control. IEEE Trans. Ind. Electron. 2015, 62, 3906–3913. [Google Scholar] [CrossRef]
- Gudey, S.K.; Gupta, R. Recursive fast terminal sliding mode control in voltage source inverter for a low-voltage microgrid system. IET Gener. Transm. Distrib. 2016, 10, 1536–1543. [Google Scholar] [CrossRef]
- Komurcugil, H. Fast terminal sliding mode control for single-phase UPS inverters. In Proceedings of the IEEE International Symposium on Industrial Electronics, Gdansk, Poland, 27–30 June 2011; pp. 277–282. [Google Scholar]
- Mobayen, S. Fast terminal sliding mode tracking of non-holonomic systems with exponential decay rate. IET Control Theory Appl. 2015, 9, 1294–1301. [Google Scholar] [CrossRef]
- Al-Ghanimi, A.; Zheng, J.; Man, Z. Robust and fast non-singular terminal sliding mode control for piezoelectric actuators. IET Control Theory Appl. 2015, 9, 2678–2687. [Google Scholar] [CrossRef]
- Mu, C.; Sun, C.; Xu, W. Fast sliding mode control on air-breathing hypersonic vehicles with transient response analysis. Proc. Inst. Mech. Eng. Part I J. Sys. Control Eng. 2015, 230, 23–34. [Google Scholar] [CrossRef]
- Shuo, Z. Nonsingular fast terminal sliding mode control method and its application on permanent magnet synchronous motor. In Proceedings of the 34th Chinese Control Conference (CCC), Hangzhou, China, 28–30 July 2015; pp. 3383–3386. [Google Scholar]
- Levant, A. Sliding order and sliding accuracy in sliding mode control. Int. J. Control 1993, 58, 1247–1263. [Google Scholar] [CrossRef]
- Levant, A. Principles of 2-sliding mode design. Automatica 2007, 43, 576–586. [Google Scholar] [CrossRef]
- Bartolini, G.; Ferrara, A.; Levant, A.; Usai, E. On second order sliding mode controllers. In Variable Structure Systems, Sliding Mode and Nonlinear Control; Young, K.D., Özgüner, Ü., Eds.; Springer: London, UK, 1999; pp. 329–350. [Google Scholar]
- Khan, M.K.; Spurgeon, S.K. Robust MIMO water level control in interconnected twin-tanks using second order sliding mode control. Control Eng. Pract. 2006, 14, 375–386. [Google Scholar] [CrossRef]
- Xinghuo, Y.; Kaynak, O. Sliding-Mode Control With Soft Computing: A Survey. IEEE Trans. Ind. Electron. 2009, 56, 3275–3285. [Google Scholar] [CrossRef]
- Bartolini, G.; Pisano, A.; Punta, E.; Usai, E. A survey of applications of second-order sliding mode control to mechanical systems. Int. J. Control 2003, 76, 875–892. [Google Scholar] [CrossRef]
- Matraji, I.; Laghrouche, S.; Jemei, S.; Wack, M. Robust control of the PEM fuel cell air-feed system via sub-optimal second order sliding mode. Appl. Energy 2013, 104, 945–957. [Google Scholar] [CrossRef]
- Damiano, A.; Gatto, G.L.; Marongiu, I.; Pisano, A. Second-order sliding-mode control of DC drives. IEEE Trans. Ind. Electron. 2004, 51, 364–373. [Google Scholar] [CrossRef]
- Bounasla, N.; Hemsas, K.E. Second order sliding mode control of a permanent magnet synchronous motor. In Proceedings of the 14th International Conference on Sciences and Techniques of Automatic Control and Computer Engineering (STA), Sousse, Tunisia, 20–22 December 2013; pp. 535–539. [Google Scholar]
- Levant, A.; Fridman, L. Robustness issues of 2-sliding mode control. In Variable Structure Systems: From Principles to Implementation; Institution of Engineering and Technology: Stevenage, UK, 2004; pp. 131–156. [Google Scholar] [CrossRef]
- Bartolini, G.; Pisano, A.; Usai, E. Second-order sliding-mode control of container cranes. Automatica 2002, 38, 1783–1790. [Google Scholar] [CrossRef]
- Ling, R.; Maksimovic, D.; Leyva, R. Second-Order Sliding-Mode Controlled Synchronous Buck DC-DC Converter. IEEE Trans. Power Electron. 2016, 31, 2539–2549. [Google Scholar] [CrossRef]
- Ferrara, A.; Incremona, G.P. Design of an Integral Suboptimal Second-Order Sliding Mode Controller for the Robust Motion Control of Robot Manipulators. IEEE Trans. Control Syst. Technol. 2015, 23, 2316–2325. [Google Scholar] [CrossRef]
- Lin, F.J.; Hung, Y.C.; Ruan, K.C. An Intelligent Second-Order Sliding-Mode Control for an Electric Power Steering System Using a Wavelet Fuzzy Neural Network. IEEE Trans. Fuzzy Syst. 2014, 22, 1598–1611. [Google Scholar] [CrossRef]
- Ebrahimi, B.; Tafreshi, R.; Mohammadpour, J.; Franchek, M.; Grigoriadis, K.; Masudi, H. Second-Order Sliding Mode Strategy for Air-Fuel Ratio Control of Lean-Burn SI Engines. IEEE Trans. Control Syst. Technol. 2014, 22, 1374–1384. [Google Scholar] [CrossRef]
- Shtessel, Y.B.; Shkolnikov, I.A.; Levant, A. Guidance and Control of Missile Interceptor using Second-Order Sliding Modes. IEEE Trans. Aerosp. Electron. Syst. 2009, 45, 110–124. [Google Scholar] [CrossRef]
- Pisano, A.; Davila, A.; Fridman, L.; Usai, E. Cascade Control of PM DC Drives Via Second-Order Sliding-Mode Technique. IEEE Trans. Ind. Electron. 2008, 55, 3846–3854. [Google Scholar] [CrossRef]
- Laghrouche, S.; Plestan, F.; Glumineau, A.; Boisliveau, R. Robust second order sliding mode control for a permanent magnet synchronous motor. In Proceedings of the American Control Conference, Denver, CO, USA, 4–6 June 2003; pp. 4071–4076. [Google Scholar]
- Kommuri, S.K.; Rath, J.J.; Veluvolu, K.C.; Defoort, M.; Soh, Y.C. Decoupled current control and sensor fault detection with second-order sliding mode for induction motor. IET Control Theory Appl. 2015, 9, 608–617. [Google Scholar] [CrossRef]
- Susperregui, A.; Martinez, M.I.; Tapia, G.; Vechiu, I. Second-order sliding-mode controller design and tuning for grid synchronisation and power control of a wind turbine-driven doubly fed induction generator. IET Renew. Power Gener. 2013, 7, 540–551. [Google Scholar] [CrossRef]
- Beltran, B.; Benbouzid, M.E.H.; Ahmed-Ali, T. Second-Order Sliding Mode Control of a Doubly Fed Induction Generator Driven Wind Turbine. IEEE Trans. Energy Convers. 2012, 27, 261–269. [Google Scholar] [CrossRef]
- Bitao, Z.; Youguo, P. Velocity Control of Permanent Magnet Synchronous Motor Based on Second-Order Sliding-Mode Technology. In Proceedings of the International Conference on Digital Manufacturing & Automation (ICDMA), Changsha, China, 18–20 December 2010; pp. 893–897. [Google Scholar]
- Qi, L.; Shi, H. A Novel Second Order Sliding Mode Control Algorithm for Velocity Control Permanent Magnet Synchronous Motor. In Intelligent Computing for Sustainable Energy and Environment: Second International Conference; Li, K., Li, S., Li, D., Niu, Q., Eds.; Springer: Berlin/Heidelberg, Germany, 2013. [Google Scholar]
- Bartolini, G.; Ferrara, A.; Usani, E. Chattering avoidance by second-order sliding mode control. IEEE Trans. Autom. Control 1998, 43, 241–246. [Google Scholar] [CrossRef]
- Boiko, I.; Fridman, L.; Pisano, A.; Usai, E. Analysis of Chattering in Systems With Second-Order Sliding Modes. IEEE Trans. Autom. Control 2007, 52, 2085–2102. [Google Scholar] [CrossRef]
- Gao, W.; Hung, J.C. Variable structure control of nonlinear systems: A new approach. IEEE Trans. Ind. Electron. 1993, 40, 45–55. [Google Scholar] [CrossRef]
- Zhang, X.; Zhao, K.; Sun, L. A PMSM sliding mode control system based on a novel reaching law. In Proceedings of the International Conference on Electrical Machines and Systems (ICEMS), Beijing, China, 20–23 August 2011; pp. 1–5. [Google Scholar]
- Jamoussi, K.; Ouali, M.; Chrifi-Alaoui, L.; Benderradji, H.; Hajjaji, A.E. Robust Sliding Mode Control Using Adaptive Switching Gain for Induction Motors. Int. J. Autom. Comput. 2013, 10, 303–311. [Google Scholar] [CrossRef]
- Faa-Jeng, L.; Sheng-Lyin, C.; Kuo-Kai, S. Novel sliding mode controller for synchronous motor drive. IEEE Trans. Aerosp. Electron. Syst. 1998, 34, 532–542. [Google Scholar] [CrossRef]
- In-Cheol, B.; Kyeong-Hwa, K.; Myung-Joong, Y. Robust nonlinear speed control of PM synchronous motor using boundary layer integral sliding mode control technique. IEEE Trans. Control Syst. Technol. 2000, 8, 47–54. [Google Scholar] [CrossRef]
- Chen, W.H.; Yang, J.; Guo, L.; Li, S. Disturbance-Observer-Based Control and Related Methods—An Overview. IEEE Trans. Ind. Electron. 2016, 63, 1083–1095. [Google Scholar] [CrossRef]
- Chiang, H.K.; Tseng, C.H. Integral variable structure controller with grey prediction for synchronous reluctance motor drive. IEE Proc.—Electr. Power Appl. 2004, 151, 349–358. [Google Scholar] [CrossRef]
- SangJoo, K.; Wan Kyun, C. A discrete-time design and analysis of perturbation observer for motion control applications. IEEE Trans. Control Syst. Technol. 2003, 11, 399–407. [Google Scholar] [CrossRef]
- She, J.H.; Fang, M.; Ohyama, Y.; Hashimoto, H.; Wu, M. Improving Disturbance-Rejection Performance Based on an Equivalent-Input-Disturbance Approach. IEEE Trans. Ind. Electron. 2008, 55, 380–389. [Google Scholar] [CrossRef]
- Jingqing, H. The Extended State Observer of a Class of Uncertain Systems. Control Decis. 1995, 1. Available online: http://en.cnki.com.cn/Article_en/CJFDTOTAL-KZYC501.019 (accessed on 20 January 2019).
- Wang, J.; Li, S.; Yang, J.; Wu, B.; Li, Q. Extended state observer-based sliding mode control for PWM-based DC-DC buck power converter systems with mismatched disturbances. IET Control Theory Appl. 2015, 9, 579–586. [Google Scholar] [CrossRef]
- Ohnishi, K. A new servo method in mechatronics. Trans. Jpn. Soc. Electr. Eng. 1987, 107, 83–86. [Google Scholar]
- Zhang, J.; Liu, X.; Xia, Y.; Zuo, Z.; Wang, Y. Disturbance Observer-Based Integral Sliding-Mode Control for Systems With Mismatched Disturbances. IEEE Trans. Ind. Electron. 2016, 63, 7040–7048. [Google Scholar] [CrossRef]
- Cao, Y.; Chen, X.B. Disturbance-Observer-Based Sliding-Mode Control for a 3-DOF Nanopositioning Stage. IEEE/ASME Trans. Mechatron. 2014, 19, 924–931. [Google Scholar] [CrossRef]
- Mu, C.; Zong, Q.; Tian, B.; Xu, W. Continuous sliding mode controller with disturbance observer for hypersonic vehicles. IEEE/CAA J. Autom. Sin. 2015, 2, 45–55. [Google Scholar] [CrossRef]
- Kaynak, O.; Erbatur, K.; Ertugnrl, M. The fusion of computationally intelligent methodologies and sliding-mode control-a survey. IEEE Trans. Ind. Electron. 2001, 48, 4–17. [Google Scholar] [CrossRef]
- Chen, Z.; Shan, C.; Zhu, H. Adaptive Fuzzy Sliding Mode Control Algorithm for a Non-Affine Nonlinear System. IEEE Trans. Ind. Inform. 2007, 3, 302–311. [Google Scholar] [CrossRef]
- Zadeh, L.A. Fuzzy sets. Inf. Control 1965, 8, 338–353. [Google Scholar] [CrossRef]
- Mohanty, A.; Patra, S.; Ray, P.K. Robust fuzzy-sliding mode based UPFC controller for transient stability analysis in autonomous wind-diesel-PV hybrid system. IET Gener. Transm. Distrib. 2016, 10, 1248–1257. [Google Scholar] [CrossRef]
- Zhang, X.; Wang, Y.; Liu, G.; Yuan, X. Robust Regenerative Charging Control Based on T-S Fuzzy Sliding-Mode Approach for Advanced Electric Vehicle. IEEE Trans. Transp. Electrif. 2016, 2, 52–65. [Google Scholar] [CrossRef]
- Dasmahapatra, S.; Sarkar, B.K.; Saha, R.; Chatterjee, A.; Mookherjee, S.; Sanyal, D. Design of an Adaptive Fuzzy-Bias SMC and Validation for a Rugged Electrohydraulic System. IEEE/ASME Trans. Mechatron. 2015, 20, 2708–2715. [Google Scholar] [CrossRef]
- Yin, X.X.; Lin, Y.G.; Li, W.; Liu, H.W.; Gu, Y.J. Fuzzy-Logic Sliding-Mode Control Strategy for Extracting Maximum Wind Power. IEEE Trans. Energy Convers. 2015, 30, 1267–1278. [Google Scholar] [CrossRef]
- Saghafinia, A.; Wooi Ping, H.; Nasir Uddin, M. Fuzzy sliding mode control based on boundary layer theory for chattering-free and robust induction motor drive. Int. J. Adv. Manuf. Technol. 2014, 71, 57–68. [Google Scholar] [CrossRef]
- Elsayed, B.A.; Hassan, M.A.; Mekhilef, S. Fuzzy swinging-up with sliding mode control for third order cart-inverted pendulum system. Int. J. Control Autom. 2015, 13, 238–248. [Google Scholar] [CrossRef]
- Elsayed, B.A.; Hassan, M.; Mekhilef, S. Decoupled third-order fuzzy sliding model control for cart-inverted pendulum system. Appl. Math. 2013, 7, 193–201. [Google Scholar] [CrossRef]
- Lee, C.C. Fuzzy logic in control systems: Fuzzy logic controller. I. IEEE Trans. Syst. ManCybern. 1990, 20, 404–418. [Google Scholar] [CrossRef]
- Guo, Y.; Long, H. Self organizing fuzzy sliding mode controller for the position control of a permanent magnet synchronous motor drive. AIN Shams Eng. J. 2011, 2, 109–118. [Google Scholar] [CrossRef]
- Kuo, C.-F.; Hsu, C.-H.; Tsai, C.-C. Control of a permanent magnet synchronous motor with a fuzzy sliding-mode controller. Int. J. Adv. Manuf. Technol. 2007, 32, 757–763. [Google Scholar] [CrossRef]
- Brock, S.; Deskur, J.; Zawirski, K. Robust speed and position control of PMSM. In Proceedings of Proceedings of the IEEE International Symposium on Industrial Electronics (Cat. No.99TH8465) (ISIE), Bled, Slovenia, 12–16 July 1999; pp. 667–672. [Google Scholar]
- Saghafinia, A.; Ping, H.W.; Uddin, M.N.; Gaeid, K.S. Adaptive Fuzzy Sliding-Mode Control Into Chattering-Free IM Drive. IEEE Trans. Ind. Appl. 2015, 51, 692–701. [Google Scholar] [CrossRef]
- Faa-Jeng, L.; Po-Hung, S. Robust Fuzzy Neural Network Sliding-Mode Control for Two-Axis Motion Control System. IEEE Trans. Ind. Electron. 2006, 53, 1209–1225. [Google Scholar] [CrossRef]
- Liangyong, W.; Tianyou, C.; Lianfei, Z. Neural-Network-Based Terminal Sliding-Mode Control of Robotic Manipulators Including Actuator Dynamics. IEEE Trans. Ind. Electron. 2009, 56, 3296–3304. [Google Scholar] [CrossRef]
- Rossomando, F.G.; Soria, C.M. Adaptive Neural Sliding Mode Control in Discrete Time for a SCARA robot arm. IEEE Lat. Am. Trans. 2016, 14, 2556–2564. [Google Scholar] [CrossRef]
- Wiest, J.H.; Buckner, G.D. Indirect Intelligent Sliding Mode Control of Antagonistic Shape Memory Alloy Actuators Using Hysteretic Recurrent Neural Networks. IEEE Trans. Control Syst. Technol. 2014, 22, 921–929. [Google Scholar] [CrossRef]
- Castaneda, C.E.; Loukianov, A.G.; Sanchez, E.N.; Castillo-Toledo, B. Discrete-Time Neural Sliding-Mode Block Control for a DC Motor With Controlled Flux. IEEE Trans. Ind. Electron. 2012, 59, 1194–1207. [Google Scholar] [CrossRef]
- Lin, F.J.; Hung, Y.C.; Chen, S.Y. Field-programmable gate array-based intelligent dynamic sliding-mode control using recurrent wavelet neural network for linear ultrasonic motor. IET Control Theory Appl. 2010, 4, 1511–1532. [Google Scholar] [CrossRef]
- Pan, H.; Xia, L.Z. Efficient Object Recognition Using Boundary Representation and Wavelet Neural Network. IEEE Trans. Neural Netw. 2008, 19, 2132–2149. [Google Scholar] [CrossRef]
- Wai, R.J.; Muthusamy, R. Fuzzy-Neural-Network Inherited Sliding-Mode Control for Robot Manipulator Including Actuator Dynamics. IEEE Trans. Neural Netw. Learn. Syst. 2013, 24, 274–287. [Google Scholar] [CrossRef]
- Wai, R.J. Total sliding-mode controller for PM synchronous servo motor drive using recurrent fuzzy neural network. IEEE Trans. Ind. Electron. 2001, 48, 926–944. [Google Scholar]
- Sheng, L.; Xiaojie, G.; Lanyong, Z. Robust Adaptive Backstepping Sliding Mode Control for Six-Phase Permanent Magnet Synchronous Motor Using Recurrent Wavelet Fuzzy Neural Network. IEEE Access 2017, 5, 14502–14515. [Google Scholar] [CrossRef]
- Zaihidee, F.M.; Mekhilef, S.; Mubin, M. Fractional order SMC for speed control of PMSM. In Proceedings of the 6th International Electrical Engineering Congress (iEECON2018), Krabi, Thailand, 7–9 March 2018. [Google Scholar]
- Plestan, F.; Shtessel, Y.; Brégeault, V.; Poznyak, A. New methodologies for adaptive sliding mode control. Int. J. Control 2010, 83, 1907–1919. [Google Scholar] [CrossRef]
- Chen, Q.; Tao, L.; Nan, Y.; Ren, X. Adaptive Nonlinear Sliding Mode Control of Mechanical Servo System With LuGre Friction Compensation. J. Dyn. Syst. Meas. Control 2015, 138, 021003–021009. [Google Scholar] [CrossRef]
- Roy, S.; Kar, I.N. Adaptive robust tracking control of a class of nonlinear systems with input delay. Nonlinear Dyn. 2016, 85, 1127–1139. [Google Scholar] [CrossRef]
- Roy, S.; Kar, I.N. Adaptive sliding mode control of a class of nonlinear systems with artificial delay. J. Frankl. Inst. 2017, 354, 8156–8179. [Google Scholar] [CrossRef]
- Roy, S.; Kar, I.N.; Lee, J.; Jin, M. Adaptive-Robust Time-Delay Control for a Class of Uncertain Euler–Lagrange Systems. IEEE Trans. Ind. Electron. 2017, 64, 7109–7119. [Google Scholar] [CrossRef]
- Roy, S.; Kar, I.N.; Lee, J.; Tsagarakis, N.G.; Caldwell, D.G. Adaptive-Robust Control of a Class of EL Systems With Parametric Variations Using Artificially Delayed Input and Position Feedback. IEEE Trans. Control Syst. Technol. 2018, 1–13. [Google Scholar] [CrossRef]
- Mobayen, S. An adaptive chattering-free PID sliding mode control based on dynamic sliding manifolds for a class of uncertain nonlinear systems. Nonlinear Dyn. 2015, 82, 53–60. [Google Scholar] [CrossRef]












| Parameter | Value |
|---|---|
| Stator resistance, | 1.2 Ω |
| d-axis stator inductance, | 6.35 m H |
| q-axis stator inductance, | 6.75 m H |
| Moment of inertia, | 2.31 × 10−4 kg m2 |
| Viscous friction coefficient, | 0.0002 Nm s |
| Flux linkage, | 0.15 Wb |
| Pole pair, | 4 |
| Performance Indices | SMC | FOSMC-PI | FOSMC-PD | FOSMC-PID (Proposed) |
|---|---|---|---|---|
| Overshoot (%) | 9.22 | 5.52 | 0 | 0.8593 |
| Settling time (s) | 0.288 | 0.0094 | 0.096 | 0.0096 |
| Speed drop (%) | 1.28 | 4.3 | 1.5 | 1.16 |
| Steady state error (%) | 0.02 | 0.04 | 0.06 | 0.02 |
| Torque ripple (%) | 12 | 11 | 10 | 10 |
| Speed ripple (%) | 0.16 | 0.12 | 0.014 | 0.014 |
| Controller Description | Remarkable Properties | Disadvantages |
|---|---|---|
| Linear SMC | Simplicity | Unsatisfactory convergence rate and settling time (can be improved by composite SMC or reaching law modification) |
| Integral SMC |
| Controller gain must be carefully tuned to ensure balance between robustness and chattering |
| Fractional order SMC |
| Careful tuning of fractional operator required |
| Terminal SMC | Fractional power is introduced to ensure fast and finite-time states convergence during sliding mode phase | Singularity problem that might occur if the initial conditions are not carefully selected (can be solved by NTSM, NFTSM) |
| Higher order SMC |
| Usage of differentiators, where their practical behavior requires particular care in real implementation due to measurement noise. |
| Boundary layer SMC | Smooth approximation to replace sign function to alleviate chattering |
|
| SMC with reaching law modification |
|
|
| SMC with feed-forward disturbance compensation |
| Depends on disturbance estimation accuracy |
| SMC with AI | Areas of AI utilization with SMC:
| Computational load |
© 2019 by the authors. Licensee MDPI, Basel, Switzerland. This article is an open access article distributed under the terms and conditions of the Creative Commons Attribution (CC BY) license (http://creativecommons.org/licenses/by/4.0/).
Share and Cite
Mohd Zaihidee, F.; Mekhilef, S.; Mubin, M. Robust Speed Control of PMSM Using Sliding Mode Control (SMC)—A Review. Energies 2019, 12, 1669. https://doi.org/10.3390/en12091669
Mohd Zaihidee F, Mekhilef S, Mubin M. Robust Speed Control of PMSM Using Sliding Mode Control (SMC)—A Review. Energies. 2019; 12(9):1669. https://doi.org/10.3390/en12091669
Chicago/Turabian StyleMohd Zaihidee, Fardila, Saad Mekhilef, and Marizan Mubin. 2019. "Robust Speed Control of PMSM Using Sliding Mode Control (SMC)—A Review" Energies 12, no. 9: 1669. https://doi.org/10.3390/en12091669
APA StyleMohd Zaihidee, F., Mekhilef, S., & Mubin, M. (2019). Robust Speed Control of PMSM Using Sliding Mode Control (SMC)—A Review. Energies, 12(9), 1669. https://doi.org/10.3390/en12091669

