Study on the Coupled Dynamic Responses of a Submerged Floating Wind Turbine under Different Mooring Conditions
Abstract
:1. Introduction
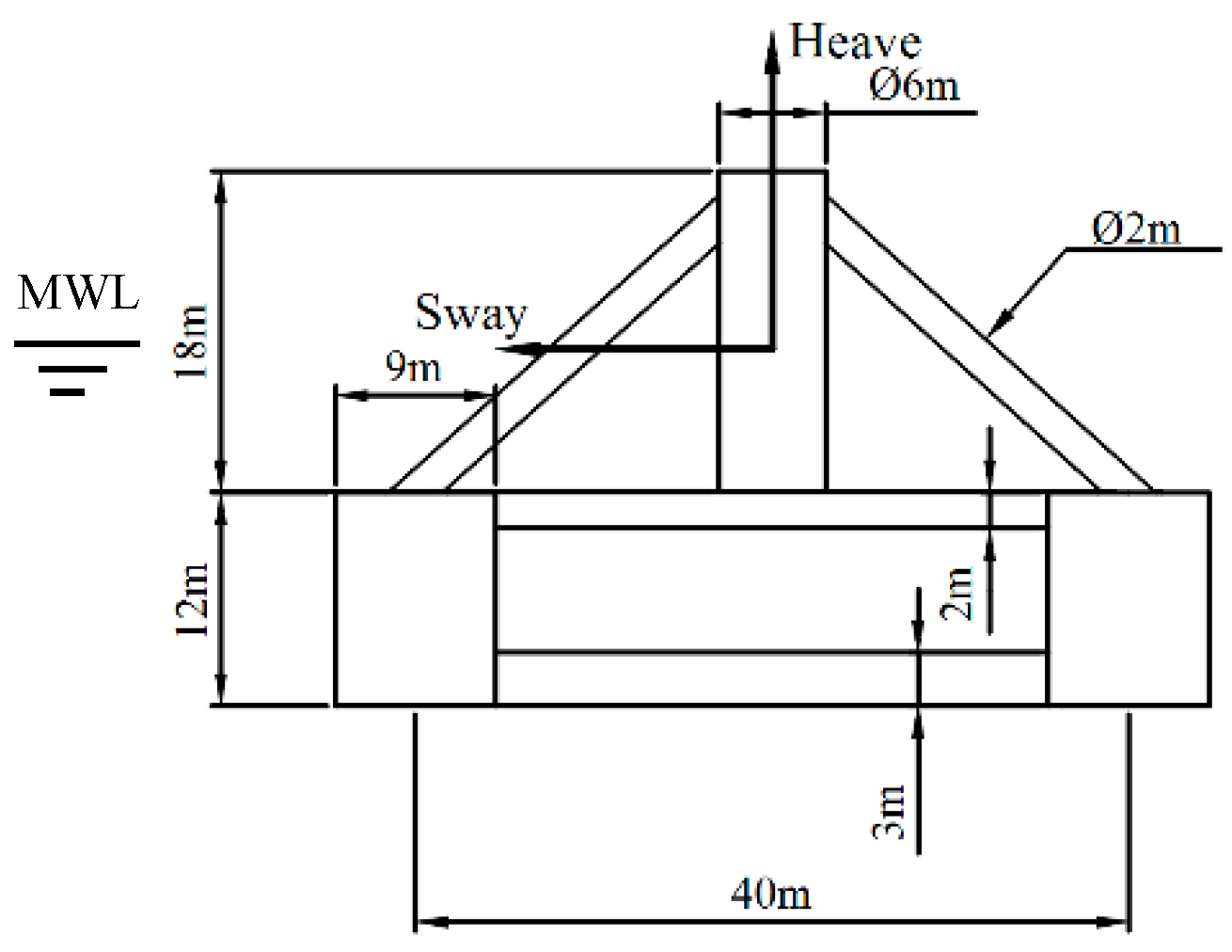
2. Configuration of the Submerged Floating Wind Turbine
3. Numerical Modeling and Environmental Conditions
4. Results and Discussion
4.1. Length of Tethers
4.2. Pretension of Tethers
4.3. Tether Failure
5. Conclusions
Author Contributions
Funding
Conflicts of Interest
References
- Bachynski, E.E. Design and Dynamic Analysis of Tension Leg Platform Wind Turbines. Ph.D. Thesis, Norwegian University of Science and Technology, Trondheim, Norway, 2014. [Google Scholar]
- Zhang, P.-Y.; Guo, Y.-H.; Liu, Y.-G.; Ding, H.-Y.; Le, C.-H. Model tests on sinking technique of composite bucket foundations for offshore wind turbines in silty clay. J. Renew. Sustain. Energy 2015, 7, 033113. [Google Scholar] [CrossRef]
- Han, Y.-Q.; Le, C.-H.; Ding, H.-Y.; Cheng, Z.-S.; Zhang, P.-Y. Stability and dynamic response analysis of a submerged tension leg platform for offshore wind turbines. Ocean Eng. 2017, 129, 68–82. [Google Scholar] [CrossRef]
- Wang, X.-F.; Yang, X.; Zeng, X.-W. Seismic centrifuge modelling of suction bucket foundation for offshore wind turbine. Renew. Energy 2017, 114, 1013–1022. [Google Scholar] [CrossRef]
- LeBlanc, C. Design of Offshore wind Turbine Support Structures. Ph.D. Thesis, Technical University of Denmark, Kgs. Lyngby, Denmark, 2009. [Google Scholar]
- Dinh, V.N.; McKeogh, E. Offshore Wind Energy: Technology Opportunities and Challenges. In Proceedings of the First Vietnam Symposium on Advances in Offshore Engineering; Springer: Berlin, Germany, 2018; Volume 18, pp. 3–22. [Google Scholar]
- Jonkman, J.M.; Matha, D. Dynamics of offshore floating wind turbines-analysis of three concepts. Wind Energy 2011, 14, 557–569. [Google Scholar] [CrossRef]
- Simos, A.N.; Ruggeri, F.R.; Watai, A.; Souto-Iglesias, A.; Lopez-Pavon, C. Slow-drift of a floating wind turbine: An assessment of frequency-domain methods based on model tests. Renew. Energy 2018, 116, 133–154. [Google Scholar] [CrossRef]
- Oguz, E.; Clelland, D.; Day, A.H.; Incecik, A.; López, J.A.; Sánchez, G.; Almeria, G.G. Experimental and numerical analysis of a TLP floating offshore wind turbine. Ocean Eng. 2018, 147, 591–605. [Google Scholar] [CrossRef]
- Viselli, A.M.; Goupee, A.J.; Dagher, H.J. Model Test of a 1:8-Scale Floating Wind Turbine Offshore in the Gulf of Maine. J. Offshore Mech. Arct. 2015, 137. [Google Scholar] [CrossRef]
- Nematbakhsh, A.; Olinger, D.J.; Tryggvason, G. Nonlinear simulation of a spar buoy floating wind turbine under extreme ocean conditions. J. Renew. Sustain. Energy 2014, 6, 033121. [Google Scholar] [CrossRef]
- Utsunomiya, T.; Matsukuma, H.; Minoura, S.; Ko, K.; Hamamura, H.; Kobayashi, O.; Sato, I.; Nomoto, Y.; Yasui, K. At Sea Experiment of a Hybrid Spar for Floating Offshore Wind Turbine Using 1/10-Scale Model. J. Offshore Mech. Arct. 2013, 135. [Google Scholar] [CrossRef]
- Skaare, B.; Nielsen, F.G.; Hanson, T.D.; Yttervik, R.; Havmoller, O.; Rekdal, A. Analysis of measurements and simulations from the Hywind Demo floating wind turbine. Wind Energy 2015, 18, 1105–1122. [Google Scholar] [CrossRef]
- Skaare, B.; Hanson, T.D.; Nielsen, F.G.; Yttervik, R.; Hansen, A.M.; Thomsen, K.; Larsen, T.J. Integrated dynamic analysis of floating offshore wind turbines. In Proceedings of the European Wind Energy Conference, Milan, Italy, 7–10 May 2007. [Google Scholar]
- Butterfield, S.; Musial, W.; Jonkman, J.; Sclavounos, P.; Wayman, L. Engineering challenges for floating offshore wind turbines. In Proceedings of the Copenhagen Offshore Wind Conference, Copenhagen, Denmark, 26–28 October 2005. [Google Scholar]
- Goupee, A.J.; Koo, B.J.; Kimball, R.W.; Lambrakos, K.F.; Dagher, H.J. Experimental Comparison of Three Floating Wind Turbine Concepts. J. Offshore Mech. Arct. 2014, 136. [Google Scholar] [CrossRef]
- Myhr, A.; Maus, K.J.; Nygaard, T.A. Experimental and computational comparisons of the OC3-HYWIND and Tension-Leg-Buoy (TLB) floating wind turbine conceptual designs. In Proceedings of the Twenty-first International Offshore and Polar Engineering Conference, Maui, HI, USA, 19–24 June 2011. [Google Scholar]
- Campanile, A.; Piscopo, V.; Scamardella, A. Mooring design and selection for floating offshore wind turbines on intermediate and deep water depths. Ocean Eng. 2018, 148, 349–360. [Google Scholar] [CrossRef]
- Bae, Y.H.; Kim, M.H. Rotor-floater-tether coupled dynamics including second-order sum-frequency wave loads for a mono-column-TLP-type FOWT (floating offshore wind turbine). Ocean Eng. 2013, 61, 109–122. [Google Scholar] [CrossRef]
- Adam, F.; Steinke, C.; Dahlhaus, F.; Großmann, J. GICON®-TLP for Wind Turbines-Validation of Calculated Results. In Proceedings of the Twenty-Third International Offshore and Polar Engineering Conference, Anchorage, Alaska, 30 June–5 July 2013. [Google Scholar]
- Jonkman, J.M.; Matha, D. A quantitative comparison of the responses of three floating platforms. In Proceedings of the European Offshore Wind 2009: Conference and Exhibition, Stockholm, Sweden, 14–16 September 2009. [Google Scholar]
- Bae, Y.H.; Kim, M.; Shin, Y.S. Rotor-floater-mooring coupled dynamic analysis of mini-TLP-type offshore floating wind turbines. In Proceedings of the ASME 2010 29th International Conference on Ocean, Offshore and Arctic Engineering, Shanghai, China, 6–11 June 2010. Paper No. OMAE2010-20555. [Google Scholar]
- Ormberg, H.; Passano, E.; Luxcey, N. Global analysis of a floating wind turbine using an aero-hydro-elastic model. Part 1: Code development and case study. In Proceedings of the 30th International Conference on Ocean, Offshore and Arctic Engineering, Rotterdam, The Netherlands, 19–24 June 2011. Paper No. OMAE2011-50114. [Google Scholar]
- Jonkman, J.M. Dynamics of Offshore Floating Wind Turbines-Model Development and Verification. Wind Energy 2009, 12, 459–492. [Google Scholar] [CrossRef]
- Larsen, T.J.; Hansen, A.M. How 2 HAWC2, the User’s Manual. Available online: http://orbit.dtu.dk/files/7703110/ris_r_1597.pdf (accessed on 26 January 2019).
- Bachynski, E.E. SIMO-RIFLEX-AeroDyn (64-bit) and NREL-Control Fixpitch. Jar User Manual, Tech. Rep.; Centre for Ships and Ocean Structures, Norwegian University of Science and Technology: Trondheim, Norway, 2013. [Google Scholar]
- Ding, H.-Y.; Han, Y.-Q.; Le, C.-H.; Zhang, P.-Y. Dynamic analysis of a floating wind turbine in wet tows based on multi-body dynamics. J. Renew. Sustain. Energy 2017, 9. [Google Scholar] [CrossRef]
- Coulling, A.J.; Goupee, A.J.; Robertson, A.N.; Jonkman, J.M.; Dagher, H.J. Validation of a FAST semi-submersible floating wind turbine numerical model with DeepCwind test data. J. Renew. Sustain. Energy 2013, 5. [Google Scholar] [CrossRef]
- et Norske Veritas. SESAM User Manual HydroD; et Norske Veritas: HØVIK, Norway, 2013. [Google Scholar]
- Jonkman, J.; Butterfield, S.; Musial, W.; Scott, G. Definition of a 5-MW Reference Wind Turbine for Offshore System Development; National Renewable Energy Laboratory (NREL): Golden, CO, USA, 2009.
- Bae, Y.H.; Kim, M.H.; Kim, H.C. Performance changes of a floating offshore wind turbine with broken mooring line. Renew. Energy 2017, 101, 364–375. [Google Scholar] [CrossRef]
- Li, Y.; Tang, Y.-G.; Zhu, Q.; Qu, X.-Q.; Wang, B.; Zhang, R.-Y. Effects of second-order wave forces and aerodynamic forces on dynamic responses of a TLP-type floating offshore wind turbine considering the set-down motion. J. Renew. Sustain. Energy 2017, 9. [Google Scholar] [CrossRef]
- Wang, B.; Tang, Y.-G.; Liu, L.-Q.; Li, Y.; Qu, X.-Q. Nonlinear random motion analysis of a Tension Leg Platform considering the set-down motion of a floating body. China Ocean Eng. 2017, 31, 210–219. [Google Scholar] [CrossRef]
- Jonkman, J.; Hayman, G.; Jonkman, B.; Damiani, R. AeroDyn v15 User’s Guide and Theory Manual. Available online: https://wind.nrel.gov/nwtc/docs/AeroDyn_Manual.pdf (accessed on 26 January 2019).
- Jonkman, B.J. TurbSim User’s Guide: Version 1.50. Available online: https://www.nrel.gov/docs/fy09osti/46198.pdf (accessed on 26 January 2019).





















| Impeller Diameter | Hub Diameter | Hub Height | Impeller Mass | Nacelle Mass | Tower Mass | Centroid Coordinates |
|---|---|---|---|---|---|---|
| 126 m | 3 m | 90 m | 110 t | 240 t | 347.46 t | (−0.2, 0.0, 74.0) m |
| Item | Value | Item | Value |
|---|---|---|---|
| Pontoon diameter | 9 m | Pontoon height | 12 m |
| Middle axis distance of pontoons | 40 m | Column height | 18 m |
| Column diameter | 6 m | Bracing diameter | 2 m |
| Platform mass (including ballast) | 2734.2 t | Displacement volume | 6116 m3 |
| Item | Value | Item | Value |
|---|---|---|---|
| Number of tethers | 8 | Tether mass density | 116.07 kg/m |
| Distance from MWL to anchors | 60–120 m | Pretension | 1500–4500 kN |
| Distance from MWL to upper fairleads | 20 m | Breaking strength | 13,249 kN |
| Tether diameter | 0.127 m | Axial stiffness EA | 2.7 × 109 N |
© 2019 by the authors. Licensee MDPI, Basel, Switzerland. This article is an open access article distributed under the terms and conditions of the Creative Commons Attribution (CC BY) license (http://creativecommons.org/licenses/by/4.0/).
Share and Cite
Le, C.; Li, Y.; Ding, H. Study on the Coupled Dynamic Responses of a Submerged Floating Wind Turbine under Different Mooring Conditions. Energies 2019, 12, 418. https://doi.org/10.3390/en12030418
Le C, Li Y, Ding H. Study on the Coupled Dynamic Responses of a Submerged Floating Wind Turbine under Different Mooring Conditions. Energies. 2019; 12(3):418. https://doi.org/10.3390/en12030418
Chicago/Turabian StyleLe, Conghuan, Yane Li, and Hongyan Ding. 2019. "Study on the Coupled Dynamic Responses of a Submerged Floating Wind Turbine under Different Mooring Conditions" Energies 12, no. 3: 418. https://doi.org/10.3390/en12030418
APA StyleLe, C., Li, Y., & Ding, H. (2019). Study on the Coupled Dynamic Responses of a Submerged Floating Wind Turbine under Different Mooring Conditions. Energies, 12(3), 418. https://doi.org/10.3390/en12030418

