A Double-Bed Adsorptive Heat Transformer for Upgrading Ambient Heat: Design and First Tests
Abstract
1. Introduction
2. Materials and Methods
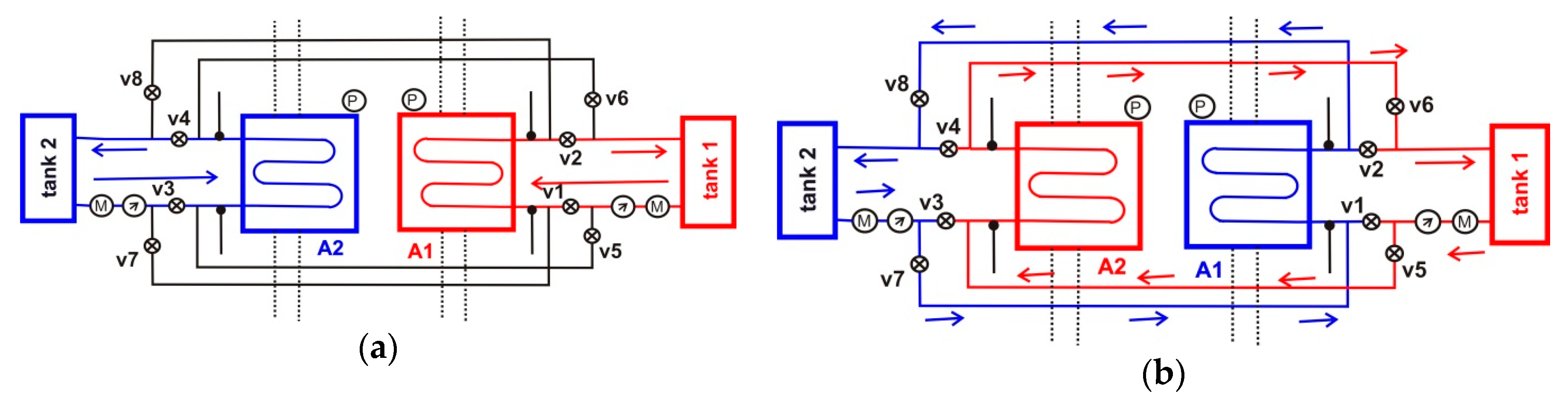
2.1. The Test Rig
2.2. Experimental Procedure
2.3. Data Evaluation
2.4. Error Analysis
3. Results and Discussion
3.1. Case Study
3.2. Heat Balance and Performance Evaluation
3.3. Effect of Cycle Duration
4. Conclusions
Author Contributions
Funding
Acknowledgments
Conflicts of Interest
Abbreviations
| Nomenclature: | |
| ADC | analog-to-digital converter |
| AHT | adsorptive heat transformation/transformer |
| Cp | specific heat, J/gK |
| f | flow rate, L/h |
| H | enthalpy, J/kg |
| HEx | heat exchanger |
| HTF | heat transfer fluid |
| m | mass, kg |
| P | pressure, mbar |
| Q | heat, J |
| SP | specific power, W/kg |
| t | time, s |
| T | temperature, °C, K |
| w | uptake, kg/kg |
| W | power, heat flux, W |
| Greek symbols: | |
| δ | relative error, % |
| ρ | density, g/cm3 |
| Δ | increment |
| ε | absolute error, K, g/cm3 |
| η | efficiency |
| Subscripts: | |
| ads | adsorber, adsorption |
| cond | condenser, condensation |
| des | desorption |
| ev | evaporator, evaporation |
| H | high |
| in | inlet |
| L | low |
| max | maximal |
| M | middle |
| out | outlet |
| SLT | second law of thermodynamics |
| ss | steady-state |
| us | useful |
References
- Meunier, F. Adsorption heat powered heat pumps. Appl. Therm. Eng. 2013, 61, 830–836. [Google Scholar] [CrossRef]
- Deng, J.; Wang, R.Z.; Han, G.J. A review of thermally activated cooling technologies for combined cooling, heating and power systems. Prog. Energy Combust. 2011, 37, 172–203. [Google Scholar] [CrossRef]
- Wang, R.Z.; Xu, Z.Y.; Pan, Q.W.; Du, S.; Xia, Z.Z. Solar driven air conditioning and refrigeration systems corresponding to various heating source temperatures. Appl. Energy 2016, 169, 846–856. [Google Scholar] [CrossRef]
- Sapienza, A.; Palomba, V.; Gulli, G.; Frazzica, A.; Vasta, S.; Freni, A. A new management strategy based on the reallocation of ads-/desorption times: Experimental operation of a full-scale 3 beds adsorption chiller. Appl. Energy 2017, 205, 1081–1090. [Google Scholar] [CrossRef]
- Xu, S.Z.; Wang, L.W.; Wang, R.Z. Thermodynamic analysis of single-stage and multi-stage adsorption refrigeration cycles with activated carbon–ammonia working pair. Energy Convers. Manag. 2016, 117, 31–42. [Google Scholar] [CrossRef]
- Sah, R.P.; Choudhury, B.; Das, R.K. A review on low grade heat powered adsorption cooling systems for ice production. Renew. Sustain. Energy Rev. 2016, 62, 109–120. [Google Scholar] [CrossRef]
- Wang, R.Z.; Ge, T.S.; Chen, C.J.; Ma, Q.; Xiong, Z.Q. Solar sorption cooling systems for residential applications: Options and guidelines. Int. J. Refrig. 2009, 32, 638–660. [Google Scholar] [CrossRef]
- Cabeza, L.F.; Solé, A.; Barreneche, C. Review on sorption materials and technologies for heat pumps and thermal energy storage. Renew. Energy 2017, 110, 3–39. [Google Scholar] [CrossRef]
- Kohlenbach, P.; Jakob, U. Solar Cooling: The Earthscan Expert Guide to Solar Cooling Systems, 1st ed.; Routledge: New York, NY, USA, 2014; pp. 147–160. [Google Scholar]
- Aristov, Y.I. “Heat from cold”—A new cycle for upgrading the ambient heat: Adsorbent optimal from the dynamic point of view. Appl. Therm. Eng. 2017, 124, 1189–1193. [Google Scholar] [CrossRef]
- Aristov, Y.I. A new adsorptive cycle “HeCol” for upgrading the ambient heat: The current state of the art. Int. J. Refrig. 2019, 105, 19–32. [Google Scholar] [CrossRef]
- Gordeeva, L.G.; Tokarev, M.M.; Aristov, Y.I. New adsorption cycle for upgrading the ambient heat. Russ. Theor. Found. Chem. Technol. 2018, 52, 195–205. [Google Scholar] [CrossRef]
- Tokarev, M.M.; Grekova, A.D.; Gordeeva, L.G.; Aristov, Y.I. A new cycle “Heat from Cold” for upgrading the ambient heat: The testing a lab-scale prototype with the composite sorbent CaClBr/silica. Appl. Energy 2018, 211, 136–145. [Google Scholar] [CrossRef]
- Gordeeva, L.G.; Tokarev, M.M.; Shkatulov, A.I.; Aristov, Y.I. Testing the lab-s-cale “Heat from Cold”prototype with the “LiCl/silica -methanol”working pair. Energy Convers. Manag. 2018, 159, 213–220. [Google Scholar]
- Gordeeva, L.G.; Freni, A.; Krieger, T.A.; Restuccia, G.; Aristov, Y.I. Composite sorbents “LiCl in silica gel pores”: Methanol sorption equilibrium. Microporous Mesoporous Mater. 2008, 112, 254–261. [Google Scholar] [CrossRef]
- SecCool. Available online: https://www.ipu.dk/products/seccool/ (accessed on 23 September 2019).
- Weast, R.C. Handbook of Chemistry and Physics, 84th ed.; Lide, D.R., Ed.; CRC: Boca Raton, FL, USA, 2004. [Google Scholar]
- Tokarev, M.M.; Veselovskaya, J.V.; Yanagi, H.; Aristov, Y.I. Novel ammonia sorbents “porous matrix modified by active salt” for adsorptive heat transformation: 2.Calcium chloride in ACF felt. Appl. Therm. Eng. 2010, 30, 845–849. [Google Scholar] [CrossRef]
- Tokarev, M.M.; Zlobin, A.A.; Aristov, Y.I. A new version of the large pressure jump (T-LPJ) method for dynamic study of pressure-initiated adsorptive cycles for heat storage and transformation. Energy 2019, 179, 542–548. [Google Scholar] [CrossRef]
- Martinopoulos, G.; Papakostas, K.T.; Papadopoulos, A.M. A comparative review of heating systems in EU countries, based on efficiency and fuel cost. Renew. Sustain. Energy Rev. 2018, 90, 687–699. [Google Scholar] [CrossRef]











| N | Operating Mode | Duration 1, s | Position | ||||
|---|---|---|---|---|---|---|---|
| Gates G1, G2 | Gates G3, G4 | Valves v1–v4 | Valves v5–v8 | Pumps M1, M2 | |||
| 0 | All closed | - | closed | closed | closed | closed | off |
| I | Half-cycle 1 Isosteric heating–cooling | 100 | closed | closed | opened | closed | on |
| II | Half-cycle 1 Adsorption/desorption | 100–400 | opened | closed | opened | closed | on |
| III | Half-cycle 1 equilibration | 100 | closed | closed | opened | closed | on |
| IV | Half-cycle 2 Isosteric heating–cooling | 100 | closed | closed | closed | opened | on |
| V | Half-cycle 2 Adsorption/desorption | 100–400 | closed | opened | closed | opened | on |
| VI | Half-cycle 2 equilibration | 100 | closed | closed | closed | opened | on |
| N | Source Of Uncertainty And Instrumental Error | Relative δ [%] and Absolute ε [K], [g/cm3] Errors | Relative Error δ [%] of W and Q |
|---|---|---|---|
| 1 | Thermocouple and analog-to-digital converter (ADC) ± 0.1 K | ΔT = Tout – Tin ε(ΔT) = 2 × ε(T) = 0.2 K ΔT = 5 K δ(ΔT) = 0.2 / 5 × 100% = 4 % | W∼( ΔT) × f × ρ × Cp Q∼W δ(W) = δ(Q) = δ(ΔT) + δ(f) + δ(ρ) + δ(Cp) = 9% |
| 2 | Flow meter ± 2 % | δ(f) = 2% | |
| 3 | Densimeter ± 0.01 g/cm3 | ε(ρ) = 0.01 g/cm3 ρ ≈ 1 g/cm3 δ(ρ) = 0.01/1 × 100% = 1% | |
| 4 | Heat capacity ± 2 % | δ(Cp) = 2% |
| Temperature Level | Heat Consumption | Heat Release | ||
|---|---|---|---|---|
| Source | Q, kJ | Source | Q, kJ | |
| Useful heat (30 °C) | Isosteric heating | Q(−) = 700 | Adsorption | Qads = 2480 |
| Low potential heat source (20 °C) | Evaporation | Qev = 2170 | Isosteric cooling | Q(+) = 800 |
| Regeneration | Qdes = 2650 | |||
| Ambient air (−30 °C) | - | - | Condensation | Qcon = 2150 |
| Total: | 5520 kJ | 5430 kJ | ||
| Heat balance: | ΔQ = −90 kJ | ΔQ/ΣQ = 90/5500 × 100% = 1.6% | ||
© 2019 by the author. Licensee MDPI, Basel, Switzerland. This article is an open access article distributed under the terms and conditions of the Creative Commons Attribution (CC BY) license (http://creativecommons.org/licenses/by/4.0/).
Share and Cite
Tokarev, M. A Double-Bed Adsorptive Heat Transformer for Upgrading Ambient Heat: Design and First Tests. Energies 2019, 12, 4037. https://doi.org/10.3390/en12214037
Tokarev M. A Double-Bed Adsorptive Heat Transformer for Upgrading Ambient Heat: Design and First Tests. Energies. 2019; 12(21):4037. https://doi.org/10.3390/en12214037
Chicago/Turabian StyleTokarev, Mikhail. 2019. "A Double-Bed Adsorptive Heat Transformer for Upgrading Ambient Heat: Design and First Tests" Energies 12, no. 21: 4037. https://doi.org/10.3390/en12214037
APA StyleTokarev, M. (2019). A Double-Bed Adsorptive Heat Transformer for Upgrading Ambient Heat: Design and First Tests. Energies, 12(21), 4037. https://doi.org/10.3390/en12214037