Abstract
The main challenge facing adsorption cooling technology is low Coefficient of Performance (COP), which becomes a key factor of the commercialization of this technology. This paper presents the results of modifications, aiming to increase COP, applied to the control software of a prototype three-bed two-evaporator adsorption chiller. Changes were mainly related to the sequence of the switching valves and had no influence on the hardware of the chiller. The sequence changes enabled the introduction of heat recovery and mass regeneration. Moreover, the precooling process was improved. The applied modifications not only resulted in significant improvement of the chiller’s COP, but also improved the cooperation adsorption unit heating source, which is of great importance in case of district heating supply. The improvement was also observed concerning such operational aspects as noise and vibrations. In the authors’ opinion, the presented modifications can be introduced to most exploited adsorption chillers and could potentially lead to similar improvements in performance.
1. Introduction
Adsorption systems appear to be a promising way to cover the increasing demand for air-conditioning. It is especially suitable in countries like Poland, where CHP accounts for about 20% of total electric power production. Moreover, there are well-developed district heating networks in the majority of large cities. A techno-economic analysis of using adsorption refrigeration units supplied from district heating network was presented by [1]. The district heating water temperature is usually reduced to about 70 °C during the summer [2,3]. The temperature of this heating water is high enough to drive an adsorption chiller. The main challenge of the adsorption chillers is low COP, which unlikely exceeds 0.6 [4,5,6]. COP cannot exceed a value of 0.9 due to the ratio of the heat of adsorption and the heat of evaporation [4]. In the case of district heating temperatures utilized in adsorption chillers, the increased COP is key to the successful large-scale implementation of this technology in the market. This paper presents a novel approach to the optimization of adsorption chiller performance, which is carried out on an existing large-scale (90 kW of cooling power) prototype three-bed two-evaporator adsorption chiller. The performance of the chiller was significantly improved compared to the results obtained for the chiller working under former control software [7]. Due to introduced modifications of the control software, the COP exceeded 0.7, which is, according to the authors’ knowledge, state-of-the-art adsorption chiller performance. It is likely that similar, noninvasive modifications may be introduced to increase the performance of already exploited devices.
2. Methods of Improving COP of Adsorption Chiller
The issue of COP improvement of adsorption chillers is the subject of much research, which focuses on two main fields of study: Improvements via hardware modification and via software modification. Hardware modifications mainly consist of the proper selection of working pairs, the optimization of the adsorption beds [8], and the general system design. Software modifications reported in the literature optimize the switching time and cycle allocation. Some of the optimization methods, like the application of heat or mass recovery, usually require both hardware and software modifications.
2.1. Working Pairs
The appropriate selection of the working pair was reported in [9,10] as a crucial factor influencing the COP of adsorption chillers. Therefore, much reported research is related to adsorption working pairs and their properties [10]. The most popular pairs are microporous silica gel and water, zeolite and water (including alumino-silicate zeolites) [11,12], and Y-type zeolite with methanol or ethanol combinations [9,13]. Moreover, some novel adsorption working pairs are investigated, that is (silico) aluminophosphate—water, consolidated adsorbents such as LiBr-silica-ethanol or water, CaCl2-silica and water, and activated carbon with ethanol, methanol or water [9].
Each adsorption working pair has unique properties that make it possible to obtain good performance in the conditions considered. For example, water-based pairs cannot be applied to achieve temperatures lower than 0 °C (due to water’s freezing point). Some of the adsorbates, like methanol, are harmful, and its application would probably require additional safety procedures. An overview of working pairs was presented by [14]. Other important factors which must be considered are the expense and availability of the selected adsorption working pair.
2.2. Adsorbate-Adsorber Assembly
One of the most significant drawbacks of adsorbents is their low thermal conductivity [15] (e.g., the thermal conductivity of silica gel is only 0.1–0.4 W/mK [16]); however, it is reported to increase in hydrated silica gel by 50% [17]). In order to achieve good adsorption properties, highly porous materials are required, which, in turn, result in low thermal conductivity. According to [18], there are three possible ways to assemble the adsorbent-adsorber: Fill the adsorber with adsorbent grains [19,20,21], coat the adsorbers [21], or consolidate the composite adsorbents [9,22]. Adsorbent-adsorber assembly influences both the heat transfer from the adsorber surface to the grains, as well as the inter- and intraparticle mass transfer of the adsorbate vapor. A promising method used to optimize the performance of the adsorption chiller is to work under the “grain size insensitive” regime. According to [19], this strongly influences the adsorption dynamics; therefore, it is recommended that this be taken into account during the design of the adsorption chillers.
2.3. Heat Exchangers: New Types of Adsorption Beds
Another important issue is the design of the heat exchangers used as adsorbers. According to [20], heat exchangers should be characterized by advantageous metal to adsorbent mass and of heat transfer surface to adsorbent mass ratio. The adsorber design has to increase heat transfer while also decreasing intra- and interparticle mass transfer resistance [20]. Moreover, the flow maldistribution should be minimized [23]. According to [21], adsorption kinetics are strongly reduced in the case of excessive adsorbent thickness. Therefore, the selection of lightweight and compact adsorbers is of great importance in adsorption chiller design. The latest research in this area [20,21] shows the advantages of the finned flat-tube aluminum heat exchanger, which is typically used in automotives. This adsorber design ensures an increase of COP of up to 30% compared to that of traditional constructions. Moreover, the advantage of such heat exchangers was proved experimentally by [24].
2.4. General System Design
Sapienza [25] reports the results of his study on the effects of the adsorption/desorption duration ratio, which shows that the optimization of this ratio can noticeably improve the COP and Scpecific Cooling Power (SCP). The optimum value of the adsorption/desorption duration ratio was experimentally proved to be R = 2.5 [26]. The reason behind these phenomena is said to be the difference between adsorption and desorption kinetics [26]. Therefore, Saha [27] proposes a three-bed silica gel-water adsorption chiller and [28] shows its advantages compared to that of a two-bed device. The effect of the application of multibed adsorption chillers are the subject of numerous articles [4,21,27,29,30,31,32] concerning three-bed solutions, while [33,34,35,36,37] consider four-bed solutions. Moreover, the idea of the multibed adsorption chiller has also been modified into an adsorption chiller equipped with two evaporators [4,28,38] (high and low pressure), instead of a single evaporator. This results in a further increase of COP due to the higher adsorbent uptake achieved in a high-pressure evaporator; this was theoretically shown in [28], [38] and experimentally in [4]. The highest reported experimental COP of three-bed two-evaporator adsorption chillers in the analyzed water temperature range is 0.642 [4], while the theoretical prediction is about 0.7 [32].
2.5. Process Management
Another direction that can be taken to improve the performance of the adsorption chiller is by modifying the control system and the software, that is, optimization of the switching time [39], cycle allocation [26,27,29,40], application of heat [30,41,42,43,44] and mass recovery [30,40,41,44,45,46]. Another method is the application of genetic algorithms and neural networks in order to optimize chiller performance [47,48].
The general idea of the heat recovery principle is discussed in [30,41,42]. The application of heat recovery is reported to result in a significant increase of COP of up to 16% [30,42]. The mass recovery principle is comprehensively described in [45]. This optimization method usually requires additional mass recovery valves and pipes. However, as will be presented, in specific cases, this can also be done without any additional equipment. One can distinguish between two types of mass recovery processes: Mass recovery without heating/cooling [44,45] and mass recovery with heating/cooling [45,46]. Moreover, it is reported that combined heat and mass recovery can increase the COP of up to 47% [44], while combined heat recovery and cycle allocation by 35% [40].
Thermal wave is one of the most advanced heat recovery systems. This solution was theoretically analyzed by [19,35,43,49]. Lambert and Jones [50] applied thermal wave introducing the concept of Lunar Base adsorption heat pump. Thermal wave required an extended system to achieve the best performance; therefore, it has not been validated experimentally yet.
In [39], research on the influence of the switching time on the performance of the adsorption chiller has been conducted. This investigation presents a novel simulation method based on the profit function, which makes it possible to determine the optimum switching time for the adsorption chiller.
The improvement in the performance of the adsorption chiller by cycle allocation has been presented in [26,27,29,40]. This is usually employed in multi-bed adsorption chillers [26,27,29,40], but according to [26], it can be applied to two-bed chillers as well. Proper cycle allocation can improve the COP of the chiller [26] by up to 10% [40].
Most of the presented methods for increasing COP can be applied during the design of the chiller. The application of these methods on an already exploited device would require intervention in the structure of the chiller. This paper presents the effect on the performance of the adsorption chiller of changes made to the control system of already exploited chiller. The changes were based exclusively on software modification and do not require any kind of structural changes. Therefore, in the authors’ opinion, similar changes could be applied to most commercially available adsorption chillers, potentially leading to further increases in their COP.
3. Prototype Chiller
The prototype chiller is comprehensively presented in [4]. The chiller was manufactured by New Energy Transfer S.A. (Warsaw, Poland), located in Wrocław Technology Park. Its nominal cooling capacity is 2 × 45 kW. The 3-bed adsorption chiller is driven by hot water from the cogeneration source through the heat exchanger. Cooling water is supplied by the open cooling tower. The chiller’s receiver circuits are supplied by the heat exchangers connected to the cogeneration source. This configuration allows water temperature to be regulated in all circuits. The scheme of the test stand is shown in Figure 1, while Figure 2 presents the views of the chiller and the accompanying installations.
Figure 1.
Simplified test stand scheme.
Figure 2.
Photo of adsorption chiller: (a) Adsorption beds and evaporators; (b) complete system.
Chiller type and ranges of settings parameters are shown in Table 1. Setting the conditions usually took six to twelve working stages of the chiller (at least two full working cycles). The measurement is considered valid if supply temperatures do not change by more than 1.5 K (except heating water temperature after switching bed) during more than two full working cycles. The stability of water temperatures is shown in Figure 3.
Table 1.
Adsorption chiller type and ranges of parameters which the tests were carried out.

Figure 3.
Examples of the inlet and outlet temperatures stability of the heating (a) and chilled (b) water registered during the measurement of the chiller performance under the new control system. Figure (a) and (b) were registered during the same time period.
Working Principle of the Chiller
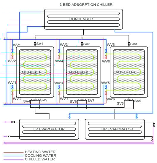
The scheme of the adsorption chiller with its water and steam valves is presented in Figure 4. The full cycle of the adsorption chiller, which is presented in Table 2, consists of three equally long stages. The operation of Bed 1 will be described precisely at each stage. The operation of the bed is also shown in Figure 5 as equilibrium pressure and adsorbent temperature dependency with silica gel adsorption isosters lines. At the beginning of the first stage, the previously regenerated Bed 1 is first pre-cooled (line from P1 to P2, Figure 5). When the pressure of the cooled bed drops below the pressure in the LP evaporator (P2), the steam valve between Bed 1 and the LP evaporator opens, at which point low pressure adsorption begins. This lasts until the end of the stage. Then, the steam valve between Bed 1 and the low-pressure evaporator is closed (P3), and the steam valve between the bed and the high-pressure evaporator is opened. The process of adsorption continues due to the pressure increase in the bed (P4). Then, the bed is preheated with all the steam valves shut. At last, desorption of the bed is carried out (line from P5 to P1), and the steam valve between the bed and the condenser is opened.
Figure 4.
Three-bed two-evaporator adsorption chiller scheme. SV—steam valves, WV—water valves.
Table 2.
Adsorption chiller working cycle—original software.
Figure 5.
Bed working cycle shown as equilibrium pressure and adsorbent temperature dependency. One point symbolizes 5 s of the bed working. Adsorption isosters are presented too. A degree of adsorption of silica gel [kg adsorbed water/kg dry silica gel] is marked with a “q” symbol. Bed working cycle: Pre-cooling, P1 -> P2; low pressure adsorption, P2 -> P3; high pressure adsorption, P3 -> P4; pre-heating, P4 -> P5; desorption, P5 -> P1.
4. Modifications to the Control System
The presented prototype adsorption chiller has been exploited for over one year. The results of this work were reported in [4]. It was observed that the chiller performance could be further improved by introducing software modifications. Despite no change in the chiller’s structure, the changes could potentially result in a noticeable improvement of chiller performance. All of the introduced changes are described in detail in the following section. The cycle allocation that is presented above was modified in order to enhance the performance of the chiller. The applied changes, which can be seen in Table 3, concern only modifications to the software. These modifications, however, enable heat and mass recovery.
Table 3.
New software for the adsorption chiller shown in a single working stage (third time of entire cycle).
4.1. Heat Recovery
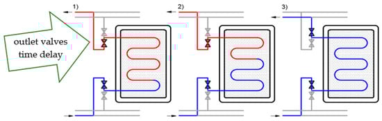
After the desorption process, some heating water still remains in the bed. To start the pre-cooling, this remaining water has to be pushed out. Originally, both water valves at the inlet and the outlet of the bed were to be switched at the same time. The remaining hot water (around 70 L) would then be delivered to the cooling water circuit, which is illustrated in Figure 6. This results in an undesirable rise in temperature of the cooling water as well as an increase in the necessary time required to achieve a suitably low temperature for the bed. Thus, an analogous process was used in place of this during the switching of the bed from adsorption (cooling) to regeneration (heating), where cold water was delivered to the heating circuit.
Figure 6.
Original control system: Switching the bed from heating to cooling mode. (1) Switching inlet and outlet valves. (2) Discharge of the hot water from the adsorber to cooling water cycle. (3) Valves were switched and water in the heat exchanger replaced.
The new control system executes the delay between the switching of the water valve at the outlet until the temperatures of the water leaving the beds during pre-cooling and preheating are similar; this is illustrated in Figure 7. The optimal delay time for switching between valves was experimentally determined to be 35–50 s and depended on the flow rate and initial temperature of the water. This enables the water remaining in the bed to be save and also regenerates some heat from the bed. The analogous process takes place in the bed that has been switched from cooling to heating mode.
Figure 7.
New control system: Switching the bed from heating to cooling mode. (1) Switching inlet valve. (2) The discharge of the hot water from the adsorber to hot water cycle. (3) Switching outlet valve.
This solution results in a decrease in water temperature oscillations and improves the performance of the chiller.
4.2. LP Pre-Cooling Improvement
As indicated in Table 1, at the beginning of adsorption the bed is disconnected from the low pressure evaporator for tens of seconds. During this time, the pressure in the evaporator rises, as does the evaporation temperature. This results in an increase in temperature of the chilled water every time the beds switch.
This effect can be mitigated by closing the cooling water flow through the bed that just started the HP adsorption. This enables to increase the flow rate through the pre-cooling bed and reduce the time needed to cool this bed down by a few seconds (3–10 s). At the same time, the bed that just started the HP adsorption process continues adsorption due to the increasing pressure and 70 L of cold water still present in the adsorber.
4.3. Water Hammer Effect Mitigation
The water hammer effect occurs when liquid flow is rapidly stopped. This can happen during the switching of the valves. The new control system mitigates this effect by closing the valve only after a new valve has been opened. This ensures the constant flow of water. Furthermore, the circuit pump is switched off a few seconds before the valves are switched. This change has no effect on the chiller performance but improves exploitation parameters such as noise, vibration and lifespan.
4.4. Mass Regeneration
Mass regeneration takes place due to the steam connection between the just regenerated bed (with a pressure of ~3.5 kPa) and the bed which is used right after high-pressure adsorption (with a pressure of ~1.5 kPa). In both beds, the adsorption/desorption process in the given conditions is ineffective. However, at the average of these two pressures (~2.5 kPa), adsorption becomes very intense. Additionally, from the dead volume of the newly regenerated bed, a certain mass of water vapor is sucked off. In the case of the unmodified work stage this would have to be re-adsorbed on the bed during the pre-cooling stage. Unfortunately, the chiller does not have an independent vacuum connection between beds. Therefore, a high-pressure evaporator collector was used for the regeneration of mass (along with a high-pressure evaporator). Mass regeneration that lasts up to 10 seconds was experimentally determined to have insignificant effects on the performance of the high-pressure evaporator (a peak lasting a few seconds at the chilled water temperature leaving this evaporator is not recorded behind the chilled water buffer). Deterioration in the high-pressure evaporator work is negligible when compared with the improvement in the low-pressure evaporator work and the increased efficiency of the chiller.
5. Results and Discussion
Research on the chiller was conducted over the course of 18 months. The operation of the chiller was registered for both the original and new control systems. Detailed information about the measurement uncertainties is available in [4]. The temperatures of the heating and chilled water registered during the operation of the chiller under the original control system are shown in Figure 8. A sudden drop of heating water temperature can be observed due to undesired water mixing (see Figure 8a). Moreover, an increase in temperature of the chilled water at the outlet of the low-pressure evaporator (due to disconnection from the precooled bed) can be seen in Figure 8b.
Figure 8.
Examples of the inlet and outlet temperatures of the heating and chilled water registered during the operation of the chiller under the original control system. (a) and (b) were registered during the same time period. (a) Hot water inlet and outlet, (b) Low and high pressure.
Due to the application of the new control system, fluctuations of hot water have decreased, as seen in Figure 9a. The heating water temperature amplitude was lowered significantly from 32–40 K (Figure 8a) to 18–23 K (Figure 9a), improving the efficiency of the operation of the chiller and the stability of the heat source. Moreover, the increase in temperature of the chilled water was also mitigated due to a decrease in the pre-cooling time. Additionally, due to the application of mass regeneration, a short increase of pressure in the HP evaporator at the end of each stage can be observed (see Figure 9b). This process lasts only about 10 s and has a small effect on the HP chilled water temperature, but it positively affects the efficiency and improves pre-cooling. Also, the hydraulic impact has been removed.
Figure 9.
Examples of the inlet and outlet temperatures of the heating (a) and chilled (b) water registered during the operation of the chiller under the new control system. (a) and (b) were registered during the same time period.
Based on measured water temperatures and flows, the real COP was calculated as follows:
In summary, the research on the chiller was conducted over a period of 18 months. The average value of the COP operating under the new control system was 0.56. The chiller consumed an average of 9 kW less heat, that is, there was a 7.5% improvement in efficiency through software modification, and the cooling power remained unchanged. The greatest improvement in performance was due to the change described in Section 4.1. It should be emphasized that this change did not directly affect the silica gel cycle (e.g., shown in Figure 4), but it results from the physics of the heat exchanger applied a step change in the inlet water temperature.
In order to evaluate the chiller performance capabilities and compare it to other low-grade heat technology, the Carnot COP was calculated. The Carnot COP for a single evaporator is calculated as
The Carnot COP is evaluated based on the inlet water temperatures of the heating and cooling water and the outlet temperature of the chilled water from a particular evaporator. The Carnot COP of the two-evaporator adsorption chiller is evaluated as a weighted average with respect to the cooling power of the particular evaporators:
Moreover, the Carnot efficiency was established in order to assess the actual COP in comparison with the thermodynamic limits:
Table 4, Table 5, Table 6 and Table 7 present the optimal performance of the chiller (best COP or best cooling capacity) registered under the original and new control systems. As can be seen in Table 4, the COP achieved under the original control system ranges was between 0.600 and 0.642. This makes up approximately 30% of the Carnot COP. On the other hand, the application of the new control system results in an increase in COP of up to 0.713 (Table 6), which makes up 35% of the Carnot COP. Stage duration under the original control system was observed to range from 905 s to 1104 s, while under the new system this was from 720 s to 920 s. Despite the decreased stage duration (which should result in a decrease of COP), the COP increased. Clear examples of the effect of the new control system on the performance of the chiller are seen in bold in the results from Tabs 4 and 6. The highlighted cases were conducted at similar water temperatures and are characterized by similar Carnot COPs. In both cases, the chiller operating under the new control system performed better. The increases in Carnot efficiency were 4.8% and 17.7%. The highest overall cooling power obtained using the original software was between 87.2 kW and 119.0 kW (Table 5). Only two measurements were over 90 kW and had lower cooling water temperatures, compared to the results obtained under the new control system, which were between 90.7 kW and 95.2 kW (Table 7) and all the measurements exceeded 90 kW.
Table 4.
Results of five measurements with the highest COP value (original control system).
Table 5.
Results of 5 measurements with the highest cooling power (original control system).
Table 6.
Results of 5 measurements with the highest COP value (new control system).
Table 7.
Results of 5 measurements with the highest cooling power (new control system).
Figure 10 and Figure 11 present a summary of the chiller’s performance operating under the original (blue dots) system and the new control system (red crosses).
Figure 10.
COP with respect to the temperature of the heating water, with cooling water temperature at 25℃ and a switching time of 800–1000 s. Blue circles—original control system, red crosses—new control system.
Figure 11.
The total cooling power of the chiller with respect to the temperature of the heating water with cooling water temperature 25 °C and a switching time of 800–1000 s. Blue circles—original control system, red crosses—new control system.
Most of the points of the new control system were observed to have better COP than the original system.
Modifying the software does not have a considerable influence on the total cooling capacity (Figure 10). The scattering of the results in Figure 10 and Figure 11 is due to different cooling and chilled water temperatures, but the effect of parameters such as the water level in the evaporators or vacuum degradation due to small air leaks, which were not controlled throughout the research, may also be substantial. In the authors’ opinion, the working stability of the next generation of adsorption systems can be improved, ensuring performance similar to the most optimal results presented above.
6. Conclusions
This paper investigates the performance effects of software modifications applied to the control system of a three-bed, two-evaporator adsorption chiller. The applied changes did not require any hardware modification; however, it introduced heat and mass recovery. Changes to the control system are proven to significantly improve the performance of the system, especially in terms of COP. The applied changes result in several performance and operational improvements:
- The average 1.5-year COP was improved by 7.5%;
- Peak COP was improved by 11% up to 0.71;
- The amplitude of the hot water temperature during valve switching was decreased by 10–20 K, improving the stability of the heating and cooling water temperatures. This is of great importance in case of supply from district heating;
- Mass regeneration using a high-pressure evaporator was shown to be possible in the case of the three-bed two-evaporator chiller. Time for regeneration is limited by the heat capacity of the evaporator, but it is enough to lower steam pressure in a just-regenerated bed;
- Pre-cooling time was shortened by 3–10 seconds, which improved chilled water stability;
- The improvement of exploitation parameters such as noise, vibration and lifespan were achieved by mitigation of water hammer effect.
The performance of the chiller is a key factor of successful commercialization of adsorption refrigeration technology. The exploited chiller reached a state-of-the-art performance in terms of COP and, therefore, the presented configuration of the chiller should be considered as the leading market solution. The experimental analysis has shown that the operation of such chillers can be easily improved by adding heat and mass recovery even without modification of the structure. Therefore, the performance of some of the three-bed two-evaporator chillers that are currently in service could be improved by introducing abovementioned software changes. Moreover, the issue of effect of chillers operation on stability of heating source was introduced. The employed changes had a positive influence on the stability of heating source. This can be of great importance in the case of such heating sources as district heating. Attention is also paid to typical aspects such as vibrations, noise and the hydraulic stability of the system, which affect the lifespan of the device and, thus, the commercialization of adsorption refrigeration technology.
Author Contributions
M.C.—concept and supervision of research, analysis of the results; P.P.—experimental research, idea and implementation of software modification, system modelling and optimization; Z.R.—literature review, system modelling, editing works; P.C.ński—help in measurements, CHP system analysis.
Funding
This work has been supported by CUW EDF as Project (600217/P14/2012) “Trigeneration system”, with statutory funds from the Ministry of Science and Higher Education (K0901/S40104) and is co-financed by the European Union as part of the European Social Fund.
Acknowledgments
The authors thank Piotr Bielówka from TECHTRA Ltd. for help with the measurements. The authors thank Chia-Luen Lee for her careful proofreading and language corrections.
Conflicts of Interest
The authors declare no conflicts of interest.
Nomenclature
| CP, kW | Cooling Power |
| COP | Coefficient of Performance, |
| HW, kW | Heating Power |
| SCP, kWkg−1 | Specific Cooling Power |
| SV | Steam valve |
| T, °C | Temperature |
| WV | Water valve |
| η | Efficiency |
| Subscripts | |
| C | Carnot |
| HP | High pressure |
| HW | Heating water |
| in | inlet |
| LP | Low pressure |
| out | outlet |
References
- Grzebielec, A.; Rusowicz, A.; Jaworski, M.; Laskowski, R. Possibility of using adsorption refrigeration unit in district heating network Archive of thermodynamics. Arch. Thermodyn. 2015, 36, 15–24. [Google Scholar] [CrossRef][Green Version]
- Chorowski, M.; Rogala, Z.; Pyrka, P. System options for cooling of buildings making use of district heating heat. Int. J. Refrig. 2016, 70. [Google Scholar] [CrossRef]
- Sztekler, K.; Kalawa, W.; Stefański, S.; Mika, Ł.; Krzywański, J.; Grabowska, K.; Nowak, W. Integration adsorption chillers with conventional power plant, E3S Web Conf. Energy Fuels 2019, 108, 01011. [Google Scholar] [CrossRef]
- Chorowski, M.; Pyrka, P. Modelling and experimental investigation of an adsorption chiller using low-temperature heat from cogeneration. Energy 2015, 92. [Google Scholar] [CrossRef]
- Pan, Q.; Peng, J.; Wang, H.; Sun, H.; Wang, R. Experimental investigation of an adsorption air-conditioner using silica gel-water working pair. Sol. Energy 2019, 185, 64–71. [Google Scholar] [CrossRef]
- Pan, Q.; Peng, J.; Wang, R. Experimental study of an adsorption chiller for extra low temperature waste heat utilization. Appl. Therm. Eng. 2019, 163, 114341. [Google Scholar] [CrossRef]
- Chorowski, M.; Pyrka, P. Modeling and experimental investigation of a pilot-scale adsorption chiller using low-temperature heat from cogeneration. Refrig. Sci. Technol. 2015. [Google Scholar] [CrossRef]
- Pan, Q.W.; Wang, R.Z.; Wang, L.W.; Liu, D. Design and experimental study of a silica gel-water adsorption chiller with modular adsorbers. Int. J. Refrig. 2016, 67, 336–344. [Google Scholar] [CrossRef]
- Freni, A.; Maggio, G.; Sapienza, A.; Frazzica, A.; Restuccia, G.; Vasta, S. Comparative analysis of promising adsorbent/adsorbate pairs for adsorptive heat pumping, air conditioning and refrigeration. Appl. Therm. Eng. 2016, 104, 85–95. [Google Scholar] [CrossRef]
- Hastürk, E.; Ernst, S.-J.; Janiak, C. Recent advances in adsorption heat transformation focusing on the development of adsorbent materials. Curr. Opin. Chem. Eng. 2019, 24, 26–36. [Google Scholar] [CrossRef]
- Han, B.; Chakraborty, A. Water adsorption studies on synthesized alkali-ions doped Al-fumarate MOFs and Al-fumarate + zeolite composites for higher water uptakes and faster kinetics. Microporous Mesoporous Mater. 2019, 288, 109590. [Google Scholar] [CrossRef]
- Trisupakitti, S.; Jamradloedluk, J.; Wiriyaumpaiwong, S. Adsorption Cooling System Using Metal-Impregnated Zeolite-4A. Adv. Mater. Sci. Eng. 2016. [Google Scholar] [CrossRef]
- Wang, L.W.; Wang, R.Z.; Oliveira, R.G. A review on adsorption working pairs for refrigeration. Renew. Sustain. Energy Rev. 2009, 13, 518–534. [Google Scholar] [CrossRef]
- Ambrozek, B.; Zwaryez-Makles, W.; Szaflik, W. Equilibrium and Heat of Adsorption for Selected Adsorbent-Adsorbate Pairs Used in Adsorption Heat Pumps. Pol. Energ. Słoneczna. 2012, 5–11. [Google Scholar]
- Stefański, S.; Mika, Ł.; Sztekler, K.; Kalawa, W.; Lis, Ł.; Nowak, W. Adsorption bed configurations for adsorption cooling application. E3S Web Conf. Energy Fuels 2019, 108, 10. [Google Scholar] [CrossRef]
- Thu, K.; Saha, B.B.; Chakraborty, A.; Chun, W.G.; Ng, K.C. Study on an advanced adsorption desalination cycle with evaporator-condenser heat recovery circuit. Int. J. Heat Mass Transf. 2011, 54, 43–51. [Google Scholar] [CrossRef]
- Gurgel, J.M.; Klüppel, R.P. Thermal conductivity of hydrated silica-gel. Chem. Eng. J. Biochem. Eng. J. 1996, 61, 133–138. [Google Scholar] [CrossRef]
- Zajaczkowski, B.; Królicki, Z.; Jezowski, A. New type of sorption composite for chemical heat pump and refrigeration systems. Appl. Therm. Eng. 2010, 30, 1455–1460. [Google Scholar] [CrossRef]
- Chakraborty, A.; Saha, B.B.; Aristov, Y.I. Dynamic behaviors of adsorption chiller: Effects of the silica gel grain size and layers. Energy 2014, 78, 304–312. [Google Scholar] [CrossRef]
- Rogala, Z. Adsorption chiller using flat-tube adsorbers—Performance assessment and optimization. Appl. Therm. Eng. 2017, 121, 431–442. [Google Scholar] [CrossRef]
- Sapienza, A.; Gullì, G.; Calabrese, L.; Palomba, V.; Frazzica, A.; Brancato, V.; La Rosa, D.; Vasta, S.; Freni, A.; Bonaccorsi, L.; et al. An innovative adsorptive chiller prototype based on 3 hybrid coated/granular adsorbers. Appl. Energy 2016, 179, 929–938. [Google Scholar] [CrossRef]
- Gediz Ilis, G.; Demir, H.; Mobedi, M.; Baran Saha, B. A new adsorbent bed design: Optimization of geometric parameters and metal additive for the performance improvement. Appl. Therm. Eng. 2019, 162, 114270. [Google Scholar] [CrossRef]
- Brenk, A.; Pluszka, P.; Malecha, Z. Numerical study of flow maldistribution in multi-plate heat exchangers based on robust 2D model. Energies 2018, 11, 3121. [Google Scholar] [CrossRef]
- Mohammadzadeh Kowsari, M.; Niazmand, H.; Tokarev, M.M. Bed configuration effects on the finned flat-tube adsorption heat exchanger performance: Numerical modeling and experimental validation. Appl. Energy. 2018, 213, 540–554. [Google Scholar] [CrossRef]
- Sapienza, A.; Santamaria, S.; Frazzica, A.; Freni, A. Influence of the management strategy and operating conditions on the performance of an adsorption chiller. Energy 2011, 36, 5532–5538. [Google Scholar] [CrossRef]
- Aristov, Y.I.; Sapienza, A.; Ovoshchnikov, D.S.; Freni, A.; Restuccia, G. Reallocation of adsorption and desorption times for optimisation of cooling cycles Optimisation des cycles de refroidissement par modification ´ es d ’ adsorption et de de ´ sorption des dure. Int. J. Refrig. 2010, 5. [Google Scholar]
- Saha, B.B.; Koyama, S.; Lee, J.B.; Kuwahara, K.; Alam, K.C.A.; Hamamoto, Y.; Akisawa, A.; Kashiwagi, T. Performance evaluation of a low-temperature waste heat driven multi-bed adsorption chiller. Int. J. Multiph. Flow. 2003, 29, 1249–1263. [Google Scholar] [CrossRef]
- Miyazaki, T.; Akisawa, A.; Saha, B.B. The performance analysis of a novel dual evaporator type three-bed adsorption chiller. Int. J. Refrig 2010, 33, 276–285. [Google Scholar]
- Sapienza, A.; Palomba, V.; Gullì, G.; Frazzica, A.; Vasta, S. A new management strategy based on the reallocation of ads-/desorption times: Experimental operation of a full-scale 3 beds adsorption chiller. Appl. Energy 2017, 205, 1081–1090. [Google Scholar] [CrossRef]
- Uyun, A.S.; Akisawa, A.; Miyazaki, T.; Ueda, Y.; Kashiwagi, T. Numerical analysis of an advanced three-bed mass recovery adsorption refrigeration cycle. Appl. Therm. Eng. 2009, 29, 2876–2884. [Google Scholar] [CrossRef]
- Fazal, A.; Mizanur, M.; Miyazaki, T.; Ueda, Y.; Saha, B.B.; Akisawa, A. Performance Comparison of Three-Bed Adsorption Performance Comparison of Three-Bed Adsorption Cooling System. Heat Transf. Eng. 2013, 7632. [Google Scholar] [CrossRef]
- Khan, M.Z.I.; Saha, B.B.; Alam, K.C.A.; Akisawa, A.; Kashiwagi, T. Study on solar/waste heat driven multi-bed adsorption chiller with mass recovery. Renew. Energy. 2007, 32, 365–381. [Google Scholar] [CrossRef]
- Wang, X.; He, Z.; Tong, H. Performance simulation of multi-bed silica gel-water adsorption chillers. Int. J. Refrig. 2014, 2, 32–41. [Google Scholar] [CrossRef]
- Youssef, P.G.; Mahmoud, S.M.; AL-Dadah, R.K. Performance analysis of four bed adsorption water desalination/refrigeration system, comparison of AQSOA-Z02 to silica-gel. Desalination 2015, 375, 100–107. [Google Scholar] [CrossRef]
- Mitra, S.; Kumar, P.; Srinivasan, K.; Dutta, P. Performance evaluation of a two-stage silica gel + water adsorption based cooling-cum-desalination system. Int. J. Refrig. 2015, 58, 186–198. [Google Scholar] [CrossRef]
- Mitra, S.; Kumar, P.; Srinivasan, K.; Dutta, P. Instrumentation and control of a two-stage 4-bed silica gel + water adsorption cooling cum desalination system. Meas. J. Int. Meas. Confed. 2016, 79, 29–43. [Google Scholar] [CrossRef]
- Mitra, S.; Thu, K.; Saha, B.B.; Srinivasan, K.; Dutta, P. Modeling study of two-stage, multi-bed air cooled silica gel + water adsorption cooling cum desalination system. Appl. Therm. Eng. 2017, 114, 704–712. [Google Scholar] [CrossRef]
- Thu, K.; Saha, B.B.; Chua, K.J.; Ng, K.C. Performance investigation of a waste heat-driven 3-bed 2-evaporator adsorption cycle for cooling and desalination. Int. J. Heat Mass Transf. 2016, 101, 1111–1122. [Google Scholar] [CrossRef]
- Alam, K.C.A.; Kang, Y.T.; Saha, B.B.; Akisawa, A.; Kashiwagi, T. A novel approach to determine optimum switching frequency of a conventional adsorption chiller. Energy 2003, 28, 1021–1037. [Google Scholar] [CrossRef]
- Zajaczkowski, B. Optimizing performance of a three-bed adsorption chiller using new cycle time allocation and mass recovery. Appl. Therm. Eng. 2016, 100, 744–752. [Google Scholar] [CrossRef]
- Pan, Q.W.; Wang, R.Z. Experimental study on operating features of heat and mass recovery processes in adsorption refrigeration. Energy 2017, 135, 361–369. [Google Scholar] [CrossRef]
- Wu, J.Y.; Wang, R.Z.; Xu, Y.X. Dynamic analysis of heat recovery process for a continuous heat recovery adsorption heat pump. Energy Convers. Manag. 2002, 43, 2201–2211. [Google Scholar] [CrossRef]
- Duong, X.Q.; Cao, N.V.; Hong, S.W.; Ahn, S.H.; Chung, J.D. Numerical Study on the Combined Heat and Mass Recovery Adsorption Cooling Cycle. Energy Technol. 2018, 6, 296–305. [Google Scholar] [CrossRef]
- Leong, K.C.; Liu, Y. Numerical study of a combined heat and mass recovery adsorption cooling cycle. Int. J. Heat Mass Transf. 2004, 47, 4761–4770. [Google Scholar] [CrossRef]
- Akahira, A.; Alam, K.C.A.; Hamamoto, Y.; Akisawa, A.; Kashiwagi, T. Experimental investigation of mass recovery adsorption refrigeration cycle. Int. J. Refrig. 2005, 28, 565–572. [Google Scholar] [CrossRef]
- Kabir, K.M.A.; Alam, K.C.A.; Sarker, M.M.A.; Rouf, R.A.; Saha, B.B. Effect of Mass Recovery on the Performance of Solar Adsorption Cooling System. Energy Procedia 2015, 79, 67–72. [Google Scholar] [CrossRef]
- Krzywanski, J.; Grabowska, K.; Herman, F.; Pyrka, P.; Sosnowski, M.; Prauzner, T.; Nowak, W. Optimization of a three-bed adsorption chiller by genetic algorithms and neural networks. Energy Convers. Manag. 2017, 153. [Google Scholar] [CrossRef]
- Halon, T.; Pelinska-Olko, E.; Szyc, M.; Zajaczkowski, B. Predicting Performance of a District Heat Powered Adsorption Chiller by Means of an Artificial Neural Network. Energies 2019, 12, 3328. [Google Scholar] [CrossRef]
- Khan, M.Z.I.; Alam, K.C.A.; Saha, B.B.; Hamamoto, Y.; Akisawa, A.; Kashiwagi, T. Parametric study of a two-stage adsorption chiller using re-heat—The effect of overall thermal conductance and adsorbent mass on system performance. Int. J. Therm. Sci. 2006, 45, 511–519. [Google Scholar] [CrossRef]
- Lambert, M.A.; Jones, B.J. Design of adsorption heat pump for permanent lunar base. J. Thermophys. Heat Transf. 2007, 21, 219–233. [Google Scholar] [CrossRef]
© 2019 by the authors. Licensee MDPI, Basel, Switzerland. This article is an open access article distributed under the terms and conditions of the Creative Commons Attribution (CC BY) license (http://creativecommons.org/licenses/by/4.0/).