A Hybrid Soft Switching Full Bridge Converter Suitable for the Electric Vehicle Charge Applications
Abstract
1. Introduction
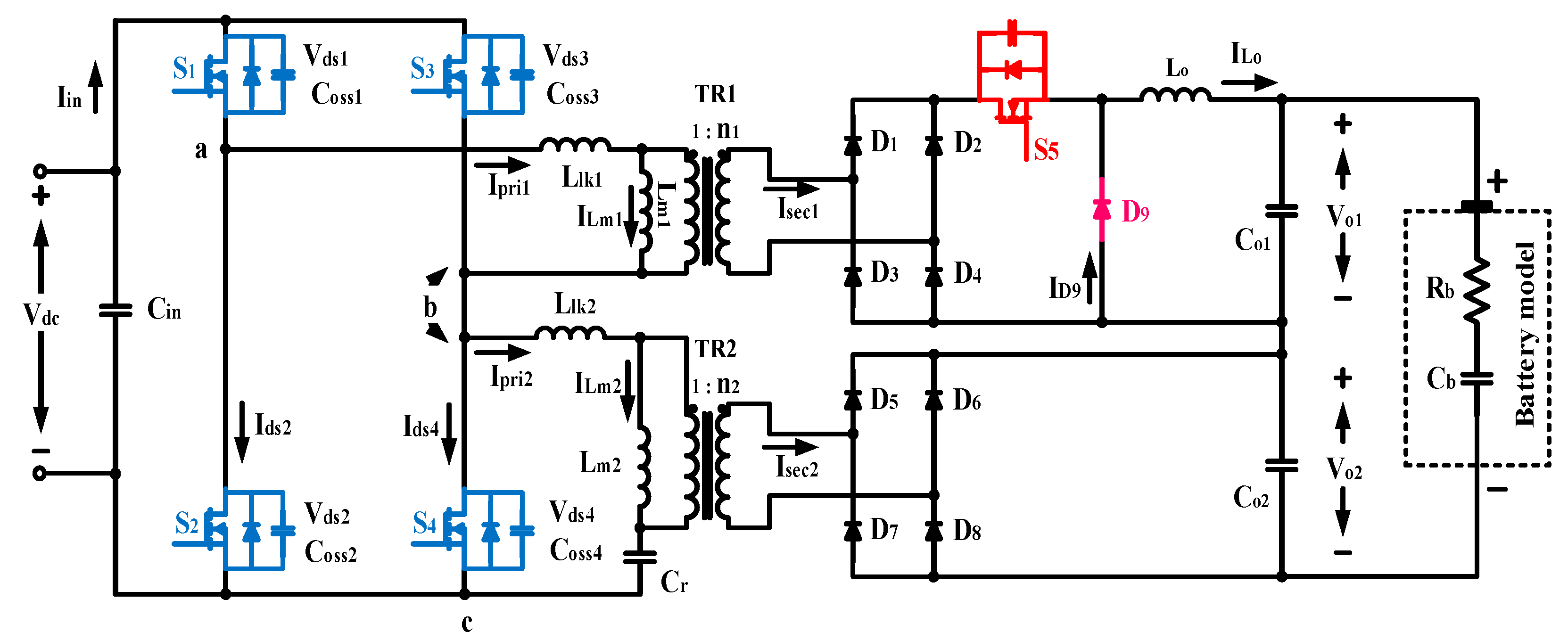
2. Operation Mode of the Proposed Hybrid Converter
- All of the switching devices are ideal except the output capacitance.
- All of the capacitors, inductors, and transformer are ideal except the leakage inductance of the transformer.
- The output capacitance values of all of the primary switches are the same.
- The leakage inductance values of the transformers are much smaller than the output filter inductances reflected to the primary side. << n2 (where n is the secondary-to-primary-windings-turns ratio).
3. Design Considerations for the Proposed Hybrid Converter
3.1. Voltage Gain
3.2. Transformer Turns Ratio
3.3. Power Sharing in Between SSFB and LLC Converter
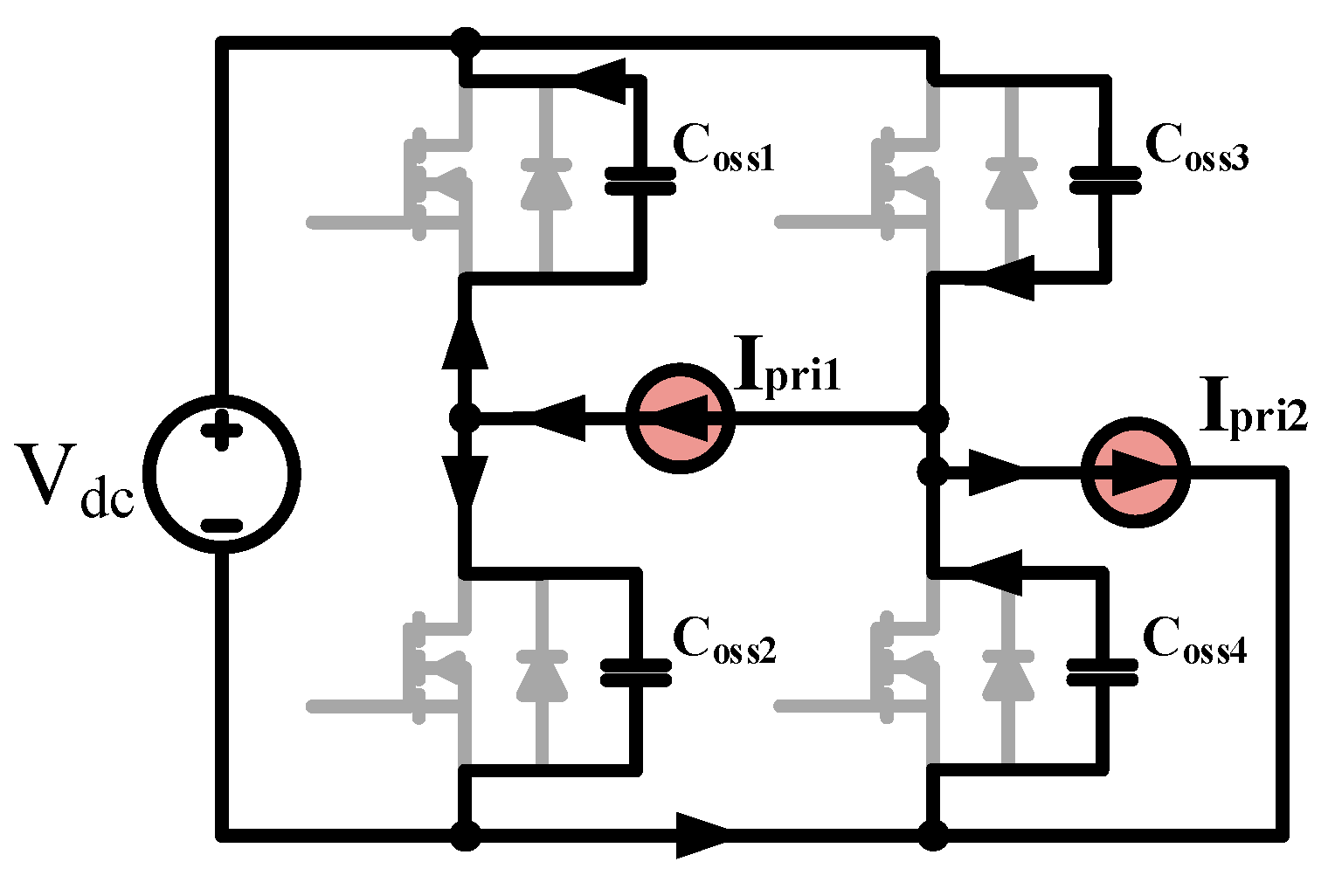
3.4. ZVS Condition of the Primary Switches
3.5. ZCS Condition for the Primary Switches
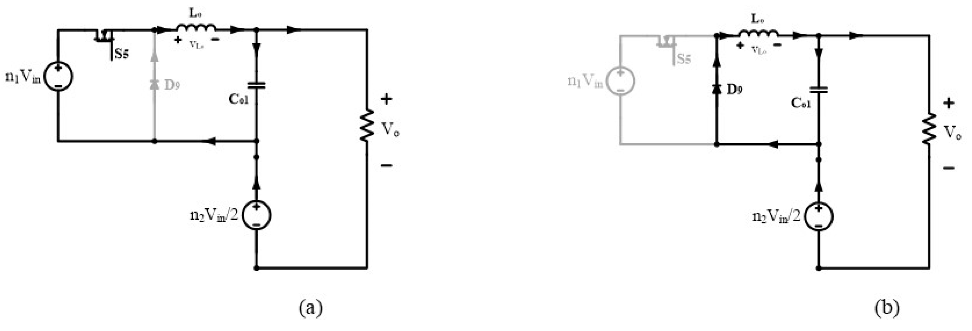
3.6. Design of the Output Inductor
4. Design of the Proposed SSFB Converter for Electric Vehicle Charge Application
4.1. Turns Ratio of the Transformer
4.2. SSFB Transformer TR1
4.3. LLC Transformer TR2
4.4. Resonant Capacitance
4.5. Output Inductor
5. Experimental Results and Discussions
6. Conclusions
Author Contributions
Funding
Acknowledgments
Conflicts of Interest
References
- Ehsani, M.; Gao, Y.; Gay, S.E.; Emadi, A. Modern Electric, Hybrid Electric, and Fuel Cell Vehicles, 3rd ed.; CRC Press: Boca Raton, FL, USA, 2018. [Google Scholar]
- Khaligh, A.; Dusmez, S. Comprehensive topological analysis of conductive and inductive charging solutions for plug-in electric vehicles. Trans. Veh. Technol. 2012, 61, 3475–3489. [Google Scholar] [CrossRef]
- Larminie, J.; Lowry, J. Electric Vehicle Technology Explained; Wiley: Hoboken, NJ, USA, 2003. [Google Scholar]
- Saber, A.Y.; Venayagamoorthy, G.K. One million plug-in electric vehicles on the road by 2015. In Proceedings of the 12th International IEEE Conference on Intelligent Transportation Systems, St. Louis, MO, USA, 4–7 October 2009; pp. 1–7. [Google Scholar]
- Level 1 vs Level 2 EV Charging station. Available online: https://www.clippercreek.com/level-1-level-2-charging-station (accessed on 3 July 2019).
- Specifications. Available online: https://www.nissanusa.com/vehicles/electric-cars/leaf/compare-specs (accessed on 3 July 2019).
- On Board Charger. Available online: https://www.tesla.com/support/home-charging-installation/onboard-charger (accessed on 3 July 2019).
- Yilmaz, M.; Krein, P.T. Review of battery charger topologies, charging power levels, and infrastructure for plug-in electric and hybrid vehicles. IEEE Trans. Power Electron. 2013, 28, 2151–2169. [Google Scholar] [CrossRef]
- Pahlevaninezhad, M.; Das, P.; Drobnik, J.; Jain, P.K.; Bakhshai, A.A. Novel ZVZCS full-bridge dc/dc converter used for electric vehicles. IEEE Trans. Ind. Electron. 2012, 27, 2752–2769. [Google Scholar] [CrossRef]
- Gu, B.; Lai, J.; Kees, N.; Zheng, C. Hybrid-Switching Full-Bridge DC–DC Converter with Minimal Voltage Stress of Bridge Rectifier, Reduced Circulating Losses, and Filter Requirement for Electric Vehicle Battery Chargers. IEEE Trans. Power Electron. 2013, 28, 1132–1144. [Google Scholar] [CrossRef]
- Bai, H.; Mi, C.C. Comparison and evaluation of different DC/DC topologies for plug-in hybrid electric vehicle chargers. Int. J. Power Electron. 2012, 4, 119–133. [Google Scholar] [CrossRef]
- Sabate, J.A.; Vlatkovic, V.; Ridley, R.B.; Lee, F.C.; Cho, B.H. Design considerations for high-voltage high-power full-bridge zero-voltage switching PWM converter. In Proceedings of the Applied Power Electronic Electronic Conference, Los Angeles, CA, USA, 11–16 March 1990; pp. 275–284. [Google Scholar]
- Park, K.; Kim, C.; Moon, G.; Youn, M. Voltage Oscillation Reduction Technique for Phase-Shift Full-Bridge Converter. IEEE Trans. Ind. Electron. 2007, 54, 2779–2790. [Google Scholar] [CrossRef]
- Chen, B.; Lai, Y. Switching Control Technique of Phase-Shift-Controlled Full-Bridge Converter to Improve Efficiency Under Light-Load and Standby Conditions Without Additional Auxiliary Components. IEEE Trans. Power Electron. 2010, 25, 1001–1012. [Google Scholar] [CrossRef]
- Koo, G.B.; Moon, G.W.; Youn, M.J. Analysis and design of phase shift full bridge converter with series-connected two transformers. IEEE Trans. Power Electron. 2004, 19, 411–419. [Google Scholar] [CrossRef]
- Gautam, D.; Musavi, F.; Edington, M.; Eberle, W.; Dunford, W.G. An automotive on-board 3.3 kW battery charger for PHEV application. In Proceedings of the IEEE Vehicle Power Propulsion Conference, Chicago, IL, USA, 6–9 September 2011; pp. 1–6. [Google Scholar]
- Jain, P.K.; Kang, W.; Soin, H.; Xi, Y.H. Analysis and design considerations of a load and line independent zero voltage switching full bridge DC/DC converter topology. IEEE Trans. Power Electron. 2002, 17, 649–657. [Google Scholar] [CrossRef]
- Jang, Y.; Jovanovic, M.M.; Chang, Y.M. A new ZVS-PWM full-bridge converter. IEEE Trans. Power Electron. 2003, 18, 1122–1129. [Google Scholar] [CrossRef]
- Wu, X.; Zhang, J.; Xie, X.; Qian, Z. Analysis and Optimal Design Considerations for an Improved Full Bridge ZVS DC–DC Converter with High Efficiency. IEEE Trans. Power Electron. 2006, 21, 1225–1234. [Google Scholar] [CrossRef]
- Chen, W.; Ruan, X.; Zhang, R. A novel zero-voltage-switching PWM full bridge converter. IEEE Trans. Power Electron. 2008, 23, 793–801. [Google Scholar] [CrossRef]
- Koo, G.B.; Moon, G.W.; Youn, M.J. New zero-voltage-switching phase-shift full-bridge converter with low conduction losses. IEEE Trans. Ind. Electron. 2005, 52, 228–235. [Google Scholar] [CrossRef]
- Cho, J.G.; Sabate, J.A.; Hua, G.C.; Lee, F.C. Zero-voltage and zero-current-switching full bridge PWM converter for high-power applications. IEEE Trans. Power Electron. 1996, 11, 622–628. [Google Scholar]
- Lee, I.; Moon, G. Phase-Shifted PWM Converter with a Wide ZVS Range and Reduced Circulating Current. IEEE Trans. Power Electron. 2013, 28, 908–919. [Google Scholar] [CrossRef]
- Lai, J.J.; Miwa, H.; Lai, W.H.; Tseng, N.H.; Lee, C.S.; Lin, C.H.; Shih, Y.W. A high-efficiency on-board charger utilitzing a hybrid LLC and phase-shift DC–DC converter. In Proceedings of the International Conference on Intelligent Green Building and Smart Grid (IGBSG), Taipei, Taiwan, 23–25 April 2014; pp. 1–8. [Google Scholar]
- Lee, I.; Moon, G. Half-Bridge Integrated ZVS Full-Bridge Converter with Reduced Conduction Loss for Electric Vehicle Battery Chargers. IEEE Trans. Ind. Electron. 2014, 61, 3978–3988. [Google Scholar] [CrossRef]
- Gu, B.; Lin, C.; Chen, B.; Dominic, J.; Lai, J. Zero-Voltage-Switching PWM Resonant Full-Bridge Converter with Minimized Circulating Losses and Minimal Voltage Stresses of Bridge Rectifiers for Electric Vehicle Battery Chargers. IEEE Trans. Power Electron. 2013, 28, 4657–4667. [Google Scholar] [CrossRef]
- Liu, C.; Gu, B.; Lai, J.S.; Wang, M.Y.; Ji, Y.C.; Cai, G.W.; Zhao, Z.; Chen, C.L.; Zheng, C.; Sun, P.W. High-Efficiency Hybrid Full-Bridge–Half-Bridge Converter with Shared ZVS Lagging Leg and Dual Outputs in Series. IEEE Trans. Power Electron. 2013, 28, 849–861. [Google Scholar] [CrossRef]
- Lee, I.O. A Hybrid PWM-Resonant DC–DC Converter for Electric Vehicle Battery Charger Applications. J. Power Electron. 2015, 15, 1158–1167. [Google Scholar] [CrossRef]
- Tran, D.D.; Vu, H.N.; Lee, H.H.; Pham, V.L.; Choi, W. A novel 10kW hybrid converter for the electric vehicle charge applications. In Proceedings of the 2016 IEEE Transportation Electrification Conference and Expo, Asia-Pacific (ITEC Asia-Pacific), Busan, Korea, 1–4 June 2016; pp. 220–224. [Google Scholar]















| Parameter | Designator | Value |
|---|---|---|
| Input Voltage Range | 380–400 [V] | |
| Input Voltage Nominal | 390 [V] | |
| Output Voltage Range | 330–430 [V] | |
| Output Voltage Nominal | 400 [V] | |
| Maximum Output Power | 10 [kW] | |
| Switching frequency | 29.4 [kHz] |
| Parameter | Calculated Value | Measured Value |
|---|---|---|
| Turn ratio of the TR1 (n11 : n12) | 11 : 7 | 11 : 7 |
| Leakage inductance of the TR1 () | 12.4 [µH] | |
| Magnetizing inductance of the TR1 () | [mH] | 1.5 [mH] |
| Turn ratio of the TR2 (n21 : n22) | 14 : 16 | 14 : 16 |
| Leakage inductance of the TR2 () | 60.7 [µH] | 65 [µH] |
| Magnetizing inductance of the TR2 () | [mH] | 800 [µH] |
| Resonant capacitor () | 0.482 [ | 0.45 [ |
| Output inductor of SSFB converter () | 679 [µH] | 685 [µH] |
| Component | Manufacture | Part# |
|---|---|---|
| Primary side MOSFETs | Fairchild | FCH76N60N |
| Secondary side MOSFETs | IXYZ | IXFB110N60P3 |
| Diode Rectifiers | IR | 60APU06 |
| Resonant Film Capacitors | EPCOS | B32912B3334M |
| Magnetic Ferrite Core of Transformer | Changsung | PQ7252 |
© 2019 by the authors. Licensee MDPI, Basel, Switzerland. This article is an open access article distributed under the terms and conditions of the Creative Commons Attribution (CC BY) license (http://creativecommons.org/licenses/by/4.0/).
Share and Cite
Tran, D.-D.; Tran, M.-T.; Choi, W. A Hybrid Soft Switching Full Bridge Converter Suitable for the Electric Vehicle Charge Applications. Energies 2019, 12, 2707. https://doi.org/10.3390/en12142707
Tran D-D, Tran M-T, Choi W. A Hybrid Soft Switching Full Bridge Converter Suitable for the Electric Vehicle Charge Applications. Energies. 2019; 12(14):2707. https://doi.org/10.3390/en12142707
Chicago/Turabian StyleTran, Dai-Duong, Manh-Tuan Tran, and Woojin Choi. 2019. "A Hybrid Soft Switching Full Bridge Converter Suitable for the Electric Vehicle Charge Applications" Energies 12, no. 14: 2707. https://doi.org/10.3390/en12142707
APA StyleTran, D.-D., Tran, M.-T., & Choi, W. (2019). A Hybrid Soft Switching Full Bridge Converter Suitable for the Electric Vehicle Charge Applications. Energies, 12(14), 2707. https://doi.org/10.3390/en12142707
