DC-DC Converter Topologies for Electric Vehicles, Plug-in Hybrid Electric Vehicles and Fast Charging Stations: State of the Art and Future Trends
Abstract
1. Introduction
2. Categories of DC-DC Converter for EVs’ Powertrain
2.1. Non-Isolated DC-DC Converters for BEVs and PHEVs
2.2. Isolated DC-DC Converters for BEVs and PHEVs
3. Overview of DC-DC Converter Topologies
3.1. Boost DC-DC Converter (BC)
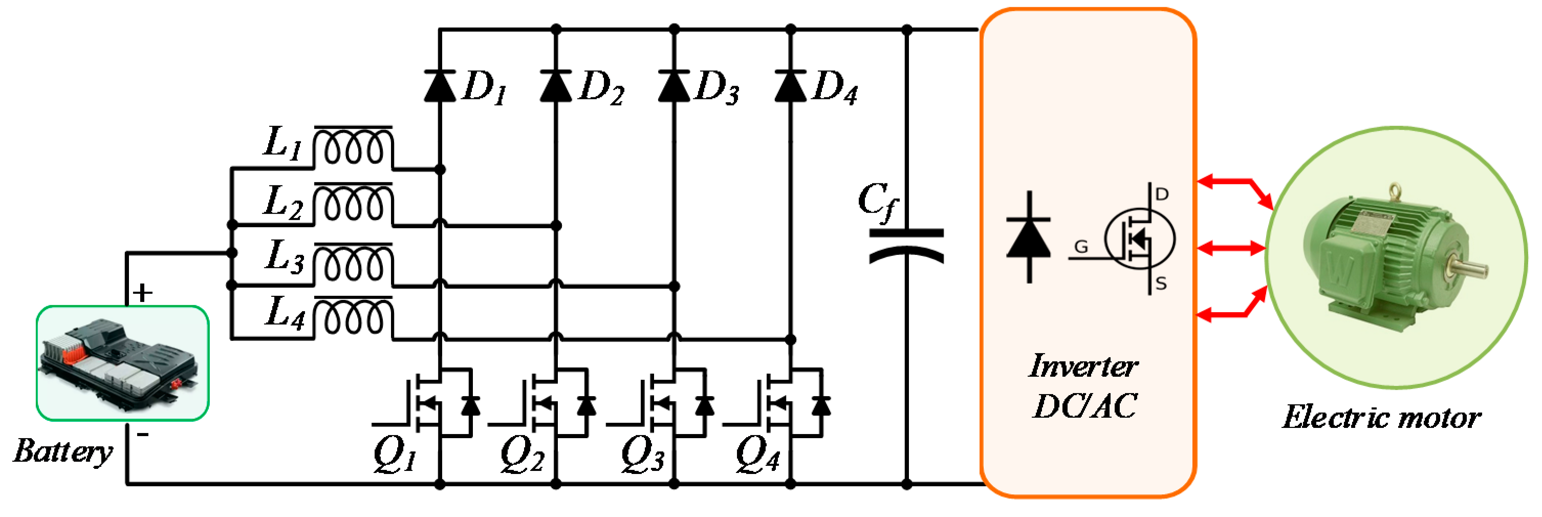
3.2. Interleaved 4-Phase Boost DC-DC Converter (IBC)
3.3. Boost DC-DC Converter with Resonant Circuit (BCRC)
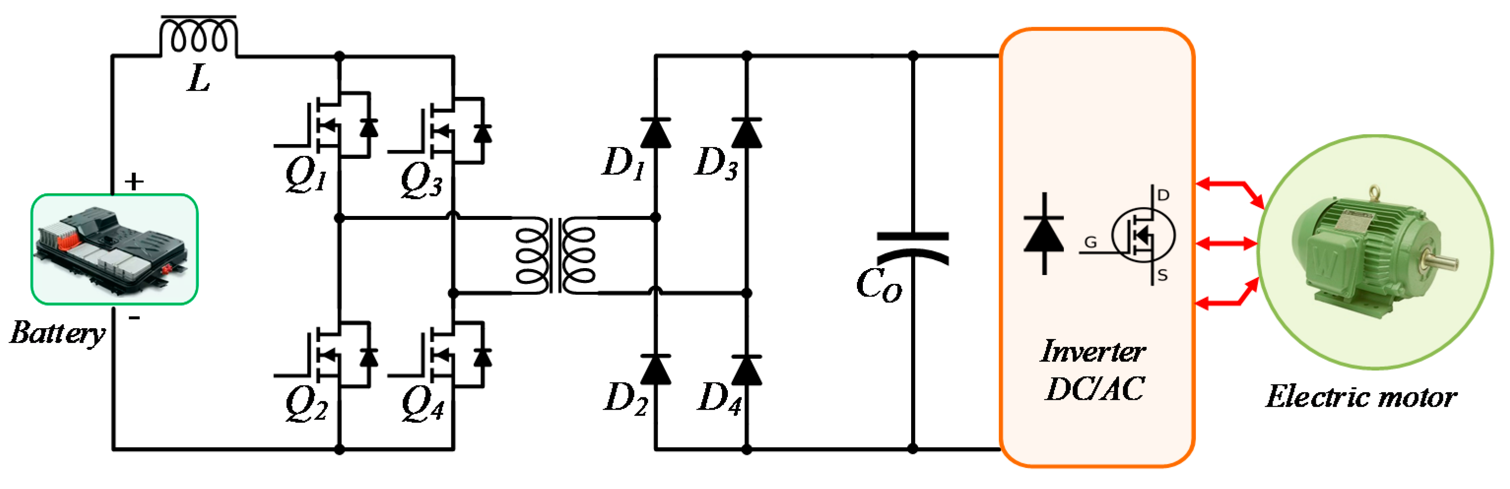
3.4. Full Bridge Boost DC-DC Converter (FBC)
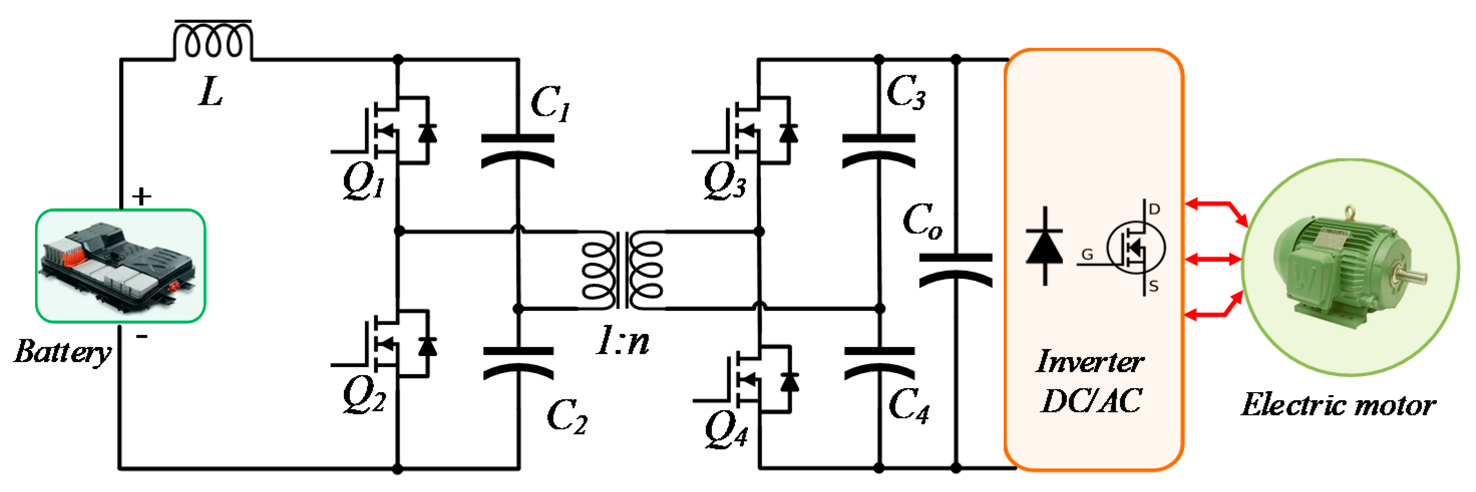
3.5. Isolated ZVS DC-DC Converter (ZVSC)
3.6. Sinusoidal Amplitude High Voltage Bus Converter (SAHVC)
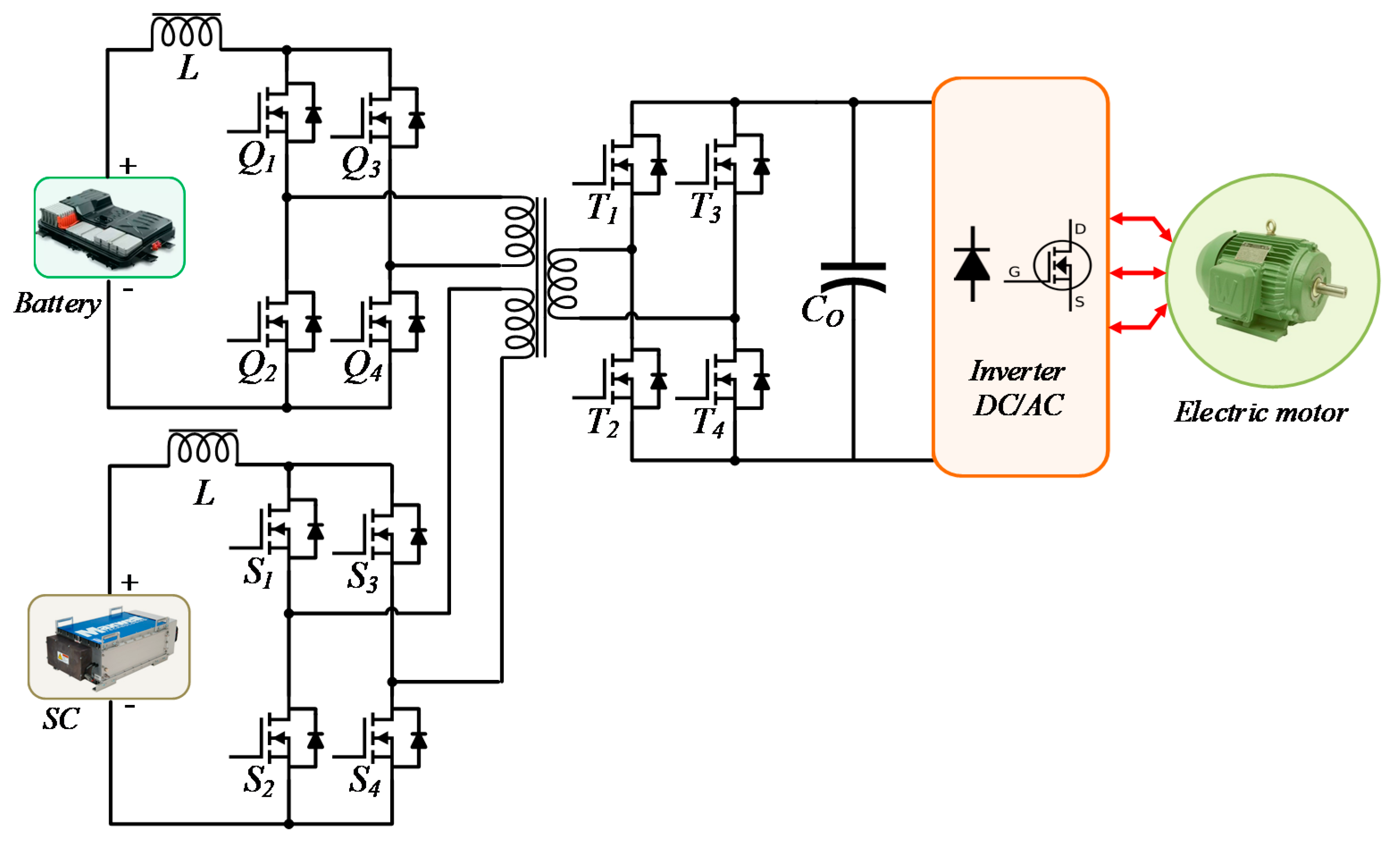
3.7. Multiport isolated DC-DC Converter (MPC)
3.8. Multidevice Interleaved DC-DC Bidirectional Converter (MDIBC)
4. Design of DC-DC Converter Topologies for BEV and PHEV Powertrains
4.1. Boost DC-DC Converter
4.2. Interleaved 4-Phase Boost DC-DC Converter
4.3. Boost DC-DC Converter with Resonant Circuit
4.4. Full Bridge Boost DC-DC Converter
4.5. Isolated ZVS DC-DC Converter
4.6. Sinusoidal Amplitude High Voltage Bus Converter (SAHVC)
4.7. Multiport DC-DC Converter (MPC)
4.8. Multidevice Interleaved DC-DC Bidirectional Converter (MDIBC)
5. Review of Converter Topologies for FCHARs
5.1. AC-DC Stage
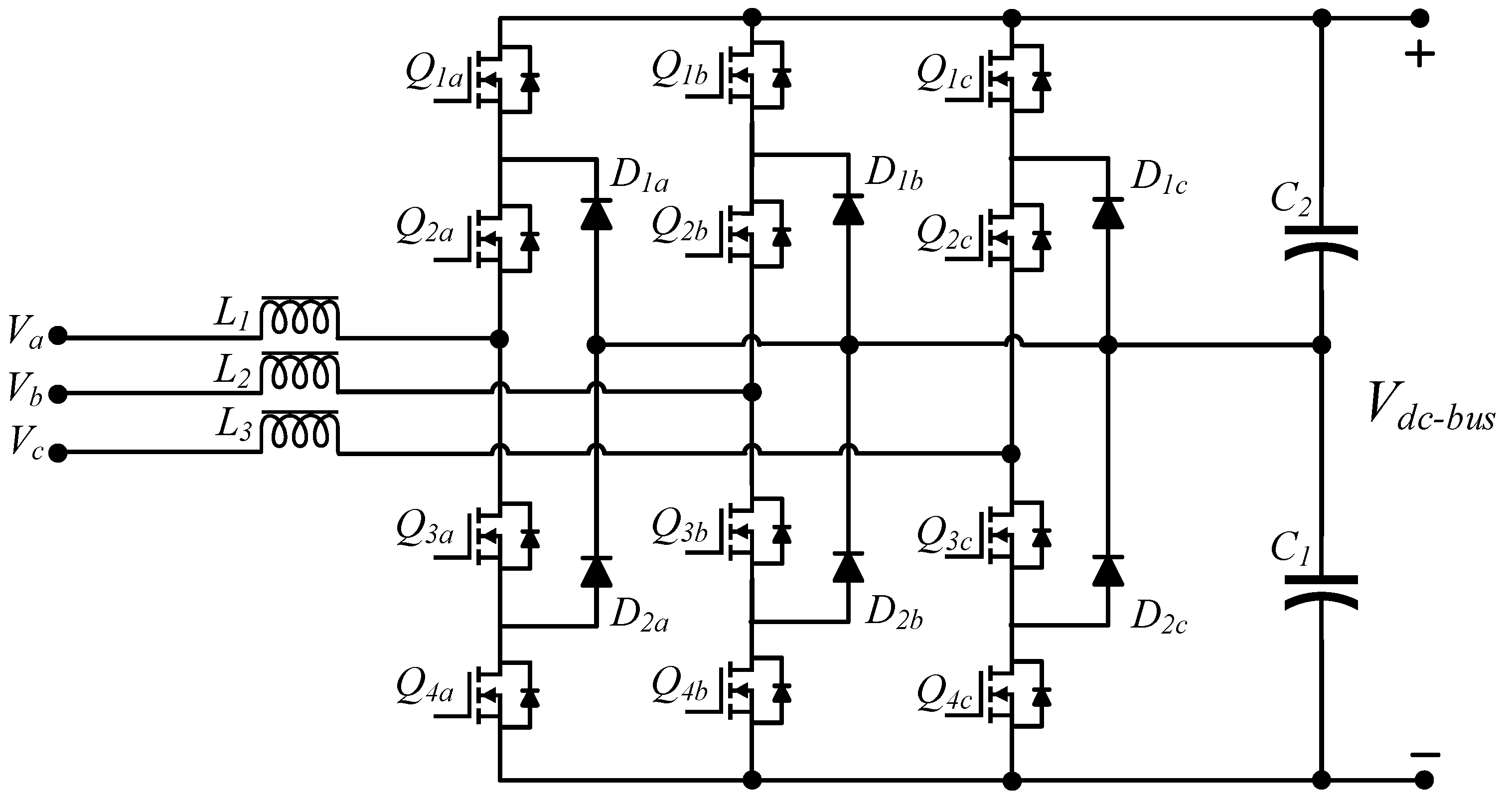
5.1.1. Three-Level Three-Phase NPC Converter
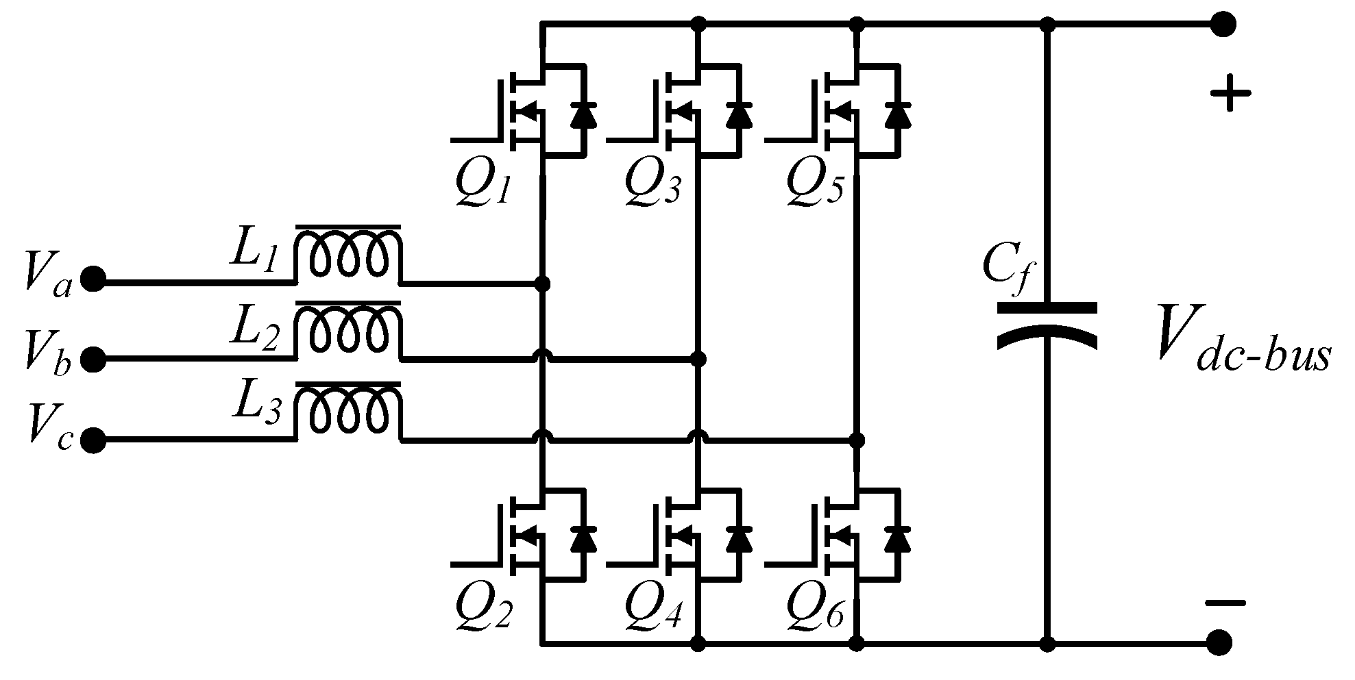
5.1.2. Three-Phase Bridgeless Boost Converter
5.1.3. Three-Phase Vienna Rectifier
5.2. DC-DC Stage
5.2.1. Multiple Interleaved Buck Converters
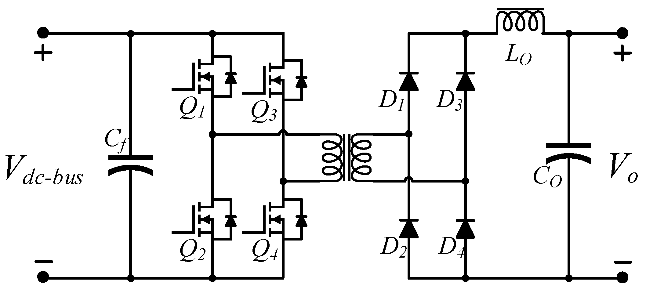
5.2.2. Full-Bridge LLC Resonant Converter
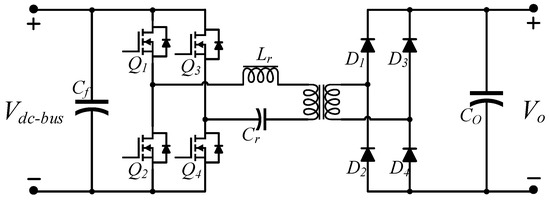
5.2.3. Phase-Shift Full-Bridge Converter
6. Evaluation of Emerging Switch Technology for Converters
- (a)
- The temperature effect on semiconductor devices is not considered.
- (b)
- The loss due to the skin effect of the inductor is also neglected.
- (c)
- The parasitic capacitance loss and loss in PCB are also neglected.
7. Comparative Analysis and Discussion
8. Future Research Trends
8.1. WBG Semiconductor Components
8.2. Emerging Modeling and Control Techniques
8.3. Projected Power Density Growth of DC-DC Converter
9. Conclusions
Author Contributions
Funding

Acknowledgments
Conflicts of Interest
References
- EEA. Total Greenhouse Gas Emissions by Sector (%); European Environment Agency: Copenhagen, Denmark, 2017. [Google Scholar]
- Fontaras, G.; Zacharof, N.-G.; Ciuffo, B. Fuel consumption and CO2 emissions from passenger cars in Europe—Laboratory versus real-world emissions. Prog. Energy Combust. Sci. 2017, 60, 97–131. [Google Scholar] [CrossRef]
- Fontaras, G.; Dilara, P. The evolution of European passenger car characteristics 2000–2010 and its effects on real-world CO2 emissions and CO2 reduction policy. Energy Policy 2012, 49, 719–730. [Google Scholar] [CrossRef]
- European Commission. Communication from the Commission to the Council and the European Parliament Strategy for Reducing Heavy-Duty Vehicles’ Fuel Consumption and CO2 Emissions; European Commission: Brussels, Belgium, 2014. [Google Scholar]
- EEA. CO2 Emission Report; European Environment Agency: Copenhagen, Denmark, 2017. [Google Scholar]
- European Commission. A European Strategy for Low-Emission Mobility, SWD 244 Final; European Commission: Brussels, Belgium, 2016. [Google Scholar]
- Yunus, M. A World of Three Zeros: The New Economics of Zero Poverty, Zero Unemployment, and Zero Net Carbon Emissions; Public Affairs: New York, NY, USA, 2017; ISBN 978-1478992004. [Google Scholar]
- Thiel, C.; Perujo, A.; Mercier, A. Cost and CO2 aspects of future vehicle options in Europe under new energy policy scenarios. Energy Policy 2010, 38, 7142–7151. [Google Scholar] [CrossRef]
- Rezvani, Z.; Jansson, J.; Bodin, J. Advances in consumer electric vehicle adoption research: A review and research agenda. Transp. Res. Part D Transp. Environ. 2015, 34, 122–136. [Google Scholar] [CrossRef]
- Chan, C.C. The state of the art of electric, hybrid, and fuel cell vehicles. Proc. IEEE 2007, 95, 704–718. [Google Scholar] [CrossRef]
- Lebeau, K.; Van Mierlo, J.; Lebeau, P.; Mairesse, O.; Macharis, C. The market potential for plug-in hybrid and battery electric vehicles in Flanders: A choice-based conjoint analysis. Transp. Res. Part D Transp. Environ. 2012, 17, 592–597. [Google Scholar] [CrossRef]
- Pang, C.; Dutta, P.; Kezunovic, M. BEVs/PHEVs as Dispersed Energy Storage for V2B Uses in the Smart Grid. IEEE Trans. Smart Grid 2012, 3, 473–482. [Google Scholar] [CrossRef]
- Al-Alawi, B.M.; Bradley, T.H. Total cost of ownership, payback, and consumer preference modeling of plug-in hybrid electric vehicles. Appl. Energy 2013, 103, 488–506. [Google Scholar] [CrossRef]
- Al-Alawi, B.M.; Bradley, T.H. Review of hybrid, plug-in hybrid, and electric vehicle market modeling Studies. Renew. Sustain. Energy Rev. 2013, 21, 190–203. [Google Scholar] [CrossRef]
- Asazawa, K.; Yamada, K.; Tanaka, H.; Oka, A.; Taniguchi, M.; Kobayashi, T. A Platinum-Free Zero-Carbon-Emission Easy Fuelling Direct Hydrazine Fuel Cell for Vehicles. Angew. Chemie 2007, 119, 8170–8173. [Google Scholar] [CrossRef]
- Hadley, S.W.; Tsvetkova, A.A. Potential Impacts of Plug-in Hybrid Electric Vehicles on Regional Power Generation. Electr. J. 2009, 22, 56–68. [Google Scholar] [CrossRef]
- Romm, J. The car and fuel of the future. Energy Policy 2006, 34, 2609–2614. [Google Scholar] [CrossRef]
- Thomas, C.E. Fuel cell and battery electric vehicles compared. Int. J. Hydrogen Energy 2009, 34, 6005–6020. [Google Scholar] [CrossRef]
- Hawes, M. Emerging Solutions to Hybrid & Electric Vehicle DC:DC Converter Design and Test; Keysight Technologies: Santa Rosa, CA, USA, 2017. [Google Scholar]
- Bradley, T.H.; Frank, A.A. Design, demonstrations and sustainability impact assessments for plug-in hybrid electric vehicles. Renew. Sustain. Energy Rev. 2009, 13, 115–128. [Google Scholar] [CrossRef]
- Emadi, A.; Lee, Y.J.; Rajashekara, K.; Emadi, A.; Lee, Y.J.; Rajashekara, K. Power Electronics and Motor Drives in Electric, Hybrid Electric, and Plug-In Hybrid Electric Vehicles. IEEE Trans. Ind. Electron. 2008, 55, 2237–2245. [Google Scholar] [CrossRef]
- Ehsani, M.; Yimin, G.; Miller, J.M. Hybrid Electric Vehicles: Architecture and Motor Drives. Proc. IEEE 2007, 95, 719–728. [Google Scholar] [CrossRef]
- Quinn, C.; Zimmerle, D.; Bradley, T.H. The effect of communication architecture on the availability, reliability, and economics of plug-in hybrid electric vehicle-to-grid ancillary services. J. Power Sources 2010, 195, 1500–1509. [Google Scholar] [CrossRef]
- Ehsani, M.; Gao, Y.; Longo, S.; Ebrahimi, K. Modern Electric, Hybrid Electric, and Fuel Cell Vehicles, 3rd ed.; CRC Press: Boca Raton, FL, USA, 2004. [Google Scholar]
- Sandy Thomas, C.E. Transportation options in a carbon-constrained world: Hybrids, plug-in hybrids, biofuels, fuel cell electric vehicles, and battery electric vehicles. Int. J. Hydrogen Energy 2009, 34, 9279–9296. [Google Scholar] [CrossRef]
- Pollet, B.G.; Staffell, I.; Shang, J.L. Current status of hybrid, battery and fuel cell electric vehicles: From electrochemistry to market prospects. Electrochim. Acta 2012, 84, 235–249. [Google Scholar] [CrossRef]
- Fotouhi, A.; Auger, D.J.; Propp, K.; Longo, S.; Wild, M. A review on electric vehicle battery modelling: From Lithium-ion toward Lithium–Sulphur. Renew. Sustain. Energy Rev. 2016, 56, 1008–1021. [Google Scholar] [CrossRef]
- Manzetti, S.; Mariasiu, F. Electric vehicle battery technologies: From present state to future systems. Renew. Sustain. Energy Rev. 2015, 51, 1004–1012. [Google Scholar] [CrossRef]
- Jin, K.; Ruan, X.; Yang, M.; Xu, M. A Hybrid Fuel Cell Power System. IEEE Trans. Ind. Electron. 2009, 56, 1212–1222. [Google Scholar] [CrossRef]
- Moura, S.J.; Fathy, H.K.; Callaway, D.S.; Stein, J.L. A Stochastic Optimal Control Approach for Power Management in Plug-In Hybrid Electric Vehicles. IEEE Trans. Control Syst. Technol. 2011, 19, 545–555. [Google Scholar] [CrossRef]
- Nelson, R.F. Power requirements for batteries in hybrid electric vehicles. J. Power Sources 2000, 91, 2–26. [Google Scholar] [CrossRef]
- Winter, M.; Brodd, R.J. What Are Batteries, Fuel Cells, and Supercapacitors? Chem. Rev. 2004, 104, 4245–4270. [Google Scholar] [CrossRef] [PubMed]
- Offer, G.J.; Howey, D.; Contestabile, M.; Clague, R.; Brandon, N.P. Comparative analysis of battery electric, hydrogen fuel cell and hybrid vehicles in a future sustainable road transport system. Energy Policy 2010, 38, 24–29. [Google Scholar] [CrossRef]
- Thounthong, P.; Raël, S.; Davat, B. Energy management of fuel cell/battery/supercapacitor hybrid power source for vehicle applications. J. Power Sources 2009, 193, 376–385. [Google Scholar] [CrossRef]
- White Paper. Ultracapacitor Applications for Uninterruptible Power Supplies (Ups); Skeleton Technologies GmbH: Großröhrsdorf, Germany, 2017. [Google Scholar]
- Naseri, F.; Farjah, E.; Ghanbari, T. An Efficient Regenerative Braking System Based on Battery/Supercapacitor for Electric, Hybrid and Plug-In Hybrid Electric Vehicles with BLDC Motor. IEEE Trans. Veh. Technol. 2017, 66, 3724–3738. [Google Scholar] [CrossRef]
- Campanari, S.; Manzolini, G.; Garcia de la Iglesia, F. Energy analysis of electric vehicles using batteries or fuel cells through well-to-wheel driving cycle simulations. J. Power Sources 2009, 186, 464–477. [Google Scholar] [CrossRef]
- Gao, W. Performance Comparison of a Fuel Cell-Battery Hybrid Powertrain and a Fuel Cell-Ultracapacitor Hybrid Powertrain. IEEE Trans. Veh. Technol. 2005, 54, 846–855. [Google Scholar] [CrossRef]
- Khaligh, A.; Li, Z. Battery, ultracapacitor, fuel cell, and hybrid energy storage systems for electric, hybrid electric, fuel cell, and plug-in hybrid electric vehicles: State of the art. IEEE Trans. Veh. Technol. 2010, 59, 2806–2814. [Google Scholar] [CrossRef]
- Anghel, V. Prediction Failure for Pem Fuel Cells. Int. J. Adv. Eng. Technol. 2012, 4, 1–14. [Google Scholar]
- Azib, T.; Bethoux, O.; Remy, G.; Marchand, C.; Berthelot, E. An Innovative Control Strategy of a Single Converter for Hybrid Fuel Cell/Supercapacitor Power Source. IEEE Trans. Ind. Electron. 2010, 57, 4024–4031. [Google Scholar] [CrossRef]
- Dotelli, G.; Ferrero, R.; Gallo Stampino, P.; Latorrata, S.; Toscani, S. Supercapacitor Sizing for Fast Power Dips in a Hybrid Supercapacitor—PEM Fuel Cell System. IEEE Trans. Instrum. Meas. 2016, 65, 2196–2203. [Google Scholar] [CrossRef]
- Li, B.; Gao, X.; Li, J.; Yuan, C. Life Cycle Environmental Impact of High-Capacity Lithium Ion Battery with Silicon Nanowires Anode for Electric Vehicles. Environ. Sci. Technol. 2014, 48, 3047–3055. [Google Scholar] [CrossRef]
- Kolli, A.; Gaillard, A.; De Bernardinis, A.; Bethoux, O.; Hissel, D.; Khatir, Z. A review on DC/DC converter architectures for power fuel cell applications. Energy Convers. Manag. 2015, 105, 716–730. [Google Scholar] [CrossRef]
- Lundmark, S.T.; Alatalo, M.; Thiringer, T.; Grunditz, E.A. Vehicle Components and Configurations. Systems Perspectives on Electromobility. 2013, pp. 22–32. Available online: http://publications.lib.chalmers.se/records/fulltext/211435/local_211435.pdf (accessed on 22 April 2019).
- Lai, C.M. Development of a novel bidirectional DC/DC converter topology with high voltage conversion ratio for electric vehicles and DC-microgrids. Energies 2016, 9, 410. [Google Scholar] [CrossRef]
- Wang, Z.; Liu, B.; Zhang, Y.; Cheng, M.; Chu, K.; Xu, L. The chaotic-based control of three-port isolated bidirectional DC/DC converters for electric and hybrid vehicles. Energies 2016, 9, 83. [Google Scholar] [CrossRef]
- Ovidiu, P.; Serban, L. Modeling of DC-DC Converters. In Matlab-Modelling, Programming and Simulations; IntechOpen: London, UK, 2010; pp. 125–150. [Google Scholar]
- Al Sakka, M.; Van Mierlo, J.; Gualous, H. DC/DC Converters for Electric Vehicles, Electric Vehicles. Electr. Veh. Model. Simul. 2011. [Google Scholar] [CrossRef]
- Kabalo, M.; Blunier, B.; Bouquain, D.; Miraoui, A. State-of-the-art of DC-DC converters for fuel cell vehicles. In Proceedings of the 2010 IEEE Vehicle Power and Propulsion Conference, Lille, France, 1–3 September 2010; pp. 1–6. [Google Scholar]
- Forouzesh, M.; Siwakoti, Y.P.; Gorji, S.A.; Blaabjerg, F.; Lehman, B. Step-Up DC-DC converters: A comprehensive review of voltage-boosting techniques, topologies, and applications. IEEE Trans. Power Electron. 2017, 32, 9143–9178. [Google Scholar] [CrossRef]
- Chakraborty, S.; Hasan, M.M.; Abdur Razzak, M. Transformer-less single-phase grid-tie photovoltaic inverter topologies for residential application with various filter circuits. Renew. Sustain. Energy Rev. 2017, 72, 1152–1166. [Google Scholar] [CrossRef]
- Khanipah, N.H.A.; Azri, M.; Talib, M.H.N.; Ibrahim, Z.; Rahim, N.A. Interleaved boost converter for fuel cell application with constant voltage technique. In Proceedings of the 2017 IEEE Conference on Energy Conversion (CENCON), Kuala Lumpur, Malaysia, 30–31 October 2017; pp. 55–60. [Google Scholar]
- Reddy, K.J.; Sudhakar, N. High Voltage Gain Interleaved Boost Converter With Neural Network Based MPPT Controller for Fuel Cell Based Electric Vehicle Applications. IEEE Access 2018, 6, 3899–3908. [Google Scholar] [CrossRef]
- Gavagsaz-Ghoachani, R.; Zandi, M.; Martin, J.P.; Pierfederici, S.; Phattanasak, M.; Nahid-Mobarakeh, B. Control of a Two-Phase Interleaved Boost Converter with Input LC Filter for Fuel Cell Vehicle Applications. In Proceedings of the 2017 IEEE Vehicle Power and Propulsion Conference (VPPC), Belfort, France, 11–14 December 2017; pp. 1–5. [Google Scholar]
- Wang, H.; Gaillard, A.; Hissel, D. Six-Phase Soft-Switching Interleaved Boost Converter Based on SiC Semiconductor and Coupled Inductor for Fuel Cell Vehicles. In Proceedings of the 2017 IEEE Vehicle Power and Propulsion Conference (VPPC), Belfort, France, 11–14 December 2017; pp. 1–6. [Google Scholar]
- Averberg, A.; Mertens, A. Analysis of a Voltage-fed Full Bridge DC-DC Converter in Fuel Cell Systems. In Proceedings of the 2007 IEEE Power Electronics Specialists Conference, Orlando, FL, USA, 17–21 June 2007; pp. 286–292. [Google Scholar]
- Saeed, J.; Hasan, A. Control-oriented discrete-time large-signal model of phase-shift full-bridge DC–DC converter. Electr. Eng. 2017, 1–9. [Google Scholar] [CrossRef]
- Rong, R.; Zeljkovic, S. A 2 kW, 100 kHz high speed IGBT based HV-LV DC/DC converter for electric vehicle. In Proceedings of the 2014 IEEE Conference and Expo Transportation Electrification Asia-Pacific (ITEC Asia-Pacific), Beijing, China, 31 August–3 September 2014; pp. 1–5. [Google Scholar]
- Nardone, K.; Curatolo, K. Adaptive Cell Topologies Raise the Bar for DC-DC Converter Performance in EV/HEV Applications. Available online: http://cdn.vicorpower.com/documents/whitepapers/wp_evhev.pdf (accessed on 22 April 2019).
- Peng, F.Z.; Li, H.; Su, G.-J.; Lawler, J.S. A new ZVS bidirectional DC-DC converter for fuel cell and battery application. IEEE Trans. Power Electron. 2004, 19, 54–65. [Google Scholar] [CrossRef]
- Varshney, A.; Kumar, R.; Kuanr, D.; Gupta, M. Soft-Switched Boost DC-DC Converter System for Electric Vehicles using An Auxiliary Resonant Circuit. Inter. J. Emerg. Technol. Adv. Eng. 2014, 4, 845–850. [Google Scholar]
- Pahlevaninezhad, M.; Das, P.; Drobnik, J.; Jain, P.K.; Bakhshai, A. A Novel ZVZCS Full-Bridge DC/DC Converter Used for Electric Vehicles. IEEE Trans. Power Electron. 2012, 27, 2752–2769. [Google Scholar] [CrossRef]
- Zhu, L. A Novel Soft-Commutating Isolated Boost Full-Bridge ZVS-PWM DC-DC Converter for Bidirectional High Power Applications. IEEE Trans. Power Electron. 2006, 21, 422–429. [Google Scholar] [CrossRef]
- Nazeraj, E.; Hegazy, O.; Mierlo, V.J. Modeling and Control of Interleaved DC/DC Boost Converters via Energy Factor Approach. In Proceedings of the 2017 Twelfth International Conference on Ecological Vehicles and Renewable Energies (EVER), Monte Carlo, Monaco, 11–13 April 2017; pp. 1–8. [Google Scholar]
- Athikkal, S.; Sundaramoorthy, K.; Sankar, A. Design, Fabrication and Performance Analysis of a Two Input—Single Output DC-DC Converter. Energies 2017, 10, 1410. [Google Scholar] [CrossRef]
- Rehman, Z.; Al-Bahadly, I.; Mukhopadhyay, S. Multiinput DC—DC converters in renewable energy applications–An overview. Renew. Sustain. Energy Rev. 2015, 41, 521–539. [Google Scholar] [CrossRef]
- Khosrogorji, S.; Ahmadian, M.; Torkaman, H.; Soori, S. Multi-input DC/DC converters in connection with distributed generation units—A review. Renew. Sustain. Energy Rev. 2016, 66, 360–379. [Google Scholar] [CrossRef]
- Zhang, N.; Sutanto, D.; Muttaqi, K.M. A review of topologies of three-port DC–DC converters for the integration of renewable energy and energy storage system. Renew. Sustain. Energy Rev. 2016, 56, 388–401. [Google Scholar] [CrossRef]
- Al-chlaihawi, S.J.M. Multiport Converter in Electrical Vehicles-A Review. Int. J. Sci. Res. Publ. 2016, 6, 378–382. [Google Scholar]
- Matsushita, Y.; Noguchi, T.; Kimura, O.; Sunayama, T. Current-doubler based multiport DC/DC converter with galvanic isolation. In Proceedings of the 2017 IEEE 12th International Conference on Power Electronics and Drive Systems (PEDS), Honolulu, HI, USA, 12–15 December 2017; pp. 1–6. [Google Scholar]
- Hegazy, O.; Barrero, R.; Van Mierlo, J.; Lataire, P.; Omar, N.; Coosemans, T. An Advanced Power Electronics Interface for Electric Vehicles Applications. IEEE Trans. Power Electron. 2013, 28, 5508–5521. [Google Scholar] [CrossRef]
- Nazeraj, E.; Hegazy, O.; Mierlo, J. Control Design, Analysis and Comparative study of Different Control Strategies of a Bidirectional DC/DC Multiport Converter for Electric Vehicles. In Proceedings of the Evs30 Symposium, Stuttgart, Germany, 9 October 2017; pp. 1–14. [Google Scholar]
- Hegazy, O.; Van Mierlo, J.; Lataire, P. Analysis, modeling, and implementation of a multidevice interleaved DC/DC converter for fuel cell hybrid electric vehicles. IEEE Trans. Power Electron. 2012, 27, 4445–4458. [Google Scholar] [CrossRef]
- Nissan Is Eyeing Malaysia for Its New All-Electric Cars. Available online: https://cleanmalaysia.com/2018/02/22/nissan-eyeing-malaysia-new-electric-cars/ (accessed on 1 July 2018).
- Dickerman, L.; Harrison, J. A New Car, a New Grid. IEEE Power Energy Mag. 2010, 8, 55–61. [Google Scholar] [CrossRef]
- Botsford, C.; Szczepanek, A. Fast Charging vs. Slow Charging: Pros and cons for the New Age of Electric Vehicles. In Proceedings of the Evs24 Symposium, Stavanger, Norway, 13–16 May 2009; pp. 1–9. [Google Scholar]
- Yilmaz, M.; Krein, P.T. Review of Battery Charger Topologies, Charging Power Levels, and Infrastructure for Plug-In Electric and Hybrid Vehicles. IEEE Trans. Power Electron. 2013, 28, 2151–2169. [Google Scholar] [CrossRef]
- Report: Evaluation of Demand for Electric Vehicle Charging Stations in Franklin; Franklin Regional Council of Governments: Greenfield, MA, USA, 2017.
- Francfort, J.; Salisbury, S.; Smart, J.; Garetson, T.; Karner, D. Considerations for Corridor and Community DC Fast Charging Complex System Design; Idaho National Laboratory: Idaho Falls, ID, USA, 2017. [Google Scholar]
- Bayram, I.S.; Michailidis, G.; Devetsikiotis, M.; Granelli, F. Electric Power Allocation in a Network of Fast Charging Stations. IEEE J. Sel. Areas Commun. 2013, 31, 1235–1246. [Google Scholar] [CrossRef]
- Morrow, K.; Karner, D.; Francfort, J. Plug-in Hybrid Electric Vehicle Charging Infrastructure Review. Available online: https://wecanfigurethisout.org/ENERGY/Lecture_notes/Electrification_of_Tranportation_Supporting_Materials%20/INL%20-%20PHEV%20infrastructure%20review.pdf (accessed on 22 April 2019).
- Rahman, I.; Vasant, P.M.; Singh, B.S.M.; Abdullah-Al-Wadud, M.; Adnan, N. Review of recent trends in optimization techniques for plug-in hybrid, and electric vehicle charging infrastructures. Renew. Sustain. Energy Rev. 2016, 58, 1039–1047. [Google Scholar] [CrossRef]
- Channegowda, J.; Pathipati, V.K.; Williamson, S.S. Comprehensive review and comparison of DC fast charging converter topologies: Improving electric vehicle plug-to-wheels efficiency. In Proceedings of the 2015 IEEE 24th International Symposium on Industrial Electronics (ISIE), Buzios, Brazil, 3–5 June 2015; pp. 263–268. [Google Scholar]
- Whitaker, B.; Barkley, A.; Cole, Z.; Passmore, B.; Martin, D.; McNutt, T.R.; Lostetter, A.B.; Lee, J.S.; Shiozaki, K. A High-Density, High-Efficiency, Isolated On-Board Vehicle Battery Charger Utilizing Silicon Carbide Power Devices. IEEE Trans. Power Electron. 2014, 29, 2606–2617. [Google Scholar] [CrossRef]
- Gautam, D.; Musavi, F.; Edington, M.; Eberle, W.; Dunford, W.G. An automotive on-board 3.3 kW battery charger for PHEV application. In Proceedings of the 2011 IEEE Vehicle Power and Propulsion Conference, Chicago, IL, USA, 6–9 September 2011; pp. 1–6. [Google Scholar]
- Jones, E.A.; Wang, F.F.; Costinett, D. Review of Commercial GaN Power Devices and GaN-Based Converter Design Challenges. IEEE J. Emerg. Sel. Top. Power Electron. 2016, 4, 707–719. [Google Scholar] [CrossRef]
- Liu, Z.; Li, B.; Lee, F.C.; Li, Q. High-Efficiency High-Density Critical Mode Rectifier/Inverter for WBG-Device-Based On-Board Charger. IEEE Trans. Ind. Electron. 2017, 64, 9114–9123. [Google Scholar] [CrossRef]
- Lucia, O.; Sarnago, H.; Burdio, J.M. Design of power converters for induction heating applications taking advantage of wide-bandgap semiconductors. COMPEL Int. J. Comput. Math. Electr. Electron. Eng. 2017, 36, 483–488. [Google Scholar] [CrossRef]
- Nel, B.J.; Perinpanayagam, S. A Brief Overview of SiC MOSFET Failure Modes and Design Reliability. Procedia CIRP 2017, 59, 280–285. [Google Scholar] [CrossRef]
- Chin, H.S.; Cheong, K.Y.; Ismail, A.B. A Review on Die Attach Materials for SiC-Based High-Temperature Power Devices. Metall. Mater. Trans. B 2010, 41, 824–832. [Google Scholar] [CrossRef]
- Yole Development SA. SiC Technologies Adoption Is Going to Accelerate with a Tipping Point in 2019. Available online: http://www.yole.fr/iso_upload/News/2017/PR_SILICON_CARBIDE_MarketStatus_YOLE_Aug2017.pdf (accessed on 22 April 2019).
- Pittini, R.; Zhang, Z.; Andersen, M.A.E. Switching performance evaluation of commercial SiC power devices (SiC JFET and SiC MOSFET) in relation to the gate driver complexity. In Proceedings of the 2013 IEEE ECCE Asia Downunder, Melbourne, VIC, Australia, 3–6 June 2013; pp. 233–239. [Google Scholar]
- Yin, S.; Tseng, K.J.; Simanjorang, R.; Tu, P. Experimental Comparison of High-Speed Gate Driver Design for 1.2-kV/120-A Si IGBT and SiC MOSFET Modules. IET Power Electron. 2017, 10, 979–986. [Google Scholar] [CrossRef]
- Biela, J.; Schweizer, M.; Waffler, S.; Kolar, J.W. SiC versus Si; Evaluation of Potentials for Performance Improvement of Inverter and DC–DC Converter Systems by SiC Power Semiconductors. IEEE Trans. Ind. Electron. 2011, 58, 2872–2882. [Google Scholar] [CrossRef]
- Liu, Z.; Huang, X.; Lee, F.C.; Li, Q. Package Parasitic Inductance Extraction and Simulation Model Development for the High-Voltage Cascode GaN HEMT. IEEE Trans. Power Electron. 2014, 29, 1977–1985. [Google Scholar] [CrossRef]
- Lu, J.; Tian, Q.; Bai, K.; Brown, A.; McAmmond, M. An indirect matrix converter based 97%-efficiency on-board level 2 battery charger using E-mode GaN HEMTs. In Proceedings of the 2015 IEEE 3rd Workshop on Wide Bandgap Power Devices and Applications (WiPDA), Blacksburg, VA, USA, 2–4 November 2015; pp. 351–358. [Google Scholar]
- Kukiyi ZT Power Semiconductors and the New Darling of the 5G-GaN and SiC; Super Base Camp Military Forum: USA, 2018; pp. 1–14.
- Tofoli, F.L.; Pereira, D.d.C.; de Paula, W.J.; Júnior, D.d.S.O. Survey on non-isolated high-voltage step-up dc-dc topologies based on the boost converter. IET Power Electron. 2015, 8, 2044–2057. [Google Scholar] [CrossRef]
- Li, W.; He, X. Review of Nonisolated High-Step-Up DC/DC Converters in Photovoltaic Grid-Connected Applications. IEEE Trans. Ind. Electron. 2011, 58, 1239–1250. [Google Scholar] [CrossRef]
- Dreher, J.R.; Marangoni, F.; Ortiz, J.L.; Martins, M.D.; Câmara, H.T. Integrated DC/DC converters for high step-up voltage gain applications. In Proceedings of the 2012 15th International Power Electronics and Motion Control Conference (EPE/PEMC), Novi Sad, Serbia, 4–6 September 2012. [Google Scholar]
- Hysam, M.A.A.; Haque, M.Z.U.; Saifullah, K.; Asif, S.; Sarowar, G. New topologies of Cuk PFC converter with switched capacitor for low power applications. In Proceedings of the 2017 IEEE Region 10 Humanitarian Technology Conference (R10-HTC), Dhaka, Bangladesh, 21–23 December 2017; pp. 620–623. [Google Scholar]
- Chakraborty, S.; Reza, S.M.S.; Hasan, W. Design and analysis of hybrid solar-wind energy system using CUK & SEPIC converters for grid connected inverter application. In Proceedings of the 2015 IEEE 11th International Conference on Power Electronics and Drive Systems, Sydney, Australia, June 2015; pp. 278–283. [Google Scholar]
- Deepak, R.; Pachauri, K.; Chauhan, Y.K. Modeling and simulation analysis of PV fed Cuk, Sepic, Zeta and Luo DC-DC converter. In Proceedings of the 2016 IEEE 1st International Conference on Power Electronics, Intelligent Control and Energy Systems (ICPEICES), Delhi, India, 4–6 July 2016; pp. 1–6. [Google Scholar]
- Qiao, H.; Zhang, Y.; Yao, Y.; Wei, L. Analysis of Buck-Boost Converters for Fuel Cell Electric Vehicles. In Proceedings of the 2006 IEEE International Conference on Vehicular Electronics and Safety, Shanghai, China, 13–15 December 2006; pp. 109–113. [Google Scholar]
- Mirzaei, A.; Jusoh, A.; Salam, Z.; Adib, E.; Farzanehfard, H. Analysis and design of a high efficiency bidirectional DC–DC converter for battery and ultracapacitor applications. Simul. Model. Pract. Theory 2011, 19, 1651–1667. [Google Scholar] [CrossRef]
- Fernão Pires, V.; Romero-Cadaval, E.; Vinnikov, D.; Roasto, I.; Martins, J.F. Power converter interfaces for electrochemical energy storage systems—A review. Energy Convers. Manag. 2014, 86, 453–475. [Google Scholar] [CrossRef]
- Borg, J.; Johansson, J. An Ultrasonic Transducer Interface IC With Integrated Push-Pull 40 Vpp, 400 mA Current Output, 8-bit DAC and Integrated HV Multiplexer. IEEE J. Solid-State Circuits 2011, 46, 475–484. [Google Scholar] [CrossRef]
- Bloom, E. Core selection for & design aspects of an integrated-magnetic forward converter. In Proceedings of the 1986 IEEE Applied Power Electronics Conference and Exposition, New Orleans, LA, USA, 1–28 May 1986; pp. 141–150. [Google Scholar]
- Venkatesan, K. Current mode controlled bidirectional flyback converter. In Proceedings of the 20th Annual IEEE Power Electronics Specialists Conference, Milwaukee, WI, USA, 26–29 June 1989; pp. 835–842. [Google Scholar]
- Kazimierczuk, M.K. Pulse-width Modulated DC-DC Power Converters; Wiley: Hoboken, NJ, USA, 2008; ISBN 9780470773017. [Google Scholar]
- Rashid, M.H. Power Electronics Handbook; Elsevier: Amsterdam, The Netherlands, 2009; ISBN 9780128114070. [Google Scholar]
- Corcau, J.I.; Dinca, L. Experimental tests regarding the functionality of a DC to DC Boost Converter. In Proceedings of the 2014 International Symposium on Power Electronics, Electrical Drives, Automation and Motion, Ischia, Italy, 18–20 June 2014; pp. 579–582. [Google Scholar]
- Wu, T.F.; Lai, Y.S.; Hung, J.C.; Chen, Y.M. Boost Converter With Coupled Inductors and Buck Boost Type of Active Clamp. IEEE Trans. Ind. Electron. 2008, 55, 154–162. [Google Scholar] [CrossRef]
- Blooming, T.M.; Carnovale, D.J. Application of IEEE STD 519-1992 Harmonic Limits. In Proceedings of the Conference Record of 2006 Annual Pulp and Paper Industry Technical Conference, Appleton, WI, USA, 18–23 June 2006; pp. 1–9. [Google Scholar]
- Bronstein, S.; Ben-Yaakov, S. Design considerations for achieving ZVS in a half bridge inverter that drives a piezoelectric transformer with no series inductor. In Proceedings of the 33rd Annual IEEE Power Electronics Specialists Conference, Cairns, Australia, 23–27 June 2002. [Google Scholar]
- Jeon, S.-J.; Cho, G.-H. A zero-voltage and zero-current switching full bridge DC-DC converter with transformer isolation. IEEE Trans. Power Electron. 2001, 16, 573–580. [Google Scholar] [CrossRef]
- Cho, J.-G.; Baek, J.-W.; Jeong, C.-Y.; Rim, G.-H. Novel zero-voltage and zero-current-switching full-bridge PWM converter using a simple auxiliary circuit. IEEE Trans. Ind. Appl. 1999, 35, 15–20. [Google Scholar]
- Hamada, S.; Gamage, L.; Morimoto, T.; Nakaoka, M. A novel zero-voltage and zero-current soft-switching PWM DC-DC converter with reduced conduction losses. In Proceedings of the APEC 2000. Fifteenth Annual IEEE Applied Power Electronics Conference and Exposition (Cat. No.00CH37058), New Orleans, LA, USA, 6–10 February 2000; pp. 741–747. [Google Scholar]
- Cantrell, W.H.; Davis, W.A. Amplitude modulator utilizing a high-Q Class-E DC-DC converter. In Proceedings of the IEEE MTT-S International Microwave Symposium Digest, Philadelphia, PA, USA, 8–13 June 2003; pp. 1721–1724. [Google Scholar]
- Li, X.; Bhat, A.K.S. Analysis and Design of High-Frequency Isolated Dual-Bridge Series Resonant DC/DC Converter. IEEE Trans. Power Electron. 2010, 25, 850–862. [Google Scholar]
- Zhao, C.; Round, S.D.; Kolar, J.W. An Isolated Three-Port Bidirectional DC-DC Converter With Decoupled Power Flow Management. IEEE Trans. Power Electron. 2008, 23, 2443–2453. [Google Scholar] [CrossRef]
- Zeng, J.; Qiao, W.; Qu, L.; Jiao, Y. An Isolated Multiport DC/DC Converter for Simultaneous Power Management of Multiple Different Renewable Energy Sources. IEEE J. Emerg. Sel. Top. Power Electron. 2014, 2, 70–78. [Google Scholar] [CrossRef]
- EU Horizon 2020 Project: HIFI_ELEMENTS. Available online: https://www.hifi-elements.eu/hifi/ (accessed on 1 January 2019).
- Farakhor, A. Non-isolated multi-input–single-output DC/DC converter for photovoltaic power generation systems. IET Power Electron. 2014, 7, 2806–2816. [Google Scholar]
- Wu, H.; Xing, Y.; Xia, Y.; Sun, K. A family of non-isolated three-port converters for stand-alone renewable power system. In Proceedings of the IECON 2011—7th Annual Conference of the IEEE Industrial Electronics Society, Melbourne, VIC, Australia, 7–10 November 2011; pp. 1030–1035. [Google Scholar]
- Wu, H.; Sun, K.; Ding, S.; Xing, Y. Topology Derivation of Nonisolated Three-Port DC/DC Converters From DIC and DOC. IEEE Trans. Power Electron. 2013, 28, 3297–3307. [Google Scholar] [CrossRef]
- Nahavandi, A.; Hagh, M.T.; Sharifian, M.B.B.; Danyali, S. A Nonisolated Multiinput Multioutput DC/DC Boost Converter for Electric Vehicle Applications. IEEE Trans. Power Electron. 2015, 30, 1818–1835. [Google Scholar] [CrossRef]
- Chakraborty, S.; Annie, S.I.; Razzak, M.A. Design of single-stage buck and boost converters for photovoltaic inverter applications. In Proceedings of the 2014 International Conference on Informatics, Electronics & Vision (ICIEV), Dhaka, Bangladesh, 23–24 May 2014; pp. 1–6. [Google Scholar]
- Chakraborty, S.; Razzak, M.A. Design of a Transformer-less Grid-Tie Inverter Using Dual-Stage Buck and Boost Converters. Int. J. Renew. Energy Res. 2014, 4, 91–98. [Google Scholar]
- Rama, S.R. Fundamental of Power Electronics; CRC Press: New York, NY, USA, 2000; ISBN 0-8493-0934-4. [Google Scholar]
- Park, S.H.; Park, S.R.; Yu, J.S.; Jung, Y.C.; Won, C.Y. Analysis and Design of a Soft-Switching Boost Converter With an HI-Bridge Auxiliary Resonant Circuit. IEEE Trans. Power Electron. 2010, 25, 2142–2149. [Google Scholar] [CrossRef]
- Zhang, X.; Qian, W.; Li, Z. Design and Analysis of a Novel ZVZCT Boost Converter With Coupling Effect. IEEE Trans. Power Electron. 2017, 32, 8992–9000. [Google Scholar] [CrossRef]
- Han, D.W.; Lee, H.J.; Shin, S.C.; Kim, J.G.; Jung, Y.C.; Won, C.Y. A new soft switching ZVT boost converter using auxiliary resonant circuit. In Proceedings of the 2012 IEEE Vehicle Power and Propulsion Conference, Seoul, Korea, 9–12 October 2012; pp. 1250–1255. [Google Scholar]
- Choi, H. Design Considerations for Asymmetric Half-Bridge Converters; Fairchlid Semiconductor seminar: Phoenix, AZ, USA, 2009. [Google Scholar]
- Garrigós, A.; Sobrino-Manzanares, F. Interleaved multi-phase and multi-switch boost converter for fuel cell applications. Int. J. Hydrogen Energy 2015, 40, 8419–8432. [Google Scholar] [CrossRef]
- Sobrino-Manzanares, F.; Garrigós, A. An interleaved, FPGA-controlled, multi-phase and multi-switch synchronous boost converter for fuel cell applications. Int. J. Hydrogen Energy 2015, 40, 12447–12456. [Google Scholar] [CrossRef]
- Priya, M.S.; Balasubramanian, R. Analysis of multidevice interleaved boost converter for high power applications. In Proceedings of the 2014 International Conference on Circuits, Power and Computing Technologies [ICCPCT-2014], Nagercoil, India, 20–21 March 2014; pp. 320–327. [Google Scholar]
- Bai, S.; Lukic, S.M. Unified Active Filter and Energy Storage System for an MW Electric Vehicle Charging Station. IEEE Trans. Power Electron. 2013, 28, 5793–5803. [Google Scholar] [CrossRef]
- Rivera, S.; Wu, B.; Jiacheng, W.; Athab, H.; Kouro, S. Electric vehicle charging station using a neutral point clamped converter with bipolar DC bus and voltage balancing circuit. In Proceedings of the IECON 2013—39th Annual Conference of the IEEE Industrial Electronics Society, Vienna, Austria, 10–13 November 2013; pp. 6219–6226. [Google Scholar]
- Bai, S.; Lukic, S. Design considerations for DC charging station for plug-in vehicles. In Proceedings of the 2011 IEEE Vehicle Power and Propulsion Conference, Chicago, IL, USA, 6–9 September 2011; pp. 1–6. [Google Scholar]
- Kwasinski, A. Quantitative Evaluation of DC Microgrids Availability: Effects of System Architecture and Converter Topology Design Choices. IEEE Trans. Power Electron. 2011, 26, 835–851. [Google Scholar] [CrossRef]
- Shtessel, Y.; Baev, S.; Biglari, H. Unity Power Factor Control in Three-Phase AC/DC Boost Converter Using Sliding Modes. IEEE Trans. Ind. Electron. 2008, 55, 3874–3882. [Google Scholar] [CrossRef]
- Bhat, A.H.; Agarwal, P. A Comparative Evaluation of Three-Phase High Power Factor Boost Converters for Power Quality Improvement. In Proceedings of the 2006 IEEE International Conference on Industrial Technology, Mumbai, India, 15–17 December 2006; pp. 546–551. [Google Scholar]
- da S Vilela, M.; Vilela, J.A.; de Freitas, L.C.; Coelho, E.A.A.; Vieira, J.B.; de Farias, V.J. Proposal of a hysteresis control technique with almost constant frequency applied to the three phase boost converter. In Proceedings of the 2003 IEEE International Symposium on Industrial Electronics (Cat. No.03TH8692), Rio de Janeiro, Brazil, 9–11 June 2003; pp. 980–987. [Google Scholar]
- Malinowski, M.; Jasinski, M.; Kazmierkowski, M.P. Simple Direct Power Control of Three-Phase PWM Rectifier Using Space-Vector Modulation (DPC-SVM). IEEE Trans. Ind. Electron. 2004, 51, 447–454. [Google Scholar] [CrossRef]
- Chongming Qiao; Keyue Ma Smedley Three-phase unity-power-factor star-connected switch (vienna) rectifier with unified constant-frequency integration control. IEEE Trans. Power Electron. 2003, 18, 952–957. [CrossRef]
- Esteki, M.; Poorali, B.; Adib, E.; Farzanehfard, H. Interleaved Buck Converter With Continuous Input Current, Extremely Low Output Current Ripple, Low Switching Losses, and Improved Step-Down Conversion Ratio. IEEE Trans. Ind. Electron. 2015, 62, 4769–4776. [Google Scholar] [CrossRef]
- Lee, I.O.; Cho, S.Y.; Moon, G.-W. Interleaved Buck Converter Having Low Switching Losses and Improved Step-Down Conversion Ratio. IEEE Trans. Power Electron. 2012, 27, 3664–3675. [Google Scholar] [CrossRef]
- Repecho, V.; Biel, D.; Ramos-Lara, R.; Vega, P.G. Fixed-Switching Frequency Interleaved Sliding Mode Eight-Phase Synchronous Buck Converter. IEEE Trans. Power Electron. 2018, 33, 676–688. [Google Scholar] [CrossRef]
- Zhang, J.; Liu, J.; Yang, J.; Zhao, N.; Wang, Y.; Zheng, T.Q. A Modified DC Power Electronic Transformer Based on Series Connection of Full-Bridge Converters. IEEE Trans. Power Electron. 2019, 34, 2119–2133. [Google Scholar] [CrossRef]
- Sun, W.; Xing, Y.; Wu, H.; Ding, J. Modified High-efficiency LLC Converters with Two Split Resonant Branches for Wide Input-Voltage Range Applications. IEEE Trans. Power Electron. 2017, 33, 7867–7879. [Google Scholar] [CrossRef]
- Vu, H.N.; Choi, W. A Novel Dual Full-Bridge LLC Resonant Converter for CC and CV Charges of Batteries for Electric Vehicles. IEEE Trans. Ind. Electron. 2018, 65, 2212–2225. [Google Scholar] [CrossRef]
- Tran, D.D.; Vu, H.N.; Yu, S.; Choi, W. A Novel Soft-Switching Full-Bridge Converter With a Combination of a Secondary Switch and a Nondissipative Snubber. IEEE Trans. Power Electron. 2018, 33, 1440–1452. [Google Scholar] [CrossRef]
- Vu, H.N.; Tran, D.D.; Choi, W. A novel hybrid soft switching full-bridge PWM and full-bridge LLC converter for on-board battery charger applications. In Proceedings of the 2016 IEEE 8th International Power Electronics and Motion Control Conference (IPEMC-ECCE Asia), Hefei, China, 22–26 May 2016; pp. 2470–2473. [Google Scholar]
- Shih, L.C.; Liu, Y.H.; Chiu, H.J. A novel hybrid mode control for phase-shift full bridge converter featuring high efficiency over full load range. IEEE Trans. Power Electron. 2018, 34, 2794–2804. [Google Scholar] [CrossRef]
- Shi, K.; Zhang, D.; Gu, Y. Interleaved current-driven phase-shift full-bridge converter with magnetic integration and voltage doubler rectifiers. IEEE Trans. Power Electron. 2017, 1. [Google Scholar] [CrossRef]
- Zhu, J.; Qian, Q.; Lu, S.; Sun, W.; Tian, H. A Phase-shift Triple Full-bridge Converter with Three Shared Leading-legs. IEEE J. Emerg. Sel. Top. Power Electron. 2017, 6, 1912–1920. [Google Scholar] [CrossRef]
- Tran, D.; Vu, N.; Choi, W. A Quasi-Resonant ZVZCS Phase-Shifted Full-Bridge Converter with an Active Clamp in the Secondary Side. Energies 2018, 11, 2868. [Google Scholar] [CrossRef]
- U.S. Department of Energy Electrical and Electronics Technical Team Roadmap. U.S. DRIVE (Driving Res. Innov. Veh. Effic. Energy Sustain. Partnersh. 2017, 9, 2868.
- Costinett, D.; Maksimovic, D.; Zane, R.; Rodríguez, A.; Vázquez, A. Comparison of reverse recovery behavior of silicon and wide bandgap diodes in high frequency power converters. In Proceedings of the 2013 IEEE 14th Workshop on Control and Modeling for Power Electronics (COMPEL), Salt Lake City, UT, USA, 23–26 June 2013; pp. 1–8. [Google Scholar]
- Rocneanu, A.C.; Power, B.D.M.; Semiconductor, R. A 10 kW 3 Level UPS Inverter Utilizing a Full SiC Module Solution to Achieve High Efficiency and Reduce Size and Weight. Available online: http://www.mynewsdesk.com/blog_posts/a-10kw-3-level-ups-inverter-utilizing-a-full-sic-module-solution-to-achieve-high-efficiency-and-reduce-size-and-weight-36884 (accessed on 22 April 2019).
- Baliga, B.J. Wide Bandgap Semiconductor Power Devices; Elsevier, Woodhead Publishing: Sawston, Cambridge, UK, 2018; ISBN 9780081023068. [Google Scholar]
- Bhattacharya, P.; Fornari, R.; Kamimura, H. Comprehensive Semiconductor Science and Technology, 1st ed.; Elsevier: Amsterdam, The Netherlands, 2011; ISBN 9780444531537. [Google Scholar]
- Chennu, J.V.P.S.; Maheshwari, R.; Li, H. New Resonant Gate Driver Circuit for High-Frequency Application of Silicon Carbide MOSFETs. IEEE Trans. Ind. Electron. 2017, 64, 8277–8287. [Google Scholar] [CrossRef]
- Sarnago, H.; Lucía, Ó.; Mediano, A.; Burdío, J.M. Design and Implementation of a High-Efficiency Multiple-Output Resonant Converter for Induction Heating Applications Featuring Wide Bandgap Devices. IEEE Trans. Power Electron. 2014, 29, 2539–2549. [Google Scholar] [CrossRef]
- Elasser, A.; Chow, T.P. Silicon carbide benefits and advantages for power electronics circuits and systems. Proc. IEEE 2002, 90, 969–986. [Google Scholar] [CrossRef]
- Wu, Y.; Jacob-Mitos, M.; Moore, M.L.; Heikman, S. A 97.8% Efficient GaN HEMT Boost Converter With 300-W Output Power at 1 MHz. IEEE Electron Device Lett. 2008, 29, 824–826. [Google Scholar] [CrossRef]
- Millán, J.; Godignon, P.; Perpiñà, X.; Pérez-Tomás, A.; Rebollo, J. A Survey of Wide Bandgap Power Semiconductor Devices. IEEE Trans. Power Electron. 2014, 29, 2155–2163. [Google Scholar] [CrossRef]
- Kitamura, T.; Yamada, M.; Harada, S.; Koyama, M. Development of High-Power Density Interleaved dc/dc Converter with SiC Devices. Electr. Eng. Japan 2016, 196, 22–29. [Google Scholar] [CrossRef]
- Gurpinar, E.; Castellazzi, A. Single-Phase T-Type Inverter Performance Benchmark Using Si IGBTs, SiC MOSFETs, and GaN HEMTs. IEEE Trans. Power Electron. 2016, 31, 7148–7160. [Google Scholar] [CrossRef]
- Gaska, R.; Chen, Q.; Yang, J.; Osinsky, A.; Khan, M.A.; Shur, M.S. High-temperature performance of AlGaN/GaN HFETs on SiC substrates. IEEE Electron Device Lett. 1997, 18, 492–494. [Google Scholar] [CrossRef]
- Perreault, D.J.; Hu, J.; Rivas, J.M.; Han, Y.; Leitermann, O.; Pilawa-Podgurski, R.C.N.; Sagneri, A.; Sullivan, C.R. Opportunities and Challenges in Very High Frequency Power Conversion. In Proceedings of the 2009 Twenty-Fourth Annual IEEE Applied Power Electronics Conference and Exposition, Washington DC, USA, 15–19 February 2009; pp. 1–14. [Google Scholar]
- Hazucha, P.; Schrom, G.; Hahn, J.; Bloechel, B.A.; Hack, P.; Dermer, G.E.; Narendra, S.; Gardner, D.; Karnik, T.; De, V.; et al. A 233-MHz 80%-87% efficient four-phase DC-DC converter utilizing air-core inductors on package. IEEE J. Solid-State Circuits 2005, 40, 838–845. [Google Scholar] [CrossRef]
- Hashimoto, T.; Shiraishi, M.; Akiyama, N.; Kawashima, T.; Uno, T.; Matsuura, N. System in Package (SiP) With Reduced Parasitic Inductance for Future Voltage Regulator. IEEE Trans. Power Electron. 2009, 24, 1547–1553. [Google Scholar] [CrossRef]
- IGBT Datasheet. SEMiX202GB12T4s SEMiX202GB12T4s; Semikron: Nuremberg, Germany, 2008; pp. 1–8. [Google Scholar]
- SiC Datasheet. SKM200GB12T4SiC2 SKM200GB12T4SiC2 Electronic Welders; Semikron: Nuremberg, Germany, 2016; pp. 1–5. [Google Scholar]
- Anneal, L.F.; Anneal, N.; Anneal, T.F. Powerlite Megtglas C-core; Hitachi Metals America Ltd.: Arlington, VA, USA, 2011. [Google Scholar]
- Chakraborty, S.; Hasan, M.M.; Worighi, I.; Hegazy, O.; Razzak, M.A. Performance Evaluation of a PID-Controlled Synchronous Buck Converter Based Battery Charging Controller for Solar-Powered Lighting System in a Fishing Trawler. Energies 2018, 11, 2722. [Google Scholar] [CrossRef]
- Mahmoud, M.; Garnett, R.; Ferguson, M.; Kanaroglou, P. Electric buses: A review of alternative powertrains. Renew. Sustain. Energy Rev. 2016, 62, 673–684. [Google Scholar] [CrossRef]
- Palmer, P.; Zhang, X.; Shelton, E.; Zhang, T.; Zhang, J. An experimental comparison of GaN, SiC and Si switching power devices. In Proceedings of the IECON 2017—43rd Annual Conference of the IEEE Industrial Electronics Society, Beijing, China, 1–29 November 2017; pp. 780–785. [Google Scholar]
- Masson, G.M.B. Snapshot of Global Photovoltaic Markets. Available online: http://www.iea-pvps.org/fileadmin/dam/public/report/statistics/IEA-PVPS_-_A_Snapshot_of_Global_PV_-_1992-2017.pdf (accessed on 22 April 2019).
- Yole Développement from Technologies to Market Power SiC 2016: Materials, Devices and Applications; Yole Developpement SA: Lyon, France, 2016.
- Rosina, M. GaN and SiC Power Device: Market Overview Remaining Challenges. In Proceedings of the Semicon Europa, Munich, Germany, 13–16 November 2018. [Google Scholar]
- Yole Développement From Technologies to Market Trends in Automotive Packaging 2018; Yole Developpement SA: Lyon, France, 2018.
- Amano, H.; Baines, Y.; Beam, E.; Borga, M.; Bouchet, T.; Chalker, P.R.; Charles, M.; Chen, K.J.; Chowdhury, N.; Chu, R.; et al. The 2018 GaN power electronics roadmap. J. Phys. D. Appl. Phys. 2018, 51, 163001. [Google Scholar] [CrossRef]
- Yole Développement Power Electronics for Ev/Hev 2018; Yole Developpement SA: Lyon, France, 2018.
- Tran, D.; Chakraborty, S.; Lan, Y.; Van Mierlo, J.; Hegazy, O. Optimized Multiport DC/DC Converter for Vehicle Drivetrains: Topology and Design Optimization. Appl. Sci. 2018, 8, 1351. [Google Scholar] [CrossRef]
- Pan, L.; Zhang, C. An integrated multifunctional bidirectional AC/DC and DC/DC converter for electric vehicles applications. Energies 2016, 9, 493. [Google Scholar] [CrossRef]
- Wang, H.; Ma, K.; Blaabjerg, F. Design for reliability of power electronic systems. In Proceedings of the IECON 2012—38th Annual Conference on IEEE Industrial Electronics Society, Montreal, QC, Canada, 25–28 October 2012; pp. 33–44. [Google Scholar]






























| Characteristics | Battery EVs | Plug-in Hybrid EVs | Fuel Cell EVs |
|---|---|---|---|
| GHG Emissions [8,9] | Zero emissions | Less emissions | Ultra-low emissions |
| Energy System [10] | Battery and supercapacitor | Battery, supercapacitor and fuel | Fuel cells and battery or supercapacitor for starting |
| Battery cost [11] | Between USD 125 to USD 215/kWh | Approximately USD 100/kWh | NA |
| Battery capacity [12] | 30 kWh batteries give an average of 0.15 kWh/km. | 8 kWh batteries provide an average of 0.2 kWh/km. | NA |
| Initial Cost [9,11,13] | High cost | Lower than BEV and FCEVs | High cost |
| Driving range [14] | Typically from 125 to 150 km | Similar to ICE only for cars | Satisfied driving range |
| Major challenges [10] | Battery management and lifetime | Multiple sources control, energy management and optimization | Fuel cells, reliability, lifetime and infrastructure |
| Characteristics | Battery | Supercapacitor | Fuel Cell |
|---|---|---|---|
| Power density (W/Kg) [18,35] | 100–3500 | >4000 | ≈1600 |
| Energy density (Wh/kg) [18,35] | High, 8–200 | Low, 1–5 | Very high, 400 |
| Operation Temperature (°C) [18,35] | 0 to 45 | −40 to 65 | −35 to 40 |
| Cost per kWh [26,36] | $125–$215 (large system) | $10,000 (typical) | $17,000 (typical) |
| Dynamic response [37,38,39] | Medium | Very Fast | Slow |
| Life time (cycles) [26,35] | 150–500 | >100k | 2000–4000 |
| Efficiency [33,38] | 90% at low loads and 50% at high loads | 95% at high loads | 50% at rated power |
| Maintenance [35] | Low, batteries only need to be replaced in vehicle lifetime | Not required | The reservoir needs a routine check-up |
| Failure chance [35,40] | Unpredictable | Predictable | Predictable |
| Symbols | Actual Meaning | BC | IBC | BCRC | FBC | ZVSC | SAHVC | MPC | MDIBC |
|---|---|---|---|---|---|---|---|---|---|
| Vin | Input Voltage (V) | 200 | 200 | 150 | 200 | 100 | 100 | 288, 48 | 250, 200 |
| Vout | Output Voltage (V) | 400 | 400 | 380 | 400 | 300 | 200 | 400 | 400 |
| fsw | Switching Frequency (kHz) | 20 | 20 | 30 | 40 | 20 | 1000 | 20 | 20 |
| ILmax | Inductor Current (A) | 250 | 250 | 7.5 | 75 | - | - | - | 100 |
| ΔILmax | Inductor current ripple (5% of ILmax) (A) | 12.5 | 12.5 | 0.75 | 3.75 | - | - | - | 10 |
| ΔVout | Output Voltage Ripple (1% of Vout) (V) | 4 | 4 | 4 | 4 | 3 | - | - | 4 |
| N | Number of Phase | 1 | 4 | 1 | 1 | 1 | 1 | - | 3 |
| n | Turns ratio | - | - | - | 1:2 | 1:3 | 1:2 | 1:2 | - |
| Po | Output Power (kW) | 30 | 30 | 5 | 30 | 1.6 | 2 | 30 | 30 |
| D | Maximum Duty Cycle | 0.50 | 0.50 | 0.50 | 0.50 | 0.35 | 0.50 | - | 0.50 |
| L | Inductor (µH) | 400 | 100 | 6670 | 1200 | 0.56 | - | 175 | 187.5, 160 |
| C | Capacitor (µF) | 780 | 195 | 25 | 14.64 | 10 | - | 150 | 160 |
| Symbols | Actual Meaning | Value |
|---|---|---|
| VinB | Battery Input Voltage | 200 V |
| VinSC | UC Input Voltage | 250 V |
| Vout | Output Voltage | 400 V |
| Nph | Number of phases | 3 |
| Pout | Output Power | 30 kW |
| fsw | Switching frequency span | 20–80 kHz |
| Equations | Meaning of Losses | Equ. No |
|---|---|---|
| Semiconductor loss | (26) | |
| Diode loss | (27) | |
| Conduction loss | (28) | |
| Core loss | (29) | |
| Total loss of converter | (30) | |
| Converter efficiency | (31) |
| Features | BC | IBC | BCRC | FBC | ZVSC | SAHVC | MPC | MDIBC |
|---|---|---|---|---|---|---|---|---|
| Single polarity output voltage | Present | Present | Present | Not present | Not present | Not present | Not present | Not present |
| Complexity of control circuit | Simplest | Simple | Moderate | Moderate | Complex | Complex | Complex | Complex |
| High power conversion | Suitable | Suitable | Not suitable | Suitable | Not Suitable | Not Suitable | Suitable | Suitable |
| Current/Voltage ripple | High | High | High | High | Moderate | Moderate | Low | Low |
| EMI suppression | Easy | Decreased | Decreased | Required | Decreased | Decreased | Required | Decreased |
| Switching frequency | Low | Low | Low | Moderate | Low | High | Low | Low |
| Multiple input port | Absent | Absent | Absent | Absent | Absent | Absent | Present | Present |
| Configuration | Components No. | Specification | Expected Cost | ||||||||
|---|---|---|---|---|---|---|---|---|---|---|---|
| Fig. No. | L | C | D | HFT | Sw No | Vo V | Vin V | V Gain (dB) | Isolation | ||
| BC | 3 | 1 | 1 | 1 | 0 | 1 | 400 | 200 | 6.02 | No | Low |
| IBC | 4 | 4 | 1 | 4 | 0 | 4 | 400 | 200 | 6.02 | No | Moderate |
| BCRC | 5 | 2 | 3 | 2 | 0 | 2 | 280 | 150 | 5.42 | No | Low |
| FBC | 6 | 1 | 1 | 4 | 1 | 4 | 400 | 200 | 6.02 | No | Moderate |
| ZVSC | 7 | 1 | 4 | 0 | 1 | 4 | 300 | 200 | 3.52 | Yes | Moderate |
| SAHVC | 8 | 0 | 3 | 0 | 1 * | 6 | 650 | ~650 | - | Yes | High |
| MPC | 9 | 0 | 1 | 0 | 1 | 12 | 400 | 250, 200 | 6.02 | Yes | High |
| MDIBC | 10 | 6 | 1 | 12 | 0 | 6 | 400 | 250, 200 | 6.02 | No | Moderate |
| Topology | Advantages | Disadvantages | Components List |
|---|---|---|---|
| BC |
|
|
|
| IBC |
|
|
|
| BCRC |
|
|
|
| FBC |
|
|
|
| ZVSC |
|
|
|
| SAHVC |
|
|
|
| MPC |
|
|
|
| MDIBC |
|
|
|
| Stage | Topology | Advantages | Disadvantages | Components List |
|---|---|---|---|---|
| AC-DC Stage converter | 3-level 3-phase NPC |
|
|
|
| 3-phase bridgeless boost converter |
|
|
| |
| 3-phase Vienna rectifier |
|
|
| |
| DC-DC Stage converter | Multiple interleaved buck converters |
|
|
|
| Full-Bridge LLC resonant converter |
|
|
| |
| Phase-shifted Full-Bridge converter |
|
|
|
© 2019 by the authors. Licensee MDPI, Basel, Switzerland. This article is an open access article distributed under the terms and conditions of the Creative Commons Attribution (CC BY) license (http://creativecommons.org/licenses/by/4.0/).
Share and Cite
Chakraborty, S.; Vu, H.-N.; Hasan, M.M.; Tran, D.-D.; Baghdadi, M.E.; Hegazy, O. DC-DC Converter Topologies for Electric Vehicles, Plug-in Hybrid Electric Vehicles and Fast Charging Stations: State of the Art and Future Trends. Energies 2019, 12, 1569. https://doi.org/10.3390/en12081569
Chakraborty S, Vu H-N, Hasan MM, Tran D-D, Baghdadi ME, Hegazy O. DC-DC Converter Topologies for Electric Vehicles, Plug-in Hybrid Electric Vehicles and Fast Charging Stations: State of the Art and Future Trends. Energies. 2019; 12(8):1569. https://doi.org/10.3390/en12081569
Chicago/Turabian StyleChakraborty, Sajib, Hai-Nam Vu, Mohammed Mahedi Hasan, Dai-Duong Tran, Mohamed El Baghdadi, and Omar Hegazy. 2019. "DC-DC Converter Topologies for Electric Vehicles, Plug-in Hybrid Electric Vehicles and Fast Charging Stations: State of the Art and Future Trends" Energies 12, no. 8: 1569. https://doi.org/10.3390/en12081569
APA StyleChakraborty, S., Vu, H.-N., Hasan, M. M., Tran, D.-D., Baghdadi, M. E., & Hegazy, O. (2019). DC-DC Converter Topologies for Electric Vehicles, Plug-in Hybrid Electric Vehicles and Fast Charging Stations: State of the Art and Future Trends. Energies, 12(8), 1569. https://doi.org/10.3390/en12081569

