Implementation of a Microgrid Scheme Using a MVDC Connection between Gapado Island and Marado Island in South Korea
Abstract
:1. Introduction
2. Proposed System for Gapado Island and Marado Island
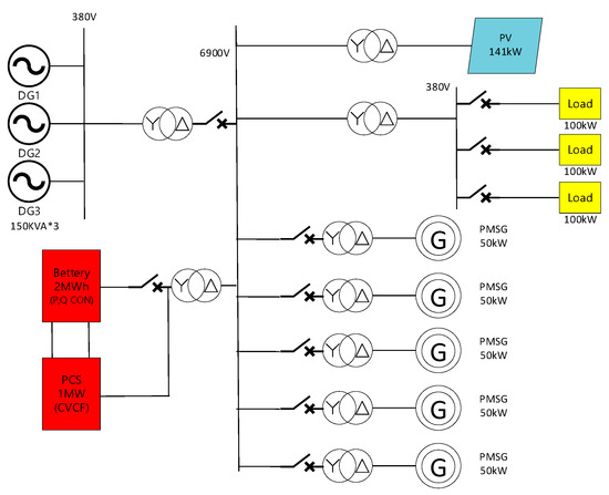
2.1. Gapado Island Power Grid
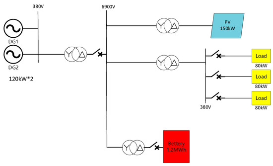
2.2. Marado Island Power Grid
2.3. MVDC Control
- Normal mode:Control voltage and frequency through active and reactive power output control of the grid.
- Emergency mode:If a diesel generator is dropped, it switches to CVCF mode and is forced to control the reference voltage (6.9 kV) and frequency (60 Hz). The MVDC is commanded to maintain maximum emergency mode until the diesel generator is able to operate normally.
3. Simulation Results
3.1. Simulation of the Existing Power System in Marado Island and Gapado Island
3.1.1. Marado Island Power Grid
3.1.2. Gapado Island Power Grid
3.2. Interpreting the Proposed Microgrid Computer
3.2.1. The Marado Island Power Grid
3.2.2. The Gapado Island Power Grid
3.2.3. Microgrid According to the Proposed MVDC Links
Scenario 1: PV penetration in Marado Island and Gapado Island
Scenario 2: Penetration of wind power generation on Gapado Island
Scenario 3: Marado Diesel Generator Outage
4. Conclusions
- (1)
- A stand-alone microgrid with a small-scale power system, is composed mostly of renewable generation facilities such as solar, wind power, and diesel generator. In this configuration, it can be confirmed that the system can be operated more stability than the existing operation scheme when the system is operated by spreading two islands with small system capacity with the MVDC.
- (2)
- It can be confirmed that the collapse of the power system can be prevented even when the renewable energy source or the main power source is penetrated or removed.
- (3)
- It is expected that if the isolated island adjacent to a large power system is operated in conjunction with MVDC, it will not only expand the penetration of distributed generation sources such as renewable energy, but also contribute to the stabilization of the power system.
Author Contributions
Funding
Acknowledgments
Conflicts of Interest
References
- Dujic, D.; Christe, A. Galvanically Isolated High Power Converters for Power Converters for MVDC Applications; ADCGS: Aachen, Germany, 2018; pp. 3–7. [Google Scholar]
- GE Power Conversion. Available online: https://www.gepowerconversion.com/press-releases/ge-supports-power-grids-future-europe%E2%80%99s-first-mvdc-link (accessed on 21 June 2017).
- Wan, K.D. A Study on the Improvement Scheme of Distributed Generation Facilities in Gapado Island Power Grid. Master’s Thesis, University of Jeju, Jeju City, Korea, 2014. [Google Scholar]
- Song, S.H.; Kwon, T.H. Firing angle control of soft starter for reduction of inrush current during grid connction of induction-type wind generator. Trans. KIEE 2005, 10, 397–402. [Google Scholar]
- Lee, J.H.; Shim, M.B.; Lee, H.Y.; Han, B.M.; Yang, S.C. Operational analysis of energy storage system to improve performance of wind power system with induction generator. Trans. KIEE 2009, 58, 1138–1145. [Google Scholar]
- Kim, D.W.; Ko, J.H.; Kim, S.H.; Kim, H.; Kim, E.H. Renewable energy configuration plan of micro grid in Gapa Island. Kisti 2014, 34, 16–23. [Google Scholar]
- Son, J.M.; Park, J.H.; Song, J.D. Independent Micro Grid Demonstration Site Engineering Engineering Development. Final Rep. 2013, 5, 63–67. [Google Scholar]
- Sahoo, S.K.; Sinha, A.K.; Kishore, N.K. Control techniques in AC, DC, and hybrid AC–DC microgrid: A review. IEEE J. Emerg. Sel. Top. Power Electron. 2018, 6, 738–759. [Google Scholar] [CrossRef]
- Heyman, O.; Weimers, L.; Bohl, M. HVDC—A Key Solution in Future Transmission Systems; WEC: Montreal, QC, Canada, 2010. [Google Scholar]
- Deng, W.; Pei, W.; Li, L. Active stabilization control of multi-terminal AC/DC hybrid system based on flexible low-voltage DC power distribution. Energies 2018, 11, 502. [Google Scholar] [CrossRef]
- Yazdami, A.; Iravani, R. Voltage-Sourced Converters in Power System; Willy-IEEE Press: Hoboken, NY, USA, 2010; Volume 17, pp. 91–107. [Google Scholar]
- Thinh, Q.N. Control of MMC-HVDC System and Its Application to the Jeju Island Power System. Ph.D. Thesis, University of JEJU, Jeju City, Korea, 2014. [Google Scholar]
- Sood, V.K. HVDC and FACTS Controllers; Kluwer Academic Publishers: Boston, MA, USA, 2004. [Google Scholar]
- Mura, F.; De Doncker, R.W. Design aspects of a medium-voltage direct current (MVDC) grid for a University Campus. J. ICPE 2011, 5, 2359–2366. [Google Scholar]
- Chung, I.Y.; Liu, W.; Carters, D.A.; Cho, S.H.; Kang, H.K. Controller optimization for bidirectional power flow in medium-voltage DC power systems. J. Electr. Eng. Technol. 2011, 6, 750–759. [Google Scholar] [CrossRef]
- Hosseinazdeh, M.; Salmasi, F.R. Fault-tolerant supervisory controller for a hybrid ac/dc micro-grid. IEEE Trans. Smart Grid 2018, 9, 2809–2823. [Google Scholar] [CrossRef]
- HVDC-High Voltage Direct Current Transmission. Available online: http://www.energy.siemens.com/hq/pool/hq/power-trnsmission/HVDC/HVDC-Classic_Transmission_References_en.pdf (accessed on 21 June 2017).
- Alstom. HVDC-VSC: Transmission TechnolTogy of the FuturFe. Available online: http://www.alstom.com/Global/Grid/Resources/Documents/Smart%20Grid/Think-Grid-08-%20EN.pdf (accessed on 21 June 2017).
- Jeong, J.K.; Jung, H.J.; Yoo, H.H.; Park, Y.H.; Lee, D.Y. Commissioning test of the MMC (modular multi-level converter) type 25mva HVDC pilot project. KIEE 2013, 62, 2. [Google Scholar]
- Jeong, J.K.; Jung, H.J.; Yoo, H.H.; Park, Y.H.; Lee, D.Y. MMC (Modular multi-level converter) type 25MVA HVDC system test. J. Power Electron. 2017, 7, 282–283. [Google Scholar]
- Hong, J.W.; Jeong, J.K.; Yoo, S.H.; Choi, J.Y.; Han, B.M. Switching-level operation anaysis of MMC-based back-to-back converter for HVDC application. KIEE 2013, 62, 9. [Google Scholar]




















| Parameters | Reactive (kvar) | Active (kW) | Frequency (Hz) | |
|---|---|---|---|---|
| Grid | 6.78 | 6.63 | 231 | 60 |
| Parameters | Reactive (kvar) | Active (kW) | Frequency (Hz) | |
|---|---|---|---|---|
| Grid | 6.7 | 7.394 | 283 | 60 |
© 2019 by the authors. Licensee MDPI, Basel, Switzerland. This article is an open access article distributed under the terms and conditions of the Creative Commons Attribution (CC BY) license (http://creativecommons.org/licenses/by/4.0/).
Share and Cite
Ahn, J.; Kim, E.-H. Implementation of a Microgrid Scheme Using a MVDC Connection between Gapado Island and Marado Island in South Korea. Energies 2019, 12, 187. https://doi.org/10.3390/en12010187
Ahn J, Kim E-H. Implementation of a Microgrid Scheme Using a MVDC Connection between Gapado Island and Marado Island in South Korea. Energies. 2019; 12(1):187. https://doi.org/10.3390/en12010187
Chicago/Turabian StyleAhn, Jinhong, and Eel-Hwan Kim. 2019. "Implementation of a Microgrid Scheme Using a MVDC Connection between Gapado Island and Marado Island in South Korea" Energies 12, no. 1: 187. https://doi.org/10.3390/en12010187
APA StyleAhn, J., & Kim, E.-H. (2019). Implementation of a Microgrid Scheme Using a MVDC Connection between Gapado Island and Marado Island in South Korea. Energies, 12(1), 187. https://doi.org/10.3390/en12010187
