Parameter Identification of Inverter-Fed Induction Motors: A Review
Abstract
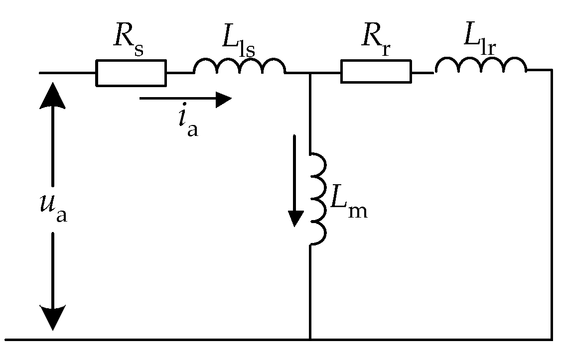
1. Introduction
2. Offline Parameter Identification
2.1. DC-Excited Methods
2.2. Single-Phase-AC-Injected Methods
- When the injected voltage frequency is high enough, jωeLm >> Rr + jωeLlr is satisfied, and thus the magnetizing inductance can be neglected, as shown in Figure 4.
- Considering Lls = Llr in the calculation.
- Ignoring the influence of the skin effect on the rotor resistance and the leakage inductance.
2.2.1. Motor Equivalent Circuit Based Methods
2.2.2. Recursive Least Square Method
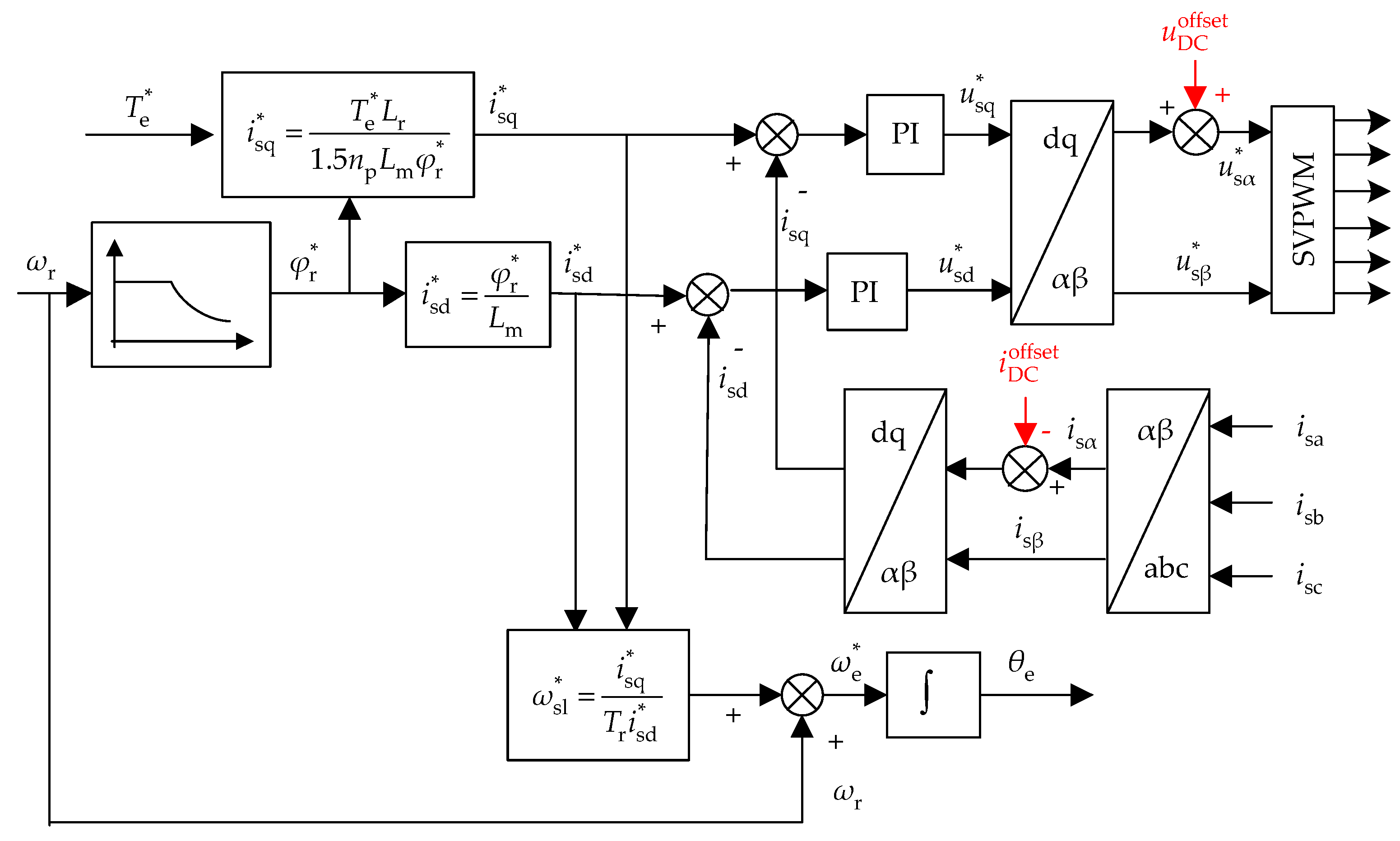
3. Online Parameter Identification
3.1. Recursive Least Square Technique
3.2. Model Reference Adaptive System Technique
3.3. Signal Injection Based Technique
3.3.1. DC-Signal Injection
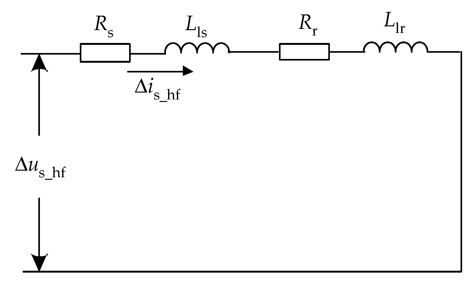
3.3.2. High Frequency Carrier Signal Injection
3.4. Observer Based Technique
3.5. Other Methods
4. Simulation Results
4.1. Offline Recursive Least Square Method
4.2. Online Recursive Least Square
- The cut-off angular frequency of the Butterworth filter is 200 rad/s.
- The forgetting factor is set to 0.95.
- The initial values of parameters are set to zero.
4.3. Model Reference Adaptive System
4.4. DC Signal Injection
5. Conclusions
Author Contributions
Funding
Acknowledgments
Conflicts of Interest
References
- Henke, M.; Narjes, G.; Hoffmann, J.; Wohlers, C.; Urbanek, S.; Heister, C.; Steinbrink, J.; Canders, W.-R.; Ponick, B. Challenges and Opportunities of Very Light High-Performance Electric Drives for Aviation. Energies 2018, 11, 344. [Google Scholar] [CrossRef]
- Bose, B.K. Modern Power Electronics and AC Drives; Prentice-Hall: Englewood Cliffs, NJ, USA, 2002; ISBN 0-13-016743-6. [Google Scholar]
- Takahashi, I.; Ohmori, Y. High-performance direct torque control of an induction motor. IEEE Trans. Ind. Appl. 1989, 25, 257–264. [Google Scholar] [CrossRef]
- Kazmierkowski, M.P.; Kasprowicz, A.B. Improved direct torque and flux vector control of PWM inverter-fed induction motor drives. IEEE Trans. Ind. Electron. 1995, 42, 344–350. [Google Scholar] [CrossRef]
- Zhang, Y.; Bai, Y.; Yang, H. A Universal Multiple-Vector-Based Model Predictive Control of Induction Motor Drives. IEEE Trans. Power Electron. 2018, 33, 6957–6969. [Google Scholar] [CrossRef]
- Zhang, Y.; Yang, H.; Xia, B. Model-Predictive Control of Induction Motor Drives: Torque Control versus Flux Control. IEEE Trans. Ind. Appl. 2016, 52, 4050–4060. [Google Scholar] [CrossRef]
- Liu, L.; Du, X.; Shen, S. Indirect field-oriented torque control of induction motor considering magnetic saturation effect: Error analysis. IET Electr. Power Appl. 2017, 11, 1105–1113. [Google Scholar] [CrossRef]
- Zaky, M.S.; Khater, M.M.; Shokralla, S.S.; Yasin, H.A. Wide-Speed-Range Estimation with Online Parameter Identification Schemes of Sensorless Induction Motor Drive. IEEE Trans. Ind. Electron. 2009, 56, 1699–1707. [Google Scholar] [CrossRef]
- Marcetic, D.P.; Vukosavic, S.N. Speed-Sensorless AC Drives with the Rotor Time Constant Parameter Update. IEEE Trans. Ind. Electron. 2007, 54, 2618–2625. [Google Scholar] [CrossRef]
- Zhang, P.; Lu, B.; Habetler, T.G. An Active Stator Temperature Estimation Technique for Thermal Protection of Inverter-Fed Induction Motors with Considerations of Impaired Cooling Detection. IEEE Trans. Ind. Appl. 2010, 46, 1873–1881. [Google Scholar] [CrossRef]
- Cheng, S.; Du, Y.; Restrepo, J.A.; Zhang, P.; Habetler, T.G. A Nonintrusive Thermal Monitoring Method for Induction Motors Fed by Closed-Loop Inverter Drives. IEEE Trans. Power Electron. 2012, 27, 4122–4131. [Google Scholar] [CrossRef]
- Matić, P.R.; Gecić, M.A.; Lekić, D.M.; Marčetić, D.P. Thermal Protection of Vector-Controlled IM Drive Based on DC Current Injection. IEEE Trans. Ind. Electron. 2015, 62, 2082–2089. [Google Scholar] [CrossRef]
- Abdallah, H.; Benatman, K. Stator winding inter-turn short-circuit detection in induction motors by parameter identification. IET Electr. Power Appl. 2017, 11, 272–288. [Google Scholar] [CrossRef]
- Cho, K.R.; Lang, J.H.; Umans, S.D. Detection of broken rotor bars in induction motors using state and parameter estimation. IEEE Trans. Ind. Appl. 1992, 28, 702–709. [Google Scholar] [CrossRef]
- Lee, S.H.; Yoo, A.; Lee, H.-J.; Yoon, Y.-D.; Han, B.-M. Identification of Induction Motor Parameters at Standstill Based on Integral Calculation. IEEE Trans. Ind. Appl. 2017, 53. [Google Scholar] [CrossRef]
- Sumner, M.; Asher, G.M. Self-commissioning for voltage-referenced voltage fed vector controlled induction motor drives. In Proceedings of the Power Electronics Specialists Conference, Toledo, Spain, 29 June–3 July 1992; pp. 139–144. [Google Scholar]
- Sumner, M.; Asher, G.M. Auto commissioning for voltage-referenced voltage-fed vector-controlled induction motor drives. IEE Proc. Electr. Power Appl. 1993, 140, 187–200. [Google Scholar] [CrossRef]
- Kwon, W.H.; Lee, C.H.; Youn, K.S.; Cho, G.H. Measurement of rotor time constant taking into account magnetizing flux in the induction motor. In Proceedings of the 1994 IEEE Industry Applications Society Annual Meeting, Denver, CO, USA, 2–6 October1994; pp. 88–92. [Google Scholar]
- Jeong, S.-G.; Park, M.-H. The analysis and compensation of dead-time effects in PWM inverters. IEEE Trans. Ind. Electron. 1991, 38, 108–114. [Google Scholar] [CrossRef]
- Sukegawa, T.; Kamiyama, K.; Mizuno, K.; Matsui, T.; Okuyama, T. Fully digital, vector-controlled PWM VSI-fed AC drives with an inverter dead-time compensation strategy. IEEE Trans. Ind. Appl. 1991, 27, 552–559. [Google Scholar] [CrossRef]
- Munoz, A.R.; Lipo, T.A. On-line dead-time compensation technique for open-loop PWM-VSI drives. IEEE Trans. Power Electron. 1999, 14, 683–689. [Google Scholar] [CrossRef]
- Zheng, J.; Wang, Y.; Qin, X.; Zhang, X. An offline parameter identification method of induction motor. In Proceedings of the 2008 7th World Congress on Intelligent Control and Automation, Chongqing, China, 25–27 June 2008; pp. 8898–8901. [Google Scholar]
- Gastli, A. Identification of induction motor equivalent circuit parameters using the single-phase test. IEEE Trans. Energy Convers. 1999, 14, 51–56. [Google Scholar] [CrossRef]
- Shen, G.; Wang, K.; Yao, W.; Lee, K.; Lu, Z. DC biased stimulation method for induction motor parameters identification at standstill without inverter nonlinearity compensation. In Proceedings of the 2013 IEEE Energy Conversion Congress and Exposition, Denver, CO, USA, 15–19 September 2013; pp. 5123–5130. [Google Scholar]
- Luo, H.; Liu, J.; Wan, S. Off-line Identification of Induction Motor Parameters. Electr. Drive 2006, 8, 16–21. [Google Scholar] [CrossRef]
- He, Y.; Wang, Y.; Feng, Y.; Wang, Z. Parameter Identification of an Induction Machine at Standstill Using the Vector Constructing Method. IEEE Trans. Power Electron. 2012, 27, 905–915. [Google Scholar] [CrossRef]
- Cirrincione, M.; Pucci, M. Experimental verification of a technique for the real-time identification of induction motors based on the recursive least-squares. In Proceedings of the 7th International Workshop on Advanced Motion Control. Proceedings (Cat. No. 02TH8623), Maribor, Slovenia, 3–5 July 2002; pp. 326–334. [Google Scholar]
- Stephan, J.; Bodson, M.; Chiasson, J. Real-time estimation of the parameters and fluxes of induction motors. In Proceedings of the Conference Record of the 1992 IEEE Industry Applications Society Annual Meeting, Houston, TX, USA, 4–9 October 1992; pp. 578–585. [Google Scholar]
- Alonge, F.; D’Ippolito, F.; Barbera, S.L.; Raimondi, F.M. Parameter identification of a mathematical model of induction motors via least squares techniques. In Proceedings of the 1998 IEEE International Conference on Control Applications (Cat. No.98CH36104), Trieste, Italy, 1–4 September 1998; pp. 491–496. [Google Scholar]
- Mapelli, F.L.; Bezzolato, A.; Tarsitano, D. A rotor resistance MRAS estimator for induction motor traction drive for electrical vehicles. In Proceedings of the 2012 XXth International Conference on Electrical Machines, Marseille, France, 2–5 September 2012; pp. 823–829. [Google Scholar]
- Rowan, T.M.; Kerkman, R.J.; Leggate, D. A simple on-line adaption for indirect field orientation of an induction machine. IEEE Trans. Ind. Appl. 1991, 27, 720–727. [Google Scholar] [CrossRef]
- Kojabadi, H.M. Active power and MRAS based rotor resistance identification of an IM drive. Simul. Model. Pract. Throry 2009, 17, 376–389. [Google Scholar] [CrossRef]
- Dehbozorgi, M.R.; Kojabadi, H.M.; Vahedi, H.; Al-Haddad, K. A comparative study of various MRAS-based IM’s rotor resistance adaptation methods. In Proceedings of the IECON 2012—38th Annual Conference on IEEE Industrial Electronics Society, Montreal, QC, Canada, 25–28 October 2012; pp. 4070–4075. [Google Scholar]
- Munshi, M.; Choudhuri, S.G. Model Reference Adaptive System using Rotor Flux and Back Emf techniques for speed estimation of an Induction Motor operated in Vector Control mode: A comparative study. In Proceedings of the 2016 IEEE Uttar Pradesh Section International Conference on Electrical, Computer and Electronics Engineering (UPCON), Varanasi, India, 9–11 December 2016; pp. 44–49. [Google Scholar]
- Yu, X.; Dunnigan, M.W.; Williams, B.W. A novel rotor resistance identification method for an indirect rotor flux-orientated controlled induction machine system. IEEE Trans. Power Electron. 2002, 17, 353–364. [Google Scholar] [CrossRef]
- Maiti, S.; Chakraborty, C.; Hori, Y.; Ta, M.C. Model Reference Adaptive Controller-Based Rotor Resistance and Speed Estimation Techniques for Vector Controlled Induction Motor Drive Utilizing Reactive Power. IEEE Trans. Ind. Electron. 2008, 55, 594–601. [Google Scholar] [CrossRef]
- Cao, P.; Zhang, X.; Yang, S. A Unified-Model-Based Analysis of MRAS for Online Rotor Time Constant Estimation in an Induction Motor Drive. IEEE Trans. Ind. Electron. 2017, 64, 4361–4371. [Google Scholar] [CrossRef]
- Tshimanga, T.P.; Zhang, S.; Bezabih, E.; He, L.; Iyer, V.; Harley, R.G. Stator temperature estimation of open-loop controlled induction machines via active DC voltage injection. In Proceedings of the 2015 North American Power Symposium (NAPS), Charlotte, NC, USA, 4–6 October 2015; pp. 1–5. [Google Scholar]
- Baneira, F.; Yepes, A.G.; López, Ó.; Doval-Gandoy, J. Estimation Method of Stator Winding Temperature for Dual Three-Phase Machines Based on DC-Signal Injection. IEEE Trans. Power Electron. 2016, 31, 5141–5148. [Google Scholar] [CrossRef]
- Briz, F.; Degner, M.W.; Guerrero, J.M.; Diez, A.B. Temperature Estimation in Inverter-Fed Machines Using High-Frequency Carrier Signal Injection. IEEE Trans. Ind. Appl. 2008, 44, 799–808. [Google Scholar] [CrossRef]
- Reigosa, D.D.; Guerrero, J.M.; Diez, A.B.; Briz, F. Rotor Temperature Estimation in Doubly-Fed Induction Machines Using Rotating High-Frequency Signal Injection. IEEE Trans. Ind. Appl. 2017, 53, 3652–3662. [Google Scholar] [CrossRef]
- Cho, K.-R.; Seok, J.-K. Induction Motor Rotor Temperature Estimation Based on a High-Frequency Model of a Rotor Bar. IEEE Trans. Ind. Appl. 2009, 45, 1267–1275. [Google Scholar] [CrossRef]
- Brdys, M.A.; Du, T. Algorithms for joint state and parameter estimation in induction motor drive systems. Control 1991. In Proceedings of the International Conference on Control 1991. Control ‘91, Edinburgh, UK, 25–28 March 1991; pp. 915–920. [Google Scholar]
- Orlowska-Kowalska, T. Application of extended Luenberger observer for flux and rotor time-constant estimation in induction motor drives. IEE Proc. Control Theory Appl. 1989, 136, 324–330. [Google Scholar] [CrossRef]
- Du, T.; Vas, P.; Stronach, F. Design and application of extended observers for joint state and parameter estimation in high-performance AC drives. IEE Proc. Electr. Power Appl. 1995, 142, 71–78. [Google Scholar] [CrossRef]
- Du, T.; Brdys, M.A. Implementation of extended Luenberger observers for joint state and parameter estimation of PWM induction motor drive. In Proceedings of the 1993 Fifth European Conference on Power Electronics and Applications, Brighton, UK, 13–16 September 1993; pp. 439–444. [Google Scholar]
- Zai, L.-C.; DeMarco, C.L.; Lipo, T.A. An extended Kalman filter approach to rotor time constant measurement in PWM induction motor drives. IEEE Trans. Ind. Appl. 1992, 28, 96–104. [Google Scholar] [CrossRef]
- Atkinson, D.J.; Finch, J.W.; Acarnley, P.P. Estimation of rotor resistance in induction motors. IEE Proc. Electr. Power Appl. 1996, 143, 87–94. [Google Scholar] [CrossRef]
- Lin, F.-J. Robust speed-controlled induction-motor drive using EKF and RLS estimators. IEE Proc. Electr. Power Appl. 1996, 143, 186–192. [Google Scholar] [CrossRef]
- Barut, M.; Bogosyan, S.; Gokasan, M. Experimental Evaluation of Braided EKF for Sensorless Control of Induction Motors. IEEE Trans. Ind. Electron. 2008, 55, 620–632. [Google Scholar] [CrossRef]
- Barut, M.; Demir, R.; Zerdali, E.; Inan, R. Real-Time Implementation of Bi Input-Extended Kalman Filter-Based Estimator for Speed-Sensorless Control of Induction Motors. IEEE Trans. Ind. Electron. 2012, 59, 4197–4206. [Google Scholar] [CrossRef]
- Yang, S.; Ding, D.; Li, X.; Xie, Z.; Zhang, X.; Chang, L. A Novel Online Parameter Estimation Method for Indirect Field Oriented Induction Motor Drives. IEEE Trans. Energy Convers. 2017, 32, 1562–1573. [Google Scholar] [CrossRef]
- Hasan, S.M.N.; Husain, I. A Luenberger-Sliding Mode Observer for Online Parameter Estimation and Adaptation in High-Performance Induction Motor Drives. IEEE Trans. Ind. Appl. 2009, 45, 772–781. [Google Scholar] [CrossRef]
- Kim, J.; Ko, J.; Lee, J.; Lee, Y. Rotor Flux and Rotor Resistance Estimation Using Extended Luenberger-Sliding Mode Observer (ELSMO) for Three Phase Induction Motor Control. Can. J. Electr. Comput. Eng. 2017, 40, 181–188. [Google Scholar] [CrossRef]
- Campbel, J.; Sumner, M. Practical sensorless induction motor drive employing an artificial neural network for online parameter adaptation. IEE Proc. Electr. Power Appl. 2002, 149, 255–260. [Google Scholar] [CrossRef]
- Fodor, D.; Griva, G.; Profumo, F. Compensation of parameters variations in induction motor drives using a neural network. In Proceedings of the 26th Annual IEEE Power Electronics Specialists Conference 1995, Atlanta, GA, USA, 12–15 June 1995; pp. 1307–1311. [Google Scholar]
- Wlas, M.; Krzeminski, Z.; Toliyat, H.A. Neural-Network-Based Parameter Estimations of Induction Motors. IEEE Trans. Ind. Electron. 2008, 55, 1783–1794. [Google Scholar] [CrossRef]
- Karanayil, B.; Rahman, M.F.; Grantham, C. On-line stator and rotor resistance estimation scheme for vector-controlled induction motor drive using artificial neural networks. In Proceedings of the 38th IAS Annual Meeting on Conference Record of the Industry Applications Conference, Salt Lake City, UT, USA, 12–16 October 2003; pp. 132–139. [Google Scholar]
- Karanayil, B.; Rahman, M.F.; Grantham, C. Online Stator and Rotor Resistance Estimation Scheme Using Artificial Neural Networks for Vector Controlled Speed Sensorless Induction Motor Drive. IEEE Trans. Ind. Electron. 2007, 54, 167–176. [Google Scholar] [CrossRef]
- Alonge, F.; D’Ippolito, F.; Ferrante, G.; Raimondi, F.M. Parameter identification of induction motor model using genetic algorithms. IEE Proc. Control Theory Appl. 1998, 145, 587–593. [Google Scholar] [CrossRef]
- Pillay, P.; Nolan, R.; Haque, T. Application of genetic algorithms to motor parameter determination for transient torque calculations. IEEE Trans. Ind. Appl. 1997, 33, 1273–1282. [Google Scholar] [CrossRef]
- Abdelhadi, B.; Benoudjit, A.; Nait-Said, N. Application of genetic algorithm with a novel adaptive scheme for the identification of induction machine parameters. IEEE Trans. Energy Convers. 2005, 20, 284–291. [Google Scholar] [CrossRef]
- IEEE. IEEE Standard Test Procedure for Polyphase Induction Motors and Generators; IEEE Std 112-2017 (Revision of IEEE Std 112-2004); IEEE: Piscataway, NJ, USA, 2018; pp. 1–115. [Google Scholar]
- Cirrincione, M.; Pucci, M.; Cirrincione, G.; Capolino, G.-A. A new experimental application of least-squares techniques for the estimation of the induction motor parameters. IEEE Trans. Ind. Appl. 2003, 39, 1247–1256. [Google Scholar] [CrossRef]
- Rashed, M.; Stronach, A.F. A stable back-EMF MRAS-based sensorless low-speed induction motor drive insensitive to stator resistance variation. IEE Proc. Electr. Power Appl. 2004, 151, 685–693. [Google Scholar] [CrossRef]
- Han, L.; Wen, X.; Chen, G. New General MRAS Adaptive Scheme to Estimate Stator and Rotor Resistance of Induction Motors. In Proceedings of the Conference Record of the 2006 IEEE Industry Applications Conference Forty-First IAS Annual Meeting, Tampa, FL, USA, 8–12 October 2006; pp. 1775–1780. [Google Scholar]
- Yao, W.; Yang, Y.; Zhang, X.; Blaabjerg, F.; Loh, P.C. Design and Analysis of Robust Active Damping for LCL Filters Using Digital Notch Filters. IEEE Trans. Power Electron. 2017, 32, 2360–2375. [Google Scholar] [CrossRef]
- He, L.; Restrepo, J.; Cheng, S.; Harley, R.G.; Habetler, T.G. An improved DC-signal-injection method with active torque-ripple mitigation for thermal monitoring of field-oriented-controlled induction motors. In Proceedings of the 2015 IEEE Energy Conversion Congress and Exposition (ECCE), Montreal, QC, Canada, 20–24 September 2015; pp. 4447–4454. [Google Scholar]
- Yang, D.; Ruan, X.; Wu, H. A Real-Time Computation Method with Dual Sampling Mode to Improve the Current Control Performance of the $LCL$-Type Grid-Connected Inverter. IEEE Trans. Ind. Electron. 2015, 62, 4563–4572. [Google Scholar] [CrossRef]














| Categories | Methods | Typically Identified Parameters | Implementation Issues |
|---|---|---|---|
| Offline identification | DC-excited | Rs | Reconstructed voltage error caused by the inverter non-linearity |
| Single phase AC injection | Rr, Lm, Lls, Llr | Inaccurate rotor impedance because of the skin effect | |
| Online identification | Recursive least square | Rr, Lm, Lls, Llr | Limited speed acceleration as the assumption of dωr/dt = 0; |
| Noise and harmonics sensitivity | |||
| Model reference adaptive system | Tr | Difficult to design a suitable adaptive law to satisfy the stability criteria of the algorithm | |
| Rs | |||
| DC signal injection | Rs | Reconstructed voltage error caused by the inverter non-linearity; | |
| Torque pulsation caused by injected DC signal | |||
| High frequency carrier signal injection | Rr, Lls, Llr | High switching frequency demand; | |
| Inaccurate rotor impedance because of the skin effect | |||
| Extended Luenberger observer | Tr | Difficult to design a gain matrix L | |
| Extended Kalman filter | Rs, Rr | Heavy calculation burden | |
| Sliding mode observer | Rs, Rr | Difficult to design an appropriate non-linear high-gain and adaptive law | |
| Artificial neural network | Rs, Rr | Dependence on training samples, long training time and low precision | |
| Genetic algorithm | Rs, Rr, Lm, Lls, Llr | Low convergence rate and historical data storage demand |
| Parameters | Values |
|---|---|
| Rated power | 160 kW |
| Rated voltage | 1287 V |
| Rated current | 88 A |
| Rated frequency | 84 Hz |
| Stator resistance | 0.223 Ω |
| Rotor resistance | 0.103 Ω |
| Stator leakage inductance | 0.00158 H |
| Rotor leakage inductance | 0.002076 H |
| Magnetizing inductance | 0.0438 H |
| Parameters | Rs | Ls | σ | Tr |
|---|---|---|---|---|
| Rated values | 0.223 Ω | 0.04538 H | 0.07849 | 0.4454 s |
| Estimated values | 0.2229 Ω | 0.04524 H | 0.07879 | 0.4487 s |
| Estimated error | 0.0448% | 0.308% | 0.38% | 0.74% |
| Parameters | Ls | σ | Tr |
|---|---|---|---|
| Rated values | 0.02348 H | 0.14805 | 0.23277 s |
| Estimated values | 0.02416 H | 0.14626 | 0.24336 s |
| Estimated error | 2.89% | 1.2% | 4.55% |
| Parameters | Rs | Ls | σ | Tr |
|---|---|---|---|---|
| Offline RLS | 0.0448% | 0.308% | 0.38% | 0.74% |
| Online RLS | - | 2.89% | 1.2% | 4.55% |
| MRAS | - | - | - | 0.05% |
| DC signal injection | 1% | - | - | - |
© 2018 by the authors. Licensee MDPI, Basel, Switzerland. This article is an open access article distributed under the terms and conditions of the Creative Commons Attribution (CC BY) license (http://creativecommons.org/licenses/by/4.0/).
Share and Cite
Tang, J.; Yang, Y.; Blaabjerg, F.; Chen, J.; Diao, L.; Liu, Z. Parameter Identification of Inverter-Fed Induction Motors: A Review. Energies 2018, 11, 2194. https://doi.org/10.3390/en11092194
Tang J, Yang Y, Blaabjerg F, Chen J, Diao L, Liu Z. Parameter Identification of Inverter-Fed Induction Motors: A Review. Energies. 2018; 11(9):2194. https://doi.org/10.3390/en11092194
Chicago/Turabian StyleTang, Jing, Yongheng Yang, Frede Blaabjerg, Jie Chen, Lijun Diao, and Zhigang Liu. 2018. "Parameter Identification of Inverter-Fed Induction Motors: A Review" Energies 11, no. 9: 2194. https://doi.org/10.3390/en11092194
APA StyleTang, J., Yang, Y., Blaabjerg, F., Chen, J., Diao, L., & Liu, Z. (2018). Parameter Identification of Inverter-Fed Induction Motors: A Review. Energies, 11(9), 2194. https://doi.org/10.3390/en11092194

