A Unidirectional DC-DC Autotransformer for DC Grid Application
Abstract
1. Introduction
2. Step-Up and Step-Down Unidirectional DC AUTO
2.1. Conventional Unidirectional DC-AC-DC
2.2. Topologies of Unidirectional DC AUTO
3. Control and Possible Application of the Unidirectional DC AUTO
3.1. Control of UUDAT and DUDAT
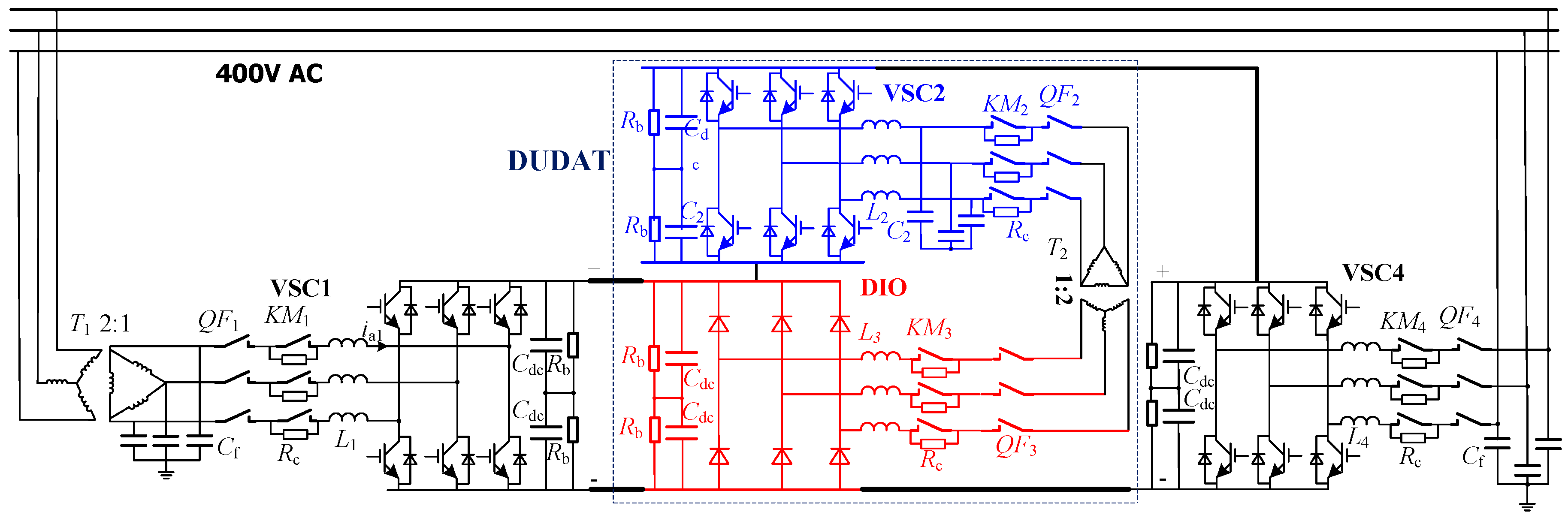
3.2. Operation of UUDAT and DUDAT Interfaced to Passive Components at Load Side
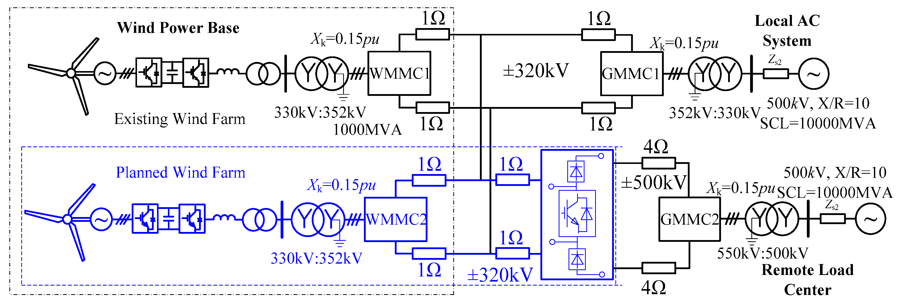
3.3. Possible Application Scenario of UUDAT
- Add the output power of the existing wind farm and planned wind farm to smooth the total output wind power and therefore reduce the impact of wind power oscillations on power system;
- Enable more flexible power transmission, the power from both the existing wind farm and the planned wind farm could be transferred to either the Local AC System or to the Remote Load Center.
4. DC Fault Isolation Mechanism of Unidirectional DC AUTO
4.1. Response to E1 Fault and E2 Fault of UUDAT
4.2. Dimensioning of the Diode Bridges in UUDAT
4.3. Dimensioning of DCCB in UUDAT
4.4. DC Fault Isolating Mechanism of DUDAT
5. Simulation Verifications
5.1. Topologies of the Simulated Systems
5.2. Parameters of the Simulated Unidirectional DC AUTOs
5.3. Simulations of Integrating Wind Power Using UUDAT
5.4. Simulations on the Control of DUDAT
6. Prototype Experimental Verifications
6.1. The Scaled-Down Experimental Set Up
6.2. Experimental Results
7. Conclusions
Acknowledgments
Author Contributions
Conflicts of Interest
References
- Luth, T.; Merlin, M.M.C.; Green, T.C.; Hassan, F.; Barker, C.D. High-frequency operation of a DC/AC/DC system for HVDC applications. IEEE Trans. Power Electron. 2014, 29, 4107–4115. [Google Scholar]
- Jovcic, D.; Zhang, H. Dual Channel Control with DC Fault Ride through for MMC-Based, Isolated DC/DC Converter. IEEE Trans. Power Deliv. 2017, 32, 1574–1582. [Google Scholar] [CrossRef]
- Engel, S.P.; Stieneker, M.; Soltau, N.; Rabiee, S.; Stagge, H.; de Doncker, R.W. Comparison of the modular multilevel DC converter and the dual-active bridge converter for power conversion in HVDC and MVDC grids. IEEE Trans. Power Electron. 2015, 30, 124–137. [Google Scholar] [CrossRef]
- Ferreira, J.A. The multilevel modular DC converter. IEEE Trans. Power Electron. 2013, 28, 4460–4465. [Google Scholar] [CrossRef]
- Filsoof, K.; Lehn, P.W. A Bidirectional Modular Multilevel DC–DC Converter of Triangular Structure. IEEE Trans. Power Electron. 2015, 30, 54–64. [Google Scholar] [CrossRef]
- Xiang, X.; Zhang, X.; Luth, T.; Merlin, M.M.C.; Green, T. A Compact Modular Multilevel DC-DC Converter for High Step-ratio MV and HV Use. IEEE Trans. Ind. Electron. 2018. [Google Scholar] [CrossRef]
- Ren, Q.; Sun, C.; Xiao, F. A Modular Multilevel DC–DC Converter Topology with a Wide Range of Output Voltage. IEEE Trans. Power Electron. 2017, 32, 6018–6030. [Google Scholar] [CrossRef]
- Jovcic, D.; Zhang, L. LCL DC/DC Converter for DC Grids. IEEE Trans. Power Deliv. 2013, 28, 2071–2079. [Google Scholar] [CrossRef]
- Jovcic, D. Step-up DC–DC converter for megawatt size applications. IET Power Electron. 2009, 2, 675. [Google Scholar] [CrossRef]
- Schӧn, A.; Bakran, M.M. A New HVDC-DC Converter for the Efficient Connection of HVDC Networks; PCIM Europe: Nurnberg, Germany, 2013. [Google Scholar]
- Schӧn, A.; Bakran, M. High power HVDC-DC converters for the interconnection of HVDC lines with different line topologies. In Proceedings of the IEEE ECCE-Asia ICPE Conference, Hiroshima, Japan, 18–21 May 2014; pp. 3255–3262. [Google Scholar]
- Schӧn, A.; Bakran, M. A new HVDC-DC converter with inherent fault clearing capability. In Proceedings of the 2013 15th European Conference on Power Electronics and Applications (EPE), Lille, France, 2–6 September 2013; pp. 1–10. [Google Scholar]
- Schӧn, A.; Bakran, M. Average loss calculation and efficiency of the new HVDC auto transformer. In Proceedings of the 2014 16th European Conference on Power Electronics and Applications (EPE’14-ECCE Europe), Lappeenranta, Finland, 26–28 August 2014; pp. 1–10. [Google Scholar]
- Lin, W.; Wen, J.; Cheng, S. Multiport DC-DC autotransformer for interconnecting multiple high-voltage DC systems at low cost. IEEE Trans. Power Electron. 2015, 30, 6648–6660. [Google Scholar] [CrossRef]
- Lin, W. DC-DC autotransformer with bidirectional DC fault isolating capability. IEEE Trans. Power Electron. 2015, 31, 5400–5410. [Google Scholar] [CrossRef]
- Yang, J.; He, Z.; Pang, H.; Tang, G. The hybrid-cascaded DC-DC converters suitable for HVDC applications. IEEE Trans. Power Electron. 2015, 30, 5358–5363. [Google Scholar] [CrossRef]
- Cui, S.; Soltau, N.; Doncker, R.W.D. A high step-up ratio soft switching dc-dc converter for interconnection of mvdc and HVDC grids. IEEE Trans. Power Electron. 2018, 33, 2986–3001. [Google Scholar] [CrossRef]
- Soltau, N.; Stagge, H.; Doncker, R.W.D.; Apeldoorn, O. Development and demonstration of a medium-voltage high-power dc-dc converter for DC distribution systems. In Proceedings of the IEEE 5th International Symposium on Power Electronics for Distributed Generation Systems (PEDG), Galway, Ireland, 24–27 June 2014; pp. 1–8. [Google Scholar]
- Cecati, C.; Khalid, H.A.; Tinari, M.; Adinolfi, G.; Graditi, G. Hybrid DC Nano Grid with Renewable Energy Sources and Modular DC/DC LLC Converter Building Block. IET Power Electron. 2017, 10, 536–544. [Google Scholar] [CrossRef]
- Adam, G.; Gowaid, I.; Finney, S.; Holliday, D.; Williams, B. Review of dc-dc converters for multi-terminal HVDC transmission networks. IET Power Electron. 2016, 9, 281–296. [Google Scholar] [CrossRef]
- Meyer, C.; Hoing, M.; Peterson, A. Control and design of DC grids for offshore wind farms. IEEE Trans. Power Deliv. 2007, 43, 1475–1482. [Google Scholar] [CrossRef]
- Deng, F.; Chen, Z. Design of protective inductors for HVDC transmission line with DC grid offshore wind farms. IEEE Trans. Power Deliv. 2013, 28, 75–83. [Google Scholar] [CrossRef]
- Deng, F.; Chen, Z. Operation and control of a DC-grid offshore wind farm under DC transmission system faults. IEEE Trans. Power Deliv. 2013, 28, 1356–1363. [Google Scholar] [CrossRef]
- Dincan, C.; Kjaer, P.; Chen, Y.H.; Nielsen, S.-M.; Bak, C.L. Selection of dc/dc converter for offshore wind farms with mvdc power collection. In Proceedings of the 19th European Conference on Power Electronics and Applications (EPE’17 ECCE EUROPE), Warsaw, Poland, 11–14 September 2017. [Google Scholar]
- Yao, W.; Jiang, L.; Wen, J.; Wu, Q.; Cheng, S. Wide-Area Damping Controller for Power System Interarea Oscillations: A Networked Predictive Control Approach. IEEE Trans. Control Syst. Technol. 2015, 23, 27–36. [Google Scholar] [CrossRef]
- Xiang, W.; Lin, W.; Xu, L.; Wen, J. Enhanced Independent Pole Control of Hybrid MMC-HVDC System. IEEE Trans. Power Deliv. 2017, PP, 1. [Google Scholar] [CrossRef]
- Rodriguez, A.; Vazquez, A.; Lamar, D.G.; Hernando, M.M.; Sebastian, J. Different purpose design strategies and techniques to improve the performance of a dual active bridge with phase-shift control. IEEE Trans. Power Electron. 2015, 30, 790–804. [Google Scholar] [CrossRef]
- Lin, W.; Wen, J.; Yao, L.; Yang, B. Step-up unidirectional DC-DC autotransformer for HVDC applications. In Proceedings of the 2016 IEEE 8th International Power Electronics and Motion Control Conference (IPEMC-ECCE Asia), Hefei, China, 22–26 May 2016; pp. 703–707. [Google Scholar]
- Tu, Q.; Xu, Z.; Xu, L. Reduced switching-frequency modulation and circulation current suppression for modular multilevel converters. IEEE Trans. Power Deliv. 2011, 26, 2009–2017. [Google Scholar]
- Qi, Q.; Zhang, C. Study of some key issues related to large-scale wind power grid integration in China. In Proceedings of the 2012 IEEE PES Asia-Pacific Power and Energy Engineering Conference (APPEEC), Shanghai, China, 27–29 March 2012; pp. 1–4. [Google Scholar]
- Häfner, J.; Jacobson, B. Proactive Hybrid HVDC Breakers—A key innovation for reliable HVDC grids. In Proceedings of the Integrating Supergrids and Microgrids International Symposium, Bologna, Italy, 13–15 September 2011. [Google Scholar]
- Kundur, P.; Balu, N.J.; Lauby, M.G. Power System Stability and Control; McGraw-Hill: New York, NY, USA, 1994; Volume 7. [Google Scholar]
- Taherbaneh, M.; Jovcic, D.; Taisne, J.P.; Nguefeu, S. DC fault performance and cost analysis of dc grids for connecting multiple offshore wind farms. In Proceedings of the 2013 IEEE Grenoble PowerTech (POWERTECH), Grenoble, France, 16–20 June 2013; pp. 1–6. [Google Scholar]
- Yu, F.; Lin, W.; Wang, X.; Xie, D. Fast voltage-balancing control and fast numerical simulation model for the modular multilevel converter. IEEE Trans. Power Deliv. 2015, 30, 220–228. [Google Scholar] [CrossRef]














| Ratings | Basic Case | Additional Rating to Protect over E1 Fault | Total Rating |
|---|---|---|---|
| VDIO1,3 (kV) | 188.5 | 61.5 | 250 |
| VMMC2 (kV) | 640 | 0 | 640 |
| PMMC2 (MW) | 360 | 0 | 360 |
| Name | VCBP (VCBN) | ICBP (ICBN) | PCBP (PCBN) |
|---|---|---|---|
| Value | 320 kV | 1.5625 kA | 1000 MW |
| Ratings | Basic Case | Additional Rating to Protect over E1 Fault | Additional Rating to Protect over E2 Fault | Total Rating |
|---|---|---|---|---|
| VMMC1,3 | 180 kV | 70 kV | 160 kV (for SBSM) | 250 kV |
| PMMC1,3 | 180 MW | 70 MW | 80 MW | 330 MW |
| Name | MMC2 (for UUDAT) | MMC1, 3 (for DUDAT) |
|---|---|---|
| Arm inductor (H) | 0.165 | 0.025 |
| Submodule capacitance (μF) | 2344 | 5000 |
| Rated submodule voltage (kV) | 3.2 | 2.25 |
| Number of sub-modules per arm | 200 | 112 |
| Number of SBSM per arm | 0 | 72 |
| Name | UUDAT | DUDAT |
|---|---|---|
| number of transformers | 2 | 2 |
| rated power per transformer (MW) | 180 | 180 |
| Winding configuration | Y/Y/Δ | Δ/Y/Δ |
| rated line-line AC Voltages (kV) | 352/83/83 | 90/140/140 |
| Leakage reactance (pu) | 0.1 | 0.1 |
| Parameters | Value | Parameters | Value |
|---|---|---|---|
| Cf | 2.2 μF | Rb | 80 kΩ |
| Rc | 10 Ω/100 W | L2 | 0.52 mH |
| L1(L3) | 3 mH | C2 | 47 μF |
| Cdc | 14.1 mF | L4 | 3 mH |
© 2018 by the authors. Licensee MDPI, Basel, Switzerland. This article is an open access article distributed under the terms and conditions of the Creative Commons Attribution (CC BY) license (http://creativecommons.org/licenses/by/4.0/).
Share and Cite
Zhou, M.; Xiang, W.; Zuo, W.; Lin, W.; Wen, J. A Unidirectional DC-DC Autotransformer for DC Grid Application. Energies 2018, 11, 530. https://doi.org/10.3390/en11030530
Zhou M, Xiang W, Zuo W, Lin W, Wen J. A Unidirectional DC-DC Autotransformer for DC Grid Application. Energies. 2018; 11(3):530. https://doi.org/10.3390/en11030530
Chicago/Turabian StyleZhou, Meng, Wang Xiang, Wenping Zuo, Weixing Lin, and Jinyu Wen. 2018. "A Unidirectional DC-DC Autotransformer for DC Grid Application" Energies 11, no. 3: 530. https://doi.org/10.3390/en11030530
APA StyleZhou, M., Xiang, W., Zuo, W., Lin, W., & Wen, J. (2018). A Unidirectional DC-DC Autotransformer for DC Grid Application. Energies, 11(3), 530. https://doi.org/10.3390/en11030530
