Improved Reactive Current Detection Method of SVG
Abstract
:1. Introduction
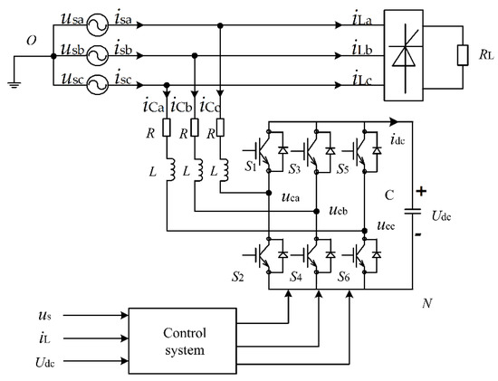
2. Mathematical Model Analysis of SVG
3. Research on Reactive Current Detection Method
3.1. Reactive Current Detection Based on Instantaneous Reactive Power Theory
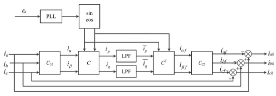
3.2. Improved Reactive Current Detection Method
3.2.1. Improved dq Detection Algorithm Based on Instantaneous Reactive Power
3.2.2. Design of Sliding Average Filter
4. Experiment Analysis
4.1. Experimental Waveform Analysis of SVG with RL Load
4.2. Experimental Waveform Analysis SVG with RC Load
5. Conclusions
Author Contributions
Conflicts of Interest
References
- Elmoursi, M.S.; Sharaf, A.M. Voltage stabilization and reactive compensation using a novel FACTS STATCOM scheme. In Proceedings of the Canadian Conference on Electrical and Computer Engineering, Saskatoon, SK, Canada, 1–4 May 2005; pp. 537–540. [Google Scholar]
- Sun, Y.; Li, S.H. Comparison of Conventional and A Novel Direct Current Vector Control Approaches for a LCL-filter based STATCOM. In Proceedings of the IEEE Power & Energy Society General Meeting, Denver, CO, USA, 26–30 July 2015; pp. 103–107. [Google Scholar]
- Zhao, J.Q.; Liu, X.; Lin, C.N.; Wei, W.H. Three-Phase Unbalanced Voltage/VAR Optimization for Active Distribution Networks. In Proceedings of the IEEE Power and Energy Society General Meeting (PESGM), Boston, MA, USA, 17–21 July 2016; pp. 1–5. [Google Scholar]
- Raj, G.S.; Rathi, K. P-Q theory based Shunt Active Power Filter for power quality under ideal and non-ideal grid voltage conditions. In Proceedings of the Power, Instrumentation, Control and Computing (PICC), Thrissur, India, 9–11 December 2015; pp. 1–5. [Google Scholar]
- Dixon, J.; Del Valle, Y.; Orchard, M.; Ortuzar, M.; Moran, L.; Maffrand, C. A full compensating system for general loads, based on a combination of thyristor binary compensator, and a PWM-IGBT active power filter. IEEE Trans. Ind. Electron. 2003, 50, 982–989. [Google Scholar] [CrossRef]
- Akagi, H.; Ogasawara, S.; Kim, H. The theory of instantaneous power in three-phase four-wire systems: A comprehensive approach. IEEE Trans. Ind. Appl. 1999, 1, 431–439. [Google Scholar]
- Blazic, B.; Papic, I. Improved D-StatCom control for operation with unbalanced currents and voltages. IEEE Trans. Power Deliv. 2006, 21, 225–233. [Google Scholar] [CrossRef]
- Cavaliere, C.A.C.; Watanabe, E.H.; Aredes, M. Multi-pulse STATCOM operation under unbalanced voltages. In Proceedings of the 2002 IEEE Power Engineering Society Winter Meeting, New York, NY, USA, 27–31 January 2002; pp. 567–572. [Google Scholar]
- Liao, W.D.; Qi, Q. A New Method Highly Integrated with Converter Transformer for Harmonic Suppression and Reactive Power Compensation. In Proceedings of the International Conference on Power System Technology, Chengdu, China, 20–22 October 2014; pp. 1576–1581. [Google Scholar]
- Schwanz, D.; Moller, F.; Ronnberg, S.K.; Bollen, M.H.J. Stochastic Assessment of Voltage Unbalance Due to Single-Phase-Connected Solar Power. IEEE Trans. Power Deliv. 2017, 32, 852–861. [Google Scholar] [CrossRef]
- Wang, H.; Li, Q.; Wu, M. Investigation on a New Algorithm for Instantaneous Reactive and Harmonic Currents Detection Applied to Intensive Nonlinear Loads. IEEE Trans. Power Deliv. 2007, 22, 2312–2318. [Google Scholar] [CrossRef]
- Yang, X.F.; Fan, W.B.; Wang, X.P.; Zheng, Q.L. Static Synchronous Compensator Based on Modular Multilevel Converter Based STATCOM and Its Control. Trans. China Electrotech. Soc. 2011, 26, 7–13. [Google Scholar]
- Wang, L.; Lam, C.-S.; Wong, M.-C. Design of a Thyristor Controlled LC Compensator for Dynamic Reactive Power Compensation in Smart Grid. IEEE Trans. Smart Grid 2017, 8, 409–417. [Google Scholar] [CrossRef]
- Pattnaik, S.; Swain, S.C.; Dash, R.; Mohapatra, R. Control of Active and Reactive Power of A Three Phase Grid Connected Photovoltaic System. In Proceedings of the International Conference on Circuit, Power and Computing Technologies (ICCPCT), Nagercoil, India, 18–19 March 2016; pp. 1–6. [Google Scholar]
- Zhang, Y.; Yi, Y.; Dong, P.; Liu, F.; Kang, Y. Simplified Model and Control Strategy of Three-Phase PWM Current Source Rectifiers for DC Voltage Power Supply Applications. IEEE J. Emerg. Sel. Top. Power Electron. 2015, 3, 1090–1099. [Google Scholar] [CrossRef]
- Kong, X.; Yuan, Y.; Huang, H.; Wang, Y. Overview of the instantaneous reactive power theory in three-phase systems. In Proceedings of the 5th International Conference on Electric Utility Deregulation and Restructuring and Power Technologies (DRPT 2015), Changsha, China, 26–29 November 2015. [Google Scholar]
- Gagrica, O.; Uhl, T.; Nguyen, P.H.; Cobben, J.F.G. Applicability of true voltage unbalance approximation formula for unbalance monitoring in LV networks with single-phase distributed generation. In Proceedings of the International Conference on Smart Cities and Green ICT Systems (SMARTGREENS), Rome, Italy, 23–25 April 2016; pp. 1–7. [Google Scholar]












© 2017 by the authors. Licensee MDPI, Basel, Switzerland. This article is an open access article distributed under the terms and conditions of the Creative Commons Attribution (CC BY) license (http://creativecommons.org/licenses/by/4.0/).
Share and Cite
Wei, X.; Zhu, G.; Lu, J.; Li, W.; Qi, A.E. Improved Reactive Current Detection Method of SVG. Energies 2017, 10, 1374. https://doi.org/10.3390/en10091374
Wei X, Zhu G, Lu J, Li W, Qi AE. Improved Reactive Current Detection Method of SVG. Energies. 2017; 10(9):1374. https://doi.org/10.3390/en10091374
Chicago/Turabian StyleWei, Xueliang, Guorong Zhu, Jianghua Lu, Wenjing Li, and And Erjie Qi. 2017. "Improved Reactive Current Detection Method of SVG" Energies 10, no. 9: 1374. https://doi.org/10.3390/en10091374
APA StyleWei, X., Zhu, G., Lu, J., Li, W., & Qi, A. E. (2017). Improved Reactive Current Detection Method of SVG. Energies, 10(9), 1374. https://doi.org/10.3390/en10091374
