Networked Control of Electric Vehicles for Power System Frequency Regulation with Random Communication Time Delay
Abstract
:1. Introduction
2. Basic Theory of Networked Control System and the Framework of Frequency Regulation with EVs
2.1. General Structure of Networked Control System (NCS)
2.2. The Advantages of Using PEVs for Frequency Regulation and Implementation Framework
- (1)
- For AGC plants, the control signal response amplitude and the polarity are strictly limited; while for PEVs, the advanced power electronic devices eliminate this restriction.
- (2)
- For thermal units, the large adjustment may increase the cost and damage the lifespan. On the contrary, V2G responses rapidly and accurately and has a relatively smaller time constant, therefore, it can reduce the adjustment capacity requirement of the generators.
- (3)
- Since the battery is in the floating charge state when it participates in ancillary service, compared with the depth charge state when it participates in energy market, the adverse impact on battery’s life can be alleviated and the efficiency of the battery can be improved at the same time [12]. Besides, the economic compensation for participating in ancillary service is much more profitable than energy market, thus the drivers tend to register their cars to participate in LFC especially at midnight.
2.3. The Framework of the Networked Frequency Regulation with EVs and Control Process
- (1)
- The control center obtains real-time measured information (frequency, tie-line exchange power, etc.) via the Supervisory Control And Data Acquisition (SCADA) system, and calculates the Area Control Error (ACE);
- (2)
- Combine ACE, unit status with other vehicle status information, then send real-time control signals obtained with the suboptimal H∞-PID output feedback controller proposed below to AGC plants and EV aggregators;
- (3)
- The generators participating in frequency regulation respond to load fluctuations according to the control signals;
- (4)
- EV aggregators determine the charge/discharge power of each PEV based on the received control signals. For example, one of the basic approaches is the proportional allocation method, which is an equilibrium of fairness and efficiency.
2.4. Analysis of Communication Delay
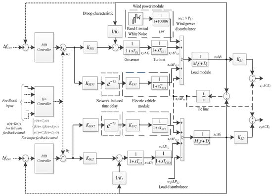
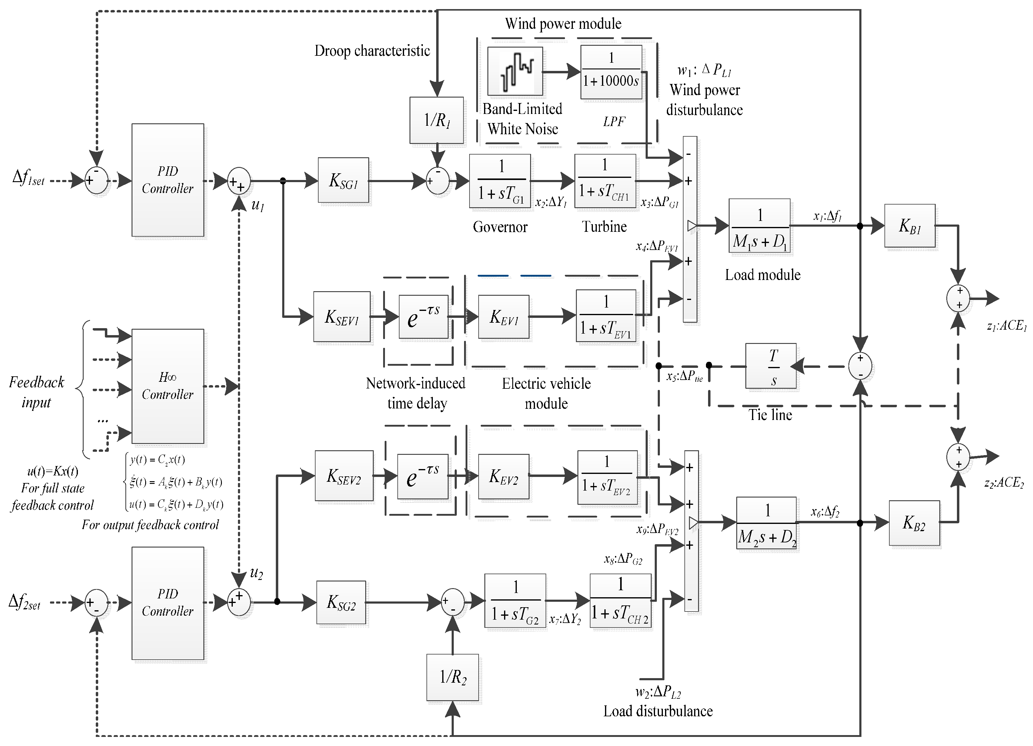
3. Model of Closed-Loop Frequency Regulation System with PEVs and Wind Power
4. Controller Design Based on LMI Theory
4.1. Summary of the LMI Methods
4.2. Design of the Full-State Feedback Controller
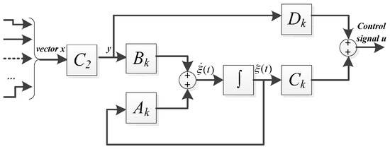
4.3. Design of the Output Feedback Controller
4.4. Additional PID Control Module
4.5. The Design Procedure of Suboptimal H∞-PID Output Feedback Control Method
5. Case Studies
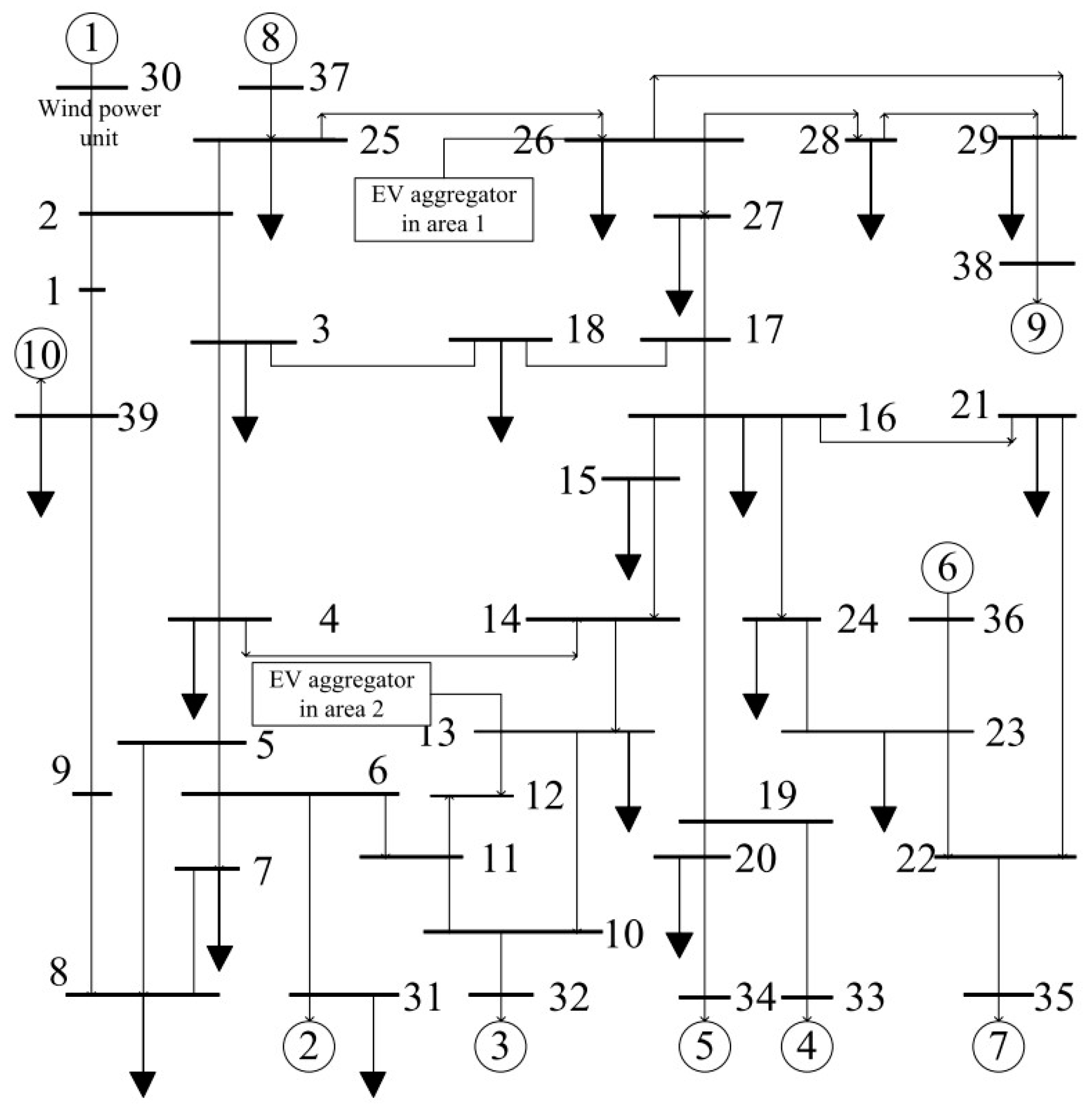
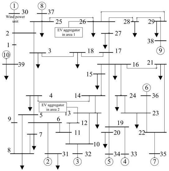
5.1. Studies on a Two-Area Test System
5.2. Comparison of Control Methods
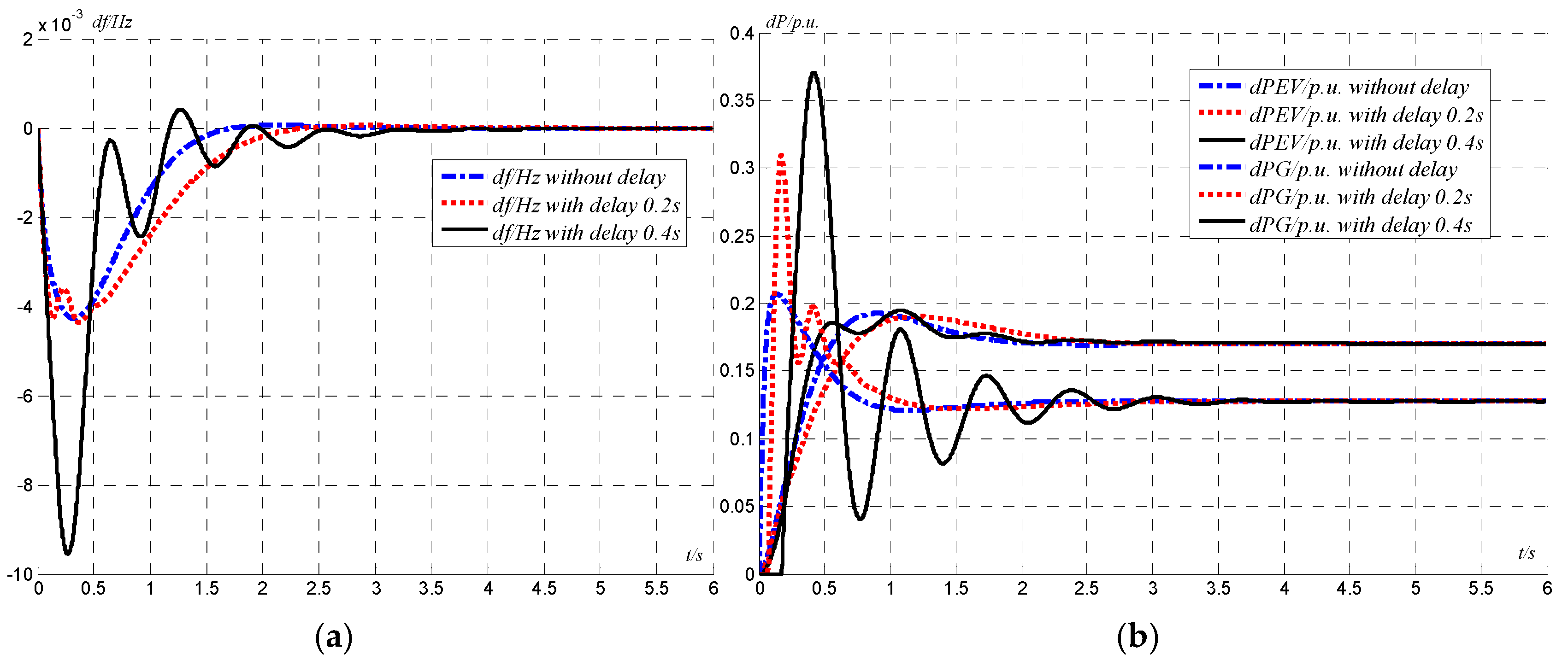
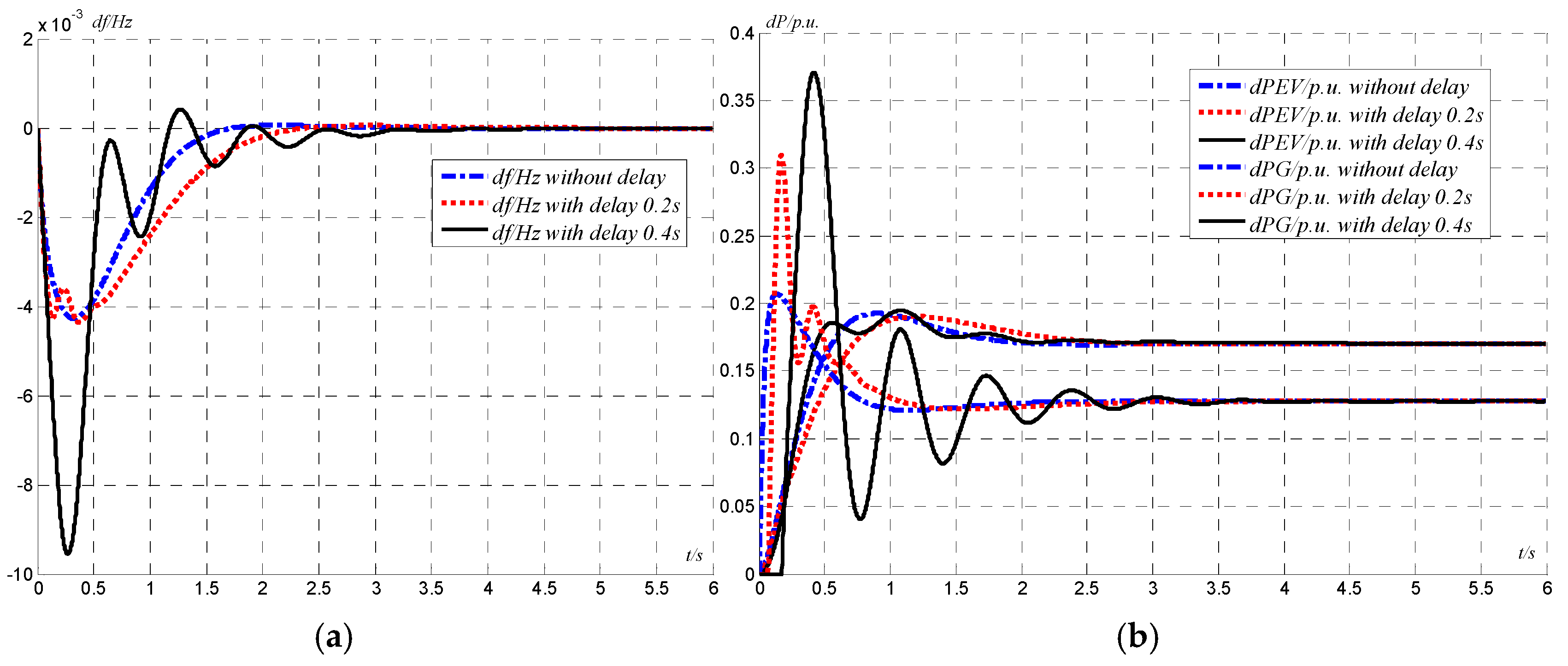
5.3. Effects of Duration and Form of Communication Delay on System Dynamic Characteristics
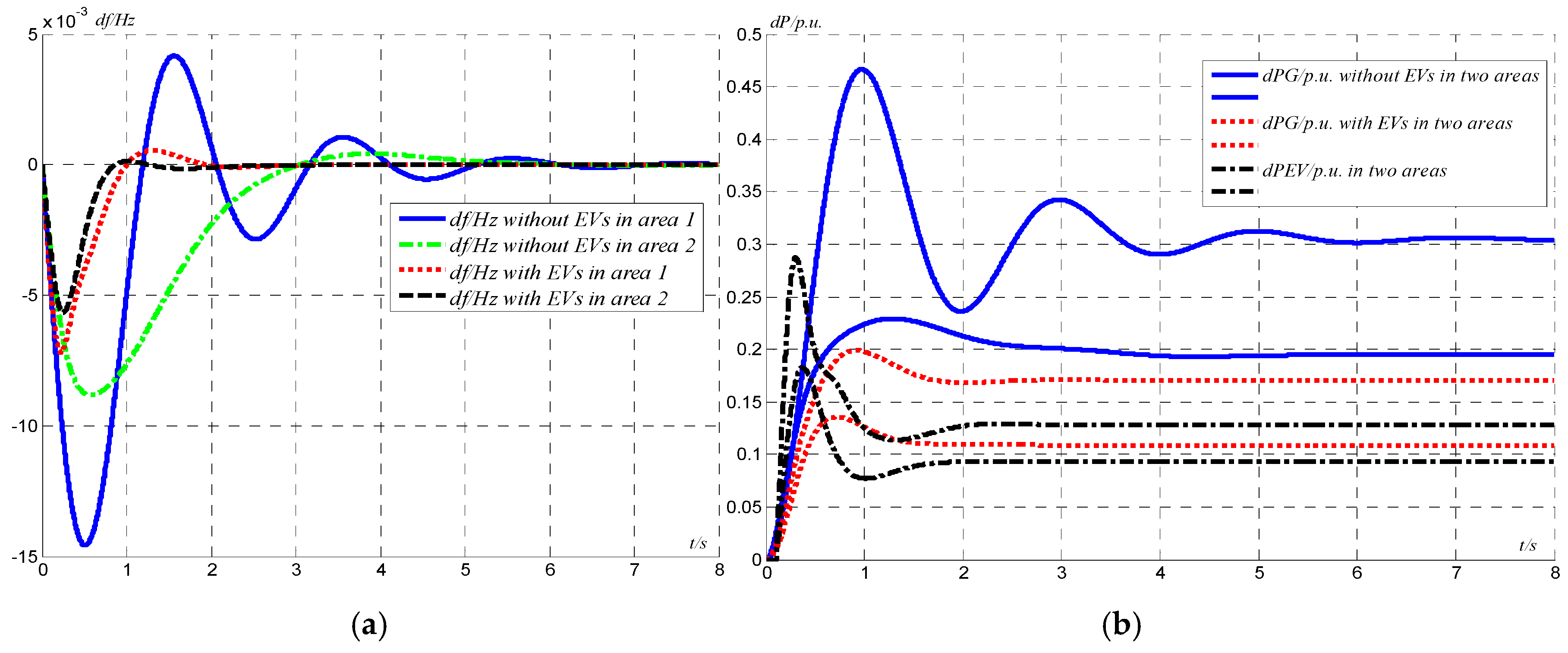
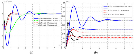
5.4. Improvement of Dynamic Performance by EVs
5.5. Effects of EVs on System Accommodation of Intermittent Wind Power
6. Conclusions
Acknowledgments
Author Contributions
Conflicts of Interest
Appendix A. Proof of the Theorem 1
Appendix B. Proof of the Theorem 2
- x = [x1, x2……xn]T ∈ Rn×1 are n-dimension state variables;
- u = [u1, u2……um]T ∈ Rm×1 are m-dimension control variables;
- z = [z1, z2……zp]T ∈ Rp×1 are p-dimension control output variables;
- w = [w1w2……wq]T ∈ Rq×1 are q-dimension disturbance variables.
- (1)
- S < 0;
- (2)
- S11 < 0, ;
- (3)
- S22 < 0, .
References
- Kempton, W.; Tomić, J. Vehicle-to-grid power implementation: From stabilizing the grid to supporting large-scale renewable energy. J. Power Sources 2005, 144, 280–294. [Google Scholar] [CrossRef]
- Kempton, W.; Udo, V.; Huber, K.; Komara, K.; Letendre, S.; Baker, S.; Pearre, N. A Test of Vehicle-to-Grid (V2G) for Energy Storage and Frequency Regulation in the PJM System. Available online: http://www.udel.edu/V2G/resources/test-v2g-in-pjm-jan09.pdf (accessed on 25 January 2017).
- Qian, K.J.; Zhou, C.K.; Allan, M.; Yuan, Y. Modeling of load demand due to EV battery charging in distribution systems. IEEE Trans. Power Syst. 2011, 26, 802–810. [Google Scholar] [CrossRef]
- Hajimiragha, A.H.; Canizares, C.A.; Fowler, M.W.; Moazeni, S.; Elkamel, A. A robust optimization approach for planning the transition to plug-in hybrid electric vehicles. IEEE Trans. Power Syst. 2011, 26, 2264–2274. [Google Scholar] [CrossRef]
- Wu, C.X.; Wen, F.S.; Lou, Y.L.; Xin, F. Probabilistic load flow analysis of photovoltaic generation systems with plug-in electric vehicles. Int. J. Electr. Power Energy Syst. 2015, 64, 1221–1228. [Google Scholar] [CrossRef]
- Masuta, T.; Yokoyama, A. Supplementary load frequency control by use of a number of both electric vehicles and heat pump water heaters. IEEE Trans. Smart Grid 2012, 3, 1253–1262. [Google Scholar] [CrossRef]
- Singh, M.; Kumar, P.; Kar, I. Implementation of vehicle to grid infrastructure using fuzzy logic controller. IEEE Trans. Smart Grid 2012, 3, 565–577. [Google Scholar] [CrossRef]
- Sundstrom, O.; Binding, C. Flexible charging optimization for electric vehicles considering distribution grid constraints. IEEE Trans. Smart Grid 2012, 3, 26–37. [Google Scholar] [CrossRef]
- Galus, M.D.; Koch, S.; Andersson, G. Provision of load frequency control by PHEVs, controllable loads and a cogeneration unit. IEEE Trans. Ind. Electron. 2011, 58, 4568–4582. [Google Scholar] [CrossRef]
- Yodyium, T.; Mo-Yuen, C. Control methodologies in networked control systems. Control Eng. Pract. 2003, 11, 1099–1111. [Google Scholar]
- Cloosterman, M.B.G.; Van de Wouw, N.; Heemels, W.P.M.H.; Nijmeijer, H. Stability of networked control systems with uncertain time-varying delays. IEEE Trans. Autom. Control 2001, 21, 84–89. [Google Scholar] [CrossRef]
- Mullen, S.K. Plug-In Hybrid Electric Vehicles as a Source of Distributed Frequency Regulation. Ph.D. Thesis, University of Minnesota, Minneapolis, MN, USA, 2009. [Google Scholar]
- Yao, W.F.; Zhao, J.H.; Wen, F.S.; Xue, Y.S.; Ledwich, G. A hierarchical decomposition approach for coordinated dispatch of plug-in electric vehicles. IEEE Trans. Power Syst. 2013, 28, 2768–2778. [Google Scholar] [CrossRef]
- Wang, G.B.; Zhao, J.H.; Wen, F.S.; Xue, Y.S.; Ledwich, G. Dispatch strategy of PHEVs to mitigate selected patterns of seasonally varying outputs from renewable generation. IEEE Trans. Smart Grid 2015, 6, 627–639. [Google Scholar] [CrossRef]
- Lu, C.F.; Liu, C.C.; Wu, C.J. Dynamic modeling of battery energy storage system and application to power system stability. Proc. Inst. Elect. Eng. Gen. Transm. Distrib. 1995, 142, 429–435. [Google Scholar] [CrossRef]
- Jia, Y.M. Robust H∞ Control; Science Press: Beijing, China, 2007. [Google Scholar]
- Francis, B.; Zames, G. On H∞-optimal sensitivity theory for SISO feedback systems. IEEE Trans. Autom. Control 1984, 29, 9–16. [Google Scholar] [CrossRef]
- Xia, Y.Q.; Jia, Y.M. Robust sliding mode control for uncertain time-delay systems: An LMI approach. IEEE Trans. Autom. Control 2003, 48, 1086–1092. [Google Scholar]
- Takagi, M.; Yamaji, K.; Yamamoto, H. Power system stabilization by charging power management of plug-in hybrid electric vehicles with LFC signal. In Proceedings of the Vehicle Power and Propulsion Conference, Tokyo, Japan, 7–10 September 2009. [Google Scholar]
- Jeung, E.T.; Kim, J.H.; Park, H.B. H∞-output feedback controller design for linear system with time-varying delayed state. IEEE Trans. Autom. Control 1998, 43, 971–974. [Google Scholar] [CrossRef]
- Yu, L. Robust Control: LMI Approach; Tsinghua University Press: Beijing, China, 2002. [Google Scholar]











| Network | Ethernet | CAN Bus | TP Bus |
|---|---|---|---|
| Access mode | Random access | Random access | Token passing |
| Network protocol | IEEE 802.3 CSMA/CD | CSMA/AMP | IEEE 802.4 |
| Data packet | Maximum 1500 | Maximum 8 | Maximum 504 |
| Delay characteristics | Random; Unbounded | Random; Bounded | Random; Bounded; Periodic |
| Parameters | Values | |
|---|---|---|
| Area 1 | Area 2 | |
| Regional frequency deviation coefficient, kbi (p.u. MW/Hz) | 4.89 | 5.12 |
| Speed regulation due to governor action, Ri (Hz/p.u. MW) | 0.12 | 0.08 |
| Inertia time constants of the AGC units, Mi (s) | 6.23 | 5.77 |
| Load frequency characteristic coefficient, Di (p.u. MW/Hz) | 0.87 | 1.23 |
| Governor time constant, tgi (s) | 0.23 | 0.27 |
| Turbine time constant, tchi (s) | 0.56 | 0.45 |
| Capacity distribution coefficients for frequency regulation of units, ksgi | 0.80 | 0.70 |
| Capacity distribution coefficients for frequency regulation of EVs, ksevi | 0.20 | 0.30 |
| Frequency response coefficients of evs, kevi (p.u. MV/Hz) | 3.00 | 2.00 |
| Equivalent time constant of batteries, tevi (s) | 0.12 | 0.20 |
| Tie line synchronization coefficient, Ti (p.u. MV/Hz) | 2.00 | |
| Performance | df/Hz | dPG/p.u. | dPEV/p.u. | |
|---|---|---|---|---|
| Overshoot | τ = 0 | −4.2 × 10−3 | 0.023 | 0.078 |
| τ = 0.2 s | −4.3 × 10−3 | 0.020 | 0.192 | |
| τ = 0.4 s | −9.7 × 10−3 | 0.028 | 0.244 | |
| Stabilization Time (s) | τ = 0 | 1.7 | 2.2 | 2.5 |
| τ = 0.2 s | 2.4 | 2.8 | 2.9 | |
| τ = 0.4 s | 3.9 | 3.8 | 4.1 | |
© 2017 by the authors. Licensee MDPI, Basel, Switzerland. This article is an open access article distributed under the terms and conditions of the Creative Commons Attribution (CC BY) license (http://creativecommons.org/licenses/by/4.0/).
Share and Cite
Guo, Y.; Zhang, L.; Zhao, J.; Wen, F.; Salam, A.; Mao, J.; Li, L. Networked Control of Electric Vehicles for Power System Frequency Regulation with Random Communication Time Delay. Energies 2017, 10, 621. https://doi.org/10.3390/en10050621
Guo Y, Zhang L, Zhao J, Wen F, Salam A, Mao J, Li L. Networked Control of Electric Vehicles for Power System Frequency Regulation with Random Communication Time Delay. Energies. 2017; 10(5):621. https://doi.org/10.3390/en10050621
Chicago/Turabian StyleGuo, Yunpeng, Liyan Zhang, Junhua Zhao, Fushuan Wen, Abdus Salam, Jianwei Mao, and Liang Li. 2017. "Networked Control of Electric Vehicles for Power System Frequency Regulation with Random Communication Time Delay" Energies 10, no. 5: 621. https://doi.org/10.3390/en10050621
APA StyleGuo, Y., Zhang, L., Zhao, J., Wen, F., Salam, A., Mao, J., & Li, L. (2017). Networked Control of Electric Vehicles for Power System Frequency Regulation with Random Communication Time Delay. Energies, 10(5), 621. https://doi.org/10.3390/en10050621

