Development of Novel Robust Regulator for Maximum Wind Energy Extraction Based upon Perturbation and Observation
Abstract
:1. Introduction
2. Modelling of WECS and Linearization Analysis
2.1. Modelling of Wind Turbine and PMSG
2.2. Linearization Analysis of WECS
3. A New MPPT Strategy Based on the Optimal Power Constant Curve
3.1. Detailed Analysis of the Proposed MPPT Strategy
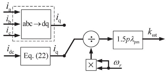
3.2. Estimator of Mechanical Power Coefficient
4. Design and Analysis of POR-Based MPPT and Speed Controllers
4.1. Design of POR-Based MPPT and Speed Controllers
4.2. Convergence Analysis of the Proposed Speed Controller
4.3. Stability Analysis of the Proposed Speed Controller
5. Simulation Verification
5.1. Case 1: Step Response of POR-MPPT Control
5.2. Case 2: Comparison of the POR-MPPT with HCS and IHCS in Transient Performance
5.3. Case 3: Model Parameters Uncertainty Verification
5.4. Case 4: Maximum Power Extraction under Random Wind Speeds
6. Experimental Verification
7. Conclusions
Acknowledgments
Author Contributions
Conflicts of Interest
Nomenclature
Air density () | |
| A | Effective area swept by wind turbine () |
Wind turbine power conversion coefficient | |
Maximum value of wind turbine power conversion coefficient | |
| r | Turbine radius () |
Rotor speed of turbine () | |
Tip speed ratio | |
Optimal value of tip speed ratio | |
Pitch angle | |
components of the stator voltage () | |
components of the stator current () | |
components of the stator inductances () | |
Stator resistance () | |
| p | Number of machine poles |
Permanent magnet flux linkage () | |
Wind turbine torque () | |
Generator torque () | |
Rotor inertia () | |
Damping coefficient | |
Generator rectification voltage () | |
Inductor current () | |
| d | Duty cycle |
Generator rectification voltage constant | |
Mechanical power coefficient | |
Optimal power constant | |
Power coefficient difference | |
Rotor speed difference () | |
Pre-determined thresholds | |
Weight factors | |
Step size | |
Optimal mechanical power () | |
| R | Load resistance () |
Appendix A. Conventional PI-Based, HCS-Based and IHCS-Based Control Strategies
Appendix A.1. PI-Based Control Strategy

Appendix A.2. HCS-Based Control Strategy

Appendix A.3. IHCS-Based Control Strategy

Appendix B. Parameters of the Studied WECS for Simulation
Appendix C. Parameters of the Studied WECS for Experiment
References
- Liserre, M.; Cardenas, R.; Molinas, M.; Rodriguez, J. Overview of multi-MW wind turbines and wind parks. IEEE Trans. Ind. Electron. 2011, 58, 1081–1095. [Google Scholar] [CrossRef]
- Zou, Y.; Elbuluk, M.E.; Sozer, Y. Stability analysis of maximum power point tracking (MPPT) method in wind power systems. IEEE Trans. Ind. Appl. 2013, 49, 1129–1136. [Google Scholar] [CrossRef]
- Ramasamy, B.; Palaniappan, A.; Yakoh, S. Direct-drive low-speed wind energy conversion system incorporating axial-type permanent magnet generator and Z-source inverter with sensorless maximum power point tracking controller. IET Renew. Power Generat. 2013, 7, 284–295. [Google Scholar] [CrossRef]
- Chen, J.; Chen, J.; Gong, C. New overall power control strategy for variable-speed fixed-pitch wind turbines within the whole wind velocity range. IEEE Trans. Ind. Electron. 2013, 60, 2652–2660. [Google Scholar] [CrossRef]
- Kim, K.H.; Lee, D.C.; Kim, J.M. Fast tracking control for maximum output power in wind turbine systems. In Proceedings of the 2010 20th Australasian Universities Power Engineering Conference (AUPEC), Sydney, Australia, 5–8 December 2010. [Google Scholar]
- Kim, K.H.; Van, T.L.; Lee, D.C.; Song, S.H.; Kim, E.H. Maximum output power tracking control in variable-speed wind turbine systems considering rotor inertial power. IEEE Trans. Ind. Electron. 2013, 60, 3207–3217. [Google Scholar] [CrossRef]
- Ghasemi, S.; Tabesh, A.; Askari-Marnani, J. Application of fractional calculus theory to robust controller design for wind turbine generators. IEEE Trans. Energy Convers. 2014, 29, 780–787. [Google Scholar] [CrossRef]
- Satpathy, A.S.; Kishore, N.; Kastha, D.; Sahoo, N. Control scheme for a stand-alone wind energy conversion system. IEEE Trans. Energy Convers. 2014, 29, 418–425. [Google Scholar]
- Zhao, H.; Wu, Q.; Rasmussen, C.N.; Blanke, M. L1 Adaptive speed control of a small wind energy conversion system for maximum power point tracking. IEEE Trans. Energy Convers. 2014, 29, 576–584. [Google Scholar] [CrossRef]
- Dalala, Z.M.; Zahid, Z.U.; Yu, W.; Cho, Y.; Lai, J.S.J. Design and analysis of an MPPT technique for small-scale wind energy conversion systems. IEEE Trans. Energy Convers. 2013, 28, 756–767. [Google Scholar] [CrossRef]
- Koutroulis, E.; Kalaitzakis, K. Design of a maximum power tracking system for wind-energy-conversion applications. IEEE Trans. Ind. Electron. 2006, 53, 486–494. [Google Scholar] [CrossRef]
- Datta, R.; Ranganathan, V.T. A method of tracking the peak power points for a variable speed wind energy conversion system. IEEE Trans. Energy Convers. 2003, 18, 163–168. [Google Scholar] [CrossRef]
- Heo, S.Y.; Kim, M.K.; Choi, J.W. Hybrid intelligent control method to improve the frequency support capability of wind energy conversion systems. Energies 2015, 8, 11430–11451. [Google Scholar] [CrossRef]
- Zhang, D.; Wang, Y.; Hu, J.; Ma, S.; He, Q.; Guo, Q. Impacts of PLL on the DFIG-based WTG’s electromechanical response under transient conditions: Analysis and modelling. CSEE J. Power Energy Syst. 2016, 2, 30–39. [Google Scholar] [CrossRef]
- Corradini, M.L.; Ippoliti, G.; Orlando, G. Robust control of variable-speed wind turbines based on an aerodynamic torque observer. IEEE Trans. Control Syst. Technol. 2013, 21, 1199–1206. [Google Scholar] [CrossRef]
- Beltran, B.; Benbouzid, M.E.H.; Ahmed-Ali, T. Second-order sliding mode control of a doubly fed induction generator driven wind turbine. IEEE Trans. Energy Convers. 2012, 27, 261–269. [Google Scholar] [CrossRef]
- Zhu, Y.; Cheng, M.; Hua, W.; Wang, W. A novel maximum power point tracking control for permanent magnet direct drive wind energy conversion systems. Energies 2012, 5, 1398–1412. [Google Scholar] [CrossRef]
- Phan, D.C.; Yamamoto, S. Maximum energy output of a DFIG wind turbine using an improved MPPT-curve method. Energies 2015, 8, 11718–11736. [Google Scholar] [CrossRef]
- Pan, C.T.; Juan, Y.L. A novel sensorless MPPT controller for a high-efficiency microscale wind power generation system. IEEE Trans. Energy Convers. 2010, 25, 207–216. [Google Scholar]
- Mahadi, A.; Tang, W.H.; Wu, Q.H. Derivation of a complete transfer function for a wind turbine generator system by experiments. In Proceedings of the 2011 IEEE Power Engineering and Automation Conference (PEAM), Wuhan, China, 8–9 September 2011; pp. 35–38. [Google Scholar]
- Tang, W.H.; Wu, Q.H.; Mahdi, A.J. Parameter identification of a PMSG using a PSO algorithm based on experimental tests. In Proceedings of the 2010 1st International Conference on Energy, Power and Control (EPC-IQ), Basra, Iraq, 30 November–2 December 2010. [Google Scholar]
- Kotti, R.; Shireen, W. Maximum power point tracking of a variable speed PMSG wind power system with DC link reduction technique. In Proceedings of the 2014 IEEE PES General Meeting, Conference & Exposition, Washington, DC, USA, 27–31 July 2014. [Google Scholar]
- Jeong, H.G.; Seung, R.H.; Lee, K.B. An improved maximum power point tracking method for wind power systems. Energies 2012, 5, 1339–1354. [Google Scholar] [CrossRef]
- Billy, P.; Muhando, E.; Senjyu, T.; Uehara, A.; Funabashi, T. Gain-Scheduled H∞ control for WECS via LMI techniques and parametrically dependent feedback Part I: model development fundamentals. IEEE Trans. Ind. Electron. 2011, 58, 48–56. [Google Scholar]
- Kazmi, S.M.R.; Goto, H.; Guo, H.J.; Ichinokura, O. A novel algorithm for fast and efficient speed-sensorless maximum power point tracking in wind energy conversion systems. IEEE Trans. Ind. Electron. 2011, 58, 29–36. [Google Scholar] [CrossRef]
- Pucci, M. Induction machines sensors-less wind generator with integrated intelligent maximum power point tracking and electric losses minimisation technique. IET Control Theory Appl. 2015, 9, 1831–1838. [Google Scholar] [CrossRef]
- Utkin, V.; Guldner, J.; Shi, J. Sliding Mode Control in Electro-Mechanical Systems; CRC Press: Boca Raton, FL, USA, 2009. [Google Scholar]
- Bartolini, G.; Orani, N.; Pisano, A.; Usai, E. Higher-order sliding mode approaches for control and estimation in electrical drives. In Advances in Variable Structure and Sliding Mode Control; Springer: Berlin/Heidelberg, Gemany, 2006; pp. 423–445. [Google Scholar]
- Feng, Y.; Zheng, J.; Yu, X.; Truong, N.V. Hybrid terminal sliding-mode observer design method for a permanent-magnet synchronous motor control system. IEEE Trans. Ind. Electron. 2009, 56, 3424–3431. [Google Scholar] [CrossRef]

















| Power Point | (rad/s) | (W) | ||
|---|---|---|---|---|
| A (Left side) | 37 | 700 | 0.0138 | <0 |
| B (Left side) | 45 | 800 | 0.0088 | <0 |
| (MPP) | 52 | 828 | 0.00705 | =0 |
| C (Right side) | 60 | 800 | 0.0037 | >0 |
| D (Right side) | 66 | 700 | 0.0024 | >0 |
| Rate of Change (Hz) | AAPD% of Mechanical Power | |||
|---|---|---|---|---|
| POR | PI | HCS | IHCS | |
| 3 | 1.32% | 2.69% | 3.93% | 1.45% |
| 6 | 1.57% | 3.77% | 4.31% | 1.65% |
© 2017 by the authors. Licensee MDPI, Basel, Switzerland. This article is an open access article distributed under the terms and conditions of the Creative Commons Attribution (CC BY) license (http://creativecommons.org/licenses/by/4.0/).
Share and Cite
Li, B.; Tang, W.; Xiahou, K.; Wu, Q. Development of Novel Robust Regulator for Maximum Wind Energy Extraction Based upon Perturbation and Observation. Energies 2017, 10, 569. https://doi.org/10.3390/en10040569
Li B, Tang W, Xiahou K, Wu Q. Development of Novel Robust Regulator for Maximum Wind Energy Extraction Based upon Perturbation and Observation. Energies. 2017; 10(4):569. https://doi.org/10.3390/en10040569
Chicago/Turabian StyleLi, Bo, Wenhu Tang, Kaishun Xiahou, and Qinghua Wu. 2017. "Development of Novel Robust Regulator for Maximum Wind Energy Extraction Based upon Perturbation and Observation" Energies 10, no. 4: 569. https://doi.org/10.3390/en10040569
APA StyleLi, B., Tang, W., Xiahou, K., & Wu, Q. (2017). Development of Novel Robust Regulator for Maximum Wind Energy Extraction Based upon Perturbation and Observation. Energies, 10(4), 569. https://doi.org/10.3390/en10040569

