Sensorless Control of Ultra-High-Speed PMSM via Improved PR and Adaptive Position Observer
Abstract
1. Introduction
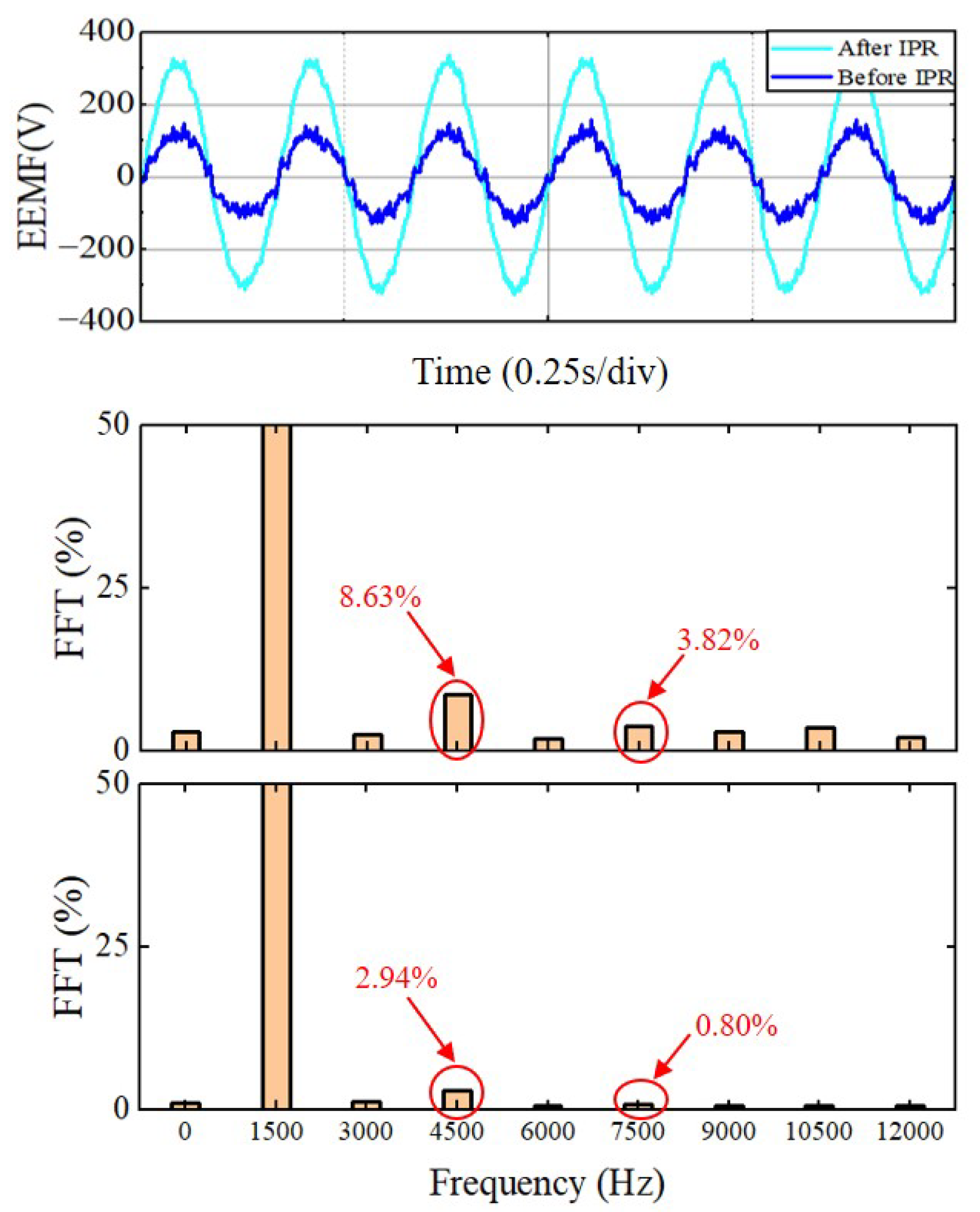
- We developed a discretized model of the conventional EEMF method and performed EMF decoupling under ultra-high-speed conditions.
- We substituted the PI controller in the EEMF method with an improved PR approach to eliminate harmonics during ultra-high-speed motor operation and eliminate static error.
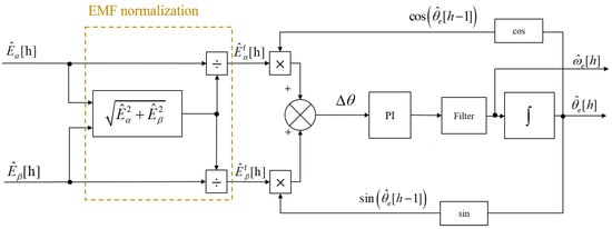
- We added a quadrature phase-locked loop with adaptive bandwidth (AQPLL) to replace the traditional QPLL, enabling real-time bandwidth adjustment to enhance the dynamic tracking of rotor position, thereby maximizing the motor acceleration capability.
- The improved algorithm was embedded in a DSP, and an experimental platform was built using a 90,000 rpm and 30 kW motor to confirm the efficacy of all the suggested sensorless drive techniques.
2. Extended EMF Method
2.1. Principle of Extended Back EMF Method
2.2. Discrete Extended Back EMF Model
2.3. PLL
2.4. LPF
3. PR
Traditional Dual-Integrator Proportional Resonant Controller
4. AQPLL
4.1. Quadrature PLL with Adaptive Bandwidth
4.2. Stability Analysis
4.3. Phase Compensation
5. Simulation and Experimental Results
5.1. Comparison of the Acceleration Performance Between Improved and Traditional Methods at Low Carrier Ratios
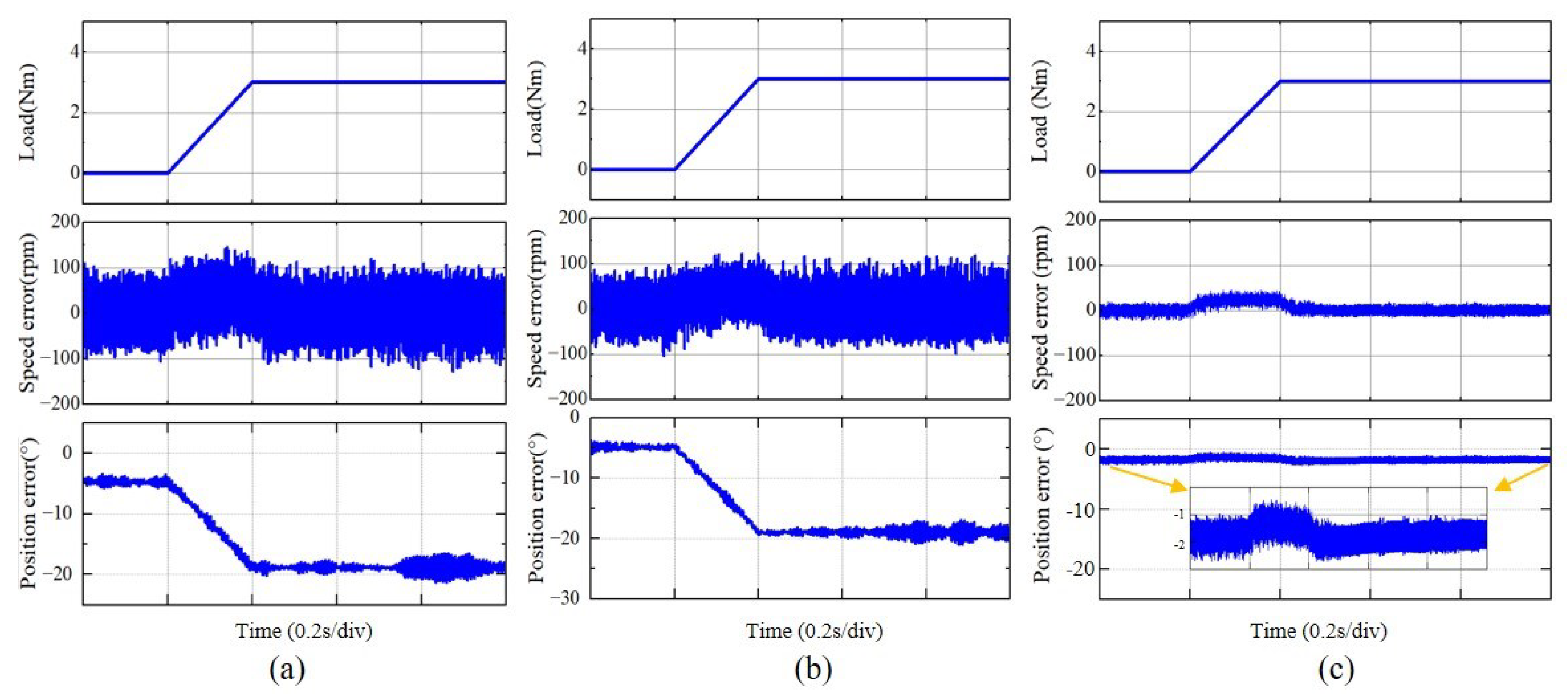
5.2. Comparison of Load Performance Between Improved and Traditional Methods at Low Carrier Ratios
5.3. Local Characteristics of Motor Control Methods
6. Conclusions
Author Contributions
Funding
Institutional Review Board Statement
Informed Consent Statement
Data Availability Statement
Acknowledgments
Conflicts of Interest
References
- Krähenbühl, D.; Zwyssig, C.; Weser, H.; Kolar, J.W. A miniature 500,000-r/min electrically driven turbocompressor. IEEE Trans. Ind. Appl. 2010, 46, 2459–2466. [Google Scholar] [CrossRef]
- Gerada, D.; Mebarki, A.; Brown, N.L.; Gerada, C.; Cavagnino, A.; Boglietti, A. High-speed electrical machines: Technologies, trends, and developments. IEEE Trans. Ind. Electron. 2013, 61, 2946–2959. [Google Scholar] [CrossRef]
- Tenconi, A.; Vaschetto, S.; Vigliani, A. Electrical machines for high-speed applications: Design considerations and tradeoffs. IEEE Trans. Ind. Electron. 2013, 61, 3022–3029. [Google Scholar] [CrossRef]
- Nicola, M.; Nicola, C.I.; Ionete, C.; Șendrescu, D.; Roman, M. Improved Performance for PMSM Sensorless Control Based on Robust-Type Controller, ESO-Type Observer, Multiple Neural Networks, and RL-TD3 Agent. Sensors 2023, 23, 5799. [Google Scholar] [CrossRef]
- Liang, D.; Li, J.; Qu, R.; Kong, W. Adaptive second-order sliding-mode observer for PMSM sensorless control considering VSI nonlinearity. IEEE Trans. Power Electron. 2017, 33, 8994–9004. [Google Scholar] [CrossRef]
- Ye, T.; Dai, N.; Lam, C.S.; Wong, M.C.; Guerrero, J.M. Analysis, design, and implementation of a quasi-proportional-resonant controller for a multifunctional capacitive-coupling grid-connected inverter. IEEE Trans. Ind. Appl. 2016, 52, 4269–4280. [Google Scholar] [CrossRef]
- Wang, D.; Liu, X. Sensorless Control of PMSM with Improved Adaptive Super-Twisting Sliding Mode Observer and IST-QSG. IEEE Trans. Transp. Electrif. 2024; early access. [Google Scholar]
- Zhang, X.; Li, H.; Shao, M. Fixed-Time-Convergent Sliding Mode Control with Sliding Mode Observer for PMSM Speed Regulation. Sensors 2024, 24, 1561. [Google Scholar] [CrossRef]
- Zhu, G.; Kaddouri, A.; Dessaint, L.A.; Akhrif, O. A nonlinear state observer for the sensorless control of a permanent-magnet AC machine. IEEE Trans. Ind. Electron. 2001, 48, 1098–1108. [Google Scholar]
- Po-Ngam, S.; Sangwongwanich, S. Stability and dynamic performance improvement of adaptive full-order observers for sensorless PMSM drive. IEEE Trans. Power Electron. 2011, 27, 588–600. [Google Scholar] [CrossRef]
- Smidl, V.; Peroutka, Z. Advantages of square-root extended Kalman filter for sensorless control of AC drives. IEEE Trans. Ind. Electron. 2011, 59, 4189–4196. [Google Scholar] [CrossRef]
- Sun, X.; Cao, J.; Lei, G.; Guo, Y.; Zhu, J. A robust deadbeat predictive controller with delay compensation based on composite sliding-mode observer for PMSMs. IEEE Trans. Power Electron. 2021, 36, 10742–10752. [Google Scholar] [CrossRef]
- Deng, Y.; Zhu, J.; Liu, H. The Improved Particle Swarm Optimization Method: An Efficient Parameter Tuning Method with the Tuning Parameters of a Dual-Motor Active Disturbance Rejection Controller. Sensors 2023, 23, 8605. [Google Scholar] [CrossRef]
- Wang, T.; Huang, J.; Ye, M.; Chen, J.; Kong, W.; Kang, M.; Yu, M. An EMF observer for PMSM sensorless drives adaptive to stator resistance and rotor flux linkage. IEEE J. Emerg. Sel. Top. Power Electron. 2018, 7, 1899–1913. [Google Scholar] [CrossRef]
- Kim, H.; Degner, M.W.; Guerrero, J.M.; Briz, F.; Lorenz, R.D. Discrete-time current regulator design for AC machine drives. IEEE Trans. Ind. Appl. 2010, 46, 1425–1435. [Google Scholar]
- Hinkkanen, M.; Awan, H.A.A.; Qu, Z.; Tuovinen, T.; Briz, F. Current control for synchronous motor drives: Direct discrete-time pole-placement design. IEEE Trans. Ind. Appl. 2015, 52, 1530–1541. [Google Scholar] [CrossRef]
- Yim, J.S.; Sul, S.K.; Bae, B.H.; Patel, N.R.; Hiti, S. Modified current control schemes for high-performance permanent-magnet AC drives with low sampling to operating frequency ratio. IEEE Trans. Ind. Appl. 2009, 45, 763–771. [Google Scholar] [CrossRef]
- Zhang, G.; Wang, G.; Xu, D.; Yu, Y. Discrete-time low-frequency-ratio synchronous-frame full-order observer for position sensorless IPMSM drives. IEEE J. Emerg. Sel. Top. Power Electron. 2017, 5, 870–879. [Google Scholar] [CrossRef]
- Wang, G.; Zhan, H.; Zhang, G.; Gui, X.; Xu, D. Adaptive compensation method of position estimation harmonic error for EMF-based observer in sensorless IPMSM drives. IEEE Trans. Power Electron. 2013, 29, 3055–3064. [Google Scholar] [CrossRef]
- Cheng, H.; Sun, S.; Zhou, X.; Shao, D.; Mi, S.; Hu, Y. Sensorless DPCC of PMLSM using SOGI-PLL-based high-order SMO with cogging force feedforward compensation. IEEE Trans. Transp. Electrif. 2021, 8, 1094–1104. [Google Scholar] [CrossRef]
- Jin, R.; Chen, J.; Hu, P.; Li, J. Optimizing Sensorless Control in PMSM Based on the SOGIFO-X Flux Observer Algorithm. Sensors 2024, 24, 817. [Google Scholar] [CrossRef]
- An, Q.; Zhang, J.; An, Q.; Shamekov, A. Quasi-Proportional-Resonant Controller Based Adaptive Position Observer for Sensorless Control of PMSM Drives Under Low Carrier Ratio. IEEE Trans. Ind. Electron. 2020, 67, 2564–2573. [Google Scholar] [CrossRef]
- Wang, G.; Li, Z.; Zhang, G.; Yu, Y.; Xu, D. Quadrature PLL-based high-order sliding-mode observer for IPMSM sensorless control with online MTPA control strategy. IEEE Trans. Energy Convers. 2012, 28, 214–224. [Google Scholar] [CrossRef]
- Lara, J.; Xu, J.; Chandra, A. A novel algorithm based on polynomial approximations for an efficient error compensation of magnetic analog encoders in PMSMs for EVs. IEEE Trans. Ind. Electron. 2016, 63, 3377–3388. [Google Scholar] [CrossRef]
- Wang, G.; Li, T.; Zhang, G.; Gui, X.; Xu, D. Position estimation error reduction using recursive-least-square adaptive filter for model-based sensorless interior permanent-magnet synchronous motor drives. IEEE Trans. Ind. Electron. 2013, 61, 5115–5125. [Google Scholar] [CrossRef]
- Volpato Filho, C.J.; Vieira, R.P. Adaptive full-order observer analysis and design for sensorless interior permanent magnet synchronous motors drives. IEEE Trans. Ind. Electron. 2020, 68, 6527–6536. [Google Scholar] [CrossRef]
- Bolognani, S.; Calligaro, S.; Petrella, R. Design issues and estimation errors analysis of back-EMF-based position and speed observer for SPM synchronous motors. IEEE J. Emerg. Sel. Top. Power Electron. 2014, 2, 159–170. [Google Scholar] [CrossRef]
- Yang, S.C.; Chen, G.R. High-speed position-sensorless drive of permanent-magnet machine using discrete-time EMF estimation. IEEE Trans. Ind. Electron. 2017, 64, 4444–4453. [Google Scholar] [CrossRef]
- Harnefors, L.; Nee, H.P. A general algorithm for speed and position estimation of AC motors. IEEE Trans. Ind. Electron. 2000, 47, 77–83. [Google Scholar] [CrossRef]
- Zhang, G.; Wang, G.; Xu, D.; Zhao, N. ADALINE-network-based PLL for position sensorless interior permanent magnet synchronous motor drives. IEEE Trans. Power Electron. 2015, 31, 1450–1460. [Google Scholar] [CrossRef]
- Zou, C.; Liu, B.; Duan, S.; Li, R. Stationary frame equivalent model of proportional-integral controller in dq synchronous frame. IEEE Trans. Power Electron. 2014, 29, 4461–4465. [Google Scholar] [CrossRef]
- Yepes, A.G.; Freijedo, F.D.; Doval-Gandoy, J.; López, Ó.; Malvar, J.; Fernandez-Comesana, P. Effects of discretization methods on the performance of resonant controllers. IEEE Trans. Power Electron. 2010, 25, 1692–1712. [Google Scholar] [CrossRef]
- Bojoi, R.; Limongi, L.R.; Profumo, F.; Roiu, D.; Tenconi, A. Analysis of current controllers for active power filters using selective harmonic compensation schemes. IEEJ Trans. Electr. Electron. Eng. 2009, 4, 139–157. [Google Scholar] [CrossRef]
- Bojoi, R.I.; Griva, G.; Bostan, V.; Guerriero, M.; Farina, F.; Profumo, F. Current control strategy for power conditioners using sinusoidal signal integrators in synchronous reference frame. IEEE Trans. Power Electron. 2005, 20, 1402–1412. [Google Scholar] [CrossRef]
- Yepes, A.G.; Freijedo, F.D.; López, O.; Doval-Gandoy, J. High-performance digital resonant controllers implemented with two integrators. IEEE Trans. Power Electron. 2010, 26, 563–576. [Google Scholar] [CrossRef]
- Novak, Z.; Novak, M. Adaptive PLL-Based Sensorless Control for Improved Dynamics of High-Speed PMSM. IEEE Trans. Power Electron. 2022, 37, 10154–10165. [Google Scholar] [CrossRef]
- Raja, R.; Sebastian, T.; Wang, M.; Gebregergis, A.; Islam, M.S. Effect of position sensor error on the performance of permanent magnet machine drives. IEEE Trans. Ind. Appl. 2017, 53, 5518–5526. [Google Scholar] [CrossRef]

















| Parameter | Symbol | Value |
|---|---|---|
| DC Voltage | (V) | 800 |
| Rated Power | (kW) | 30 |
| Rated Speed | (r/min) | 90,000 |
| Rated Torque | (N·m) | 3.75 |
| Number of Pole Pairs | / | 1 |
| Rated Frequency | (Hz) | 1500 |
| Stator Resistance | R () | 0.03 |
| d/q-axis Inductance | () | 115 |
| Permanent Magnet Flux | (Wb) | 0.043 |
| Moment of Inertia | J (kg·) | |
| Switching Frequency | (kHz) | 20 |
Disclaimer/Publisher’s Note: The statements, opinions and data contained in all publications are solely those of the individual author(s) and contributor(s) and not of MDPI and/or the editor(s). MDPI and/or the editor(s) disclaim responsibility for any injury to people or property resulting from any ideas, methods, instructions or products referred to in the content. |
© 2025 by the authors. Licensee MDPI, Basel, Switzerland. This article is an open access article distributed under the terms and conditions of the Creative Commons Attribution (CC BY) license (https://creativecommons.org/licenses/by/4.0/).
Share and Cite
Bai, X.; Huang, W.; Gao, C.; Wu, Y. Sensorless Control of Ultra-High-Speed PMSM via Improved PR and Adaptive Position Observer. Sensors 2025, 25, 1290. https://doi.org/10.3390/s25051290
Bai X, Huang W, Gao C, Wu Y. Sensorless Control of Ultra-High-Speed PMSM via Improved PR and Adaptive Position Observer. Sensors. 2025; 25(5):1290. https://doi.org/10.3390/s25051290
Chicago/Turabian StyleBai, Xiyue, Weiguang Huang, Chuang Gao, and Yingna Wu. 2025. "Sensorless Control of Ultra-High-Speed PMSM via Improved PR and Adaptive Position Observer" Sensors 25, no. 5: 1290. https://doi.org/10.3390/s25051290
APA StyleBai, X., Huang, W., Gao, C., & Wu, Y. (2025). Sensorless Control of Ultra-High-Speed PMSM via Improved PR and Adaptive Position Observer. Sensors, 25(5), 1290. https://doi.org/10.3390/s25051290

