TopoRF-Net: Topology-Aware Road Segmentation in Multi-Resolution Remote Sensing via Multi-Receptive Field Adaptation
Abstract
1. Introduction
2. Related Work
2.1. Multi-Resolution Remote Sensing Scene Analysis
2.2. Road and Line Feature Extraction
2.3. Topological Structure Preservation and Loss Function Design
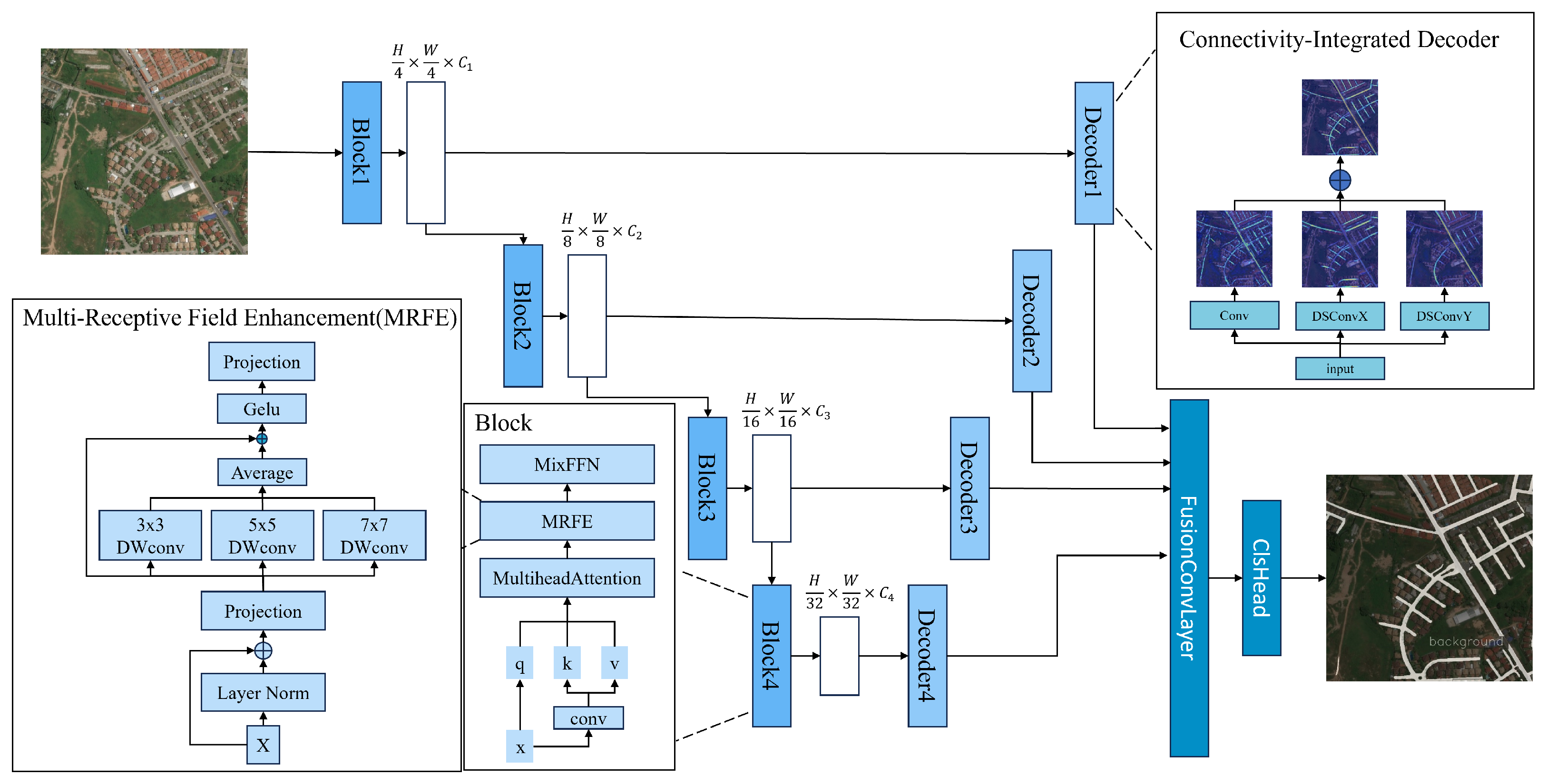
3. Methodology
3.1. Overall Architecture
3.2. Multi-Receptive Field Enhancement Modules (MRFE)
3.3. Connectivity-Inherent Decoder(CI-Decoder)
3.4. Loss Function and Training Strategy
4. Experimental Setup and Results Analysis
4.1. Experimental Setup and DataSets
4.2. Evaluation Indicators
4.3. Analysis of Experimental Results for the DeepGlobe Road Dataset
4.4. Analysis of Experimental Results from the Massachusetts Dataset
4.5. Visualization Results Analysis
4.6. Ablation Study
5. Discussion and Conclusions
Author Contributions
Funding
Data Availability Statement
Acknowledgments
Conflicts of Interest
References
- He, S.; Bastani, F.; Jagwani, S.; Alizadeh, M.; Balakrishnan, H.; Chawla, S.; Elshrif, M.M.; Madden, S.; Sadeghi, M.A. Sat2Graph: Road Graph Extraction Through Graph-Tensor Encoding. In Proceedings of the Computer Vision—ECCV 2020, Glasgow, UK, 23–28 August 2020; Vedaldi, A., Bischof, H., Brox, T., Frahm, J.M., Eds.; Springer International Publishing: Cham, Siwtzerland, 2020; Volume 12369, pp. 51–67. [Google Scholar] [CrossRef]
- Demir, I.; Koperski, K.; Lindenbaum, D.; Pang, G.; Huang, J.; Basu, S.; Hughes, F.; Tuia, D.; Raskar, R. DeepGlobe 2018: A Challenge to Parse the Earth through Satellite Images. In Proceedings of the 2018 IEEE/CVF Conference on Computer Vision and Pattern Recognition Workshops (CVPRW), Salt Lake City, UT, USA, 18–22 June 2018; pp. 172–17209. [Google Scholar] [CrossRef]
- Etten, A.V.; Lindenbaum, D.; Bacastow, T.M. SpaceNet: A Remote Sensing Dataset and Challenge Series. arXiv 2019. [CrossRef]
- Xie, E.; Wang, W.; Yu, Z.; Anandkumar, A.; Alvarez, J.M.; Luo, P. SegFormer: Simple and Efficient Design for Semantic Segmentation with Transformers. In Advances in Neural Information Processing Systems; Curran Associates, Inc.: Red Hook, NY, USA, 2021; Volume 34, pp. 12077–12090. [Google Scholar]
- Zheng, S.; Lu, J.; Zhao, H.; Zhu, X.; Luo, Z.; Wang, Y.; Fu, Y.; Feng, J.; Xiang, T.; Torr, P.H.; et al. Rethinking Semantic Segmentation from a Sequence-to-Sequence Perspective with Transformers. In Proceedings of the 2021 IEEE/CVF Conference on Computer Vision and Pattern Recognition (CVPR), Nashville, TN, USA, 20–25 June 2021; pp. 6877–6886. [Google Scholar] [CrossRef]
- Chen, L.C.; Papandreou, G.; Schroff, F.; Adam, H. Rethinking Atrous Convolution for Semantic Image Segmentation. arXiv 2017. [Google Scholar] [CrossRef]
- Zhao, H.; Shi, J.; Qi, X.; Wang, X.; Jia, J. Pyramid Scene Parsing Network. In Proceedings of the 2017 IEEE Conference on Computer Vision and Pattern Recognition (CVPR), Honolulu, HI, USA, 21–26 July 2017; pp. 6230–6239. [Google Scholar] [CrossRef]
- Mosinska, A.; Marquez-Neila, P.; Kozinski, M.; Fua, P. Beyond the Pixel-Wise Loss for Topology-Aware Delineation. In Proceedings of the 2018 IEEE/CVF Conference on Computer Vision and Pattern Recognition, Salt Lake City, UT, USA, 18–23 June 2018; pp. 3136–3145. [Google Scholar] [CrossRef]
- Batra, A.; Singh, S.; Pang, G.; Basu, S.; Jawahar, C.; Paluri, M. Improved Road Connectivity by Joint Learning of Orientation and Segmentation. In Proceedings of the 2019 IEEE/CVF Conference on Computer Vision and Pattern Recognition (CVPR), Long Beach, CA, USA, 16–20 June 2019; pp. 10377–10385. [Google Scholar] [CrossRef]
- Yao, M.; Zhang, Y.; Liu, G.; Pang, D. SSNet: A Novel Transformer and CNN Hybrid Network for Remote Sensing Semantic Segmentation. IEEE J. Sel. Top. Appl. Earth Obs. Remote Sens. 2024, 17, 3023–3037. [Google Scholar] [CrossRef]
- Bai, X.; Li, X.; Miao, J.; Shen, H. A Front-Back View Fusion Strategy and a Novel Dataset for Super Tiny Object Detection in Remote Sensing Imagery. Knowl.-Based Syst. 2025, 326, 114051. [Google Scholar] [CrossRef]
- Luo, W.; Li, Y.; Urtasun, R.; Zemel, R. Understanding the Effective Receptive Field in Deep Convolutional Neural Networks. In Advances in Neural Information Processing Systems; Curran Associates, Inc.: Red Hook, NY, USA, 2016; Volume 29. [Google Scholar]
- Dosovitskiy, A.; Beyer, L.; Kolesnikov, A.; Weissenborn, D.; Zhai, X.; Unterthiner, T.; Dehghani, M.; Minderer, M.; Heigold, G.; Gelly, S.; et al. Vision transformer: An Image Is Worth 16x16 Words: Transformers for Image Recognition at Scale. arXiv 2020. [Google Scholar] [CrossRef]
- Vaswani, A.; Shazeer, N.; Parmar, N.; Uszkoreit, J.; Jones, L.; Gomez, A.N.; Kaiser, Ł.; Polosukhin, I. Attention Is All You Need. In Advances in Neural Information Processing Systems; Curran Associates, Inc.: Red Hook, NY, USA, 2017; Volume 30. [Google Scholar]
- Khan, S.H.; Naseer, M.; Hayat, M.; Zamir, S.W.; Khan, F.S.; Shah, M. Transformers in Vision: A Survey. ACM Comput. Surv. 2022, 54, 200. [Google Scholar] [CrossRef]
- Zhang, J.; Lin, S.; Ding, L.; Bruzzone, L. Multi-Scale Context Aggregation for Semantic Segmentation of Remote Sensing Images. Remote Sens. 2020, 12, 701. [Google Scholar] [CrossRef]
- Xu, Z.; Zhang, W.; Zhang, T.; Yang, Z.; Li, J. Efficient Transformer for Remote Sensing Image Segmentation. Remote Sens. 2021, 13, 3585. [Google Scholar] [CrossRef]
- Ding, L.; Lin, D.; Lin, S.; Zhang, J.; Cui, X.; Wang, Y.; Tang, H.; Bruzzone, L. Looking Outside the Window: Wide-Context Transformer for the Semantic Segmentation of High-Resolution Remote Sensing Images. IEEE Trans. Geosci. Remote Sens. 2022, 60, 1–13. [Google Scholar] [CrossRef]
- Zunair, H.; Hamza, A.B. Masked Supervised Learning for Semantic Segmentation. In Proceedings of the 33rd British Machine Vision Conference 2022, BMVC 2022, London, UK, 21–24 November 2022; BMVA Press: London, UK, 2022; p. 417. [Google Scholar]
- Ronneberger, O.; Fischer, P.; Brox, T. U-Net: Convolutional Networks for Biomedical Image Segmentation. In Proceedings of the Medical Image Computing and Computer-Assisted Intervention—MICCAI 2015, Munich, Germany, 5–9 October 2015; pp. 234–241. [Google Scholar] [CrossRef]
- Yao, X. U-Net and Transformer-Based Remote Sensing Image Urban Road Recognition Method. In Proceedings of the 2024 5th International Conference on Computer Vision, Image and Deep Learning (CVIDL), Zhuhai, China, 19–21 April 2024; IEEE: New York, NY, USA; pp. 438–441. [Google Scholar] [CrossRef]
- Zhou, Z.; Rahman Siddiquee, M.M.; Tajbakhsh, N.; Liang, J. UNet++: A Nested U-Net Architecture for Medical Image Segmentation. In Proceedings of the Deep Learning in Medical Image Analysis and Multimodal Learning for Clinical Decision Support, Granada, Spain, 20 September 2018; Stoyanov, D., Taylor, Z., Carneiro, G., Syeda-Mahmood, T., Martel, A., Maier-Hein, L., Tavares, J.M.R., Bradley, A., Papa, J.P., Belagiannis, V., et al., Eds.; Springer: Cham, Switzerland, 2018; pp. 3–11. [Google Scholar] [CrossRef]
- Mosinska, A.; Kozinski, M.; Fua, P. Joint Segmentation and Path Classification of Curvilinear Structures. IEEE Trans. Pattern Anal. Mach. Intell. 2020, 42, 1515–1521. [Google Scholar] [CrossRef]
- Wang, F.; Gu, Y.; Liu, W.; Yu, Y.; He, S.; Pan, J. Context-Aware Spatio-Recurrent Curvilinear Structure Segmentation. In Proceedings of the 2019 IEEE/CVF Conference on Computer Vision and Pattern Recognition (CVPR), Long Beach, CA, USA, 16–20 June 2019; pp. 12640–12649. [Google Scholar] [CrossRef]
- Wang, W.; Yu, K.; Hugonot, J.; Fua, P.; Salzmann, M. Recurrent U-Net for Resource-Constrained Segmentation. In Proceedings of the ICCV 2019, Seoul, Republic of Korea, 27 October–2 November 2019; pp. 2142–2151. [Google Scholar] [CrossRef]
- Wang, B.; Liu, Q.; Hu, Z.; Wang, W.; Wang, Y. TERNformer: Topology-Enhanced Road Network Extraction by Exploring Local Connectivity. IEEE Trans. Geosci. Remote Sens. 2023, 61, 4406314. [Google Scholar] [CrossRef]
- Mei, J.; Li, R.J.; Gao, W.; Cheng, M.M. CoANet: Connectivity Attention Network for Road Extraction From Satellite Imagery. IEEE Trans. Image Process. 2021, 30, 8540–8552. [Google Scholar] [CrossRef]
- Jiang, X.; Li, Y.; Jiang, T.; Xie, J.; Wu, Y.; Cai, Q.; Jiang, J.; Xu, J.; Zhang, H. RoadFormer: Pyramidal Deformable Vision Transformers for Road Network Extraction with Remote Sensing Images. Int. J. Appl. Earth Obs. Geoinf. 2022, 113, 102987. [Google Scholar] [CrossRef]
- Wang, H.; Cao, P.; Wang, J.; Zaiane, O.R. UCTransNet: Rethinking the Skip Connections in U-Net from a Channel-Wise Perspective with Transformer. Proc. AAAI Conf. Artif. Intell. 2022, 36, 2441–2449. [Google Scholar] [CrossRef]
- Wang, J.; Sun, K.; Cheng, T.; Jiang, B.; Deng, C.; Zhao, Y.; Liu, D.; Mu, Y.; Tan, M.; Wang, X.; et al. Deep High-Resolution Representation Learning for Visual Recognition. IEEE Trans. Pattern Anal. Mach. Intell. 2020, 43, 3349–3364. [Google Scholar] [CrossRef] [PubMed]
- Yang, Z.; Zhou, D.; Yang, Y.; Zhang, J.; Chen, Z. TransRoadNet: A Novel Road Extraction Method for Remote Sensing Images via Combining High-Level Semantic Feature and Context. IEEE Geosci. Remote Sens. Lett. 2022, 19, 6509505. [Google Scholar] [CrossRef]
- Tan, X.; Xiao, Z.; Wan, Q.; Shao, W. Scale Sensitive Neural Network for Road Segmentation in High-Resolution Remote Sensing Images. IEEE Geosci. Remote Sens. Lett. 2021, 18, 533–537. [Google Scholar] [CrossRef]
- Zhu, Q.; Zhang, Y.; Wang, L.; Zhong, Y.; Guan, Q.; Lu, X.; Zhang, L.; Li, D. A Global Context-Aware and Batch-Independent Network for Road Extraction from VHR Satellite Imagery. ISPRS J. Photogramm. Remote Sens. 2021, 175, 353–365. [Google Scholar] [CrossRef]
- Wu, Q.; Luo, F.; Wu, P.; Wang, B.; Yang, H.; Wu, Y. Automatic Road Extraction from High-Resolution Remote Sensing Images Using a Method Based on Densely Connected Spatial Feature-Enhanced Pyramid. IEEE J. Sel. Top. Appl. Earth Obs. Remote Sens. 2021, 14, 3–17. [Google Scholar] [CrossRef]
- Zhou, M.; Sui, H.; Chen, S.; Wang, J.; Chen, X. BT-RoadNet: A Boundary and Topologically-Aware Neural Network for Road Extraction from High-Resolution Remote Sensing Imagery. ISPRS J. Photogramm. Remote Sens. 2020, 168, 288–306. [Google Scholar] [CrossRef]
- Wu, Z.; Zhang, J.; Zhang, L.; Liu, X.; Qiao, H. Bi-HRNet: A Road Extraction Framework from Satellite Imagery Based on Node Heatmap and Bidirectional Connectivity. Remote Sens. 2022, 14, 1732. [Google Scholar] [CrossRef]
- Guan, H.; Yu, Y.; Li, D.; Wang, H. RoadCapsFPN: Capsule Feature Pyramid Network for Road Extraction From VHR Optical Remote Sensing Imagery. IEEE Trans. Intell. Transp. Syst. 2022, 23, 11041–11051. [Google Scholar] [CrossRef]
- Wang, S.; Mu, X.; Yang, D.; He, H.; Zhao, P. Road Extraction from Remote Sensing Images Using the Inner Convolution Integrated Encoder-Decoder Network and Directional Conditional Random Fields. Remote Sens. 2021, 13, 465. [Google Scholar] [CrossRef]
- Abdollahi, A.; Pradhan, B.; Alamri, A. SC-RoadDeepNet: A New Shape and Connectivity-Preserving Road Extraction Deep Learning-Based Network From Remote Sensing Data. IEEE Trans. Geosci. Remote Sens. 2022, 60, 5617815. [Google Scholar] [CrossRef]
- Zao, Y.; Shi, Z. Richer U-Net: Learning More Details for Road Detection in Remote Sensing Images. IEEE Geosci. Remote Sens. Lett. 2022, 19, 3003105. [Google Scholar] [CrossRef]
- Wang, T.; Zhang, Z.; Yue, C.; Li, N.; Sun, C. RoadMamba: A Dual Branch Visual State Space Model for Road Surface Classification. arXiv 2025. [Google Scholar] [CrossRef]
- Fan, S.; Xie, J.; Zhuang, Y.; Chen, H.; Su, Z.; Li, L. BD-WNet: Boundary Decoupling-Based W-Shape Network for Road Segmentation in Optical Remote Sensing Imagery. IEEE J. Sel. Top. Appl. Earth Obs. Remote. Sens. 2025, 18, 15523–15536. [Google Scholar] [CrossRef]
- Liu, H.; Wang, C.; Zhao, J.; Chen, S.; Kong, H. Adaptive Fourier Convolution Network for Road Segmentation in Remote Sensing Images. IEEE Trans. Geosci. Remote Sens. 2024, 62, 5617214. [Google Scholar] [CrossRef]
- Liu, G.; Wang, Y.; Zhou, Y.; Yao, S.; Han, L. A Residual Complex Fourier for Road Segmentation in Remote Sensing Images. IEEE J. Sel. Top. Appl. Earth Obs. Remote Sens. 2025, 18, 23936–23950. [Google Scholar] [CrossRef]
- Tong, Z.; Li, Y.; Zhang, J.; He, L.; Gong, Y. MSFANet: Multiscale Fusion Attention Network for Road Segmentation of Multispectral Remote Sensing Data. Remote Sens. 2024, 15, 1978. [Google Scholar] [CrossRef]
- Zhang, R.; Zhu, W.; Li, Y.; Song, T.; Li, Z.; Yang, W.; Yang, L.; Zhou, T.; Xu, X. D-FusionNet: Road Extraction from Remote Sensing Images Using Dilated Convolutional Block. GISci. Remote Sens. 2023, 60, 2270806. [Google Scholar] [CrossRef]
- Zhang, H.; Yuan, H.; Shao, M.; Wang, J.; Liu, S. Swin-GAT Fusion Dual-Stream Hybrid Network for High-Resolution Remote Sensing Road Extraction. Remote Sens. 2025, 17, 2238. [Google Scholar] [CrossRef]
- Feng, W.; Guan, F.; Sun, C.; Xu, W. Road-SAM: Adapting the Segment Anything Model to Road Extraction From Large Very-High-Resolution Optical Remote Sensing Images. IEEE Geosci. Remote Sensing Lett. 2024, 21, 6012605. [Google Scholar] [CrossRef]
- Zao, Y.; Zou, Z.; Shi, Z. Topology-Guided Road Graph Extraction From Remote Sensing Images. IEEE Trans. Geosci. Remote Sens. 2024, 62, 4700614. [Google Scholar] [CrossRef]
- Gu, X.; Yu, S.; Huang, F.; Ren, S.; Fan, C. Consistency Self-Training Semi-Supervised Method for Road Extraction from Remote Sensing Images. Remote Sens. 2024, 16, 3945. [Google Scholar] [CrossRef]
- Yan, J.; Ji, S.; Wei, Y. A Combination of Convolutional and Graph Neural Networks for Regularized Road Surface Extraction. IEEE Trans. Geosci. Remote Sens. 2022, 60, 4409113. [Google Scholar] [CrossRef]
- He, W.; Xue, R.; Lu, F.; Xu, J.; Zhang, H. KDGraph: A Keypoint Detection Method for Road Graph Extraction From Remote Sensing Images. IEEE Trans. Geosci. Remote Sens. 2025, 63, 5604814. [Google Scholar] [CrossRef]
- Gong, D.; Ji, S. DeH4R: A Decoupled and Hybrid Method for Road Network Graph Extraction. arXiv 2025. [Google Scholar] [CrossRef]
- Shit, S.; Paetzold, J.C.; Sekuboyina, A.; Ezhov, I.; Unger, A.; Zhylka, A.; Pluim, J.P.W.; Bauer, U.; Menze, B.H. clDice—A Novel Topology-Preserving Loss Function for Tubular Structure Segmentation. In Proceedings of the 2021 IEEE/CVF Conference on Computer Vision and Pattern Recognition (CVPR), Nashville, TN, USA, 20–25 June 2021; pp. 16555–16564. [Google Scholar] [CrossRef]
- Wang, Y.; Wei, X.; Liu, F.; Chen, J.; Zhou, Y.; Shen, W.; Fishman, E.K.; Yuille, A.L. Deep Distance Transform for Tubular Structure Segmentation in CT Scans. In Proceedings of the 2020 IEEE/CVF Conference on Computer Vision and Pattern Recognition (CVPR), Seattle, WA, USA, 13–19 June 2020; pp. 3832–3841. [Google Scholar] [CrossRef]
- Ara’ujo, R.; Cardoso, J.S.; Oliveira, H.P. Topological Similarity Index and Loss Function for Blood Vessel Segmentation. arXiv 2021, arXiv:2107.14531. [Google Scholar] [CrossRef]
- Wong, C.C.; Vong, C.M. Persistent Homology Based Graph Convolution Network for Fine-Grained 3D Shape Segmentation. In Proceedings of the ICCV 2021, Montreal, QC, Canada, 10–17 October 2021; pp. 7078–7087. [Google Scholar] [CrossRef]
- Vasu, S.; Kozinski, M.; Citraro, L.; Fua, P. TopoAL: An Adversarial Learning Approach for Topology-Aware Road Segmentation. In Proceedings of the Computer Vision—ECCV 2020, Glasgow, UK, 23–28 August 2020; Vedaldi, A., Bischof, H., Brox, T., Frahm, J.M., Eds.; Springer International Publishing: Cham, Switzerland, 2020; Volume 12372, pp. 224–240. [Google Scholar] [CrossRef]
- Qi, Y.; He, Y.; Qi, X.; Zhang, Y.; Yang, G. Dynamic Snake Convolution Based on Topological Geometric Constraints for Tubular Structure Segmentation. In Proceedings of the ICCV 2023, Paris, France, 1–6 October 2023; pp. 6047–6056. [Google Scholar] [CrossRef]
- Mnih, V. Machine Learning for Aerial Image Labeling. PhD Thesis, University of Toronto, Toronto, ON, Canada, 2013. [Google Scholar]
- Wang, Z.; Li, J.; Tan, Z.; Liu, X.; Li, M. Swin-UperNet: A Semantic Segmentation Model for Mangroves and Spartina Alterniflora Loisel Based on UperNet. Electronics 2023, 12, 1111. [Google Scholar] [CrossRef]
- Chen, L.C.; Zhu, Y.; Papandreou, G.; Schroff, F.; Adam, H. Encoder-Decoder with Atrous Separable Convolution for Semantic Image Segmentation. In Proceedings of the Computer Vision—ECCV 2018, Munich, Germany, 8–14 September 2018; Ferrari, V., Hebert, M., Sminchisescu, C., Weiss, Y., Eds.; Springer International Publishing: Cham, Switzerland, 2018; Volume 11211, pp. 833–851. [Google Scholar] [CrossRef]
- Zhou, L.; Zhang, C.; Wu, M. D-LinkNet: LinkNet with Pretrained Encoder and Dilated Convolution for High Resolution Satellite Imagery Road Extraction. In Proceedings of the 2018 IEEE/CVF Conference on Computer Vision and Pattern Recognition Workshops (CVPRW), Salt Lake City, UT, USA, 18–22 June 2018; pp. 192–1924. [Google Scholar] [CrossRef]
- Guo, M.H.; Lu, C.Z.; Hou, Q.; Liu, Z.N.; Cheng, M.M.; Hu, S.M. SegNeXt: Rethinking Convolutional Attention Design for Semantic Segmentation. In Proceedings of the 36th International Conference on Neural Information Processing Systems, Red Hook, NY, USA, 28 November–9 December 2022; NIPS ’22. pp. 1140–1156. [Google Scholar]
- Song, J.; Sun, Y.; Cai, Z.; Xiao, L.; Huang, Y.; Zheng, Y. DUSA-UNet: Dual Sparse Attentive U-Net for Multiscale Road Network Extraction. IEEE Trans. Geosci. Remote Sens. 2025, 63, 5624514. [Google Scholar] [CrossRef]
- Wang, C.; Shi, W.; Lv, H. Construction of Remote Sensing Indices Knowledge Graph (RSIKG) Based on Semantic Hierarchical Graph. Remote Sens. 2024, 16, 158. [Google Scholar] [CrossRef]






| Method | Params (M) | OA (%) | IoU (%) | F1-Score (%) | Precision (%) | Recall (%) |
|---|---|---|---|---|---|---|
| UNet [20] | 29 | 98.18 | 61.66 | 76.28 | 83.88 | 69.95 |
| UPerNet [61] | 120 | 98.43 | 67.48 | 80.59 | 83.22 | 78.11 |
| DeepLabV3 [6] | 66 | 98.50 | 68.29 | 81.16 | 85.58 | 77.17 |
| DeepLabV3+ [62] | 41 | 98.04 | 58.04 | 73.45 | 84.81 | 64.77 |
| SegFormer [4] | 45 | 98.55 | 69.47 | 81.98 | 85.41 | 78.82 |
| D-LinkNet [63] | 218 | 98.05 | 58.09 | 73.49 | 84.95 | 64.75 |
| RoadFormer [28] | 59.2 | 97.21 | 59.63 | 75.60 | 70.39 | 81.65 |
| UCTransNet [29] | 66.2 | 97.10 | 57.46 | 73.99 | 71.67 | 76.48 |
| SegNeXt [64] | 49 | 98.41 | 67.61 | 80.68 | 81.70 | 79.68 |
| DUSA-UNet [65] | 66.9 | 97.53 | 67.77 | 81.34 | 83.50 | 79.29 |
| LinkNet34MTL [9] | 22 | 98.35 | 65.63 | 79.25 | 83.62 | 75.31 |
| TopoRF-Net (Ours) | 56 | 98.57 | 69.76 | 82.18 | 85.50 | 79.12 |
| Method | Params (M) | OA (%) | IoU (%) | F1-Score (%) | Precision (%) | Recall (%) |
|---|---|---|---|---|---|---|
| UNet [20] | 29 | 96.62 | 57.83 | 73.28 | 80.73 | 67.09 |
| UPerNet [61] | 120 | 96.74 | 59.54 | 74.64 | 80.53 | 69.56 |
| DeepLabV3 [6] | 66 | 96.12 | 53.89 | 70.04 | 74.89 | 65.77 |
| DeepLabV3+ [62] | 41 | 96.49 | 59.67 | 74.74 | 74.31 | 75.18 |
| SegFormer [4] | 45 | 96.58 | 58.75 | 74.02 | 77.82 | 70.57 |
| D-LinkNet [63] | 218 | 96.54 | 54.60 | 70.64 | 85.13 | 60.36 |
| RoadFormer [28] | 59.2 | 96.02 | 53.82 | 64.65 | 62.07 | 67.47 |
| UCTransNet [29] | 66.2 | 96.18 | 57.87 | 71.63 | 74.24 | 69.21 |
| SegNeXt [64] | 49 | 96.07 | 54.03 | 70.16 | 73.59 | 67.03 |
| DUSA-UNet [65] | 66.9 | 96.06 | 58.61 | 71.62 | 74.49 | 68.98 |
| LinkNet34MTL [9] | 22 | 96.45 | 57.34 | 72.88 | 76.94 | 69.23 |
| TopoRF-Net (Ours) | 56 | 96.65 | 59.68 | 74.75 | 77.98 | 71.77 |
| Configuration | DeepGlobe | Massachusetts | ||
|---|---|---|---|---|
| IoU (%) | Accuracy (%) | IoU (%) | Accuracy (%) | |
| Baseline (MiT-B3 + CE) | 66.24 | 75.43 | 57.88 | 67.10 |
| +MRFE | 68.15 | 77.92 | 58.86 | 69.07 |
| +MRFE + CI-Decoder | 68.71 | 78.57 | 59.54 | 70.21 |
| +MRFE + CI-Decoder + TC-Loss | ||||
| (TopoRF-Net) | 69.76 | 79.16 | 59.68 | 71.77 |
Disclaimer/Publisher’s Note: The statements, opinions and data contained in all publications are solely those of the individual author(s) and contributor(s) and not of MDPI and/or the editor(s). MDPI and/or the editor(s) disclaim responsibility for any injury to people or property resulting from any ideas, methods, instructions or products referred to in the content. |
© 2025 by the authors. Licensee MDPI, Basel, Switzerland. This article is an open access article distributed under the terms and conditions of the Creative Commons Attribution (CC BY) license (https://creativecommons.org/licenses/by/4.0/).
Share and Cite
Fu, J.; Wang, C.; Lv, H.; Lu, H.; Shi, W.; Liao, X. TopoRF-Net: Topology-Aware Road Segmentation in Multi-Resolution Remote Sensing via Multi-Receptive Field Adaptation. Sensors 2025, 25, 7428. https://doi.org/10.3390/s25247428
Fu J, Wang C, Lv H, Lu H, Shi W, Liao X. TopoRF-Net: Topology-Aware Road Segmentation in Multi-Resolution Remote Sensing via Multi-Receptive Field Adaptation. Sensors. 2025; 25(24):7428. https://doi.org/10.3390/s25247428
Chicago/Turabian StyleFu, Junjie, Chenliang Wang, Hongchen Lv, Hao Lu, Wenjiao Shi, and Xuefeng Liao. 2025. "TopoRF-Net: Topology-Aware Road Segmentation in Multi-Resolution Remote Sensing via Multi-Receptive Field Adaptation" Sensors 25, no. 24: 7428. https://doi.org/10.3390/s25247428
APA StyleFu, J., Wang, C., Lv, H., Lu, H., Shi, W., & Liao, X. (2025). TopoRF-Net: Topology-Aware Road Segmentation in Multi-Resolution Remote Sensing via Multi-Receptive Field Adaptation. Sensors, 25(24), 7428. https://doi.org/10.3390/s25247428

