Electrochemical Sensor for Hydrogen Leakage Detection at Room Temperature
Abstract
1. Introduction
2. Materials and Methods
2.1. Materials and Apparatus
2.2. Manufacturing of Sensing Element for Hydrogen Detection
3. Discussion
3.1. Overview Regarding the Manufacture of Amperometric Sensors Based on Nafion Membranes
3.2. The H2 Sensing Mechanism
3.3. The Signal-Conditioning Electronic Block
- -
- The module of differential voltage sources, stabilized, isolated, and protected from surges or overcurrent;
- -
- The electronic conditioning module of the signal taken from the H2 sensitive element;
- -
- The electronic protection and signaling module.
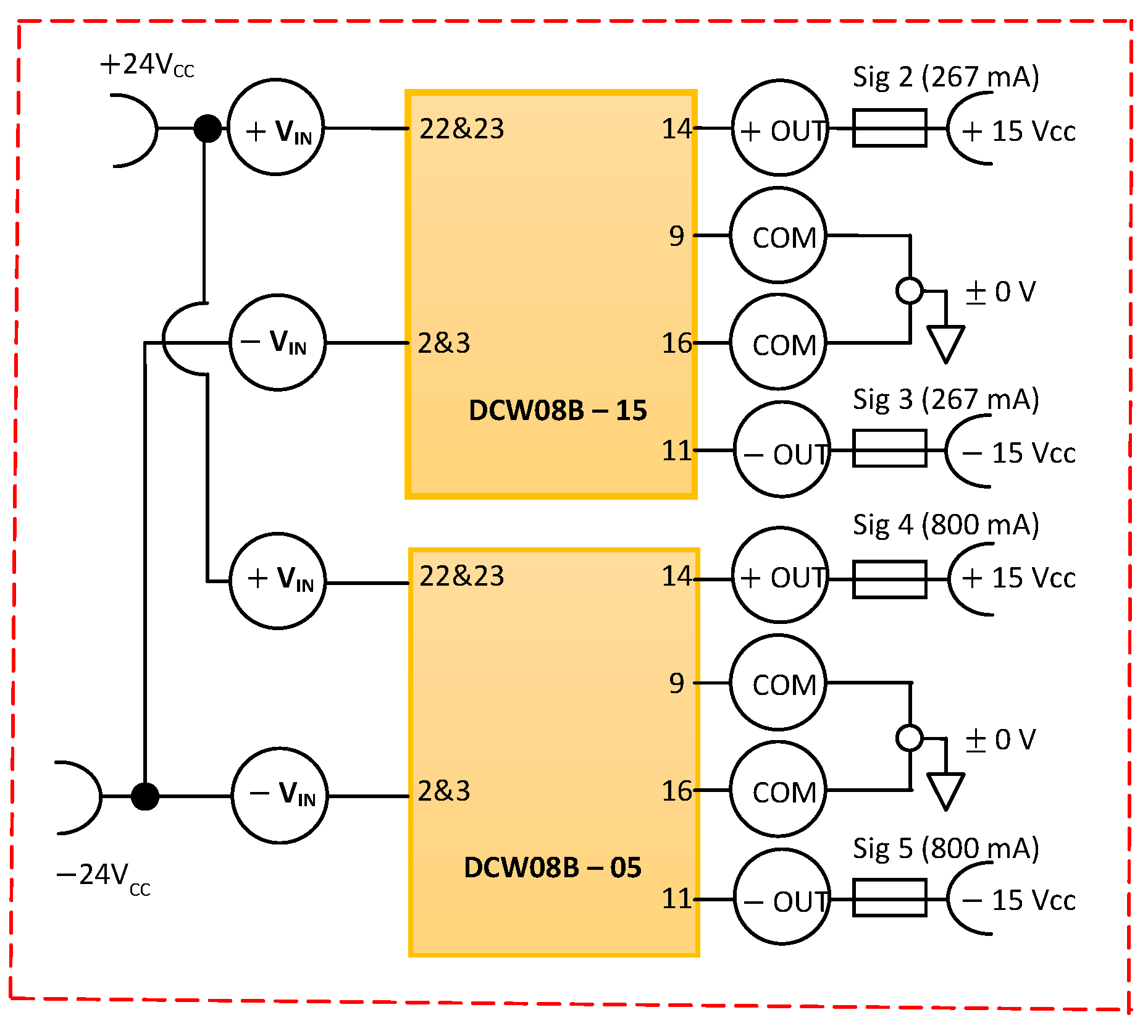
3.3.1. The Module of Differential Voltage Sources, Stabilized, Isolated, and Protected from Surges or Overcurrent
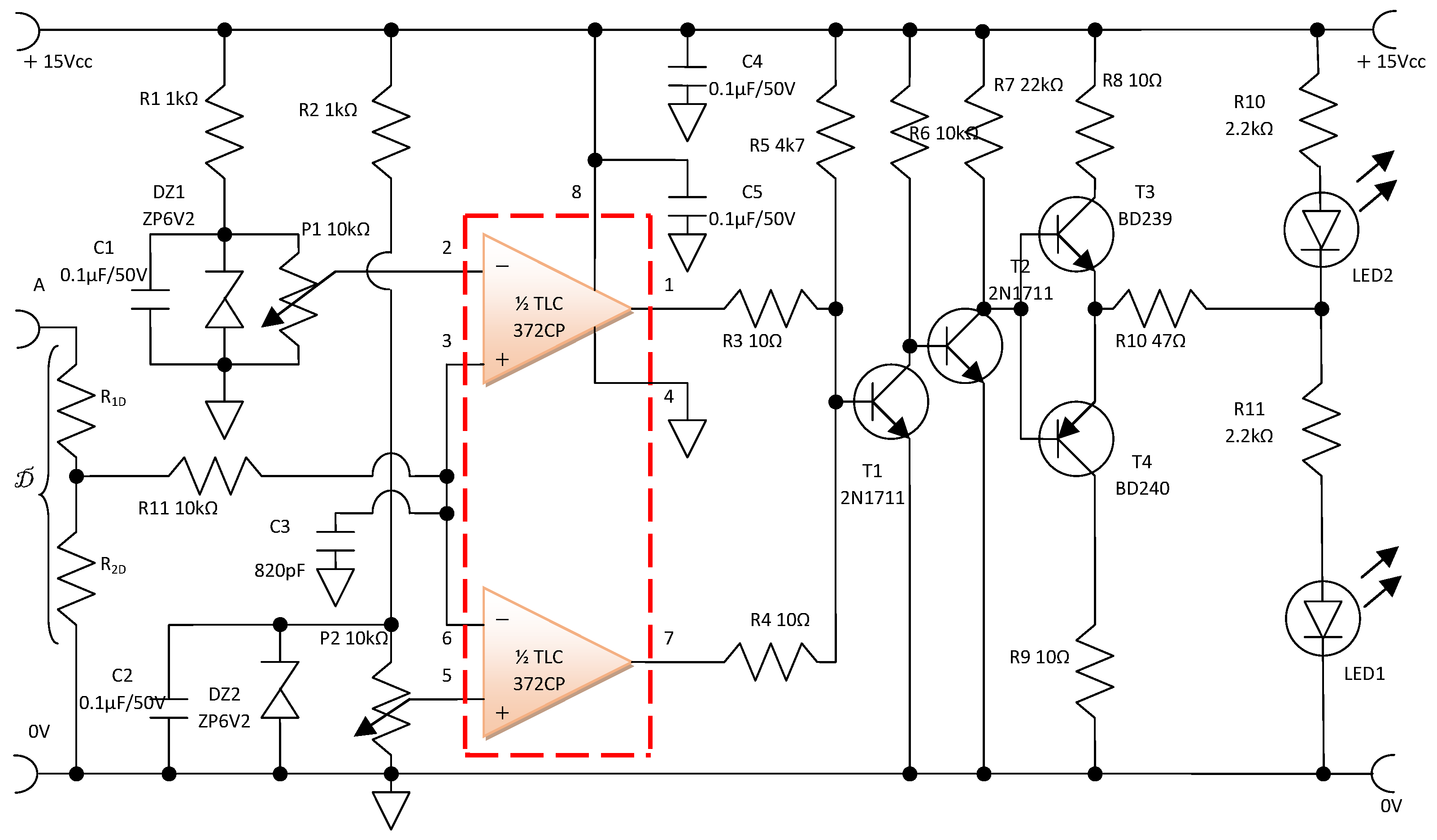
3.3.2. The Electronic Conditioning Module of the Signal Taken from the H2 Sensing Element
3.3.3. The Electronic Protection and Signaling Circuit
- -
- If the potential at the input of the window comparator is below VDL or above VDH, a potential equivalent to 0 Logic, in positive logic, will be provided on resistor R10 with respect to the reference potential;
- -
- If the potential at the input of the window comparator is above VDL and below VDH, a potential equivalent to 1 Logic, in positive logic, will be provided across resistor R10 with respect to the reference potential.
3.4. Laboratory Testing
4. Conclusions
Author Contributions
Funding
Institutional Review Board Statement
Informed Consent Statement
Data Availability Statement
Conflicts of Interest
References
- IEA. Global Hydrogen Review 2022; IEA: Paris, France, 2022. [Google Scholar]
- Zhi, Z.; Gao, W.; Yang, J.; Geng, C.; Yang, B.; Tian, C.; Fan, S.; Li, H.; Li, J.; Hua, Z. Amperometric hydrogen gas sensor based on Pt/C/Nafion electrode and ionic electrolyte. Sens. Actuators B Chem. 2022, 367, 132137. [Google Scholar] [CrossRef]
- Fauzi, A.S.A.; Hamidah, N.L.; Sato, S.; Shintani, M.; Putri, G.K.; Kitamura, S.; Hatakeyama, K.; Quitain, A.T.; Kida, T. Carbon-based potentiometric hydrogen sensor using a proton conducting graphene oxide membrane coupled with a WO3 sensing electrode. Sens. Actuators B Chem. 2020, 323, 128678. [Google Scholar] [CrossRef]
- Cashdollar, K.L.; Zlochower, I.A.; Green, G.M.; Thomas, R.A.; Hertzberg, M. Flammability of methane, propane, and hydrogen gases. J. Loss Prev. Process Ind. 2000, 13, 327–340. [Google Scholar] [CrossRef]
- Yamazoe, N. New approaches for improving semiconductor gas sensors. Sens. Actuators B Chem. 1991, 5, 7–19. [Google Scholar] [CrossRef]
- Sakai, G.; Matsunaga, N.; Shimanoe, K.; Yamazoe, N. Theory of gas-diffusion controlled sensitivity for thin film semiconductor gas sensor. Sens. Actuators B Chem. 2001, 80, 125–131. [Google Scholar] [CrossRef]
- Han, C.-H.; Hong, D.-W.; Han, S.-D.; Gwak, J.; Singh, K.C. Catalytic combustion type hydrogen gas sensor using TiO2 and UV-LED. Sens. Actuators B Chem. 2007, 125, 224–228. [Google Scholar] [CrossRef]
- Sun, L.; Qiu, F.; Quan, B. Investigation of a new catalytic combustion-type CH4 gas sensor with low power consumption. Sens. Actuators B Chem. 2000, 66, 289–292. [Google Scholar] [CrossRef]
- Shin, W.; Matsumiya, M.; Izu, N.; Murayama, N. Hydrogen-selective thermoelectric gas sensor. Sens. Actuators B Chem. 2003, 93, 304–308. [Google Scholar] [CrossRef]
- Mostafa, S. Ammonia gas sensors based on multi-wall carbon nanofiber field effect transistors by using gate modulation. Colloids Surf. A Physicochem. Eng. Asp. 2025, 704, 135563. [Google Scholar] [CrossRef]
- Park, C.O.; Fergus, J.W.; Miura, N.; Park, J.; Choi, A. Solid-state electrochemical gas sensors. Ionics 2009, 15, 261–284. [Google Scholar] [CrossRef]
- Zhang, H.; Yi, J.; Jiang, X. Fast Response, Highly sensitive and selective mixed-potential H2 sensor based on (La, Sr)(Cr, Fe)O3-δ perovskite sensing electrode. ACS Appl. Mater. Interfaces 2017, 9, 17218–17225. [Google Scholar] [CrossRef] [PubMed]
- Miura, N.; Harada, T.; Shimizu, Y.; Yamazoe, N. Cordless solid-state hydrogen sensor using proton-conductor thick film. Sens. Actuators B Chem. 1990, 1, 125–129. [Google Scholar] [CrossRef]
- Chen, C.; Li, L.; Lu, T. Development of electrolytes in current-type electrochemical gas sensor. Chin. J. Appl. Chem. 2012, 29, 245–250. [Google Scholar]
- Schroder, V.; Molnarne, M. Flammability of gas mixtures. Part 1: Fire potential. J. Hazard Mater. 2005, 121, 37–44. [Google Scholar] [CrossRef] [PubMed]
- Zhang, L.; Doyle-Davis, K.; Sun, X. Pt-Based electrocatalysts with high atom utilization efficiency: From nanostructures to single atoms. Energy Environ. Sci. 2019, 12, 492–517. [Google Scholar] [CrossRef]
- Asset, T.; Chattot, R.; Fontana, M.; Mercier-Guyon, B.; Job, N.; Dubau, L.; Maillard, F. A review on recent developments and prospects for the oxygen reduction reaction on hollow Pt-alloy nanoparticles. ChemPhysChem 2018, 19, 1552–1567. [Google Scholar] [CrossRef] [PubMed]
- Kroll, A.V.; Smorchkov, V.I.; Nazarenko, A.Y. Electrochemical sensors for hydrogen and hydrogen-sulfide determination. Sens. Actuators B Chem. 1994, 21, 97–100. [Google Scholar] [CrossRef]
- Zhang, H.; Wu, Z.; Zhi, Z.; Gao, W.; Sun, W.; Hua, Z.; Wu, Y. Practical and efficient: A pocket-sized device enabling detection of formaldehyde adulteration in vegetables. ACS Omega 2021, 7, 160–167. [Google Scholar] [CrossRef] [PubMed]
- Jeong, S.M.; Kim, M.K.; Kim, G.P.; Kim, T.Y.; Baeck, S.H. Synthesis of Pt-Au/carbon catalysts by a reduction method and their electrocatalytic activities for oxygen reduction reactions. Chem. Eng. J. 2012, 198, 435–439. [Google Scholar] [CrossRef]
- Joo, S.H.; Pak, C.; You, D.J.; Lee, S.A.; Lee, H.I.; Kim, J.M.; Chang, H.; Seung, D.Y. Ordered mesoporous carbons (OMC) as supports of electrocatalysts for direct methanol fuel cells (DMFC): Effect of carbon precursors of OMC on DMFC performances. Electrochim. Acta 2006, 52, 1618–1626. [Google Scholar] [CrossRef]
- Schweiss, R.; Steeb, M.; Wilde, P.M.; Schubert, T. Enhancement of proton exchange membrane fuel cell performance by doping microporous layers of gas diffusion layers with multiwall carbon nanotubes. J. Power Sources 2012, 220, 79–83. [Google Scholar] [CrossRef]
- Zhang, G.D.; Tai, H.L.; Xie, G.Z.; Jiang, Y.D.; Zhou, Y. A carbon monoxide sensor based on single-walled carbon nanotubes doped with copper chloride. Sci. China Technol. Sci. 2013, 56, 2576–2580. [Google Scholar] [CrossRef]
- Zeng, S.H.; Zhang, L.; Jiang, N.; Gao, M.Y.; Zhao, X.Z.; Lin, Y.L.; Su, H.Q. Multi-wall carbon nanotubes as support of copper–cerium composite for preferential oxidation of carbon monoxide. J. Power Sources 2015, 293, 1016–1023. [Google Scholar] [CrossRef]
- Haasterecht, T.; Ludding, C.C.L.; Jong, K.P.; Bitter, J.H. Stability and activity of carbon nanofiber-supported catalysts in the aqueous phase reforming of ethylene glycol. J. Energy Chem. 2013, 22, 257–269. [Google Scholar] [CrossRef]
- Magdalena, L.B.; Wojnicki, M.; Paclawski, K.; Fitzner, K. The synthesis of platinum nanoparticles and their deposition on the active carbon fibers in one microreactor cycle. Chem. Eng. J. 2013, 226, 46–51. [Google Scholar]
- Song, J.; Li, G.; Qiao, J.L. Ultrafine porous carbon fiber and its supported platinum catalyst for enhancing performance of proton exchange membrane fuel cell. Electrochim. Acta 2015, 177, 174–180. [Google Scholar] [CrossRef]
- Zhao, B.; Chen, M.Y.; Guo, Q.X.; Fu, Y. Electrocatalytic hydrogenation of furfural to furfuryl alcohol using platinum supported on activated carbon fibers. Electrochim. Acta 2014, 135, 139–146. [Google Scholar] [CrossRef]
- Gharibi, H.; Yasi, F.; Kazemeini, M.; Heydari, A.; Golmohammadi, F. Fabrication of MEA based on sulfonic acid functionalized carbon supported platinum nanoparticles for oxygen reduction reaction in PEMFCs. RSC Adv. 2015, 5, 85775–85784. [Google Scholar] [CrossRef]
- Padmavathi, R.; Devi, A.S.; Saranya, N.; Gnanasundaram, P.; Sangeetha, D. Synthesis and characterization of Pt supported on multiwalled carbon nanotubes for improved catalytic performance in fuel cell applications. J. Porous Mater. 2015, 22, 647–658. [Google Scholar] [CrossRef]
- Liu, Y.C.; Hwang, B.J.; Tzeng, I.J. Improvements in sensitivity and in anti-aging of Pt/C/nafion gases sensors modified by chromium. J. Electroanal. Chem. 2002, 533, 85–90. [Google Scholar] [CrossRef]
- Foster, C.W.; Metters, J.P.; Kampouris, D.K.; Banks, C.E. Ultraflexible screen-printed graphitic electroanalytical sensing platforms. Electroanalysis 2014, 26, 262–274. [Google Scholar] [CrossRef]
- Gao, J.; Hua, Z.; Xu, S.; Wan, H.; Zhi, Z.; Chen, X.; Fan, S. Amperometric gas sensors based on screen printed electrodes with porous ceramic substrates. Sens. Actuators B Chem. 2021, 342, 130045. [Google Scholar] [CrossRef]
- Zhou, Z.; Wang, S.; Zhou, W.; Wang, G.; Jiang, L.; Li, W.; Song, S.; Liu, J.; Sun, G.; Xin, Q. Novel synthesis of highly active Pt/C cathode electrocatalyst for direct methanol fuel cell. Chem. Commun. 2003, 394–395. [Google Scholar] [CrossRef]
- Xu, Z.; Zhang, H.; Zhong, H.; Lu, Q.; Wang, Y.; Su, D. Effect of particle size on the activity and durability of the Pt/C electrocatalyst for proton exchange membrane fuel cells. Appl. Catal. B 2012, 111–112, 264–270. [Google Scholar] [CrossRef]
- Ohta, H.; Kobayashi, H.; Hara, K.; Fukuoka, A. Hydrodeoxygenation of phenols as lignin models under acid-free conditions with carbon-supported platinum catalysts. Chem. Commun. 2011, 47, 12209. [Google Scholar] [CrossRef] [PubMed]
- Paracchino, A.; Laporte, V.; Sivula, K.; Grätzel, M.; Thimsen, E. Highly active oxide photocathode for photoelectrochemical water reduction. Nat. Mater. 2011, 10, 456–461. [Google Scholar] [CrossRef] [PubMed]
- Kida, T.; Kuwaki, Y.; Miyamoto, A.; Hamidah, N.L.; Hatakeyama, K.; Quitain, A.T.; Sasaki, M.; Urakawa, A. Water vapor electrolysis with proton-conducting graphene oxide nanosheets. ACS Sustain. Chem. Eng. 2018, 6, 11753–11758. [Google Scholar] [CrossRef]
- Meng, H.; Shen, P.K. Novel Pt-free catalyst for oxygen electroreduction. Electrochem. Commun. 2006, 8, 588–594. [Google Scholar] [CrossRef]
- Stephens, I.E.L.; Chorkendorff, I. Minimizing the use of platinum in hydrogen-evolving electrodes. Angew. Chem. Int. Ed. 2011, 50, 1476–1477. [Google Scholar] [CrossRef] [PubMed]
- Abbas, M.A.; Bang, J.H. Rising again, opportunities and challenges for platinum-free electrocatalysts. Chem. Mater. 2015, 27, 7218–7235. [Google Scholar] [CrossRef]
- Singh Bhati, V.; Nathani, A.; Nigam, A.; Sharma, C.S.; Kumar, M. PAN/(PAN-b-PMMA) derived nanoporous carbon nanofibers loaded on ZnO nanostructures for hydrogen detection. Sens. Actuators B Chem. 2019, 299, 126980. [Google Scholar] [CrossRef]
- Kim, J.H.; Mirzaei, A.; Kim, H.W.; Kim, S.S. Pd functionalization on ZnO nanowires for enhanced sensitivity and selectivity to hydrogen gas. Sens. Actuators B Chem. 2019, 297, 126693. [Google Scholar] [CrossRef]
- Lupan, O.; Postica, V.; Pauporté, T.; Viana, B.; Terasa, M.I.; Adelung, R. Room temperature gas nanosensors based on individual and multiple networked Au-modified ZnO nanowires. Sens. Actuators B Chem. 2019, 299, 126977. [Google Scholar] [CrossRef]
- Sakthivel, M.; Weppner, W. Development of a hydrogen sensor based on solid polymer electrolyte membranes. Sens. Actuators B Chem. 2006, 113, 998–1004. [Google Scholar] [CrossRef]
- Lu, X.; Wu, S.; Wang, L.; Su, Z. Solid-state amperometric hydrogen sensor based on polymer electrolyte membrane fuel cell. Sens. Actuators B Chem. 2005, 107, 812–817. [Google Scholar] [CrossRef]
- Mayo, N.; Harth, R.; Mor, U.; Marouani, D.; Hayon, J.; Bettelheim, A. Electrochemical response to H2, O2, CO2, and NH3 of a solid-state cell based on a cation- or anion-exchange membrane serving as a solid polymer electrolyte. Anal. Chim. Acta 1995, 310, 139–144. [Google Scholar] [CrossRef]
- Guan, Y.; Liu, F.; Wang, B.; Yang, X.; Liang, X.; Suo, H.; Sun, P.; Sun, Y.; Ma, J.; Zheng, J.; et al. Highly sensitive amperometric Nafion-based CO sensor using Pt/C electrodes with different kinds of carbon materials. Sens. Actuators B Chem. 2017, 239, 696–703. [Google Scholar] [CrossRef]
- Yang, X.; Zhang, Y.; Hao, X.; Song, Y.; Liang, X.; Liu, F.; Liu, F.; Sun, P.; Gao, Y.; Yan, X.; et al. Nafion-based amperometric H2S sensor using Pt-Rh/C sensing electrode. Sens. Actuators B Chem. 2018, 273, 635–641. [Google Scholar] [CrossRef]
- Hwang, B.J.; Liu, Y.C.; Chen, Y.L. Characteristics of Pt/Nafion® electrodes prepared by a Takenata–Torikai method in sensing hydrogen. Mater. Chem. Phys. 2001, 69, 267–273. [Google Scholar] [CrossRef]
- Ramesh, C.; Murugesan, N.; Krishnaiah, M.V.; Ganesan, V.; Periaswami, G. Improved Nafion-based amperometric sensor for hydrogen in argon. J. Solid State Electrochem. 2007, 12, 1109–1116. [Google Scholar] [CrossRef]
- Guan, Y.; Dai, M.; Liu, T.; Liu, Y.; Liu, F.; Liang, X.; Suo, H.; Sun, P.; Lu, G. Effect of the dispersants on the performance of fuel cell type CO sensor with Pt-C/Nafion electrodes. Sens. Actuators B Chem. 2016, 230, 61–69. [Google Scholar] [CrossRef]
- Mochizuki, K.; Yamamoto, A.; Kikuchi, T.; Sudoh, M.; Gomi, Y.; Ishiguro, Y.; Suzuki, T. Effects of electrode catalyst loading and membrane degradation for fuel cell type CO sensor. Sens. Lett. 2011, 9, 679–683. [Google Scholar] [CrossRef]
- Hwang, B.J.; Liu, Y.C.; Chen, Y.L. Nafion-based solid-state gas sensors: Pt/Nafion electrodes prepared by a Takenata-Torikai method in sensing oxygen. J. Chin. Inst. Chem. Eng. 1999, 30, 303–309. [Google Scholar]
- Hwang, B.J.; Liu, Y.C.; Hsu, W.C. Nafion-based solid-state gas sensors: Pd/Nafion electrodes prepared by an impregnation-reduction method in sensing oxygen. J. New Mater. Electrochem. Syst. 1999, 2, 33–38. [Google Scholar] [CrossRef]
- Wang, C.; Yang, J.; Li, J.; Luo, C.; Xu, X.; Qian, F. Solid-state electrochemical hydrogen sensors: A review. Int. J. Hydrogen Energy 2023, in press. [Google Scholar] [CrossRef]
- Hübert, T.; Boon-Brett, L.; Palmisano, V.; Bader, M.A. Developments in gas sensor technology for hydrogen safety. Int. J. Hydrogen Energy 2014, 39, 20474–20483. [Google Scholar] [CrossRef]
- Meng, X.; Bi, M.; Xiao, Q.; Gao, W. Ultrasensitive gas sensor based on Pd/SnS2/SnO2 nanocomposites for rapid detection of H2. Sens. Actuators B Chem. 2022, 359, 131612. [Google Scholar] [CrossRef]
- Jayanthi, N.; Murugesan, S.; Anthonysamy, C.R. Comparative study of sensing behavior of brush coated, electro-deposited, and pulsed electrodeposited Pt/GDE based amperometric hydrogen sensors. Sens. Actuators B Chem. 2018, 273, 488–497. [Google Scholar] [CrossRef]
- Shen, H.; Li, H.Z.; Li, Y.C. Magic of hydrogen spillover: Understanding and application. Green Energy Environ. 2022, 7, 1161–1198. [Google Scholar] [CrossRef]
- Yamazaki, Y.; Mori, K.; Kuwahara, Y.; Kobayashi, H.; Yamashita, H. Defect Engineering of Pt/TiO2−x Photocatalysts via Reduction Treatment Assisted by Hydrogen Spillover. ACS Appl. Mater. Interfaces 2021, 13, 48669–48678. [Google Scholar] [CrossRef]
- Ma, R.; Lin, G.; Zhou, Y.; Liu, Q.; Zhang, T.; Shan, G.; Yang, M.; Wang, J. A review of oxygen reduction mechanisms for metal-free carbon-based electrocatalysts. npj Comput. Mater. 2019, 5, 78. [Google Scholar] [CrossRef]
- Zhang, X.; Zhao, X.; Zhu, P.; Adler, Z.; Wu, Z.-Y.; Liu, Y.; Wang, H. Electrochemical oxygen reduction to hydrogen peroxide at practical rates in strong acidic media. Nat. Commun. 2022, 13, 2880. [Google Scholar] [CrossRef] [PubMed]
- Tashi, W.; Joseph, R.S.; William, J.B.; Vinay, P.; David, P. Characterization of a selective, zero power sensor for distributed sensing of hydrogen in energy applications. Int. J. Hydrogen Energy 2021, 46, 31489–31500. [Google Scholar] [CrossRef]
- Stetter, J.R.; Li, J. Amperometric gas sensors—A review. Chem. Rev. 2008, 108, 352–366. [Google Scholar] [CrossRef]
- Korotcenkov, G.; Han, S.D.; Stetter, J.R. Review of electrochemical hydrogen sensors. Chem. Rev. 2009, 109, 1402–1433. [Google Scholar] [CrossRef]
- Stetter, J.R.; Penrose, W.R.; Yao, S. Sensors, chemical sensors, electrochemical sensors, and ECS. J. Electrochem. Soc. 2003, 150, S11–S16. [Google Scholar] [CrossRef]
















| Voltage [V] vs. Concentration [%] of H2 (A = 5) | 1 [%] | 5 [%] | 10 [%] | 15 [%] | 20 [%] |
|---|---|---|---|---|---|
| ABG1010 Expanded Graphite | - | 1.78 | 2.12 | 2.23 | 2.31 |
| Activated Carbon (AC) | - | 1.37 | 1.04 | 1.68 | 2.17 |
| Spherical Graphite (SG) | - | 0.80 | 1.15 | 1.38 | 1.57 |
| Acetylene Carbon Black (NF) | 0.905 | 1.22 | 1.60 | 2.05 | 2.51 |
Disclaimer/Publisher’s Note: The statements, opinions and data contained in all publications are solely those of the individual author(s) and contributor(s) and not of MDPI and/or the editor(s). MDPI and/or the editor(s) disclaim responsibility for any injury to people or property resulting from any ideas, methods, instructions or products referred to in the content. |
© 2025 by the authors. Licensee MDPI, Basel, Switzerland. This article is an open access article distributed under the terms and conditions of the Creative Commons Attribution (CC BY) license (https://creativecommons.org/licenses/by/4.0/).
Share and Cite
Rîmbu, G.A.; Pîslaru-Dănescu, L.; Zărnescu, G.-C.; Ștefănescu, C.A.; Iordoc, M.; Teișanu, A.A.; Telipan, G. Electrochemical Sensor for Hydrogen Leakage Detection at Room Temperature. Sensors 2025, 25, 264. https://doi.org/10.3390/s25010264
Rîmbu GA, Pîslaru-Dănescu L, Zărnescu G-C, Ștefănescu CA, Iordoc M, Teișanu AA, Telipan G. Electrochemical Sensor for Hydrogen Leakage Detection at Room Temperature. Sensors. 2025; 25(1):264. https://doi.org/10.3390/s25010264
Chicago/Turabian StyleRîmbu, Gimi Aurelian, Lucian Pîslaru-Dănescu, George-Claudiu Zărnescu, Carmen Alina Ștefănescu, Mihai Iordoc, Aristofan Alexandru Teișanu, and Gabriela Telipan. 2025. "Electrochemical Sensor for Hydrogen Leakage Detection at Room Temperature" Sensors 25, no. 1: 264. https://doi.org/10.3390/s25010264
APA StyleRîmbu, G. A., Pîslaru-Dănescu, L., Zărnescu, G.-C., Ștefănescu, C. A., Iordoc, M., Teișanu, A. A., & Telipan, G. (2025). Electrochemical Sensor for Hydrogen Leakage Detection at Room Temperature. Sensors, 25(1), 264. https://doi.org/10.3390/s25010264

