Precise Mechanical Oscillator Design and Calibration for Characterising Sub-Millimetre Movements in mmWave Radar Systems
Abstract
1. Introduction
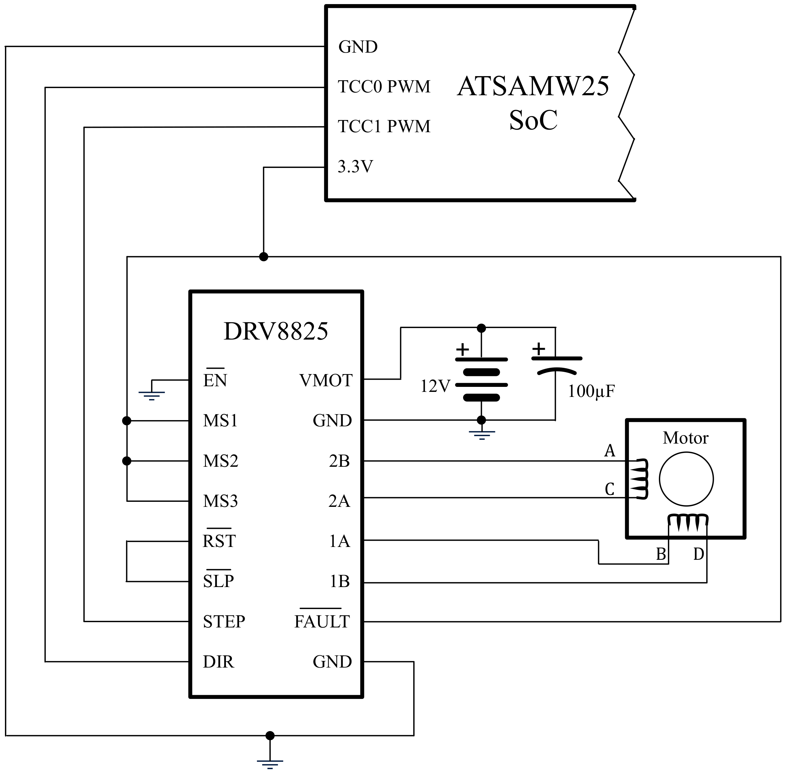
2. Design
2.1. Basic Operation
2.2. Controlling Oscillation Frequency
2.3. Controlling Oscillation Amplitude
2.4. Updating Frequency and Amplitude in Real Time
2.5. Oscillation Stabilisation
2.6. Other System Limitations
3. Materials and Methods
3.1. Materials
- ATSAMW25 SoC with a SAMD21 microcontroller and an ATWINC1500 network controller;
- A Nema17 17HS3401 stepper motor with a 1.8∘ stepping angle and 1.3 A rated current [25];
- A DRV8825 stepper motor driver with microstepping capabilities;
- A 100 F capacitor;
- A 12 V, 2 A power supply.
3.2. Precise Calibration System
3.3. mmWave Radar Sub-Millimetre Accuracy
4. Calibration
4.1. Amplitude Calibration
4.2. Frequency Test
4.3. Amplitude Change
4.4. Frequency Change
4.5. Portability
5. mmWave Radar Performance
6. Conclusions
Author Contributions
Funding
Institutional Review Board Statement
Informed Consent Statement
Data Availability Statement
Conflicts of Interest
Appendix A
References
- Ayhan, S.; Scherr, S.; Pahl, P.; Kayser, T.; Pauli, M.; Zwick, T. High-Accuracy Range Detection Radar Sensor for Hydraulic Cylinders. IEEE Sens. J. 2014, 14, 734–746. [Google Scholar] [CrossRef]
- Yu, C.; Cai, Z.; Pham, H.; Pham, Q.C. Siamese Convolutional Neural Network for Sub-millimeter-accurate Camera Pose Estimation and Visual Servoing. In Proceedings of the 2019 IEEE/RSJ International Conference on Intelligent Robots and Systems (IROS), Macau, China, 3–8 November 2019; pp. 935–941. [Google Scholar] [CrossRef]
- Saeedi-Hosseiny, M.S.; Alruwaili, F.; McMillan, S.; Iordachita, I.; Abedin-Nasab, M.H. A Surgical Robotic System for Long-Bone Fracture Alignment: Prototyping and Cadaver Study. IEEE Trans. Med. Robot. Bionics 2022, 4, 172–182. [Google Scholar] [CrossRef]
- Upadhyay, B.R.; Baral, A.B.; Torlak, M. Vital Sign Detection via Angular and Range Measurements With mmWave MIMO Radars: Algorithms and Trials. IEEE Access 2022, 10, 106017–106032. [Google Scholar] [CrossRef]
- Li, C.; Bi, Q. Vision-driven High Precision Positioning Method for Bracket Assembly with Industrial Robot. In Proceedings of the 2022 5th World Conference on Mechanical Engineering and Intelligent Manufacturing (WCMEIM), Ma’anshan, China, 18–20 November 2022; pp. 825–830. [Google Scholar] [CrossRef]
- Zhu, X.; Liu, J.; Xiong, X.; Luo, Z. Maximize Peak-to-Sidelobe Ratio for Real-Time RGB-T Tracking. IEEE Trans. Instrum. Meas. 2024, 73, 1–4. [Google Scholar] [CrossRef]
- Guan, R.; Hu, G. Formation Tracking of Mobile Robots Under Obstacles Using Only an Active RGB-D Camera. IEEE Trans. Ind. Electron. 2024, 71, 4049–4058. [Google Scholar] [CrossRef]
- Nogami, S.; Hidaka, K. A Stereo Camera Based Static and Moving Obstacles Detection on Autonomous Visual Navigation of Indoor Transportation Vehicle. In Proceedings of the IECON 2018—44th Annual Conference of the IEEE Industrial Electronics Society, Washington, DC, USA, 21–23 October 2018; pp. 5421–5426. [Google Scholar] [CrossRef]
- Guan, J.; Madani, S.; Jog, S.; Gupta, S.; Hassanieh, H. Through Fog High-Resolution Imaging Using Millimeter Wave Radar. In Proceedings of the 2020 IEEE/CVF Conference on Computer Vision and Pattern Recognition (CVPR), Seattle, WA, USA, 13–19 June 2020; pp. 11461–11470. [Google Scholar] [CrossRef]
- Zhang, Z.; Wang, X.; Huang, D.; Fang, X.; Zhou, M.; Zhang, Y. MRPT: Millimeter-Wave Radar-Based Pedestrian Trajectory Tracking for Autonomous Urban Driving. IEEE Trans. Instrum. Meas. 2022, 71, 1–17. [Google Scholar] [CrossRef]
- Paredes, J.A.; Hansard, M.; Rajab, K.Z.; Álvarez, F.J. Spatial Calibration of Millimeter-Wave Radar for Close-Range Object Location. IEEE Sens. J. 2024, 24, 19407–19416. [Google Scholar] [CrossRef]
- Ayhan, S.; Pauli, M.; Kayser, T.; Scherr, S.; Zwick, T. FMCW radar system with additional phase evaluation for high accuracy range detection. In Proceedings of the 2011 8th European Radar Conference, Manchester, UK, 12–14 October 2011; pp. 117–120. [Google Scholar]
- Pahl, P.; Kayser, T.; Pauli, M.; Zwick, T. Evaluation of a high accuracy range detection algorithm for FMCW/phase radar systems. In Proceedings of the 7th European Radar Conference, Paris, France, 30 September–1 October 2010; pp. 160–163. [Google Scholar]
- Parralejo, F.; Paredes, J.A.; Aranda, F.J.; Álvarez, F.J.; Vicario, Á. Millimeter Wave Radar Calibration for Heart Rate Estimation using Bayesian Neural Networks. In Proceedings of the 2023 IEEE International Conference on Omni-layer Intelligent Systems (COINS), Berlin, Germany, 23–25 July 2023; pp. 1–6. [Google Scholar] [CrossRef]
- Li, G.; Ge, Y.; Wang, Y.; Chen, Q.; Wang, G. Detection of Human Breathing in Non-Line-of-Sight Region by Using mmWave FMCW Radar. IEEE Trans. Instrum. Meas. 2022, 71, 1–11. [Google Scholar] [CrossRef]
- Frederiksen. Instruction Manual for the Vibration Generator no. 2185.00. Available online: https://fys.kuleuven.be/pradem/pdf-files/vibratiegen-218500.pdf (accessed on 21 November 2024).
- Peak, P.; Kode, S.; Nguyen, D.; Frazier, O.; Kurita, N.; Wang, Y. A Novel Design of an Elastance-Controlled Linear Motor-Driven Left Ventricle Simulator. In Proceedings of the IECON 2023—49th Annual Conference of the IEEE Industrial Electronics Society, Singapore, 16–19 October 2023; pp. 1–7. [Google Scholar] [CrossRef]
- Han, J.; Liu, H.; Zhou, Y.; Zhang, R.; Li, C. The bionic actuation and experimental study of a heart simulator. In Proceedings of the 11th World Congress on Intelligent Control and Automation, Shenyang, China, 29 June–4 July 2014; pp. 2817–2820. [Google Scholar] [CrossRef]
- Ichimura, T.; Hirakoso, N. A novel patient simulator that generates artificial vital signs. In Proceedings of the 2017 IEEE 6th Global Conference on Consumer Electronics (GCCE), Nagoya, Japan, 24–27 October 2017; pp. 1–2. [Google Scholar] [CrossRef]
- Motion Capture for Robotics. 2024. Available online: https://optitrack.com/applications/robotics (accessed on 21 November 2024).
- DRV8825 Stepper Motor Controller IC. 2023. Available online: https://www.ti.com/lit/ds/slvsa73f/slvsa73f.pdf (accessed on 21 November 2024).
- A4988. 2015. Available online: https://www.pololu.com/file/0J450/A4988.pdf (accessed on 21 November 2024).
- SAM D21/DA1 Family Microcontroller Datasheet. 2020. Available online: https://ww1.microchip.com/downloads/en/DeviceDoc/SAM_D21_DA1_Family_DataSheet_DS40001882F.pdf (accessed on 21 November 2024).
- ATWINC15x0-MR210xB IEEE® 802.11 b/g/n SmartConnect IoT Module. 2023. Available online: https://ww1.microchip.com/downloads/aemDocuments/documents/WSG/ProductDocuments/DataSheets/ATWINC15x0-MR210xB-IEEE-802.11-b-g-n-SmartConnect-IoT-Module-DS70005304E.pdf (accessed on 21 November 2024).
- 17HS Stepper Motor 42mm 1.8degree, MotionKing Stepper Motor. 2023. Available online: https://www.motionking.com/products/Hybrid_Stepper_Motors/17HS_Stepper_Motor_42mm_1.8degree.htm (accessed on 21 November 2024).
- Richards, M.A. Fundamentals of Radar Signal Processing; McGraw Hill Education: New York, NY, USA, 2014. [Google Scholar]
- Paterniani, G.; Sgreccia, D.; Davoli, A.; Guerzoni, G.; Di Viesti, P.; Valenti, A.C.; Vitolo, M.; Vitetta, G.M.; Boriani, G. Radar-Based Monitoring of Vital Signs: A Tutorial Overview. Proc. IEEE 2023, 111, 277–317. [Google Scholar] [CrossRef]
- Osibogun, O.; Ogunmoroti, O.; Spatz, E.S.; Fashanu, O.E.; Michos, E.D. Ideal Cardiovascular Health and Resting Heart Rate in the Multi-Ethnic Study of Atherosclerosis. Prev. Med. 2020, 130, 105890. [Google Scholar] [CrossRef] [PubMed]
- Nes, B.M.; Janszky, I.; Wisløff, U.; Støylen, A.; Karlsen, T. Age-predicted maximal heart rate in healthy subjects: The HUNT Fitness Study. Scand. J. Med. Sci. Sport. 2013, 23, 697–704. [Google Scholar] [CrossRef] [PubMed]
- Shafiq, G.; Veluvolu, K.C. Surface Chest Motion Decomposition for Cardiovascular Monitoring. Sci. Rep. 2014, 4, 5093. [Google Scholar] [CrossRef] [PubMed]
- NodeNs Medical Ltd. 2024. Available online: https://nodens.eu/ (accessed on 21 November 2024).














| Expected (mm) | Measured (mm) | Rel. Error (%) |
|---|---|---|
| 0.0500 | 0.0480 | 4.0714 |
| 0.1000 | 0.1052 | 5.2153 |
| 0.5000 | 0.4868 | 2.6459 |
| 1.0000 | 1.0047 | 0.4662 |
| 1.5000 | 1.4719 | 1.8761 |
| 2.0000 | 1.9838 | 0.8084 |
| Expected (Hz) | Measured (Hz) |
|---|---|
| 0.8000 | 0.7998 |
| 1.5000 | 1.4997 |
| 2.5000 | 2.4995 |
| 3.5000 | 3.4993 |
| Frequency | 60.25 GHz | ADC samples | 128 |
| Idle time | 7 s | Sampling rate | 4000 ksps |
| ADC start time | 6 s | Number of loops | 32 |
| Ramp time | 50 s | Frame periodicity | 60 ms |
| TX start time | 1 s | TX antennas | 2 |
| Slope | 30 MHz/s | RX antennas | 4 |
| Parameter | Value | Standard Error |
|---|---|---|
| Slope | 1.0661 | 0.0148 |
| Intercept (mm) | −0.0817 | 0.0174 |
Disclaimer/Publisher’s Note: The statements, opinions and data contained in all publications are solely those of the individual author(s) and contributor(s) and not of MDPI and/or the editor(s). MDPI and/or the editor(s) disclaim responsibility for any injury to people or property resulting from any ideas, methods, instructions or products referred to in the content. |
© 2024 by the authors. Licensee MDPI, Basel, Switzerland. This article is an open access article distributed under the terms and conditions of the Creative Commons Attribution (CC BY) license (https://creativecommons.org/licenses/by/4.0/).
Share and Cite
Parralejo, F.; Álvarez, F.J.; Paredes, J.A.; Aranda, F.J.; Aguilera, T. Precise Mechanical Oscillator Design and Calibration for Characterising Sub-Millimetre Movements in mmWave Radar Systems. Sensors 2024, 24, 7469. https://doi.org/10.3390/s24237469
Parralejo F, Álvarez FJ, Paredes JA, Aranda FJ, Aguilera T. Precise Mechanical Oscillator Design and Calibration for Characterising Sub-Millimetre Movements in mmWave Radar Systems. Sensors. 2024; 24(23):7469. https://doi.org/10.3390/s24237469
Chicago/Turabian StyleParralejo, Felipe, Fernando J. Álvarez, José A. Paredes, Fernando J. Aranda, and Teodoro Aguilera. 2024. "Precise Mechanical Oscillator Design and Calibration for Characterising Sub-Millimetre Movements in mmWave Radar Systems" Sensors 24, no. 23: 7469. https://doi.org/10.3390/s24237469
APA StyleParralejo, F., Álvarez, F. J., Paredes, J. A., Aranda, F. J., & Aguilera, T. (2024). Precise Mechanical Oscillator Design and Calibration for Characterising Sub-Millimetre Movements in mmWave Radar Systems. Sensors, 24(23), 7469. https://doi.org/10.3390/s24237469

