Hand Gesture Recognition Using Ultrasonic Array with Machine Learning
Abstract
1. Introduction
2. Materials and Methods
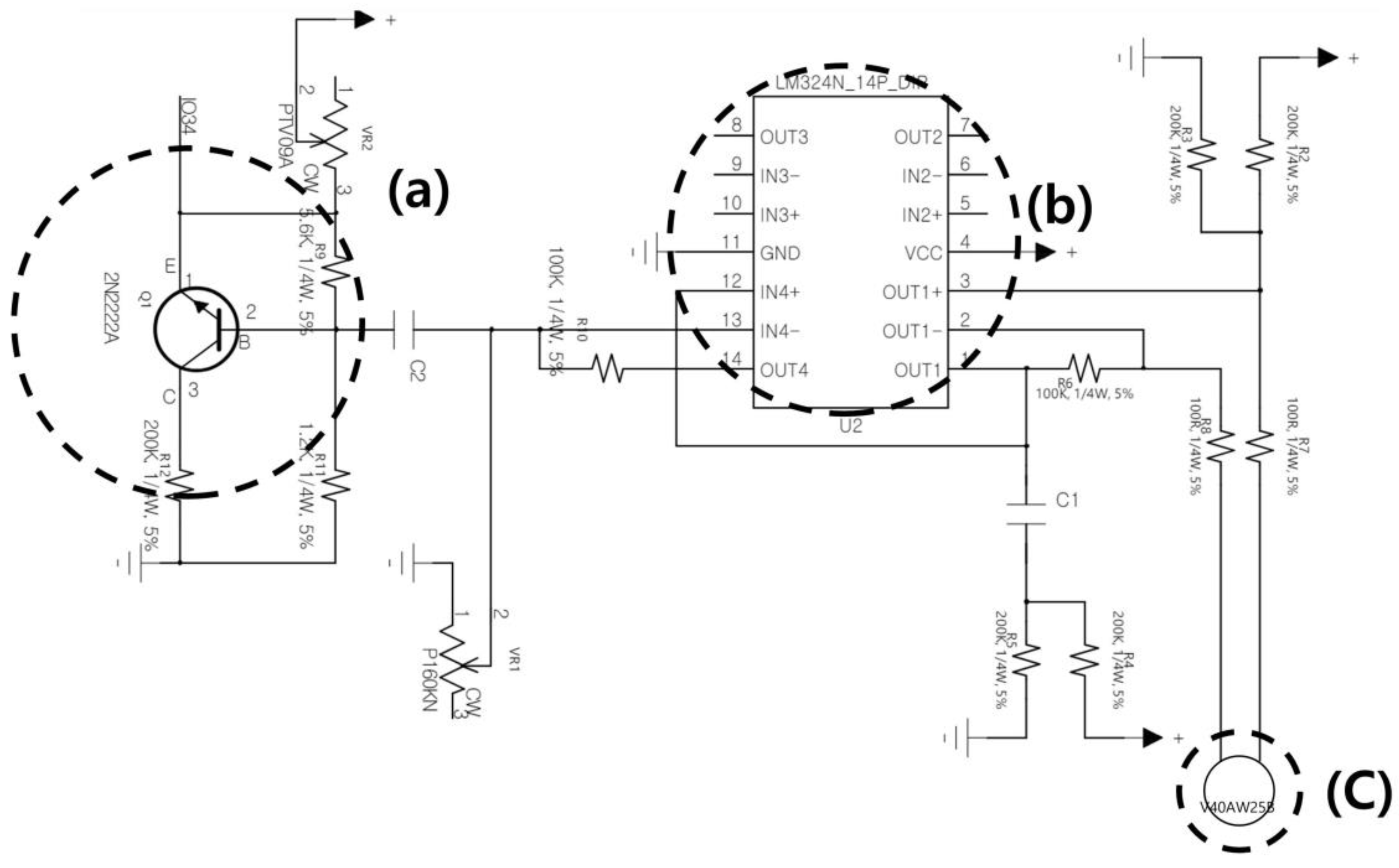
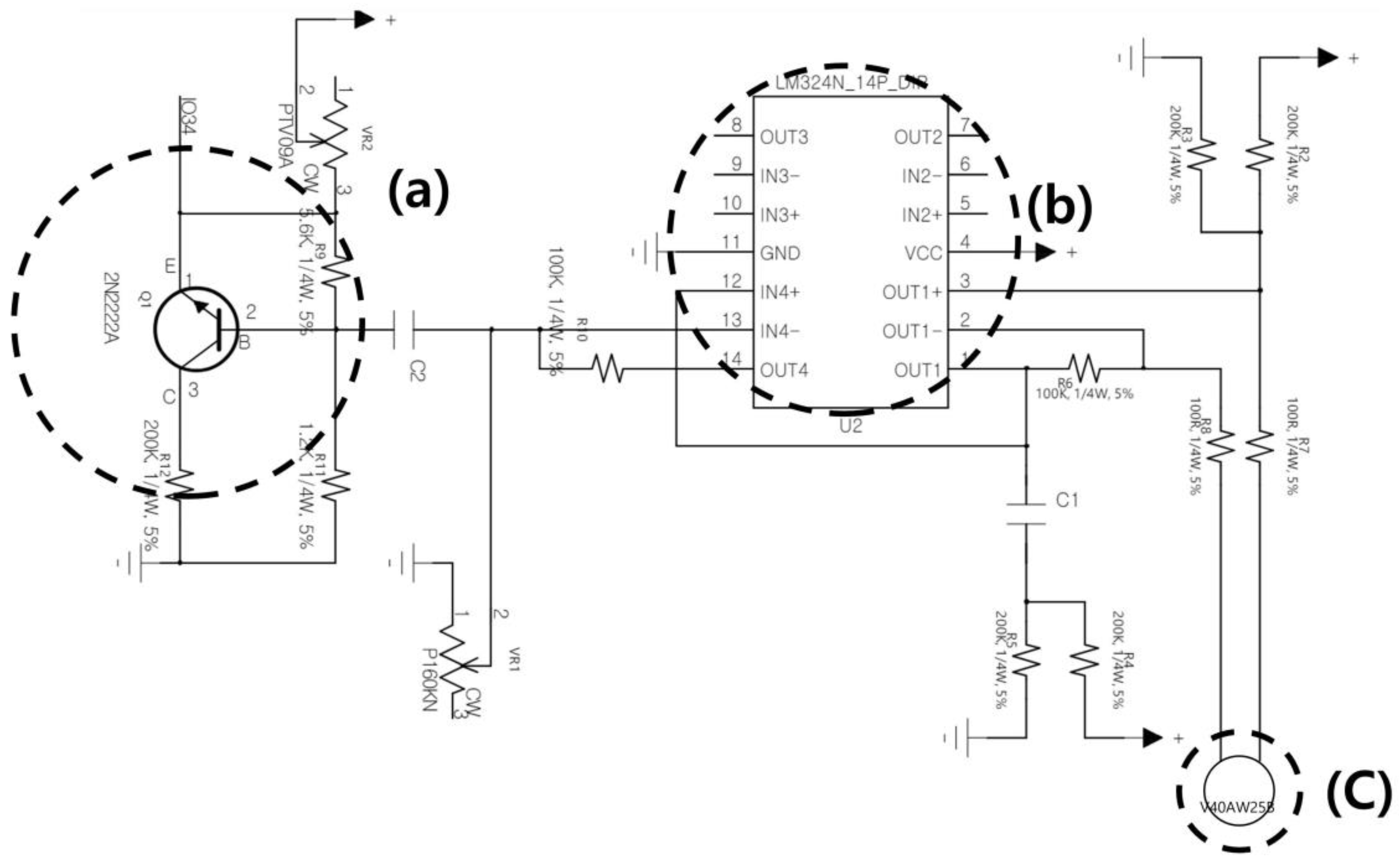
2.1. Ultrasonic Circular Array
2.2. The Operating Principle of an Ultrasonic Array
2.3. Measurement of Hand Gesture Data for the Seven Classes and Deep Learning Training
3. Results
3.1. Experimental Measurement Process and Testing
3.2. Real-Time Testing
4. Conclusions
Author Contributions
Funding
Institutional Review Board Statement
Informed Consent Statement
Data Availability Statement
Conflicts of Interest
References
- Hu, Y.; Gao, J.; Dong, J.; Fan, B.; Liu, H. Exploring Rich Semantics for Open-Set Action Recognition. IEEE Trans. Multimed. 2024, 26, 5410–5421. [Google Scholar] [CrossRef]
- Tang, S.; Guo, D.; Hong, R.; Wang, M. Graph-Based Multimodal Sequential Embedding for Sign Language Translation. IEEE Trans. Multimed. 2022, 24, 4433–4445. [Google Scholar] [CrossRef]
- Lu, X.; Zhao, S.; Cheng, L.; Zheng, Y.; Fan, X.; Song, M. Mixed Resolution Network with hierarchical motion modeling for efficient action recognition. Knowl.-Based Syst. 2024, 294, 0950–7051. [Google Scholar] [CrossRef]
- Ryumin, D.; Ivanko, D.; Ryumina, E. Audio-Visual Speech and Gesture Recognition by Sensors of Mobile Devices. Sensors 2023, 23, 2284. [Google Scholar] [CrossRef] [PubMed]
- Tang, S.; Xue, F.; Wu, J.; Wang, S.; Hong, R. Gloss-driven Conditional Diffusion Models for Sign Language Production. ACM Trans. Multimed. Comput. 2024, 224, 1551–6865. [Google Scholar] [CrossRef]
- Skaria, S.; Al-Hourani, A.; Evans, R.J. Deep-Learning Methods for Hand-Gesture Recognition Using Ultra-Wideband Radar. IEEE Access 2020, 8, 203580–203590. [Google Scholar] [CrossRef]
- Wang, Z.; Hou, Y.; Jiang, K.; Dou, W.; Zhang, C.; Huang, Z.; Guo, Y. Hand Gesture Recognition Based on Active Ultrasonic Sensing of Smartphone: A Survey. IEEE Access 2019, 7, 111897–111922. [Google Scholar] [CrossRef]
- Oudah, M.; Al-Naji, A.; Chahl, J. Hand Gesture Recognition Based on Computer Vision: A Review of Techniques. J. Imaging 2020, 6, 73. [Google Scholar] [CrossRef]
- Guo, X.; Xu, W.; Tang, W.Q.; Wen, C. Research on Optimization of Static Gesture Recognition Based on Convolution Neural Network. In Proceedings of the 2019 4th International Conference on Mechanical, Control and Computer Engineering (ICMCCE), Hohhot, China, 24–26 October 2019; pp. 398–400. [Google Scholar] [CrossRef]
- Kaur, H.; Rani, J. A review: Study of various techniques of Hand gesture recognition. In Proceedings of the 2016 IEEE 1st International Conference on Power Electronics, Intelligent Control and Energy Systems (ICPEICES), Delhi, India, 4–6 July 2016; pp. 1–5. [Google Scholar] [CrossRef]
- Marin, G.; Dominio, F.; Zanuttigh, P. Hand gesture recognition with leap motion and kinect devices. In Proceedings of the 2014 IEEE International Conference on Image Processing (ICIP), Paris, France, 27–30 October 2014; pp. 1565–1569. [Google Scholar] [CrossRef]
- Han, X.; Rashid, M.A. Gesture and voice control of Internet of Things. In Proceedings of the 2016 IEEE 11th Conference on Industrial Electronics and Applications (ICIEA), Hefei, China, 5–7 June 2016; pp. 1791–1795. [Google Scholar] [CrossRef]
- Haffner, O.; Kučera, E.; Beňo, L.; Pribiš, R.; Pajpach, M.; Janecký, D. Gesture Recognition System Based on Motion Capture Suit and LSTM Neural Network. In Proceedings of the 2023 International Conference on Modeling, Simulation & Intelligent Computing (MoSICom), Dubai, United Arab Emirates, 7–9 December 2023; pp. 71–76. [Google Scholar] [CrossRef]
- Mittal, A.; Paragios, N. Motion-based background subtraction using adaptive kernel density estimation. In Proceedings of the 2004 IEEE Computer Society Conference on Computer Vision and Pattern Recognition, CVPR 2004, Washington, DC, USA, 27 June–2 July 2004; pp. 302–309. [Google Scholar] [CrossRef]
- Chen, Z.; Cai, C.; Zheng, T.; Luo, J.; Xiong, J.; Wang, X. RF-Based Human Activity Recognition Using Signal Adapted Convolutional Neural Network. IEEE Trans. Mob. Comput. 2023, 22, 487–499. [Google Scholar] [CrossRef]
- Kang, G.S.; Lee, G.R.; Lee, S.M. Estimation of Azimuth Angle by Applying Doppler Effect to Ultrasonic Sensor. J. Korea Acad.-Ind. Coop. Soc. 2023, 24, 1–6. [Google Scholar] [CrossRef]
- Nandakumar, R.; Iyer, V.; Tan, D.; Gollakota, S. FingerIO: Using active sonar forfine-grained finger tracking. In Proceedings of the 2016 CHI Conference on Human Factors in Computing Systems, CHI’16, San Jose, CA, USA, 7 May 2016; pp. 1515–1525. [Google Scholar] [CrossRef]
- Chen, H.; Li, F.; Wang, Y. EchoTrack: Acoustic device-free hand tracking on smart phones. In Proceedings of the IEEE INFOCOM 2017—IEEE Conference on Computer Communications, Atlanta, GA, USA, 1–4 May 2017; pp. 1–9. [Google Scholar] [CrossRef]
- Wang, W.; Liu, A.X.; Sun, K. Device-free gesture tracking using acoustic signals. In Proceedings of the 22nd Annual International Conference on Mobile Computing and Networking, MobiCom ’16, New York, NY, USA, 3 October 2016; pp. 82–94. [Google Scholar] [CrossRef]
- Kim, J.; Choi, S. Hand Gesture Classification Based on Nonaudible Sound Using Convolutional Neural Network. J. Sens. 2019, 2019, 1084841. [Google Scholar] [CrossRef]
- Shin, S.; Choi, S.B. Target Speed Sensing Technique using Dilation Correlation of Ultrasonic Signal for Vehicle. In Proceedings of the 2019 IEEE Sensors Applications Symposium (SAS), Sophia Antipolis, France, 11–13 March 2019; pp. 1–5. [Google Scholar] [CrossRef]
- Vilkomerson, D.; Ricci, S.; Tortoli, P. Finding the peak velocity in a flow from its doppler spectrum. IEEE Trans. Ultrason. Ferroelectr. Freq. Control 2015, 60, 2079–2088. [Google Scholar] [CrossRef]
- Dziewierz, J.; Ramadas, S.N.; Gachagan, A.; O’Leary, R.L.; Hayward, G. A 2D Ultrasonic array design incorporating hexagonal-shaped elements and triangular-cut piezocomposite substructure for NDE applications. In Proceedings of the 2009 IEEE International Ultrasonics Symposium, Rome, Italy, 20–23 September 2009; pp. 422–425. [Google Scholar] [CrossRef]
- Von Ramm, O.T.; Smith, S.W. Beam Steering with Linear Arrays. IEEE Trans. Biomed. Eng. 1983, 30, 438–452. [Google Scholar] [CrossRef]
- Girshick, R. Fast R-CNN. In Proceedings of the2015 IEEE International Conference on Computer Vision (ICCV), Santiago, Chile, 7–13 December 2015; pp. 1440–1448. [Google Scholar] [CrossRef]











| Sensor Type | Motion Capture Suits | Camera | Radio Wave | Ultrasonic |
|---|---|---|---|---|
| Accuracy | Very high | Medium | High | High |
| Price | Very expensive | Medium | Expensive | Cheap |
| Response Time | Very Fast | Medium | Fast | Fast |
| Environmental Constraints | High (suit wear required) | High (sensitive to lighting and background) | Medium (radio license required) | Low (not affected by lighting) |
| Model | Accuracy (%) | Training Time (minutes) |
|---|---|---|
| Proposed CNN | 97.14% | 9 min |
| AlexNet | 52.06% | 24 min |
| GoogLeNet | 56.03% | 30 min |
| ResNet-50 | 69.05% | 44 min |
| VGG-19 | 54.76% | 46 min |
| Experimenter | Measure Distance (cm) | Validation Accuracy (%) | ||
|---|---|---|---|---|
| Raw Data | 2D-FFT Data | Normalization Data | ||
| Male | 10 cm | 99.13% | 68.35% | 71.59% |
| 30 cm | 98.87% | 67.78% | 67.67% | |
| 50 cm | 98.57% | 67.11% | 65.29% | |
| 70 cm | 97.44% | 64.43% | 66.16% | |
| 90 cm | 97.24% | 62.75% | 66.24% | |
| Female | 10 cm | 99.08% | 69.13% | 70.44% |
| 30 cm | 98.92% | 66.22% | 67.44% | |
| 50 cm | 99.02% | 65.49% | 64.52% | |
| 70 cm | 98.32% | 63.32% | 63.21% | |
| 90 cm | 97.13% | 63.43% | 63.29% | |
Disclaimer/Publisher’s Note: The statements, opinions and data contained in all publications are solely those of the individual author(s) and contributor(s) and not of MDPI and/or the editor(s). MDPI and/or the editor(s) disclaim responsibility for any injury to people or property resulting from any ideas, methods, instructions or products referred to in the content. |
© 2024 by the authors. Licensee MDPI, Basel, Switzerland. This article is an open access article distributed under the terms and conditions of the Creative Commons Attribution (CC BY) license (https://creativecommons.org/licenses/by/4.0/).
Share and Cite
Joo, J.; Koh, J.; Lee, H. Hand Gesture Recognition Using Ultrasonic Array with Machine Learning. Sensors 2024, 24, 6763. https://doi.org/10.3390/s24206763
Joo J, Koh J, Lee H. Hand Gesture Recognition Using Ultrasonic Array with Machine Learning. Sensors. 2024; 24(20):6763. https://doi.org/10.3390/s24206763
Chicago/Turabian StyleJoo, Jaewoo, Jinhwan Koh, and Hyungkeun Lee. 2024. "Hand Gesture Recognition Using Ultrasonic Array with Machine Learning" Sensors 24, no. 20: 6763. https://doi.org/10.3390/s24206763
APA StyleJoo, J., Koh, J., & Lee, H. (2024). Hand Gesture Recognition Using Ultrasonic Array with Machine Learning. Sensors, 24(20), 6763. https://doi.org/10.3390/s24206763

