Optical Tweezers Apparatus Based on a Cost-Effective IR Laser—Hardware and Software Description
Abstract
1. Introduction
2. Materials and Methods
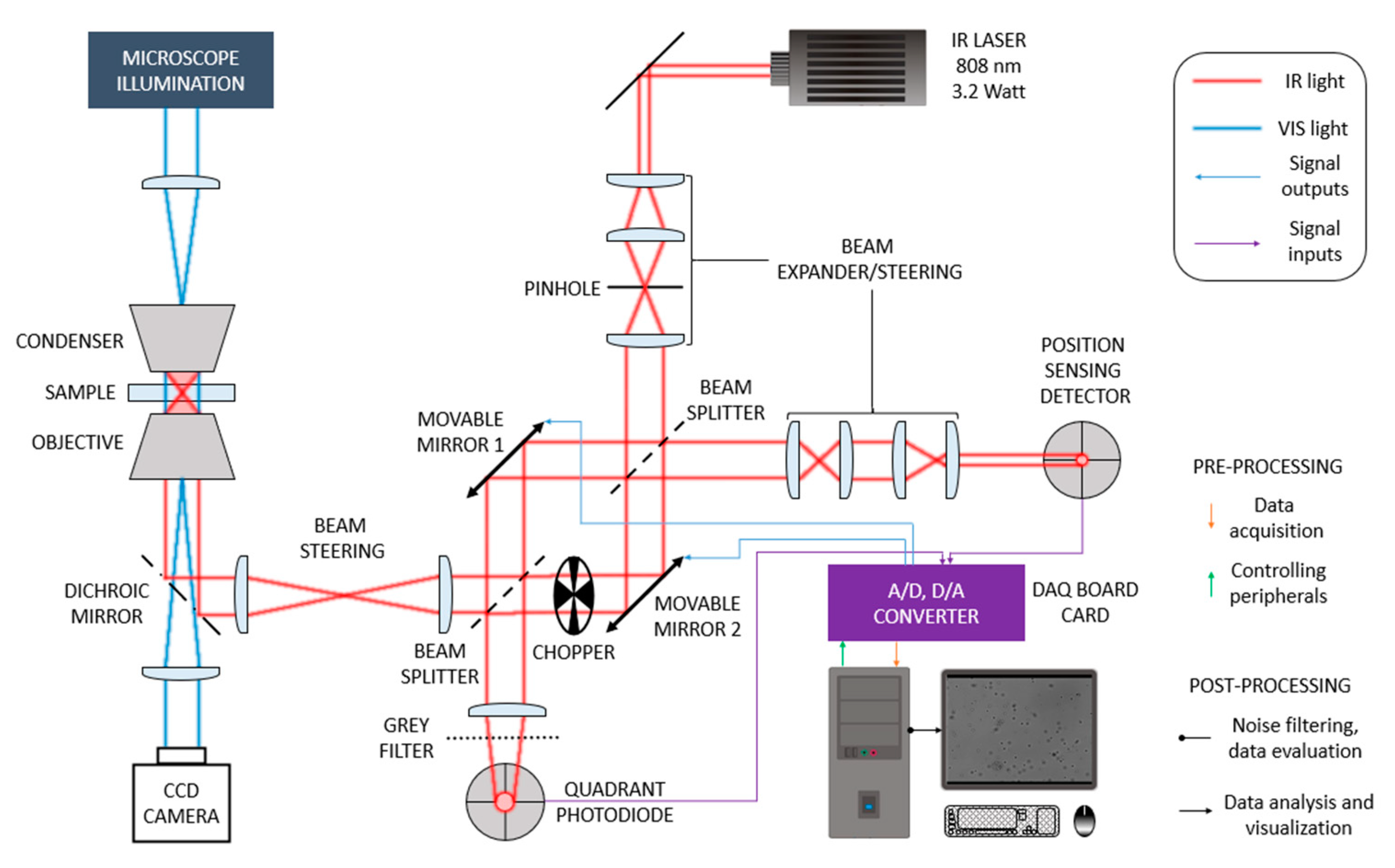
2.1. Experimental Device
2.2. Noise Elimination Methods
2.2.1. Causality of Filter
2.2.2. Moving Average Filter
2.2.3. Blocking Average
2.2.4. Finite Impulse Response
2.2.5. Infinite Impulse Response
2.3. Software Parts and Their Description
2.3.1. Pre-Processing Mode
- Controlling the peripherals
- Data Acquisition
- (1)
- Configuring channels;
- (2)
- Configuring acquisition events;
- (3)
- Setting the acquisition rate;
- (4)
- Setting up the buffer model;
- (5)
- Arming the acquisition;
- (6)
- Triggering the acquisition;
- (7)
- Monitoring the acquisition and receiving data.
- (1)
- Configuring channels
- (2)
- Configuring acquisition events
- (3)
- Setting the acquisition rate
- (4)
- Setting up the buffer model
- Linear buffer (Figure 7—straight scans written) is filled from the beginning of the buffer with the newest scans. Once the buffer is filled to the buffer capacity, the driver will stop writing new scans to the buffer even though the acquisition may continue. New scans are written into device FIFO if acquisition continues until FIFO overruns.
- Circular buffer (Figure 7—circular scans written) can never be overrun on level device FIFO. Once the buffer is filled to the buffer capacity, the new scans are written to the beginning of the buffer.
- (5)
- Arming the acquisition
- (6)
- Triggering the acquisition
- (7)
- Monitoring the acquisition and receiving data
2.3.2. Post-Processing Mode
- Signal filtering
- Data visualizations
2.4. Viscosity of Complex Environment
2.5. Calibrations of the Optical Tweezers
2.5.1. Trap Stiffness Determination Using Fast Fourier Transform Analysis
2.5.2. Position Calibration Using the Mean Square Displacement Analysis
2.5.3. Construction of Bead Position Distribution Function
3. Results and Discussion
3.1. Force Constant of the Trap
3.2. Filtering the Trajectory Signal
3.3. Position Calibration of the Trap
3.4. Trapping Properties of the Constructed OT in Comparison with Other Devices
4. Conclusions
Author Contributions
Funding
Data Availability Statement
Acknowledgments
Conflicts of Interest
References
- Ashkin, A. Acceleration and Trapping of Particles by Radiation Pressure. Phys. Rev. Lett. 1970, 24, 156–159. [Google Scholar] [CrossRef]
- Pesce, G.; Jones, P.H.; Maragò, O.M.; Volpe, G. Optical tweezers: Theory and practice. Eur. Phys. J. Plus 2020, 135, 949. [Google Scholar] [CrossRef]
- Zaltron, A.; Merano, M.; Mistura, G.; Sada, C.; Seno, F. Optical tweezers in single-molecule experiments. Eur. Phys. J. Plus 2020, 135, 896. [Google Scholar] [CrossRef]
- Spudich, J.A.; Rice, S.E.; Rock, R.S.; Purcell, T.J.; Warrick, H.M. Optical Traps to Study Properties of Molecular Motors. Cold Spring Harb. Protoc. 2011, 2011, 1305–1318. [Google Scholar] [CrossRef]
- Zhang, H.; Liu, K.-K. Optical tweezers for single cells. J. R. Soc. Interface 2008, 5, 671–690. [Google Scholar] [CrossRef] [PubMed]
- Arbore, C.; Perego, L.; Sergides, M.; Capitanio, M. Probing force in living cells with optical tweezers: From single-molecule mechanics to cell mechanotransduction. Biophys. Rev. 2019, 11, 765–782. [Google Scholar] [CrossRef] [PubMed]
- Osterman, N. TweezPal—Optical tweezers analysis and calibration software. Comput. Phys. Commun. 2010, 181, 1911–1916. [Google Scholar] [CrossRef]
- Callegari, A.; Mijalkov, M.; Gököz, A.B.; Volpe, G. Computational toolbox for optical tweezers in geometrical optics. J. Opt. Soc. Am. B 2015, 32, B6. [Google Scholar] [CrossRef][Green Version]
- Morgan, I.L.; Saleh, O.A. Tweezepy: A Python package for calibrating forces in single-molecule video-tracking experiments. PLoS ONE 2021, 16, e0262028. [Google Scholar] [CrossRef]
- Felgner, H.; Müller, O.; Schliwa, M. Calibration of light forces in optical tweezers. Appl. Opt. 1995, 34, 977. [Google Scholar] [CrossRef]
- Florin, E.-L.; Pralle, A.; Stelzer, E.H.K.; Hörber, J.K.H. Photonic force microscope calibration by thermal noise analysis. Appl. Phys. A Mater. Sci. Process. 1998, 66, S75–S78. [Google Scholar] [CrossRef]
- Richardson, A.C.; Czerwinski, F.; Oddershede, L.B. Quantifying Noise in Optical Tweezers by Allan Variance. Opt. Express 2009, 17, 13255–13269. [Google Scholar] [CrossRef]
- Berg-Sørensen, K.; Flyvbjerg, H. Power spectrum analysis for optical tweezers. Rev. Sci. Instrum. 2004, 75, 594–612. [Google Scholar] [CrossRef]
- Guiñón, J.L.; Ortega, E.; García-Antón, J.; Pérez-Herranz, V. Moving Average and Savitzki-Golay Smoothing Filters Using Mathcad. In Proceedings of the International Conference on Engineering Education—ICEE, Coimbra, Portugal, 3–7 September 2007. [Google Scholar]
- Alvarez-Ramirez, J.; Rodriguez, E.; Echeverría, J.C. Detrending fluctuation analysis based on moving average filtering. Phys. A Stat. Mech. Its Appl. 2005, 354, 199–219. [Google Scholar] [CrossRef]
- Mashaghi, A.; Vach, P.J.; Tans, S.J. Noise reduction by signal combination in Fourier space applied to drift correction in optical tweezers. Rev. Sci. Instrum. 2011, 82, 115103. [Google Scholar] [CrossRef]
- Kužela, T.; Kaloda, P.; Bradáč, K.; Burdík, M.; Elisek, P.; Fojtů, D.; Jašek, R.; Hrnčiřík, J.; Ingr, M. An optical trap apparatus to study the thermophoretic phenomena. In Proceedings of the 22nd Polish-Slovak-Czech Optical Conference on Wave and Quantum Aspects of Contemporary Optics, Wojanow, Poland, 5–9 September 2022; Volume 12502, pp. 171–179. [Google Scholar] [CrossRef]
- Thorlabs—PDP90A 2D Lateral Effect Position Sensor, 320 to 1100 nm. Available online: https://www.thorlabs.com/thorproduct.cfm?partnumber=PDP90A (accessed on 4 January 2024).
- Thorlabs—PDQ80A Quadrant Detector Sensor Head, 400 to 1050 nm. Available online: https://www.thorlabs.com/thorproduct.cfm?partnumber=PDQ80A (accessed on 4 January 2024).
- PCI 1-MHz, 16-Bit Multifunction Boards. Available online: https://in.omega.com/pptst/OMB-DAQBOARD-3000.html (accessed on 4 January 2024).
- Crooke, A.W.; Craig, J.W. Digital Filters for Sample-Rate Reduction. IEEE Trans. Audio Electroacoust. 1972, 20, 308–315. [Google Scholar] [CrossRef]
- Pajankar, A. Signal Processing with SciPy. In Raspberry Pi Supercomputing and Scientific Programming; Apress: New York, NY, USA, 2017; pp. 139–147. [Google Scholar] [CrossRef]
- SciPy. Available online: https://scipy.org/ (accessed on 14 May 2023).
- Agrawal, N.; Kumar, A.; Bajaj, V.; Singh, G.K. Design of digital IIR filter: A research survey. Appl. Acoust. 2020, 172, 107669. [Google Scholar] [CrossRef]
- IOtech. Programmer’s Manual Producing Custom Software for Data Acquisition Systems; IOtech: Cleveland, OH, USA, 2007; Available online: https://manualmachine.com/iotech/programmers/5151152-schematic/ (accessed on 14 May 2023).
- National Instruments Corporation. Application Note 007 Data Acquisition (DAQ) Fundamentals; National Instruments: Austin, TX, USA, 1999. [Google Scholar]
- Gittes, F.; Schmidt, C.F. Chapter 8 Signals and Noise in Micromechanical Measurements. Methods Cell Biol. 1997, 55, 129–156. [Google Scholar] [CrossRef]
- Tammann, G.; Hesse, W. Die Abhängigkeit der Viscosität von der Temperatur bie unterkühlten Flüssigkeiten. Z. Anorg. Allg. Chem. 1926, 156, 245–257. [Google Scholar] [CrossRef]
- Jolliffe, I.T.; Cadima, J. Principal component analysis: A review and recent developments. Philos. Trans. R. Soc. A Math. Phys. Eng. Sci. 2016, 374, 20150202. [Google Scholar] [CrossRef]
- Press, W.H.; Teukolsky, S.A.; Vetterling, W.T.; Flannery, B.P. Numerical Recipes Third Edition-Numerical Recipes: The Art of Scientific Computing, 3rd ed.; Cambridge University Press: Cambridge, UK, 2007. [Google Scholar]
- Harris, C.R.; Millman, K.J.; van der Walt, S.J.; Gommers, R.; Virtanen, P.; Cournapeau, D.; Wieser, E.; Taylor, J.; Berg, S.; Smith, N.J.; et al. Array programming with NumPy. Nature 2020, 585, 357–362. [Google Scholar] [CrossRef] [PubMed]
- De Lorenzo, S.; Ribezzi-Crivellari, M.; Ricardo Arias-Gonzalez, J.; Smith, S.B.; Ritort, F. Article A Temperature-Jump Optical Trap for Single-Molecule Manipulation. Biophys. J. 2015, 108, 2854–2864. [Google Scholar] [CrossRef] [PubMed]
- Huguet, J.M.; Bizarro, C.V.; Forns, N.; Smith, S.B.; Bustamante, C.; Ritort, F. Single-molecule derivation of salt dependent base-pair free energies in DNA. Proc. Natl. Acad. Sci. USA 2010, 107, 15431–15436. [Google Scholar] [CrossRef] [PubMed]
- Yusof, M.F.M.; Ayop, S.K.; Supian, F.L.; Juahir, Y. Optical trapping of organic solvents in the form of microdroplets in water. Chem. Phys. Lett. 2020, 749, 137407. [Google Scholar] [CrossRef]
- Black, J.W.; Kamenetska, M.; Ganim, Z. An Optical Tweezers Platform for Single Molecule Force Spectroscopy in Organic Solvents. Nano Lett. 2017, 17, 6598–6605. [Google Scholar] [CrossRef]
- Liu, S.; Lin, L.; Sun, H.B. Opto-Thermophoretic Manipulation. ACS Nano 2021, 15, 5925–5943. [Google Scholar] [CrossRef]
- Li, J.; Lin, L.; Inoue, Y.; Zheng, Y. Opto-thermophoretic tweezers and assembly. J. Micro Nano-Manuf. 2018, 6, 040801-1–040801-10. [Google Scholar] [CrossRef] [PubMed]
- Qian, Y.; Neale, S.L.; Marsh, J.H. Microparticle manipulation using laser-induced thermophoresis and thermal convection flow. Sci. Rep. 2020, 10, 19169. [Google Scholar] [CrossRef]
- Sarshar, M.; Wong, W.T.; Anvari, B. Comparative study of methods to calibrate the stiffness of a single-beam gradient-force optical tweezers over various laser trapping powers. J. Biomed. Opt. 2014, 19, 115001. [Google Scholar] [CrossRef]
- Ribezzi-Crivellari, M.; Ritort, F. Force Spectroscopy with Dual-Trap Optical Tweezers: Molecular Stiffness Measurements and Coupled Fluctuations Analysis. Biophys. J. 2012, 103, 1919–1928. [Google Scholar] [CrossRef]
- Van der Horst, A.; Forde, N.R. Power spectral analysis for optical trap stiffness calibration from high-speed camera position detection with limited bandwidth. Opt. Express 2010, 18, 7670. [Google Scholar] [CrossRef] [PubMed]
- Jun, Y.; Tripathy, S.K.; Narayanareddy, B.R.J.; Mattson-Hoss, M.K.; Gross, S.P. Calibration of optical tweezers for in vivo force measurements: How do different approaches compare? Biophys. J. 2014, 107, 1474–1484. [Google Scholar] [CrossRef] [PubMed]
- Yücel, H.; Okumuşoğlu, N.T. Optical tweezer calibration by using a part of the intensity distribution of a trapped particle. Appl. Opt. 2016, 55, 7861. [Google Scholar] [CrossRef]
- Visscher, K.; Schnltzer, M.J.; Block, S.M. Single kinesin molecules studied with a molecular force clamp. Nature 1999, 400, 184–189. [Google Scholar] [CrossRef] [PubMed]
- Hunt, A.J.; GittesIt, F.; Howar, J. The force exerted by a single kinesin molecule against a viscous load. Biophys. J. 1994, 67, 766. [Google Scholar] [CrossRef] [PubMed]
- Meyhöfer, E.; Howard, J. The force generated by a single kinesin molecule against an elastic load. Proc. Natl. Acad. Sci. USA 1995, 92, 574. [Google Scholar] [CrossRef]
- Caremani, M.; Marcello, M.; Morotti, I.; Pertici, I.; Squarci, C.; Reconditi, M.; Bianco, P.; Piazzesi, G.; Lombardi, V.; Linari, M. The force of the myosin motor sets cooperativity in thin filament activation of skeletal muscles. Commun. Biol. 2022, 5, 1266. [Google Scholar] [CrossRef]
- Tyska, M.J.; Dupuis, D.E.; Guilford, W.H.; Patlak, J.B.; Waller, G.S.; Trybus, K.M.; Warshaw, D.M.; Lowey, S. Two heads of myosin are better than one for generating force and motion. Proc. Natl. Acad. Sci. USA 1999, 96, 4402. [Google Scholar] [CrossRef]
- Brenner, S.; Berger, F.; Rao, L.; Nicholas, M.P.; Gennerich, A. Force production of human cytoplasmic dynein is limited by its processivity. Sci. Adv. 2020, 6, eaaz4295. [Google Scholar] [CrossRef]
- Lang, M.J.; Fordyce, P.M.; Block, S.M. Combined optical trapping and single-molecule fluorescence. J. Biol. 2003, 2, 6. [Google Scholar] [CrossRef]
















| Hydrodynamic Method | -Method | ||||
| Direction | Deflection | Calib. Const. (nm/(a.u.)) | Detector Variance (a.u.) | ||
| Detector (a.u.) | Camera (nm) | Horizontal | 0.024 | ||
| Left | 0.363 | 380 | 1046.54 | Vertical | 0.015 |
| Right | 0.368 | 330 | 897.71 | Calculated Variance (nm) | |
| Down | 0.417 | 620 | 1487.88 | Horizontal | 23.475 |
| Top | 0.333 | 510 | 1530.15 | Vertical | 26.823 |
| a (nm/(a.u.)) | 972 | (nm/(a.u.)) | 983 ± 66 | ||
| b (nm/(a.u.)) | 1509 | (nm/(a.u.)) | 1804 ± 59 | ||
Disclaimer/Publisher’s Note: The statements, opinions and data contained in all publications are solely those of the individual author(s) and contributor(s) and not of MDPI and/or the editor(s). MDPI and/or the editor(s) disclaim responsibility for any injury to people or property resulting from any ideas, methods, instructions or products referred to in the content. |
© 2024 by the authors. Licensee MDPI, Basel, Switzerland. This article is an open access article distributed under the terms and conditions of the Creative Commons Attribution (CC BY) license (https://creativecommons.org/licenses/by/4.0/).
Share and Cite
Burdík, M.; Kužela, T.; Fojtů, D.; Elisek, P.; Hrnčiřík, J.; Jašek, R.; Ingr, M. Optical Tweezers Apparatus Based on a Cost-Effective IR Laser—Hardware and Software Description. Sensors 2024, 24, 643. https://doi.org/10.3390/s24020643
Burdík M, Kužela T, Fojtů D, Elisek P, Hrnčiřík J, Jašek R, Ingr M. Optical Tweezers Apparatus Based on a Cost-Effective IR Laser—Hardware and Software Description. Sensors. 2024; 24(2):643. https://doi.org/10.3390/s24020643
Chicago/Turabian StyleBurdík, Martin, Tomáš Kužela, Dušan Fojtů, Petr Elisek, Josef Hrnčiřík, Roman Jašek, and Marek Ingr. 2024. "Optical Tweezers Apparatus Based on a Cost-Effective IR Laser—Hardware and Software Description" Sensors 24, no. 2: 643. https://doi.org/10.3390/s24020643
APA StyleBurdík, M., Kužela, T., Fojtů, D., Elisek, P., Hrnčiřík, J., Jašek, R., & Ingr, M. (2024). Optical Tweezers Apparatus Based on a Cost-Effective IR Laser—Hardware and Software Description. Sensors, 24(2), 643. https://doi.org/10.3390/s24020643

