A Fusion Strategy for Vehicle Positioning at Intersections Utilizing UWB and Onboard Sensors
Abstract
1. Introduction
- (1)
- An ARIMA–GARCH model to address the NLOS problem of UWB-aided positioning in vehicular traffic scenarios is proposed. Compared with the ARIMA model used in our previous work [30], this model can capture prominent characteristics of UWB measurements, such as self-similarity in the large time scale and multifractal in small time scale, and then the coarse error in range measurements of NLOS anchors could be mitigated more efficiently. With NLOS detection and mitigation of UWB raw information, the performance of subsequent global fusion can be significantly improved.
- (2)
- An adaptive IMM algorithm is proposed to conduct global fusion, in which the low-cost onboard sensors, including wheel speed sensors, an electronic compass, and MEMS-INS, are utilized to be fused with UWB. The adaptive algorithm based on Bayesian inference, which incorporates additional UWB and steering sensor information into the multiple-model estimation process, can model the transition probabilities of the Markovian matrix adaptively. Compared with traditional IMM methods, the proposed AIMM model will adjust the model probabilities to make them better matching for current driving conditions, thus leading to better positioning performance.
2. Outline of The Proposed Multi-Sensor Fusion Strategy
3. NLOS Mitigation Algorithm of UWB Anchors
3.1. Outline of UWB Positioning
- (a)
- UWB has an extremely large bandwidth, usually between the range of 3.6 GHz~10.1 GHz. In urban traffic environments, large bandwidth makes UWB robust against external interference;
- (b)
- It can penetrate through some obstacles due to its impulse radio (IR) signal;
- (c)
- Through the TOA method, UWB can achieve high ranging accuracy at the decimeter or even centimeter level, which may enhance positioning performance greatly.
- (d)
- Besides, UWB is recognized as one potential technology for short distance high speed wireless communication, which is suitable to most vehicle-vehicle and vehicle-infrastructure applications in ITS.
3.2. NLOS Detection and Mitigation Algorithm
4. The Global Fusion Strategy Aided by UWB
4.1. System Model Set
4.2. Observation Model
4.3. Adaptive Algorithm of Markovian Probabilities Transition Matrix
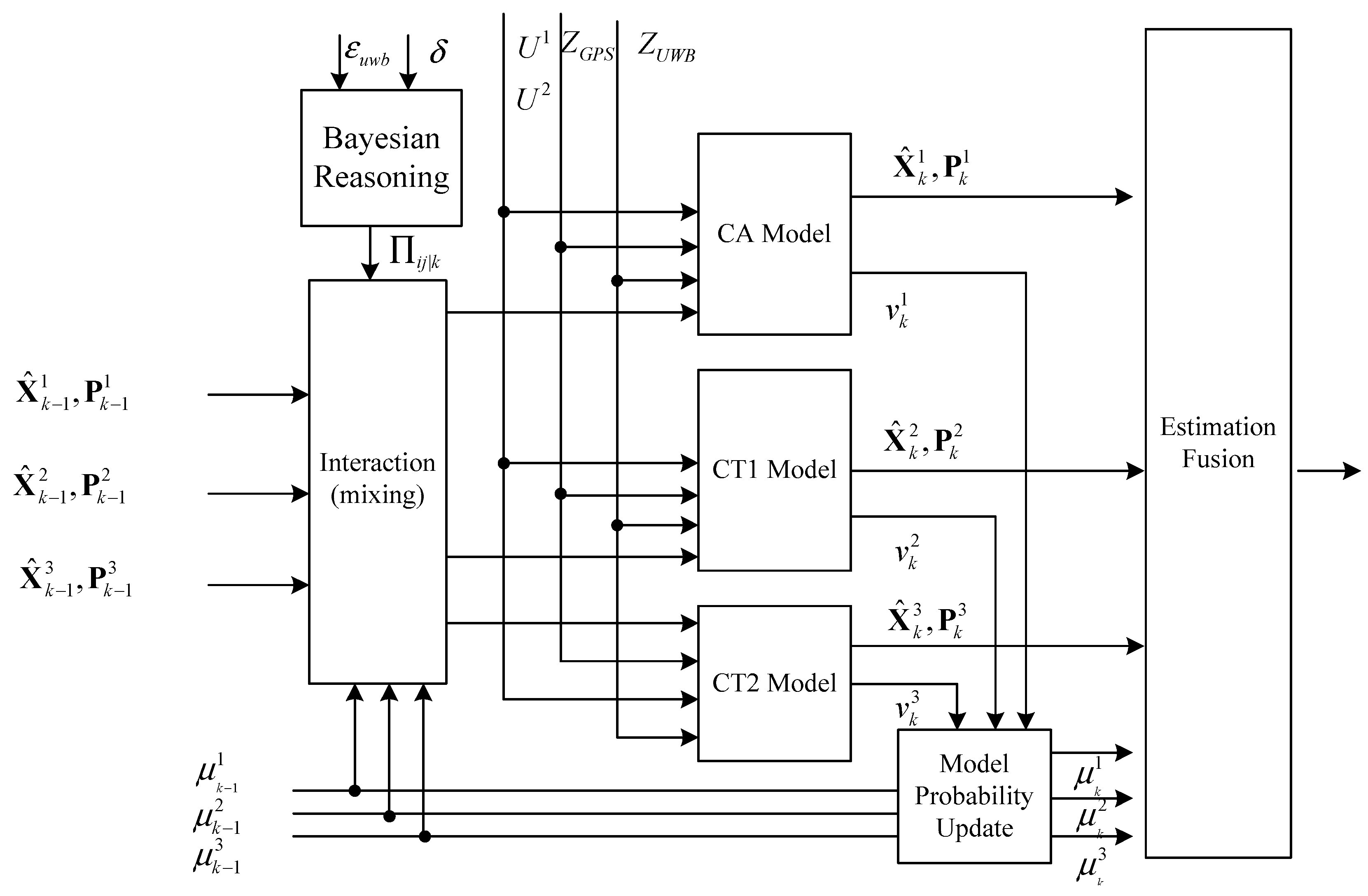
4.4. Global Fusion Algorithm Based on AIMM
- (1)
- Interaction:
- (2)
- Model individual filtering based on EKF:
- (3)
- Model probability update:
- (4)
- Estimation fusion:
5. Experimental Results
5.1. The Deployment of UWB Anchors at the Intersection
5.2. Performance of UWB Preprocessing Algorithm
5.3. Performance of the AIMM Algorithm
6. Conclusions
Author Contributions
Funding
Institutional Review Board Statement
Informed Consent Statement
Data Availability Statement
Conflicts of Interest
References
- Skog, I.; Handel, P. In-car positioning and navigation technologies—A survey. IEEE Trans. Intell. Transp. Syst. 2009, 10, 4–21. [Google Scholar] [CrossRef]
- Gu, Y.; Hsu, L.T.; Kamijo, S. GNSS/onboard inertial sensor integration with the aid of 3-D building map for lane-level vehicle self-localization in urban canyon. IEEE Trans. Veh. Technol. 2015, 65, 4274–4287. [Google Scholar] [CrossRef]
- Sun, R.; Fu, L.; Cheng, Q.; Chiang, K.W.; Chen, W. Resilient pseudorange error prediction and correction for GNSS positioning in urban areas. IEEE Internet Things J. 2023, 10, 9979–9988. [Google Scholar] [CrossRef]
- Suhr, J.K.; Jang, J.; Min, D.; Jung, H.G. Sensor fusion-based low-cost vehicle localization system for complex urban environments. IEEE Trans. Intell. Transp. Syst. 2016, 18, 1078–1086. [Google Scholar] [CrossRef]
- Dai, H.F.; Bian, H.W.; Wang, R.Y.; Ma, H. An INS/GNSS integrated navigation in GNSS denied environment using recurrent neural network. Def. Technol. 2020, 16, 334–340. [Google Scholar] [CrossRef]
- Sun, R.; Wang, J.; Cheng, Q.; Mao, Y.; Ochieng, W.Y. A new IMU-aided multiple GNSS fault detection and exclusion algorithm for integrated navigation in urban environments. GPS Solut. 2021, 25, 147. [Google Scholar] [CrossRef]
- Elkholy, M.; Elsheikh, M.; El-Sheimy, N. Radar/INS Integration and Map Matching for Land Vehicle Navigation in Urban Environments. Sensors 2023, 23, 5119. [Google Scholar] [CrossRef]
- Chen, C.; Chang, G. Low-cost GNSS/INS integration for enhanced land vehicle performance. Meas. Sci. Technol. 2019, 31, 035009. [Google Scholar] [CrossRef]
- Bhatt, D.; Aggarwal, P.; Devabhaktuni, V.; Bhattacharya, P. A novel hybrid fusion algorithm to bridge the period of GPS outages using low-cost INS. Expert Syst. Appl. 2014, 41, 2166–2173. [Google Scholar] [CrossRef]
- Vouch, O.; Minetto, A.; Falco, G.; Dovis, F. On the adaptivity of unscented particle filter for gnss/ins tightly-integrated navigation unit in urban environment. IEEE Access 2021, 9, 144157–144170. [Google Scholar] [CrossRef]
- Georgy, J.; Noureldin, A.; Korenberg, M.J.; Bayoumi, M.M. Modeling the stochastic drift of a MEMS-based gyroscope in gyro/odometer/GPS integrated navigation. IEEE Trans. Intell. Transp. Syst. 2010, 11, 856–872. [Google Scholar] [CrossRef]
- Yue, S.; Cong, L.; Qin, H.; Li, B.; Yao, J. A robust fusion methodology for MEMS-based land vehicle navigation in GNSS-challenged environments. IEEE Access 2020, 8, 44087–44099. [Google Scholar] [CrossRef]
- Kim, S.B.; Bazin, J.C.; Lee, H.K.; Choi, K.H.; Park, S.Y. Ground vehicle navigation in harsh urban conditions by integrating inertial navigation system, global positioning system, odometer and vision data. IET Radar Sonar Navig. 2011, 5, 814–823. [Google Scholar]
- Lim, J.H.; Choi, K.H.; Cho, J.; Lee, H.K. Integration of GPS and monocular vision for land vehicle navigation in urban area. Int. J. Automot. Technol. 2017, 18, 345–356. [Google Scholar] [CrossRef]
- Gakne, P.; O’Keefe, K. Tightly-coupled GNSS/vision using a sky-pointing camera for vehicle navigation in urban areas. Sensors 2018, 18, 1244. [Google Scholar] [CrossRef] [PubMed]
- Bai, X.; Wen, W.; Hsu, L.T. Using Sky-pointing fish-eye camera and LiDAR to aid GNSS single-point positioning in urban canyons. IET Intell. Transp. Syst. 2020, 14, 908–914. [Google Scholar] [CrossRef]
- Wen, W.W.; Hsu, L.T. 3D LiDAR aided GNSS NLOS mitigation in urban canyons. IEEE Trans. Intell. Transp. Syst. 2022, 23, 18224–18236. [Google Scholar] [CrossRef]
- Bensky, A. Wireless Positioning Technologies and Applications; Artech House: Norwood, MA, USA, 2016. [Google Scholar]
- Song, X.; Li, X.; Tang, W.; Zhang, W. A fusion strategy for reliable vehicle positioning utilizing RFID and in-vehicle sensors. Inf. Fusion 2016, 31, 76–86. [Google Scholar] [CrossRef]
- Zhu, B.; Tao, X.; Zhao, J.; Ke, M.; Wang, H.; Deng, W. An integrated GNSS/UWB/DR/VMM positioning strategy for intelligent vehicles. IEEE Trans. Veh. Technol. 2020, 69, 10842–10853. [Google Scholar] [CrossRef]
- Shi, G.; Ming, Y. Survey of indoor positioning systems based on ultra-wideband (UWB) technology. In Wireless Communications, Networking and Applications; Springer: New Delhi, India, 2016; pp. 1269–1278. [Google Scholar]
- Alarifi, A.; Al-Salman, A.; Alsaleh, M.; Alnafessah, A.; Al-Hadhrami, S.; Al-Ammar, M.A.; Al-Khalifa, H.S. Ultra wideband indoor positioning technologies: Analysis and recent advances. Sensors 2016, 16, 707. [Google Scholar] [CrossRef]
- O’Keefe, K.; Jiang, Y.; Petovello, M. An investigation of tightly-coupled UWB/low-cost GPS for vehicle-to-infrastructure relative positioning. In Proceedings of the Radar Conference, 2014 IEEE, Cincinnati, OH, USA, 19–23 May 2014; IEEE: Piscataway, NJ, USA, 2014; pp. 1295–1300. [Google Scholar]
- Wang, J.; Gao, Y.; Li, Z.; Meng, X.; Hancock, C.M. A tightly-coupled GPS/INS/UWB cooperative positioning sensors system supported by V2I communication. Sensors 2016, 16, 944. [Google Scholar] [CrossRef]
- Li, Z.; Chang, G.; Gao, J.; Wang, J.; Hernandez, A. GPS/UWB/MEMS-IMU tightly coupled navigation with improved robust Kalman filter. Adv. Space Res. 2016, 58, 2424–2434. [Google Scholar] [CrossRef]
- Dardari, D.; Conti, A.; Ferner, U.; Giorgetti, A.; Win, M.Z. Ranging with ultrawide bandwidth signals in multipath environments. Proc. IEEE 2009, 97, 404–426. [Google Scholar] [CrossRef]
- Khodjaev, J.; Park, Y.; Malik, A.S. Survey of NLOS identification and error mitigation problems in UWB-based positioning algorithms for dense environments. Ann. Telecommun. -Ann. Des Télécommun. 2010, 65, 301–311. [Google Scholar] [CrossRef]
- Liu, J.; Pu, J.; Sun, L.; He, Z. An Approach to Robust INS/UWB Integrated Positioning for Autonomous Indoor Mobile Robots. Sensors 2019, 19, 950. [Google Scholar] [CrossRef] [PubMed]
- San Martín, J.; Cortés, A.; Zamora-Cadenas, L.; Svensson, B.J. Precise positioning of autonomous vehicles combining UWB ranging estimations with on-board sensors. Electronics 2020, 9, 1238. [Google Scholar] [CrossRef]
- Gao, H.; Li, X. Tightly-coupled vehicle positioning method at intersections aided by UWB. Sensors 2019, 19, 2867. [Google Scholar] [CrossRef]
- Toledo-Moreo, R.; Zamora-Izquierdo, M.A.; Gómez-Skarmeta, A.F. High-integrity IMM-EKF-based road vehicle navigation with low-cost GPS/SBAS/INS. IEEE Trans. Intell. Transp. Syst. 2007, 8, 491–511. [Google Scholar] [CrossRef]
- Dawood, M.; Cappelle, C.; El Najjar, M.E.; Khalil, M.; Pomorski, D. Vehicle geo-localization based on IMM-UKF data fusion using a GPS receiver, a video camera and a 3D city model. In Proceedings of the 2011 IEEE Intelligent Vehicles Symposium (IV), Baden-Baden, Germany, 5–9 June 2011; IEEE: Piscataway, NJ, USA, 2011; pp. 510–515. [Google Scholar]
- Farag, W. Real-time autonomous vehicle localization based on particle and unscented kalman filters. J. Control. Autom. Electr. Syst. 2021, 32, 309–325. [Google Scholar] [CrossRef]
- Julier, S.J.; Durrant-Whyte, H.F. On the role of process models in autonomous land vehicle navigation systems. IEEE Trans. Robot. Autom. 2003, 19, 1–14. [Google Scholar] [CrossRef]
- Li, X.R.; Jilkov, V.P. Survey of maneuvering target tracking. Part V. Multiple-model methods. IEEE Trans. Aerosp. Electron. Syst. 2005, 41, 1255–1321. [Google Scholar]
- Jo, K.; Chu, K.; Sunwoo, M. Interacting multiple model filter-based sensor fusion of GPS with in-vehicle sensors for real-time vehicle positioning. IEEE Trans. Intell. Transp. Syst. 2011, 13, 329–343. [Google Scholar] [CrossRef]
- Choi, S.; Hong, D. Position estimation in urban U-turn section for autonomous vehicles using multiple vehicle model and Interacting Multiple Model filter. Int. J. Automot. Technol. 2021, 22, 1599–1607. [Google Scholar] [CrossRef]
- Schubert, R.; Wanielik, G. Unifying Bayesian networks and IMM filtering for improved multiple model estimation. In Proceedings of the 2009 12th International Conference on Information Fusion, Seattle, WA, USA, 6–9 July 2009; IEEE: Piscataway, NJ, USA, 2009; pp. 810–817. [Google Scholar]
- Yao, R.; Zhang, W.; Zhang, L. Hybrid methods for short-term traffic flow prediction based on ARIMA-GARCH model and wavelet neural network. J. Transp. Eng. Part A Syst. 2020, 146, 04020086. [Google Scholar] [CrossRef]
- Zhou, J.; Li, D.; Pan, R.; Wang, H. Network GARCH model. Stat. Sin. 2020, 30, 1723–1740. [Google Scholar] [CrossRef]















| Trajectory | ARIMA+RWLS | ARIMA–GARCH+RWLS | ||
|---|---|---|---|---|
| Max | RMS | Max | RMS | |
| I | 5.81 | 1.89 | 3.58 | 1.15 |
| II | 6.15 | 1.99 | 2.05 | 1.14 |
| (1) Keep Lane | |||
| Evidence | Lane Change Left | Keep Lane | Lane Change Right |
| 0.005 | 0.99 | 0.005 | |
| 0.03 | 0.97 | 0.00 | |
| 0.00 | 0.97 | 0.03 | |
| Evidence | Lane Change Left | Keep Lane | Lane Change Right |
| 0.01 | 0.98 | 0.01 | |
| 0.03 | 0.96 | 0.01 | |
| 0.01 | 0.96 | 0.03 | |
| (2) Lane Change Left | |||
| Evidence | Lane Change Left | Keep Lane | Lane Change Right |
| 0.96 | 0.03 | 0.01 | |
| 0.98 | 0.02 | 0.00 | |
| 0.96 | 0.01 | 0.03 | |
| Evidence | Lane Change Left | Keep Lane | Lane Change Right |
| 0.96 | 0.03 | 0.01 | |
| 0.98 | 0.02 | 0.00 | |
| 0.96 | 0.01 | 0.03 | |
| (3) Lane Change Right | |||
| Evidence | Lane Change Left | Keep Lane | Lane Change Right |
| 0.01 | 0.03 | 0.96 | |
| 0.03 | 0.01 | 0.96 | |
| 0.00 | 0.02 | 0.98 | |
| Evidence | Lane Change Left | Keep Lane | Lane Change Right |
| 0.01 | 0.03 | 0.96 | |
| 0.03 | 0.01 | 0.96 | |
| 0.00 | 0.02 | 0.98 | |
| Trajectory | Tightly Coupled EKF | IMM | AIMM | |||
|---|---|---|---|---|---|---|
| Max | RMS | Max | RMS | Max | RMS | |
| III | 3.2 | 1.37 | 2.6 | 1.19 | 2.6 | 0.94 |
Disclaimer/Publisher’s Note: The statements, opinions and data contained in all publications are solely those of the individual author(s) and contributor(s) and not of MDPI and/or the editor(s). MDPI and/or the editor(s) disclaim responsibility for any injury to people or property resulting from any ideas, methods, instructions or products referred to in the content. |
© 2024 by the authors. Licensee MDPI, Basel, Switzerland. This article is an open access article distributed under the terms and conditions of the Creative Commons Attribution (CC BY) license (https://creativecommons.org/licenses/by/4.0/).
Share and Cite
Gao, H.; Li, X.; Song, X. A Fusion Strategy for Vehicle Positioning at Intersections Utilizing UWB and Onboard Sensors. Sensors 2024, 24, 476. https://doi.org/10.3390/s24020476
Gao H, Li X, Song X. A Fusion Strategy for Vehicle Positioning at Intersections Utilizing UWB and Onboard Sensors. Sensors. 2024; 24(2):476. https://doi.org/10.3390/s24020476
Chicago/Turabian StyleGao, Huaikun, Xu Li, and Xiang Song. 2024. "A Fusion Strategy for Vehicle Positioning at Intersections Utilizing UWB and Onboard Sensors" Sensors 24, no. 2: 476. https://doi.org/10.3390/s24020476
APA StyleGao, H., Li, X., & Song, X. (2024). A Fusion Strategy for Vehicle Positioning at Intersections Utilizing UWB and Onboard Sensors. Sensors, 24(2), 476. https://doi.org/10.3390/s24020476

